|
VCC
|
Напряжение питания цифровых элементов
|
|
GND
|
Общий
|
|
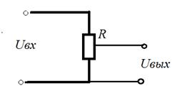
Порт A (PA7..PA0)
|
Порт A - 8-разр. порт двунаправленного ввода-вывода с
внутренними подтягивающими к плюсу резисторами (выбираются раздельно для
каждого разряда). Выходные буферы порта A имеют симметричную выходную
характеристику с одинаковыми втекающим и вытекающим токами. При вводе, линии
порта А будут действовать как источник тока, если внешне действует низкий
уровень и включены подтягивающие резисторы. Выводы порта A находятся в
третьем (состоянии при выполнении условия сброса, даже если синхронизация не
запущена. 14
|
|
XTAL1
|
вход инвертирующего усилителя генератора и вход внешней
синхронизации.
|
|
XTAL2
|
выход инвертирующего усилителя генератора.
|
|
AVCC
|
вход питания порта F и аналогово-цифрового преобразователя.
Он должен быть внешне связан с VCC, даже если АЦП не используется. При
использовании АЦП этот вывод связан с VCC через фильтр низких частот.
|
|
AREF
|
вход подключения источника опорного напряжения АЦП.
|
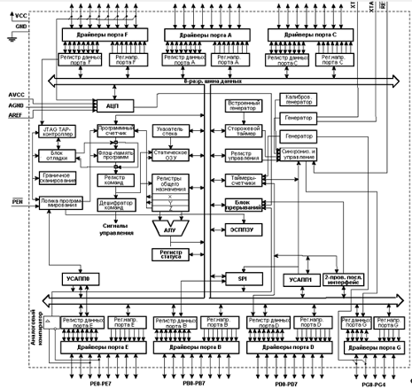
.2 Принципиальная схема
Принцип действия системы: сигнал, поступает на емкостной датчик датчик.
Далее сигнал поступает на АЦП, где он отфильтрует помехи. После того как сигнал
отфильрован, он поступает на микроконтроллер, где происходят разные вычисления,
после всех выполненных вычислений сигнал поступает на экран персонального
компьютера. Так же через персональный компьютер, используя трансивер, можно управлять
режимами и частотой выдачи сигнала микропроцессором. Принципиальная схема
измерителя линейных ускорений представлена на рисунке 2.4.
Рисунок 2.4 - Принципиальная схема измерителя линейных ускорений
.3 Выбор элементов
Блок АЦП представляет собой 13 разрядный сигма-дельта АЦП AD7550АЦП
многотактного интегрирования имеют ряд недостатков. Во-первых, нелинейность
переходной статической характеристики операционного усилителя, на котором
выполняют интегратор, заметным образом сказывается на интегральной нелинейности
характеристики преобразования АЦП высокого разрешения. Для уменьшения влияния
этого фактора АЦП изготавливают многотактными. Две трети цикла преобразователь
не принимает входной сигнал. Это ухудшает помехоподавляющие свойства
интегрирующего АЦП. В-третьих, АЦП многотактного интегрирования должен быть
снабжен довольно большим количеством внешних резисторов и конденсаторов с
высококачественным диэлектриком, что значительно увеличивает место, занимаемое
преобразователем на плате и, как следствие, усиливает влияние помех. [5]
Эти недостатки во многом устранены в конструкции сигма-дельта АЦП (в
ранней литературе эти преобразователи назывались АЦП с уравновешиванием или
балансом зарядов). Своим названием эти преобразователи обязаны наличием в них
двух блоков: сумматора (обозначение операции - S) и интегратора (обозначение
операции - D). Схема n-разрядного сигма-дельта модулятора первого порядка
приведена на рисунке 2.5. Работа этой схемы основана на вычитании из входного
сигнала Uвх(t) величины сигнала на выходе ЦАП, полученной на
предыдущем такте работы схемы. Полученная разность интегрируется, а затем
преобразуется в код параллельным АЦП невысокой разрядности. Последовательность
кодов поступает на цифровой фильтр нижних частот. Сигма-дельта АЦП высокого
разрешения имеют развитую цифровую часть, включающую микроконтроллер. Это
позволяет реализовать режимы автоматической установки нуля и самокалибровки
полной шкалы, хранить калибровочные коэффициенты и передавать их по запросу
внешнего процессора.
Структурная схема сигма-дельта АЦП приведена на рисунке 2.5.
Рисунок 2.5 - Структурная схема сигма-дельта АЦП
Принцип действия данного АЦП несколько более сложен, чем у других типов АЦП.
Его суть в том, что входное напряжение сравнивается со значением напряжения,
накопленным интегратором. На вход интегратора подаются импульсы положительной
или отрицательной полярности, в зависимости от результата сравнения. Таким
образом, данный АЦП представляет собой простую следящую систему: напряжение на
выходе интегратора «отслеживает» входное напряжение (рисунок 2.6). Результатом
работы данной схемы является поток нулей и единиц на выходе компаратора,
который затем пропускается через цифровой ФНЧ, в результате получается N-битный
результат. ФНЧ на рисунке 2.6. Объединен с «дециматором», устройством,
снижающим частоту следования отсчетов путем их «прореживания».
Рисунок 2.6 - Сигма-дельта АЦП как следящая система
MAX202 УСАПП содержит блоки обнаружения данных и
синхронизации для управления асинхронным приемом данных. Логика обнаружения
синхронизации используется для синхронизации с внутренним генератором скорости
связи для обеспечения возможности ввода последовательной посылки с вывода RxD.
Логика обнаружения данных осуществляет выборку и фильтрацию (ФНЧ) каждого
входящего бита данных, тем самым, увеличивая помехоустойчивость приемника.
Рабочий диапазон асинхронного приема определяется точностью встроенного генератора
скорости связи, точностью скорости входящей посылки и размером посылки (рисунок
2.7)
Рисунок
2.7 - Двухканальный приемник/передатчик RS-232
Отличительные
особенности: высокопроизводительный, маломощный 8-разрядный
AVR-микроконтроллер; развитая RISC-архитектура - 133 мощных инструкций,
большинство из которых выполняются за один машинный цикл; 32 8-разр. регистров
общего назначения + регистры управления встроенной периферией;
производительность до 16 млн. операций в секунду при тактовой частоте 16МГц;
встроенное умножающее устройство выполняет умножение за 2 машинных цикла;
гарантированная двухоперационность: возможность чтения во время записи;
программируемая защита кода программы. [6]
3. Конструкция системы
Конструкция датчика линейных ускорений представляет собой пластмассовый
корпус и крышку. Материал для изготовления подбирался таким образом, чтобы
обеспечить нормальную себестоимость, технологичность и удобство прибора при
использовании. Петли, на которых держится прибор, вылиты из пластмассы, что
удешевляет прибор, и дает возможность сделать его единым изделием. Корпус имеет
размеры: длина 110 мм, ширина 90 мм и высота 50 мм.
На одной из боковых панелей корпуса размещены разъемы для питания блока
(тип DB9), разъёмы крепятся к плате, при помощи пайки, для обеспечения удобства
конструкции.
Крышка прибора размещена на уровне разъема, что обеспечивает удобство
доступа ко всем элементам прибора, если возникнет потребность, при удалении
любой неисправности конструкции прибора.
Печатная плата измерительного блока сделана из стеклотекстолита,
устанавливается внутри прибора горизонтально и крепится к нижней крышке корпуса
с двух сторон винтами М3-6g*20.14H ГОСТ 1481-84, с другой - винтами
М3-6g*10.14H ГОСТ 1481-84. Навесные элементы размещаются с одной стороны.
Печатная плата имеет размеры: длина 75 мм, ширина 58 мм.
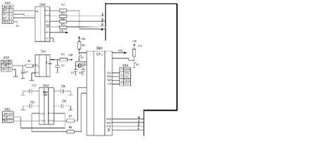
Прибор состоит из аналогово-цифрового преобразователя (АЦП),
микропроцессора AtMega 128, персонального компьютера и интерфейса типа MAX 202.
Питание осуществляется от сети 220 В, для чего на плате используется разъем Х1.
Разъем Х2 используется для непосредственного подключения к ПК.
Пайка осуществляется припоем ПОС61 ГОСТ 21931-76. Для защиты от влажности
печатный узел покрывается лаком УР-231 ОСТ 19.0055-85.
Данный прибор (датчик линейных ускорений) устанавливается на стол, для
работы на лабораторном стенде.
3.1 Расчет выводов навесного элемента
Данная конструкция относится к наземной аппаратуре. Исходя из того, что
процесс эксплуатации исследуемого устройства не связан с воздействием больших
перегрузок или жесткими климатическими условиями, будем считать, что на
аппаратуру действуют нагрузки связанные с автомобильными перевозками.[7]
Выполним расчет на прочность и жесткость ПП из фольгированнoго стеклотекстолита,
толщиной 2 мм с креплением в 4 точках. На плате установлены: резисторы
МЛТ-0,125- 10 шт.; конденсаторы К50- 6 10мкФ - 2 шт., К10- 57 22мкФ - 4 шт.,
К10- 57 100мкФ - 2 шт.; резонатор кварцевый 1.000 МГц S HC-49U- 1 шт.,
контроллер связи MAX 202 - 1 шт., микропроцессор AT Mega 128- 1 шт., микросхема
LM317 - 1 шт., микросхема К155ЛА-3 - 2 шт., разъемы DB9-2 шт.
Для резистора МЛТ-0,125 выполнить расчет на прочность выводов при
условии, что он установлен на плате горизонтально, а нагрузка приложена вдоль
его оси.
Расстояние между центрами монтажных отверстий 80 мм, между осью элемента
и платой 3 мм.
Для указанного случая применения находим следующие условия эксплуатации:
частота колебаний ƒ=500 Гц; амплитуда колебаний 10 - 40 мм;
виброперегрузка nв=15; ударная перегрузка nуд=25;
линейная перегрузка nл=10. Для резистора млт-0,125 выписываем
габаритные размеры: L=3,2 мм, D=1,5 мм; Dвыв = 0,45 мм; h=10 мм.
Выводы выполнены из холоднокатаной медной проволоки, для которой находим:
sв=400 МПа, s-1=100 МПа, E=1,23*105
МПа (1,23*1011Н/м2).
Для стеклотекстолита: плотность r=1,6*103 кг/м3, предел прочности sв=200 МПа, модуль упругости E=3*104 МПа (30*109
Н/м2).
Рисунок 3.1 - Крепление навесного радиоэлемента на выводах

Вычислим длину вывода l от точки изгиба до радиоэлемента:
l=
мм
коэффициент
=
Момент
инерции поперечного сечения вывода элемента равен:
м4
Собственная
частота колебаний для принятой модели состоит:
1181 Гц
Рассчитаем коэффициент расстройки:
Коэффициент расстройки меньше 0,5, следовательно, величину силы,
действующей на элемент, находим из уравнения:
Н.
Определим максимальные изгибающие моменты в характерных точках рамы:
Вычислим изгибающее напряжения вывода, предварительно рассчитав момент
сопротивления сечения провода:
По
отношению к этой же точке сила Pu будет вызывать деформацию сдвига.
Напряжение сдвига найдем, предварительно определив площадь поперечного сечения
вывода:
Эквивалентное
напряжение составит:
Допускаемое
напряжение находим, приняв
:
Если
2,1 < 41,7, то неравенство выполняется.
Был
произведен расчет для самого тяжелого элемента, исходя из этого, сделаем вывод,
что напряжение на элементе, при воздействии вибрации будет меньше допустимого
напряжения, а это значит, что мы правильно выбрали расположения выводов
элемента.[7]
Определим
инерционную силу, приложенную к модели при одновременном действии линейных,
ударных и вибронагрузок:
По
полученному Pu определяем изгибающий момент в точке А, изгибное
напряжение и напряжение сдвига:
Эквивалентное
напряжение будет равно:
При
коэффициенте запаса прочности n=4 допускаемое напряжение:
Проверим выполнение неравенства из условия статической прочности: 6,8
< 100
Неравенство выполняется как из условия динамической, так и статической
прочности. Для элемента применяется способ крепления, соответствующий условиям
эксплуатации. Поскольку мы вели расчет самого тяжелого элемента, то можем
сделать вывод, что и другие элементы выдержат соответствующие нагрузки.
.2 Расчет печатной платы
Выбираем расчетную модель, уподобляя печатную плату пластине с равномерно
распределенной нагрузкой и точечным креплением (рисунок 3.3). Для этого случая
собственная частота колебаний f0 вычисляется по формуле 4.1 [8].
Рисунок 3.3 - Точечный способ крепления (в четырех точках)
Рисунок 3.4 - Расчетная схема печатной платы
Определим массу ПП из уравнения:
mn=ρabHп=1,6·103×0,075×0,058×0,0015=0,0104 кг
Суммарная
масса навесных элементов составит:
Мэ=∑мini
= 10-3(2*0,8+4*0,05+2*0,05 + 3*0,320+0,704 + 1+10*0,15 +
2*6+0,55) = 0,01965 кг
Распределенная
по площади масса будет равна:
м″=
кг/м2
Коэффициент
В при четырех точках крепления имеет значение:
В=
Собственная
частота колебаний платы:

=1,57
=1243 Гц
Рассчитываем
коэффициент расстройки υ:
Затем
проверяем выполнение условия:
,5≤
0,4023 ≤1,41
Условие
не выполняется, следовательно, печатный узел не работает в резонансной области.
Определяем
амплитуду смещения платы на собственной частоте колебаний:
мм.
По
следующей формуле, приняв логарифмический декремент колебаний
, значение показателя затухания для фольгированного
стеклотекстолита будет равным:
.
Тогда
коэффициент передачи η
будет равен:
Амплитуда
смещения платы на максимальной частоте вибрации составляет:
мм.
Вычислим
допускаемые напряжения в опасном сечении из условия статической прочности,
приняв коэффициент запаса n=3:
[σ]=
Вычислим
допускаемый прогиб платы, приняв коэффициент Ка=0,021:
мм.
Проверяем
выполнение неравенства:
Неравенство
выполняется, что означает, что при воздействии статической нагрузки прогиб
платы будет меньше чем допустимый прогиб, это означает, что плата закреплена
верно и она выдержит внешние нагрузки.
Из условия динамической прочности, приняв σ-1=0,3σв, Кσ=1,3 и n=1,8 вычислим допускаемые
напряжения:
[σ]=
.
Определяем
допускаемый прогиб платы:
[А]=
Проверяем выполнение неравенства: А £ [А]
0,0242
мм
< 0,16 мм
Неравенство
выполняется, что свидетельствует о работоспособности печатного узла в заданных
условиях эксплуатации, а так же то, что плата выдержит все нагрузки.
.3
Расчет тепловой характеристики блока
Габариты блока: длина L1=110 мм, ширина L2=60 мм,
высота L3=20 мм. Расстояние от верхней стенки кожуха до нагретой
зоны h1=4 мм, от нижней стенки до ПП - h2=3 мм. Высота
нагретой зоны h3=10 мм, толщина стенок кожуха L4=2 мм.
Температура окружающей среды tc=20 °С.
Предварительно рассчитываем геометрические размеры блока. Площадь крышки
кожуха:
м2.
Площадь
боковой поверхности блока:
м2.
Площадь
поверхности нагретой зоны в верхней и нижней области:
м2.
Площадь
поверхности внутренней части блока в верхней и нижней области:
Площадь
поверхности нагретой зоны в нижней области:
м2
1. Используя формулу для ориентировочного определения тепловой
проводимости участка от нагретой зоны к кожуху, определяем
в первом приближении:
Вт/К
. Задаемся
перегревом кожуха
°С; при этом температура кожуха будет
°С.
Определяющая
температура
°С.
3. Находим конвективные коэффициенты теплоотдачи верхней, нижней,
боковой поверхности кожуха. Необходимое для вычисления значения А1
находим из данных для воздуха:
Для
°С
; при этом
Вт/(м2
К);
Вт/(м2
К).
Определяющий
размер для боковых поверхностей L3=0,06 м; при этом
Вт/(м2
К).
4. Рассчитываем коэффициент лучеиспускания кожуха. Найдем значение
функции температуры
Вт/(м2
К);
при
этом
Вт/(м2 К).
5. Найдем полные коэффициенты теплоотдачи с поверхности кожуха:
Вт/(м2
К);
Вт/(м2
К);
Вт/(м2
К).
6. Находим тепловую проводимость кожуха:
Вт(м2К)
7. Определяем температуру нагретой зоны:
°С
8. Находим мощность, рассеиваемую в блоке:
Вт.
9. Задаемся
перегревом кожуха
, при этом температура кожуха будет
, определяющие температуру
.
Необходимое
для вычислений значение при tm=25
=1.37
Вт/(
), при этом:
αк.б
Рассчитываем
коэффициент лучеиспускания кожуха:
при
этом
.
Найдем
полные коэффициенты теплоотдачи с поверхностей кожуха:
Найдем
тепловую проводимость кожуха:
σк = αв *Sв+ αн* Sн+ αб* Sб
= 8,83*0,0204+7,3*0,0192+8,51*0,03432= 0,612 Вт/К.
Определим
температуру нагретой зоны:
Находим
мощность, рассеиваемую в блоке:
Проведя
тепловой расчет, можем сделать вывод, что разработанный блок обеспечен
достаточной статической и динамической прочностью, обладает допустимой
рассеиваемой мощностью и нормальной теплопроводимостью кожуха, что
свидетельствует о правильном расположении элементов на плате и правильном
креплении всех составляющих блока.
4. Разработка технологического процесса сборки платы датчика линейных
ускорений
.1 Анализ технологичности
Под технологичностью конструкции понимают совокупность ее свойств,
проявляемых в возможности оптимальных затрат труда, средств, материалов и
времени при технической подготовке производства, изготовлении, эксплуатации и
ремонте по сравнению с соответствующими показателями конструкций изделий
аналогичного назначения при обеспечении заданных показателей качества изделия.
Оценка технологичности преследует следующие цели:
а) определение соответствия показателей технологичности нормативным
значениям;
б) выявление факторов, оказывающих наибольшее влияние на технологичность
изделий;
в) установление значимости этих факторов и степени их влияния на
трудоемкость изготовления и технологическую себестоимость изделия.
Исходными данными для анализа технологичности являются: чертеж
конструкции изделия (сборочный чертеж), соответствующая ему спецификация,
технологические документы.
.1.1 Качественная оценка технологичности
Качественная оценка при сравнении вариантов конструкции в процессе
проектирования изделия предшествует количественной и зачастую определяет
целесообразность выполнения количественной оценки. Качественная оценка
технологичности раскрывает конструктивно - технологические особенности изделия
к изготовлению по основным видам работ. Она выражается понятиями:
«хорошо-плохо», «соответствует − не соответствует»,
«технологично-нетехнологично», «допустимо-недопустимо».
На плате устанавливаются элементы: конденсаторы; кварцевый резонатор;
разъемы; микросхемы.
Компоновочное решение: ЭРЭ расположены с одной стороны печатной платы,
что технологично. Это позволяет автоматизировать процесс сборки.
Плотность расположения компонентов на плате средняя, что технологично,
так как не вызывает трудностей при закреплении элементов на плату. Компоненты
платы расположены преимущественно параллельно.
Форма печатной платы прямоугольная и унифицированная по размерам сторон и
их соотношениям согласно с ГОСТом. Следовательно, такая печатная плата будет
технологичной, поскольку уменьшается число регулировок, способов технологичного
оснащения и количество необходимого оснащения.
Взаимозаменяемость: все элементы, расположенные на печатной плате,
стандартные, значит такая плата технологична.
Элементная база: хорошая, так как ЭРЭ, используемые в разработке платы
легко доступны.
Контролепригодность: технологичная, так как существует возможность
проведения контроля как поэлементно до сборки, так и в процессе сборки. Легко
осуществляется контроль собранного изделия, а также легко контролировать
параметры печатного узла после сборки.
Вид подготовки, установки, монтажа ЭРЭ: анализ подготовительных работ с
выводами ЭРЭ говорит о не технологичности ПУ, так как для большинства ЭРЭ
характерна необходимость выполнять операции над выводами: формовка, лужение и
обрезка.
Установка элементов осуществляется на собственных выводах, что говорит о
технологичности ПУ.
Монтаж ЭРЭ осуществляется пайкой, что упрощает сборку, делая ее
технологичной. Также монтаж элементов производится по принципу полной
взаимозаменяемости.
Инструментальная доступность - технологична, так как плотность монтажа радиокомпонентов
средняя.
Регулируемость: конструкция узла - технологична, так как точность
выходных электрических параметров ПУ обеспечивается методами полной
взаимозаменяемости.
Способ защиты от внешнего воздействия: после сборки плата покрывается
лаком УР231 по ОСТ 92-1468-90 что технологично.
.1.2 Количественная оценка технологичности
Количественная оценка технологичности предполагает определение
относительных частных показателей К1 и комплексного показателя К. Общее число
частных показателей, принятых за базовые, не должно превышать семи.
Комплексный показатель представляет собой сумму частных показателей с
учетом их зависимости по выбранному критерию.
Комплексный показатель представляет собой сумму частных показателей с
учетом их значимости по выбранному критерию.
Исходными данными для анализа технологичности являются:
- Нмс =4- общее количество микросхем и микросборок в изделии;
Нэрэ =23 - общее количество ЭРЭ;
Нам=66 количество монтажных соединений, которые могут
осуществляться механизированным или автоматизированным способом;
Нм=86 общее количество монтажных соединений;
Нмпэрэ=16- количество ЭРЭ, подготовка которых к монтажу может
осуществляться автоматизированным или механизированным способом;
Нмкн=4 количество операций контроля и настройки, которые можно
осуществить механизированным способом;
Нкн=6 общее количество операций контроля и настройки;
Нтэрэ =7 - общее количество типоразмеров ЭРЭ в изделии;
Норэрэ =0- количество типоразмеров оригинальных ЭРЭ в изделии.
При определении значений коэффициентов необходимо знать, что чем ближе к
единице результат, тем технологичнее изделие.
Определение значения комплексного показателя технологичности [8].
,
где
- значение показателя по таблице базовых показателей
технологичности электронных блоков;
-
значимость показателя: φ1 = φ2 =1,000; φ3=0,750; φ4 =0,500; φ5 =0,310;
φ6 =0,187.-
порядковый номер показателя;- общее число показателей.
Поскольку
рассчитанный комплексный показатель технологичности входит в диапазон
0,50…0,80, то можно сделать вывод, что разработанная конструкция является
технологичной для стадии разработки технологической документации для серийного
производства [8].
4.2 Разработка технологической схемы сборки
печатного узла
Технологическая схема сборки является первым этапом разработки
технологического процесса и в наглядной форме отражает маршрут сборки изделия и
его составных частей. Основой для разработки процесса сборки и его схемы служит
схема расчленения изделия - разделение его на сборочные единицы и детали с
изображением их относительного расположения.
Выбор и анализ типового технологического процесса и разработка рабочего
технологического процесса
Существует шесть вариантов основных конструкций печатных узлов, которые
реализуются с помощью разных технологий. ТТП выбираем в соответствии с типом
печатного узла и типом производства. Печатный узел: с односторонним монтажом
компонентов, монтированных в отверстия (КМО).
Исходными данными для разработки технологической схемы сборки являются:
сборочный чертеж; анализ элементной базы; технические требования конструктора.
При назначении последовательности сборочных работ необходимо учитывать
следующие рекомендации:
1) предшествующие работы не должны затруднять
выполнение последующих работ;
2) последующие работы не должны ухудшать качества
установленных ЭРЭ и выполненных работ;
) однотипные работы необходимо группировать;
) после выполнения наиболее ответственных работ
вводят сплошной или выборочный контроль;
) технологическую схему общей сборки
разрабатывают при условии образования наибольшего количества сборочных единиц;
) в первую очередь выполняются неподвижные
соединения, которые требуют значительных механических усилий;
) как правило, механические сборочные работы
выполняют раньше, если это не противоречит рекомендациям 1,2;
) возможно чередование механических и
электрических соединений в тех случаях, когда полное окончание механических
сборочных работ усложняет доступ к узлам и деталям для электрического
соединения.
) на заключительных этапах собирают подвижные
части изделий, разъемные соединения, устанавливают детали, которые изменяются в
процессе настройки.
) установку элементов на печатную плату
рекомендуется начинать с меньших по высоте и размерам.
Выбираем конструктивное выполнение 3 по [1, таблица
5.1].
При конструктивном исполнении 3 только на верхней
стороне платы устанавливаются компоненты для монтажа в отверстия (КМО1)
и поверхностного (КМП1) монтажа. Монтаж компонентов
содержит такие операции: нанесение паяльной пасты на контактные площадки
верхней стороны платы; установка КМП1; контроль; сушение и оплавливание
паяльной пасты; установление в отверстия КМО1; паяние КМО1;
промывание печатной платы с компонентами; контроль спаянных соединений.
Учитывая рекомендации и вариант конструктивного
исполнения, в качестве базовой выбираем ту деталь, с которой начинают сборку, и
поверхности которой будут впоследствии использоваться для установки других
деталей и сборочных единиц.
Такой деталью служит плата (поз.1). Производим
маркировку согласно ТТК п.7 и п.1 рекомендаций, далее установим подставку поз 8
согласно п. 6 рекомендаций. Сначала производим нанесение паяльной пасты на
контактные площадки верхней стороны платы. Фиксируем резисторы поз. 8,
конденсаторы поз. 3, 2, 4, кварц поз. 10, а также электролитические
конденсаторы поз. 2, 8,10. Производим контроль, просушку и оплавливание
паяльной пасты. Устанавливаем ЭРЭ в отверстия от наименьших размеров к
наибольшим согласно п.2 и п.10 рекомендаций микросхемы поз. 6,7,5 разъем поз.
9. После установления ЭРЭ в отверстия производится подгибка выводов согласно
п.1 и п.10: конденсаторов поз. 3,2,4, разъема поз. 9, резисторов поз.8, а у
микросхем поз. 5,6,7 производится диагональная подгибка выводов. Затем
производим паяние и промываем печатную плату с компонентами. После просушки и
контроля согласно п.4 рекомендаций, производим контроль электрических
параметров. Далее покрываем плату лаком, и, после просушки, согласно ТТК п.3 и
п.9. производим полный контроль платы согласно п.4 рекомендаций.
4.3 Разработка маршрутной технологии
Маршрутный технологический процесс разрабатывается в единичном и
мелкосерийном типах производства, содержит последовательность операций, их вид
и наименования, оборудование и оснащение (приспособления и инструменты) для
выполнения операций, нормы времени, трудоёмкость выполнения операций и
квалификацию работников.
Анализ типового технологического процесса и выбор
необходимых операций для единичного ТП.
Типовые ТП разрабатываются для группы изделий, объединенных на основе
признаков конструктивно-технологической общности, и характеризуется единством
содержания и последовательности большинства технологических операций и
переходов для изделий всей группы. Операции записаны в общем виде.
Единичный ТП относится к изделию конкретного наименования, типоразмера и
выполнения независимо от типа производства. Операции записаны для конкретной
элементной базы.
На основе анализа типового ТП [4,5] выбраны необходимые операции для
единичного ТП. Разработаны операции единичного ТП, установлено их количество,
содержание и степень механизации. Выбраны оборудование, приспособления,
инструменты и вспомогательные материалы:
Единичный технологический процесс сборки представлен в таблице 4.1.
5. Охрана труда
Объектом проектирования является микроэлектромеханический датчик линейных
ускорений. Данный модуль используется на лабораторном стенде для моделирования
движения объекта и исследования его ускорения.
.1 Выявление и анализ опасных и вредных производственных факторов,
действующих в рабочей зоне проектируемого объекта
Вредный производственный фактор - производственный фактор, воздействие
которого на работающего в определенных условиях приводит к заболеванию и
снижению работоспособности.
Опасный производственный фактор - производственный фактор, воздействие
которого на работающего в определенных условиях приводит к травме или другому
внезапному ухудшению здоровья.
а) недостаточная освещённость рабочей зоны;
б) повышенный уровень шума;
в) аномальные параметры микроклимата.
.1.1 Недостаточная освещённость рабочей зоны
Этот фактор вызван недостаточным для хорошего освещения рабочих мест
количеством световых проёмов.
Свет представляет собой видимое излучение элементарных частиц и их волн
(корпускулярная и волновая теории). Так как основную информацию человек
получает через зрительный канал, то количество информации зависит от освещения.
Плохое освещение может исказить информацию, кроме того, она утомляет не только
зрение, но и вызывает утомление организма в целом. Неправильное освещение может
также явиться причиной травматизма, плохо освещенные опасные зоны, слепящие
лампы и блики от них, резкие тени ухудшают или вызывают полную потерю
ориентации работающих. Также при плохом освещении снижается производительность
труда и увеличивается брак продукции. [9]
Для увеличения освещённости согласно строительным нормам и правилам в
качестве источников искусственного освещения следует применять люминесцентные
лампы или лампы накаливания.
.1.2 Повышенный уровень шума
Реакция человека на шум различна. Некоторые люди терпимы к шуму, у других
он вызывает раздражение, стремление уйти от источника шума. Это ведет к
снижению работоспособности, в первую очередь умственной, так как уменьшается
концентрация внимания, увеличивается число ошибок, развивается утомление.
Интенсивное шумовое воздействие на организм человека неблагоприятно
влияет на протекание нервных процессов, способствует развитию утомления,
изменениям в сердечнососудистой системе. Известно, что ряд таких серьезных
заболеваний, как гипертоническая и язвенная болезни, неврозы, в ряде случаев
желудочно-кишечные и кожные заболевания, связаны с перенапряжением нервной
системы в процессе воздействия шума на организм человека.
Так же шумовое воздействие может привести к появлению шумовой патологии,
среди многообразных проявлений которой ведущим клиническим признаком является
медленно прогрессирующее снижение слуха по типу кохлеарного неврита. [10]
Допустимые шумовые характеристики рабочих мест регламентируются ГОСТ
12.1.003-83 "Шум, общие требования безопасности" (изменение I.III.89)
и Санитарными нормами допустимых уровней шума на рабочих местах (СН 3223-85) с
изменениями и дополнениями от 29.03.1988 года №122-6/245-1.
.1.3 Аномальные параметры микроклимата
Параметры микроклимата, а так же газовый состав воздуха производственного
помещения можно обеспечить, используя вентиляцию.
Вентиляция производственных помещений важна. Не случайно в современном
строительстве ей уделяется особое место. Вентиляция производственных помещений
проектируется в соответствии нормам, где учитывается количество работников,
объем помещения и сфера деятельности предприятия и другие значимые факторы.
Вентиляция - организованный и регулируемый воздухообмен, обеспечивающий
удаление из помещения воздуха, загрязненного вредными газами, парами, пылью, а
также улучшающий метеорологические условия в производственных помещениях.
Воздух в закрытых помещениях загрязняется вследствие дыхания людей,
разложения пота и органической пыли на коже тела и одежде. От этого в воздухе
несколько уменьшается содержание кислорода, увеличивается количество двуокиси
углерода и водяных паров, повышается температура воздуха. Все эти изменения
состава и физических свойств воздуха неблагоприятно отражаются на самочувствии,
работоспособности и здоровье людей.
Так, давно замечено, что при скученности большого числа людей в плохо
проветриваемых помещениях появляются жалобы на духоту, затруднение дыхания,
тяжесть в голове, головную боль, потливость, сонливость и снижение
работоспособности.
Многолетние экспериментальные исследования показали, что ухудшение
физиологического состояния людей в описанных условиях является следствием
сочетанного воздействия на организм человека неблагоприятных физических и
химических изменений воздушной среды ("синтетическая теория"). В
связи с повышением температуры и влажности воздуха происходит напряжение и
нарушение процессов терморегуляции.
Современные разработки кондиционирования производственных помещений и
вентиляции производственных помещений играют далеко не последнюю роль в
здоровье людей в целом. За последний десяток лет благодаря новым разработкам в
сфере вентиляции производственных помещений произошли изменения в лучшую
сторону, ведь продуктивная работа сотрудников в хорошо вентилируемом помещении
лучшим образом сказывается на бизнесе в целом.
.2 Разработка мероприятий по предотвращению или ослаблению
возможного воздействия опасных и вредных производственных факторов на
работающих
При проведении проектных работ, важное значение имеет исключение или
уменьшение воздействия вредных, опасных и поражающих факторов.
.2.1 Требования по обеспечению освещенности рабочей зоны
Недостаточное освещение влияет на функционирование зрительного аппарата,
то есть определяет зрительную работоспособность, на психику человека, его
эмоциональное состояние, вызывает усталость центральной нервной системы,
возникающей в результате прилагаемых усилий для опознания четких или
сомнительных сигналов.
Установлено, что свет, помимо обеспечения зрительного восприятия,
воздействует на нервную оптико-вегетативную систему, систему формирования
иммунной защиты, рост и развитие организма и влияет на многие основные процессы
жизнедеятельности, регулируя обмен веществ и устойчивость к воздействию
неблагоприятных факторов окружающей среды. Сравнительная оценка естественного и
искусственного освещения по его влиянию на работоспособность показывает
преимущество естественного света.
Важно отметить, что не только уровень освещенности, а все аспекты
качества освещения играют роль в предотвращении несчастных случаев. Можно
упомянуть, что неравномерное освещение может создавать проблемы адаптации,
снижая видимость. Работая при освещении плохого качества или низких уровней,
люди могут ощущать усталость глаз и переутомление, что приводит к снижению
работоспособности. В ряде случаев это может привести к головным болям.
Причинами во многих случаях являются слишком низкие уровни освещенности,
слепящее действие источников света и соотношение яркостей. Головные боли также
могут быть вызваны пульсацией освещения. Таким образом, становится очевидно,
что неправильное освещение представляет значительную угрозу для здоровья
работников.
Для оптимизации условий труда имеет большое значение освещение рабочих
мест. Задачи организации освещённости рабочих мест следующие: обеспечение
различаемости рассматриваемых предметов, уменьшение напряжения и утомляемости
органов зрения. Производственное освещение должно быть равномерным и
устойчивым, иметь правильное направление светового потока, исключать слепящее
действие света и образование резких теней.
Защита от вредных веществ осуществляется мероприятиями, которые в ряде
случаев следует применять комплексно.
Согласно ГОСТ 12.0.003-74 нормируются параметры искусственной и
естественной освещенности.
.2.2 Средства защиты от шума
Для борьбы с шумом в помещениях проводятся мероприятия как технического,
так и медицинского характера. Основными из них являются:
- устранение причины шума, т.е. замена шумящего оборудования, механизмов
на более современное нешумящее оборудование;
изоляция источника шума от окружающей среды (применение глушителей,
экранов, звукопоглощающих строительных материалов);
ограждение шумящих производств зонами зеленых насаждений;
применение рациональной планировки помещений;
использование дистанционного управления при эксплуатации шумящего
оборудования и машин;
- использование средств автоматики для управления и контроля
технологическими производственными процессами;
использование индивидуальных средств защиты (беруши, наушники, ватные
тампоны);
проведение периодических медицинских осмотров с прохождением аудиометрии;
- соблюдение режима труда и отдыха;
- проведение профилактических мероприятий, направленных на восстановление
здоровья.
Интенсивность звука определяется по логарифмической шкале громкости. В
шкале - 140 дБ. За нулевую точку шкалы принят "порог слышимости"
(слабое звуковое ощущение, едва воспринимаемое ухом, равное примерно 20 дБ), а
за крайнюю точку шкалы - 140 дБ - максимальный предел громкости.
Громкость ниже 80 дБ обычно не влияет на органы слуха, громкость от 0 до
20 дБ - очень тихая; от 20 до 40 - тихая; от 40 до 60 - средняя; от 60 до 80 -
шумная; выше 80 дБ - очень шумная.
Для измерения силы и интенсивности шума применяют различные приборы:
шумомеры, анализаторы частот, корреляционные анализаторы и коррелометры,
спектрометры и др.
Основными мероприятиями по борьбе с шумом являются рационализация
технологических процессов с использованием современного оборудования,
звукоизоляция источников шума, звукопоглощение, улучшенные
архитектурно-планировочные решения, средства индивидуальной защиты.
На особо шумных производственных предприятиях используют индивидуальные
шумозащитные приспособления: антифоны, противошумные наушники и ушные вкладыши
типа "беруши". Эти средства должны быть гигиеничными и удобными в
эксплуатации.
.2.3 Мероприятия по нормализации параметров микроклимата
Вентиляция подразделяется: по способу перемещения воздуха - на
естественную и механическую; по форме организации воздухообмена - на местную и
общеобменную.
Вентиляционные установки бывают: вытяжные (предназначенные для удаления
воздуха) - местные и общие; приточные (осуществляют подачу воздуха) - местные
(воздушные души, завесы, оазисы) и общие (рассеянный или сосредоточенный
приток).
Естественная вентиляция. Воздухообмен происходит за счет теплового и
ветрового напора. Действие этих факторов тем больше, чем больше разница
температур в верхней и нижней зонах помещения и чем больше высота помещения.
Естественная вентиляция помещений может быть неорганизованной и
организованной. При неорганизованной вентиляции (проветривании) поступление и
удаление воздуха происходит через окна, форточки, специальные проемы, а также
через неплотности наружных ограждений (инфильтрация).
Организованная (регулируемая) естественная вентиляция производственных
помещений называется аэрацией. Она осуществляется с помощью специально создаваемых
конструктивных элементов промышленных зданий - аэрационных фонарей или с
помощью специальных каналов или шахт, функционирующих под действием теплового
напора.
Механическая вентиляция, в отличие от естественной, позволяет производить
предварительную обработку приточного воздуха - увлажнение, нагрев или
охлаждение и очистку от пыли, газов и других примесей.
К установкам местной механической вентиляции относятся местные отсосы
открытого типа, включающие защитно-обеспыливающие кожухи, вытяжные шкафы, бортовые
отсосы, шарнирно-телескопические отсосы (встроенные в рабочие места,
инструменты), перемещаемые отсосы, а также укрытия-боксы, камеры и кабины.
Общеобменная вентиляция применяется в тех случаях, когда вредные
вещества, избыточное (преимущественно конвекционное) тепло и влага выделяются
рассредоточено по всему рабочему помещению и удалить их с помощью местных
отсосов технически не представляется возможным, а также в тех случаях, когда
необходимо разбавить до ПДК воздуха рабочей зоны, не удаляемого местными
отсосами. Принцип действия общеобменной вентиляция основан на разбавлении
загрязненного, перегретого или переувлажненного воздуха до уровней,
соответствующих гигиеническим требованиям, что является менее эффективным и
менее экономичным.
Приточная вентиляция. Приточный воздух необходимо подвергать обработке:
подогреву или охлаждению, очистке от пыли, а в некоторых случаях - увлажнению.
Рециркуляция воздуха в системах приточно-вытяжной вентиляции применяется
в холодное и переходное время года в целях экономии тепла, затрачиваемого на
подогрев воздуха. При рециркуляции часть воздуха, удаляемого из помещения после
соответствующей очистки от вредных веществ, снова направляется в помещение.
Кондиционирование воздуха - создание и автоматическое регулирование в
помещениях заданных параметров микроклимата (температуры, влажности,
подвижности воздуха). Системами кондиционирования должен подаваться воздух,
очищенный от пыли. Иногда предъявляются требования по очистке воздуха от
бактерий, по его ионизации, дезодорации или ароматизации.
В помещениях без естественной вентиляции подача воздуха на 1 человека
должна составлять не менее 60 м3/ч.
.3 Расчет системы жизнеобеспечения
Рассчитываем искусственное освещение. Расчет будем производить методом
коэффициента использования светового потока. Задачей искусственного освещения
является определение необходимой мощности осветительной установки, системы
освещения, типа ламп.
Для расчета искусственного освещения необходимо определить характеристики
помещения. Найдем площадь помещения:
А - длина помещения;
В - ширина помещения.
Руководствуясь СниП 11-4-79 и исходя из третьего разряда зрительной
работы, находим, что Е=500 лк. Световой поток рассчитывается по формуле
-
число светильников;- минимальная освещенность рабочего места согласно
нормативным требованиям;- число ламп в светильнике;- 1,15 - коэффициент
неравномерности освещения для ламп;
Кз
- коэффициент запаса, учитывающий снижение освещенности из-за загрязнения
и старения ламп;
h - коэффициент
использования осветительной установки.
высота
помещения (Н=4 м);c- высота светильников;p- высота
условной рабочей поверхности (hp=1)

м
Для
определения необходимо знать тип светильника, индекс помещения и коэффициент
отражения светового потока стен и потолков, индекс помещения і определяется:
= 1,3
Принимаем:
А = 12 м; В = 6 м; h = 3 м.
на основании полученных данных по можно определить коэффициент
использования светового потока h.
Находим S = 72 м2; Z = 1,15; Кз = 1,3;
Для освещения помещения были выбраны люминесцентные лампы ЛБ мощностью Р=
40 Вт. Спектр светового потока люминесцентных ламп наиболее похож на спектр
естественного света. Вычислим необходимое количество ламп n:
где ЕН- нормируемая освещенность (для 3-го разряда зрительных
работ);
Кз- коефициент запаса, учитывающий снижение освещенности из-за
загрязнения и старения лампы (для рабочих помещений, при использовании
светильников 1 группы, Кз=1,4);=1,2 - коефициент неравномерности
освещения;
Каждый светильник содержит две лампы, поэтому число светильников:

шт.
=
6;
h = 0,68 (по
таблице).
= 327,3
лм
Исходя из расчетов, выбрана общая система освещения, потому что она
обеспечивает достаточную освещенность всей площади рабочей зоны.
Тип ламп - люминесцентные лампы ЛБ мощностью Р= 40 Вт, потому что они
удобны в эксплуатации, имеют низкую инерционность при включении, надежны при
колебаниях напряжения и при различных метеорологических условиях и подходят для
использования в данном помещении.
Количество светильников для данного помещения 6, количество ламп в светильниках
-12, по 2 лампы в каждом светильнике, что обеспечивает достаточную освещенность
рабочей зоны и предоставляет нормальные условия для работы с данным объектом
исследования.
6. Экономическая часть. Расчет себестоимости и цены блока
микроэлектромеханического датчика линейных ускорений
.1 Описание изделия
Производству предлагается блок микроэлектромеханического датчика линейных
ускорений. Плата внутри блока является главным устройством прибора, который
применяют для приема, обработки и передачи данных.
Отличительной особенностью устройства является высокая надежность и
быстродействие, устойчивость к вибрациям, простота и надежность эксплуатации.
Данный блок используется для измерения линейного ускорения исследуемого объекта
при моделировании движения в лабораторных условиях. Используется емкостной
измеритель, который реагирует на изменение скорости исследуемого объекта, в
результате на выходе датчика мы получаем значение емкости, которое при
обработке в микропроцессоре выдается на индикатор в виде числового значения
ускорения.
Данный датчик актуален при моделировании движения исследуемого объекта в
лабораторных условиях. Рекомендовано использовать в лабораторных установках.
.2 Расчет себестоимости и цены программного продукта
Себестоимость продукции складывается из ряда наименований затрат. Сюда
входят: затраты на основные материалы, на крупные комплектующие изделия, прямая
и дополнительная заработная плата, расходы на содержание и эксплуатацию
оборудования, содержание транспорта, а так же целый ряд общегосударственных
налогов и отчислений. [10]
Для проектирования блока необходимо участие следующих рабочих: сборщика,
монтажника, настройщика, разработчика. Продолжительность рабочего месяца в
среднем считается 22 дня. Состав исполнителей приведен в таблице 6.1.
Рассчитаем продолжительность разработки по видам работ. Результаты
расчетов содержатся в таблице 6.1
Таблица 6.1 - Состав исполнителей работы
|
Должности
|
Должностные оклады, грн
|
|
Месячные
|
Дневные
|
|
Разработчик
|
2800
|
127
|
|
Сборщик
|
2000
|
95
|
|
Монтажник
|
2000
|
95
|
|
Настройщик
|
2500
|
114
|
|
Руководитель
|
3200
|
145
|
Заключение
В данной работе разработана микропроцессорная система определения
линейного ускорения. В данной работе был рассмотрен анализ существующих методов
измерения линейного ускорения, также был выбран оптимальный метод.
Разработана структурная, принципиальная, функциональная схемы, в которых
была представлена разработанная система и описание ее каждого блока отдельно.
Разработана конструкторская часть, произведено техническое описание и
конструктивно-технологический анализ узла. Рассчитана технологическая часть,
содержащая два раздела: первый раздел включает анализ технологичности
разработки схемы сборки, выбрана оптимальная схема сборки и второй раздел
включает в себя разработку маршрутной карты.
Экономическая часть содержит в себе расчеты цены изделия и расчеты
себестоимости прибора, и прибыль от него.
В разделе «Охрана труда» произведен анализ вредных и опасных факторов,
действующих в зоне действия проектируемого объекта и разработка мероприятий по
предотвращению или ослаблению возможного воздействия опасных и вредных
факторов.
линейный ускоритель технология измерение
Библиографический список
1. Приходько А.Я. "Лабораторный измеритель линейного
ускорения"/ А.Я. Приходько// Конференция "Интегрированные
компьютерные технологии в машиностроении ИКТМ. 2012". - Харьков: ХАИ,
2012.
. Приходько А.Я. "Лабораторный измеритель линейного
ускорения"/ А.Я. Приходько// Конференция "Человек и космос.
2013". - Днепропетровск, 2013.
. Журнал "Измерительная техника"
"Научно-техническая библиотека ХАИ" 2012 г.
. Журнал "Электронные компоненты и системы"
"Научно-техническая библиотека ХАИ" 2012 г.
. Конструирование и микроминиатюризация радиоэлектронной
аппаратуры: Учебник для вузов./П.П. Гель, Н.К. Иванов-Есипович. - Л.:
Энергоатомиздат. Ленингр. отд-ние. 1984. - 536 с., ил.
. Методическое пособие "Искусственное освещение"
"Научно-техническая библиотека ХАИ" 2009 г.
. Методическое пособие "Расчет системы безопасности
жизнеобеспечения" "Научно-техническая библиотека ХАИ" 2010 г.
. Методическое пособие "Экономический расчет
изготовления продукции" "Научно-техническая библиотека ХАИ" 2007
г.