Авиационные приборы
Санкт-Петербургский государственный
университет аэрокосмического приборостроения
Институт среднего профессионального
образования
(колледж)
Пояснительная записка
Авиационные приборы
Исполнитель
Руководитель
2013
Введение
Акселерометр - это прибор для измерения ускорения(перегрузок),
возникающего на летательных аппаратах, ракетах, самолетах и других движущихся
объектах, при использовании машин, двигателей и т.д.
Акселерометры состоят из инерционной массы, которая с помощью упругих
элементов подвеса поставлена в корпус. Реализация выходного сигнала и принципа
измерения обеспечивается преобразователями перемещений, деформацией сил и
электроникой. Конструкторский узел, включающий в себя инерционную массу и
подвес с элементами крепления, можно определить как чувствительный элемент
акселерометра.
Акселерометры делятся на два вида, по виду движений инерциальных масс.
Делятся на :осевые и маятниковые.
Маятниковые акселерометры называют угловыми, поскольку конструкция
упругого подвеса обеспечивают угловое движение инерционных масс.
А в осевых акселерометрах конструкция упругого подвеса обеспечивается
прямолинейным движением инерционных масс.
У акселерометров выделяют ось чувствительности и перпендикулярные к ней
оси. Ось чувствительности - это ось, в направлении которой возможно перемещение
инерционных масс. Акселерометры с одной осью подвеса называют
однокомпонентными. А в одном корпусе могут быть чувствительные элементы с
разным направлением осей чувствительности.
С помощью акселерометров возможно измерение линейного и углового
ускорения. В линейных акселерометрах ось чувствительности параллельна вектору
измеряемого ускорения. В акселерометрах для измерения углового ускорения она
должна быть параллельна вектору линейного ускорения, являющегося следствием
углового ускорения
Пьезоэлектрические акселерометры
пьезоэлектрический
акселерометр дешифратор преобразователь
Пьезоэлектрический акселерометр является вибродатчиком и в текущее время
он применяется практически во всех областях измерения и анализа механических
колебаний.
Пьезоэлектрические акселерометры имеют широкие рабочие частоты и
динамические диапазоны, линейные характеристики, прочную конструкцию,
надежность и долговременная стабильность параметров. Так как пьезоэлектрические
акселерометры являются активными датчиками, генерирующими пропорциональный
механическим колебаниям электрический сигнал, при их эксплуатации не нужен
источник питания. Отсутствие движущихся элементов конструкции исключает
возможность износа и гарантирует исключительную долговечность
пьезоэлектрических акселерометров. Отметим, что отдаваемый акселерометром
сигнал, пропорциональный ускорению, можно интегрировать с целью измерения и
анализа скорости и смещения механических колебаний.
Конструкция пьезоэлектрических акселерометров
Пьезоэлемент практических пьезоэлектрических акселерометров
сконструирован так, что при возбуждении механическими колебаниями
предусмотренная в корпусе акселерометра масса воздействует на него силой,
пропорциональной ускорению механических колебаний. Это соответствует закону,
согласно которому сила равна произведению массы и ускорения.
На частотах значительно меньших резонансной частоты общей системы масса -
пружина ускорение массы акселерометра идентично ускорению его основания и,
следовательно, отдаваемый акселерометром электрический сигнал пропорционален
ускорению воздействующих на него механических колебаний.
Основные варианты конструкции пьезоэлектрических акселерометров:
§ Вариант сжатия, в котором масса воздействует силой сжатия на
пьезоэлектрический элемент;
§ Вариант сдвига, характерным для которого является работа
пьезоэлемента под действием срезывающего усилия, обусловленного внутренней
массой акселерометра.
Акселерометры
АВС 127
Пьезоэлектрические акселерометры АВС 127 предназначены для измерения
вибрационных и ударных ускорений летательных аппаратов ракетно-космической и
авиационной техники, в автомобильной и других видах промышленности для тестовых
испытаний конструкций, машин и механизмов.
Отличительные особенности акселерометров АВС 127 - высокая собственная
частота, вибропрочность и надежность.
Ряд АВС имеет пять модификаций. Внешний вид акселерометра показан на рис.
Основные технические характеристики:
Основные характеристики приведены в табл. 5.11
Основная погрешность, % .............................. 4
Нелинейность амплитудной характеристики, % не более 3
Относительный коэффициент поперечного преобразования, %
не более 5
Коэффициент чувствительности к электрическим полям, %*м/В 10-5
Коэффициент чувствительности к акустическим воздействиям
(при 160 дБ, 20 Гц... 10 кГц), %/кПа................. 0,05
Емкость, пФ...................................................... 4500±700
Сопротивление изоляции, МОм ..................... не менее 100
Ресурс работы, ч.............................................. 10000
Срок хранения, год ......................................... 12
Габаритные размеры приведены на рис. 5.81 Условия эксплуатации:
температура окружающей среды, °С................ -196... +200
Акселерометры АВС 127 являются датчиками общего назначения.
Чувствительный элемент акселерометров работает на растяжение-сжатие.
Конструкция акселерометра показана на рис. 5.20,в и описана на стр. 412.
Типовые зависимости коэффициента преобразования от частоты и от
температуры даны на рис. 5.84, а на рис. 5.28 - схема соединений акселерометра.
Корпус изготовлен из сплава ВТ1-0. Крепление резьбовое при помощи
хвостовика М12хО,75 или шпилька М5. Рекомендуемый тип преобразователя указан в
табл. 5.11.
|
Характеристика
|
Шифр акселерометра
|
|
АВС 127
|
АВС 127-01
|
АВС 127-02
|
АВС 127-03
|
|
Верхний предел диапазона
измере-
|
|
|
|
|
|
ний, м/с2:
|
|
|
|
|
|
Вибрации
|
5000
|
3200
|
1600
|
800
|
|
Удара
|
10000
|
6000
|
3000
|
1500
|
|
Частотный диапазон, Гц
|
2...30000
|
2...20000
|
2...10000
|
|
Коэффициент преобразования
по заря-
|
|
|
|
|
|
ду, пКл*с2/м
|
0,36±0,05
|
0,55±0,08
|
1,1±0,17
|
2,2±0,33
|
|
Собственная частота, кГц,
не менее
|
90
|
60
|
50
|
40
|
|
Деформационная
чувствительность
|
0,6
|
0,4
|
0,2
|
0,1
|
|
(250 μstr
на установочной плоскости),
|
|
|
|
|
|
м*с-2/μstr
|
|
|
|
|
|
Магнитная чувствительность
(номиналь-
|
|
|
|
|
|
ное значение 0,03 Тл, 50
Гц), м*с-2/Тл
|
20
|
13
|
7
|
4
|
|
Масса (без кабеля), кг, не
более
|
0,013
|
0,013
|
0,015
|
0,015
|
|
Рекомендуемый тип
преобразователя
|
П120-08, СС9НФ
|
П120-07,
|
|
|
СС9НФ
|
Типовые зависимости коэффициента преобразования от частоты и температуры
акселерометров: 1 - АВС 127; 2 - АВС 127-01; 3 - АВС 127-02; 4 - АВС 127-03
Функциональная схема
Принцип работы функциональной схемы
С выхода датчика снимается напряжение, величина которого зависит от
ускорения. Полученный сигнал подастся на усилитель.
Сигнал с усилителя поступает на аналогово-цифровой преобразователь (АЦП).
На выходе АЦП получаем цифровой сигнал характеризующий ускорение и в виде
двоичного кода поступает на дешифратор.
Дешифратор преобразует двоичный код для выдачи его на 7-ми сегментный
сигнал.
В схему добавлен блок питания.
Операционный усилитель
Операционным усилителем (ОУ) принято называть интегральный усилитель
постоянного тока с большим коэффициентом усиления, на основе которого можно
строить узлы аппаратуры с параметрами, зависящими только от свойств
охватывающей его цепи отрицательной обратной связи (ООС).
С помощью ОУ можно реализовать как устройства, предназначенные для
выполнения различных математических операций (суммирование, вычитание,
дифференцирование, интегрирование), так и самые разнообразные узлы
радиоэлектронной аппаратуры.
В зависимости от значения параметров ОУ подразделяются на следующие виды:
общего применения, позволяющие строить узлы аппаратуры с общей
погрешностью около 1 %;
-быстродействующие;
-прецизионные, с очень большим коэффициентом усиления, гарантированно
низкими уровнями дрейфа и шумов, обеспечивающие реализацию узлов с суммарной
погрешностью не более нескольких долей процента;
микромощные;
программируемые, у которых одни или несколько параметров зависят от
параметров цепи управления.
Различают два основных вида включения ОУ: инвертирующее и
неинвертирующее.
Инвертирующее включение ОУ используют наиболее часто.
Неинвертирующее включение применяют реже, например, для маломощного
источника сигнала, имеющего большое внутреннее сопротивление, с низкоомной
нагрузкой, при построении масштабных усилителей.
Входное сопротивление ОУ подразделяется на два: дифференциальное
(сопротивление входному сигналу, поданному между входами ОУ) и входное
сопротивление синфазному сигналу (сопротивление утечки между каждым входом н
«землей»), В справочнике приведено значение дифференциального входного
сопротивления (сопротивление синфазному сигналу обычно на два порядка выше).
Поскольку входы ОУ являются дифференциальными, ОУ усиливает разностное
напряжение.
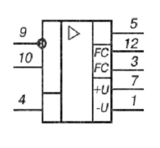
Усилитель К140УД1
Микросхема представляет собой операционный усилитель средней точности без
частотной коррекции. Корпус К140УД1 (А-В) типа 301.12-1, масса не более 1,5 г.
Корпус К140УД1
Условно графическое обозначение
- напряжение питания -Uп;
,3,12 - контроль;
- общий;
- выход;
- напряжение питания +Uп;
- вход инвертирующий;
Электрические параметры
|
1
|
Напряжение питания
К140УД1(Б,В)
|
+ 12,6 В 0,5%
|
|
2
|
Максимальное выходное
напряжение при Uп= 6,3 В, Rн=5,05 кОм, Uвх= 0,1 В К140УД1А
|
2,8 В
|
|
3
|
Максимальное выходное
напряжение при Uп= 12,6 В, Rн=5,05 кОм, Uвх= 0,1 В К140УД1Б,В
|
+6 В
|
|
4
|
Напряжение смещения нуля
при Uп= 12,6 В, Rн=5,05 кОм К140УД1(Б,В)
|
7 мВ
|
|
5
|
Ток потребления
К140УД1(Б,В)
|
не более 10 мА
|
|
6
|
Входной ток при Uп= 12,6 В, Rн=5,05 кОм К140УД1 (Б,В)
|
9 мкА
|
|
7
|
Разность входных токов
|
не более 2,5 мкА
|
|
8
|
Коэффициент усиления
напряжения при Uп= 12,6 В, Rн=5,05 кОм К140УД1Б К140УД1В
|
1350...12000 не менее
8000
|
|
9
|
Коэффициент ослабления
синфазного входного напряжения
|
не менее 60 дБ
|
|
10
|
Средний температурный
коэффициент напряжения смещения
|
не более 60 мкВ/ ° C
|
|
11
|
Максимальная скорость
нарастания выходного напряжения К140УД1(Б,В)
|
не менее 3,5 В/мкс
|
|
12
|
Время установления
выходного напряжения
|
не более 1,5 мкс
|
|
13
|
Входное сопротивление
К140УД1(Б,В)
|
30 кОм
|
|
14
|
Выходное сопротивление
|
300 Ом
|
|
15
|
Частота единичного усиления
|
0,1 МГц
|
Аналого-цифровой
преобразователь
Аналого-цифровые преобразователи (АЦП) - это электронные устройства,
преобразующие входные аналоговые сигналы электрических величин (в большинстве
случаев - напряжения), в выходные цифровые сигналы в виде, пригодном для
последующей их обработки в микропроцессорных и других цифровых устройствах.
Основные электрические параметры современных АЦП можно условно разделить
на статические, характеризующие величины входных и выходных сигналов,
разрешающую способность преобразователя, погрешности преобразования постоянного
напряжения, температурную нестабильность и другие, а также динамические,
определяющие время и максимальную частоту преобразования, шумовые и другие
характеристики. Важную роль играют также конструктивные параметры АЦП -
архитектура, количество каналов, тип выходного интерфейса, наличие внутреннего
тактового генератора и источника спорного напряжения, варианты исполнения.
Диапазон рабочих температур (Tmin, Tmax). Принята следующая система
обозначения температурных диапазонов: С (Commercial) - от 0 до +70 °С, I(Industrial) - от -25 или -40 до +35 °С и М (Military) - от -55 до +125 °С.
Основная часть интегральныхАЦП общего применения NationalSemiconductorвыполнены по архитектуре
последовательного приближения (SuccessiveApproximation), являющейся наиболее оптимальной для построения
многоразрядных АЦП со средним быстродействием. В основе работы таких
преобразователей лежит последовательное сравнение измеряемой величины с 1/2,
1/4, 1/8 и т. д. от ее возможного максимального значения, что позволяет
выполнить весь процесс преобразования за N(число разрядов) последовательных шагов. Статическая
погрешность АЦП последовательного приближения определяется, в основном,
используемым в нем ЦАП и может быть очень малой, что дает возможность получить
высокую разрешающую способность. Структурная схема АЦП такого типа и принципы
ее работы приведены в отдельной работе.
Более скоростные преобразователи используют архитектуру
параллельно-последовательных АЦП, в частности, двухступенчатого, состоящего из
двух быстродействующих параллельных АЦП, сумма разрядности которых равна
требуемой, ЦАП и аналогового сумматора. Первый АЦП осуществляет грубое
преобразование сигнала в старшие разряды выходного кода. Цифровые сигналы с
выхода первого АЦП поступают на выходной регистр и одновременно на вход ЦАП. Б
сумматоре происходит вычитание выходного напряжения ЦАП из входного напряжения
схемы, а остаток поступает на вход второго АЦП, опорное напряжение которого в
соответствующее число раз меньше, чем у первого АЦП. Этот остаток, преобразованный
во втором АЦП в цифровую форму, представляет младшие разряды выходного кода.
Отметим, что из-за задержки сигнала в процессе первого преобразования входное
напряжение АЦП необходимо поддерживать постоянным в течение всего процесса, для
чего используются устройства выборки-хранения (УВХ). Разновидностью
параллельно-последовательной архитектуры являются также многотактные и
конвейерные АЦП.
Важную часть аналого-цифрового преобразователя составляет выходной
цифровой интерфейс, обеспечивающий связь АЦП с приемниками цифровых сигналов.
Последовательный интерфейс медленнее параллельного, однако он использует
меньшее количество линий, что позволяет сократить число выводов ИМС. Некоторые
АЦП последовательного приближения имеют интерфейсы обоих типов.
Фирма NationalSemiconductorиспользует определенную систему для
обозначения интегральных АЦП общего применения. АЦП ранних выпусков
обозначались следующим образом:
Аналогово-цифровой преобразователь ADC12048
- это 8-канальный 12-разрядный аналого-цифровой преобразователь с
параллельным интерфейсом, работающий от одного источника питания с напряжением
5 В. Максимальная частота дискретизации 216 кГц. При необходимости АЦП проходит
стадию автокалибровки, при которой регулируется линейность, смещение нуля и
погрешность полной шкалы.
Входной 8-канальный мультиплексор программируется для работы в различных
режимах: полностью дифференциальном, несимметричном и псевдодифференциальном.
Полностью дифференциальный мультиплексор и 12- разрядный АЦП позволяют точно
оцифровывать входные сигналы. ADC12048 может быть сконфигурирован для работы с
многими популярными микропроцессорами и микроконтроллерами.поставляется в
44-выводных корпусах типа PLCC и QFR.
Особенности:
¾ 8-канальный программируемый дифференциальный или
несимметричный мультиплексор;
¾ Программируемое время сбора данных и управляемая
пользователем скорость передачи;
¾ Программируемая разрядность шины данных (8/13 разрядов);
¾ Встроенное устройство выборки и хранения;
¾ Программируемые циклы автокалибровки;
¾ Дежурный режим с малым потреблением энергии;
¾ Отсутствие пропущенных кодов.
|
Параметр
|
Условия
|
Значение
|
Единица
|
|
измерения
|
min
|
typ
|
измерения
|
|
Питание
|
|
Напряжение питания
|
Vcc
|
-
|
+4.5
|
+5
|
+5.5
|
В
|
|
Vcco
|
-
|
+4.5
|
+5
|
+5.5
|
|
|
Icc
|
Fclk=12МГц,
|
-
|
2.3
|
4.0
|
мА
|
|
Ток потребления
|
Iccd
|
режим преобразования
|
-
|
2.45
|
2.8
|
|
|
Icc+Iccd
|
Fclk = 12 МГц, дежурный режим
|
-
|
100
|
120
|
мкА
|
|
Точностные статические
характеристики
|
|
Интегральная нелинейность
(после автокалибровки)
|
Ta = +25'С
|
-
|
±0.6
|
-
|
МЗР
|
|
Ta = -40...+85'С
|
-
|
-
|
±1
|
|
|
Дифференциальная нелинейность
(после автокалибровки)
|
Ta = -40...+85'С
|
-
|
-
|
±1
|
МЗР
|
|
|
Vincm = 5 В
|
-
|
-
|
±5.5
|
|
|
Погрешность смещения нуля
(после автокалибровки)
|
Vincm = 2.048 В
|
-
|
-
|
±2.5
|
МЗР
|
|
|
Vincm= 0 B
|
-
|
-
|
±5.5
|
|
|
Погрешность полной шкалы
(после автокалибровки)
|
-
|
-
|
±1
|
±2.5
|
МЗР
|
|
Динамические характеристики
|
-
|
-
|
78
|
78+120 нc
|
цикл
|
|
Полное время калибровки
|
-
|
-
|
4946
|
4946 +120 нc
|
цикл
|
|
Время преобразования
|
-
|
-
|
44
|
44
|
цикл
|
|
Характеристики аналоговых
входов мультиплексора
|
|
Ток утечки канала
мультиплексора
|
-
|
-1
|
0.05
|
1
|
мкА
|
|
Ток утечки на входе АЦП
|
-
|
-
|
0.05
|
2
|
мкА
|
|
Сопротивление включенного
канала мультиплексора
|
Vin-2.5В
|
-
|
310
|
500
|
мкА
|
|
Входная емкость канала
мультиплексора
|
-
|
-
|
10
|
-
|
пф
|
|
Входная емкость АЦП
|
-
|
-
|
70
|
-
|
пф
|
|
Выходная емкость
мультиплексора
|
-
|
-
|
20
|
-
|
пф
|
|
Входы опорного напряжения
|
|
Ток на входе опорного
напряжения
|
Vref+ =
4.096 В, Vref- = 0 В
|
-
|
145
|
-
|
мкА
|
|
Входная емкость
|
-
|
-
|
85
|
-
|
пф
|
|
Цифровые входы/выходы
|
|
Входное напряжение ВЫСОКОГО
уровня
|
Vcc=Vccd= 5.5 В
|
-
|
-
|
В
|
|
Входное напряжение НИЗКОГО
уровня
|
Vcc = Vccd = 4.5 В
|
-
|
-
|
0.8
|
В
|
|
Входной ток ВЫСОКОГО уровня
|
Vin = 5 В
|
-
|
0.035
|
2.0
|
мкА
|
|
Входной ток НИЗКОГО уровня
|
Vin = 0 B
|
-
|
-0.035
|
-2.0
|
мкА
|
|
Выходное напряжение
ВЫСОКОГО уровня
|
Vcc=Vccd = 4.5ВIout = -1.6мА
|
2.4
|
-
|
-
|
В
|
|
Выходное напряжение НИЗКОГО
уровня
|
Vcc = Vccd = 4,5 В, Iout = 1,6 мА
|
|
-
|
0.4
|
В
|
|
Выходной ток утечки в
состоянии высокого импеданса
|
-
|
-2
|
-
|
2
|
мкА
|
|
Емкость цифровых входов
|
-
|
-
|
10
|
-
|
пФ
|
Описание схемы электрической принципиальной
Сигнал с датчика подается на вход усилителя. С усилителя сигнал
напряжения подается на вход АЦП. После этого с выхода AЦП сигнал подается на
3-х разрядный дешифратор. С выхода дешифратора сигнал подается на четыре 7-ми
сегментных индикатора.
Для электропитания акселерометра используется бортовое питание
напряжения....... и частота 400 Гц.
Трансформатор TI понижает напряжение до 5В. Выпрямитель VD1 VD4
обеспечивает двух полупериодное выпрямление. Стабилизаторы С1,С2 обеспечивают
необходимый уровень пульсации напряжения.
Дешифратор
Дешифратор - устройство для расшифровки (декодирования) сообщения и
перевода содержащейся в нём информации на язык (в код) воспринимающей системы.
В общем случае дешифратор.имеет n входов и m выходов. Поступающая на входы
дешифратор информация преобразуется - дешифрируется, - и на соответствующем
выходе (группе выходов) выделяется сигнал, указывающий признак (или содержание)
входной информации. Любому сигналу или комбинации сигналов на входах дешифратор
соответствует определённый сигнал или комбинация сигналов на выходах дешифратор
Это соответствие задаётся структурой дешифратор при его
проектировании.дешифратор применяют в различных устройствах обработки и
передачи информации: в телемеханике, в вычислительной технике (декодирующие
устройства (См. Декодирующее устройство), преобразователи представления
величин), в радиотехнике и измерительной технике (Детекторы, демодуляторы), в
системах телефонной и телеграфной связи. Назначение предопределяет структуру,
число входов и выходов дешифратор, форму и последовательность входных и
выходных сигналов.
Дешифратор в телемеханике расшифровывают сообщения (их коды) по
структурам принимаемых сигналов. Структура сигналов создаётся приданием
импульсам, образующим сигналы, различных качеств - признаков. Такими признаками
являются полярность, частота и порядок следования, количество, длительность и
амплитуда импульсов, группировка импульсов различного качества и т.д. (см.
Кодирование в телемеханике). Если, например, дешифратор используется в системе
телеуправления, то дешифратор автоматически анализирует структуру принимаемых
сигналов в соответствии с программой, заложенной в конструкции самого
дешифратор; сигналы с его выходов подаются на входы исполнительных механизмов
управляемых объектов. Избирательность - основное свойство дешифратор; она
обеспечивает защиту входных цепей воспринимающих систем от посторонних
сигналов, которые могут оказать ложное воздействие на систему.
В вычислительной технике дешифратор применяют в качестве преобразователей
кода в код или кодов в эквивалентные им непрерывные величины (например,
электрический ток, напряжение, угол поворота и др.). В радиотехнике дешифратор
восстанавливает передаваемое сообщение из радиосигнала, параметры которого
(амплитуда, частота, фаза) изменяются в такт с передаваемым сообщением.
Микросхем представляет собой дешифратор на 3 входа и 8 выходов для
управления шкалой со сдвигом одной точки. Содержит 119 итнегральных элементов.

Корпус ИМС К155ИД12
Условное графическое обозначение ИМС К155ИД12
- выход 7; 2 - выход 6;
- выход 5; 4 - выход 4;
- выход 3; 6 - выход 2;
- выход 1; 8 - общий;
- выход 0; 10,15 - свободные;
- вход 3; 12 - вход 2;
- вход 1; 14 - вход "запрет";
- напряжение питания;
Электрические параметры
|
1
|
Номинальное напряжение
питания
|
5 В 5 %
|
|
2
|
не более 0,4 В
|
|
3
|
Выходное напряжение
высокого уровня
|
1,4...2,2 В
|
|
4
|
Входной ток низкого уровня
|
не более -1,6 мА
|
|
5
|
Входной ток высокого уровня
|
не более 0,04 мА
|
|
6
|
Напряжение на антизвонном
диоде
|
не менее -1,5 В
|
|
7
|
Ток потребления
|
не более 60 мА
|
|
8
|
Входной пробивной ток
|
не более 1 мА
|
|
9
|
Ток утечки на выходе
|
не более -0,3 мА
|
|
10
|
Потребляемая статическая
мощность
|
не более 315 мВт
|
Расчет трансформатора
Рассчитаем коэффициент трансформации по формуле:
K = U1 / U2
K =
115 / 5 = 23
Зная коэффициент трансформации и выходной ток рассчитаем входной ток:
K = I2 / I1
I1 = 1
/ 23 = 0.04 A
Согласно входным и выходным характеристикам считаем мощность
трансформатора: 115 * 0.04 = 6 Вт
Принимаем КПД трансформатора равным 0,99. S = S
Согласно полученным расчетам выбираем из каталога трансформаторов
подходящий ТА1-115-400.
Электрические параметры трансформатора ТА1-115-400
|
Тип трансформатора
|
Номинальная мощность, Вт
|
Ток первичной обмотки, А
|
Напряжение вторичной
обмотки, В
|
Ток вторичной обмотки, А
|
|
ТА1-115-400
|
6
|
0,042
|
6
|
0,97
|
Список литературы
. “Авиационные приборы” Бралавский, Логунов, Пельпор.
. “Авиационные приборы и элементы” Бодрен.
. “Авиационные приборы” Харин.В.И.