Характеристика авиационных приборов
Министерство
транспорта и коммуникаций Республики Беларусь
Департамент
по авиации
Курсовой
проект
По
дисциплине: «Детали авиационных приборов»
Выполнил: учащийся
1-го курса
Группа №71
Силков Антон
Александрович
Вариант №1
Руководитель: Чигир
В.В.
Минск 2011
Содержание
Введение
. Проектировочная часть
. Электрический расчет
. Безопасность полетов
. Охрана труда
Заключение
Литература
Введение
Гражданская авиация играет большую роль в
развитии экономики Беларуси, решении социально-экономических задач, расширении
международных связей с другими государствами. В нашей стране, как и во всем
мире, вопросы авиационной безопасности становятся все более актуальными.
Наиболее крупная авиакомпания в Беларуси является компания “Белавиа”. Белавиа -
это национальный авиаперевозчик Белоруссии. Основным аэропортом для совершения
международных полетов является Национальный аэропорт Минск. Аэропорт оборудован
самыми последними техническими разработками для обеспечения посадок и прошел
сертификацию на 2 категорию ИКАО, обладает надежной инженерно-технической базой
и современным аэровокзальным комплексом, способным оказывать все виды услуг
пассажирам. Также авиакомпанией пользуется для вылетов из Минска аэропортом
Минск-1. Минск-1 - аэропорт города Минска, Республика Беларусь.
Расположен в черте города недалеко от
исторического его центра. До 1984 года являлся основным аэропортом Минска,
однако после введения в строй международного аэропорта Минск-2 утратил этот
статус. Аэродром пригоден для приёма самолётов Ту-134, Як-42 и всех более
лёгких, а также вертолётов любых типов. Максимальная взлетная масса воздушного
судна 61 т.
На базе аэропорта действует РУП «Минский
авиаремонтный завод» (бывший авиационный завод 407 гражданской авиации),
производящий ремонт и переоборудование самолётов Ту-134, Як-40, Як-42.
Авиакомпания обладает 17-ю представительствами в
странах в Ближнем и Дальнем зарубежье, входит в состав IATA. Годовой
пассажирооборот - более 300 тысяч.
Технический прогресс гражданской авиации сделал
ее распространенным видом транспорта, преимущества которое проявляется прежде
всего в пассажирских перевозках. Вместе с тем растет значение и таких видов
деятельности гражданской авиации, как помощь сельскому хозяйству и медицине,
охрана лесных богатств, участие в геологических работах. Гражданская авиация
выполняет крупные транспортные работы, обслуживает сельское хозяйство по защите
от вредителей, сорняков, болезней с.-х. растений, по подкармливанию растений
минеральными удобрениями. При её помощи изучают лесные массивы и осуществляют
их охрану от пожаров и вредителей. Г. а. участвует в освоении районов Крайнего
Севера; ведёт разведку льдов в бассейне Северного Ледовитого океана;
обслуживает рыбные и зверобойные промыслы; оказывает помощь в проведении
различных научно-изыскательских и исследовательских работ; ведёт аэрофотосъёмку
местности; помогает в прокладке нефте- и газопроводов, в строительстве
различных промышленных объектов.
Отрасль народного хозяйства, обслуживающая
потребности народного хозяйства и населения в воздушных перевозках;
используется для авиахимической защиты с.-х. растений от вредителей,
аэрофотосъёмки местности, разведки ценных ископаемых и производства ряда др.
работ, заменяя наземную технику. Г. а. располагает парком самолётов и
вертолётов, сетью воздушных линий (См. Воздушная линия), Аэропортов, Аэродромов
с системой технических сооружений, радио- и метеостанциями, заводами и
ремонтно-техническими базами, научно-исследовательскими учреждениями, учебными
заведениями. Большое значение приобрела санитарная авиация.
Авиация санитарная,
предназначена для оказания экстренной квалифицированной медицинской помощи
населению. Основное назначение санитарной авиации - эвакуация больных и раненых
из отдалённых и труднодоступных районов, доставка туда врачей для оказания
неотложной медицинской помощи, перевозка медицинских грузов. В военное время
санитарная авиация является во многих случаях единственным средством эвакуации
раненых. В некоторых странах санитарная авиация реорганизованы в отделения
экстренной и планово-консультативной помощи областных, краевых и
республиканских больниц.
Сельскохозяйственная авиация -
это организация (служба), использующая самолёты и вертолёты для выполнения
разнообразных работ в сельском хозяйстве. Сельскохозяйственная авиация
применяют для защиты растений, борьбы с сорняками, уничтожения нежелательной
растительности, предуборочного удаления листьев хлопчатника и других культур;
внесения минеральных удобрений, аэросева трав и других работ. Преимущества
авиационного способа обработки растений по сравнению с наземными: сокращение
сроков благодаря большой скорости и широкой полосе захвата (до 60 м при
опыливании и опрыскивании, до 30 м при рассеве минеральных удобрений); снижение
затрат труда; уменьшение расхода ядохимикатов и удобрений; манёвренность
самолётов и вертолётов, обеспечивающая широкий радиус действия и позволяющая
быстро перебрасывать их на другие участки; возможность обработки
труднодоступных участков и выполнения работ независимо от состояния поверхности
почвы; отсутствие механических повреждений растений и уплотнения почвы.
Недостаток - зависимость от метеорологических условий
Сегодня гражданская авиация ежегодно увеличивает
объемы авиаперевозок в среднем на 10%. Это значительно выше среднемировых
показателей и, казалось бы, позволяет говорить об успешном развитии отрасли.
Однако надо отдавать себе отчет в том, что гражданская авиация работает в
сложнейших условиях. Платежеспособный спрос на транспортные услуги ограничен,
перевозки слишком дороги для значительной части населения и предприятий.
Различные виды транспорта жестко конкурируют между собой за рубль потребителя.
Одна из основных проблем гражданской авиации - состояние парка воздушных судов.
Эксплуатируемая техника не соответствует ни экономическим, ни техническим
требованиям сегодняшнего дня. Парк гражданской авиации Беларуси является одним
из самых устаревших среди развитых стран мира. Ежегодно из его состава выбывают
в среднем 115 самолетов, а пополнение новой техникой ничтожно мало.
Основная задача гражданской авиации состоит в
том, чтобы максимально удовлетворить потребность населения и народного
хозяйства в перевозках и других видах авиационных работ. Для решения этой
задачи необходимо постоянно совершенствовать технику и организацию
производства, повышать безопасность, регулярность и экономичность полетов,
обеспечивать рост производительности труда, максимально и эффективно
использовать материальные, денежные и трудовые ресурсы.
Системы автоматического управления САУ и
автопилоты АП-155, АП-155СН предназначены для повышения безопасности полета на
всех режимах при любых метеоусловиях, днем и ночью, за счет автоматизации
приведения самолета к горизонтальному полету из любого исходного положения, а
также за счет стабилизации любых, заданных единой ручкой управления, углов
крена и тангажа.
Системы управления и автопилоты обеспечивают
стабилизацию заданного режима полета: курс, высоту, углы крена, тангажа,
повышают эффективность действий летчика. Системы автоматического управления
обеспечивают вывод самолета из зоны опасной высоты по сигналу радиовысотомера с
последующей стабилизацией безопасной высоты, обеспечивают детекторное и
автоматическое управление самолетом на этапах атаки, маршрутного перелета и
возврат на аэродром посадки и предпосадочного маневра с заходом на посадку до
высоты 50-60 м.
1. Проектировочная часть
авиационный прибор потенциометр
самолет
При конструировании деталей, сборочных единиц и
приборов необходимо учитывать влияние условий эксплуатации (температуры,
давления, влажности, механических перегрузок и др. факторов) на материалы
деталей приборов и их характеристики.
Температура и давление воздуха. В арктических
районах и на больших высотах приборы, -60оС и ниже. Приборы,
расположенные вблизи двигателя, работают при температуре +80оС и
выше. Изменение температуры окружающей среды обычно приводит к появлению
погрешностей в показаниях приборов вследствие изменения размеров деталей,
сопротивления проводников и полупроводников, магнитных свойств магнитов и
магнитопроводов.
Понижение давления воздуха также влияет на
работу приборов: ухудшается электрическая изоляция токонесущих частей и
возникает опасность пробоя изоляции, испаряются смазки и т.д. Для надежной
работы приборов при пониженном давлении воздуха применяют специальные
электроизоляционные материалы, герметизацию корпусов и т.д.
Влажность воздуха. Большая влажность воздуха и
выпадение росы вызывает ускоренную коррозию деталей, ухудшение электрической
изоляции приборов, разбухание гигроскопических материалов и т.д.
Вибрация и удары. Установленные на летательном
аппарате приборы подвергаются воздействию вибраций, перегрузок при эволюции
летательного аппарата, ударов и тряски при взлете, посадке и выруливании
летательного аппарата. Вибрации, перегрузки и удары сокращают срок службы
приборов, вызывают появление погрешностей в показаниях из-за
несбалансированности подвижных частей и даже их поломку, особенно при резонансе
вибрационных колебаний подвижных частей прибора и летательного аппарата.
Основные требования, предъявляемые к элементам
авиационных приборов:
. безотказная работа в эксплуатационных условиях
. необходимые точность и чувствительность
. определенный вид заданной характеристики
. отсутствие или малая величина гистерезиса
. стабильность характеристик во времени
. взаимозаменяемость
. малые массы и габариты
. определенные динамические характеристики
. незначительное влияние на работу других
приборов
. безопасность в отношении пожара, взрыва
. простота и технологичность конструкции
. удобство и простота эксплуатации и контроля
. низкая стоимость изготовления
Произведем обзор основных схем
существующих потенциометров:
Потенциометрический измерительный
преобразователь предназначен для преобразования механического перемещения щетки
в электрический сигнал на выходе. Принцип действия основан на преобразовании
сопротивления участка потенциометра при механическом перемещении его щетки.
Конструктивно представляет собой каркас изготовленный из легкого материала на
который наматывается высокоомная проволока по поверхности которой скользит
щетка изготовленная из бронзы или серебра. Измерительный преобразователь
запитывается источником постоянного или переменного тока.
Электрическая схема имеет вид:
Достоинства: отсутствие статической ошибки,
малый вес и габариты, работает на постоянном и переменном токе. Недостатки: не
реверсивность характеристики, т.к. щетка скользит по виткам это приводит к
быстрому износу, малая выходная мощность.
Потенциометрический датчик со средней точкой
предназначен для преобразования механического перемещения щетки в электрический
сигнал на выходе.
Принцип действия основан на преобразовании
сопротивления участка потенциометра при механическом перемещении его щетки.
Конструктивно представляет собой каркас изготовленный из легкого материала на
который наматывается высокоомная проволока по поверхности которой скользит
щетка изготовленная из бронзы или серебра. Измерительный преобразователь
запитывается источником постоянного или переменного тока.
Особенностью конструкции является наличие
средней точки на потенциометре с которой снимается выходной сигнал.
Электрическая схема имеет вид
Достоинства: Статическая характеристика имеет
вид реверсивный характер. Недостатки: На выходе напряжение в 2 раза меньше
входного напряжения, не реверсивность характеристики, т.к. щетка скользит по
виткам, это приводит к быстрому износу, малая выходная мощность.
Двухтактный потенциометрический датчик
предназначен для преобразования механического перемещения щетки в электрический
сигнал на выходе.
Принцип действия основан на преобразовании
сопротивления участка потенциометра при механическом перемещении его щетки.
Конструктивно представляет собой каркас изготовленный из легкого материала на
который наматывается высокоомная проволока по поверхности которой скользит
щетка изготовленная из бронзы или серебра. Измерительный преобразователь
запитывается источником постоянного или переменного тока.
Особенностью является наличие двух
потенциометров, которые одновременно запитываются постоянным или переменном
источником питания, а выходное напряжение снимается с двух щеток
потенциометров.
Электрическая схема имеет вид:
Достоинство: реверсивность характеристики,
выходное напряжение в два раза больше чем у однотактного потенциометрического
измерительного преобразователя, отсутствие статической ошибки, малый вес и
габариты, работает на постоянном и переменном токе. Недостатки: не
реверсивность характеристики, т.к. щетка скользит по виткам это приводит к быстрому
износу, малая выходная мощность. Недостатки: не реверсивность характеристики,
т.к. щетка скользит по виткам это приводит к быстрому износу, малая выходная
мощность.
Вариант №1
Рассчитать шунтирующее сопротивление
потенциометра с каркасом постоянного сечения, изогнутого по кругу.
Исходные данные:
Диаметр каркаса по кругу(d=62,5 mm); длинна
каркаса(
=330о);
напряжение выхода изменяется по закону параболы(U=0,782);
допустимая погрешность не превышает 4%, т.е. 1 В; полное сопротивление
потенциометра(Ro=500 Ом)
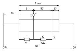
Рис. 1. - Кривая расчета
шунтирующего участка потенциометра
Решение: Изобразим
потенциометр в развернутом на плоскость виде (рис. 1). Длина намотанной части
потенциометра

мм.
Построим график функции U=f(s), где s - линейное
перемещение щетки по потенциометру.
smax= 
=180 мм. Так как s=
, a U=0,78 
2, то
U=f(s)=0,78
=0,78
Сместив полученную кривую 1 U=f(s) по оси
ординат на величину допускаемой погрешности 
, получим кривые 2 и 3. Проведем
касательную линию I-I с кривой 3
определит границу одного из участков потенциометра. Через точку А проведем
линию II-II,
касательную к кривой 2. Точка В пересечения II-II с кривой 1
определит границу другого участка потенциометра. Из точки В проводим линию III-III через точку
0. Поскольку участок АС кривой 1 близок к прямолинейному, то на соответствующем
ему участке потенциометра 
шунтирующее сопротивление ставить
не будем.
) Из графика определим длину
участков потенциометра: 
; 
; 
и напряжение на участках 
; 
; 
.
) Сопротивление каждого участка
потенциометра равны

Ом; 

Ом
) Эквивалентные сопротивления
первого и второго участков определим из пропорций

;

;
) Определим величины шунтирующих
сопротивлений. Так как

;
то 

;
) Проверим правильность выполненного
расчета для одного из участков потенциометра, например для первого. Приращение
напряжения на этом участке, что соответствует заданной величине и подтверждает
правильность расчета.
3. Безопасность полетов
Безопасность полета воздушного судна
(ВС) - это основное свойство авиационно-транспортной системы (АТС). Оно
формируется на этапе создания авиационной техники. АТС включает в себя
следующие звенья: воздушное судно, экипаж, службы подготовки полетов, службы
обеспечения полетов, управление воздушным движением.
Аварии и катастрофы, которые время от времени
происходят с ВС, являются следствием сбоев в работе звеньев АТС. Анализ
статистики катастроф по регионам мира показывает, что уровень безопасности
полетов самолетов зависит прежде всего от структуры звеньев АТС и их
взаимодействия. При неизменном уровне безопасности полета и росте пассажирских
перевозок возможен рост числа инцидентов.
Дальнейшее повышение безопасности полетов
самолетов связано с совершенствованием структуры звеньев АТС и их
взаимодействия. Поэтому целесообразно распространить методологию и технологию
создания потенциально безопасного самолета на другие звенья АТС. Такая
возможность появилась в связи с разработкой методологии и технологии создания
модели надежности и безопасности полета (МНиБ), основанной на понятии
функционального отказа (ФО) с использованием метода приведения для определения
полного перечня потенциально возможных ФО анализируемого объекта. Нарушения
функций одной из частей АТС являются причинами нарушений в работе других.
При создании любых изделий конструктор в первую
очередь обеспечивает выполнение предписанных изделию функций. Проектирование
должно вестись из условия «отсутствия неприемлемого ущерба при нарушении
функционирования».
Предвидение подобных ситуаций на ранних этапах
проектирования позволяет разработать эффективные мероприятия, позволяющие
свести потенциальный риск к требуемому уровню. Очевидно, что решение этой
задачи должно предусматривать строгое определение функций системы и возможных
нарушений этих функций. То есть нарушения функционирования систем могут быть
вызваны не только отказами, но и другими причинами (ошибками операторов и
программного обеспечения, внешними воздействиями).
В качестве модели нарушения функционирования
систем выбран «функциональный отказ». На основе этого понятия был разработан
метод выполнения анализа функциональных отказов (АФО). Результаты проведения АФО
представляют собой модель отказобезопасности самолета.
Полученная модель служит основой при обеспечении
и контроле безопасности полета в процессе проектирования, испытаний,
изготовления и эксплуатации самолета. Опыт показал правильность выбора перечня
ФО как модели нарушения функционирования системы. Для получения перечня ФО
использовался экспертный метод, что в период становления АФО вполне
удовлетворяло. Экспертный метод получения перечня ФО успешно применялся в ходе
сертификации самолетов Ил-86 и Ил-96-300 и продемонстрировал свою
эффективность. В то же время, по мере накопления опыта выполнения работ по
обеспечению безопасности полета, выявились некоторые проблемы, связанные с
формированием перечня ФО. При верном определении понятия ФО в Нормах летной
годности (НЛГ) как «вида неработоспособного состояния системы в целом,
характеризующегося определенным нарушением ее функции независимо от причин,
вызывающих это состояние», отсутствие однозначного метода получения перечня ФО
приводило и приводит к различным толкованиям этого понятия. Ряд объективных
факторов не позволяют в настоящее время удовлетворяться определением перечня ФО
на основании экспертной оценки исходя из формулировки ФО. Окончательное решение
при таком подходе слишком часто базируется на субъективном мнении. Поэтому был
предложен следующий подход для определения функциональных отказов системы.
Любой объект можно представить в виде «черного ящика», имеющего физические
входы и выходы. Тогда определение функционального отказа можно сформулировать
следующим образом: функциональным отказом системы называется нарушения одного
определенного вида параметра одного выходного сигнала или комбинации видов
нарушения нескольких выходных сигналов. При этом надо отметить, что входы и
выходы системы или агрегата могут быть не в явном виде. Например, различные
воздействия электромагнитного поля, температура, вибрации, влажность и т.д.
При проверке сопротивления изоляции линии
следует соблюдать правила техники безопасности, а также необходимо все элементы
комплекта отключить. Следует помнить, что при проверке сопротивления изоляции
датчиков последние из баков вынуть.
|
Неисправности:
|
Причины
|
Способы
проверки и устранения неисправности:
|
|
1
стрелка показывающего прибора прижата к левому ограничителю
|
а)
Разомкнуть цепь датчика б)обрыв внешней соединительной линии цепи датчиков
в)обрыв в блоке УТС-54Б-52 линии, идущей к датчикам г)нет контакта на реле
РЭС 946, находящемся в блоке УТС-54Б-53 д)нет контакта на реле РЭС-9 в
переключателе ПД-52-9 е)отсутствие питания 27 В постоянного тока ж) замыкание
сеточного провода лампы БН2П-ЕВ в блоке УТС54Б-52 на землю з) замыкание на
землю провода лампы БН2П-ЕВ в блоке УТС54Б-52 на землю
|
а)
поочередным включением датчиков выявить неисправный датчик, проверить у него
соединение в штепсельном разъеме, устранить неисправность б) проверить
соединительную линию, устранить обрыв в)сменить блок УТС54Б-52 г)сменить
переключатель ПД-52-9 д)сменить переключатель ПД-52-9 е)исправить линию
постоянного тока ж)сменить блок УТС54Б-52 з)проверить линию, устранить
неисправность
|
|
2
стрелка показывающего прибора находится на “мах” шкалы
|
а)
замыкание между трубами датчика б)обрыв плеча постоянной емкости
измерительного моста
|
а)
поочередным включением выявить неисправный датчик или группу датчиков. Вынуть
неисправный датчик из бака. Мегомметром проверить сопротивление изоляции
между трубами, и каждой из труб массой. Если оно меньше 100 Ом, сменить
датчик б)сменить блок УТС54Б-52
|
|
3
при переключении переключателя ПГ-4 в положении “сумма” стрелка показывающего
прибора забивает максимум шкалы
|
а)
обрыв цепи питания постоянного тока реле ТКЕ56-ПД1 б) не работает реле
ТКЕ56ПД1
|
а)устранить
обрыв б)сменить блок УТС54Б-52
|
|
4
стрелка показывающего прибора не перемещается
|
а)обрыв
в цепи питания переменным током б)неисправны лампы усилителя 4Н2П-ЕВ и
6Н1П-ЕВ
|
а)
проверить омметром, устранить обрыв б)заменить лампы. После замены лампы
проверить работоспособность комплекта нажатием кнопки “проверка” на блоке
УТС54Б-52. При нажатии кнопки “проверка” стрелка показывающего прибора должна
перемещаться к максимуму шкалы. При отпускании кнопки, стрелка показывающего
прибора должна вернуться в исходное положение
|
|
5
проверить чувствительность показывающего прибора
|
а)сопротивление
изоляции между трубами датчика и массой меньше 100 Ом б)потери эмиссии
лампами 6Н2П и 6Н1П в)сопротивление изоляции соединительной магистрали меньше
10 Мом г)закорочены витки первичной обмотки выходного трансформатора
|
а)поперечным
включением выявить неисправный датчик или группу датчиков. Вынуть его из бака.
Проверить у него сопротивление изоляции между трубами и массой. Если
сопротивление изоляции меньше 100 Ом, необходимо просушить датчик, вновь
проверить сопротивление изоляции, если сопротивление опять мало, то сменить
датчик. Проверить наличие влаги в топливе б)сменить лампы в)проверить
мегомметром сопротивление изоляции линии, оно должно быть менее 10 Мом при
любых условиях г)сменить блок УТС54Б-52
|
|
6
при пустых баках показывающий прибор показывает наличие топлива в баках
|
а)
малое сопротивление изоляции линии или датчиков
|
а)отключить
датчик и проверить сопротивление изоляции линии. Если оно мало, исправить
линию. Поочередным включением выявить неисправный датчик или группу датчиков.
Вынуть неисправный датчик из бака. Просушить его. Проверить у него опять сопротивление
изоляции. Если меньше 100 Мом, то сменить датчик.
|
|
7
При прикосновении к датчикам или проводам, стрелка прибора начинает
перемещается по шкале
|
Плохой
контакт в месте присоединения датчиков к самолетной линии.
|
Проверить
контакты выводных концов линии и надежного контакта между экраном и корпусом
самолета. Восстановить надежный контакт.
|
|
8
Не загорается сигнальная лампа
|
а)перегорела
лампа б)проверить линию питания постоянного тока в)повреждена линия питания
переменным током г)неисправно реле и лампа блока РБ-1 и РБ1-1БТ д)неисправно
реле РБ1-2 е) неисправно реле РБ1-3Т
|
а)сменить
лампу б)исправить линию в)исправить линию г)сменить блок реле РБ1-1А
д)сменить блок реле РБ1-2Т е) сменить блок реле РБ1-3Т.
|
. Охрана труда
При нахождении в ЛА, и на стоянке нужно
соблюдать инструкции по технике безопасности.
Курить на стоянке запрещено, члены экипажа
обязаны приостановить загрузку ЛА грузами, запрещенными к перевозке или имеющие
поврежденную упаковку.
Экипаж должен требовать, чтобы стоянка ЛА была
оборудована средствами пожаротушения. Экипаж следит за соблюдением мер
запрещается при посадке и е посадки самолета без установки задних трапов.
В полете экипажу запрещается курить, устранять
неисправности пилотажно-навигационных комплексов, электрооборудования со
вскрытием панелей и заменой предохранителей, пользоваться нагревательными
элементами по назначению.
Требование безопасности со временем могут
корректироваться, дополнятся в связи с поступлением в эксплуатацию новых ЛА.
Ежегодно предусматривается список химических и
биологических средств борьбы с вредителями, болезнями растений и сорняками,
рекомендуемых для применения в с/х. Этот список изменяется и дополняется.
Сейчас применяется около 200 различных веществ. Ряд препаратов, обладающих
высокой токсичностью, запрещены.
При массовой обработке сельскохозяйственной
культур ядохимикатами загрязняют растения, воду, почву и т. д.
В последнее, время печати все чаще появляются
сообщения о губительном действии ядохимикатов на все живое.
В последние годы получают развитие наземных
машин и аппаратура для обработки растений, с помощью, которых повышается
производительность труда и улучшения земледелия.
Состав и опасности ядохимикатов
Применяемые ядохимикаты можно разделить на
группы:
1. Гексахлоран, нитро хлор и др.
2. Фосфорорганические соединения.
. Ртутно-органические соединения.
. Соединения меди, железа, препараты серы
и др.
По степени опасных для человека и животных они
делятся на 4 группы:
-чрезвычайно опасности - бенлат, матафос и др.
высокоопасные вещества - нитро хлор, бутифос и
др.
умеренноопасные - пропазин, фотолан и др.
малоопасные - железный купорос, минеральные
масла и др.
Для большинства ядохимикатов характерно высокая
токсичность, летучесть, способность проникать через не повреждённую кожу.
Так как ядохимикаты - сильные яды, предельно
допустимая доха их концентрации в воздухе рабочей зоны чрезвычайно мало.
Основные пути проникновения в организм человека,
желудочно-кишечный тракт, органы дыхания, кожа и слизистая оболочка.
Во всех случаях пострадавшего необходимо удалить
из зараженной зоны, оказать первую помощь, и скорее вызвать врача.
При попадании ядохимикатов покров следует
немедленно вымыть это место водой с мылом, а если ядохимикаты попали в глаза -
их обильно вымыть чистой водой. Если попал в желудок необходимо дать 10
стаканов воды и вызвать рвоту. Эту процедуру необходимо повторить 2-3 раза.
Электробезопасность
Электробезопасность -
это система организованных и технических мероприятий и средств, обеспечивающих
защиту людей от опасного воздействия электрического тока, электрической дуги,
электромагнитного поля и статического электричества. Современные аэропорты
обеспечиваются электроэнергией до 1000 В, по первой категории, так как перерывы
в ее обеспечении могут привести к опасности жизни людей.
Поэтому, в основном все объекты имеют сои
аварийные электростанции, которые вступают в работу в автоматическом режиме.
Огромная сеть электропитания аэропортов
представляет в свою очередь и большую электроопасность как для работников
обслуживающие электросети, так и для работников, деятельности которых
соприкасаются с электрическими сетями.
На малое значение в авиации по вопросам
электробезопасности имеет статическое электричество. Статическое электричество
возникает в диэлектриках или плохо проводящих телах при полете ЛА, движение
топлива по трубопроводам со скоростью более 0,71 м/с, при перекачивании
топлива, при промывке, обезжиривания деталей и в других случаях.
Статическое электричество может серьезно
травмировать работников, привести к пожаром или взрывам. Наибольшую опасность
представляет ЛА, совершивший посадку или заправка его топливом. Для
предотвращения этих явлений необходимо следить за исправностью тока
разрядников, обязательно заземлять ЛА, заправщик и тока установки.
Пожаробезопасность
Система предотвращения пожара разрабатывается по
каждому конкретному объекта из расчета, что нормативная вероятность
возникновения пожара применятся равное более 0,000001 в год в расчета на
отдельной пожароопасный узел данного объекта. А система противопожарной защиты
должна разрабатываются по каждому конкретному объекта из расчета, что
нормативная вероятность воздействия опасных факторов пожара на людей
применяется равной не более 0,000001 в год расчете на отдельного человека. При
этом безопасность людей должна быть обеспечена при возникновении пожара в любом
месте объекта. По каждому объекта должна быть установлена экономическая
эффективность системы, обеспечивающая ее пожарную безопасность с учетом
вероятности пожара, стоимость объекта, капитальных вложений и текущих расходов
на системе противопожарной защиты.
При этом опасными и вредными веществами
факторами является; ударная волна, пламя пожара, разрушения оборудования, раз
летание осколков и выход при взрыве вредных веществ.
Заключение
Авиационные приборы и
измерительно-вычислительные комплексы обеспечивают надежный контроль за
текущими значениями параметров, характеризующих режимы полета самолета, работу
двигателя и отдельных систем. Полет в сложных метеорологических условиях и
ночью немыслим без приборов, показывающих положение самолета в воздухе и
направление его полета.
Устанавливая наиболее рациональные режимы работы
двигателя и режимы полета, можно сделать полет более экономичным, увеличить
дальность и продолжительность полета, увеличить срок службы двигателя. Точные
показания авиационных приборов, их надежная работа и правильная эксплуатация,
обеспечивает требуемую безопасность полета.
Литература
1.
Асс Б.А., Антипов Е.Ф., Жуков Н.Н. Детали авиационных приборов - М., 1979.
.
Величко Ю.К., Коровин В.Г. Теория надежности. - Киев: КНИГА, 1971.
.
Гордин Е.М., Митник Ю.Ш., Тарлинский В.А. Основы автоматики и вычислительной
техники. - М., Машиностроение 1978.
.
Денисов В.Г., Казурук В.В. и др. Эксплуатация авиационного оборудования и
безопасности полетов. - М., транспорт, 1979.
.
Зубко Б.В. Безопасность полетов. - Киев, КНИГА, 1983.
.
Стрыгин В.В. Основы автоматики и вычислительной техники. - Энергоиздат. 1981.
.
Никулин Н.В., Назаров А.С. Радиоматериалы и радиодетали. - М. Высшая школа.
1976.
.
Шляндин В.М. Элементы автоматики и счетно-решающие устройства. - М., 1967.
.
Справочник по полупроводникам приборам и интегральным схемам.