Основания и фундаменты промышленного здания

  • Вид работы:
    Курсовая работа (т)
  • Предмет:
    Строительство
  • Язык:
    Русский
    ,
    Формат файла:
    MS Word
    286,34 Кб
  • Опубликовано:
    2014-04-20
Вы можете узнать стоимость помощи в написании студенческой работы.
Помощь в написании работы, которую точно примут!

Основания и фундаменты промышленного здания

Министерство образования и науки Российской Федерации

Федеральное государственное бюджетное образовательное учреждение

высшего профессионального образования

«Ярославский государственный технический университет»

Кафедра «Строительные конструкции»







Основания и фундаменты

Расчетно-пояснительная записка к курсовому проекту на тему:

«Основания и фундаменты промышленного здания»

ЯГТУ 270102.65-013 КП




Работу выполнил: Мизина Е.А.

Студент гр. ПГС-42

Преподаватель: Казаков А.С.





2013

Содержание

1. Данные для расчета

. Оценка инженерно- геологических условий

.1 Анализ структуры грунта

.2 Учет глубины сезонного промерзания грунта

. Определение размеров и конструкции фундаментов из расчета оснований по деформациям

.1 Определение размеров стакана и глубины заложения ростверка

.2 Определение глубины заложения фундамента Ф-2

.3 Фундамент Ф-4

. Проектирование свайных фундаментов

.1 Определение глубины заложения ростверка и длины свай

.2 Определение несущей способности свай

.3 Свайный фундамент под К-2

.4 Свайный фундамент под К-1

.5 Свайный фундамент под К-3

.6 Свайный фундамент под К-4

.7 Свайный фундамент под К-7

Список используемых источников

1. Данные для расчета


Объект проектирования - двупролетное промышленное здание в городе Ржев.

Рисунок 1 - Геологический разрез строительной площадки

Таблица 1 - Физико-механические свойства грунтов

№ слоя

Для расчёта по несущей способности

Для расчёта по деформациям

 γs, кН/м3

 ω

 ωL

 ωp

 Е0, Мпа


γ1, кН/м3

φ1, град.

с1, кПа

γ2, кН/м3

φ2, град.

с2, кПа






1

17,9

19

19,0

18,0

19

20,0

27,15

0,169

0,241

0,151

8,05

2

34

0

34

0

26,66

-

-

13,0

3

18,3

20

32,0

18,3

21

33,0

27,20

0,270

0,520

0,265

24,0


Высота здания 12,1 м

Нагрузка на пол 30 кПа

Грузоподъемность крана 10 т

Колонны

К1, К3, К5 -600х400 мм,

К2, К4, К6 -600х400 мм,

К7 - 400х400 мм.

2. Оценка инженерно-геологических условий

 

.1 Анализ структуры грунта


Слой 1 - Суглинок:

Мощность слоя 2,0 м

Модуль деформации Е=18 МПа>5 МПа, суглинок не относится к сильно сжимаемым грунтам.[1, т.24]

R0=238 кПа, определяется через интерполяцию [1, т.44]

Коэффициент пористости

фундамент грунт сваи


Коэффициент водонасыщения


грунт средней степени водонасыщенности.[1, т.11]

IL=0,20

суглинок полутвердый [1, т.10], слабопучинистый [1, т.13]

Инженерно-геологический слой №1 не относится к категории слабых грунтов.

Вывод: суглинок может служить естественным основанием для фундаментов глубокого заложения, в том числе свайных.

Слой 2 - Песок мелкий:

Для γ1=18,00 кН/м3, γ2=18,01 кН/м3, =0,120

Мощность слоя 4,0 м

R0=300 кПа [1, т.43]

Модуль деформации Е=28 МПа>5 МПа, песок мелкий не относится к сильно сжимаемым грунтам.[1, т.2]

Коэффициент пористости


песок средней плотности. [1, т.12]

Коэффициент водонасыщения


грунт малой степени водонасыщенности водой.[1, т.11]

Инженерно-геологический слой №1 не относится к категории слабых грунтов.

Вывод: песок мелкий может служить естественным основанием для фундаментов глубокого заложения, в том числе свайных.

Для γ1=19,99 кН/м3, γ2=20,00 кН/м3, =0,240

Мощность слоя 4,0 м

R0=200 кПа [1, т.43]

Модуль деформации Е=28 МПа>5 МПа, песок мелкий не относится к сильно сжимаемым грунтам.[1, т.2]

Коэффициент пористости

-песок средней плотности. [1, т.12]

Коэффициент водонасыщения


грунт насыщенный водой.[1, т.11]

Инженерно-геологический слой №1 не относится к категории слабых грунтов.

Вывод: песок мелкий может служить естественным основанием для фундаментов глубокого заложения, в том числе свайных, принимаю в качестве грунта - песок мелкий.

Слой 3 - Глина.

Модуль деформации 18 кПа> 5кПа,песок не относится к сильно сжимаемым грунтам. [1, т.4]

R0=171 кПа, определяется по интерполяции [1, т.44]

Коэффициент пористости


Коэффициент водонасыщения


Показатель пластичности

-глина полутвердая, слабо пучинистая.

Инженерно-геологический слой №3 не относится к категории слабых грунтов.

Вывод: Глина может служить естественным основанием для фундаментов средней глубины заложения, в том числе свайных.

Вывод: Грунтовое основание представлено надежными, со строительной точки зрения, грунтами, напластование согласное без вклиниваний линз, горизонтальность грунтовых слоев выдержана. В качестве естественного основания для свайных фундаментов принимаем слой 3.

2.2 Учет глубины сезонного промерзания грунтов


Для районов, где глубина промерзания не превышает 2.5 м, ее нормативное значение допускается определять по формуле:

,

где do=0,23 м величина, принимаемая для суглинков

Mt - безразмерный коэффициент, численно равный сумме среднемесячных отрицательных температур за зиму в данном районе для города Ржев 26,7°С. [1, т.36]

 м,

Расчетная глубина промерзания находится по формуле:

,

Где kh=0,5 - коэффициент теплового влияния сооружения, принимаемый для наружных фундаментов отапливаемых сооружений с устройством пола по грунту, [1, т.37]°С:

м

Глубина расположения грунтовых вод ;


то глубина заложения фундамента должна быть не менее 0,5, [1, т.38]

Принимаем высоту фундамента = 1,5 м.

Принимаем глубину заложения фундамента от планировочной отметки = 1,55 м

3. Определение размеров и конструирование фундаментов из расчета оснований по деформациям


.1 Определение размеров стакана и глубины заложения ростверка

Для колонны К1:

Сечение 600х400.

Минимальный зазор между стенкой стакана и колонной поверху 75 мм.

Минимальная толщина стенки 150 мм => Принимаем сечение стакана: 900х1200.

NoIIкН

MoIIкН·м

FohIIкН

eo=MoII/NoII=101/764=0,132 м=132мм

eo≤2·lc, то есть 0,132≤1,2 [1, т.27] =>

Глубина заделки колонны равна 600 мм.

Глубина стакана применяется на 50 мм больше глубины заделки колонны.

Глубина стакана dp=650 мм. Высота верхнего уступа фундамента: hcf=650+850=1500мм.

Для колонны К2:

Сечение 600х400. Минимальный зазор между стенкой стакана и колонной поверху 75 мм.

Минимальная толщина стенки 150 мм => Принимаем сечение стакана: 900х1200.

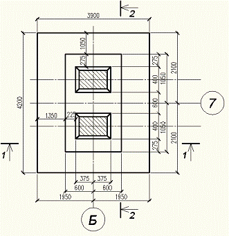
Рисунок 2 - Фундамент для К1,К2,К5,К6

NoIIкН MoIIкН·м FohIIкН

eo=MoII/NoII=106/1710=0,062 м=62 мм

eo≤2·lc, то есть 0,078≤1,2

Глубина заделки колонны равна 600 мм.

Глубина стакана применяется на 50 мм больше глубины заделки колонны.

Глубина стакана dp=650 мм. Глубина верхнего уступа фундамента: hcf=650+850=1500 мм (рис.2).

Для колонны К5:

Сечение 600х400. Минимальный зазор между стенкой стакана и колонной поверху 75 мм.

Минимальная толщина стенки 150 мм => Принимаем сечение стакана: 900х1200.

NoIIкН MoIIкН·м FohIIкН

eo=MoII/NoII=62/458=0,135 м=135 мм

eo≤2·lc, то есть 0,135≤1,2

Глубина заделки колонны равна 600 мм.

Глубина стакана применяется на 50 мм больше глубины заделки колонны.

Глубина стакана dp=650 мм. Глубина верхнего уступа фундамента: hcf=650+850=1500 мм (рис.2).

Для колонны К6:

Сечение 600х400. Минимальный зазор между стенкой стакана и колонной поверху 75 мм.

Минимальная толщина стенки 150 мм => Принимаем сечение стакана: 900х1200.

NoIIкН MoIIкН·м FohIIкН

eo=MoII/NoII=62/1026=0,061 м=61 мм

eo≤2·lc, то есть 0,061≤1,2

Глубина заделки колонны равна 600 мм.

Глубина стакана применяется на 50 мм больше глубины заделки колонны.

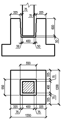
Рисунок 3

Глубина стакана dp=650 мм. Глубина верхнего уступа фундамента: hcf=650+850=1500 мм (рис.2).

Для колонны К3:

Сечение 600х400.

Минимальный зазор между стенкой стакана и колонной поверху 75 мм.

Минимальная толщина стенки 150 мм => Принимаем сечение стакана: 2100х1200.

NoIIкН

MoIIкН·м

FohIIкН

eo=MoII/NoII=81/611=0,132=132мм

eo≤2·lc, то есть 0,176≤1,2

Глубина заделки колонны равна 600 мм.

Глубина стакана применяется на 50 мм больше глубины заделки колонны.

Глубина стакана dp=650 мм. Глубина верхнего уступа фундамента: hcf=650+850=1500 мм (рис.3).

Для колонны К4:

Сечение 600х400. Минимальный зазор между стенкой стакана и колонной поверху 75 мм.

Минимальная толщина стенки 150 мм => Принимаем сечение стакана: 2100х1200.

NoIIкН MoIIкН·м FohIIкН

eo=MoII/NoII=85/1368=0,062 м=62 мм

eo≤2·lc, то есть 0,079≤1,2

Глубина заделки колонны равна 600 мм.

Глубина стакана применяется на 50 мм больше глубины заделки колонны.

Глубина стакана dp=650 мм. Глубина верхнего уступа фундамента: hcf=650+850=1500 мм (рис.3).

Для колонны К7:

Сечение 400х400. Минимальный зазор между стенкой стакана и колонной поверху 75мм. Минимальная толщина стенки 150 мм. => Принимаем сечение стакана 1200х1200.

NoII=242 кН

eo=0=> Глубина заделки колонны равна 600 мм.

Глубина стакана применяется на 50мм больше глубины заделки колонны.

Глубина стакана dp=650 мм. Глубина верхнего уступа фундамента: hcf=450+1050=1500мм.

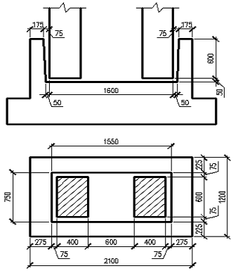
Рисунок 4 - Фундамент для К7

.2 Определение глубины заложения фундаментов

Фундамент Ф2:

Несущим слоем является первый слой- суглинок; Е0=18 МПа; R0=238кПа;

Размер подошвы фундамента мелкого заложения определяется из условий: P<R; S<Su.

Нагрузки по обрезу фундамента Ф2:

Комбинация №

N0II,кH

M0II,кHм

F0hII,кH

1

2110

±18

±6

2

1710

±106

±44

Ориентировочные размеры подошвы фундамента:


Подбор размера фундамента:

, , принимаем b=3,0 м

где Аор - площадь подошвы фундамента, м;

NII - сумма вертикальных нагрузок, действующих на основание, кроме веса фундамента и грунта на его уступах (обрезах), кН;

R0 - расчетное сопротивление грунта основания, кПа;

γ - средний удельный вес материала фундамента и грунта на его уступах, γ=20кН/м3;

d - глубина заложения фундамента, м.

Расчетное сопротивление грунта основания:


где γс1=1,25, γс2=1 - коэффициенты условий работы [1,т.15] ;

к - коэффициент, принимаемый равным 1;

Mγ=0,47, Mq=2,895, Mc=5,485 - коэффициенты, принимаемые в зависимости от угла внутреннего трения, который берется по заданию φ=19о [1, т.16];

кz=1 -коэффициент, принимаемый за 1 при b<10м; b- ширина подошвы фундамента=3 м;

Усредненный удельный вес грунта под подошвой фундамента вычисляется в пределах до 0,5∙b=0,5∙3,1=1,5м

=

= =12,169кН/м3

усредненное расчетное значение удельного веса грунтов, залегающих ниже уровня подошвы фундамента;

кН/м3 - усредненное расчетное значение удельного веса грунтов, залегающих выше уровня подошвы фундамента.

d1=1,55м - глубина заложения фундамента от уровня планировочной отметки;

сII = 20 кПа - расчетное значение удельного сцепления;

∆=(R0-R)/ R0 ∙100% = (238-229,53)/ 238 ∙100% =3,55% < 10%

, принимаем l = 3,6 м.

Давление по подошве фундамента:


Для 1-го и 2-го сочетания усилий должны выполняться условия:


Для первого сочетания:

. Наибольшее давление в угловых точках:

где Mx(y)II - расчетный момент относительно главной оси х(у), действующий в плоскости подошвы фундамента:

Mx(y)II= M0x(y)II+F0y(x)II*hf;

0x(y)II=±18кН∙м - расчетный момент относительно оси х(у), действующий по обрезу фундамента;

F0y(x)II=±6кН - расчетное значение горизонтальной силы на обрезе фундамента по направлению оси у(х);

hf = 1,5 м - высота фундамента;

Mx(y)II = 18+6∙1,5=27 кН∙м

W = b∙l2/6 = 3∙3,62/6 = 6,48 м3

. Относительный эксцентриситет:


Для второго сочетания:

. Наибольшее давление в угловых точках:


где Mx(y)II - расчетный момент относительно главной оси х(у), действующий в плоскости подошвы фундамента:

Mx(y)II= M0x(y)II+F0y(x)II∙hf;0x(y)II=±106 кН*м

расчетный момент относительно оси х(у), действующий по обрезу фундамента;

F0y(x)II=±44 кН

расчетное значение горизонтальной силы на обрезе фундамента по направлению оси у(х);

hf = 1,5 м - высота фундамента;

Mx(y)II=106+44∙1,5 = 172 кН∙м

W=b∙l2/6=3∙3,62/6 = 6,48м3.

. Относительный эксцентриситет:



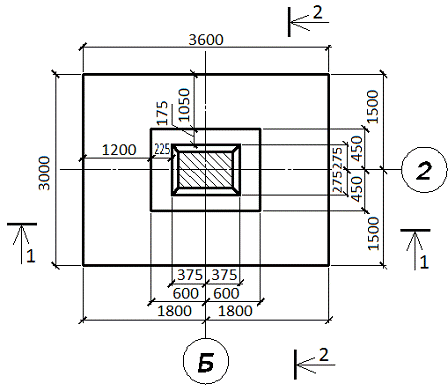
Рисунок 5 - Фундамент для К2

Вычисление осадки фундамента:

В данном курсовом проекте осадку следует определять по методу послойного суммирования:

, где

β - безразмерный коэффициент, β = 0,8 [1, стр.53]

n - число слоев, на которое разбита сжимаемая толща основания [1, стр.53]

σzpi и σzy,i - среднее вертикального нормального напряжения в i-том слое, кПа;

 

hi - толщина i-го слоя, м, но не более 0,4b = 0,4∙3 = 1,2 м;

Е0i - модуль деформации грунта i-го слоя, кПа.

Фундамент прорезает один слой грунта - суглинок, поэтому расчетное значение удельного веса грунтов, залегающих выше подошвы, равно .

Вертикальные напряжения: [1, стр.55]

- вертикальное напряжение от собственного веса грунта на уровне подошвы фундамента,

α- коэффициент, принимаемый по [2] табл. 17 в зависимости от формы подошвы и относительной глубины ζi = 2zi/b; η = l/b = 3,6/3 = 1,2

Суммирование по формуле


необходимо проводить до нижней границы сжимаемой толщи, положение которой необходимо определить условием:


напряжение от собственного веса грунта на границе слоя.

Таблица 2 - Результаты вычисления для определения осадки фундамента

S=0,8∙0,041=0,0328 м<Su=0,1 м, следовательно осадка допустима.

Рисунок 6- Расчетная схема для определения осадки фундамента

.3 Фундамент Ф4 (температурный шов)

Фундамент Ф4:

Несущим слоем является первый слой- суглинок; Е0=18 МПа; R0=238кПа;

Размер подошвы фундамента мелкого заложения определяется из условий: P<R; S<Su.

Нагрузки по обрезу фундамента Ф4

Комбинация №

N0II,кH

M0II,кHм

F0hII,кH

1

1688

±14

±4,8

2

1368

±85

±35


Ориентировочные размеры подошвы:

,

Подбор размера фундамента:

, , принимаем b=3,9 м,

где Аор - площадь подошвы фундамента, м;

NII - сумма вертикальных нагрузок, действующих на основание, кроме веса фундамента и грунта на его уступах (обрезах), кН;

R0 - расчетное сопротивление грунта основания, кПа;

d - глубина заложения фундамента, м.

Принимаем размер подошвы b =3,9 м.

Расчетное сопротивление грунта основания:


где γс1=1,25, γс2=1 - коэффициенты условий работы [1,т.15] ;

к - коэффициент, принимаемый равным 1;

Mγ=0,47, Mq=2,895, Mc=5,485 - коэффициенты, принимаемые в зависимости от угла внутреннего трения, который берется по заданию φ=19о [1, т.16];

кz=1 -коэффициент, принимаемый за 1 при b<10м; b- ширина подошвы фундамента=3 м;

Усредненный удельный вес грунта под подошвой фундамента вычисляется в пределах до 0,5∙b=0,5∙3,1=1,5м

=

= =12,169кН/м3

усредненное расчетное значение удельного веса грунтов, залегающих ниже уровня подошвы фундамента;

кН/м3 - усредненное расчетное значение удельного веса грунтов, залегающих выше уровня подошвы фундамента.

d1=1,55м - глубина заложения фундамента от уровня планировочной отметки;

сII = 20 кПа - расчетное значение удельного сцепления;


∆=(R0-R)/ R0 ∙100% = (238-213)/ 238 ∙100% =9,35% < 10%

, принимаем l = 4,2 м.

Давление по подошве фундамента:

Для 1-го и 2-го сочетания усилий должны выполняться условия:


Для первого сочетания:

. Наибольшее давление в угловых точках:


где Mx(y)II - расчетный момент относительно главной оси х(у), действующий в плоскости подошвы фундамента:

Mx(y)II= M0x(y)II+F0y(x)II*hf;0x(y)II=±14∙2=±28 кН∙м

расчетный момент относительно оси х(у), действующий по обрезу фундамента;

F0y(x)II=±4,8∙2=9,6кН - расчетное значение горизонтальной силы на обрезе фундамента по направлению оси у(х);

hf = 1,5 м - высота фундамента;

Mx(y)II = 28+9,6∙1,5=42,4 кН∙м

W = b∙l2/6 = 4,2∙3,92/6 = 10,11 м3.

. Относительный эксцентриситет:


Для второго сочетания:

. Наибольшее давление в угловых точках:


где Mx(y)II - расчетный момент относительно главной оси х(у), действующий в плоскости подошвы фундамента:

Mx(y)II= M0x(y)II+F0y(x)II∙hf;0x(y)II=±85∙2=170 кН∙м

расчетный момент относительно оси х(у), действующий по обрезу фундамента;

F0y(x)II=±35∙2=70 кН - расчетное значение горизонтальной силы на обрезе фундамента по направлению оси у(х);

hf = 1,5 м - высота фундамента;

Mx(y)II=170+70∙1,5 = 275 кН∙м

W = b∙l2/6 = 4,2∙3,92/6 = 10,11 м3

. Относительный эксцентриситет:


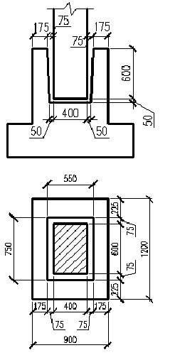
Рисунок 7 - Фундамент для К4

4. Проектирование свайных фундаментов

.1 Определение глубины заложения ростверка и длины сваи

Несущим слоем является 3-ий слой - глина с характеристиками:

Eo=20000 кПа; R0=171 кПа.

Принимаем высоту ростверка hроств=1,5м, глубина заложения ростверка dроств=1,5+0,150=1,65 м.

Согласно т.А1 методического пособия “Проектирование свайных фундаментов” принимаем сваи марки С50.30-6;

Глубина погружения сваи z = 7,6 м;

Расчетное сопротивление под нижним концом забивных свай, при глубине погружения нижнего конца сваи на 7,6 м равно: R=9434 кПа (определяется по интерполяции [2, т.6])

Расчетные сопротивления по боковой поверхности забивных свай fi [2, т.7])

h1 = 0,45м;

h2 = 1,5м;

h3 = 2,0м;

h4 = 0,5м;

h5 = 0,5м;

z1 = 1,65+0,45/2=1,875 м;

z2 = 0,45+1,65+1,5/2=2,85 м;

z3 = 0,45+1,65+1,5+1=4,6 м;

z4 = 0,45+1,65+1,5+2+0,5/2=5,85 м;

z5 = 0,45+1,65+1,5+2+0,5+0,5/2=6,35 м;

ƒ1 = 43,75 кПа;

ƒ2 = 34,25 кПа;

ƒ3 =38,92 кПа;

ƒ4 = 41,7 кПа;

ƒ5 = 51,42 кПа;

.2 Определение несущей способности сваи

Сваю рассматриваем как стержень, жестко защемленный в грунте в сечении, расположенном от подошвы ростверка на расстоянии l.

Принимаем сваи С50.30-6.

Определяем несущую способность сваи по грунту:

Несущую способность Fd, кН, забивной сваи, сваи-оболочки, набивной и буровой свай, а также забивной сваи, опирающейся на мало сжимаемый грунт, следует определять по формуле


где gc - коэффициент условий работы сваи в грунте, принимаемый gc=1;

R=9434 кПа- расчетное сопротивления грунта под нижним концом сваи;

А=0,09 м2- площадь поперечного сечения призматической сваи;

u=1,2 м - наружный периметр поперечного сечения сваи;

fi - расчетное сопротивление i-го слоя грунта основания на боковой поверхности;

hi - толщина i-го слоя грунта, соприкасающегося с боковой поверхностью сваи;

gcR и gсf - коэффициенты условий работы грунта соответственно под нижним концом и на боковой поверхности сваи, принимаемые по [3] табл.8:

gcR =1,0 gсf =1,0.

Рисунок 8 - Расчетная схема к определению несущей способности сваи

Fd=1∙1(9434∙0,09+1,2∙(1∙0,45∙43,75+1,5∙34,25+2,0∙38,92+0,5∙41,7+0,5∙51,42))=1083,615 кН

Определяем несущую способность сваи по материалу:


Условная ширина сваи bр=1,5d+0,5=1,5∙0,3+0,5=0,95м, где d - сторона квадратного сечения сваи.

Момент инерции поперечного сечения сваи

Определяем величину lк = 3,5d+1,5=3,5∙0,3+1,5=2,55 м.

От планировочной отметки на глубину 2,55м свая прорезает два слоя грунта.

Для суглинка с е=0,773 и I=0,15 интерполяцией находим КI=5450. Для песка мелкого с е=0,658 интерполяцией находим КII=5480.

Коэффициент пропорциональности К находим по формуле:


Свая С50.30-6 изготавливается из бетона класса В15 и армируется 4 стержнями d=16мм из стали класса А400.

- коэффициент деформации.

Находим l1

,

где l0 = 0 - расстояние от планировочной отметки до подошвы ростверка (так как ростверк низкий).

Т.к. свайный фундамент состоит из одних только вертикальных свай и при расположении их в расчетном направлении в два и более ряда, расчетная длина сваи lef = μl1 =1∙ l1= 2,58 м.

Площадь поперечного сечения сваи A = 0,3·0,3 = 0,09 м2.

Гибкость сваи .

Вычисляем несущую способность сваи по материалу:

 = 0,907· (8500·0,09+355000·0,000804) = 1253,5 кН,

где для длительного действия нагрузки j = 0,907, определяем по линейной интерполяции [3, табл.4], Rb = 8500 кПа (для бетона класса В15), Rsc = 355000 кПа (для рабочей арматуры класса А400).

Учет отрицательных сил трения грунта на боковой поверхности сваи.

Для выяснения вопроса о необходимости учета отрицательных сил трения вычисляем осадки слоев грунта снизу вверх от дополнительного давления 30 кН/м² по формуле осадки слоя грунта от сплошной равномерно распределенной нагрузки:

,

где h - толщина слоя грунта;

 - коэффициент относительной сжимаемости грунта; ;

 - для суглинка принимаем, для песка мелкого принимаем, для глины принимаем.

 - давление на кровле слоя грунта.

Осадка по слоям равна:

суглинок -

песок мелкий -

глина- .

Таким образом установлено, что в пределах трех слоев максимальная осадка . Следовательно, отрицательные силы трения при вычислении несущей способности сваи по грунту учитывать не нужно.

Расчет условного среднего давления по подошве ростверка

Среднее давление по подошве ростверка определяется по формуле:


- коэффициент надежности, равный 1,4;

d- размер поперечного сечения сваи;

=3- для висячих свай.

.3 Свайный фундамент под К2

Нагрузки по обрезу фундамента

Комбинация №

N0II,кH

M0II,кHм

F0hII,кH

1

2110

±18

±6

С учетом коэффициента надежности по нагрузке, равному 1,25

2637,5

±22,5

±7,5

2

1710

±106

±44

С учетом коэффициента надежности по нагрузке, равному 1,25

2137,5

±132,5

±55


Ориентировочные размеры подошвы:

,

где Ар - площадь подошвы фундамента, м;

N0I - расчетная, по 1-ой группе предельных состояний, нагрузка по обрезу ростверка, кН;

Pp - расчетное сопротивление грунта основания, кПа;

γ - осредненный удельный вес ростверка и грунта на его уступах, кН/м3

γf - коэффициент надежности по нагрузке, равный 1,1;

dp - глубина заложения ростверка, м.

Колонна 600x400мм. Подколонник 1200x900мм.

Определяем приблизительный вес ростверка и грунта на его уступах:


Требуемое количество свай в фундаменте:

, где

- коэффициент, равный 1,3 для внецентренно нагруженных фундаментов.

Принимаем в ростверке 4 сваи С50.30-6.

Похожие работы на - Основания и фундаменты промышленного здания

 

Не нашли материал для своей работы?
Поможем написать уникальную работу
Без плагиата!
Без нейросетей!