. Выбрать посадку для гладкого
цилиндрического сопряжения в соответствии с техническими условиями, данными в
задании.
2. Построить схему расположения полей допусков по данным
выбранной посадки и заполнить таблицу установленной формы.
. Установить наиболее приемлемые технологические процессы
окончательной обработки вала и отверстия и требования к шероховатости
поверхностей.
4. Вычертить сопряжение в сборе и
подетально с обозначением посадки, предельных отклонений и шероховатости
поверхностей.
5. Выбрать универсальные средства для измерения размеров
отверстия и вала.
6. Построить схему расположения полей
допусков рабочих калибров для контроля отверстия и вала, рассчитать их
предельные и исполнительные размеры. Представить эскизы калибров с указанием их
маркировки и исполнительных размеров.
. Наибольший и наименьший расчетные зазоры
Sp.max и Sp.min определяются на основе
гидродинамической теории смазки или же на основе экспериментальных и опытных
данных с учетом запаса металла на износ и скорости изнашивания сопрягаемых
деталей.
В целях увеличения срока службы подвижных
соединений в предельные расчетные зазоры вносят поправку, которая учитывает
характер изменения зазора в процессе эксплуатации.
Выполнение условия 1 и 2 обязательно.
Значения предельных табличных и монтажных зазоров определяются из выражения:
К - коэффициент, зависящий от квалитета:
для 5… 10 квалитетов К=2, для 11 и грубее К=1.
Затем определяется значение коэффициента
К, для чего сначала рассчитывается коэффициент «а»:
По расчетному значению коэффициента «а» по табл. 2 [1]
устанавливается квалитет - квалитет 9.
По установленному квалитету определяется
числовое значение К - для девятого квалитета К = 2.
Искусственно приравниваем табличные и
монтажные зазоры, что позволяет определить приближенные значения предельных
отклонений для отверстия:
По таблицам ГОСТа 25347-82 выбирается
посадка так, чтобы выполнялись условия выбора (см. формулы 1, 2, 3 и 4). При выборе
посадки следует, в первую очередь, использовать предпочтительные поля допусков
из основного ограничительного отбора (табл. 5 и 6 ГОСТ 25347-82).
При выборе посадки ориентируются на
заданную систему (систему отверстия или систему вала) и на предварительно
установленный квалитет.
Чтобы срок службы соединения был
наибольшим и затраты на изготовление деталей минимальными, посадку следует
выбирать так, чтобы зазоры Sтб.min и Sтб.max были близки
соответственно к зазорам Sм.min и Sм.max.
2. Строится схема расположения полей допусков для выбранной
посадки (рис. 1) и определяются основные элементы сопряжения, которые
записываются в таблице 1.
|
Условные
обозначения
|
Значения
основных параметров
|
|
посадки
|
предельных
откл. отверстия
|
предельных
откл. вала
|
номинальный
размер, мм
|
верхнее
отклонение, мкм
|
нижнее
отклонение, мкм
|
допуск, мкм
|
|
|
|
|
отв.
|
вала
|
вала
|
отв.
|
вала
|
|
  d811854-1200-1745454
|
|
|
|
|
|
|
|
|
|
Наиболее вероятные значения предельных
зазоров (Sвmax, Sвmin) определяются из следующих принятых условий:
погрешности размеров отверстия и вала распределены по нормальному закону; центр
группирования размеров совпадает с серединой поля допуска и зона рассеяния
размеров равна допуску на обработку.
Тогда
Sвmax = Sср + 3så, (11)
Sвmin = Sср - 3så, (12)
где Sср - среднее значение
зазора:
, (13)
så - среднеквадратическое
отклонение зазоров:
, (14)
Средние квадратические отклонения
соответственно размеров отверстия и вала определяются по уравнениям:
, (15)
, (16)
Расчет:
мм;
мм;
мм;
мм;
Sвmax = Sср + 3så =
0,174 + 3*0,0127 = 0,212 мм;
Sвmin = Sср - 3så =
0,174 - 3*0,0127 = 0,136 мм.
3. Наиболее приемлемые технологические процессы окончательной
обработки отверстия и вала устанавливаются из условия применения наиболее
распространенных технологических процессов и обеспечения допусков выбранных
квалитетов (приложение 3); требования к шероховатости поверхностей
устанавливаются по приложению 4 [1].
Отверстие:
выбираем калибрование отверстия шариком или оправкой после
сверления (экономический квалитет - 8, 9) и определяем, что Rа £ 3,2 мкм
при допуске формы 40% от допуска размера.
Вал:
выбираем растачивание чистовое
(экономический квалитет - 8, 9) и определяем, что Rа £ 3,2 мкм при допуске
формы 40% от допуска размера.
. Вычерчиваются эскизы соединений в сборе
и подетально (рис. 2).
. Выбор универсальных средств для
измерения размеров вала и отверстия:
Условие выбора -
где
- предельная погрешность измерения
выбранным средством измерения определяется по приложению 5 [1];
δ - допустимая погрешность измерения по ГОСТ
8.051-81 (приложение 6 [1]).
Для вала: δ = ±18 мкм,
средство измерения - микрометр 2-го класса, класс точности отсутствует (
= ±14 мкм).
Для отверстия: δ =±18 мкм, средство измерения - индикаторный
нутромер с индикатором 1-го класса точности при работе в пределах одного
оборота стрелки, настроенный по концевым мерам класса точности 3 (
= ±17 мкм).
. Годность деталей, изготовленных с допуском по 6… 17 квалитетам,
наиболее часто при массовом и крупносерийном производствах проверяют
предельными калибрами.
Допуски размеров и отклонения калибров нормируются ГОСТ 24853-81.
Рис. 2. Обозначение посадки и предельных отклонений размеров на
сборочном и рабочих чертежах
По приложению 7 [1] (ГОСТ 24853-81)
определяем, что:
для отверстия: Н = 6 мкм, Z = 8 мкм, Y = 6 мкм;
для вала: Н1 = 10 мкм, Z1=8 мкм, Y1= 6 мкм.
где: Н - допуск на изготовление калибров
для отверстия;
Z - отклонение середины
поля допуска на изготовление проходного калибра для отверстия относительно
наименьшего предельного размера контролируемого изделия;
Y - допустимый выход
размера изношенного проходного калибра для отверстия за границу поля допуска
изделия;
H1 - допуск на изготовление
калибров для вала;
Z1 - отклонение середины
поля допуска на изготовление проходного калибра для вала относительно
наибольшего предельного размера контролируемого изделия;
Y1 - допустимый выход
размера изношенного проходного калибра для вала за границу поля допуска
изделия.
Определяем предельные размеры
калибра-пробки:
ПР
мм,
мм,
мм,
НЕ
мм,
мм.
Определяем предельные размеры калибр-скоб:
ПР
мм,
мм,
мм,
НЕ
мм,
мм.
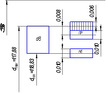
Строим схемы полей допусков калибров: пробки (рис. 3) и скобы
(рис. 4).
Изображаем эскизы калибров (рис. 5).
Рис. 3. Схема расположения полей допусков калибра - пробки
Рис. 4. Схема расположения полей допусков калибра - скобы

2. Расчет и выбор посадок подшипников качения
Цель задания: научиться
обоснованно назначать посадки для соединений деталей, сопрягаемых с
подшипниками качения, и обозначать их на чертежах.
2.1 Исходные
данные
условное обозначение подшипника качения - 412
величина его радиальной нагрузки - R = 17500 Н
Вал сплошной, вращается вместе с внутренним кольцом. На подшипник
действует постоянная по направлению результирующая радиальная нагрузка R. Нагрузка с ударами и вибрациями. Перегрузка до 300%.
Корпус чугунный.
Неразъемный. Осевая нагрузка отсутствует.
2.2 Требуется выполнить
1. Определить размеры подшипника и
выбрать посадки внутреннего и наружного колец на вал и в корпус.
2. Определить предельные отклонения
размеров посадочных поверхностей вала и отверстия в корпусе, а также колец
подшипника.
. Построить схему расположения
полей допусков для сопряжений «внутреннее кольцо-вал» и «наружное
кольцо-корпус»; указать вид посадки в соединениях, рассчитать предельные зазоры
и натяги. Проверить допустимость посадки из условия прочности внутреннего
кольца на разрыв.
. Установить требования к
шероховатости и допустимые отклонения от правильной геометрической формы
посадочных поверхностей вала и корпуса.
. Установить экономические методы
окончательной обработки и выбрать универсальные средства для измерения размеров
посадочных поверхностей вала и корпуса.
. Вычертить сопряжение в сборе и по
детально с обозначением посадок, предельных отклонений размеров, формы и
шероховатости посадочных поверхностей вала и корпуса.
2.3 Порядок выполнения
задания
. По ГОСТ 8338-75 (приложение 8 [1])
определяются основные размеры подшипника 315 средней серии d = 60 мм, D =150 мм, r = 3,5 мм, В = 35 мм.
Устанавливается вид нагружения колец подшипника: внутреннее
кольцо имеет циркуляционный вид нагружения, т.к. оно вращается относительно
неподвижной радиальной нагрузки; наружное кольцо имеет местный вид нагружения,
т. к. оно неподвижно относительно радиальной нагрузки.
Для циркуляционно нагруженного кольца
посадка выбирается по интенсивности радиальной нагрузки на посадочные
поверхности РR (Н/мм), которая определяется по уравнению:
PR=
, (2.1)
k1 -
динамический коэффициент посадки, зависящий от характера нагрузки, k1 = 1,8, т. к. перегрузка до 300%.
k2 -
коэффициент (таблица 8.5. [2]), учитывающий степень ослабления посадочного
натяга при полом вале или тонкостенном корпусе, k2=1 т. к.
вал сплошной и корпус массивный.
k3 -
коэффициент неравномерности распределения радиальной нагрузки R между рядами роликов в двухрядных конических
роликоподшипниках или между сдвоенными шарикоподшипниками при наличии осевой
нагрузки на опоре; k3 = 1, т. к. шарикоподшипник радиальный несдвоенный. При выборе
посадки соблюдаем условие
PR=
=
Условие соблюдается: PR = 751,8 Н/мм ≤ [PR] = 850 Н/мм
Для внутреннего кольца, по приложению 9 [1], поле допуска: Æ60k6 (es = +18 мкм, еi = +2 мкм), посадка Æ75
.
Для наружного кольца, по приложению 10 [1], поле допуска для
отверстия Æ150H7 (ES = +35 мкм, EI =+ 0), посадка Æ160
.
. По ГОСТ 250-89 (приложение 11 [1]) и ГОСТ 25347-82 определяем
предельные отклонения для колец подшипников:
внутреннее Æ60l0 ES = 0, EI = -15 мкм;
наружное Æ150LO es = 0, ei = -25 мкм.
3. Строится схема расположения полей допусков для сопряжения
«внутреннее кольцо-вал» и «наружное кольцо-корпус» (рис. 6).
Nmax = es - EI = 18 - (-15) =
33 мкмmin = ei - ES = 2 - 0 = 2 мкмmax = ES - ei = 35 - (-25) = 60 мкмmin = EI - es = 0 - 0 = 0 мкм
Рис. 6. Схема расположения полей допусков
посадочных размеров подшипников и сопряженных деталей
Проверяется допустимость посадки из
условия прочности внутреннего кольца на разрыв:
(2.2)
где Nдол - допустимый натяг, мм;
(
- допустимое напряжение на разрыв: для
подшипниковой стали
=40 кгс/мм2);
N' - коэффициент; для средней серии подшипников N'=2,3
При выборе и расчете посадок должно выполняться условие:
Nmax < Nдоп, (2.3)
где Nmax - наибольший натяг для
выбранной посадки, мм.
Nmax = 0.033 мм < Nдоп =0.27 мм
4. Допуски овальности и конусообразности
посадочных мест валов и отверстий корпусов под подшипники качения классов
точности 0 и 6 не должны превышать в любом сечении четвертой части допуска на
диаметр посадочной поверхностей, т.е.:
Тов.кон = ТD/4 = 16/4 = 4 мкм;
Тов.кон = Тd/4 = 35/4 = 8.75 мкм.
Устанавливаем шероховатость посадочных
поверхностей вала и отверстия в корпусе и вид обработки по приложению 3 [1]:
для вала и отверстия в корпусе Rа < 1,25 мкм;
для торцов заплечиков валов и отверстий
корпусов Rа
< 2,5 мкм.
Устанавливаем допустимое торцевое биение
заплечиков валов и отверстий корпусов по таблице 5 [1]:
торцевое биение вала не более 25 мкм;
торцевое биение отверстия в корпусе не
более 30 мкм.
. Выбор универсальных средств для
измерения размеров вала и отверстия в корпусе:
условие выбора
где
- предельная погрешность измерения
выбранным средством
измерения определяется по приложению 5
[1];
δ - допустимая погрешность измерения по ГОСТ 8.051-81
для вала: δ = ±5 мкм, средство измерения - рычажная
скоба с ценой деления 0,002 мм, настроенная по концевым мерам 3-го класса
точности (
= ±4 мкм);
для отверстия: δ = ±10 мкм, средство измерения -
индикаторный нутромер с ценой деления 0,001 и 0,002 мм, настроенный по концевым
мерам 2-го класса точности (
= ±6,5 мкм).
Технологические процессы окончательной обработки и требования
к шероховатости:
для отверстия: калибрование отверстия шариком или оправкой
после растачивания (экономический квалитет 7), Ra ≤ 0,8 мкм при
допуске формы 40% от допуска размера;
для вала: шлифование круглое чистовое (экономический квалитет
6-8),
Ra ≤ 0,4 мкм при допуске формы 40% от допуска размера
. Вычерчиваем сопряжение в сборе и пo детально (рис. 7).
Рис. 7. Обозначение посадок подшипников качения на сборочных
чертежах
3. Допуски и посадки шпоночных соединений
Цель задания: научиться
выбирать посадки шпоночных соединений, устанавливать отклонения разменов
деталей, определять в соединении зазоры и натяги, а также усвоить обозначение
посадок и предельных отклонений на чертежах.
.1 Исходные данные
диаметр вала - d =78 мм;
конструкция шпонки - призматическая.
.2 Требуется
выполнить
1. Определить основные размеры
шпонки, шпоночных пазов вала и втулки.
2. Установить допуски сопрягаемых
размеров, построить схему полей допусков, рассчитать предельные размеры,
допуски, указать виды посадок для соединений шпонка-паз вала и шпонка-паз
втулки, определить предельные зазоры и натяги.
. Установить предельные отклонения
несопрягаемых размеров, рассчитать их предельные размеры, допуски.
. Вычертить эскизы шпоночного
соединения и деталей с обозначением посадок, предельных отклонений размеров и
шероховатости поверхностей.
3.3 Порядок выполнения
задания
. Размеры шпонки, шпоночных пазов вала и
втулки определяются по ГОСТ 23360-78 (приложение 12 [1]):
b × h = 22 × 14 мм;
интервал длин от 63 до 150 мм; выбираю L = 100 мм;
глубина паза на валу t1 = 9 мм;
глубина паза во втулке t2 =5,4 мм;
радиусы закругления Rmах = 0,6 мм, Rmin = 0,4 мм.
. Посадки шпонок в пазы вала и втулки
выбираются в зависимости от условий работы и назначения соединения по таблице 6
[1].
Предельные отклонения размер» b»: шпонки h9;
паза вала N9;
паза втулки D10.
Вид соединения - нормальное по валу (при N9), свободное во втулке.
В соответствии с установленными полями допусков по размеру «b» определяются числовые
значения предельных отклонений по ГОСТ 25347-82:
по ширине шпонки 10h9: еs = 0, еi = -36 мкм,
b
= 22 мм, b
= 21,964 мм, Тв.шп =
36 мкм;
по ширине паза вала 10N9: ES = 0, EI = -36 мкм,
b
= 22 мм, b
= 21,964 мм, Тв.шп =
36 мкм;
по ширине паза втулки 10D10: ЕS = + 98 мкм, ЕI = +40
мкм,
b
= 22.098 мм, b
= 22.040 мм, Tп.вт= 58
мкм.
По полученным предельным отклонениям строится схема полей допусков
(рис. 8).
Рис. 8. Схема расположения полей допусков шпоночного соединения с
призматической шпонкой
В соединении «шпонка-паз вала» имеем посадку 10
- переходную, для чего рассчитываем:
Nmax = еs - ЕI = 0 - (-36) = 36 мкм;
Smax = ES - еi = 0 - (-36) = 36 мкм.
В соединении «шпонка-паз втулки» имеем посадку 10
- с зазором,
для неё рассчитываем:
Smax = ES - ei = 98 - (-36) = 134 мкм;
Smin = EI - es = 40 - 0 = 40 мкм.
. Предельные отклонения несопрягаемых
размеров устанавливаются по ГОСТ 23360-78 (таблица 8 [1]):
по высоте шпонки: 14h11: еs = 0, еi = -90 мкм,
h
= 14 мм, h
= 14.910 мм, Тшп = 90 мкм;
по длине шпонки: 100h14: еs = 0, еi = -620 мкм,
l
= 100 мм, l
= 99.380 мм, Тшп = 620 мкм;
по длине паза вала: 100H15: es = +1000 мкм, ei = 0;
l
= 101 мм, l
=100 мм, Тпаз.вал. = 1000 мкм;
по глубинt паза на валу t1 = 9 мм: еs = 0 мкм, еi = -200 мкм;
(d - t1)max =81,3 мм, (d - t1)min = 74,3 мм, Т(d - t1)
= 200 мкм,
по глубина паза во втулке t2 = 3.3
мм: еs = +100 мкм, еi = 0,
(d+t2)max = 83,4;
(d-t2)min = 72,6 мм, T(d
+ t2) = 100 мкм.
5. Вычерчиваются эскизы шпоночного соединения и деталей (рис.
9). Требования к шероховатости устанавливаются следующим образом: для
сопрягаемых поверхностей Rа < 2,5 мкм, для несопрягаемых Rz < 40 мкм.
Рис. 9. Эскизы шпоночного соединения в сборе и его деталей.
4. Допуски и посадки прямобочных шлицевых соединений
Цель работы: научиться
расшифровывать условные обозначения шлицевых соединений и их деталей на
чертежах, устанавливать предельные размеры деталей и оформлять эскизы шлицевого
соединения в сборе и по детально.
Исходные данные - условное обозначение шлицевого соединения
.2 Требуется выполнить
1. Расшифровать условное обозначение
шлицевого соединения.
2. Установить по таблицам ГОСТ
25347-82 или ГОСТ 25346-89 предельные отклонения по диаметрам и боковым
сторонам зубьев и впадин. Вычислить предельные размеры и построить схему
расположения полей допусков.
. Вычертить эскизы деталей
шлицевого соединения в сборе и по детально, проставить размеры с условным
буквенным и числовым обозначением отклонений, обозначить шероховатость
поверхностей.
4.3 Порядок выполнения
задания
. В шлицевых соединениях с прямобочным
профилем применяют три способа центрирования втулки относительно вала: по
внутреннему диаметру - d, по наружному - D, по боковым сторонам шлица - b.
Данное соединение центрируется по ширине
впадины втулки-b. Далее указаны 4 числа, которые последовательно обозначают:
количество шлицов z = 10, внутренний диаметр d = 92 мм, наружный
диаметр D
= 102 мм, ширину впадины втулки или толщину шлица вала b = 14 мм.
В условном обозначении указаны посадки:
- посадка по D,
- посадка по b.
Условное обозначение деталей этого соединения:
отверстия -
,
вала-
.
. В соответствии с условными обозначениями полей допусков по ГОСТ
25347-82 определяются предельные отклонения размеров D, d и b, строятся схемы расположения полей допусков (рис. 10),
вычисляются предельные размеры и заносятся в таблицу 2.
Расчет предельных размеров, отклонений размеров, предельных
зазоров и натягов:
D: 102H12 ES = +350 мкм, EI
= 0
а11 es = -410 мкм, ei = -630 мкм:
92H12 ES = +350 мкм, EI = 0
а11 es = -380 мкм, ei = -600 мкм:
14D9 ES = +93 мкм, EI = +50 мкм
Предельные
размеры, натяги и зазоры:
для D - посадка переходная: Dmax = D + ES = 102+0.35=102.35 мм
Dmin
= D + EI = 102+0=102 ммmax = d + es = 102-0,41=101,59 ммmin = d + ei = 102-0,63=101,37 ммD = ES - EI = 350-0=350 мкмd = es - ei = -410+630=220 мкмmax = ES - ei = 350+630=980 мкмmаx
= es - EI = -410-0=-410 мкм
для d - с зазором: Dmax = D + ES =92.35 мм
Dmin = D
+ EI = 92 мм= d + es = 91.62 мм= d +ei = 91.4 мм= ES -
EI =350 мкм= es - ei = 220 мкм= ES - ei =950 мкм= EI
- es = 380 мкм
для b - с зазором: Dmax = D + ES =14.093 мм
= D + EI
= 14.05 мм= d + es = 14.019 мм= d +ei = 14.001 мм= ES -
EI =43 мкм= es - ei = 18 мкм= ES - ei =92 мкм
Smin = EI - es = 31 мкм
. Вычерчиваются
эскизы поперечного сечения шлицевого соединения в сборе и по детально (рис.
10).
Требования к
шероховатости поверхностей:
по поверхностям
центрирующих диаметров - Rа < 0,63
мкм;
по поверхностям
нецентрирующих диаметров - Rа < 2,5 мкм;
по боковым поверхностям впадин втулки и шлицев вала - Rа < 1,25 мкм.
Таблица 2
|
Наименование
элементов шлицевого соединения
|
Номинальный
размер, мм и поля допусков
|
Предельные
отклонения, мкм
|
Предельные
размеры, мм.
|
|
|
верхнее
|
нижнее
|
наиб.
|
наим.
|
|
1. Центрирующие
элементы: ширина впадин отверстия толщина шлицев вала 2. Нецентрирующие
элементы: отверстие вал отверстие вал
|
14D9 14k7 92H12 92a11 102H12 102a11
|
+93 +19 +350 -380 +350 -410
|
+50 +1 0 -600
0 -630
|
14,093 14,019
92,35 91,62 102,35 101,59
|
14,05 14,001
92 91,4 102 101,37
|
Рис. 10. Схемы расположения полей допусков деталей шлицевого
сопряжения: а) по внутреннему диаметру б) по наружному диаметру Ø102
; б) по толщине шлиц 14
Рис. 11. Сборочный и подетальный эскизы
шлицевого прямобочного соединения
5. Расчет допусков
размеров, входящих в размерные цепи
Цель задания: научиться выявлять
размерные связи, составлять размерные цепи и рассчитывать допуски составляющих
звеньев методом полной взаимозаменяемости.
5.1 Исходные данные
номер чертежа - П. 1.3. [1];.
обозначение замыкающего звена - BΔ;
размер замыкающего звена - 10 ± 1,35.
5.2 Требуется выполнить
1. В соответствии с заданным
замыкающим звеном выявить размерные связи и составить схему размерной цепи.
2. Установить квалитет, определить
допуски и предельные отклонения составляющих звеньев размерной цепи методом
максимума-минимума.
. Определить допуск и предельные
отклонения корректирующего звена.
. Дать сравнительную оценку методам
расчета (полученные допуски составляющих звеньев при методе максимума-минимума
сравнить с допусками, которые могли бы получиться при вероятностном методе
расчета).
5.3 Порядок выполнения
задания
. Эскиз заданного узла представлен на рис.
П. 1.7.
По заданному замыкающему звену выявляются
составляющие звенья размерной цепи и строится схема размерной цепи (рис. 12).
Правильность построения схемы размерной
цепи и назначения номинальных размеров звеньев проверяются по уравнению:
BΔ =
Bi
ув -
Bi ум, (5.1)
BΔ = (84+250+30+23+40) - (30+352+35) =10
2. Решаем прямую задачу способом
назначения допусков одного и того же квалитета, методом максимума-минимума.
Квалитет устанавливается по коэффициенту «а», который
рассчитывается по уравнению:
, (5.2)
где ТBΔ - допуск замыкающего звена;
n - 1 - число составляющих
звеньев;
q - число составляющих
звеньев, допуски которых требуется определить;
i - единица допуска.
Уравнение (5.2) используется, когда
допуски некоторых составляющих звеньев предварительно известны.
Единицу допуска рассчитывают по уравнению:
, (5.3)
для размеров до 500 мм, где
где Еi max и Еi min - крайние значения интервалов размеров, к
которым относятся номинальные размеры Еi.
B6cp = B5cp=B1 cp =
= 23,24 мм;
B2 cp =
= 355 мм; B4cp = B3 ср =
= 38,73 мм; B7 ср =
= 212,13 мм; B8 ср =
= 97,98 мм;
i1 = i5 = i6 =0,45
+ 0,001· 23,24=1,52 мкм2 = 0,45
+ 0,001· 355 = 6,74 мкм=
i3= 0,45
+ 0,001·
38,73=1,91 мкм7=0,45
+0,001*212,13 =4,81 мкм
i8 = 0,45
+ 0,001· 97,98 = 3,05 мкм
а ср =
По полученному значению аср и по таблице 2 [1] выбираю
11 квалитет.
В соответствии с установленным квалитетом по ГОСТ 25346-89
определяются допуски и предельные отклонения составляющих звеньев (кроме одного
- корректирующего): для охватывающих размеров - как для основного отверстия (ЕI = 0), для охватываемых - как для основного вала (еs = 0).
B1 = B6 = 30 мм es = 0 мкм, ei = -130 мкм, ТВ1 =TB6 =130 мкм
B3= 35 мм es = 0 мкм, ei = -160 мкм, ТВ3 = 160
мкм
B4= 40 мм es = 0 мкм, ei = -160 мкм, ТВ4 = 160
мкм
B7 = 250 мкм es = 0 мкм, ei = -290 мкм, ТВ7 = 290
мкм
. Корректирующее звено (B2) является уменьшающим,
поэтому предельные отклонения определяются по уравнениям:
, (5.4)
, (5.5)
Правильность определения допуска и предельных отклонений
корректирующего звена проверяется по формуле
(5.6)
мкм
1270=1270 верно
Проверка показала то, что допуск и
отклонения корректирующего звена определены верно.
. Сравнительная оценка методам расчета
дается по коэффициенту расширения допусков составляющих звеньев - τ:
посадка зазор допуск вал
, (5.7)
Допуски составляющих размеров при вероятностном методе не могут
быть расширены, т.к. τ < 1.
Литература
1. Кофанов А.Е., Рогов В.Е. Метрология, стандартизация и
квалиметрия. Оренбург: Издательский Центр ОГАУ, 2000.
2.
Серый И.С. Взаимозаменяемость, стандартизация и технические измерения. М.:
Машиностроение, 1986.
3. Мягков В.Д. и др. Допуски и посадки. Справочник, ч. 1. -
Л.: Машиностроение, 1982.
. Мягков В.Д. и др. Допуски и посадки. Справочник, ч. 2. -
Л.: Машиностроение, 1983.
. ГОСТ 25347-82. Единая система допусков и посадок. Поля
допусков и рекомендуемые посадки. - М.: Издательство стандартов, 1983.
. ГОСТ 7.32-91 Отчет о научно-исследовательской работе.
Структура и правила оформления. - М.: Издательство стандартов, 1991.
7.
ГОСТ 2.105-95 Общие требования к текстовым документам. - М.: Издательство
стандартов, 1995.