|
A
|
|
- управление
клавиатурой ( - 0 - режим на вывод )
|
|
B
|
|
- не
используется
|
|
C
|
|
(Вывод) -
использование 1- 3 разряда (- 0 - на вывод)
|
|
C1
|
Y1
|
|
C2
|
Y2
|
|
C3
|
Y3
|
|
|
Y4 - формирование внутреннего ЦАП (ADUC812)
|
|
|
|
4.
Разработка электрической - принципиальной схемы и выбор элементной базы
Для выполнения необходимых функций разрабатываемого
контролера, его структурная схема (Рис.4.1) включает следующие аппаратные средства:
. Микропроцессорный блок или блок МК
. Блок оцифровки
. Модуль управления и вывода
Микропроцессорный блок или блок МК.
Микропроцессорный блок должен содержать центральны процессор
(ЦП) на базе ОЭВМ ADUC812, тактовый генератор, узел сброса МПС в начальное состояние
(как при включении питания, так и при нажатии кнопки “Сброс”), шинные
формирователи и буферные регистры (для хранения младшей части адреса),
энергонезависимая ОЗУ. Структурная схема блока МК представлена на рисунке
Рисунок 5 - Структурная схема блока МК
Микроконтроллер ADuC812 имеет вычислительное ядро, основанное на Intel
8051 - как следствие, ему присуща архитектура MCS51, схожее распределение
памяти, схожие регистры и т.п. Помимо вычислительного ядра в микроконтроллер
входит:
8-и канальный аналого-цифровой преобразователь (АЦП)
2-х канальный цифро-аналоговый преобразователь (ЦАП).
3 16-разрядный таймера (счетчика)
EEPROM данных размером 640 байт. Имеет страничную организацию - 160
страниц по 4 байта. EEPROM - это энергонезависимая память, стираемая
электрически.
Flash память программ размером 8 килобайт. Flash-память тоже
энергонезависима и стирается электрически, но в отличие от EEPROM она позволяет
стирать информацию только всю сразу или целыми большими блоками. Это, а также
ее относительная дешевизна, по сравнению с EEPROM, сделали Flash-память
идеальной для хранения редко меняемых, но часто используемых программ. В
стенде, в этой памяти хранится загрузчик программ пользователя (в виде
скомпилированных исполняемых файлов) во внешнюю память.
ОЗУ данных (256 байт)
Контроллер SPI/I2C (специальные последовательные протоколы передачи
данных, для обмена ими между микроконтроллером и периферией).
UART - специальное устройство, преобразующее данные из параллельной формы
в последовательную (и наоборот).
4-линейный параллельный порт для отлова прерываний, исполнения
обязанностей счетного входа и т.п. Имеет свой блок из четырех
DIP-переключателей (расположен в верхнем правом углу стенда), замыкающих выводы
порта на корпус - нужно для генерации прерываний, счета импульсов.
- Порты P0, P1, P2, P3 микроконтроллера ADuC812 являются
квазидвунаправленными портами ввода-вывода и предназначены для обеспечения
обмена информацией микроконтроллера с внешними устройствами, образуя 32 линии
ввода-вывода. Каждый из портов содержит восьмиразрядный регистр, имеющий
байтовую и битовую адресацию для установки (запись «1») или сброса (запись «0»)
разрядов этого регистра с помощью программного обеспечения. Выходы этих
регистров соединены с внешними ножками микросхемы. Кроме работы в качестве
обычных портов ввода-вывода внешние выводы портов Р0-Р3 могут выполнять ряд
дополнительных (альтернативных) функций.
Порт P0 может быть использован для организации шины адреса/данных при
работе микроконтроллера с внешней памятью данных или программ, при этом через
него выводится младший байт адреса (A0-A7), выдается из микроконтроллера или
принимается в микроконтроллер байт данных.
Порт P1 - аналоговые входы.
Порт P2 может быть использован для организации шины адреса при работе
микроконтроллера с внешней памятью данных или программ, при этом через него
выводится старший байт адреса (A8-A15) для доступа к памяти программ; средний и
старший байт адреса (A8 - A15, A16 - A23) для доступа к памяти данных.
Рисунок 6 - Условное графическое изображение ADUC 812
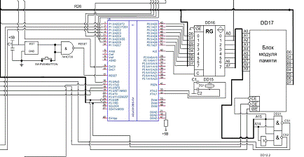
Регистр-защелка младшего байта адреса.
В виду того, что порт Р0 работает в мультиплексном режиме,
выводит младший байт адреса, а также выдает и принимает в микроконтроллер байт
данных при работе с внешней памятью программ/данных и устройствами ввода -
вывода. Регистр-защелка хранит младший байт адреса, и управляется сигналом ALE
- строб адреса внешней памяти, выводиться из микроконтроллера с частотой в 6
раз меньше основной частоты синхронизации.
Нулевой уровень сигнала на входе ЕА сообщает ОЭВМ, что мы
работаем с внешней памятью программ (согласно ТЗ на КП в контроллере необходимо
использовать внешний модуль памяти объёмом 2Кх8).
Для реализации регистра - защёлки выбираем выполненный по
биполярной технологии буферный регистр с потенциальным управлением КР555ИР22
(рис. 5.3). Основой микросхемы является 8-разрядный регистр-защелка со
статическим синхронным входом «С». Запись данных в регистр разрешена при С=1. В
противном случае регистр находится в режиме хранения. На выходе регистра
имеется буфер с тремя состояниями, управляемый сигналом OE# (Output Enable).
Если управляющий сигнал OE# активен, то данные регистра передаются на выход
микросхемы. При OE#=1 выходной буфер закрыт и находится в состоянии с большим
сопротивлением. Буфер обеспечивает выходной ток до 0,026А и емкость нагрузки до
300пФ [2].
Рисунок 7 - Условное графическое изображение МС КР555ИР22
Зарубежным аналогом данной микросхемы может послужить
микросхема серии 74 ALS, и при необходимости вполне допустима замена.
Также необходимо реализовать кнопку «Сброса»(Reset), которая реализована на
супервизоре питания.
Супервизоры питания микроконтроллеров используются в различных
приложениях, но две основные задачи, которые они позволяют решать - следующие:
. Удержание контроллера в состоянии сброса до тех пор, пока
напряжение питания не достигнет заданного значения и не стабилизируется (POR).
. Сброс контроллера при снижении напряжения питания ниже
критического уровня или при внутренних функций, по сравнению с супервизором.
. Ток потребления внешнего супервизора в сотни раз меньше по
сравнению с потреблением при подключении внутренней функции BOR и POR, что
связано в первую очередь с технологией производства микроконтроллеров и
аналоговых микросхем. Помимо описанных функций, супервизоры могут
использоваться в качестве сторожевого таймера (WDT) для контроля выполнения
времени программы, а также для организации так называемого «оконного» режима. В
последнем случае используется два супервизора: один непосредственно для сброса
контроллера, а второй - для выявления факта снижения напряжения, чтобы иметь
возможность корректно сохранить данные в промежуток времени перед перезагрузкой
процессора.
При разработке схемы будет использован супервизор MCP1316.
Рисунок 8 - Принципиальная схема супервизора MCP1316.
Также необходимо реализовать энергонезависимую память. Одной
из самых современных технологий энергонезависимых ячеек памяти является - FRAM, Для курсового проекта
была выбрана микросхема FM18L08.
FM18L08 - энергонезависимая память емкостью 256 кбит,
выполненная по сегнетоэлектрической технологии. Сегнетоэлектрическое
оперативное запоминающее устройство или FRAM является энергонезависимым и
выполняет операции чтения и записи подобно ОЗУ. Оно обеспечивает надежное
хранение информации в течение 10 лет, при устранении проблем связанных со
сложностью проектирования, невысокой надежностью хранения информации и
функциональным несовершенством ОЗУ с резервным питанием. Кроме того, скорость
записи и износостойкость выше, чем других типов энергонезависимой памяти.
Функционирование внутри системы FM18L08 очень похоже на
работу ОЗУ. Минимальная длительность цикла чтения равна минимальной
длительности цикла записи. Память FRAM, при этом, обладает энергонезависимостью
хранения данных благодаря применению сегнетоэлектрической технологии памяти. В
отличие от статических ОЗУ с резервным батарейным питанием (BBSRAM) FM18L08
является действительной монолитной энергонезависимой памятью. Она обеспечивает
те же преимущества по быстродействию записи, при этом исключены проблемы,
связанные с применением модулей и батарей или гибридной памяти.
Данные возможности делают FM18L08 идеальным для приложений с
энергонезависимым хранением информации, где требуется частая и быстрая запись
данных при параллельном формате данных.
Доступность корпусов для поверхностного монтажа улучшает
качество новых разработок, при этом корпус DIP позволит просто модернизировать
существующие разработки. Для FM18L08 выполнение характеристик гарантируется во
всем промышленном температурном диапазон -40°C … +85°C.
Рисунок 9 - Цоколевка FM18L08.
Отличительные особенности:
Энергонезависимое сегнетоэлектрическое ОЗУ (FRAM) емкостью
256 кбит
Организация памяти 32768 x 8
Неограниченное количество циклов чтение/запись
Срок хранения информация 10 лет
Отсутствуют задержки при записи (NoDelay™)
Продвинутая высоконадежная сегнетоэлектрическая технология
Малая потребляемая мощность
Назначение портов ОЭВМ.
Через порт Р0 организуем мультиплексированную двунаправленную
шину данных и адреса (младший байт). Порт Р2 настраиваем на вывод старшего
байта адреса. Порт Р3 настраиваем на выполнение альтернативных функций, причем
будут использоваться все разряды порта. Через порт Р1 будем реализована
индикация. Назначение выводов портов Р0- Р3 сведено в таблицу 1.
Разработка дешифраторов.
Для того чтобы создать дешифраторы, надо
распределить адреса всем нашим устройствам.
Вся серия MCS-51 имеет гарвардскую архитектуру, то есть
раздельные адресные пространства памяти программ и данных. Структура адресного
пространства ОЭВМ MCS-51 представлена на рисунке 5.6.
Память программ имеет 16-ти битовую адресную шину, ее
элементы адресуются с использованием счетчика команд (РС) или инструкций,
которые вырабатывают 16-ти разрядные адреса.
Рисунок 10 - Пространство памяти ОЭВМ.
Память программ доступна только по чтению. ОЭВМ не имеют команд и
управляющих сигналов, предназначенных для записи в память программ. Память
программ имеет байтовую организацию и общий объем до 64.
При выборке из внешней памяти программ всегда используется 16-ти
битовый адрес, младший байт которого выдается через порт Р0, а старший байт -
через порт Р2 ОЭВМ. Байт из внешней памяти программ вводится в ОЭВМ через порт
Р0, который в этом случае используется как шина адреса / данных в режиме
мультиплексирования.
Объем внутренней (резидентной) памяти программ, располагаемой
на кристалле ADUC812, имеет объем 8К (базовый кристалл). Доступ к внутреннему или
внешнему ПЗУ определяется значением сигнала на выводе ЕА (External Access):
EA=Vcc (напряжение питания) - доступ к внутреннему ПЗУ;
EA=Vss (потенциал земли) - доступ к внешнему ПЗУ.
Строб чтения внешнего ПЗУ -
(Program Store Enable)
генерируется при обращении к внешней памяти программ и является неактивным во
время обращения к ПЗУ, расположенному на кристалле.
Область нижних адресов памяти программ используется системой
прерываний. Архитектура микросхемы ADUC 812
обеспечивает поддержку пяти источников прерываний:
· двух внешних прерываний;
· двух прерываний от таймеров;
· прерывания от последовательного порта.
Внутренняя память данных ОЭВМ состоит из двух областей: 128
байт оперативной памяти (ОЗУ) с адресами 0-7FН и области регистров
специальных функций, занимающей адреса 80Н-FFН. Распределение
пространства внутренней памяти данных показано на рисунке5.7
Рисунок 11 - Адресное пространство внутренней памяти данных
Физически внутреннее ОЗУ данных и область регистров
специальных функций являются отдельными устройствами.
Все ячейки внутреннего ОЗУ данных могут адресоваться с
использованием прямой и косвенной адресации. Кроме того, внутреннее ОЗУ данных
имеет следующие особенности.
Младшие 32 байта внутреннего ОЗУ данных сгруппированы в
четыре банка по восемь регистров в каждом. Команды программы могут обращаться к
регистрам, используя их имена R0-R7. Два бита PSW (указатели банка рабочих регистров RS0 и RS1) определяют, с
регистрами какого банка производится манипуляция. Наличие такого механизма
работы с ячейками ОЗУ позволяет экономить память программ, так как команды,
работающие с регистрами R0-R7, короче команд, использующих прямую адресацию.
Следующие после банков регистров внутреннего ОЗУ данных 16
байт (адреса 20Н-2FН) образуют область ячеек, к которым возможна побитовая адресация.
Обращение к внутреннему ОЗУ данных всегда осуществляется с использованием 8-ми
разрядного адреса. При включении питания содержимое ОЗУ будет иметь случайное
значение.
ОЭВМ имеет 16 битную шину адреса, то есть максимально может
адресовать 65 536 адресов это 64 К. В это адресное пространство включаются
микросхемы ОЗУ,ППИ, МБР. Поэтому мы и должны разработать дешифраторы. Выделяем
адресные пространства под наши микросхемы. В данном курсовом я разделяю 64 К на
3 части под ОЗУ выделяем 32 К адресов, а под ППИ и МБР по 16 К.
Разработка дешифратора для ОЗУ
Мы выделили 32К под ОЗУ с адреса 0000h по 7FFFh, в этом диапазоне может
работать наше ОЗУ. Наш начальный диапазон начинается с адреса 0000h, а как можно заметить
оставшиеся модули начинается с адреса 8000h и в двоичной системе
представляется как
h = 1000 0000 0000 0000 b
То есть разница между начальным адресом модуля Озу и
оставшимся модулями заключается лишь в разряде A15 адресной шины, так как
для работы нашего ОЗУ на вход CS надо заводить 0, а все наши адреса находятся в
диапазоне при А15=0, то схема дешифратора будет проста мы просто заводим А15 на
СS ОЗУ.
Разработка дешифратора для ППИ
Как видно из рисунка 5.8, оставшиеся 32К мы поделили между
ППИ и МБР.
То есть под ППИ выделяем 16К с адреса 8000h по BFFFh.
h = 1000 0000 0000 0000 b
BFFFh = 1011 1111 1111 1111 b
То есть разница между при А15=1, А14= 0
выбираем ППИ;
Причем для настройки работы каналов ППИ надо выделить 4
адреса.
Выделяем следующие адресные входы для настройки работы ППИ:
h - A0, канал А ППИ
h - A1, канал В ППИ
h - A2, канал С ППИ
h - A3, канал РУС ППИ
Дешифратор получился следующий
Рисунок 12 - Дешифратор для ППИ
Как видно из Рисунка 12 используется при разработке
дешифратора микросхему К555ЛА3 ее описание идет ниже цоколёвка на Рисунке 13.
Рисунок 13 - Цоколевка К555ЛА3
Так же при разработке всех дешифраторов были использована
микросхема К555ЛН1 ее цоколевка представлена на рисунке 14.
Рисунок 14 - Цоколевка К555ЛН1
Разработка дешифратора для МБР
Как видно из предыдущего пункта оставшиеся 16К адресов
отводятся под МБР, с адреса С000h по FFFFh при А15=1, А14=1 выбираем
МБР, и дешифратор будет иметь следующий вид, представлен на рисунке 15.
Рисунок 15 - Дешифратор для МБР
Как видно из рисунка можно использовать при разработке
дешифратора микросхему К555ЛА3 ее описание идет выше цоколёвка на Рисунке 13.
Блок оцифровки
Для вывода средней температуры на индикаторы, должен находиться датчик
температуры. Текущее значение температуры с помощью АЦП будет преобразовываться
в цифровой код и выводится на индикатор.
Рисунок 16 - Структурная схема блока оцифровки температуры
· TД - термодатчик;
· ИОН - источник опорного напряжения
· МУ - масштабируемый усилитель;
· АЦП - 8-разрядный аналогово-цифровой преобразователь;
Для нашей автоматической системы необходимы высокоточные датчики
способные оценивать температуру в широком диапазоне. В эти критерии отлично
входит термодатчик AD22100AT.
AD22100AT - самый недорогой из всех
выпускаемых в мире температурный датчик с аналоговым выходом и точностью
измерений 22.5 милливольт / ° C.
Плюсом данного датчика является рабочий диапозон температур он равен -50
°C +150 °C.
Высокая точность, низкая цена и простота датчика обеспечивают их
идеальную применимость в данном курсовом проекте.
Термодатчик AD22100AT измеряет температуру окружающей
среды и вырабатывает на выходе напряжение, пропорциональное градусам Цельсия.
Датчик температуры AD22100АT измеряет температуру окружающей среды и
вырабатывает на выходе напряжение, пропорциональное градусам Цельсия.
Чувствительность составляет 22,5 мВ/°C
Выходное напряжение на датчике при максимальной температуре 70°С
составит:
(1)
Принимаем
V=+5В, тогда Vout=1375мВ+22.5
мВ/°C*70°C = 2950мВ=2,95В
Данный термодатчик подходит по требуемым характеристикам и имеет
небольшую цену.
Рисунок 17 - Изображение термодатчика
Для температурных датчиков требуется ИОН на 5В. В качестве требуемого ИОН
будет использована микросхема MAX 675.
Рисунок 18 - Типичная схема включения ИОН MAX 675.
- это источник опорного напряжения на 5Vс с начальной точностью 0.15%.
ИОН представляет отличную температурную устойчивость (температурный дрейф
12.0ppm/ C), низкий ток утечки и низкий шум.
Операционный усилитель К140УД18
Операционный усилитель - усилитель постоянного тока с
дифференциальным входом и, как правило, единственным выходом, имеющий высокий
коэффициент усиления. ОУ почти всегда используются в схемах с глубокой
отрицательной обратной связью, которая, благодаря высокому коэффициенту
усиления ОУ, полностью определяет коэффициент передачи полученной схемы.
Данный операционный усилитель подходит по требуемым
характеристикам и имеет наименьшую цену в своём классе.
Рисунок 19 - Условное изображение усилителя К140УД18
Блок аналого-цифрового преобразователя
АЦП
в ADUC 812 построен на основе быстродействующего (скорость
выборок 200К/с), высокоточного 12-разрядного преобразователя ADC,
способного оцифровывать входной аналоговый сигнал в диапазоне от 0 до величины
напряжения источника опорного напряжения (VREF).
Блок имеет как внутренний источник опорного напряжения 2,5 Вольта, так и
возможность подключения внешнего источника. На вход АЦП можно последовательно
коммутировать внешние аналоговые сигналы от 8 каналов ввода AIN0-AIN7,
выбирая их программно при помощи мультиплексора. Ещё один канал аналогового
ввода - от внутреннего термодатчика, дающий полноценную возможность измерения
температуры и построения системы управления температурой. Запуск начала
преобразования может быть синхронизирован с внешним событием с помощью входного
сигнала
(Converter Start). Завершение преобразования
отражается установкой флага внутреннего прерывания ADCI (ADC Interrupt).
Блок
цифро-аналогового преобразователя (ЦАП) обеспечивает преобразование сигналов из
дискретной формы в аналоговую. Диапазон аналогового выхода - от 0 до величины
напряжения источника опорного напряжения (VREF).
Аналоговые выходы выведены на внешний разъём стенда для реализации возможности
управления аналоговым объектом. Другой вариант: можно с помощью переключателей SW1.1
и SW1.2 с коммутировать их на аналоговые входы AIN0
и AIN1 с целью изучения работы каналов аналоговых сигналов
или отладки управляющих программ в режиме имитации.
Диапазон входных напряжений АЦП составляет от 0 до + VREF. Для этого диапазона смена кодов
происходит посередине соответствующего кванта (т.е. 1.2 LSB, 3/2 LSB, 5/2 LSB,
.... , FS - 3/2 LSB). Выходной код - прямая в двоичном коде с 1LSB=FS4096 или
2.5/4096=0.61 Мв при VREF=2.5В. Идеальная передаточная функция показана на рисунке:
Рисунок 20 - Идеальная передаточная функция
Управление и настройка АЦП осуществляется
при помощи 3 SFR регистров. Результат преобразования в 12 битном формате записывается
ADCDATAH/L. В первые четыре бита
регистра ADCDATAH записывается биты выбора канала. Формат слова результата
следующий:
Рисунок 21 - Запись регистров ADCDATAH/L
ADCCON1 (адрес SFR EFh) - регистр управляет
преобразованием, временем переключения, режимом преобразования,
токопотреблением устройства.
Таблица 4 - Описание битов регистра ADCCON1
|
7-6
|
MD1 MD0
|
Два бита выбирают режима
АЦП MD1 MD0 Режим 0 0 дежурный 0 1 нормальный 1 0 дежурный,
если не выполняется цикл преобразования 1 1 холостой, если не выполняется
цикл преобразования
|
|
5-4
|
CLK1 CLK0
|
Биты деления тактовой
частоты. Устанавливают коэффициент деления основной частоты, используемой для
генерирования частоты работы АЦП CLK1 CLK0 Делитель 0 0 1 0 1 2
1 0 4 1 1 8
|
|
3-2
|
AQ1 AQ0
|
Биты задержки переключения
выбирают время, необходимое для перезарядки УВХ при переключении
мультиплексора. AQ1 AQ0 Число тактов задержки 0 0 1 0 1 2 1 0 3 1 1 4
|
|
1
|
T2C
|
Бит запуска преобразования
от Таймера 2. Если бит установлен, то сигнал переполнения Таймера 2
используется для АЦП
|
|
0
|
EXC
|
Бит разрешения внешнего
запуска. Если бит установлен, то разрешен внешний запуск от низкого уровня на
контакте 23(CONVST). Активный низкий уровень должен поддерживаться на
контакте не менее 100 нс
|
Таблица 5 - Описание битов регистра ADCCON2
|
7
|
ADCI
|
Бит прерывания АЦП.
Устанавливается аппаратно в конце каждого цикла преобразования или в конце
передачи блока данных в режиме прямого доступа к памяти. Сбрасывается
аппаратно после перехода процессора на процедуру обработки прерывания.
|
|
6
|
DMA
|
Бит разрешения прямого
доступа к памяти. Устанавливается пользователем для начала операции передачи
в режиме прямого доступа к памяти.
|
|
5
|
CCONV
|
Бит разрешения циклического
преобразования. В этом режиме АЦП после того как преобразование закончилось,
начинает следующие преобразование. Параметры работы АЦП должны быть заранее
сконфигурированы.
|
|
4
|
SCONV
|
Бит однокристального
преобразования Устанавливается пользователем для инициализации однократного
цикла преобразования. После того, как цикл завершился, этот бит автоматически
сбрасывается в 0
|
|
3-0
|
CS3 CS2 CS1 CS0
|
Биты выбора канала
Позволяют пользователю программно выбирать номер канала, для которого будет
осуществляется преобразование. Для режима прямого доступа номер канала будет
зависеть от идентификатора во внешней памяти. CS3 CS2
CS1 CS0 Номер входных каналов 0 0 0 0 0 0 0 0 1 1 0 0 1
0 2 0 0 1 1 3 0 1 0 0 4 0 1 0 1 5 0 1 1 0 6 0 1 1 1 7 1 0 0 0
Температурный сенсор 1 1 1 1 Остановка КПД (DMA)
|
Таблица 6 - Описание битов регистра ADCCON3
|
7
|
BUSY
|
Флаг занятости ЦАП (только
для чтения). Устанавливается аппаратно на время цикла преобразования или
калибровки. Автоматически сбрасывается ядром в конце преобразования или
калибровки.
|
|
6-0
|
|
Биты зарезервированы для
дальнейшего использования
|
Блок управления и вывода
С помощью Блока Управления оператор получает возможность
управлять работой МПС: запускать ее и останавливать, выдавать значение
некоторых уставок (констант), снимать информацию о состоянии объекта и т.п.
Пульт управления должен содержать следующие элементы:
. Клавиатуру с 16 клавишами шестнадцатеричного кода (O - F) и
три командные клавиши:
· УСТАВКА(INSTALL),
· ВЫВОД (OUTPUT)
· ОСТАНОВ (BREAK);
3. Светодиодные индикаторы для отображения сигналов
X1,...,X4;
. Узел аварийной сигнализации световой с частотой 2 Гц;
Так как, мы подключаем ППИ, и на его основе формируем
клавишный пульт, выходные данные, данные от цифровых датчиков, и аварийная
сигнализация. Запрос прерывания будет формировать от МБР.
Рисунок 22 - Структурная схема блока управления и вывода
· ППИ- параллельного интерфейса КР580ВВ55;
· ИОН - источник опорного напряжения
· ЦАП - цифро-аналоговый преобразователь;
· МБР -многобуферный регистр;
· МУ - масштабируемый усилитель;
· ШФ - шинный формировать;
· ЦД - цифровые датчики;
· АС - аварийная сигнализация;
· DC МБР - дешифратор кода
для МБР (разработаны в блоке МК);
· DC ППИ - дешифратор кода
для ППИ (разработаны в блоке МК);
БИС программируемого параллельного интерфейса КР580ВВ55
предназначена для организации ввода/вывода параллельной информации различного
формата и позволяет реализовать большинство известных протоколов обмена по
параллельным каналам. БИС параллельного программируемого интерфейса (ППИ) может
использоваться для сопряжения микропроцессора со стандартным периферийным
оборудованием (дисплеем, телетайпом, накопителем).
Режим работы каждого из каналов ППИ программируется с помощью
управляющего слова. Управляющее слово может задать один из трех режимов:
основной режим ввода/вывода (режим 0),
стробируемый ввод/вывод (режим 1),
режим двунаправленной передачи информации (режим 2).
Одним управляющим словом можно установит различные режимы
работы для каждого из каналов.
Разработка клавишного пульта
Так как в курсовом проекте требуется реализовать клавишный
пульт на 16 кнопок и по причине нехватки портов МК, будет использоваться канал
А ППИ и использован метод сканирования. В этом случае ключи (кнопки) клавиатуры
или датчики объединяются в матрицу и располагаются на пересечении строк и
столбцов матрицы, реализация клавишного пульта с использованием данного метода
и примененного в нашем курсовом идет ниже на Рисунке 25.
Рисунок 24 - Функциональная схема подключения клавиатуры
Для того что бы сформировать клавишный пульт необходимо
подключить дешифратор кода, в данном случаи используем микросхему К555ИД4.
Микросхема представляет собой сдвоенный
дешифратор-мультиплексор 2 в 4 с общими входами дишифрируемого кода и
раздельным управлением шинами разрешения.
Эта микросхема может быть использована в качестве двойного
дешифратора 2 в 4. двойного де мультиплексор а 1 в 4. дешифратора 3 в 8 и де
мультиплексор а 1 в 8.
Рисунок 25 - Цоколёвка К555ИД4
Также для того что бы определять нажата ли кнопка
используется мультиплексор (MS), выбираем микросхему К155КП5.
Микросхема представляет собой селектор-мультиплексор на
восемь каналов.
Рисунок 26 - Цоколёвка К155КП5
Подключение кнопок «Уставка», «Останов», «Вывод»
Микросхема К589ИР12 (МБР) используется нами для подключения
кнопок «Уставка», «Останов», «Вывод». Схема подключения кнопок
представлена ниже на рисунке 28.
Рисунок 27 - Функциональная схема подключения кнопок
«Установка», «Вывод», «Останов».
Микросхема К589ИР12 - многорежимный буферный регистр (МБР),
является универсальным 8-разрядиым регистром с выходами, имеющими три состояния.
Он имеет встроенную логическую схему и независимый триггер для формирования
запроса на прерывание центрального процессора. Одни или несколько МБР могут
использоваться для реализации многих типов интерфейсных и вспомогательных
устройств, включая: простые регистры данных; буферные регистры со
стробированием данных; мультиплексоры; двунаправленные шинные формирователи;
прерываемые каналы ввода/вывода и др.
Условное графическое обозначение микросхемы приведено на
рисунке 28 назначение выводов на рисунке 29.
Рисунок 28 - Условное графическое обозначение К589ИР12
Рисунок 29 - назначение выводов К589ИР12
Микросхема состоит из восьми информационных D-триггеров,
восьми выходных буферных устройств с тремя устойчивыми состояниями, отдельного
D-триггера для формирования запросов на прерывание и гибкой схемы управления
режимами работы регистра.
Информационные D-триггеры повторяют входную информацию при
высоком уровне входного сигнала MD и (CS1 - CS2) = 1, а также при EW=1 и MD=0,
при низком уровне сигнала на входе EW и (CS1 - CS2)=1 при MD=0 происходит
хранение входной информации. Выходы каждого информационного триггера соединены
с выходными буферными каскадами с тремя устойчивыми состояниями. Внутренняя
шина выдачи информации РВ стробирует каждый выходной буферный каскад. При
наличии лог. 1 на шине РВ выходные буферные каскады разблокированы и данные
поступают на выход соответствующей линии выходных данных (Q1-Q8). Условие
выработки появления сигнала: PB=MDV CS1-CS2. Внутренняя шина записи информации
W стробирует каждый триггер регистра. При наличии лог. 1 на шине происходит
запись информации в триггер с соответствующих входных информационных шин
(D1-D8). Условие появления сигнала: W=EW ٨ MDV
MD-CS1*XCS2. Информация в триггерах МБР обнуляется асинхронно входным сигналом
CLR.
В МБР управляющими входами являются CS1, CS2, MD и EW. Эти
входы используются для управления выборкой устройства, информацией регистра,
состоянием выходных буферных каскадов и триггером запроса на прерывание.
Выборкой кристалла управляют входы CS1 и CS2. При наличии лог.
0 на входе CS1 на лог. 1 на входе CS2 устройство выбрано. Сигнал выборки
кристалла (CS1, CS2) используется как синхросигнал для асинхронной установки
состояния выходных буферных каскадов регистра и триггера запроса прерывания.
Вход MD(выбор режима) определяет одни из двух режимов работы.
При наличии лог. О на входе MD устройство работает в режиме ввода. В этом
режиме, выходные буферные каскады открыты, когда устройство выбрано. Управление
записью осуществляется сигналом по входу EW.
При наличии лог. 1 на входе MD устройство работает в режиме
вывода. В этом случае выходные буферные каскады открыты независимо от выборки
устройства.
Вход EW используется как синхросигнал для записи информации в
регистр при MD = 0 и для синхронной установки триггера запроса прерывания.
Триггер запроса прерывания служит для выработки сигнала
запроса прерывания в процессорной системе. При установке системы в исходное
состояние низким уровнем сигнала CLR триггер запроса прерывания устанавливается
в 1, т. е. данное устройство не требует прерывания. Одновременно этим же
сигналом происходит установка регистра в 0. Принято, что МБР находится в
состоянии прерывания, когда выходу INR соответствует лог. 0, что позволяет
обеспечить прямое соединение с входами запроса блока приоритетного прерывания.
При работе в режиме ввода (т. е. на входе MD сигнал низкого уровня) входной
сигнал EW производит запись информации в регистр данных и установку триггера
запроса в 0. Триггер запроса прерывания устанавливается в 1 при условии выбора
устройства (также вырабатывается сигнал прерывания на выходе 1NR).
Для того чтобы сформировать разрешающий сигнал на вход С МБР,
необходимо завести сигналы от кнопок «Уставка», «Останов», «Вывод» и сигнал Q от мультиплексора, мы
используем микросхему К555ЛА1.
Микросхема представляет собой два логических элемента 4И-НЕ.
Рисунок 30 - Цоколёвка К555ЛА1
Блок цифровых датчиков и сформированных выходных данных
Приблизительная реализация данного блока представлена на
рисунке
Рисунок 31 - Функциональная схема подключения цифровых
датчиков и формирование выходных сигналов
Данная Функциональная схема формируется на одной микросхеме
шинном формирователи (К555АП5), цифровые датчики формируются на основе кнопок
КМП8-4, данные кнопки использованы и для построения клавишного пульта и кнопок
«Уставка», «Вывод», «Останов».
Описание данных кнопок приведено ниже. Разрешающий сигнал на
считывание цифровых датчиков поступает с 7 контакта порта Р2. Сигналы выходные
то есть Y1-Y3 поступают c ППИ, а Y4 преобразуется в
аналоговый вид в ADUC812.
Описание микросхемы К555АП5;
Микросхема К555АП5 - два 4-канальных буферных усилителя с
тремя состояниями на выходе, формирует цифровые сигналы, усиливает импульсы по
току. Для вывода будем использовать только верхние 4 разряда, поэтому на
контакт 1 заведем Землю.
Рисунок 32 - Цоколевка К555АП5
Блок Аварийной сигнализации
По заданию задана аварийная световая сигнализация, которая
должна управляться микроконтроллером, но та как портов нам значительно не
хватает, мы подключили ППИ, и с него мы будем управлять работой аварийной
сигнализации. Функциональная схема подключения аварийной сигнализации
представлена на Рисунке 33.
Рисунок 33 - Функциональная схема подключения аварийной
сигнализации
Схема электрическая принципиальная
Общая схема принципиальная представлена в приложение А, а в
данном разделе будет представлено схемы электрические принципиальные для
каждого блока.
Блок Микропроцессора, его схема электрическая принципиальная
представлена на рисунке 34.
Рис. 34 - Схема электрическая принципиальная для
микропроцессорного блока
Блок ввода и оцифровки.
Рисунок 35 - Принципиальная схема.
Расчет коэффициента усиления и номиналов резисторов.
В термодатчике AD22100АT напряжение 1,375В соответствует 0
, а напряжение 3,625В - 100
.
Таблица 4 - Расчёт сопряжения термодатчика и МК.
|
Начальное
значение
|
Конечное
значение
|
Описание
|
|
1,375 В
|
3,625 В
|
Напряжение с
датчика
|
|
3,781 В
|
10 В
|
После усилителя
|
|
96 бит
|
255 бит
|
С АЦП
|
|
0 100 На МК
|
|
|
|
Для сигнала с
датчика 1 бит = 0,039157 В
|
|
Для значения
температуры 1 бит = 0,635
|
Таким образом, формула для преобразования значений
температуры выглядит следующим образом:
Пример преобразования значения температуры с термодатчика в
температуру для отображения на МК.

1,375*2,75 = 3,781/0,039157 = 96,56*0,635 = 62,316-62 = 0,316

3,625*2,75 = 9,967/0,039157 = 254,539*0,635 = 161,632 - 62 = 99,6
Рисунок 36 - Операционный усилитель
R29 =
35 кОм
Отсюда следует, что R30 = R33 = R36 = 20 кОм,
Наиболее подходящие резисторы из ряда номиналов для рассчитанных
R-МЛТ - 0,125 - 20кОм ± 5%
R29 = R32 = R35 = 35 кОм, R31 = R34 = R37 = 78,6 мкОм.
Наиболее подходящие резисторы из ряда номиналов для рассчитанных
R-МЛТ - 0,125 - 75мкОм ± 10%
Блок Управления и вывода
Его схема электрическая принципиальная представлена на
рисунке 38.
Рис. 38 - Принципиальная схема пульта управления и вывода….
Расчет номиналов резисторов
Наиболее подходящие резисторы из ряда номиналов для
рассчитанных
R-МЛТ - 0,125 - 1кОм ± 5%
R5 = 1750 Ом
Наиболее подходящие резисторы из ряда номиналов для
рассчитанных
R-МЛТ - 0,125 - 1.8кОм ± 10%
Наиболее подходящие резисторы из ряда номиналов для
рассчитанных
R-МЛТ - 0,125 - 1.6мОм ± 10%
5. Описание работы
системы управления
Работа МПС в данном случае сводится к выполнению следующих действий:
1. После подачи питания, или нажатия
кнопки Reset идет включение обработки считывания
показаний с датчиков температуры.
2. Управляя работай коммутатора и
моментом считывания АЦП записывать данные с датчика в ячейку памяти.
3. После считывания показаний от всех
датчиков вычисление заданной булевой функции.
4. Перейти в состояние ожидания до
начала следующего цикла считывания данных с АЦП.
5. после получения прерывание от
аварийного датчика, должны быть выполнены следующие действия.
· включить на ПУ аварийную сигнализацию;
· записать в энергонезависимую память текущие значения
содержимого регистров микропроцессора
· перевести МПС в состояние ожидания. Выход МПС из состояния
ожидания обеспечивается сигналом СБРОС.
. после получения прерывание от оператора: сигнал INT2 должен
формироваться при нажатии на одну из клавиш УСТАВКА, ВЫВОД или ОСТАНОВ, или
клавиши на клавишном пульте. Программная обработка прерывания INT2 должна
включать:
· опрос клавиатуры и определение кода нажатой клавиши;
· ввод уставки последовательным нажатием клавиш O - F после
нажатия клавиши УСТАВКА;
· перевод системы в состояние ожидания в случае нажатия клавиши
ОСТАНОВ.
Работа МПС в данном случае сводится к выполнению следующих действий:
1. При включении оборудования или
нажатия на кнопку «RESET» необходима
инициализация устройства и опрос всей периферии.
2. После нажатия на кнопку «УСТАВКА»,
необходимо считать с клавиатуры необходимую комбинацию.
3. необходимо считывания показаний с
датчиков температуры
4. Управляя работой коммутатора,
считываем показание определенного датчика температуры, а при помощи АЦП
записываем данные с датчика в ячейку памяти.
5. После считывания показаний от всех
датчиков вычисление заданной булевой функции
6. Перейти в состояние ожидания до
начала следующего цикла считывания данных с АЦП.
7. После получения прерывание от
аварийного датчика, должны быть выполнены следующие действия:
· включить на ПУ аварийную сигнализацию;
· записать в энергонезависимую память текущие значения содержимого
регистров микропроцессора
· перевести МПС в состояние ожидания. Выход МПС из состояния
ожидания обеспечивается сигналом СБРОС.
13. После получения прерывание от оператора: сигнал INT2 должен
формироваться при нажатии на одну из клавиш УСТАВКА, ВЫВОД или ОСТАНОВ, или
клавиши на клавишном пульте. Программная обработка прерывания INT2 должна
включать:
· опрос клавиатуры и определение кода нажатой клавиши;
· ввод установки последовательным нажатием клавиш O - F после
нажатия клавиши УСТАВКА;
· перевод системы в состояние ожидания в случае нажатия клавиши
ОСТАНОВ.
6.
Расчет потребляемого тока и разработка блока питания
Расчет по мощности
Данные расчеты по току и мощности являются очень важными при
разработки блока питания. Данный расчет сводится в одну таблицу (Табл. 6)
Таблица 6 - расчет потребляемой мощности
|
Микросхема
|
Кол-во
|
Напряжение
питания
|
Потребляемый
ток (мА)
|
Потребляемая
мощность (мВт)
|
|
МК-51: АТ89С51
|
1
|
5
|
20
|
100
|
|
АЦП: К1113ПВ1
|
1
|
15
|
10
|
50
|
|
Анал. Коммут. HI-508A
|
1
|
5
|
7
|
35
|
|
ОЗУ: FM18LO8
|
1
|
5
|
15
|
75
|
|
ППИ: КР580ВВ55
|
1
|
5
|
60
|
300
|
|
регистр:
К555ИР22
|
1
|
5
|
40
|
200
|
|
ШФ: К555АП5
|
1
|
5
|
46
|
230
|
|
МБР: К589ИР12
|
1
|
5
|
130
|
650
|
|
дешифратор:
К555ИД4
|
1
|
5
|
10
|
50
|
|
мультиплексор
К155КП5
|
1
|
5
|
43
|
215
|
|
ЦАП: MAX505
|
1
|
5
|
10
|
50
|
|
ИОН: MAX873
|
1
|
5
|
8
|
40
|
|
КН.СБРОС: МСP1316
|
1
|
5
|
|
|
|
дешифратор:
К514ИД1
|
1
|
5
|
7,5
|
37,5
|
|
2 элем. 4 ИЛИ НЕ: К555ЛА4
|
1
|
5
|
4
|
20
|
|
6 элем. НЕ: К555ЛН1
|
1
|
5
|
7
|
35
|
|
|
Всего:
|
717,5мА
|
3587,5 мВт
|
Разработка блока питания
К разрабатываемому блоку питания (рисунок 34) предъявляется
следующее требование: обеспечение выходных напряжений +5 В (ток 1243 мА), +15 В
(ток 15 мА) и -15 В (ток 15 мА). Схема блока показана на рисунке 20. Его
основу составляет трансформатор T. Сетевая обмотка трансформатора подключается к бытовой сети
переменного тока (U=220В, F=50Гц). На первой вторичной обмотке генерируется напряжение U21=10В, а на второй U22=20В. Напряжение на
первой вторичной обмотке получаются исходя из формулы: UII = B*Uн, где Uн - требуемое постоянное
напряжение на нагрузки; UII - переменное напряжение, которое должно быть на
вторичной обмотке сетевого трансформатора; В - коэффициент, зависящий от тока
нагрузки, который определяется по таблице в [14].
Отсюда U21 = 2,4*5 В = 12 В (для тока нагрузки 2 А).
Определим максимальный ток, текущий через каждый диод
выпрямительного моста: IД = 0,5*С*Iн, где IД - ток через диод, А; Iн - максимальный ток
нагрузки, А; С - коэффициент, зависящий от тока нагрузки, который определяется
по таблице в [14].
Получим IД = 0,5*1,5*2 = 1,5 А.
Подсчитаем обратное напряжение, которое будет приложено к
каждому диоду выпрямителя: Uобр = 1,5*Uн, где Uобр - обратное напряжение, В; Uн - напряжение на
нагрузке, В.
Тогда, Uобр = 1,5*5 В = 7,5 В.
В соответствии с этими данными выберем диоды:
КД202Б (Iпр = 3А; Uобр = 50 В; Uпр = 1 В).
Определим емкость конденсатора фильтра:
Сф=Iн*dU / (2*Fc),
где Iн - ток, потребляемый нагрузкой источника, dU-пульсации напряжения
(принято 5мВ), Fc=50Гц - частота напряжения в обмотке. Получаем С1=97 мкФ.
Выбирается конденсатор К50-35 - 100 мкФ.
В качестве конденсатора С5 используется КД1 - 0,1 мкФ.
Напряжение с выхода фильтра поступает на вход ИМС DD1 интегрального
стабилизатора 142ЕН5А (Iпр.max==3А, Uст=5В), с выхода которой снимается стабильное
напряжение +5В.
Вторая вторичная обмотка имеет вывод средней точки, что
используется для получения двуполярного напряжения. Диодный мост, построенный
на VD5-VD8 (Д7А: Iпр.max=0.3А, Uобр=50В, Uпр=0,4В), электролитические
конденсаторы С3, С4 (К50-35 - 50 мФ) и блокировочные конденсаторы С6,C7
(КД1-0,1 мФ) выбираются по тем же принципам, что и для пяти вольтовой цепи. Для
стабилизации напряжения применяется простейшая схема параметрического
стабилизатора на стабилитроне VD9 (VD10 - для -15В). Параметры этого стабилитрона
(типа Д814Д) следующие: Uст=15В, Iст=25мА. Рассчитать номиналы балластных резисторов R1 и R2 можно по следующей
формуле:
R = (0,9*U2-(2*Uпр+ Uст)) / (Icc+Iст), где
U2=20В - напряжение на вторичной обмотке
трансформатора; Uпр=0,5В - падение напряжения на диоде VD5-VD8 при прямом включении, Icc-ток, потребляемый нагрузкой,
Iст-ток стабилизации
стабилитрона.
Расчет дает R1 = 75 Ом, R2 = 82 Ом.
Рисунок 39 - Схема источника питания МПС
7.
Разработка программного обеспечения системы
;Текст управляющей программы
;Определение имен
;***************************************
RUS_PPIEQU8003h_A_PPI EQU 8000h_B_PPIEQU 8001h_C_PPIEQU
8002h_MBREQU C000h ;адрес МБРEQU 20h6EQU 21h
X7EQU22h
BUF_1 EQU 23h ;Данные для ССИ
BUF_2 EQU 24h ;EQU 25H
;**************************************
;Стартовый адрес 0000h
ORG
0000h
AJMP INIT ;Обход
векторов прерываний
;***************************
ORG
0003h ;INT 0
AJMP Avar_Dat ;Переход на П/П обработки прерыв. от
авар датчика
ORG
000Bh ;Вектор прерывания от Т/С0
RETI;
;
;0013h ;INT1MBR1 001Bh
;Вектор прерыв. От Т/С 1
AJMP PULT ;Переход на
п/п сканирования клавиатуры
;
;
;0023 ;От UART
;************************** 0030h
INIT:MOV DPTR,# RUS_PPI ;Адрес регистра РУС в ДПТР
MOV A,#10001000b ;Канал А - 0 режим,
MOVX @DPTR,A;Управляющее слово в à РУС
;Зададим режим работы порта P3
MOV P3,#111111100b
MOV P1,#10000000b ;P1.7-выключить шинник, вкл. Индикаторы
MOV TCON,#00000101b ;настроим прерывания INT1 и INT0 по фронту
MOV IP,#00000001b ;Приоритет от датчика выше чем от
клавиатуры
MOV SP,#OFh ; Начало стека
MOV IE,#00001101b;Запретить прерывание от Т\С 0
;Зададим режим работы Т\С 1 на время срабатывания 10 мсек
MOV TMOD,#10h ;1 режим работы Т\С 1
MOV TH1,#D8hTL1,#F0h TMOD,
#01H
;
SETB TR1 ; Установим
бит, включим в работу Т\С 1
SETB EA ; Разрешим
прерывания
;******************
CYCLE:CALL X1_X4 ; п\п считывания и вычисления У1
СALL ACP; п\п Опроса АЦП
CALL Q2
;Проверить прошло ли 0,5 секунды?
;Если прошло 0,5с то
AJMP B0
;Если не прошло 0,5 то формируем задержку:
;п\п задержки на 0,5 с
MOV R7,#50
CALL DELAY
B0:CALL MBR
JNB ACC.2,L2;Проверим клавишу «Останов» Нажата
или нет.
AJMP CYCLE
;если «Останов» нажата то:
L2:CLR EA;Запрет прерываний
MOV PCON,#01h ;Переход системы в режим холостого
хода
;*******************
;Далее тексты подпрограмм
;********************************
;п\п чтения порта на базе МБР;
MBR:MOV DPTR,#C000hA,@DPTR
;********************************
;********************************
;п\п обработки прерывания INT1
MBR1:
;
;
;
;********************************
;********************************
; п\п считывания X1,X2,X3,X4 и вычисления У1
X1_X4:CLR P1.7 ;Открыть ШФ
MOV DPTR,#8002h ;Адрес канала С,PPI
MOV A,@DPTR ;в аккумулятор содержимое цифровых
датчиков
;Далее вычислениеX1*(X2+X3)*X4, при T =100
MOV C,ACC.4 C,ACC.5C,ACC.6C,ACC.7 ; C = Y1 C,M1 ;переход если
С=1
RET
;Возврат из подпрограммы если У1 = 0
M1:MOV A,#00000111b ; 3
разряд порта С в 1 состояние
MOV DPTR,#8003h@DPTR,A
;Задержка в 100мс
MOV R7,#10
CALL DELAY
;*********A,#0000110b@DPTR,A
;********************************
;********************************
;п\п Задержки с использование Т\С 0, на T=10мс (входной ;параметр в R7) Общая задержка равна T*R7
DELAY:MOV TH0,#D8hTH0,#F0h TR0 ; Запуск Т\С 0
Wait:JNB TF0,Wait ;цикл
ожидания
CLR TR0TF0R7,DELAY
;********************************
;********************************
; п\п Опроса АЦП:MOV R4,#3 R2,#11111100b
MOV R0,#20h ; Начальная обл.Озу где хранить
оцифр. Данные
L0:MOV P3,R2 ; Выключили
АЦП, выбрали следующий канал
CLR P3.4 ;включили АЦП
L1:JB P3.5,L1
MOV A,P0P3.4 ;Выключили АЦП@R0,AR0R2 R4,L0
RET
;********************************
;********************************
;П/П обработки прерыв. от авар датчика
Avar_Dat: MOV IE, #0h ;
Запретить все прерывания
;Сохранить регистры в энергонезависимой памяти
MOV DPTR, #0000h ; Начало области сохранения;
MOV A,PSW@DPTR, ADPTRA,DPH@DPTR, ADPTRA,DPL@DPTR, A DPTR
MOV R0, #00h ; Сохранять регистры с адреса 0
MOV R1, #01Fh ;По адрес 01F
;Цикл сохранения
SAVE:MOV A, @R0
MOVX @DPTR, ADPTRR0 R1, SAVE
;Выводим значения x1x2x3x4 на дисплей
CALL DISPLEY
; Включить световую сигнализацию Частота 2Гц
M2:MOV DPTR,#K_C_PPI;
MOV A,@DPTR;
CPL A.0 ;Инвертируем
бит сигналки
MOV R7,#2DELAYM2 ; Зациклим
;********************************
;********************************
;п/п сканирования клавиатуры
PULT:
RET
;********************************:R0,#21HA,#25HR1,@R0A,R1R2,AA,#22HR3,AA,R3MET0A,#22HR4,AMET1:MOVX
A,#21H:MOV R5,ABUF_1,R5A,#00HBUF_2,A DISPL
RET
;********************************
;п/п вывода данных на ССИ
DISPLEY:MOV A,BUF_1A,#F0h
;включить 0 разряд индикатора
CLR ACC.6 ; Включить 0
разряд индикатора
MOV P1,A
ACALL Zad ; задержка для
свечения индикатора
MOV A,BUF_1
SWAP A ; обмен
тетрадами внутри аккумулятора (A[3-0]):=(A[7-4])
ORL A,#F0h
CLR ACC.5 ; Включить 1
разряд индикатора
MOV P1,AZadA,BUF_2 A,#F0h
CLR ACC.4 ; Включить 2
разряд индикатора
MOV P1,AZadP1,#FFh
; задержка для свечения индикатора
ZAD:MOV R6,#FF
Z:NOP;выполняет холостой ход
NOP
DJNZ R6,Z ;переход если в R6 не 0
микропроцессорный сигнал блок программный
Заключение
В данном курсовом проекте была разработана микроконтроллерная система для
управления некоторым объектом.
Разработка управляющей микропроцессорной системы состоит из следующих
этапов разработки аппаратной части МПС и разработки программного обеспечения.
Результатом первого этапа разработки является принципиальная
электрическая схема МПС. В процессе этого этапа первоначально была разработана
структурная схема МПС и произведен выбор элементной базы для построения МПС.
Также, было проверено согласование по электрическим параметрам элементов,
подключенных к системной шине. Также подсчитана потребляемая мощность всей МПС.
На втором этапе был разработан алгоритм управления, который затем был
реализован в виде программы на ассемблере для микроконтроллеров семейства
МК-51. Все алгоритмов и разработанное ПО обеспечивает полноценную взаимосвязь
устройств.
Список литературы
1. Григорьев В.Л. Программное обеспечение
МПС. М.: Энергоатомиздат,1983.
2. Левентоль Л. Введение в
микропроцессоры. - М.: Мир, 1983.
3. Микропроцессоры. - 3 тома, под
редакцией Преснухина Л.Н. - М.: Высшая школа, 1986.
4. Алексенко А.П. и др. Проектирование
радиоэлектронной аппаратуры на микропроцессорах, 1983.
5. Соботки, Я. Стари. Микропроцессорные
системы, М.: - 1981.
6. Дж. Хилбурн , П. Джулич. Микро-ЭВМ и
микропроцессоры, М.: Мир,1979.
7. Дж. Кофрон. Технические средства МПС,
М.: Мир - 1978.
8. Микропроцессоры и микропроцессорные
комплекты интегральных микросхем: Справочник. В 2 томах. Н.Н. Аверьянов и др.;
Под ред. В.А. Шахнова. - М.: радио и связь, 1988. - 1 том - 368 стр. 2 том -
368 стр.
9. Щелкуов Н.Н., Дианов А.П..
Микропроцессорные средства и системы, - М.: Радио и связь, 1989. - 287 стр.
10.Федорков Б.Г.,
Телец В.А.. Микросхемы ЦАП и АЦП: функционирование, параметры, применение \ М.:
Энергоатомиздат, 1990.-320 стр.
11.Г. Гибсон,
Ю-Чжен Лю. Аппаратные и прораммные средства микро-ЭВМ. - М.: Финансы и
статистика, 1083.
12.М. Рафикузаман.
Микропроцессоры и машинное проектирование МПС \ в 2 книгах. - М.: Мир, 1988.
13.Б.А. Калабеков.
Микропроцессоры и их применение в системах передачи и обработки сигналов. - М.:
Радио и связь, 1988.