Разработка микропроцессорной системы управления РТК на базе вертикально–фрезерного станка 6Р13Ф3-37

  • Вид работы:
    Курсовая работа (т)
  • Предмет:
    Информатика, ВТ, телекоммуникации
  • Язык:
    Русский
    ,
    Формат файла:
    MS Word
    513,08 Кб
  • Опубликовано:
    2013-05-03
Вы можете узнать стоимость помощи в написании студенческой работы.
Помощь в написании работы, которую точно примут!

Разработка микропроцессорной системы управления РТК на базе вертикально–фрезерного станка 6Р13Ф3-37

Министерство образования и науки РФ

Московский Государственный Машиностроительный Университет «МАМИ»

Кафедра: «Автоматика и процессы управления»








Курсовой проект

На тему

Разработка микропроцессорной системы управления РТК на базе вертикально-фрезерного станка 6Р13Ф3-37

Задание на курсовую работу

.     Построение определение последовательности операций для изготовления заданной детали на станке 6Р13Ф3-37

.     Разработка диаграмм операций

.     Выбор датчиков и исполнительных механизмов

.     Разработка модели управляющей системы в виде сети Петри

.     Разработка математической модели

.     Разработка алгоритма управляющей программы

.     Разработка управляющей программы для микроконтроллера

Содержание

вертикальный фрезерный станок микропроцессор

Введение

.       Основные характеристики производственного оборудования

1.1 Вертикально-фрезерный станок 6Р13Ф3-37

1.2   Промышленный робот типа Универсал-51

.       Структурная схема микропроцессорной системы управления РТК

.       Технологическая схема РТК на базе вертикально-фрезерного станка и промышленного робота манипулятора

.       Привязка датчиков и исполнительных механизмов к портам микропроцессора

.1     Схема подключения технологического оборудования к микропроцессору

.       Технологическая карта производственного процесса

.       Построение временных циклограмм технологических операций

.       Первичное описание алгоритма функционала технологического объекта

.       Промежуточное описание алгоритма управления объектом в виде системы конъюнктивных секвенций

.       Граф-схема алгоритма, реализующая систему конъюнктивных секвенций

.       Управление программы в системе команд микроконтроллера МКП-1

Заключение

Список литературы

Введение

Автоматизация технологических процессов является одним из эффективных путей повышения производительности труда на предприятии.

Автоматизация осуществляется посредством автоматизированных роботизированных технологических комплексов (РТК).

Роботизированный технологический комплекс (РТК) - совокупность единиц технологического оборудования, промышленного робота и средств оснащения, автономно функционирующая и осуществляющая многократные циклы.

Система управления РТК предусматривает использование микропроцессорных средств и должна обеспечивать взаимосвязанную работу всех элементов системы.

Применение микропроцессорных средств в составе системы управления технологическим оборудованием позволяет оперативно изменять технологический процесс на одном и том же оборудовании, тем самым обеспечивая выпуск широкой номенклатуры изделий.

В данной курсовой работе разрабатывается микропроцессорная система управления (МСУ) объектом, по его технологической схеме. В качестве объекта управления используется вертикально-фрезерный станок модели 6Р13Ф3-37

Современное оборудование проектируется с использованием микропроцессорной техники. В частности, работа производственного оборудования контролируется микроконтроллерами. В данной работе рассматривается система управления фрезерным станком на базе микроконтроллера МКП-1.

Программируемый микроконтроллер типа МКП-1 предназначен для циклового двухпозиционного программного управления манипуляторами и промышленным технологическим оборудованием.

Технологический процесс контролируется датчиками. Сигналы, поступающие от датчиков, обрабатываются микроконтроллером МКП-1 и передаются на исполнительные механизмы.

Конечной целью работы является составление программы управления технологическим процессом в системе команд МКП-1.

В процессе составления программы выполняются такие этапы проектирования, как:

o  первичное описание функционирования объекта управления в виде графа операций (ГО)

(этап алгоритмического проектирования);

o  промежуточное описание алгоритма в виде систем секвенций (этап логического проектирования);

o  алгоритм управления в виде граф-схемы алгоритмов.

Программируемый микроконтроллер МКП-1 предназначен для циклового двухпозиционного программного управления промышленным технологическим оборудованием.

Областью наиболее эффективного применения микроконтроллера МКП-1 является управление роботизированными технологическими комплексами, автоматическими линиями и участками в условиях серийного и мелкосерийного производства, когда требуется развитое программно-логическое управление, оперативная смена управляющих программ и когда использование стандартных средств вычислительной техники экономически нецелесообразно ввиду их высокой стоимости и сложности.

Ввод программ в микроконтроллер и их отладка, а так же управление режимами работы осуществляется с клавиатуры встроенного пульта управления, состоящей из 17 клавиш, одна из которых, обозначенная буквой «Р», является клавишей режима работы, а остальные клавиши - от «0» до «F» - информационные, предназначенные для ввода кодов в шестнадцатеричной системе счисления.

Вся информация вводится в микроконтроллер с клавиатуры пульта управления и выводится на встроенный однострочный цифровой дисплей в шестнадцатеричной системе счисления.

Питание микрокотроллера осуществляется от источника переменного напряжения ~220V. Сохранение управляющей программы в памяти микроконтроллера при отключении основного источника питания обеспечивается встроенными элементами питания типа А316, на которых построено энергонезависимое запоминающее устройство микроконтроллера (ЭНЗУ).

Основным режимом работы МКП-1 является автоматический режим, предназначенный для управления технологическим оборудованием в соответствии с алгоритмом, реализованным в виде управляющей программы, записанной в ЭНЗУ.

1.  
Основные характеристики производственного оборудования

1.1 Вертикально-фрезерный станок 6Р13Ф3-37

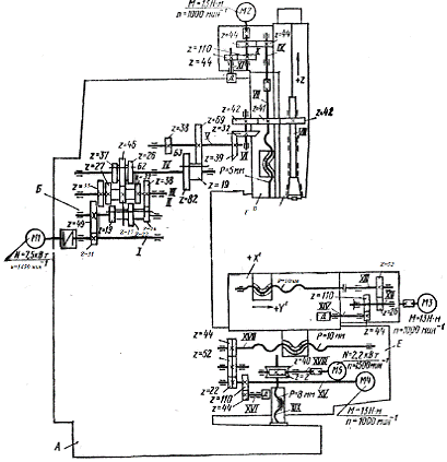
Кинематическая схема

Основные механизмы и движения

Базой станка является станина А, имеющая жесткую конструкцию за счет развитого основания и большого числа ребер. По вертикальным направляющим корпуса станины движется консоль Е (установочное перемещение). По горизонтальным (прямоугольного профиля) направляющим консоли перемещается в поперечном направлении механизм стол-салазки Д (подача по оси Y'), а по направляющим салазок в продольном направлении - стол (подача по оси X'). В корпусе консоли смонтированы приводы поперечной и вертикальной подачи, а в корпусе салазок - привод продольной подачи. Главное движение фреза получает от коробки скоростей Б. В шпиндельной головке В установлен привод вертикальных перемещений ползуна Г по оси Z.

Кинематика станка

Главное движение. Шпиндель VIII получает вращение от асинхронного электродвигателя M1 (N = 7,5 кВт, n= 1450 мин-1) через коробку скоростей с тремя передвижными блоками зубчатых колес Б1, Б2, Б3 и передачи z = 39-39, z = 42-41-42 в шпиндельной головке. Механизм переключения блоков обеспечивает получение 18 частот вращения и позволяет выбирать требуемую частоту вращения без последовательного прохождения промежуточных ступеней.

Уравнение кинематической цепи для минимальной частоты вращения шпинделя:

мин-1

Инструмент в оправке крепят вне станка с помощью сменных шомполов. Оправка имеет наружный конус 50 и внутренний конус Морзе № 4.

Для крепления инструмента с конусами Морзе № 2 и 3 применяют сменные втулки. Зажим инструмента осуществляется электромеханическим устройством. Смазывание подшипников и зубчатых колес коробки скоростей осуществляется от плунжерного насоса, расположенного внутри коробки скоростей.

Движения подач. Вертикальная подача ползуна со смонтированным в нем шпинделем осуществляется от высокомоментного двигателя М2 (М = 13 Н*м, n = 1000 мин-1) через зубчатую пару z = = 44-44 и передачу винт-гайка качения VII с шагом Р = 5 мм. Предусмотрено ручное перемещение ползуна. На валу XI установлен датчик обратной связи -трансформатор типа ВТМ-1В.

Поперечная подача салазок осуществляется от высокомоментного двигателя М4 (М = 13 Н*м, n = 1000 мин-1), через беззазорный редуктор z = 22-52-44 и винт-гайку качения XVII с шагом Р = 10 мм. Зазор в косозубых цилиндрических колесах 1, 3 и 5 редуктора устраняют шлифованием полуколец 2 и 4, устанавливаемых между колесами 3 и 5.

Продольная подача стола происходит от высокомоментного электродвигателя М3 через беззазорный редуктор z = 26-52 и винт-гайку качения XIII с шагом Р = 10 мм. В редукторах продольного и поперечного перемещений установлены датчики обратной связи - трансформаторы типа ВТМ-1В. Зазор в направляющих стола и салазок выбирают клиньями. Зазор в передачах винт-гайка качения устраняют поворотом обеих гаек в одну сторону на нужное число зубьев.

Вспомогательные движения. Специальными шестигранными выводами можно производить ручные перемещения по координатам X' и Y'. Установочная вертикальная подача консоли осуществляется от электродвигателя М5 (N = 2,2 кВт, n = 1500 мин-1) через червячную пару z = 2-40 и ходовой винт XIX.

Основные технические характеристики станка 6Р13Ф3

размеры рабочей поверхности стола, мм 400х1600

Наибольшая масса детали, устанавливаемой

на столе станка (вместе с приспособлением), кг 400

Частота вращения шпинделя, мин-1 50-2500

Мощность привода главного движения, кВт 11

Перемещение стола, мм:

продольное (ось Х) 1010

поперечное (ось Y) 400

вертикальное (ось Z) 250

установочное (ось Z) 600

Подача по всем координатным осям, мм/мин 3-6000

Количество управляемых координат 3

Габариты станка, мм 3350х4170х3150

Масса станка с электро- и гидрооборудованием, кг, не более 6580

1.2 Промышленный робот типа «Универсал-5»

В качестве манипулятора для разрабатываемой системы управления РТК выбираем промышленного робота модели «Универсал-5».

Многоцелевые роботы типа «Универсал-5» применяются для автоматизации погрузочно-разгрузочных работ, обслуживания различного технологического оборудования, межоперационного транспортирования объектов обработки и выполнения других вспомогательных операций.

Исполнительным механизмом ПР является манипулятор, который обеспечивает установку в пределах рабочей зоны захватного механизма-схвата. Манипулятор имеет четыре степени подвижности руки 1 в сферической системе координат:

-поворота руки относительно вертикальной оси, чтобы обеспечить перемещение заготовки от накопителя к станку;

-выдвижения руки относительно горизонтальной оси, чтобы перемещать заготовку непосредственно к шпинделю станка;

-подъема руки вдоль вертикальной оси, чтобы компенсировать возможную разницу высот расположения заготовок в накопителе и шпинделя станка;

- поворота кисти манипулятора вокруг горизонтальной оси, для переворота заготовки.

Две степени подвижности рабочего органа-схвата 7 создают механизмы 6 вращения кисти руки относительно ее продольной оси III-III и поперечной оси IV-IV.


Установочные перемещения руки осуществляются с помощью электромеханических следящих приводов, а ориентирующие движения кисти руки и зажим - разжим схвата - пневмоцилиндрами.

ПР комплектуется певмоблоком, блоком тиристорных электроприводов и устройством программного управления. Пневмоблок регулирует подачу сжатого воздуха из заводской сети и блокирования работы манипулятора при падении давления ниже допустимого. Блок тиристорных электроприводов, формирует управляющие напряжения в якорной цепи электродвигателей постоянного тока. Устройство программного управления позиционного типа имеет возможность записи программы в режиме обучения (по первому циклу) и формирует управляющие сигналы, а также технологические команды управления циклом работы манипулятора и обслуживаемого оборудования. Максимальный диаметр объекта манипулирования 170мм.

Основные технические характеристики промышленного робота «Универсал 5»

Грузоподъемность

5 кг

Число степеней подвижности

6

Наибольшая величина перемещения:


- вокруг вертикальной оси I-I

340°

- вдоль оси I-I

400 мм

- вдоль горизонтальной оси III-III

630 мм

- вокруг вертикальной оси II-II

240°

- вокруг оси III-III

180°

- вокруг оси IV-IV

180°

Наибольшая скорость:


- вокруг оси I-I поворота.

84°/с

- вертикального хода руки вдоль оси I-I

0,27 м/с

- выдвижение руки вдоль оси III-III

1.08 м/с

- поворота руки вокруг оси II-II

132°/c

Точность позиционирования

±1 мм

Масса

690 кг


2.Структурная схема микропроцессорной системы управления РТК


БП - блок питания

МКП - программируемый микроконтроллер

МСУ - микропроцессорная система управления

.    
Технологическая схема РТК на базе вертикально-фрезерного станка и промышленного робота-манипулятора


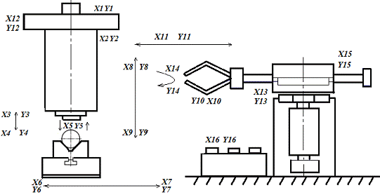
4. Привязка датчиков и исполнительных механизмов к портам микроконтроллера

Для подключения промышленного робота-манипулятора и станочного оборудования к микроконтроллеру используются порты, в частности: E-порты датчиков и Z-порты нагрузок.

E-порты датчиков

X1

Датчик привода главного движения M1

Е00

X2

Датчик привода подач M2

Е01

X3

Датчик крайнего верхнего положения фрезы

Е02

X4

Датчик крайнего нижнего положения фрезы

Е03

X5

Датчик начала/окончания операции фрезерования

Е04

X6

Датчик крайнего левого положения стола

Е05

X7

Датчик крайнего правого положения стола

E06

X8

Датчик крайнего верхнего положения руки манипулятора

E07

X9

Датчик крайнего нижнего положения руки манипулятора

E08

X10

Датчик схвата заготовки манипулятором

E09

X11

Датчик подвода/отвода манипулятора

E0A

X12

Датчик перехода в начальное состояние станка

E0B

X13

Датчик перехода в начальное состояние манипулятора

Е0C

X14

Датчик поворота руки робота

Е0D

X15

Датчик включения/выключение манипулятора

Е0E

X16

Датчик фиксации детали в кассете на конвеере

E0F

X17

Цикловой пуск системы

E10


Z-порты нагрузок (Исполнительные механизмы)

Y1

Управление привода главного движения (электродвигатель M1)

Z00

Y2

Включение привода рабочих подач (электродвигатель M2)

Z01

Y3

Крайнее верхнее положение фрезы

Z02

Y4

Крайнее нижнее положение фрезы

Z03

Y5

Начало/завершение опреации фрезерования шпоночного паза

Z04

Y6

Крайнее левое положение стола

Z05

Y7

Крайнее правое положение стола

Z06

Y8

Крайнее верхнее положение руки манипулятора

Z07

Y9

Крайнее нижнее положение руки манипулятора

Z08

Y10

Схват руки манипулятора

Z09

Y11

Подвода/отвод руки манипулятора

Z0A

Y12

Переход станка в исходное состояние (индикация)

Z0B

Y13

Нахождение манипулятора в исходном состоянии (индикация)

Z0C

Y14

Поворот руки робота на 90 градусов

Z0D

Y15

Включение/выключение робота

Z0E

Y16

Фикация обработанной детали в кассете

Z0F

Y17

Переходёё системы на цикловой пуск работы

Z10


4.1 Схема подключения технологического оборудования к микроконтроллеру


.    
Технологическая карта производственного процесса

Момент времени t

Операции

Срабатывание датчиков, X

Исполнительные меанизмы, Y



Начальный момент, tн

Конечный момент, tк

Начальный момент, tн

Конечный момент, tк

t0

Станок находится в исходном состоянии

X12,X13

X12,X13

Y12,Y13

Y12,Y13

t1

Запуск привода главного движения, передача вращения шпинделю

X1

X1

Y1

Y1

t2

Включение робота на время цикла обработки

X15

X15

Y15

Y15

t3

Опускание руки робота к конвееру с заготовками

X8

X9

Y8

Y9

t4

Взятие заготовки рукой манипулятора

X10

X10

Y10

Y10

t5

Перемещение руки робота в крайнее верхнее положение

X9

X8

Y9

Y8

t6

Продольное перемещение стола вправо

X6

X7

Y6

Y7

t7

Подвод руки манипулятора к столу

X11

X11

Y11

Y11

t8

Опускание руки робота к тактовому столу

X8

X9

Y8

Y9

t9

Установка заготовки на столе

X9, X10

X9

Y9, Y10

Y9

t10

Продольное перемещение стола с заготовкой влево

X7

X6

Y7

Y6

t11

Запуск привода подач. Вертикальная подача ползуна с вмонтированным шпинделем.

X2

X2

Y2

Y2

t12

Подвод режущего инструмента к заготовке

X3

X4

Y3

Y4

t13

Обработка шпоночного паза фрезерованием

X5

X5

Y5

Y5

t14

Подъем фрезы в крайнее верхнее положение

X4

X3

Y4

Y3

t15

Продольное перемещение стола вправо

X6

X7

Y6

Y7

t16

X10

X10

Y10

Y10

t17

Поворот руки на 90 градусов

X10, X14

 X10

Y14

Y10

t18

Установка детали на столе

X9, X10

X9

Y9, Y10

Y9

t19

Продольное перемещение стола влево

X7

X6

Y7

Y6

t20

Опускание фрезы в крайнее нижнее положение

X3

X4

Y3

Y4

t21

Обработка второго паза фрезерованием

X5

X5

Y5

Y5

t22

Подъем фрезы в крайнее верхнее положение

X4

X3

Y4

Y3

t23

Продольное перемещение стола вправо

X6

X7

Y6

Y7

t24

Захват детали рукой робота

X10

X10

Y10

Y10

t25

Поворот руки на 90 градусов

X10, X14

 X10

Y14

Y10

t26

Установка детали на столе

X9, X10

X9

Y9, Y10

Y9

t27

Продольное перемещение стола влево

X7

X6

Y7

Y6

t28

Опускание фрезы в крайнее нижнее положение

X3

X4

Y3

Y4

t29

Обработка третьего паза

X5

X5

Y5

Y5

t30

Подъем фрезы в крайнее верхнее положение

X4

X3

Y4

Y3

t31

Перемещение стола вправо

X6

X7

Y6

Y7

t32

Захват рукой обработанной детали

X10

X10

Y10

Y10

t33

Перемещение руки манипулятора c захваченной деталью в крайнее верхнее положение

X9, X10

X8, X10

Y9, Y10

Y8, Y10

t34

Отвод руки манипулятора

X11, X10

X11, X10

Y11, Y10

Y11, Y10

t35

Опускание руки манипулятора в крайнее нижнее положение

X9, X10

X8, X10

Y9, Y10

Y8, Y10

t36

Фиксация обработанной детали в кассете, отключение схвата руки ПР

X16

X16

Y16

Y16

t37

Возврат манипулятора в исходное положение

X9

X8, X13

Y9

Y8, Y13

t38

Продольное перемещение стола влево

X7

X6

Y7

Y6

t39

Возврат системы в исходное состояние

X12


Y12


t40

Цикловой пуск системы

X17

X17

Y17

Y17

                                                                                                           

6.  
Построение временных циклограмм технологических операций


7. Первичное описание алгоритма функционирования технологического объекта

В качестве первичного описания алгоритма заданного ОУ будем использовать аппарат графов операций, реализуемый с помощью математического аппарата Сети Петри (N-схемы). С помощью данного этапа алгоритмического проектирования решаются задачи декомпозиции алгоритма, устанавливаются причинно-следственные связи между состояниями технологического процесса, проверяется корректность первичного описания алгоритма.

В графе операций используются вершины двух типов, изображаемых кружками (позиции) и прямоугольниками (переходы), в котором стрелками соединяются только вершины разного типа. В позиции графа помещаются метки (маркеры, точки), которые перемещаются из одних позиций в другие по определенным правилам, отображая динамику управляемого процесса.

Похожие работы на - Разработка микропроцессорной системы управления РТК на базе вертикально–фрезерного станка 6Р13Ф3-37

 

Не нашли материал для своей работы?
Поможем написать уникальную работу
Без плагиата!
Без нейросетей!