Расчет параметров режима короткого замыкания в электрической системе
Министерство
образования и науки Российской Федерации
ФГБОУ
ВПО
«Иркутский
государственный технический университет»
ЭНЕРГЕТИЧЕСКИЙ
ФАКУЛЬТЕТ
Кафедра
электрических станций, сетей и систем
Расчет
параметров режима короткого замыкания в электрической системе
ПОЯСНИТЕЛЬНАЯ
ЗАПИСКА
к
курсовой работе по дисциплине:
«Переходные
процессы в электроэнергетических системах»
Выполнил студент
группы ЭСбзс-11-1
А.Д.Вакин
Нормоконтролёр
Н.Ю. Снопкова
Иркутск
2014
Введение
При проектировании и эксплуатации электрических
установок и систем для решения многих технических вопросов и задач требуется
предварительно произвести ряд расчетов, среди которых заметное место занимают
расчеты электромагнитных переходных процессов и, в частности, процессов при
внезапном коротком замыкании.
Под расчётом электромагнитного переходного
процесса обычно понимают вычисление токов и напряжений в рассматриваемой схеме
при заданных условиях. В зависимости от назначения такого расчета находят
указанные величины для заданного момента времени, или находят их изменения в
течение всего переходного процесса. При этом решение обычно проводится для
одной или нескольких ветвей и точек схемы.
Каждый из практических методов расчета
электромагнитных переходных процессов, в частности процесса при коротком
замыкании, основан на некоторых допущениях, касающихся преимущественно
возможности использования упрощенных представлений об изменении свободных токов
в сложных схемах с несколькими источниками, о разных способах учета
автоматического регулирования возбуждения синхронных машин и т. п. Здесь же
остановимся только на тех основных допущениях, которые обычно принимают при
решении большинства практических задач, связанных с определением токов и
напряжений при электромагнитных переходных процессах. К числу таких допущений
следует отнести:
а)Отсутствие насыщения магнитных систем. При
этом все схемы оказываются линейными, расчет которых значительно проще; в
частности, здесь могут быть использованы любые формы принципа наложения.
б)Пренебрежение токами намагничивания
трансформаторов и автотрансформаторов. Единственным исключением из этого
допущения является случай, когда трёхстержневой трансформатор с соединением
обмоток Yo/Yo включен на напряжение нулевой последовательности.
в)Сохранение симметрии трехфазной системы. Она
нарушается обычно лишь для какого-либо одного элемента, что происходит в
результате его повреждения, или преднамеренно по специальным соображениям.
г)Пренебрежение емкостными проводимостями. Это
допущение обычно является уместным и заметно не искажает результаты решения,
если в рассматриваемой схеме нет продольной компенсации индуктивности цепи, а
также дальних линий передач напряжением выше 220 кВ. При рассмотрении простых
замыканий на землю это допущение, разумеется, совсем непригодно, так как в
данном случае ток замыкается именно через емкостные проводимости.
д)Приближенный учет нагрузок. В зависимости от
стадии переходного процесса нагрузку приближенно характеризуют некоторым
постоянным сопротивлением, обычно чисто индуктивным.
е)Отсутствие активных сопротивлений, Это
допущение в известной мере условно. Оно приемлемо при определении начальных и
конечных значений отдельных величин, характеризующих переходный процесс в
основных звеньях высокого напряжения электрической системы; при этом приближенный
учет активных сопротивлений находит отражение при оценке постоянных времени
затухания свободных составляющих рассматриваемых величин. В тех же случаях,
когда подобный расчет проводится для протяженной кабельной или воздушной сети с
относительно небольшими сечениями проводников (особенно линии со стальными
проводами), а также для установок и сетей напряжением до 1 кВ, данное допущение
непригодно.
ж)Отсутствие качаний синхронных машин. Если
задача ограничена рассмотрением лишь начальной стадии переходного процесса (т.
е. в пределах 0,1-0,2 сек с момента нарушения режима до отключения
повреждения), это допущение обычно не вносит заметной погрешности (особенно в
токе в месте повреждения). Однако при возникновении существенных качаний или
выпадении машин из синхронизма достаточно надежный результат может быть получен
лишь с учетом (хотя бы приближенным) такого процесса.
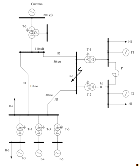
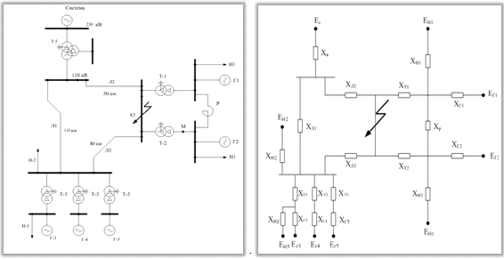
1. Расчет токов при трехфазном коротком
замыкании
.1 Составление схемы замещения элементов системы
Рисунок 1 - Расчётная схема электрической
системы
Для нахождения значений токов трёхфазного
короткого замыкания необходимо определить параметры схемы замещения системы для
токов прямой последовательности.
По справочнику [4] находим необходимые для вычислений
параметры оборудования, указанного в задании на курсовую работу.
Генераторы:
Г1, Г2: ТВФ-120-2УЗ;
Рном=100 МВт, cos φ = 0.8,
Uном=10.5 кВ, Хd’’=0.192, X2=0.234, Ta=0.4 с;
Г3, Г4, Г5: СВ-505/190-16Т;
Рном=60 МВт, cos φ
= 0.9, Uном=11 кВ, Хd’’=0.14, X2=0.222, Ta=0.4 с;
Трансформаторы и автотрансформаторы:
Т1, Т2: ТДЦ-125000-110/10,5;ном=125 МВА, Uвн=121
кВ, Uнн=10.5 кВ, Рхх=120 кВт, Рк=400 кВт, квн-нн=10.5%.
Т5: АТДЦН-250000-230/121/10,5;
,5ном=250 МВА, Uвн=230 кВ, Uсн=121, Uнн=10.5 кВ,
Рхх=200 кВт, Рк=690кВт, квн-сн=11%, uквн-нн=32%, uксн-нн=20%.
Т3: ТДЦ-80000-110/10.5;ном=80 МВА, Uвн=121 кВ,
Uнн=10.5 кВ, uквн-нн=11%.
Реактор:
РБ-10-1000-0.143;=10 кВ, Iном=1000 A, Xр=0.143
Ом, ∆Pк=8.3 кВт.
Обобщённые нагрузки:
Н1: Рн1=40 МВт, cosφ=
0.8; 10
Н2: Рн2=100 МВт, cosφ=
0.8; 25
Н3: Рн3=10 МВт, cosφ= 0.8.
4
Воздушные линии электропередач:
Л1: =110 кВ, x0=0.444 Ом/км, r0=0.135 Ом/км.,
l=110 км, Х0/Х1=4;
Л2:=110 кВ, x0=0.431 Ом/км, r0=0.129 Ом/км.,
l=50 км, Х0/Х1=3.5;
Л3: =110 кВ, x0=0.427 Ом/км, r0=0.14 Ом/км.,
l=80 км, Х0/Х1=3.5.
Л1: =110 кВ, x0=0.431 Ом/км, r0=0.129 Ом/км.,
l=80 км, Х0/Х1=2,5;
Л2:=110 кВ, x0=0.427 Ом/км, r0=0.14 Ом/км., l=75
км, Х0/Х1=3.5;
Л3: =110 кВ, x0=0.444 Ом/км, r0=0.135 Ом/км.,
l=50 км, Х0/Х1=3.0.
Составляем исходную схему замещения, учитывающую
только индуктивные сопротивления элементов сети. Поскольку в схеме задан
источник бесконечной мощности, то его сопротивление принимаем равным нулю.
Рисунок 1 - Расчётная схема электрической системы
Рисунок 2 - Исходная схема замещения системы
Расчёт токов короткого замыкания будем
производить в относительных единицах с учётом действительных коэффициентов
трансформации трансформаторов.
За базисное напряжение основной ступени примем
среднее номинальное напряжение той ступени, где произошло КЗ, т. е. UбI=121 кВ.
Базисные напряжения остальных ступеней находятся
с учётом коэффициентов трансформации трансформаторов, находящихся между
основной ступенью напряжения и той, для которой находится базисное напряжение:
Выбираем базисные условия:
Б = 1000 МВА;
Uб1=121
кВ
;
I БI
= 
= 
= 4.771кА;БII
= 
= 
= 54.986 кА;БII
=
кВ;БIII
=
= 38.5 кВ;
U БIIII = 

= 230 кВ.
Определяем параметры элементов в
схеме замещения.
Определяем индуктивные сопротивления
элементов в схеме замещения для начального момента короткого замыкания.
Автотрансформатор АТ-5:
X Т5В*(Б) = 
= 
= 0.46 (о.е.); КВ = 0.5∙(U К
ВH + U К ВC - U К СН) = 0.5∙(32 + 11 - 20) = 11.5%;Т5С*(Б) = 
= 
= 0 (о.е.); КC = 0.5∙(U К ВС
+ U К CН - U К ВН) = 0.5∙(11 + 20 - 32) ≈ 0%;Т5Н*(Б) = 
= 
= 0.82 (о.е.);КН = 0.5∙(U К
СН + U К ВН - U К ВС) = 0.5∙(20 + 32 - 11) = 20.5%.
Линии электропередачи:
. Трансформаторы:
Т1*(Б) = X Т2*(Б) = 
= 
= 0.84 (о.е.);Т3*(Б) = 
= 
= 0.88 (о.е.).
.Реактор:
Х Р*(Б) = 
= 
= 13 (о.е.).
.Генераторы:Г1*(Б) = X Г2*(Б) =
=
= 1.536
(о.е.);Г3*(Б) = X Г4*(Б) = X Г5*(Б) =
=
= 2.3(о.е.).
. Обобщенные нагрузки:
Нагрузку в начальный момент КЗ учтём
приближённо, считая её сопротивление
.
н1*(Б)= 
= 
= 7 (о.е.);н2*(Б)= 
= 
= 2.8 (о.е.);н3*(Б)= 
= 
= 28 (о.е.).
Расчёт сверхпереходных ЭДС
источников, питающих точку короткого замыкания
Определяем значения сверхпереходных
ЭДС источников, питающих точку КЗ. До аварийный режим работы генераторов и
асинхронных двигателей неизвестен, поэтому значения ЭДС генераторов определяем
из предположения, что до КЗ все машины работали в номинальном режиме.
В общем виде формула для определения
сверхпереходной ЭДС генератора в относительных единицах при приведении к
базисным условиям имеет вид:
Г’’ = 
;Г1 = IHГ2 = 
= 
= 6.87 (кА);Г1’’ = EГ2’’ = 
= 12.01 (кВ);Г1*(Б)’’ = EГ2*(Б)’’ =

= 
= 1.14 (о.е.);Г3 = IHГ4 = IHГ5 = 
= 
= 3.5 (кА);Г3’’ = EГ4’’ = EГ5’’ = 
= 11.289 (кВ);Г3*(Б)’’ = EГ4*(Б)’’
= EГ5*(Б)’’ = 
= 
= 1.075 (о.е.).
Обобщённые нагрузки:
Н1:
Нагрузку в начальный момент КЗ учтём
приближённо, считая её ЭДС равной
. Тогда:
EН1*(Б)’’ = EН2*(Б)’’ = EН3*(Б)’’ =
0.85 (о.е.).
Система:
с*(Б)’’ = 
= 
= 1 (о.е.).
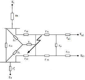
Эквивалентирование схемы замещения
относительно точки короткого замыкания
Рисунок 3 - Схема замещения с новыми
обозначениями
Сворачиваем схему замещения относительно точки
КЗ. Для схемы замещения на рисунке 3 проведём преобразования для сопротивлений,
соединённых последовательно:
E1” = 
= 
= 1.058 (о.е.).1 = 
= 
= 2.129 (о.е.);’’=
=
1.075(о.е.);2 = 
= 
= 1.592 (о.е.);’’ = 
= 
= 1.069 (о.е.);3 = 
= 
= 1.041 (о.е.);’’ = 
= 
= 1.01 (о.е.);4 = 
= 
= 0.759 (о.е.);
” = 
= 
= 1.091 (о.е.);5 = 
= 
= 0.63 (о.е.);= 
= 
= 0.417 (о.е.);= 
= 
= 0.006 (о.е.);= 
= 
= 0.006 (о.е.);10 = 
=
=1.05 (о.е.);
X11 = 
= 
= 0.321 (о.е.);= 
= 
= 0.357 (о.е.);= 
= 
= 0.215 (о.е.);14 = 
=
=0.742 (о.е.);= 
=
= 1.006 (о.е.);
Закончив эквивалентирование к точке
короткого замыкания получилась двухлучевая звезда.
Рисунок 4 - Схема замещения системы
после окончания эквивалентирования
Определим действующее значение периодической
составляющей тока КЗ в начальный момент времени.
IПО = 
= 
= 11.43 (кА).
.2 Расчёт ударного тока трёхфазного
короткого замыкания
Для определения ударного тока в ТКЗ
необходимо оценить влияние источников разного типа . Для расчета нужно найти
коэффициенты токораспределения и взаимные сопротивления.
С0 = 1;
С1=
=
= 0.626;
С’1 =
=
= 0.374;
С’4 =
=
= 0.272;
С2 =
=
= 0.103.
= 1;
С’7 =
=
= 0.181;
С’9 =
=
= 0.819.
Сопротивление системы относительно
точки КЗ:
ВЗс = 
= 
= 1.188 (о.е.).
Сопротивление генераторов
относительно точки КЗ:
ВЗГ1,2 = 
= 
= 1.282 (о.е.);ВЗГ3,4,5 = 
= 
= 1.985 (о.е.).
Сопротивление нагрузок относительно
точки КЗ:
ВЗН1 = 
= 
= 5.82 (о.е.);ВЗН2 = 
= 
= 7.22 (о.е.).
Для определения ударного тока
вначале необходимо определять активные сопротивления элементов схемы замещения
и таким же образом, как мы это делали с индуктивными сопротивлениями,
производить эквивалентирование полученной схемы.
Сначала находим все активные
сопротивления.
. Автотрансформатор:
в = 
= 
= 0.006 (о.е.);
=0.5 
= 500
0.5 = 250 кВт.
2. Воздушные линии:
rл1 =
=
= 0.242 (о.е.);л2 =
=
= 0.239
(о.е.);л3 =
=
= 0.369
(о.е.).
. Трансформаторы:
т1 = rт2 = 
= 
= 0.026 (о.е.);т3 = 
= 
= 0.023 (о.е.).
. Реактор:
Сопротивлением реактора пренебрегаем
.
. Нагрузка:
Сопротивление нагрузки не учитываем,
т.к. она далеко от точки короткого замыкания, поэтому kуд=1.
. Генераторы:
г2 = rг1 = 
= 
= 0.002 (о.е.);г3 = rг4 = rг5 = 
= 
= 0.001 (о.е.).
Рисунок 5 - Схема замещения системы
Сворачиваем схему замещения относительно точки
КЗ. Для схемы замещения на рисунке 8 проведём преобразования для сопротивлений,
соединённых в треугольник:
= rТ3+ rг5= 0.023+ 0.001= 0.022 (о.е.);=r1:3=
0.022 : 3= 0.007 (о.е);
r’2 = 
= 
= 0.008 (о.е.).= 
= 
= 0.104 (о.е.);= 
= 
= 0.068 (о.е.);= 
= 
= 0.105 (о.е.).

Рисунок 6 - Эквивалентная схема
замещения
Находим коэффициенты токораспределения.
С0 = 1;
С1 =0.0005;
С2 = 0.9995;
С3 =
=
= 0.606;
С4 =
=
= 0.394;
С5 =
=
= 0.392;
С6 =
= 0.394-0.392=0.002.
Сопротивление системы относительно
точки КЗ:
ВЗс = 
= 
= 0.245 (о.е.).
Сопротивление генераторов
относительно точки КЗ:
rВЗГ1,2 = 
= 
= 0.014 (о.е.);ВЗГ3 = rВЗГ4 = rВЗГ5
= 
= 
= 0.376 (о.е.).
Сопротивление нагрузок относительно
точки КЗ:
ВЗН = 
= 
= 52.691 (о.е.);
Определим эквивалентная постоянная
времени:
Для системы:
э С = 
= 
= 0.015 (с).
Для генераторов:э Г1 = Taэ Г2 = 
= 
= 0.301 (с).э Г3,4,5 = 
= 
= 0.023 (с).
Итак, определим значение ударного
коэффициента для каждой ветви.
Для ветви с генераторами ударный
коэффициент равен:
КУДГ1 = КУДГ2 = 1 + 
= 1 + 
= 1.967.
КУДГ3,4,5 = 1 + 
= 1 + 
= 1.648.
Для системы ударный коэффициент
равен:
КУДC = 1 + 
= 1 + 
= 1.524.
Для ветви с обобщённой нагрузкой
примем ударный коэффициент равным единице:
.
Таким образом, ударные токи
короткого замыкания:
ПОГ1,2 = 
= 
= 0.892 (о.е); ПОГ3,4,5 = 
= 
= 0.393 (о.е);ПОН1= 
= 
= 0.146 (о.е);ПОН2= 
= 
= 0.118 (о.е);ПОС = 
= 
= 0.841 (о.е).
от генератора Г1,2 и Г3,4,5:
УГ1,2 = 
∙ IПОГ1 ∙ КУДГ1 = 
∙0.447 ∙ 1.954 = 2.483
(о.е); УГ3,4,5 = 
∙ IПОГ3 ∙ КУДГ3 = 
∙0.114 ∙ 1.658 = 0.915
(о.е).
от нагрузки:
УН1 = 
∙ IПОН1 ∙ КУДН1=
∙1∙
0.068 =0.207 (о.е);УН2 = 
∙ IПОН2 ∙ КУДН2 =
∙1∙
0.114 =0.166 (о.е).
от системы:УC = 
∙ IПОC ∙ КУДC = 
∙0.73 ∙ 1.4513 =1.813
(о.е).
Ударный ток в месте короткого
замыкания в именованных единицах:
У∑ = (iУГ1,2 + iУГ3,4,5 +
iУГН1 + iУН2 + iУГС) ∙ Iб = (1.813+ 0.207 + 0.166 + 0.915+0.207+2.483) ∙
4.77 = 26.644 (кА).
.3Расчёт полного тока трёхфазного
короткого замыкания через 0,2 с после возникновения короткого замыкания методом
расчётных кривых
Данный метод основан на применении
специальных кривых, которые дают для произвольного момента переходного процесса
значение периодической составляющей тока в месте КЗ в функции от расчётного
индуктивного сопротивления.
В общем случае для расчёта полного
тока методом расчётных кривых необходимо составить схему замещения. Исключение
составляют крупные синхронные компенсаторы и двигатели, находящиеся вблизи
точки КЗ, которые в таком случае рассматриваются как генераторы равновеликой
мощности, а так же нагрузка равновеликой мощности как у генератора. В
результате получается схема замещения с данными как и для трехфазного КЗ, без
учета нагрузки 1 и 3 ( данные расчета приведены в пунктах 1.1 и 1.2 ).
Определим расчетные сопротивления
генераторов:
ХРАСЧ Г1,2=
=
= 0.32
(о.е.);
ХРАСЧ Г3,4,5 =
=
= 0.547 (о.е.).
Относительные значения периодической
составляющей тока КЗ через 0,2 секунды после его возникновения определяем по
расчётным кривым:
для ветви с генераторами Г1, Г2 I *Пτ
Г1
= 2.7 (по расчетным кривым);
для ветви с генератором Г3, Г4, Г5 I *Пτ
Г2
= 1.8 (по расчетным кривым).
Ток от источника бесконечной мощности
определится следующим образом:
Ic = 
= 
= 4.015 (кА).
Ток от нагрузки найдем как
периодическую составляющую ТКЗ :
н2 = 
= 
= 0.108 (кА).
Теперь найдём искомую величину
периодической слагающей тока короткого замыкания для заданного момента времени
0,2 с в именованных единицах. Напряжение берется средненоминальное для данного
участка, равное 115 кВ:
I пτ = I *Пτ Г1-2
+ I *Пτ Г3-4-5
+ I *Пτ Н2
+ Ic =2.7
+ 1.8
+0.108
+ 4.015=
9.285 (кА).
Теперь рассчитаем значения
апериодической составляющей тока КЗ к моменту времени 0,2 с для каждой ветви.
Iaτ = 
∙ IПО ∙ e-t/Ta .
Апериодическая составляющая тока КЗ
в ветви с генератором Г1 и Г2:
IaτГ1-2 = 
∙ IПОГ1 ∙ e -t/Taг1 = 
∙ 0.892∙ 
= 0.649 (о.е).
Апериодическая составляющая тока КЗ
в ветви с генератором Г3,4,5:
IaτГ3 = 
∙ IПОГ3 ∙ e -t/Taг2 = 
∙ 0.393∙ 
= 0.000152 (о.е).
Апериодическая составляющая тока КЗ
в ветви с нагрузкой 2:
Iaτн2 = 
∙ IПОГ4 ∙ e -t/Taг2 = 
∙ 0.108∙ 
= 0 (о.е).
Апериодическая составляющая тока КЗ
от системы:
IaτС = 
∙ IПОС ∙ e -t/Taс = 
∙ 0.841 ∙ 
= 0 (о.е).
Апериодическая составляющая тока
через 0.2 с в точке КЗ в именнованных единицах:
Iaτ∑ = IaτГ1,2∙Iб
= 0.649 ∙4.77 = 3.096 (кА).
Полный ток в месте КЗ через 0.2 с в
именованных единицах:
I kτ = 
= 9.788 (кА).
2. Расчёт токов несимметричных
коротких замыканий
.1 Составление схем замещения
отдельных последовательностей
Для определения токов и напряжений
при несимметричных КЗ используется метод симметричных составляющих и уравнения
второго закона Кирхгофа. Полученные на этой основе формулы приводят к правилу
эквивалентности прямой последовательности, показывающему, что ток прямой
последовательности любого несимметричного КЗ может быть определён как ток при
трёхфазном КЗ в точке, удалённой от действительной точки КЗ на дополнительное
сопротивление, определяемое видом КЗ.
Схема замещения прямой
последовательности идентична схеме, составленной для расчёта токов трёхфазного
короткого замыкания. Отличие только в том, что в точке КЗ подключен условный
источник с напряжением, равным напряжению прямой последовательности в точке КЗ.
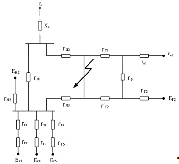
Исключим для ,определения нулевой
последовательности ,из исходной схемы замещения нагрузку Н1 и Н2 и вновь
свернём её относительно точки КЗ.
Рисунок 7 - Схема замещения системы для токов
прямой последовательности
Сворачиваем схему замещения относительно точки
КЗ. Данная схема замещения совпадает со схемой замещения для трехфазного тока
короткого замыкания:
X 14 =
0.742
(о.е.); X 10=
1.05
(о.е.);= 1.006 (о.е.); E5 = 1.091 (о.е.);
Рисунок 8 - Эквивалентная схема
замещения
Эквивалентная ЭДС:
Eэкв = 
= 
= 1.041 (о.е.).
Эквивалентная сопротивление:
экв = 
= 
= 0.435 (о.е.).
Схема замещения обратной
последовательности по структуре аналогична схеме прямой последовательности, но
ЭДС генерирующих элементов в ней отсутствуют; к точке КЗ подключен условный
источник с напряжением, равным напряжению обратной последовательности в точке
КЗ.
Принципиально сопротивления обратной
и прямой последовательностей элементов с вращающимися магнитосвязанными цепями
(синхронные и асинхронные машины) не равны. Однако поскольку это неравенство
само по себе незначительно, мало влияет на результирующее сопротивление схемы,
им в практических расчётах часто пренебрегают. Так поступим и в данной работе.
Следовательно, сопротивления всех элементов схем прямой и обратной
последовательностей будут равны, значит X1∑ = X2∑ = 0.435 (о.е.),и
рассчитывать результирующее сопротивление схемы обратной последовательности не
нужно.
Рисунок 9 - Эквивалентная схема
замещения системы для токов обратной последовательности
Схема нулевой последовательности отличается от
схем прямой и обратной последовательностей. Ток нулевой последовательности, по
существу, является однофазным током, разветвлённым между тремя фазами и
возвращающимся через землю и параллельные ей цепи. Поэтому путь токов нулевой
последовательности резко отличается от пути токов прямой и обратной
последовательности. Конфигурация схемы нулевой последовательности определяется
соединением обмоток трансформаторов и режимом работы их нейтралей (заземлённая
или изолированная нейтраль). При отсутствии емкостной проводимости (этой
проводимостью в схемах, рассматриваемых в данной работе, можно пренебречь) токи
нулевой последовательности потекут лишь в сторону элементов, электрически
связанных с точкой КЗ, обмотки фаз которых соединены в звезду с заземлённой
нейтралью. Следовательно, только эти элементы войдут в схему нулевой
последовательности. Протекая по обмоткам трансформаторов, соединённым в звезду
с заземлённой нейтралью, токи нулевой последовательности наводят в других
обмотках трансформаторов ЭДС нулевой последовательности. Но ток нулевой
последовательности возникает в этих обмотках, если они соединены в треугольник
(при этом ток будет циркулировать по треугольнику, не выходя из него) или в
звезду с заземлённой нейтралью, к которой подключен элемент, также имеющий
заземлённую нейтраль.
В данной работе принимается, что обмотки
генераторов, обобщённой нагрузки соединены в треугольник или в звезду с
изолированной нейтралью. Поэтому эти элементы в схему замещения нулевой
последовательности входить не будут. Сопротивления нулевой последовательности
трансформаторов и автотрансформаторов определяются их конструкцией и
соединением обмоток.
Таким образом, составим схему замещения нашей
системы без учёта генераторов и нагрузки. На схеме опустим индексы *0(б),
указывающие на то, что это сопротивления нулевой последовательности, выраженные
в относительных единицах с приведением к базисным условиям схемы
Проведём пересчёт сопротивлений линий для
нулевой последовательности:Л1 = 0.81∙ 4 = 3.238 (о.е.);Л2 = 0.729∙
3.5 = 2.552 (о.е.);Л3= 1.213∙ 3.5 = 4.246 (о.е.;)
Рисунок 10 - Исходная схема замещения системы
для токов нулевой последовательности
Сворачиваем данную схему относительно точки
возникшей несимметрии. В расчётах будем опускать индекс 0, подразумевая, что
все расчёты ведутся для сопротивлений нулевой последовательности.
Вычислим сопротивление обмоток ВН и НН
автотрансформатора Т-4 и трансформаторов Т1 и Т2 включенных на параллельную
работу:
X1= 
= 
= 0.295 (о.е.);= 
= 
= 0.293 (о.е.);= 
= 
= 0.42 (о.е.).
Треугольник преобразуем в звезду:
=
= 
= 1.221 (о.е.);= 
= 
= 0.823 (о.е.);= 
= 
= 1.88 (о.е.);
Сопротивления Х1, Х5 и Х2, Х6
соединены последовательно:
‘5 = X 5 + X 1 = 0.823 + 0.295 =
1.118 (о.е.);’6 = X 2 + X 6 = 0.397 + 1.37= 1.663 (о.е.).
Сопротивление Х’5 параллельно Х’6 и
последовательно Х4.
= 
= 
= 1.748 (о.е.).
Находим эквивалентное сопротивление:
X экв0 =
= 
= 0.339 (о.е.).
Рисунок 11 - Эквивалентная схема
замещения для нулевой последовательности
.2 Однофазное короткое замыкание
Рассчитаем дополнительное
сопротивление для однофазного КЗ:
∆ = x2∑ + x0∑ =
0.435+ 0.339 = 0.773 (о.е.).
Коэффициент для однофазного КЗ
.
Таким образом, ток прямой
последовательности в месте однофазного КЗ:
П0А1 = 
= 
= 4.113 (кА).А1 = 
= 
= 12.339 (кА).
Двухфазное короткое замыкание на
землю
Рассчитаем дополнительное
сопротивление для двухфазного КЗ на землю:
∆ = 
= 
= 0.19 (о.е.).
Коэффициент для двухфазного КЗ на
землю:
= 
= 1.504.
Таким образом, ток прямой
последовательности в месте двухфазного КЗ на землю:
П0А1 =
= 
= 7.949 (кА).= IC=
= 
= 11.954 (кА).
Двухфазное короткое замыкание
Рассчитаем дополнительное
сопротивление для двухфазного КЗ:
∆ = x2∑ = 0.435 (о.е.).
Коэффициент для двухфазного КЗ : m =

.
Таким образом, ток прямой
последовательности в месте двухфазного КЗ на землю:
П0А1 =
= 
= 5.715 (кА).= IC=
= 
= 9.899 (кА).
.2 Построение векторных диаграмм
токов и напряжений в точке КЗ
ток замыкание трёхфазный
сопротивление
Точка M отмечена на схеме
электрической системы (рисунок 1).
Расчёт симметричных составляющих
тока и напряжения в точке короткого замыкания.
Расчёт тока прямой
последовательности в месте КЗ для заданного момента времени методом расчётных
кривых производится аналогично расчёту трёхфазного КЗ, но с учётом
дополнительного сопротивления
.
Однофазное короткое замыкание
Токи прямой, обратной и нулевой
последовательности одинаковы и равны:
I КА1
= I КА2
= I КА0
= 4.113 (кА).КА = 3 ∙ I КА1 = 3 ∙
4.113 = 12.339 (кА).КB
= I КC
= 0 (кА).
Напряжения обратной, нулевой и
прямой последовательности:
КА2 = 
∙ X2∑ ∙ UБ1 = 
∙ 0.435∙ 121 = 44.46
(кВ);КА0 = 
∙ X0∑ ∙ UБ1 = 
∙ 0.339∙ 121 = 36.85
(кВ);КА1 = - (U КА2 + U КА0) = - (44.46+36.8) = - 81.31 (кВ).
По результатам расчётов строится
векторная диаграмма токов:
Двухфазное короткое замыкание на
землю
Токи прямой, обратной и нулевой
последовательности равны:
I КА1
= 7.949 (кА);КА2
= - I КА1
∙ 
= - 7.949∙ 
= - 3.776 (кА);
КА0
= - I КА1
∙ 
= - 7.949∙ 
= - 4.565 (кА);КА
= 0 (кА);КB
= m ∙ I КА1
= 1.504∙ 7.949 = 11.954 (кА);КC = m ∙
I КА1
= 1.504∙ 7.949 = 11.954 (кА).
Напряжения обратной, прямой и
нулевой последовательности одинаковы и равны:
Двухфазное короткое замыкание
Токи прямой, обратной и нулевой
последовательности равны:
I КА1
=- I КА2;КА1
= 5.715 (кА);КА0
=0;КА
= I КА1+
I КА2+
I КА0=0;КB
= m ∙ I КА1
= 1.732∙ 5.715= 9.899 (кА);КC = m ∙
I КА1
= 1.732∙ 5.715= 9.899 (кА).
Напряжения обратной, прямой и
нулевой последовательности одинаковы и равны:
КА1 = UКА2= 
∙ 
∙ UБII = 
∙ 
∙ 121 = 62.852 (кВ);КА = 2 ∙
62.852= 125.704 (кВ);КВ = UКС =- UА1= -62.852 (кВ).
.3 Построение векторных диаграмм
напряжения КЗ в точке М
Точка М находится за трансформатором
относительно точки КЗ.
Однофазное короткое замыкание
При переходе через трансформатор с
нечетной группой (11) соединений со стороны обмотки соединений в звезду на
сторону обмотки, соединенной в треугольник, векторы симметричных составляющих
прямой последовательности смещаются на угол 30º∙N по часовой стрелке;
обратной последовательности - на угол 30º∙N против часовой
стрелки, т.е.
=
∙
∙
;
=
∙
∙
;
= nл∙
∙
;
= nл∙
∙
.
где nл -линейный коэффициент
трансформации, равный отношению номинальных линейных напряжений трансформатора.
Нулевая последовательность при
переходе через трансформатор не идет.
Заключение
При выполнении курсовой работы по дисциплине
«Переходные процессы в электроэнергетических системах. Электромагнитные
переходные процессы» были рассчитаны значения токов короткого замыкания в
электроэнергетической системе: действующее значение периодической составляющей
IПО = 11.43 (кА), ударный ток iУ∑= 26.644 (кА), значение полного тока в
заданный момент времени в режиме трехфазного короткого замыкания I kτ
= 9.788
(кА).
Для режима несимметричного короткого замыкания
рассчитаны величины токов и напряжений прямой, обратной и нулевой
последовательностей и построены векторные диаграммы токов и напряжений фаз в
месте короткого замыкания и точке удаленной от места КЗ.
Результаты расчета приведены в таблице - 1 :
Таблица - 1
Результаты расчета токов коротких замыканий
|
Виды
токов КЗ :
|
В
точке К 2
|
|
Однофазное
КЗ
|
12.339
кА
|
|
Двухфазное
КЗ
|
9.899
кА
|
|
Двухфазное
КЗ на землю
|
11.954
кА
|
|
Трехфазное
КЗ
|
11.43
кА
|
В ходе расчета и построения векторных диаграмм
видно , что токи и напряжения при переходе через трансформатор меняют свое
значение по значению и фазе. Так же отбрасывается нулевая последовательность из
за того , что используется схема соединения трансформатора звезда/треугольник.
В ходе работы были отработаны навыки
использования расчетных методов, применяемых для расчетов параметров режимов
короткого замыкания: метод коэффициентов токораспределения, расчетных кривых,
симметричных составляющих.
Список используемых источников
1.
Ульянов С.А. Электромагнитные переходные процессы в электрических системах:
Учебник для электротехнических и энергетических вузов и факультетов / С.А.
Ульянов. - Изд. 2-е, стер. - М.: ООО «ТИД «АРИС», 2010. - 520 с.: с илл.
.
МУ по выполнению курсовой работы по электромагнитным переходным процессам.
Электронный ресурс. Снопкова Н.Ю. - 2012 г.
.
РД 153-34.0-20.527-98. Руководящие указания по расчету токов короткого
замыкания и выбору электрооборудования.
.Файбисович
Д.Л. Справочник по проектированию электрических сетей : Учебник для
электротехнических и энергетических вузов и факультетов : Москва « Издательство
НЦ ЭНАС», 2006 г.