Расчет токов короткого замыкания в энергосистеме
Курсовая
работа
Расчет
токов короткого замыкания в энергосистеме
Минск,
2015
Реферат
Курсовая работа 51 с., 33 рис., 5 табл., 6
источников.
Энергосистема, короткое замыкание, аналитический
метод, векторные диаграммы, расчетные кривые, генератор, линия, нагрузка,
трансформатор.
Объектом исследования является различные виды
коротких замыканий в энергосистемах и способы их расчета.
Цель работы - расчет токов сверхпереходного и
установившегося режимов в аварийной цепи при симметричном и несимметричном
коротком замыкании, а также построение векторных диаграмм токов и напряжений в
именованных единицах в точке короткого замыкания.
В работе рассмотрены аналитический метод и метод
расчета по расчетным кривым токов короткого замыкания.
Содержание
Введение
.
Аналитический расчет токов сверхпереходного и установившегося режимов в
аварийной цепи при трехфазном коротком замыкании
.1
Расчет токов установившегося режима при трехфазном коротком замыкании
.2
Расчет токов сверхпереходного режима при трехфазном коротком замыкании
.
Расчет по расчетным кривым токов сверхпереходного и становившегося режимов в
аварийной цепи при симметричном и несимметричном коротком замыкании
.1
Расчет симметричного короткого замыкания
.2
Расчет несимметричного короткого замыкания
.
Построение векторных диаграмм токов и напряжений
.
Аналитический расчет токов короткого замыкания в аварийной цепи 0,4 кВ
Заключение
Список
использованных источников
Введение
С увеличением выработки электрической энергии
дальнейшее быстрое развитие получат системы электроснабжения (СЭС) промышленных
предприятий, транспорта, городов, сельского хозяйства и других отраслей
народного хозяйства, которые являются основными потребителями электрической
энергии.
Сооружение и эксплуатация СЭС связаны со
значительным расходом материальных ресурсов. В связи с этим большое значение
имеет повышение надежности и экономичности электрической системы в различных
режимах и условиях их эксплуатации, к которым относятся, прежде всего,
аварийные и послеаварийные режимы, связанные с переходными процессами и
существенными изменениями показателей качества энергии у потребителей.
Применение вычислительной техники при
исследованиях и расчетах переходных процессов позволило повысить точность
схемных решений и электрических характеристик СЭС, благодаря чему могут
достигаться более высокие показатели надежности и экономичности. В связи с
увеличением мощностей отдельных нагрузок в последние годы в стране и за рубежом
много внимания уделяется анализу и разработке методов исследования переходных
процессов в электрических системах, направленных на повышение их устойчивости.
. Аналитический расчет токов сверхпереходного и
установившегося режимов в аварийной цепи при трехфазном коротком замыкании
.1 Расчет токов установившегося режима при
трехфазном коротком замыкании
Под установившимся режимом понимают ту стадию
процесса КЗ, когда все возникшие в начальный момент КЗ свободные токи
практически затухли.
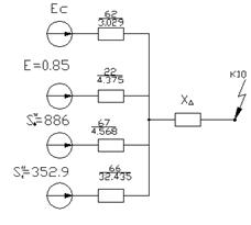
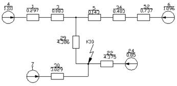
На рисунке 1 приведена схема заданной
электрической системы с указанием места трехфазного короткого замыкания и
данными параметров элементов системы.
Рисунок 1 - Исходная схема энергосистемы
Параметры элементов системы приведены в таблицах
1-4.
Таблица 1 - Параметры линий
|
Линия
|
W1
|
W2
|
W3
|
W4
|
W5
|
W6
|
W7
|
W8
|
|
l,
км
|
50
|
90
|
145
|
40
|
120
|
90
|
30
|
305
|
Таблица 2 - Параметры генераторов и системы
|
С
|
G1
|
G2
|
G3
|
G4
|
|
SКЗ=
3000 MB·A X*2=0,6 X*0=0,78
|
PH=
300 MBт cosφ=0,85 КС=1,15
X"d=0,213 I*Н=0,9
|
PH=
50 MBт cosφ=0,8 КС=0,76
X"d=0,13 I*f=2,7
|
PH=
100 MBт cosφ=0,85 КС=0,49
X"d=0,2 I*H=0,9
|
PH=
600 MBт cosφ=0,85 КС=0,57
X"d=0,21 I*f=2,5
|
Таблица 3 - Параметры трансформаторов
|
АТ1
|
Т1
|
Т2
|
Т3
|
Т4
|
|
SH= 125 MB·A UKB-C=10 % UKB-H=32 % UKC-H=21,5
% SHH=0,5 SH
|
SH= 750 MB·A UKBH-CH=10,5 % UKBH-HH=10,5
% UKCH-CH=10,5 %
|
SH=
400 MB·A UK=10,5 %
|
SH=
160 MB·A UK=10,5 %
|
SH=
120 MB·A UK=10,5 %
|
Таблица 4 - Параметры нагрузок
|
Н1
|
Н2
|
Н3
|
Н4
|
Н7
|
|
SH=
20 MB·A
|
SH=
180 MB·A
|
SH=
20 MB·A
|
SH=
80 MB·A
|
SH=
80 MB·A
|
Расчет ведем в относительных единицах, для того
чтобы все ЭДС и сопротивления схемы выразить в относительных единицах, задаемся
базисными условиями: базисной мощностью SБ=1000 МВ·А, базисным напряжением в
точке короткого замыкания UБ=230 кВ. Базисный ток находим по формуле (1):
(1)
Определим параметры схемы замещения
электрической.
В установившемся режиме генераторы вводятся в
схему замещения относительным значением ЭДС E*q синхронной ненасыщенной
реактивностью по продольной оси Xd, которые определяются по формулам (2) и (3):
; (2)
, (3)
где U*, I*, cosφ -
соответственно напряжение, ток в относительных единицах и коэффициент мощности,
при которых работал генератор до КЗ;
С - относительное значение ЭДС ненасыщенного
генератора при токе возбуждения, равном единице. В нашем случае принимаем
равным единице;- отношение короткого замыкания.
Сопротивление генератора вычисляется по формуле
(4):
.(4)
Нагрузки учитываются генерирующими ветвями E*H=0
и относительным сопротивлениемX*H=1,2, которое приведено к полной мощности
нагрузки и Uср.н ступени. Следует отметить, что нагрузка, присоединенная
непосредственно к точке КЗ, не играет роли, поэтому она в схему замещения не
вводится. Сопротивление нагрузки и системы находим по формуле (5):
.(5)
Трансформаторы учитываются сопротивлением. Линии
электропередачи представляются реактивным сопротивлением, которое рассчитывается
по формуле (6):
,(6)
гдех0 - удельное сопротивления воздушной линии
электропередачи, Ом/км;- длина линии, км;Б - базисная мощность, МВ·А;ср.н. -
среднее номинальное напряжение, взятое по стандартной шкале, кВ.
Составляем схему замещения и определяем ее
параметры, приведенные к базисным условиям для расчетной схемы. Для генераторов
воспользуемся формулами (2)-(4).
Рассчитываем параметры генератора G3:
Рассчитываем параметры генератора G1:
Рассчитываем параметры генератора G4:
Рассчитываем параметры генератора G2:
Рассчитываем параметры генератора G4:
Для системы ЭДС принимается равным единице, а
сопротивление рассчитываем по формуле:
Сопротивления автотрансформатора находим по
формулам (7)-(10):
; (7)
; (8)
; (9)
. (10)
По формулам (7) - (10) рассчитываем параметры
схемы замещения автотрансформатора:
;
;
;
;
;
Расчет параметров двухобмоточного трансформатора
будем производить по формуле (11):
(11)
Рассчитываем параметры трансформатора Т2:
Рассчитываем параметры трансформатора Т3:
Рассчитываем параметры схемы замещения
трансформатора Т1:
;
;
;
;
;
Рассчитываем параметры нагрузки Н1 по формуле
(5):
Рассчитываем параметры нагрузки Н2:
Рассчитываем параметры нагрузки Н3:
Рассчитываем параметры нагрузки Н4:
Рассчитываем параметры нагрузки Н7:
Рассчитываем параметры линий по формуле (6):
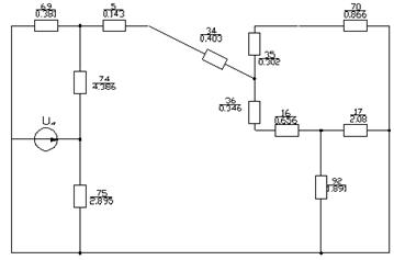
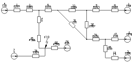
По рассчитанным параметрам составляем схему
замещения энергосистемы, которая представлена на рисунке 2.
Рисунок 2 - Схема замещения энергосистемы
Для определения установившегося тока короткого
замыкания сворачиваем схему замещения.
Эквивалентируем ветви
и
:
Эквивалентируем ветви
и
:
Эквивалентируем ветви
и
:
Преобразуем треугольник сопротивлений 33, 32, 31
в эквивалентную звезду 34, 35, 36:
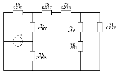
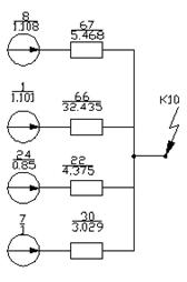
Заменим несколько сопротивлений одним:
Получаем схему, изображенную на рисунке 3.
Рисунок 3 - Промежуточная схема свертки
Эквивалентируем ветви
и
:
Заменим несколько сопротивлений одним:
Эквивалентируем ветви
и
:
Получаем схему, изображенную на рисунке 4.
Рисунок 4 - Промежуточная схема свертки
Эквивалентируем ветви
и
:
Заменим несколько сопротивлений одним:
Эквивалентируем ветви
и
:
Заменим несколько сопротивлений одним:
Получаем схему, изображенную на рисунке 5.
Рисунок 5 - Промежуточная схема свертки
Эквивалентируем ветви
и
:
Получаем схему, изображенную на рисунке 5.
Рисунок 5 - Конечная схема
Ток короткого замыкания в установившемся режиме
в относительных единицах исходя из результирующей схемы замещения:
и в именованных единицах:
.2 Расчет токов сверхпереходного режима при
трехфазном коротком замыкании
Особенностью начального момента переходного
процесса в синхронном генераторе является то, что синхронная ЭДС претерпевает
изменения. Поэтому необходимо в исследование ввести такие параметры, которые в
начальный момент оставались бы неизменными и тем самым позволили бы связать
предшествующий режим с переходным. Такими параметрами являются переходные
(сверхпереходные) ЭДС и реактивности синхронной машины.
Для определения влияния нагрузки на ток КЗ
раздельно сворачиваем ветви, содержащие генераторы и нагрузки. При расчете
токов сверхпереходного режима генераторы в схему вводятся параметрами,
рассчитываемыми по формулам (14) и (15):
(14)
где
-
начальное сверхпереходное сопротивление;Б- базисная мощность, МВ·А;Н- полная
номинальная мощность генератора, МВт.
(15)
Определяем параметры сверхпереходного режима
генераторов, используя формулы (14) и (15).
Рассчитываем параметры генератора G1:
Рассчитываем параметры генератора G2:
Рассчитываем параметры генератора G3:
Рассчитываем параметры генератора G4:
Рассчитываем параметры нагрузки Н5:
Остальные элементы вводятся сопротивлениями,
рассчитанными в предыдущем пункте.
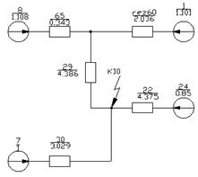
По рассчитанным параметрам составляем схему
замещения энергосистемы, которая представлена на рисунке 6.
Рисунок 6 - Схема замещения энергосистемы для
сверхпереходного режима
Для определения сверхпереходного тока короткого
замыкания сворачиваем схему замещения.
Преобразуем треугольник сопротивлений 33, 32, 31
в эквивалентную звезду 34, 35, 36:
Заменим несколько сопротивлений одним:
Эквивалентируем ветви
и
:
Получаем схему, изображенную на рисунке 7.
Рисунок 7 - Промежуточная схема свертки
Эквивалентируем ветви
и
:
Получаем схему, изображенную на рисунке 8.
Рисунок 8 - Промежуточная схема свертки
Эквивалентируем ветви
и
:
Заменим несколько сопротивлений одним:
Получаем схему, изображенную на рисунке 9.
Рисунок 9 - Промежуточная схема свертки
Эквивалентируем ветви
,
и
:
Получаем схему, изображенную на рисунке 10.
Рисунок 10 - Конечная схема
Ток короткого замыкания в сверхпереходном режиме
в относительных единицах исходя из результирующей схемы замещения:
и в именованных:
2. Расчет по расчетным кривым токов
сверхпереходного и становившегося режимов в аварийной цепи при симметричном и
несимметричном коротком замыкании
ток замыкание аварийный напряжение
2.1 Расчет симметричного короткого замыкания
В схеме на рисунке 14 генераторы представлены
своими сверхпереходными сопротивлениями
и
полной номинальной мощностью
. Все остальные
параметры берем со сверхпереходного режима. Расчет ведем по индивидуальному
изменению тока, для чего раздельно сворачиваем ветви турбогенераторов,
гидрогенераторов и системы, используя метод коэффициентов распределения.
Рисунок 11 - Схема замещения энергосистемы
Заменим несколько сопротивлений одним:
Преобразуем треугольник сопротивлений 33, 32, 31
в эквивалентную звезду 34, 35, 36:
Получаем схему, изображенную на рисунке 12.
Рисунок 12 - Промежуточная схема свертки
Эквивалентируем ветви
и
:

Заменим несколько сопротивлений одним:
На рисунке 13 представлена первая схема свертки.
Рисунок 13 - Промежуточная схема свертки
Распределяем сопротивление 59 между ветвями 60 и
64(61+64):
Получаем схему, изображенную на рисунке 14.
Рисунок 14 - Промежуточная схема свертки
Эквивалентируем ветви
и
:
Получаем схему, изображенную на рисунке 15.
Рисунок 15 - Промежуточная схема свертки
Распределяем сопротивление 29 между ветвями 65 и
rez60:
На рисунке 16 представлена окончательная схема
свертки.
Рисунок 16 - Окончательная схема свертки
Находим расчетные сопротивления ветвей генераторов:
Так как расчётное сопротивление турбогенератора
больше 3 , то ток найдём по формуле.
Ток в именованных единицах:
Так как расчётное сопротивление гидрогенератора
больше 3 , то ток найдём по формуле.
Ток в именованных единицах:
Для системы и нагрузки значение периодической
слагающей тока КЗ во времени остается неизменной.
Рассчитываем ток КЗ для системы:
Рассчитываем ток КЗ для нагрузки:
Суммарные токи в точке КЗ определим по формулам:
.2 Расчет несимметричного короткого замыкания
Расчет несимметричного КЗ ведем по методу
симметричных составляющих. Схему замещения прямой последовательности
рассматривать не будем, так как результирующие ЭДС и сопротивление по ветвям
были определены ранее.
Схема замещения обратной последовательности
приведена на рисунке 19. ЭДС всех генерирующих источников принимается равным
нулю. Значения сопротивлений обратной последовательности для трансформаторов,
генераторов, линий и нагрузок берутся из схемы прямой последовательности, а
сопротивления системы пересчитываются по формуле (17):
(17)
Рисунок 17 - Схема замещения обратной
последовательности
Рассчитываем сопротивление системы для обратной
последовательности:
Сворачиваем схему, применяя известные приемы:
Складываем сопротивления:
Преобразуем треугольник сопротивлений 33, 32, 31
в эквивалентную звезду 34, 35, 36:
Получаем схему, изображенную на рисунке 18.
Рисунок 18 - Промежуточная схема свертки
Складываем сопротивления:
Преобразуем
треугольник 76, 77, 17 в звезду 71, 72, 73:
Получаем схему, изображенную на рисунке 19.
Рисунок 19 - Промежуточная схема свертки
Складываем сопротивления:
Получаем схему, изображенную на рисунке 20.
Рисунок 20 - Промежуточная схема свертки
Преобразуем
треугольник 74, 75, 83 в звезду 84, 85, 86:
Получаем схему, изображенную на рисунке 21.
Рисунок 21 - Промежуточная схема свертки
Складываем сопротивления:
Суммарное
сопротивление обратной последовательности равно:
Получаем окончательную схему, изображенную на
рисунке 24.
Рисунок 22 - Окончательная схема свертки
Токи нулевой последовательности являются
однофазным током, разветвлённым между фазами и возвращающимся через землю и
параллельные ей цепи. Поэтому токи нулевой последовательности имеют
сравнительно небольшую зону прохождения по сети, ограниченную, в частности,
обмотками трансформаторов и автотрансформаторов, соединёнными в треугольник. В
силу этого пути циркуляции токов нулевой последовательности резко отличаются от
путей протекания токов прямой и обратной последовательностей, что и
обуславливает значительное отличие схемы нулевой последовательности от схем
других последовательностей. Это отличие заключается не только в конфигурации
схем, но и в значениях сопротивлений схем замещения.
Схему замещения нулевой последовательности
рекомендуется составлять, начиная от точки, где возникла эта несимметрия,
считая, что в данной точке все фазы замкнуты между собой накоротко и к ней
приложено напряжение нулевой последовательности. Принимаем, что все линии в
схеме одноцепные с хорошо проводящими тросами, поэтому сопротивление линий для
нулевой последовательности равно удвоенному сопротивлению линий для прямой
последовательности. Сопротивления отдельных обмоток двухобмоточного
трансформатора приблизительно одинаковы и равны половине сопротивления всего
трансформатора.
Реактивность намагничивания нулевой
последовательности трансформатора вычисляем по формуле:
Рассчитываем параметры схемы замещения нулевой
последовательности:
Для определения сопротивления нулевой
последовательности составляем схему замещения нулевой последовательности,
которая представлена на рисунке (23).
Рисунок 23 - Схема замещения энергосистемы
нулевой последовательности
Преобразуем полученную схему:
Получаем схему, изображенную на рисунке 24.
Рисунок 24 -Промежуточная схема свертки
Преобразуем полученную схему:
Получаем схему, изображенную на рисунке 25.
Рисунок 25 - Промежуточная схема свертки
Преобразуем полученную схему:
Определяем
установившийся и сверхпереходной ток при двухфазном КЗ на землю. При этом
удалим место повреждения на величину шунта XD(1), которая определяется по формуле (18), а
величина коэффициента m в равенстве (19):
(18)
(19)
Составляем схему замещения прямой
последовательности и удаляем точку КЗ за сопротивление, равное величине шунта.
Получаем схему, изображенную на рисунке (26).
Рисунок 26 - Схема замещения при несимметричном
КЗ
Определяем эквивалентное сопротивление:
Определяем результирующее сопротивление:
Определяем коэффициенты распределения тока:
Определяем результирующие сопротивления:
Получаем схему, изображенную на рисунке 27.
Рисунок 27 - Результирующая схема
Рассчитаем расчетные сопротивления выделяемой
генерирующей ветви:
Так как расчётное сопротивление турбогенератора
больше 3 , то ток найдём по формуле.
Ток в именованных единицах:
Так как расчётное сопротивление гидрогенератора
больше 3 , то ток найдём по формуле.
Ток в именованных единицах:
Рассчитываем ток КЗ для нагрузки:
Рассчитываем ток КЗ для системы:
Сверхпереходной и установившейся ток равен:
3. Построение векторных диаграмм токов и
напряжений
Для двухфазного КЗ на землю согласно 2-му закону
Кирхгофа можно записать следующую систему уравнений:
Для решения данной системы необходимо записать
граничные условия:
;
;
.
Расчёт ведем в именованных единицах. Решив систему, находим составляющие фазных
токов и напряжений:
;
;
.
;
.
4. Аналитический расчет токов короткого
замыкания в аварийной цепи 0,4 кВ
При составлении схем замещения в качестве
основной ступени следует выбирать ступень напряжения, на которой находится
точка замыкания. Поскольку сопротивления большинства элементов рассматриваемых
сетей задаются в именованных единицах, то весь расчет обычно ведут также в
именованных единицах, при этом ввиду малости самих сопротивлений их выражают в
миллиомах.
Для элементов схемы представленной на рисунке 28
определяем величины активных и индуктивных сопротивлений, которые затем сводим
в таблицу 5.
Рисунок 28 - Схема сети 0,4 кВ
Исходные данные для задачи:
Мощность системы - SK.З.=2400 МВА;
Мощность трансформатора - SН=400 кВА;
Сечение кабельной линии - q=3×50+1×35
мм2;
Сечение воздушной линии - q=3×35+1×25мм2;
Длина воздушной линии - l=250 м;
Место повреждения - К2;
Виды повреждений - К(3) и К(1).
Активное и индуктивное сопротивление прямой и
нулевой последовательностей трансформатора по приложению П10 [2]:
Индуктивное сопротивление системы по [1], стр.
88:
где UCP.H. - средненоминальное напряжение
ступени, на которой находится точка КЗ, кВ;КЗ - мощность КЗ, кВ·А.
Активное сопротивление воздушной линии по П7
[6]:
где lКЛ и lВЛ - длина воздушной линии, км;
- активное
сопротивление воздушной линии алюминия при
,
Ом/км.
Индуктивное сопротивление воздушной линии
находим по П7 [6]:
где XУД В - удельное индуктивное сопротивление
воздушной линии.
Сопротивления нулевой последовательности
воздушной линии рассчитываются по формулам:
Таблица 5 - Параметры сети 0,4 кВ
|
Элементы
схемы
|
r1,
мОм
|
x1,
мОм
|
r0,
мОм
|
x0,
мОм
|
|
Система
|
-
|
0,089
|
-
|
0,089
|
|
Трансформатор
|
5,7
|
17
|
-
|
-
|
|
Воздушная
линия
|
285
|
75
|
322,5
|
225
|
|
Результирующее
сопротивление
|
290,7
|
92
|
322,5
|
225
|
Расчет тока трехфазного КЗ в конце линии будем
производить по формуле (26):
(26)
Рассчитываем ток трехфазного КЗ в конце линии по
формуле (26):
Расчет тока однофазного КЗ в конце линии будем
производить по формуле (27):
(27)
Рассчитываем ток однофазного КЗ в конце линии по
формуле (27):
Заключение
В курсовой работе произведён расчёт токов КЗ
электрической схемы при симметричном и несимметричном режимах, расчет был
произведен аналитическим и приближенным методами. Погрешность определения токов
при трехфазном КЗ аналитическим методом и методом по кривым составляет 3,1% для
сверхпереходного тока.
А также выполнен расчет токов КЗ в сети 0,4 кВ
при симметричном и несимметричном режиме.
На основании расчетов построены векторные
диаграммы токов и напряжений при несимметричном режиме.
Список использованных источников
1.
Силюк С.М., Свита Л.Н. Электромагнитные переходные процессы в
электроэнергетических системах: методическое пособие к курсовой работе. - Мн.:
БНТУ, 2004.
.
Ульянов С.А. Электромагнитные переходные процессы в электрических системах. -
М.: Энергия, 1970.
.
ГОСТ28249-93 "Методика расчета КЗ в электроустановках переменного тока до
1кВ".
.
Пивняк Г.Г., Винославский В.Н., Рыбалко А.Я., Нессен Н.И. Переходные процессы в
системах электроснабжения.
.
Куликов Ю.А. Переходные процессы в электрических системах: Учебное пособие. -
Новосибирск: НГТУ, 2003.
.
Голубев М.Л. Расчет токов короткого замыкания в электросетях 0,4-35 кВ. 2-е
изд. перераб. и доп. - Учебное пособие. - Новосибирск: НГТУ, 1980.