Основные расчеты и параметры трансформатора

  • Вид работы:
    Контрольная работа
  • Предмет:
    Физика
  • Язык:
    Русский
    ,
    Формат файла:
    MS Word
    417,04 Кб
  • Опубликовано:
    2014-05-13
Вы можете узнать стоимость помощи в написании студенческой работы.
Помощь в написании работы, которую точно примут!

Основные расчеты и параметры трансформатора

Задача

Рассчитать однофазный двухполупериодный тиристорный выпрямитель без фильтра с активным сопротивлением нагрузки.

Действующее значение переменного тока в сети U1 считать равным 220В. Среднее значение выпрямленного напряжения Uн.ср.=48В. значение сопротивления нагрузки Rн=20 Ом

Решение.

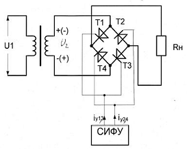
. Выбор схемы выпрямителя

Выбираем схему однофазного мостового выпрямителя. В его схему входят силовой трансформатор с одной вторичной обмоткой и выпрямительный мост из четырех диодов T1-T4.

Преимуществами мостовой схемы выпрямителя являются более простой трансформатор, имеющий только одну вторичную обмотку, и меньшее обратное напряжение, на которое следует выбирать диоды. Указанные преимущества компенсируют недостаток схемы, заключающийся в большом количестве диодов. Поэтому мостовая схема нашла преобладающее применение в выпрямителях однофазного тока небольшой и средней мощности.

Рис.

2. Расчет параметров выпрямителя при угле регулирования α=0°

Среднее значение выпрямленного тока


Величина среднего значения и максимального значения прямого тока вентиля


Максимальное (амплитудное) значение обратного напряжения на вентиле


Действующее значение напряжения на вторичной обмотке трансформатора


Коэффициент трансформации


Действующее значение токов обмоток трансформаторов


Расчетная типовая мощность трансформатора


. Для угла α=30° изобразим временные диаграммы

Рис.

4. Рассчитаем и построим регулировочную характеристику выпрямителя


Таблица

α,°

0

15

30

45

60

75

90

120

135

150

165

180

Uн.α

48

47

45

41

36

30

24

18

12

7

3

1,5

0


Регулировочная характеристика выпрямителя

Рис.

выпрямитель ток типовой мощность

Похожие работы на - Основные расчеты и параметры трансформатора

 

Не нашли материал для своей работы?
Поможем написать уникальную работу
Без плагиата!
Без нейросетей!