Трехфазные цепи
ОТЧЕТ
по
лабораторным работам
Трехфазные
цепи
Петров И.И. ФМ 111.
ЦЕЛЬ РАБОТЫ
Опытная проверка соотношений, связывающих напряжения и токи трёхфазных
цепей при соединении приёмников звездой и треугольником.
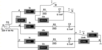
Задание 1. Запустить программную среду МS10 (щёлкнув мышью на команде Эксперимент меню
комплекса Labworks). В открывшемся окне Задания
щёлкнуть мышью на закладке Эксперимент 1.
На рабочем поле среды МS10
выведена схема для исследования трёхфазной цепи в различных режимах её
работы при соединении источника и приёмника по схеме звезда-звезда.
Для проведения экспериментов в схеме цепи установить следующие
режимы и параметры устройств и элементов:
- ЭДС фазы Еф = 220 В и частоту f = 50 Гц трёхфазного источника
напряжения FG;
- режим АС и сопротивление RV = 10 MОм вольтметров:
· Ulin (для измерения линейного напряжения);
· Ua,
Ub и Uс (ддя измерения фазных напряжений);
· UnN
(для измерения напряжения смещения нейтрали);
- режим АС и сопротивление RА = 1 mW амперметров:
· Ia,
Ib, Iс (для измерения фазных токов);
· In (для измерения тока в нейтральном проводе);
- назначить клавиши Q,
W и S клавиатуры для управления
ключами;
- значения сопротивлений фаз приёмника (нагрузки):
Za = Zb = Zc = R + jXL = [(20 + N) + j30], Ом для четных
вариантов N и
Za = Zb = Zc = R - jXС
= [(20 + N) - j30]=25-j30, Ом для нечётных вариантов,
После проверки собранной схемы и установки параметров элементов запустить
программу моделирования MS10
трёхфазной цепи в различных режимах (положение ключей Q, W и S и сопротивления фаз указаны в табл. 11.1).
Занести в табл. 11.1 показания измерительных приборов для четырёхпроводной и
трёхпроводной схем при равномерной и неравномерной нагрузках, а также при
обрыве и коротком замыкании фазы а.
По данным экспериментов построить векторную диаграмму фазных
напряжений и токов (в масштабе) потребителей четырёхпроводной цепи при
неравномерной нагрузке.
Скопировать схему цепи на страницу отчёта.
Задание 2. Воспользовавшись калькулятором ElCalc (подпрограммой
"Трёхфазные цепи"), построить векторные диаграммы фазных
напряжений и токов приёмника, соединённого звездой без нейтрального провода,
при неравномерной нагрузке, при режимах ХХ и КЗ в фазе а.
напряжение ток трехфазный приемник
Т а б л и ц а 11.1
После ввода модуля линейного напряжения Uл = 380 В и сопротивлений фаз (в
комплексной форме) на экран калькулятора ElCalc выводится комплекс
напряжения смещения нейтрали UnN, комплексы фазных напряжений Uа, Ub Uс и токов Iа, Ib Iс.
При моделировании режима ХХ (обрыва фазы) вводить Zф = Rф ³ 20 МОм (нормированное сопротивление
утечек при обрыве фазы), а режима КЗ - Zф = = Rф £ 0,1 Ом (нормированное сопротивление проводов при коротком
замыкании фазы), причём фазный ток Iа(кз) = 0 (при режиме КЗ фазы а), а ток IА в линейном проводе А протекает
по замкнутым контактам ключа W,
а не по элементам фазы.,
Обрыв а
.
Короткое замыкание.
Задание 3. В открывшемся окне Задания щёлкнуть мышью на закладке Эксперимент
2. На рабочем поле среды МS10
выведена схема для исследования трёхфазной цепи в различных режимах её
работы при соединении источника и приёмника по схеме звезда-треугольник.
Режимы и параметры устройств и элементов указаны в Задании 1.
После проверки собранной схемы цепи запустить программу MS10. Занести в табл. 11.2
показания измерительных приборов при равномерной и неравномерной нагрузках, в
том числе при обрыве фазы ca и
линейного провода C,
Позиции ключей и сопротивления фаз указаны в таблице 11.2. Убедиться в
равенстве фазных, а также линейных токов при равномерной нагрузке фаз
приёмника. Скопировать схему цепи на страницу отчёта.

По данным экспериментов построить векторные диаграммы фазных
напряжений, фазных и линейных токов схемы цепи при неравномерной нагрузке, в
том числе при обрывах фазы са и линейного провода С. Обратить
внимание на изменение линейных токов при обрыве фазы са и фазных токов
при обрыве линейного провода С.
Обрыв ca.
Обрыв линейного провода C.
Выводы по работе:
С помощью опыта, мы удостоверились в правильности соотношений,
связывающих напряжения и токи трёхфазных цепей при соединении приёмников
звездой и треугольником.