Расчет гидропневмопривода

  • Вид работы:
    Курсовая работа (т)
  • Предмет:
    Физика
  • Язык:
    Русский
    ,
    Формат файла:
    MS Word
    231,09 Кб
  • Опубликовано:
    2014-03-25
Вы можете узнать стоимость помощи в написании студенческой работы.
Помощь в написании работы, которую точно примут!

Расчет гидропневмопривода

Содержание

Введение

Исходные данные

. Рабочая жидкость

.1 Выбор жидкости

.2 Пересчет вязкости жидкости

.3 Пересчет на рабочее давление

. Рабочее давление

.1 Предварительный выбор давления в гидроприводе

. Расчет и выбор гидроцилиндра

.1 Расчет усилия на шток гидроцилиндра

.2 Расчет диаметра штока

.3 Расчет и выбор диаметра гидроцилиндра

.4 Расход жидкости силовым гидроцилиндром (Q, м3/с)

. Выбор насоса

.1 Расчет необходимой производительности насоса

.2. Выбор насоса для гидропривода

. Выбор гидроаппаратуры

.1 Выбор золотниковых распределителей

.2 Выбор клапана

.3 Выбор дросселей

.4 Фильтры (кондиционеры) рабочей жидкости

.5 Гидробак

. Расчет и выбор трубопроводов

.1 Расчетный внутренний диаметр каждого участка трубопровода

.2 Выбор диаметров труб

. Расчет потерь давления в гидросистеме

.1. Расчет потерь давления в трубопроводах

.2 Потери давления в гидроаппаратах

. Расчет необходимого давления на входе в гидродвигатель

.1 Расчет необходимого давления на входе в гидроцилиндр

.1.1 Сила трения в манжетах и уплотнительных кольцах

.1.2 Сила противодавления

.1.3 Динамическая сила (инерции)

. Расчет энергетических показателей гидропривода

Список литературы



Введение


Применение гидроприводов позволяет уменьшить вес и габариты машин, повышает их качество и надежность работы, дает возможность более широко использовать автоматизацию различных производственных процессов. Эти особенности обусловили использование гидропривода в горных машинах различного назначения, в авиации, вметаллообрабатывающих станках, в строительных, транспортных, дорожных машинах и др. Иногда в одной машине насчитывается по нескольку сотен единиц гидравлических агрегатов; протяженность трубопроводов при это достигает сотен метров. Примерами могут служить самолеты, водные суда, машины угольной и металлургической промышленностей,металлообрабатывающие станки и пр.

При всем многообразии схем гидропривода они могут быть объединены в одну общую структурную схему, показанную на рисунке1. Она включает в себя приводной двигатель (ПД), насос (Н), устройства управления и распределения потоков жидкости (У), гидродвигатель (ГД), приводящий в движение механизм (М).

Рисунок 1 - Структурная схема гидропривода.

Все эти звенья гидропривода связаны трубопроводами, по которым циркулирует рабочая жидкость. Кроме того, в гидроприводе используются различные вспомогательные устройства: фильтры для очистки жидкости, теплообменники (в случае необходимости) для ее охлаждения или подогрева, гидроаккумуляторы, маслобаки, уровнемеры. Настройка гидропривода и контроль при эксплуатации осуществляется с помощью контрольно- измерительной аппаратуры (манометров, термометров, расходомеров).

В силовых элементах гидропривода (насос, устройства управления, гидродвигатель, трубопроводы) происходит преобразование видов энергии (механической в гидравлическую - и обратно - в гидродвигателе), а ее передача и распределение - в трубопроводах и устройствах управления.

Геометрические, кинематические, силовые и гидравлические параметры строго взаимосвязаны между собой и последовательно могут быть определены с помощью расчетных формул. Поэтому одной из задач курсового проекта является усвоение этих взаимосвязей, получение навыков их количественной оценки и выбора всех агрегатов.

Исходные данные


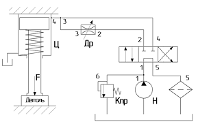
Рассчитать и выбрать все элементы гидропривода прижима деталей при их шлифовании, полировке, доводке и т. д. Схема привода показана ниже. Усилие прижима (F) настраивается предохранительным клапаном (Кпр) или дросселем (Др.), включенным параллельно цилиндру Ц.

Усилие, F(тс)

Ход поршня, (мм)

Скорость поршня, (м/с)

Скорость поршня, (м/с)

Температура, t, oC

l1-1=l5-5= l6-6 ,(м)

l4-4, (м)

l3-3= l2-2 ,(м)

0,6

150

0,15

0,15

15

3,0

2

1,5




1. Рабочая жидкость


1.1 Выбор жидкости

Рабочая жидкость является важнейшим элементом гидропривода, заполняющим всю его "кровеносную" систему. Именно посредством ее происходит преобразование и передача энергии от одного элемента к другому. В процессе циркуляции рабочая жидкость подвергается сильным кинематическим, температурным и силовым воздействиям. От правильного выбора рабочей жидкости в значительной степени зависит надежность и долговечность работы гидросистемы.

В качестве рабочей используются минеральные масла, водомасляные эмульсии с содержанием масла до 3% по объему, синтетические (силиконовые) жидкости. Важнейшими характеристиками рабочей жидкости являются: плотность (ρ; кг/м3), объемный модуль упругости всестороннего сжатия (Е; Па), а также вязкость, характеризуемая динамическим (μ) и кинематическим (υ) коэффициентами вязкости.

Эти коэффициенты связаны между собой соотношением

ν=μ/ρ(1)

где ρ - плотность жидкости, кг/м3

Очень часто вязкость жидкости указывается в условных градусах Энглера (оЕ), получаемых путем ее испытания в вискозиметрах Энглера. Для масел пересчет условных градусов Энглера в размерность системы СИ производится по следующим формулам ( μ- Н; с/м2; ν - м2/с) [1,2]

μ=0,0066оЕ-0,0057/оЕ, (2)

ν=(0,0731оЕ-0,0631/оЕ)*10-4 (3)

В таблицах 2 и 3 приведены основные характеристики масел и жидкостей, применяемых в гидроприводах. Следует отметить, что вязкость жидкостей в таблице 2 указана для условий : температура - плюс 50°С и атмосферном давлении I кгс/см2 (98100 Па0,1 МПА).

Для заданных температурных условий (t=15) из таблицы 2 в качестве рабочей жидкости принимаю масло И-12А.

Рабочая Жидкость (масла) Масла индустриальные (ГОСТ 20799-75)

Вязкость при 50оС и атмосферном давлении

Температура, оС

Предел рабочих Темпе

Плотность, кг/м3


сСт

оЕ

вспышки

застывания



И-12А

10-14

1,86-2,26

165

-30

-30…+40

880


.2 Пересчет вязкости жидкости

Вязкость рабочих жидкостей очень сильно зависит от ее температуры (см.табл. 3). При расчетах потерь давления в трубопроводах участвует коэффициент вязкости. Поэтому после выбора жидкости по табл.2;3 его необходимо пересчитать для заданных температурных условий (t, оС) работы гидропривода.

Пересчет кинематического коэффициента вязкости на заданную температуру производится по формуле [ 3 ]:

νt =ν50*e-α(t-50) *10-6, (м2/с) (4)

νt =ν50*e-0,03(15-50) *10-6 = 12*2,721,05 *10-6=34,32м2

где ν50 - вязкость при t=50 oC (cCт), α =0,025÷0,035; Принимаем α =0,03

где e - основание натуральных логарифмов

1.3 Пересчет на рабочее давление

νр=νt(1+КР)(5)

νр=34,32∙ (1+0,02∙1,25)=35,187 м2

где νр и νt - кинематические коэффициенты вязкости соответственно при давлении Р и заданной температуре; м2/с,

Р- давление масла, МПа;

К- коэффициент, зависящий от марки масла; при ν50 менее 15*10-6м2/с К = 0,02; при ν50> 15 м2/с К=0,03.

2. Рабочее давление


2.1 Предварительный выбор давления в гидроприводе

Величина давления в гидроприводе зависит от типа гидродвигателя исполнительного механизма.

Если гидродвигателем является гидромотор, то давление в гидросистеме принимается равным номинальному давлению предварительно выбранного или заданного типа гидромотора. Величина давления берется из его паспортных данных. Не исключено, что после выполненного гидравлического расчета всей гидросистемы необходимо будет принять другой, более подходящий тип гидродвигателя. (Это же относится к насосам и регулирующей аппаратуре). В этих случаях гидравлический расчет повторяется. Избежать повторных расчетов удается крайне редко, даже при большом опыте проектирования.

Предварительное давление в гидросистеме принимается в зависимости от усилия на его штоке.

Предварительные давления в гидроцилиндрах до 1,6 МПа

После выбора предварительной величины давления принимается стандартное давление на основе нормализованного ряда горного гидропривода (табл.5) и общего машиностроения (табл.6)

Рраб=1,25Мпа

Ру ≈ I,25 Рраб=1,6Мпа

Рпр ≈1,9 Рраб=2,4Мпа

3. Расчет и выбор гидроцилиндра


3.1 Расчет усилия на шток гидроцилиндра

Гидроцилиндр бывают различной конструкций в зависимости от назначения Усилие, передаваемое на шток, обеспечивается разностью давления , где , а  (  - потери давления в нагнетательной и сливной линиях). Обычно сумма потерь () не превышает 15% от . Тогда учитывая что =1,20 * F, при расчете необходимого диаметра поршня по формуле принимают равным  (номинальному давлению выбранного насоса).

=1,20 * F, (6)

где F - заданное усилие в Н.

=1,20 * 6000Н=7200Н,

3.2 Расчет диаметра штока

а) Из условия прочности диаметр сплошного штока (dш; м)

ш≥(7)

dш≥6,54мм=0,00654м.

принимаем dш=0,0065м, где Fш - расчетное усилие, Н; π= 3,14;

б) Расчет на устойчивость при продольном изгибе выполняется для штоков значительной длины, т.е. при условии:

К ∙ lш≥7,5 dш(8)

где lш - длина штока от места его крепления к поршню до точки приложения усилия F, м. Она может быть принята равной:

ш=1,25 ∙ lп, (9)

lш=1,25 ∙ 150мм=187,5мм=0,1875м

где lп - заданный ход поршня, м.

К - коэффициент, зависящий от способа закрепления штока в поршне и в месте приложения силы F (рис. 3): К = 0,5 - когда оба конца закреплены жестко (рис. 3-а); К = 0,7 - когда один конец закреплен жестко, а второй на шарнире (рис. 3-б); К = 2 - когда один конец закреплен жестко, а другой свободен (рис. 2-в).

Рисунок 3 - Зависимость "К" от способа закрепления штока.

Условие устойчивости штока при продольном изгибе [13, 14]

ш≤ π2ЕJ/К2lшnу,(10)

где nу - коэффициент запаса устойчивости, nу =1,4; π = 3,14

Е - модуль упругости материала штока. Для стали Е=2*1011Па; для чугуна Е=1*1011 Па

J - момент инерции поперечного сечения штока. Для сплошного круг-лого сечения диаметром dш , J= 0,049 . Для пустотелого круглого што-ка с наружным диаметром dш и внутренним (отверстия) dо J= 0,049 (-).

Диаметр отверстия в пустотелом штоке (dо; м) находят из условия скорости жидкости в нем, равной 3 м/с. То есть

 (11)

где D и ш - соответственно диаметр поршня, определяемый по формуле (15) и заданная скорость движения штока (м/с).

С учетом вышеизложенного из (11) получаем:

диаметр сплошного круглого штока, м

(12)

0,0065м=6,5мм,


3.3 Расчет и выбор диаметра гидроцилиндра

Внутренние диаметры поршневых гидроцилиндров, выпускаемых нашей промышленностью представлены нижеследующим стандартным рядом (в мм): 40, 45, 55, 60, 65, 68 ,75, 80, 85, 90, 100,110, 120, 126, 130, 140, 145, 150, 180, 200, 220. Здесь не отражены гидроцилиндры уникальных горных машин, кузнечнопрессового и другого оборудования.

Расчетный диаметр гидроцилиндра определяется по формуле

гидропривод шток дроссель трубопровод

 (13)

D==0,0757м

где - разность давлений (рис.2) е- принимают равной -номинальное давление насоса, Па.

Затем этот диаметр принимается равным ближайшему большему из вышеприведенного ряда.

Принимаем по ГОСТ D=80мм.

3.4 Расход жидкости силовым гидроцилиндром (Q, м3/с)

а)при подаче жидкости в бесштоковую полость (прямой ход)

 (14)

Q=3,14=0,7689л/с=46л/мин

где пх,ох - заданные скорости движения штока соответственно в прямом и обратном направлениях, м/с;

 - диаметры цилиндра и штока, м;

ηо - объемный КПД гидроцилиндра, ηо =0,98 [2].

4. Выбор насоса


.1 Расчет необходимой производительности насоса

Необходимая производительность насоса определяется на основании анализа гидравлической схемы с учетом обеспечения всех одновременно работающих гидродвигателей с заданными кинематическими параметрами.

н=1,1Qi,(15)

где n - число одновременно работающих гидроцилиндров или моторов;

Qi - расход i-тым гидродвигателем.

гидродвигателем является гидроцилиндр, его расход рабочей жидкости Q=0,7689л/с

4.2 Выбор насоса для гидропривода

Выбор насоса производится по необходимой производительности и давлению. По конструкции насосы разделяются на поршневые, плунжерные, шестеренчатые, пластинчатые и винтовые.

Выбираем винтовой насос МВН-1,5 Q=90л/мин, P=2,5Мпа.

5. Выбор гидроаппаратуры


По назначению гидроаппаратура разделяется на направляющую и регулирующую. Направляющая предназначена для изменения направления потока жидкости путем полного перекрытия (или открытия) проходного сечения в аппарате. К этой группе относятся: распределители (крановые, золотниковые, клапанные), обратные клапаны, гидрозамки и клапаны (выдержки времени, последовательности, логические).

Регулирующая гидроаппаратура служит для изменения (или поддержания) давления и расхода жидкости путем частичного перекрытия проходного сечения аппарата. Регуляторы бывают прямого и непрямого действия. Регуляторами давления являются: предохранительные, переливные, редукционные клапаны, а также клапаны соотношения и разности давления. К регуляторам расхода относятся: дроссели, регуляторы потока, дросселирующие распределители, клапаны соотношения расходов.

В схеме гидропровода не обязательно присутствие всех перечисленных выше аппаратов. В каждом конкретном случае необходимо стремиться к их минимальному набору, не забывая при этом о качестве функционирования и удобстве управления гидроприводом. По приведенным ниже таблицам 24, 25 выбираются золотники и различные клапаны. При формировании таблиц вынужденно преследовалась цель - их компактность. Поэтому в них отражены только основные показатели. Более подробные технические характеристики гидроаппаратов можно найти в работе [7] .

5.1 Выбор золотниковых распределителей

Золотники имеют наибольшее распространение в гидроприводе. Это объясняется простотой их изготовления, компактностью и высокой надежностью в работе. Они могут работать при весьма высоких давлениях (до 32 МПа) и значительно больших расходах, чем крановые распределители.

Золотники управления различаются по типу привода их управления, по количеству присоединяемых к ним линий (ходов), по числу позиций золотника, по фиксации положений золотника, по рабочему давлению и наибольшему расходу.

Г74-16 - четырехходовой реверсивный с ручным управлением Pраб=0,3-8Мпа,

№ п/п

Марки золотников по классификатору ЭНИМСа

Рабочее давление, МПа

Наибольший расход, л/мин

Утечки, см3/мин

Потери давления (МПа) при






прямой ход

обратный ход

1

2

3

4

5

6

7

Четырехходовые реверсивные с ручным управлением


Г74-16

0,3-8

140

50

0,2

0,2


5.2 Выбор клапана

Марки золотников по классификатору ЭНИМСа

Давление, МПа

Потери давления МПа

Расход, л/мин



Максим.

Миним


Максим.

Миним.

9.

ПГ52-16

5

0,3

-

140


.3 Выбор дросселей

Дроссели являются регуляторами расхода и представляют собой регулируемые местные сопротивления. У них изменяется площадь проходного отверстия и тем самым изменяется расход жидкости в линии их установки. В зависимости от формы проходного отверстия и регулирующего элемента дроссели делятся не щелевые, плунжерные, игольчатые, канавочные и пластинчатые. В некоторых типах дроссели объединены с другими регулирующими элементами, например с предохранительными или обратными клапанами. В табл. 26 приведены основные характеристики различных дросселей [7] .

Выбираем дроссель

№ п/п

Марки золотников по классификатору ЭНИМСа

Давление, МПа

Расход, л/мин



Максим.

Миним

Разность на входе и вых.

Максим.

Миним.

1

2

3

4

5

6

7

Регулируемые щелевые дроссели

2

Г77-14

5

-

0,35

70

1


.4 Фильтры (кондиционеры) рабочей жидкости

В общем машиностроении в основном требуется грубая (до I00 мкм) или нормальная (до 10 мкм) фильтрация, реже - тонкая (до 5 мкм). С этой целью наиболее широко применяют пластинчатые (щелевые) и сетчатые фильтры, основные характеристики которых приведены в таблицах 27 и 28 [3] . Перепад давления у них не превышает 0,1 МПа.

Выбираем фильтр 0,05С42-12, номер сетки 004, наименьший размер задерживаемых единиц 0,05, пропускная способность 180л/мин.

5.5 Гидробак

Гидробаки служат для хранения рабочей жидкости и питания системы гидропривода. В нем же происходит отстой и охлаждение жидкости, выпуск паров и воздуха. Его объем принимают равным двух-четырехминутной подаче насоса. Обычно бак делается сварным со съемной верхней крышкой, в которой предусматривается отверстие с пробкой и сетчатым съемным фильтром для заливки жидкости. Внутри устраивается переливная стенка, разделяющая бак на зону всасывания и слива. Она позволяет успокаивать жидкость и улучшать условия ее отстоя от частиц.

Номинальные емкости баков по ГОСТ 14065-68 должен соответствовать (в литрах): 1,0; 1,6; 2,5; 4,0; 6,3; 10; 16; 25; 40; 63; 100; 125; 160; 200; 250; 320; 400; 500; 630; 800; 1000; 1250; 1600; 2000; 2500; 3200; 4000; 5000; 6300; 8000; 10000 литров [13].

Всасывающий трубопровод располагают на небольшом расстоянии от дна, чтобы насос работал с некоторым подпором и исключалось засасывание осевших на дно твердых частиц. Сливная линия подводится параллельно дну на 1/3 высоты от дна.

В гидробаках устанавливают также фильтры и, при необходимости, теплообменные аппараты для нагрева или охлаждения рабочей жидкости.

Бак должен иметь устройство для контроля уровня жидкости - обычно в виде смотрового стекла.

Дня смены рабочей жидкости и слива отстоя бак снабжается спускными отверстиями, нижнее из которых (для слива отстоя) - с магнитной пробкой.

Принимаем емкости баков по ГОСТ 14065-68 250л.

6. Расчет и выбор трубопроводов


Исходными данными для выбора стандартных стальных трубопроводов и рукавов по таблицам 18, 19 являются принятое рабочее давление, расчетный внутренний диаметр трубопровода и минимально-допустимая толщина стенки. На данном этапе выполнения проекта эти величины становятся уже известными. Для удобства правильного расчета всех участков гидросистемы изображается схема гидропривода (повторяется из задания), на всех участках которой надписываются расходы (Q, м3/с), давления (P, МПа) и скорости движения (υ, м/с). Эти скорости принимаются равными: для всасывающих линий υвс=1÷1,2 м/с, для нагнетательных υн=3,5÷4 м/с, для сливных υсл=2÷3 м/с.

6.1 Расчетный внутренний диаметр каждого участка трубопровода

Расчетный внутренний диаметр каждого участка трубопровода (di, м) определяется по формуле

i =√4 Qi /πυ (16)

где Qi - расход жидкости на данном участке, м3/с;

υ - оптимальная скорость движения жидкости, м/с.

Диаметр трубопровода участка 1 и 4, где Qi =90л/мин, υ=4м/с

1,4 ==21,8мм

Диаметр трубопровода участка 4.1, где Qi =46л/мин, υ=4м/с

d4.1 ==15,6мм

Диаметр трубопровода участка 2,3, где Qi =44л/мин, υ=2м/с

2,3 ==21,6мм

Диаметр трубопровода участка 5,6, где Qi =90л/мин, υ=2м/с

5,6 ==30,9мм

Диаметр трубопровода всасывающего участка где Qi =90л/мин, υ=1м/с

вс==43,7мм

.2 Выбор диаметров труб

После определения расчетных внутренних диаметров выбираются стандартные трубы. Неподвижные трубопроводы выполняют из стальных бесшовных холоднодеформированных труб по ГОСТ 8734-75 из стали 20.

Радиус гиба (поворота) стальных труб должен составлять не менее их трех диаметров. Принимаем для всасывающего участка dвс - 57/50/3,5

Для нагнетательного участка 1, 4 d1,4 - 32/25/3,5

Для нагнетательного участка 4.1 d4.1- 25/19/3

Для сливного участка 2,3 d2,3- 32/25/3,5

Для сливного участка 5,6 d5,6- 45/38/3,5

7. Расчет потерь давления в гидросистеме


Расчет потерь давления выполняется с целью подтверждения предварительно принятого давления насоса и определения величины давления настройки клапана. От последнего зависит соблюдение заданных силовых характеристик гидродвигателей (усилия но штоке -для гидроцилиндров, моментов на валу - у гидромоторов и моментных гидроцилиндров).

Потери давления возникают при движении жидкости в трубопроводах и в гидроаппаратах.

.1 Расчет потерь давления в трубопроводах

Для их определения из общей схемы гидропривода выделяется главная, наиболее протяженная линия, которая на разных участках может иметь различные расходы жидкости и соответственно различные внутренние диаметры. Эту линию удобнее изобразить отдельно с указанием Q, l, d каждого участка и размещением не ней ее гидроаппаратов и всех поворотов (колен).

В случае необходимости рассматривается и другая линия (ветвь) гидросистемы.

Для каждого участка рассматриваемой линии определяется факти-ческая скорость движения жидкости (υ) с учетом ранее определенного расхода (Qi) и принятого стандартного диаметра трубопровода (di)

υ =21,2 Q/ d2,(17)

υ 1,4 =21,2х90/=3,05м/с ,

υ 4.1 =21,2х46/=2,7м/с ,

υ 5,6 =21,2х90/=1,3м/с ,

υ вс =21,2х90/=0,76м/с ,

где Q - л/мин; d - мм; υ - м/с.

Затем определяется число Рейнольдса на каждом (i-том) участке (ν-вяз-кость, найденная по формуле (6) в сСт; d - в мм)

е = 103 υ d / ν.(18)

Rе1,4 = 103х3,05х25 / 35,187=2167

Rе4.1 = 103х2,7х19 / 35,187=1458

Rе2,3 = 103х1,5х25 / 35,187=1065

Rе5,6 = 103х1,3х38 / 35,187=1404

Rе вс = 103х0,76х50 / 35,187=1080

а) Потери давления на каждом прямолинейном участке (∆р;Па) дли-ной l(м):

∆рi =500 λl υ2 ρ/d,(19)

∆р1,4 =500х (75/2167)х5х3,052 880/25=28333Па

∆р2,3 =500х (75/1065)х3х1,52 880/25=8366Па

∆р5,6 =500х (75/1404)х6х1,32 880/38=6271Па

де ρ - плотность рабочей жидкости, кг/м3;

l, d - длина участка (м) и его диаметр (мм);

λ - коэффициент гидравлического сопротивления участка трубопровода, определяемый по формулам:

λ =75/ Rе - при Rе ≤2320 (ламинарный режим)(20)

б) Потери давления на всех прямолинейных участках трубопровода - Δpl (Па):

Δpl =∆ рi, Па(21)

где n - количество последовательных участков с разными диаметрами и расходами.

Δpl = 28333+8366+6271=42970Па

в) Потери давления в местных сопротивлениях каждого участка трубопровода - ∆pмi (Па):

∆pмi =0,5ρ υ2  ξ(22)

∆pм1 =0,5х880х3,052х0,25х5=5116Па

∆pм2 =0,5х880х1,52х0,25х5=1237,5Па

∆pм3 =0,5х880х1,32х0,25х5=929,5Па

где m - количество местных сопротивлений на i -том участке трубопровода;

 - сумма коэффициентов местных сопротивлений на рассматриваемом участке.

Коэффициент местных сопротивлений принимаются:

Вход жидкости из полости в трубопровод ξвх=0,5;

Выход из трубы в полость ξвых=1,0;

Поворот трубопровода угловой ξк=1,1;

Поворот трубопровода плавный ξпов=0,25.

в) Потери давления во всех местных линиях трубопровода (кроме гидроаппаратуры) - ∆pм (Па):

∆pм =∑∆pмi(23)

∆pм=5116+1237,5+929,5=7383Па

г) Суммарные потери давления в трубопроводе -∆pт (МПа):

∆pт =(∆pl +∆pм)10-6.(24)

∆pт =(42970+7383) 10-6=0,05Мпа

7.2 Потери давления в гидроаппаратах

При номинальном расходе и вязкости жидкости, равной 20 сСт, потери давления (∆pн) в гидроаппаратах (золотниках, клапанах, дросселях, фильтрах и т.д.) принимаются по их паспортным данным (табл. 13, 14, 15). В случае отклонения фактического расхода ( Q ) от номинального ( Qн ) потери давления в гидроаппарате могут быть пересчитаны по формуле (∆pi, в МПа):

(25)

Δ=0,2()=0,012Мпа

Δ=0,35()=0,086Мпа

Суммарные потери давления (∆pга; МПа) во всех гидроаппаратах

∆pга =∆pi ,(26)

где К - количество последовательно включенных гидроаппаратов.

∆pга =0,012+0,086=0,098Мпа

7.3 Потери давления в гидросистеме

Суммарные потери давления в гидросистеме (∆pс; МПа) слагаются из суммарных потерь давления в трубопроводе (∆pт) и гидроаппаратах (∆pга):

∆pс =∆pт +∆pга.(27)

∆pс =0,05+0,098=0,148Мпа

8. Расчет необходимого давления на входе в гидродвигатель


.1 Расчет необходимого давления на входе в гидроцилиндр

Для обеспечения заданного усилия на конце штока (R) сила давления рабочей жидкости на поршне гидроцилиндра (Rп) должна составлять (Н):

п =R+ Ттр+ Тпр+ Тдин,(28)

где Ттр- сила трения в конструктивных элементах (в основном в уплотнениях, н;

Тдин - динамическая сила (инерции), н;

Тпр - сила противодавления, обусловленная давлением жидкости в сливной линии, н.

8.1.1 Сила трения в манжетах и уплотнительных кольцах

Величина этой силы (Ттр) зависит от типа уплотнения (манжеты, кольца, сальники) и площади контакта уплотнения. Суммарная сила трения (Ттр) слагается из силы трения штока в манжетах (Тм) и силы трения колец поршня о гидроцилиндр (Тк):

Ттр = Тмн + Тк(29)

Сила трения в манжетах (н):

Тмн =ƒмπ dш lм Pp(30)

Тмн =0,15х3,14х0,0065х0,005х90х=1377,7Н

Сила трения поршневых колец о цилиндр (н):

Тк = ƒкπDּℓк (iּPк+Pp),(31)

Тк =0,15х3,14х0,08х0,004х(2х9+1,25х)=188,4Н

где ƒм и ƒк - коэффициенты трения манжет и разрезных чугунных поршневых колец; fм≈fк≈0,15;

lм и lк- ширина манжеты и кольца, м. При dш =15-90 мм lм можно ориентировочно принимать равным 5-20мм. Для Д= 40... 300 мм lк≈3,2-8 мм;

Pp - рабочее давление жидкости, Па;

i - число поршневых колец, i=2-4 ;

Pк - удельное давление чугунного кольца на цилиндр, Pк=9Па.

Ттр =1377,7+188,4=1566,1Н

8.1.2 Ñèëà ïðîòèâîäàâëåíèÿ

Ñèëà ïðîòèâîäàâëåíèÿ (Òïð) âîçíèêàåò èç-çà íàëè÷èÿ äàâëåíèÿ â ñëèâíîì òðàêòå ãèäðîäâèãàòåëÿ, êîòîðîå ñîçäàåòñÿ èñêóññòâåííî, îáû÷íî ïóòåì äðîññåëèðîâàíèÿ, äëÿ ïîëó÷åíèÿ áîëåå ðàâíîìåðíîé ñêîðîñòè øòîêà è ïðåäóïðåæäåíèÿ ïîïàäàíèÿ âîçäóõà íà ó÷àñòêå ãèäðîöèëèíäð-ðàñïðåäåëèòåëü.

Òïð = Pïðπ(Ä2-dø2)/4,(32)

ãäå Pïð- âåëè÷èíà ïðîòèâîäàâëåíèÿ (Ïà), îïðåäåëÿåìàÿ ïî ôîðìóëå âåðòèêàëüíûõ ãèäðîöèëèíäðîâ:

Pïð=3*105+4G/π Ä2,(33)

ãäå G - âåñ ïîäâèæíûõ ÷àñòåé (ïîðøåíü, øòîê, ïóàíñîí è ò.ä.), í.

=mg

m= ρV

ïëîòíîñòü ñòàëè 45 ρ=7810êã/

=7810õ3,14õ=0,5Í

=7810õ3,14õ=15,4Í

G=15,9Í

Pïð=3õ105+=303165Ïà

Òïð = Pïðπ(Ä2-dø2)/4,

Òïð =303165õ3,14õ()=6052Í

8.1.3 Äèíàìè÷åñêàÿ ñèëà (èíåðöèè)

Ñèëà èíåðöèè âîçíèêàåò ïðè ðàçãîíå è òîðìîæåíèè ïîäâèæíûõ ÷àñòåé (ïîðøåíü, øòîê, ïóàíñîí è ò.ä.); í

Òäèí = Ìï*∆ν/ ∆t,(34)

ãäå ∆ν - èçìåíåíèå ñêîðîñòè øòîêà, ì/ñ. Åå ìîæíî â îáùåì ñëó÷àå ïðèíèìàòü ñêîðîñòè ïðÿìîãî õîäà;

∆t - âðåìÿ ðàçãîíà èëè òîðìîæåíèÿ, ñ;

Ìï - ìàññà ïîäâèæíûõ ÷àñòåé ãèäðîöèëèíäðà, êã.

Ìï=(3,14õõ0,1875+3,14õõ0,4)õ7810=1,62êã

Òäèí =1,62õ=0,243Í

Rï = 7200+1566,1+6052+0,243=14818,3Í

Íåîáõîäèìîå äàâëåíèå íà âõîäå â ãèäðîöèëèíäð, ÌÏà

âõ =4 Rï / π Ä2*106 . (35)

Pâõ = =2,95Ìïà

Äàâëåíèå íà âõîäå íàñîñà, íà êîòîðîå äîëæåí áûòü íàñòðîåí ãèäðîàïïàðàò óïðàâëåíèÿ (ïåðåëèâíîé, ðåäóêöèîííûé èëè ïðåäîõðàíèòåëüíûé êëàïàíû):

í = Pâõ + ∆pñ

Pí = 2,95+0,148=3,1Ìïà

9. Ðàñ÷åò ýíåðãåòè÷åñêèõ ïîêàçàòåëåé ãèäðîïðèâîäà


Ìîùíîñòü ïîòîêà ðàáî÷åé æèäêîñòè íà âûõîäå (ìîùíîñòü íàñîñà) - Ní.âûõ (êÂò)

í.âûõ = Pí * Qí /60,(36)

Ní.âûõ =3,1õ90/60=4,65êÂò

ãäå Pí - äàâëåíèå ïîñëå íàñîñà, ÌÏà

Qí - ïðîèçâîäèòåëüíîñòü íàñîñà, ë/ìèí.

Ìîùíîñòü íà âàëó íàñîñà - Ní.âõ(êÂò)

í.âõ = Ní.âûõ /ηí,(37)

Ní.âõ =4,65/0,6=7,75êÂò

ãäå ηí - îáùèé ÊÏÄ íàñîñà, ðàâíûé [2]: 0,67-0,85 - äëÿ ðàäèàëüíûõ ðîòîðíî-ïîðøíåâûõ; 0,8-0,9 - äëÿ àêñèàëüíûõ ðîòîðíî-ïîðøíåâûõ; 0,5-0,7 - äëÿ øåñòåðåííûõ; 0,55-0,75 - äëÿ ïëàñòèí÷àòûõ íàñîñîâ.

Íåîáõîäèìàÿ ìîùíîñòü ïðèâîäíîãî äâèãàòåëÿ - Nä (êÂò)

ä =1,25 Ní.âõ / ηï,(38)

Nä =1,25õ7,75/1=9,69êÂò

ãäå ηï - ÊÏÄ ïåðåäà÷è: äëÿ ìóôòû ηï =1,0; äëÿ çóá÷àòîé ïåðåäà÷è ηï =0,94-0,96.

Àêòèâíàÿ ìîùíîñòü ïîòðåáëÿåìàÿ ïðèâîäíûì äâèãàòåëåì - Nä.âõ(êÂò):

Nä.âõ = Ní.âõ / ηï ηä,(39)

Nä.âõ =7,75/1õ0,8=6,2êÂò

ãäå ηä - ÊÏÄ äâèãàòåëÿ. Äëÿ àñèíõðîííûõ ýëåêòðîäâèãàòåëåé ηä =0,75-0,86; äëÿ ñèíõðîííûõ ηä =0,90-0,96.

Ñïèñîê ëèòåðàòóðû


1.       Áîðèñîâ Ô.È. "Òåîðèÿ è ðàñ÷åò ãèäðîïíåâìîïðèâîäà" Ó÷åá. Ïîñîáèå/Ãîñ. Îáðàç. Ó÷ðåæäåíèå "ÃÓÖÌèÇ". - Êðàñíîÿðñê, 2003

.        Áîðèñîâ Ô.È. "Ãèäðàâëèêà è ãèäðîïðèâîä" Ìåòîä. Óêàçàíèÿ ïî âûïîëíåíèþ êóðñîâîé ðàáîòû. "ÃÓÖÌèÇ". - Êðàñíîÿðñê, 1991

.        Áîðèñîâ Ô.È. "Ãèäðàâëèêà è ãèäðîïðèâîä" Ëàáîðàòîðíûé ïðàêòèêóì. "ÃÓÖÌèÇ". - Êðàñíîÿðñê, 1995

.        Áàøòà Ò.Ì. "Ãèäðîïðèâîä è âèäðîïíåâìîàâòîìàòèêà" Ì., "Ìàøèíîñòðîåíèå", 1972

.        Ãåéåð Â.Ã. "Ãèäðàâëèêà è ãèäðîïðèâîä" Ì.:Íåäðà 1970

Ðàçìåùåíî íà Allbest.ru


Не нашли материал для своей работы?
Поможем написать уникальную работу
Без плагиата!
Без нейросетей!