Расчет гидросистемы привода конвейера каналокопателя ЭТР-270
Курсовой проект
по дисциплине «Гидропневмопривод»
«Расчет гидросистемы привода
конвейера каналокопателя ЭТР-270»
Выполнил
студент группы 4332/1
Васечкин И.Г.
Преподаватель:
Подсолнухов Г.В.
Санкт-Петербург 2012
Содержание
Введение
. Проектировочный
расчёт
.1
Выбор масла
.2
Расчет и выбор гидродвигателя
.3
Расчет и выбор насоса
.4
Расчет и выбор трубопровода
.5
Выбор регулировочной и вспомогательной аппаратуры
.5.1
Выбор предохранительного клапана
.5.2
Выбор фильтра
.5.3
Выбор манометра
.
Проверочный расчет
.1
Расчет КПД передачи
.2
Тепловой расчет
Выводы
Список
литературы
Введение
В данной
работе требуется произвести расчёт, выбрать стандартное гидравлическое
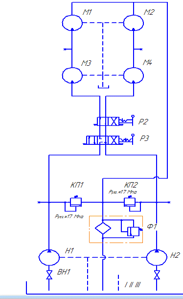
оборудование гидросистемы привода конвейера экскаватора. Принципиальная схема
гидросистемы представлена на рис.1.

Рис. 1.
Принципиальная схема гидросистемы
Состав
гидросистемы:
Н - насос;
КП - клапан
предохранительный;
М -
гидромотор;
Ф - фильтр;
ВН - вентиль;
Р -
распределитель
Экскаваторы-каналокопатели
предназначены для рытья мелиоративных каналов. Э.-К. перемещают грунт в
сторону, образуя дамбы (кавальеры), или разбрасывает его тонким слоем по
прилегающей к каналу площади. Различают Э.-К. с активными (фрезерные,
шнекороторные), пассивными (плужные) и комбинированными (плужнороторные)
рабочими органами. У двухфрезерного Э.-К. рабочий орган состоит из двух
дисковых конусных фрез, на торцах которых установлены ножи для разработки
грунта, а на внутренней конической поверхности - лопатки для его удаления.
Вращаясь снизу вверх, фрезы прорезают узкие щели вдоль откосов, в средней части
канала. Грунт обрушивается на фрезы, измельчается и отбрасывается лопатками по
обе стороны на расстояние до 10 м. У шнекороторных экскаваторов-каналокопателей
рабочий орган состоит из ротора и двух конических шнеков. Ковшами ротора
разбрасывается грунт средней части канала, наклонными шнеками - грунт вдоль
откоса. Оставшаяся часть грунта обрушивается, перемещается шнеками к ковшам
ротора, которыми подаётся на два ленточных транспортёра, и отваливается в дамбы
и кавальеры. Плужные Э.-К. имеют плоский сменный лемех, подъёмно-отвальные
поверхности для подрезания, подъёма и перемещения грунта. Плужно-роторный Э.-К.
состоит из рамы с отвалом, блока трансмиссии с ротором, кожуха и гидросистемы
управления. Вращаясь снизу вверх, ротор разрабатывает один откос и часть
сечения канала и удаляет весь грунт в дамбу; пассивным отвалом подрезается
оставшаяся часть грунта и перемещается к ротору.
Известные
модели Э.-К.: МК-16 (Т-130.1.Г-1), МК-17 (ДТ-75Б), МК-19 (Т-4А), ЭТР-125А
(Т-130Г-3), ЭТР-153 (Т-130Г-3), ЭТР-206А (Т-130 мелиоративное шасси), ЭТР-207
(Т-130Г), ЭТР-208 (Т-130 мелиоративное шасси) и др.
Техническая
характеристика каналокопателя ЭТР - 207:
Тип рабочего
органа : Шнекороторный
Базовый
трактор: Т-130 Г
Мощность:
N=118 кВт
Профиль
канала : Параболический
Глубина
канала: 2 м
Ширина
канала: 5.16 м по верху
Производительность:
318 м”’/ч
.
Проектировочный расчёт
.1 Выбор
масла
В качестве рабочей жидкости выбираю масло АМГ-10:
Плотность при +20С: не более 850 кг/м3;
вязкость при - 50С: не более 1250 м2/с;
1.2 Расчет
и выбор гидродвигателя
Рабочий объем гидромотора определим по формуле:
-
момент сопротивления на гидромоторе,
1 - момент сопротивления на одном гидромоторе1
- рабочее давление в гидросистеме. Примем P1=30МПа [1,
стр.73];2 - давление в сливной полости. Примем P2=1МПа.
Таким
образом, имеем:
.
Выберем
гидромотор 210.20
Аксиально-поршневой
нерегулируемый гидромотор
Технические
характеристики выбранного гидромотора:
Таблица
1.
|
Параметр
|
Значение
|
|
Рабочий объем, см3 /об.
|
54.8
|
|
Номинальное давление, МПа
|
16
|
|
Максимальное давление, МПа
|
25
|
|
Макс. частота вращения,
об/мин
|
3150
|
|
Мощность потребляемая
насосом при ном. числе оборотов и давлении, кВт
|
25,7
|
|
Крутящий момент,
номинальный Нм
|
139
|
|
Крутящий момент,
максимальный Нм
|
218
|
|
Объемный КПД гидромотора
|
0,95
|
|
Марка рабочей жидкости,
летом
|
АМГ-10
|
|
Масса
|
23
|
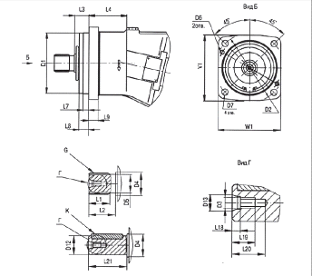
Размеры выбранного гидромотора:
Рис.2 Габаритные размеры гидромотора
Рис.3 Присоединительные размеры гидромотора
1.3 Расчет
и выбор насоса
На первой стадии определяется расчетный расход, требуемый для
гидродвигателя:
зад - частота вращения вала
насоса;
ηvгм - объемный КПД гидромотора.
Таким
образом:
(т.к.
имеем 4 гидромотора)
Рассчитаем
значение расчетного объема мотора:
перв.дв. - частота вращения
первичного двигателя. Примем его частоту равную 1500 об/мин.
Имеем:
Выберем
шестеренный гидронасос PGH4-3X/025E11VU2
Технические
характеристики выбранного гидронасоса:
Таблица
2
|
Параметр
|
Значение
|
|
Рабочий объем, см3
|
25,3
|
|
Номинальное давление, МПа
|
|
Максимальное давление, МПа
|
350
|
|
Макс. частота вращения,
об/мин
|
3000
|
|
Мощность, потребл. при
номин. числе оборотов и давлении, кВт
|
20.3
|
|
КПД механический
|
0.95
|
|
Масса, кг
|
14,5
|
1.4 Расчет
и выбор трубопровода
Действительный расход насоса:
.
· Определим размеры всасывающего трубопровода:
,
где
- рекомендуемая скорость движения рабочей жидкости по
всасывающей гидролинии,
. Таким образом:
.
По
ГОСТ 8732-78 выбираем в качестве трубопровода стальные трубы бесшовные
холоднодеформированные:
где
68мм - наружный диаметр трубы;
мм
- толщина стенки.
· Определим размеры напорных трубопроводов:
,
,
-
рекомендуемая скорость движения рабочей жидкости в напорной гидролинии:
Таким
образом:
,
,
По ГОСТ 8734-75 выбираем в качестве трубопровода стальные трубы бесшовные
холоднодеформированные:
где
28мм - наружный диаметр трубы;
мм
- толщина стенки.
где
22мм - наружный диаметр трубы;
,4мм
- толщина стенки.
· Определим размеры сливных трубопроводов:
,
,
где
- расчётный внутренний диаметр гидролиний 10 и 11(см.
рис. В.1);
-
расчётный внутренний диаметр гидролиний 5,12 и 13;
-
рекомендуемая скорость движения рабочей жидкости по сливной гидролинии:
Таким
образом:
,
По
ГОСТ 8734-75 выбираем в качестве трубопровода стальные трубы бесшовные
холоднодеформированные:
где
30мм - наружный диаметр трубы;
,8
мм - толщина стенки.
где
36мм - наружный диаметр трубы;
мм
- толщина стенки.
1.5 Выбор
регулировочной и вспомогательной аппаратуры
1.5.1
Выбор предохранительного клапана
Предохранительные клапаны предохраняют гидропривод от давления,
превышающего установленное значение. Они действуют лишь в аварийных ситуациях,
пропуская масло из напорной магистрали в сливную.
Выбор
предохранительного клапана осуществляем по диаметру условного прохода dУ.
Принимаем:
Давление
на клапане:
Таким
образом, выбираем предохранительный клапан типа 20-200-1-11
Таблица
3
|
Параметр
|
Значение
|
|
|
Условный проход, мм
|
20
|
|
|
Номинальное давление, МПа
|
200
|
|
|
Минимальное давление, МПа
|
5
|
1
|
|
|
Номинальный поток, л/мин
|
100
|
|
|
Минимальный поток, л/мин
|
5
|
|
|
Масса, кг
|
6,8
|
|
|
Утечка раб. жидкости через
полностью закрытый дроссель, л/мин
|
0,2
|
1.5.2
Выбор фильтра
Фильтр ставится перед аппаратом, который необходимо защитить. Поскольку у
нас он стоит на сливной магистрали, то он предотвращает загрязнение насоса.
Выбираем фильтр сливной по диаметру условного прохода dу:
Имеем
сливной фильтр марки 1.1.32-25:
32
- номинальное давление до 32 МПа;
25
- номинальная тонкость фильтрации = 25мкм;
Проверка
выбранного фильтра:
номинальный
расход:
;
номинальное
давление:
;
номинальный
перепад давлений 0,08 МПа.
1.5.3
Выбор манометра
Выбираем манометр МТП-100/1-ВУ-400-2.5, где
МТП - манометр с трубчатой пружиной показывающий;
100 - диаметр корпуса, d=100мм;
ВУ - виброустойчивый;
-
400 - верхний предел измерений:
;
2,5
- класс точности.
Рис.4
Габаритные и присоединительные размеры манометра по ГОСТ 8625-77
2.
Проверочный расчет
2.1 Расчет
КПД передачи
гидросистема привод конвейер каналокопатель
Общий КПД гидропередачи:
ηVГП - объемный КПД гидропередачи;
ηГМГП - гидромеханический КПД гидропередачи.
Рассчитаем
ηVОБ:
ηVН - объемный КПД насоса, ηVН=0.90;
ηVГМ - объемный КПД гидромотора, ηVГМ=0.95;
ηVГА - объемный КПД гидроаппаратуры, от которой в бак
отходит дренаж, ηVГА≈1;
ηVТР - объемный КПД трубопровода, ηVТР≈1.
Имеем:
Гидромеханический
КПД передачи:
ηГМН - гидромеханический КПД насоса, ηгмН=0.90;
ηГМГМ - гидромеханический КПД гидромотора, ηгмГМ=0.93;
ηГМТР+ГА - гидромеханический КПД трубопровода и гидроаппаратуры.
Он равен:
ΔPН - потери
давления в напорной магистрали;
ΔPСЛ -
потери давления в сливной магистрали;
ΔPВС -
потери давления во всасывающей магистрали.
ΔPL -
суммарные потери по длине на каждом участке магистрали;
ΔPM -
суммарные местные потери на каждом участке магистрали;
ΔPГ/А -
суммарные потери в гидроаппаратуре на каждом участке магистрали;
Потери
по длине:
λ- коэффициент Дарси;- длина магистрали;диаметр
магистрали;
ρ - плотность рабочей жидкости.
при
;
при
;
ν
- вязкость рабочей жидкости [м2/с].
В соответствии с рекомендациями, приведенными в технической документации к
выбранному ранее гидромотору, выберем в качестве рабочей жидкости масло VG 46 с
ν=33мм2/с и рекомендуемой температурой
жидкости от 40оС до 70оС.
Результаты давления
представим в таблице:
Таблица 4
|
Гидролиния
|
li
|
Re
|
Sl i, м
|
d i, м
|
v i, м/с
|
Dp Li, МПа
|
|
Всасывающая(№1)
|
2019
|
0,10
|
0,056
|
1,19
|
0,00004
|
|
Напорная 1(№№2;3;4)
|
0,039
|
4539
|
0,60
|
0,025
|
5,99
|
0,01548
|
|
Напорная 2(№№6-9)
|
0,043
|
3018
|
5,00
|
0,020
|
4,98
|
0,12290
|
|
Сливная 1(№№10;11)
|
0,041
|
1832
|
3,00
|
0,031
|
1,95
|
0,00696
|
|
Сливная 2(№№5;12;13)
|
0,044
|
2698
|
1,00
|
0,042
|
2,12
|
0,00217
|
|
Суммарные потери 0,14755
|
|
Определим местные потери как на участках магистралей, так и на
гидроаппаратуре.
Значение местных потерь определим по формуле Вейсбаха-Дарси:
ξ - суммарный коэффициент местных потерь в трубопроводе.
· Определим местные потери во всасывающем трубопроводе.
Таблица 5. Коэффициенты местных потерь во всасывающем трубопроводе, [5],
стр.448-449
|
№
|
Вид местных сопротивлений
|
Количество
|
x
|
Sx
|
|
1
|
Переходник (штуцер)
|
1
|
0,1
|
0,1
|
|
2
|
Сужение
|
1
|
0,5
|
0,5
|
|
xS
|
0,6
|
Имеем:
· Определим местные потери в напорных магистралях.
Таблица 6. Коэффициенты местных потерь в напорных трубопроводах
|
№
|
Вид местных сопротивлений
|
Количество
|
x
|
Sx
|
|
1
|
Тройник
|
3
|
1
|
|
2
|
Дроссель
|
2
|
2
|
4
|
|
3
|
Редукционный клапан
|
2
|
3
|
9
|
|
4
|
Предохранительный клапан
|
1
|
3
|
3
|
|
5
|
Сужение
|
1
|
0,5
|
0,5
|
|
6
|
Поворот
|
7
|
0,2
|
|
|
xS
|
19,0
|
Имеем:
· Определим местные потери в сливных магистралях.
Таблица 7. Коэффициенты местных потерь в сливных трубопроводах
|
№
|
Вид местных сопротивлений
|
Количество
|
x
|
Sx
|
|
1
|
Фильтр
|
1
|
2,5
|
2,5
|
|
2
|
Расширение
|
2
|
0,8
|
0,64
|
|
xS
|
3.14
|
Имеем:
Суммарные
потери давления в каждой из магистралей составляют:
Далее
определяем ηГМТР+ГА - гидромеханический КПД трубопровода и
гидроаппаратуры:
Гидромеханический
КПД передачи:
Общий
КПД гидропередачи:
2.2
Тепловой расчет
Тепловой расчёт системы выполняется с целью определения установившейся
температуры рабочей жидкости, определения размеров бака и необходимости
применения в гидросистеме теплообменников.
Уравнение теплового баланса:
ВЫД - выделенное количество
теплоты;ОТВ - отведенное количество теплоты;
ηОБЩН - общий КПД насоса;
КВР
- коэффициент использования гидропередачи по времени;
КРРАБ
- коэффициент использования гидропередачи по рабочему давлению.
Допустим
каналоочиститель работает в среднем по 4 часов за смену, при этом рабочая
нагрузка не всегда принимает максимальное значение. Тогда:
КВР=0.5,
КРРАБ=0.5
Имеем:
Количество теплоты, отводимое от системы, можем определить по формуле:
где
- коэффициент теплопередачи,
;
- сумма
площадей поверхности всех элементов гидропередачи.
где
Sбак - площадь наружной поверхности бака;j - площадь
поверхности гидроаппаратуры; Sj=0.3Sбак.
Таким
образом,
.
Бак
считаем параллелепипедом
где
- объем бака.
Определяем
температуру рабочей жидкости:
где
tо.с.i - температура окружающей среды: летом - 20 оС;
зимой
- -10 оС.
Температура
рабочей жидкости не превышает допустимых значений, следовательно, применять
теплообменник или подогреватель не обязательно.
Выводы
В данной курсовой работе был произведен предварительный расчет
гидросистемы привода рабочего органа каналоочистителя. На основе полученных
результатов можно сделать следующие выводы о работе рассчитанного гидропривода:
· гидросистема
с полученными параметрами является вполне работоспособной; общий КПД
гидропередачи составляет 75%. Полученный КПД характерен практически для всех
гидравлических приводов, он не является высоким и сопоставим с КПД механических
передач, однако гидропривод обеспечивает бесступенчатое изменение скорости
рабочего органа машины, а этот критерий является одним из основополагающих при
выборе типа привода. Невысокое значение КПД следует из невысокого значения
объемного КПД шестеренного насоса (
), что
привело к большим утечкам на гидроаппаратуре. Данный фактор отрицательно влияет
и на окружающую среду;
· в условиях
неопределенности при температуре t=50 оС была выбрана рабочая
жидкость (масло АМГ-10 с диапазоном рекомендуемых температур от -50 до +40 оС),
и произведен тепловой расчет с целью определения температуры рабочей жидкости в
разное время года (лето и зима соответственно). Температура рабочей жидкости
при использовании машины летом полностью соответствует рекомендациям производителя
масла. Рассчитанная температура рабочей жидкости позволяет обойтись без
установки дополнительных устройств (теплообменник или подогреватель), что не
влечет за собой лишних денежных вложений.
Список литературы
1. Рабочая
тетрадь к лекциям по курсу «Гидравлика и гидропневмопривод» часть вторая,
Ащеулов А.В.;
2. Курсовое
и дипломное проектирование по гидроприводу строительных и дорожных машин С.В.
Каверзин, 1984 г.
. «Станочные
гидроприводы», Свешников В.К., Усов А.А., 1988 г.;
. Сайт
www.AVS-RUS
. ГОСТ
8734-75;
. ГОСТ
16026;