Механизм действия гидравлических систем
Курсовая работа
По предмету "Гидравлика и
гидропневмопривод"
Содержание
1. Введение
2. Выбор рабочей жидкости
3. Расчет гидравлического цилиндра
4. Расчет расхода жидкости при перемещениях рабочих органов
5. Расчет подачи насоса и его выбор
6. Расчет трубопроводов и их выбор
7. Выбор гидроаппаратуры
8. Расчет потерь давления в гидросистеме
9. Тепловой расчет гидросистемы
Заключение
Список использованной литературы
1.
Введение
В силовых столах агрегатных станков и автоматических линий, а
также в других гидрофицированных механизмах обычно реализуется следующий цикл
движения рабочего органа: исходное положение "Стоп", при котором
производится установка и закрепление заготовки, и снятие обработанной детали,
быстрый подвод заготовки к зоне обработки, одна или две рабочих подачи, быстрый
или медленный отвод в исходное положение.
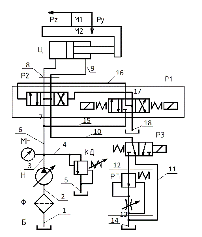
Рис. 1 - Принципиальная гидравлическая схема привода
Для схемы № 1 описание работы будет иметь следующий вид:
Исходное положение "Стоп"
Б-1-Ф-2-Н-3-4-КД-5-Б
|
-7-Р2 (ср) - 10-Р3 (л) - 11-14-Б
|
-Р3 (ср)
Быстрый подвод (вправо)
Б-1-Ф-2-Н-3-6-7-Р2 (л) - 8-Ц/Ц-9-Р2 (л) - 10-Р3 (л) - 11-14-Б
| |
| 15-Р1 (л) - 16-Р2/Р2-17-Р1 (л) - 18-Б
|
-КД (з)
Рабочая подача (вправо)
Б-1-Ф-2-Н-3-6-7-Р2 (л) - 8-Ц/Ц-9-Р2 (л) - 10-Р3 (пр) -
12-РП-13-14-Б
| |
| 15-Р1 (л) - 16-Р2/Р2-17-Р1 (л) - 18-Б
|
-КД-5-Б
Быстрый отвод (влево)
Б-1-Ф-2-Н-3-6-7-Р2 (пр) - 9-Ц/Ц-8-Р2 (пр) - 10-Р3 (л) -
11-14-Б
| |
| 15-Р1 (пр) - 17-Р2/Р2-16-Р1 (пр) - 18-Б
|
-КД (з)
Исходное положение "Стоп"
см. п.1.
2. Выбор
рабочей жидкости
В гидравлических системах рабочая жидкость выполняет
несколько функций:
служит для передачи энергии от насоса к гидродвигателю;
смазывает поверхность трения внутри гидравлических агрегатов
и аппаратов;
предотвращает коррозию;
способствует отводу тепла от источников его выделения;
Основным параметром, по которому производится выбор рабочей
жидкости, является ее вязкость. При завышении вязкости увеличиваются потери
давления, и увеличивается нагрев системы. Если же вязкость недостаточна,
увеличиваются утечки жидкости из полостей высокого давления, уменьшается
объемный КПД системы, усложняется уплотнение стыков и подвижных соединений.
В станочных гидроприводах и приводах промышленных роботов при
температуре 50°С рекомендуются к применению рабочие жидкости со следующей
кинематической вязкостью:
при давлении до 7 МПа
при давлении 7-20 МПа
В качестве рабочей жидкости по [1] с.12-13 таб.1.1, выбираем
ИГП-30
ТУ38 101413-78, кинематической вязкостью
и плотностью 885кг/м3.
3. Расчет
гидравлического цилиндра
В процессе работы рабочие органы станка, перемещаемые
цилиндром, преодолевают силы резания (Pz и Py), силы трения и веса, а
при переходных режимах (разгоне и торможении) - инерционные нагрузки (не
учитывают).
Для определения расчетной нагрузки на штоке цилиндра составим
уравнение равновесия всех внешних сил.
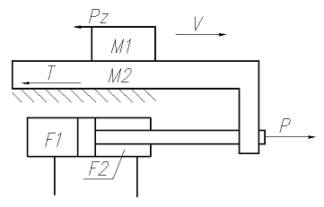
Рис. 2 - Расчетная схема цилиндра горизонтального исполнения
При горизонтальном исполнении элементы цикла "Быстрый
подвод", "Рабочая подача" осуществляется движением рабочего
органа вправо, а элемент "Быстрый отвод" - движением влево.
Уравнение равновесия:
(Н)
(Н)
где Т - сила трения, Н;
M1 и M2 - массы заготовки и стола, кг;
g - ускорение свободного падения, м/с2;
f - коэффициент трения в направляющих стола, (f = 0,05-0,08).
(Н)
(Н)
где
и
- площади поршневой и штоковой полостей цилиндра, мм2;
D и d - диаметры поршня и штока, мм;
p1 и p2 - давление в напорной и сливной линии,
МПа;
kt - коэффициент,
учитывающий трение в уплотнениях цилиндра.
Диаметр цилиндра определяем по формуле:
где с - отношение d к D;
где v1 и v4 - скорости подвода и отвода, м/с.
Давление p1 и p2 выбираем из ряда номинальных давлений по ГОСТ 12445-80, p1=6.3 МПа и p2=0.5 МПа.
(мм)
Диаметр штока гидроцилиндра определяем по формуле:
(мм)
(мм)
Расчетные значения диаметров цилиндра D и штока d округляем
до ближайшего значения по ГОСТ 12447-80, принимаем D = 63 мм, d = 40 мм.
4. Расчет
расхода жидкости при перемещениях рабочих органов
Расчет расхода жидкости выполняем для тех элементов цикла,
которые предусматривают перемещение рабочих органов станка или промышленного
робота с заданными скоростями, т.е. быстрый подвод, все рабочие подачи и
быстрый отвод. В общем случае расход жидкости определяем по формуле:
(л/мин),
где v - скорость перемещения, м/с;
F - площадь полости цилиндра, соединенная с напорной линией для
осуществления этого перемещения, мм2. Если
напорная линия соединена с поршневой полостью, то
мм2,если со штоковой, то
мм2
Расход жидкости для быстрого подвода со скоростью
:
(л/мин)
Расход жидкости для рабочей подачи со скоростью
:
(л/мин)
Расход жидкости для быстрого отвода со скоростью
:
(л/мин)
5. Расчет
подачи насоса и его выбор
Расчетную подачу определяем по следующей формуле:
, (л/мин)
где
- максимальный расход жидкости из рассчитанных
для элементов цикла, л/мин;
- расход жидкости через переливной клапан, л/мин;
- суммарные утечки в гидроаппаратуре;
, (л/мин)
- объемный КПД насоса.
Утечки определяем для каждого аппарата по пути движения рабочей
жидкости, значение утечек принимаем по [1] табл.1. с.10-11:
(л/мин)
Выбор насоса производим по расчетной подаче Q = 111.3 л/мин и принятому давлению р1 =
6,3 МПа, принимаем по [1] таб. Б1 с.43 - регулируемый насос 2Г12-55АМ:
Параметры выбранного насоса:
|
Рабочий объём,
см3
|
80
|
|
Номинальная
подача, л/мин
|
108
|
|
Давление на
выходе, МПа:
|
|
|
номинальное
предельное
|
4
6.3
|
|
Частота
вращения, об/мин
|
1500
|
|
Мощность, кВт
|
10.5
|
|
КПД
|
|
|
объёмный полный
|
0.9 0.67
|
6. Расчет
трубопроводов и их выбор
В гидросистемах трубопроводы подразделяются на всасывающие,
напорные и сливные. При выборе трубопровода необходимо учитывать рекомендацию,
регламентирующую скорость u потока рабочей жидкости.
В напорных трубопроводах скорость u потока рабочей жидкости
определяем в зависимости от рабочего давления по [1] c.12: при p = 4 МПа u = 2,5 м/с.
Для всасывающего трубопровода скорость потока не должна
превышать 1,6 м/с, принимаем u = 1,6 м/с. Для сливного трубопровода скорость потока
принимаем u
= 2 м/с.
Определяем диаметр круглого трубопровода:
, (мм)
где
- расход жидкости через трубопровод, л/мин;
В расчетах трубопроводов принимаем
для напорных трубопроводов:
;
для всасывающих трубопроводов:
;
для сливных трубопроводов:
.
Принимаем стальные бесшовные холоднодеформированные трубы из стали
20 по ГОСТ 8734-75.
, (мм)
где
- внутренний диаметр трубопровода, мм;
- максимальное давление жидкости (предельное давление на выходе
из насоса), МПа;
- предел прочности на растяжение материала трубопровода, МПа;
(для труб, изготовленных из стали 20,
);
- коэффициент безопасности (Кδ=4-8);
, (мм)
Из конструктивных соображений по [1] с.13 для всасывающих
трубопроводов принимаем толщину стенки в пределах 1-1,2 мм, ∆вс=1 мм; для сливных в пределах 1,2-1,5мм, ∆вс=1,2 мм и для напорных 1,5-2 мм, но не менее
расчетной, полученной по формуле (13), ∆вс=1,5 мм.
Расчетные наружные диаметры:
для напорных трубопроводов:
;
для всасывающих трубопроводов:
;
для сливных трубопроводов:
.
Расчетные диаметры
округляются до стандартных [1, табл.2] и определяются
действительные внутренние диаметры трубопроводов. Толщина стенки труб
выбирается из стандартного ряда [1].
Напорные трубопроводы:
,
,
.
Всасывающие трубопроводы:
,
,
.
Сливные трубопроводы:
,
,
.
7. Выбор
гидроаппаратуры
Клапаны давления выбираем по [1] таб. Б2 с.44 в зависимости
от расчетного расхода жидкости через клапан, которое принимается равным подаче
насоса Qкд = Q = 108 л/мин.
Принимаем гидроклапан давления Г54-34М:
|
Диаметр
условного прохода, мм
|
20
|
|
Расход масла
номинальный, л/мин
|
125
|
|
Внутренние
утечки, см3/мин
|
140
|
|
Номинальный
перепад давлений, МПа
|
0.6
|
Регуляторы расхода (потока) выбираются так же, как и дроссели
по максимальному и минимальному расходу масла. Наиболее широкое применение
получили регуляторы расхода типа ПГ 55. Если регулятор потока содержит
распределитель, переключаемый кулачком, установленным на рабочем органе, и
обратный клапан, то в этом случае следует использовать регуляторы расхода типов
МПГ 55-15.
Максимальный расход жидкости через регулятор потока может
быть принят равным 0,75 подачи наносa Q = 108 л/мин.
Принимаем Регулятор потока МПГ55-15:
|
Диаметр условного
прохода, мм
|
32
|
|
Расход масла,
л/мин
|
|
|
максимальный
минимальный
|
160 0,4
|
|
Рабочее
давление, МПа
|
20
|
|
Перепад
давлений, МПа
|
0.2
|
|
Расход масла
через полностью закрытый дроссель, см3/мин
|
200
|
Распределители выбираем по [1] таб. Б5 с.47 в зависимости от
максимального расчетного расхода жидкости через распределитель, который
принимается равным подаче насоса.
Принимаем распределитель Рх20 (двухступенчатый):
|
Диаметр
условного прохода, мм
|
20
|
|
Расход масла
номинальный, л/мин
|
160
|
|
Давление
номинальное, МПа
|
32
|
|
Максимальная
утечка, см3/мин
|
200
|
|
Перепад
давления, МПа
|
0,2
|
Манометры выбираем по верхнему пределу измерений давлений, не
меньше предельного давления на выходе из насоса и необходимому классу точности.
Принимаем манометр МТП-60/1-ВУ-10-4 по ГОСТ 8625-77:
|
Верхний предел
измерений, МПа
|
10
|
|
Класс точности
|
4
|
Фильтры выбираются в зависимости от максимальной расчетной
пропускной способности, которая в этих случаях принимается равной 1,5 подачи
насоса Q
= 165,6 л/мин. Принимаем фильтр типа ФВСМ 80-80/0.25 Номинальный расход масла,
л/мин 320 Номинальная тонкость фильтрации, мкм 80 Перепад давлений, МПа
0.007
8. Расчет
потерь давления в гидросистеме
Расчет потерь давления производим для элемента цикла, при
котором в гидросистеме действует максимальное давление, в качестве такого
элемента принимаем рабочую подачу. Общие потери давления определяем по формуле:
, (МПа)
где
- потери давления в трубопроводах, МПа;
- потери давления в гидроаппаратуре, МПа;
- потери давления в местных сопротивлениях, МПа;
Потери давления определяем отдельно в каждом из трубопроводов -
всасывающем, напорном и сливном.
Потери давления в трубопроводах зависят от режима течения
жидкости, который характеризуется числом Рейнольдса:

В качестве расчетного расхода жидкости для всасывающего и сливного
трубопроводов расход принимается подача насоса. Для напорного трубопровода
расход принимается при том элементе цикла, для которого ведется расчет, т.е.
рабочей подачи либо при быстром отводе.
Критическим числом Рейнольдса, при котором происходит переход
ламинарного режима течения в турбулентный, является
. Если расчетное значение
, то режим течения ламинарный, если
то режим течения турбулентный.
, т.к.
- турбулентный режим
, т.к.
- турбулентный режим
, т.к.
- турбулентный режим
Потери давления в трубопроводе при ламинарном режиме течения
жидкости:
, (МПа)
где L - длина трубопровода, 24м.
Напорный трубопровод:
Всасывающий трубопровод:
Сливной трубопровод:
Сумма потерь давления:
Потери в гидроаппаратуре выбираются из технических характеристик и
основных параметров принятых типов гидроаппаратуры.

(17)
где
- потери давления в распределителе Р1,
МПа;
- потери давления в распределителе Р2, МПа;
- потери давления в распределителе Р3, МПа;
- потери давления в дросселе, МПа;
- потери давления в клапане давления, МПа;
- потери давления в фильтре, МПа.
Подставим значения:
Потери давления в местных сопротивлениях (изгибы трубопроводов,
вход и выход гидродвигателей, резкие сужения и расширения, элементы
присоединений трубопроводов и т.д.) определяем по формуле:
где
- коэффициенты сопротивления для ряда
последовательно расположенных местных сопротивлений. В проектном расчете, когда
определить конкретно вид местных сопротивлений невозможно, принимаем значение
среднего коэффициента местных сопротивлений
, тогда
=20*0,7=14
где n - количество местных сопротивлений.
Так как длины всасывающего и сливного трубопроводов малы в
сравнении с напорным, то условно считаем, что все местные сопротивления
расположены на напорном трубопроводе, поэтому расчет производим только для
напорного
(МПа)
(МПа)
9. Тепловой
расчет гидросистемы
Для обеспечения нормальной работы гидропривода рабочая
жидкость не должна нагреваться до температуры выше 60°С. На тепловой режим
гидропривода оказывает значительное влияние объем гидробака, так как его стенки
рассеивают выделяемое в гидроприводе тепло. Причиной разогрева являются потери
мощности в насосе и гидроприводе:
, кВт
где
- мощность, потребляемая насосом, кВт;
- КПД гидросистемы (при дроссельном регулировании скорости
рабочих органов
);
Мощность, потребляемая насосом, определяем по формуле:
, кВт
где
- рабочее давление при движении, когда
нагрузки на рабочие органы станка наибольшие, МПа;
- подача насоса,
;
- полный КПД насоса;
(кВт)
(кВт)
Необходимую площадь поверхности бака определяем по формуле:
, см2
где
- коэффициент теплопередачи от бака к
окружающему воздуху (при обдуве стенок бака струей воздуха
);
- превышение установившейся температуры масла в баке над
температурой окружающей среды (принимается
);
(см2)
Определяем объем бака:
, л
(л)
Объём гидробака должен соответствовать примерно 2.5-3 подачи
насоса. В нашем случае объём гидробака, рассчитанный по формуле существенно
превышает указанное соответствие (324 ). Таким
образом, выбираем бак по ГОСТ12448-80: 1000 (дм3) с принудительным охлаждением
масла.
гидравлическая система гидропривод жидкость
Заключение
Гидроцилиндр поршневой по ОСТ 2 Г21-2-73 без торможения
Гидроцилиндр состоит из гильзы 11, штока 10 с поршнем 8,
крышек 1 и 13, фланцев 12 и 18, поддерживающего кронштейна 9. Крышки 1 и 13 к
гильзе крепятся с помощью полуколец 6 и фланцев. Уплотнение порншня
осуществляется поршневыми кольцами 7, уплотнение штока - резиновыми манжетами
15 и грязесъемником 20. Уплотнение неподвижных соединений осуществляется
резиновыми курглыми кольцами 4 и 5. Подвод рабочей жидкости производится через
отверстие d0
посредством фланцевых присоединений (вид Б). Гидроцилиндр креится винтами и
штифтами через отверстия d3 и d4 во фланце 12 и поддерживающем кронштейне 9.
Шток 10 имеет внешний резьбовой конец для крепления рабочих органов. Отверстия
К1 служат для удаления воздуха из гидроцилиндра.
Ход поршня выбираем в пределах 300 мм, и округляем по ГОСТ 6540-68
S = 320 мм.
При проектировании цилиндра по имеющимся принятым диаметрам d и D подбираем ближайшие
типоразмеры и используем их конструктивные и габаритные размеры при
вычерчивании цилиндра.
Список
использованной литературы
1. Методическое
руководство к выполнению курсовой работы по дисциплине "Гидравлика и
гидропневмопривод" / В.П. Беляковский. Мариуполь: ПГТУ, 2012. - 77с.
2. Свешников
В.К., Усов А.А. Станочные гидроприводы: Справочник. - 2-е изд., - М.:
Машиностроение, 2010. - 512 с.
. ГОСТ
2.704-76. ЕСКД. Правила выполнения гидравлических и пневматических схем. - М.:
Изд-во стандартов. - 17 с.
. ГОСТ
2.780-96. ЕСКД. Обозначения условные графические. Элементы гидравлических и
пневматических сетей. - М.: Изд-во стандартов. - 5 с.
. ГОСТ
2.781-96. ЕСКД. Обозначения условные графические. Аппаратура распределительная
и регулирующая гидравлическая и пневматическая. - М.: Изд-во стандартов. 1988.
- 34 с.
. ГОСТ
2.782-96. ЕСКД. Обозначения условные графические. Насосы и двигатели
гидравлические и пневматические. - М.: Изд-во стандартов. - 13 с.
. ГОСТ
2.784-96. ЕСКД. Обозначение условные графические. Элементы трубопроводов. - М.:
Изд-во стандартов. - 11 с.