Использование утилизационных котлов

  • Вид работы:
    Контрольная работа
  • Предмет:
    Физика
  • Язык:
    Русский
    ,
    Формат файла:
    MS Word
    65,5 Кб
  • Опубликовано:
    2014-03-10
Вы можете узнать стоимость помощи в написании студенческой работы.
Помощь в написании работы, которую точно примут!

Использование утилизационных котлов

Содержание

 

1. Судовые потребители пара. Оценка фактического паропотребления

2. Расчет паропроизводительности УК.

3. Анализ и выбор тепловой схемы ВКУ

3.1 Выбор вспомогательного котла

3.2 Технические характеристики котла КВА-0,63/5М.

3.3 Выбор утилизационного котла

.4 Анализ и выбор тепловой схемы ВКУ.

Литература


Введение

Конструкции современных утилизационных котлов весьма разнообразны. Наибольшее распространение в отечественном морском флоте получили; водотрубные утилизационные котлы с естественной циркуляцией, водотрубные утилизационные котлы с многократной принудительной циркуляцией и автономным сепаратором пара, и прямоточные утилизационные паровые котлы.

Иногда в судовых установках в качестве вспомогательных используют комбинированные утилизационные котлы, в которых в одном котлоагрегате скомпонованы топливная и утилизационная части (рис. 17). Такие котлы могут вырабатывать пар в следующих режимах работы;

на ходу судна работает только утилизационная часть котла, в которой парообразование происходит за счет теплоты отработавших газов главного двигателя (ГТУ или ДЭУ). На стоянке работает только автономная часть котла от собственной топливной и воздушной систем;

на ходу судна работает утилизационная часть котла. В случае необходимости увеличения паропроизводительности котла автоматически в работу включаются форсунки топливной части. На стоянке, для обеспечения паром потребителей при неработающей ГЭУ, работает только автономная часть котла.

В некоторых типах комбинированных утилизационных котлов используется общая испарительная поверхность нагрева, омываемая (в зависимости от режима работы котла) как выхлопными газами главного двигателя, так и продуктами сгорания топлива собственной автономной топливной части. Перенаправление потоков продуктов сгорания в таких котлах осуществляется с помощью специальных поворотных заслонок - газовых шиберов.

В утилизационных котлах в качестве источника теплоты используются уходящие газы главных двигателей - ДВС или ГТД. Применение утилизационных котлов в составе энергетической установки приводит к экономии 8 ^ 12 % топлива и повышению общего КПД установки. Помимо утилизации теплоты УК обеспечивают глушение шума отработавших газов и искрогашеиие. Пар от утилизационных котлов используется главным образом на судовые нужды, хотя возможно его применение в утилизационных турбогенераторах для выработки электроэнергии или механической энергии для привода главного движител

1. Судовые потребители пара. Оценка фактического паропотребления


К потребителям пара на судне относятся:

-         подогреватель масла;

-         подогреватель цистерн мазута (цистерна основного запаса и расходная);

          подогреватель мазута перед форсункой котла КВВА-1/5;

          система паротушения;

          система парового отопления;

          система обогрева забортных отверстий;

          система хозяйственного пароснабжения ( подогрев бытовой горячей воды, подогрев бака для кипячения воды и т.д. );

          система подогрева в системе вентиляции машинного отделения (МО);

          паромеханическая форсунка котла КВВА-1/5;

          паровой питательный насос ВК ПНМ-12М;

          питательный паровой инжектор МНК-5;

Подогреватель масла ПМ-0,7В обеспечивает подогрев масла перед сепаратором масла НСМ-2.

Подогреватели цистерн мазута М20 змеевикового типа предназначены для подогрева и поддержания заданного температурного режима в цистерне основного запаса (ЦОЗ) мазута объёмом V=10 м и расходной цистерны (РЦ) объёмом V=1,5 м. В ЦОЗ мазута - подогрев до 50°С при температуре забортной воды 0°С. В расходной цистерне - подогрев до 70°С, при подержании заданных параметров.

Подогреватель мазута 20, перед форсункой КВВА-1/5, обеспечивает подогрев топлива до 80°С.

Система паротушения предназначена для тушения пожаров в МО при использовании пара.

Система парового отопления предназначена для поддержания температуры воздуха, не ниже:

-         в жилых помещениях 19¼ 21°С;

-         в медицинских 20¼22°С;

          в общественных помещениях 19¼ 21°С;

          душевых 24¼ 26°С.

Система обогрева забортных отверстий предназначена для подогрева бортовых отверстий, в следствии их обледенения, кингстонных ящиков, трубопроводов выдачи нефте-содержащих вод (НСВ) и сточно-фановых вод (СФВ).


Система подогрева воздуха в системе вентиляции МО предназначена для подогрева воздуха в зимнее время года до:

-         - центральный пост управления(ЦПУ) 19¼ 21°С,

-         машинное отделение, не ниже 12°С.

Оценка фактического паропотребления

Таблица 1Потребление пара судовыми устройствами

Потребители пара

расход

пара


зима

лето

Подогреватель масла

30кг/ч

30кг/ч

Подогреватель цистерн мазута

60кг/ч

60кг/ч

Подогреватель топлива перед форсункой

15кг/ч

15кг/ч

Система паротушения

120кг/ч*

120кг/ч*

Паровое отопление

85кг/ч

------------

Система хозяйственного пароснабжения

80кг/ч

80кг/ч

Подогрев воздуха в системе вентиляции МО

100кг/ч

------------

Паромеханическая форсунка ВК

5кг/ч

5кг/ч

Обогрев забортных отверстий

25кг/ч

------------

Утечки пара

25кг/ч

Питательный насос ПНП-12М

30кг/ч

30кг/ч

Пароводяной инжектор МКН-5

15кг/ч

15кг/ч

Суммарное паропотребление SДп

470кг/ч

260кг/ч

* - в расчет суммарного паропотребления не включается, так как система паротушения задействована только при пожарах, когда другие потребители пара отключены.

С учетом 20% запаса производительность котлоагрегата (ВК или УК) должна быть не ниже:

Дп>470+0,2×470=564 [кг/ч].

Число потребителей, работающих на ходовом и стояночном режимах практически не меняется ( на ходовом режиме поддерживается температура в цистернах мазута, а при стоянке в порту подается пар на подогреватель масла, поддерживая температурный режим масла ).

утилизационный котел пар обогрев

2/ Расчет паропроизводительности УК


Паропроизводительность утилизационного котла оценивается по выражению:

Дп=j ·ge·(aS·L0 + 1)·Cpг·Ne· кг/ч

где j=0,95¼0,97 - коэффициент потерь в окружающую среду;

ge =0.238 кг/кВт*ч - удельный эффективный расход топлива;

aS=2,65 - коэффициент избытка воздуха, с учетом продувки;

L0=14.3 кг/кг - теоретически количество воздуха, необходимое для сгорания 1кг топлива.

Cpг - средняя массовая теплоемкость выпускных газов при средней температуре газов Тср;

Тср= (Тг1 - Тг2)/2, °С

Тг1,Тг2 - температура газа до и после утилизационного котла,°С

iп - энтальпия пара на выходе из УК, кДж/кг

iп,в, - энтальпия питательной воды на входе в УК, кДж/кг

Ne - эффективная мощность двигателя, кВт

При сохранении параметров пара Тп=152°С, и Рп=0,5 МПа энтальпия пара на выходе из УК составит:

п = tп.в.·4,19=167,6 кДж/кг.

Для оценки средней массовой теплоемкости выпускных газов Cpг необходимо определить температуру газов на выходе из УК.

Температуру уходящих газов за утилизационным котлом Тг2 можно задать по следующим условиям:

.Температура пара на выходе из УК должна быть ниже температуры уходящих газов, из этого следует:

Тг2= Тп + (60¼80°С)=152+(60¼80) =212¼232°С

.Температура уходящих газов Тг2 должна быть выше температуры стенки поверхностей нагрева утилизационного котла которая в свою очередь должна, как минимум на 20°С, быть больше температуры точки росы уходящих газов.

Температура точки росы дымовых газов - температура, при которой в уходящих газах начинает конденсироваться вода.

Для утилизационных котлов, использующих в качестве горячего теплоносителя отработавшие газы дизеля, температура точки росы оценивается по формуле:

tp> =130·(Sp), 20°С

где Sp=0,2% - содержание серы в дизельном топливе.

Получим:

tp> =130·(0,2)= 95°С

Следовательно, минимальная температура стенок поверхностей нагрева утилизационного котла составит:

ст= tp + 20=105°С

Температура уходящих газов (минимальное значение) составит:

Тг2>105°С

Принимаем для расчетов Тг2=290°С (по первому условию)

При средней температуре уходящих газов

Тср===350°С

Средняя массовая теплоемкость уходящих газов составит:

Cpг =1,125кДж/кг·град

С учетом всех значений, рассчитанная паропроизводительность утилизационного котла составит:

Дп=0,95·0,238·(2,65·14,3+1)·1,125·660=372,35 кг/ч

Суммарная производительность двух утилизационных котлов составит:

Д=744,7кг/ч

3. Анализ и выбор тепловой схемы ВКУ


3.1 Выбор вспомогательного котла


При анализе типов котлоагрегатов, исходя из фактического паропотребления на судне аналитически выбираем объём реконструирования вспомогательной котельной установки.

Выбор котла обосновывается следующим: из таблицы 4.1 видно, что при паропотредлении судном пара 546 кг/ч котел КВА-0,63/5М оптимально подходит по своей паропроизводительности и по потреблению топлива.

Таблица 3.1 Котлоагрегаты, паропроизводительностью аналогичные базовому варианту

Параметры котлоагрегата

КВВ-1/5 Базовый вариант

КВА-0,63/5 Проектный вариант

КВВА-1/7 Проектный вариант

Кохран Проектный вариант

Тип котла

Вертикальный водотрубный

газотрубный

Вертикальный водотрубный

огнетрубный

Паропроводительность котла

1000

630

1000

Рабочее давление пара, Мпа

0,5

0,5

0,7

0,8

Расход топлива м/ч

90

50

80

84

Температура пара, °С

152

152

169

182

Температура питательной воды, °С

40

40

40

60

КПД котлоагрегата %

70

76

78

72

Тепловая мощность, кВт

---

322

1125

665

Объем топки, м0,70,0820,751,81





Напряженность топочного объема, кВт/м---39271500367





Рабочее топливо

мазут 40

мазут 40

мазут 40

мазут 40


Из представленных котлоагрегатов выбираем вспомогательный котел КВА-0,63/5М.

3.2 Технические характеристики котла КВА-0,63/5М

Котлоагрегаты хорошо зарекомендовали себя в эксплуатации на судах Тип котла - огнетрубный, вспомогательный, автоматизированный.

Паропроизводительность - Дп=630 кг/ч,

Давление вырабатываемого пара - Рп=0,5 МПА,

Температура пара - tп=152°С,

Температура питательной воды - tп.в=40 °С,

Тепловая мощность - Qк=322 кВт,

КПД котлоагрегата - hк=0,78,

Расход топлива - Вт=38 кг/ч,

Коэффициент избытка воздуха в топке - a=1,25,

Теплонапреженность топочного объема - gv=5110 кВт/м,

Объем топки - Vт=0,082 м,

Радиационная поверхность нагрева - Нл=1,181 м,

Теплонапреженность радиационной поверхности нагрева - gп=272,6 кВт/м,

Конвективная испарительная поверхность нагрева - Нисп=6,1 м,

Общая поверхность нагрева - Нå=7,281 м.

Эффективность испарительной поверхности нагрева - gисп=44,22 кВт/м,

Рабочее топливо:

- дизельное, марки «Л» ГОСТ505-85;

-         мазут 20,мазут 40 ГОСТ10585-85;

Достоинства и недостатки выбранного котла.

огнетрубные котлы имеют большой объем водяного пространства, что обеспечивает аккумулирование значительного количества теплоты;

в огнетрубных котлах легко поддерживается необходимое давление пара при резких изменениях в его потреблении;

огнетрубные котлы работают в умеренных тепловых нагрузках и поэтому мало чувствительны к качеству питательной воды;

комплексная автоматизация огнетрубных котлов обеспечивает их высокую надежность и безотказность в эксплуатации.

Волго-Каспийского региона (КВА-1,0/5М - суда проекта N12911 «Моряна», проект N12913 «Волга», проект N1577 «Волгонефть»; КВА-0,63/5М - суда проекта N1570 «Нефтерудовоз»).

Следует отметить, что при замене котла КВВА-1/5 на котел КВА-0,63/5М экономия в топливе составит:

DВ=В1 - В2=90 - 50=40 кг/ч

В комплект поставки котлоагрегата КВА-0,63/5М входят:

огнетрубный котел;

топливный насос с электроприводом, соединенный через ременную передачу с воздушным вентилятором, что позволяет согласовать соотношение между воздухом и топливом, подаваемыми в топку котла;

подогреватель топлива перед форсункой;

контрольно - измерительные приборы;

система комплексного автоматизированного управления горением, поддержания и контроля давления пара в котле.

3.3 Выбор утилизационного котла


Необходимость выбора утилизационных паровых котлов объясняется тем, что в данный момент на судне на ходовых режимах пар вырабатывается вспомогательным котлом.

Выбор утилизационного парового котла основывается на методе сравнительного анализа существующих утилизационных котлов по паропроизводительности. В таблице 4.2 представлены утилизационные котлы, наиболее близкие по паропроизводительности к необходимой.

Таблица 3.2

Параметры котлоагрегата

КУП-20 Базовый вариант

КУП-10СИ Проектный вариант

«Зульцер» Проектный вариант

Тип котла

Утилизационный водотрубный паровой

Утилизационный водотрубный паровой

Газотрубный утилизационный паровой

Паропроизводительность котла, кг/ч

320

310¼325

510

Рабочее давление пара, Мпа

0,5

0,5

0,7

Расход газа, т/ч

17

17,6

19,6

Температура пара, °С

152

152

160

Температура питательной воды, °С

40

40

40

Коэффициент использования тепла j

0,3

0,3

0,22

Площадь испарительной поверхности, м201075




Температура газов за котлом, °С

275

230

240

Масса котла с водой, кг

1250

900

1100


В качестве утилизационных котлов предлагается использовать котлы типа КУП-10СИ, обладающие следующими характеристиками:

Тип котла: утилизационный, водотрубный, с принудительной циркуляцией.

Паропроизводительность: Дп =(310¼325) кг/ч,

Рабочее давление пара: Рп=(0,5¼0,6) Мпа,

Температура пара: Тп=152°С,

Температура газов перед УК: Тг =450¼410°С,

Коэффициент использования теплоты выпускных газов: j г =0,3,

Полное аэродинамическое сопротивление: DНг=2000 Па,

Масса котла с водой: mк=900 кг,

Утилизационные котлы КУП-10СИ имеет меньшую массу и надежны в эксплуатации.

Полное аэродинамическое сопротивление устанавливаемого котла больше аэродинамического сопротивления котла КУП-20, следовательно необходимо провести аэродинамический расчет системы газовыхлопа дизелей Д50(6ЧН31,3/33), с целью подтверждения соответствия всей системы газовыхлопа с предельно допустимым противодавлением на выхлопе дизеля, равным 3500 Па.

3.4 Анализ и выбор тепловой схемы ВКУ


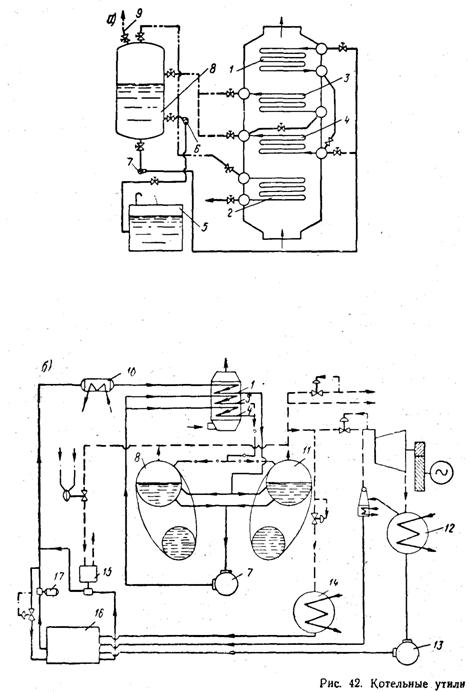
Для уменьшения объёма работ по реконструкции вспомогательной котельной установки судна предлагается сохранить схему взаимозаменяемости котлоагрегатов: на ходовом режиме пар вырабатывается утилизационными котлами, на стоянке - вспомогательным котлом см. рисунок 4.1 Тепловая схема ВКУ.

Как отмечалось выше, такая схема компановки ВКУ позволит экономить топливо вспомогательного котла, за счет замещения его в работе на ходовом режиме работы судна двумя паровыми утилизационными котлами и, тем самым, повысить коэффициент полезного действия ВКУ, а также повысить термический КПД главных двигателей Д50 (6ЧН 31,3/33) за счет утилизации теплоты отработавших газов.

hт=1- Т1/Т2 - термический КПД главных двигателей,

где Т1 - средняя температура цикла при подводе теплоты,

Т2 - средняя температура цикла при отводе теплоты.

Из формулы видно, что при уменьшении средней температуры цикла при отводе теплоты (Т2) увеличивается термический КПД главных двигателей (hт).

                        ух. газы



                                              

    УК1             п.в.     УК2        п.в.

                                                             сепаратор пара

                                                                                                  коллектор пара            

                                                                    

             

                                                           пар

                        

                                                                                               

      

        п.в.

                                                                                       

Рис. 4.1 Тепловая схема ВКУ

Современные судовые двигатели Дизеля обладают большой мощностью, при которой является целесообразным устанавливать утилизационные котлы, которые используют тепловую энергию отработанных газов. На судах применяются утилизационные котлы различных систем - водотрубные и огнетрубные - которые работают только отработанными газами или также жидким топливом. Утилизационные котлыустанавливаются или непосредственно у двигателя ( для использования большей темп-ры отработанных газов) или наверху рядом с глушителем. Применение утилизационных котлов повышает кпд установки. При уменьшении хода судовых двигателей нагнетание воздуха прекращается, и двигатель начинает работать, как обыкновенный. Из нескольких систем наддува наиболее часто встречается система Бюхи, при к-рой турбокомпрессор вращается отработанными газами двигателя. Она представлена на фиг. Отработанные газы по патрубкам А и В поступают к газовой турбине С и из нее уходят по трубе D. Турбина вращает двухступенчатую воздуходувку Е, в к-рую воздух поступает по трубе F, а от воздуходувки уходит по трубе G к всасывающим клапанам двигателя. Судовые двигатели всегда снабжаются вало-поворотными машинками для проворачивания двигателя. Кроме охлаждающих масляных трубных насосов, приводимых в действие двигателем, устраиваются еще такие же запасные вспомогательные механизмы, приводимые в действие отдельными электродвигателями.

Литература

1 Правила классификации и постройки судов внутреннего плавания. Российский Речной Регистр, - в 3-х тома М.-Маринг Инжиниринг Сервис.:, 1995г.

Системы судовых энергетических установок /Г.А. Артемов и др. - Л.; Судостроение, 1990.-376с.

ОСТ 5.542-85.Методика гидравлических расчетов судовых разветвлений трубопроводов.

Идельчик И.Е. Справочкик по гидравлическим сопротивлениям. - М.; Машиностроение, 1975.-405с.

Хайдинов О.П. Электрооборудование судов, - Л.: Судостроение, 1982.-358 с.

Судовые электроприводы: Справочник т.1; В.С. Богословский и др., - Л.: Судостроение, 1987.-427с.

В.Ф. Попов Монтаж судовых силовых установок, - Л.; Судостроение, 1974.-248 с.

415 - 03,035. ТО. Котлоагрегаты типа КВА. Техническое описание и инструкция по эксплуатации.

Правила экономической безопасности судов внутреннего и смешанного плавания. - М.: Маринг Инжиниринг Сервис, 1995, - 5/ с.

Любочкин Б.И. Морские паровые котлы. - М.: Транспорт, 1980. - 377 с.

Хряпченков В.С. Судовые вспомогательные котельные установки.- Л.: Судостроение, 1988. - 317с

Правила техники безопасности на судах. - Л.: Судостроение,

.-252 с

Нелепин Р.А. Автоматическое управление судовыми энергетическими установками,- Л.: Судостроение, 1988-296 с.

Печененко В.И., Козьменых Г.В. Основы автоматики и комплексная автоматизация судовых пароэнергетических установок.- М: Транспорт. 1979-322с.

ОСТ 5.4110-87. Механизмы и фундаменты судовые. Общие технические требования к монтажу.

Справочник «Судовые электроприводы» под ред. Фрейдзона в 2-х томах 1976г.

Овсянников М.К., Петухов В.А. Судовые дизельные установки Справочник- Л.: Судостроение. 1986г.-422с.

Судовые установки с двигателями внутреннего сгорания /В.А. Ваншейд и др.- М.: Транспорт, 1985,-322 с.

ОСТ4257-78. Методика расчета системы газовыпуска.

Судовые вспомогательные механизмы и системы / В.М. Харин и др. - М.: Транспорт, 1992.- 319 с.

Похожие работы на - Использование утилизационных котлов

 

Не нашли материал для своей работы?
Поможем написать уникальную работу
Без плагиата!
Без нейросетей!