Расчёт утилизационного котла судна
Содержание
Введение
1. Основные характеристики судна
. Характеристики основных элементов
энергетической установки судна
. Расчет теплового баланса судна
. Расчет теплового баланса главных
двигателей
. Определение количества теплоты,
которое может быть использовано в судовой системе утилизации теплоты
.1 Определение количества теплоты,
теряемой с выпускными газами главных двигателей, которая может быть
использована в утилизационном котле
.2 Определение потерь теплоты,
отводимой от воды внутреннего контура охлаждения главных двигателей
.3 Определение количества теплоты,
которое может быть принято системой утилизации теплоты
. Расчет потребностей в тепловой
энергии на судне
. Анализ существующих и
перспективных систем утилизации теплоты
. Разработка системы утилизации
теплоты для судовой энергетической установки
9. Расчет основных элементов системы
утилизации теплоты
Заключение
Библиографический список
Введение
Обеспечение паром или горячей водой хозяйственно
- бытовых и других потребителей на судах производится системами теплоснабжения,
состоящими из источников тепловой энергии, трубопроводов и различных
аппаратов-потребителей. Источниками тепла на теплоходах в ходовом режиме
являются утилизационные котлы, работающие на выпускных газах. Если их производительность
недостаточна, то подключают вспомогательные котлы, работающие на жидком
топливе.
На сухогрузных судах при использовании теплоты
выпускных газов ДВС только в системах теплоснабжения тепловые схемы утилизации
теплоты обычно получают избыточными. То же самое имеет место и на танкерах при
использовании пара только на общесудовые нужды.
В утилизационную систему теплоснабжения, входит
следующее оборудование: утилизационные котлы, газовоздушные подогреватели,
водяные экономайзеры, глушители и газоперепускные клапаны, оборудование и
трубопроводы для питания котлов водой, сепараторы пара, приборы автоматики,
обслуживающие систему утилизации.
Применяются две принципиальные схемы
теплоснабжения - с паровым и водяным теплоносителями. На большинстве судов
внутреннего плавания в системах теплоснабжения используется горячая вода,
поэтому на них устанавливаются водогрейные утилизационные котлы, температура
воды на выходе из которого должна составлять 90 ÷ 95 0С,
что позволяет котлу работать при давлении, близком к атмосферному.
На морских судах устанавливаются исключительно
паровые утилизационные котельные установки. Применение пара объясняется
необходимостью использования его в системах подогрева топлива, пропаривания
топливных танков, обогрев кингстонов балластных цистерн. Давление насыщенного
пара в системе теплоснабжения составляет 0,3 ÷ 0,5 МПа.
Пар утилизационных котлов используют не только на бытовые нужды, но и для
турбогенераторов.
1.
Основные характеристики судна
1. Тип судна - толкач проекта N
81200
. Назначение судна - толкание сухогрузных и
нефтеналивных составов и барж, перевозящих нефтепродукты с температурой вспышки
паров свыше 60º С с общей
грузоподъемностью до 8000 т.
. Класс Речного Регистра и район плавания - “О”.
. Размеры судна габаритные
длина 31,4 м
ширина 10,2 м
высота от осевой линии 13,2 м.
. Скорость судна без состава на глубокой воде
18,2 км/ч.
. Мест для экипажа 10.
. Автономность 12 суток.
. Автоматизация - комплексная для
машинно-котельного отделения и частичная для палубных механизмов.
. Тип движителя - гребной винт фиксированного
шага.
. Количество гребных винтов - 2.
. Диаметр гребного винта 1,8 м.
2.
Характеристики основных элементов энергетической установки судна
. Марка главных двигателей 6НВД 26А-3.
. Количество главных двигателей - 2.
. Номинальная эффективная мощность каждого
двигателя Ne = 272 кВт.
. Номинальная частота вращения ne
= 950 мин-1.
. Сорт топлива - дизельное.
.Параметры двигателя на номинальном режиме
работы:
удельный расход топлива qe
= 0,224 кг/кВт ч
температура выпускных газов 693 0К
коэффициент избытка воздуха
α = 1,95.
7. Котлоагрегат КОАВ - 63, водогрейный
огнетрубный автоматизированный, теплопроизводительностью 73,3 кВт.
3.
Расчет теплового баланса судна
Общее количество теплоты, потребляемой на судне
в ходовом режиме, определяется уравнением
Qуст = Qгд
+ Qвд + Qвтг
где Qгд,
Qвд, Qвтг
- количество теплоты, расходуемое на главные и вспомогательные двигатели и
котельную установку в целом соответственно.
В относительных величинах это уравнение имеет
вид
х + y
+ z = 1
+3+2=100%, [1, стр. 26]
где x,
y, z
- доли теплоты, расходуемой на главные и вспомогательные двигатели и котельную
установку.
Значения составляющих энергетического баланса x,
y, z
- зависят от назначения судна, типа энергетической установки и ее мощности.
4.
Расчет теплового баланса главных дизелей
Уравнение теплового баланса, характеризующее
распределение теплоты, выделившейся при сгорании топлива в дизеле, имеет
следующий вид (в расчете на 1 кг сжимаемого топлива):
Q
= Qе + Qг + Qохл + Qм + Qост ,
где Q
- низшая
рабочая теплота; Qе, Qг, Qохл, Qм -
количество теплоты, эквивалентное эффективной работе в единицу времени,
уносимой выпускными газами, отводимой с охлаждающей водой, отводимой нагретым
маслом соответственно, кДж; Qост - остаточный член теплового
баланса, кДж.
Уравнение теплового баланса,
выраженное в долях от величины Q
имеет вид:
qе + qг + qохл + qм + qост = 1
+29+20+5+6=100%, [1, стр. 27]
Уменьшение суммарного расхода
теплоты, т.е. повышение экономичности установки в ходовом режиме может быть
достигнуто в результате утилизации теплоты отработавших газов и охлаждающей
воды двигателей следующими путями: частичным замещением мощности главного
двигателя силовыми газовыми или паровыми турбинами; полным или частичным
замещением вспомогательных теплогенераторов утилизационными и частичным
замещением дизель-генераторов турбогенераторами, работающими на паре УПГ; полным
замещением вспомогательных парогенераторов утилизационными турбогенераторами.
Утилизация теплоты охлаждающей воды
и надувочного воздуха позволяет сократить расход пара и электроэнергии на
хозяйственно-бытовые нужды, холодильную и климатическую установки и получить
дополнительный экономический выигрыш.
5.
Определение количества теплоты, которое может быть использовано в судовой
системе утилизации теплоты
.1
Определение количества теплоты, теряемой с выпускными газами главных
двигателей, которая может быть использована в утилизационном котле
При расчете используются формулы, взятые из [1],
стр.28-31.Расчет выполняется для одного двигателя и приводится в таблице 1.
По результатам расчета, приведенного
в таблице, строятся графические зависимости
и
, которые используются при выборе
схемы утилизации (рисунок 1).
Удельный эффективный расход топлива,
кг/(кВт 
ч)
Часовой расход топлива, кг/ч



Температура выпускных газов, 
Суммарный коэффициент избытка
воздуха
Теоретическое количество воздуха,
необходимое для полного сгорания 1 кг топлива, кг
Относительное количество теплоты
выпускных газов, которое частично может быть использовано в системе утилизации
теплоты
Абсолютное количество теплоты,
уносимой с выпускными газами на долевом режиме, кДж/ч

кДж/ч

кДж/ч

кДж/ч

кДж/ч
5.2
Определение потерь теплоты, отводимой от воды внутреннего контура охлаждения
главных двигателей
При расчете используются формулы, взятые из [1],
стр.32
Количество теплоты, уносимой охлаждающей водой
зависит от конструкции и режима работы дизеля, степени наддува, средней температуры
охлаждающей воды и других факторов.
Удельный эффективный расход топлива,
кг/(кВт 
ч)
Удельные потери теплоты с
охлаждающей жидкостью

Абсолютное количество теплоты,
уносимой охлаждающей водой, кДж/ч
Расчетная температура охлаждающей
воды °С
Максимальный коэффициент
использования теплоты охлаждающей воды
Действительный коэффициент
использования теплоты охлаждающей воды
Количество теплоты, которое может
быть передано в систему утилизации теплоты от охлаждающей воды внутреннего контура,
кДж/ч
Расчет количества теплоты, уносимой
с охлаждающей водой, выполняется в табличной форме (см. табл. 1).
Таблица 1
Расчет количества теплоты,
уносимой охлаждающей жидкостью
|
Определяемый
параметр, размерность
|
Обозначение
|
Нагрузка
в долях от номинальной
|
|
|
0,4
|
0,6
|
0,8
|
1,0
|
|
Мощность
двигателя эффективная, кВт
|
Ne
|
109
|
163
|
217
|
272
|
|
Удельный
эффективный расход топлива, кг/(кВт∙ч)
|
ge
|
0,215
|
0,190
|
0,186
|
0,176
|
|
Рабочая
низшая теплота сгорания, кДж/кг
|
42000
|
|
|
Относительные
потери теплоты с охлаждающей жидкостью на номинальном режиме
|
0,195
|
|
|
Удельные
потери теплоты с охлаждающей жидкостью
|
0,2460,2210,2040,193
|
|
|
|
|
|
Абсолютная
величина потерь теплоты с охлаждающей жидкостью на долевом режиме, кДж/ч
|
Qохл
|
242130
|
287463
|
345821
|
388050
|
|
Максимальная
температура охлаждающей воды на номинальном режиме, °С
|
83
|
|
|
Расчетная
температура охлаждающей воды °С
|
30466483
|
|
|
|
|
|
Снижение
температуры воды внутреннего контура в процессе ее охлаждения, °С
|
Δtвд
|
11
|
10
|
9
|
8
|
|
Расчетная
температура воды внутреннего контура после ее охлаждения (перед входом в
двигатель), °С
|
18365575
|
|
|
|
|
|
Максимальный
коэффициент использования теплоты охлаждающей воды
|
0,780,560,330,09
|
|
|
|
|
|
Действительный
коэффициент использования теплоты охлаждающей воды
|
0,380,220,140,09
|
|
|
|
|
|
Количество
теплоты, которое может быть передано в систему утилизации теплоты от
охлаждающей воды внутреннего контура, кДж/ч
|
5123692094123396
147237
|
|
|
|
|
|
|
|
|
|
|
|
|
5.3
Определение количества теплоты, которое может быть принято системой утилизации
теплоты
При расчете используются формулы, взятые из [1],
стр.33-35.
Точка росы,
Температура выпускных газов за утилизационным
контуром,
Расчетная температура выпускных газов перед
утилизационным контуром,
Максимальный коэффициент использования теплоты
выпускных газов
Количество теплоты, которое может быть принято
утилизационным контуром, кДж/ч




Рис.1 Зависимость Qг=f(Nе) и Qу=f(Nе)
6.
Расчет потребностей в тепловой энергии на судне
судно энергетический тепловой
утилизация
Тепловая нагрузка потребления
для судна Qcyт,
определится в первом приближении следующим образом.
Суммарный расход теплоты на собственной
нагрузке при температуре наружного воздуха -10°С и температуре забортной воды -
4 °С составляет, 

где Nе -мощность
главных двигателей, кВт.
Расход теплоты на санитарно-бытовые
нужды
где qв.м - удельный
расход теплоты на приготовление горячей мытьевой воды, принимаемый равным для
грузовых судов и буксиров-толкачей 1880 ÷ 2720 кДж/(чел∙ч)
qв.п
- удельный расход теплоты на приготовление кипяченой питьевой воды, принимаемый
равным для грузовых судов и буксиров-толкачей 400 ÷
420 кДж/(чел∙ч)
Суточный расход пара на мойку
танков судов подсчитывается по приближенной формуле, т/сут:
Dcyт
= 100 + 0,0065 Ne=100+0,0065·272=101,768
т/сут
|
Обозначения
|
График,
таблица, формула
|
Определяемый
параметр
|
Нагрузка
в % от номинальной
|
|
|
|
25
|
50
|
75
|
100
|
|
1
|
2
|
3
|
4
|
5
|
6
|
7
|
|
 Мощность дизеля эффективная, кВт68136204272
|
|
|
|
|
|
|
|
|
|
Удельный
эффективный расход топлива, кг/(кВт ч)0,1920,1920,1860,176
|
|
|
|
|
|
 Часовой расход топлива, кг/ч13,0526,1137,947,8
|
|
|
|
|
|
|
|
 Температура выпускных газов, 0С190279354420
|
|
|
|
|
|
|
|
 Суммарный коэффициент избытка
воздуха4,713,242,461,95
|
|
|
|
|
|
|
|
 Теоретическое кол-во воздуха
необходимое для полного сгорания 1 кг топлива, кг14,41
|
|
|
|
|
Температура
воздуха при входе в цилиндр, 0С30
|
|
|
|
|
Средняя
удельная массовая теплоемкость продуктов сгорания, кДж/(кг
К)1,021,0371,0451,056
|
|
|
|
|
|
|
|
Средняя
удельная массовая теплоемкость воздуха, кДж/(кг К)1,005
|
|
|
|
|
Низшая
теплота сгорания моторного топлива, кДж/кг42000
|
|
|
|
|
 Относительное кол-во теплоты
выпускных газов, которое может быть использовано в схеме утилизации0,2690,2920,2940,285
|
|
|
|
|
|
|
|
|
|
Абсолютное
кол-во теплоты выпускных газов на долевом режиме, кДж/ч
|
147438
|
320213
|
467989
|
572166
|
|
Точка
росы, 0С135
|
|
|
|
|
Разность
между температурой стенки и выпускных газов, 0С25
|
|
|
|
|
 Температура выпускных газов за
утилизационным контуром, 0С160
|
|
|
|
|
Расчетная
температура выпускных газов за утилизационным контуром, 0С160
|
|
|
|
|
Снижение
температуры выпускных газов в газовом канале перед утилизационным контуром,
0С10
|
|
|
|
|
 Расчетная температура выпускных
газов перед утилизационным контуром, 0С180269344410
|
|
|
|
|
|
|
|
ψг max
|
Максимальный
коэффициент использования теплоты выпускных газов0,1570,4260,5480,619
|
|
|
|
|
|
|
|
|
Кол-во
теплоты, которое может быть принято утилизационным контуром, кДж/ч
|
23147
|
136410
|
256458
|
354170
|
|
|
|
Абсолютное
количество теплоты, уносимой охлаждающей водой, кДж/ч
|
154086
|
256628
|
334667
|
392071
|
7.
Анализ существующих и перспективных систем утилизации теплоты
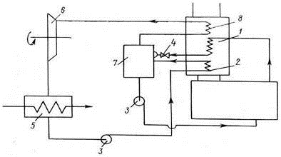
.1.
Схема использования высокопотенциального тепла выпускных газов в
турбогенераторе
Данная система работает следующим образом.
Водяной пар, вырабатываемый утилизационным котлом 1, поступает на турбину 5 и
на парораспределительную батарею 2. После турбины пар поступает в конденсатор
6, откуда образовавшаяся вода насосом 3 подается в утилизационный котел 1. Из
двигателя охлаждающая вода пресного контура поступает в водяной холодильник 4,
откуда далее насосом 3 подается обратно в двигатель.
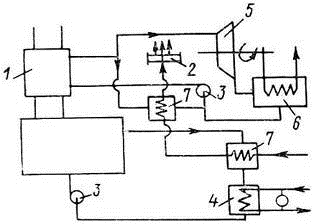
7.2
Схема утилизации низкопотенциального тепла охлаждающей воды двигателя в
абсорбционной холодильной машине
Принципиальная работа системы заключается в
следующем. В абсорбционной холодильной машине применяются два вещества с
различными температурами кипения при атмосферном давлении - холодильный агент и
абсорбент. В испарителе 10 кипит хладагент, его пары поглощаются абсорбером 11,
в который, одновременно с этим, нагнетается абсорбент из генератора 12. Далее
смесь абсорбента и хладагента поступает в генератор 12, где происходит
выкачивание холодильного агента из раствора и дальнейшее нагнетание паров
хладагента в конденсатор 6 и далее через регулирующий клапан 9 в испарительную
батарею 10. Параллельно с этим, генератор 12 нагнетает абсорбент в абсорбер 11.
Вода из двигателя с температурой 75…80 0С
поступает в генератор холодильной машины 12, а затем в холодильник двигателя 4,
через который прокачивается забортная вода. Количество пресной воды,
прокачиваемой через этот холодильник, зависит от тепловой нагрузки на генератор
холодильной машины и регулируется с помощью термостата. При полном
использовании тепла охлаждающей воды в генераторе термостат выключает
поступление пресной воды в холодильник двигателя. В случае частичного
использования этого тепла доохлаждение циркулирующей воды внутреннего контура
двигателя происходит в холодильнике 4.
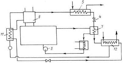
7.3
Схема утилизации низкопотенциального тепла охлаждающей воды двигателя в системе
теплоснабжения и высокопотенциального тепла выпускных газов в паротурбинной
установке
Схема работает следующим образом. Пар из
утилизационного котла 1 поступает на один из водоподогревателей 7 и на турбину
5, откуда идет далее в конденсатор и образовавшаяся вода насосом 3
перекачивается обратно в утилизационный котел 1.
Данная схема может применяться с двигателями,
имеющими температуру охлаждающей воды на выходе из них не ниже 70…800С. При
меньшей температуре охлаждающей воды возможно использование схемы утилизации,
предложенной Де Лавалем, в которой подогрев теплофикационной воды на
общесудовые нужды и гребную установку осуществляется в двухступенчатом
водоподогревателе. В качестве греющей среды в первой ступени используется
охлаждающая двигатель жидкость, а во второй ступени - пар из утилизационного котла,
работающего на выпускных газах.
Из двигателя охлаждающая вода пресного контура
поступает в водоподогреватель 7, далее в водяной холодильник 4, откуда далее
насосом 3 подается обратно в двигатель.
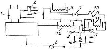
7.4
Схема комплексной утилизации тепла охлаждающей воды и отработавших газов с
внешним парообразованием
Данная схема имеет два замкнутых контура
циркуляции. Первый контур - контур системы охлаждения двигателя, где создается
повышенное давление p1,
исключающее возможность вскипания охлаждающей воды при температуре выше 1000С.
В этот контур входят: система охлаждения двигателя, утилизационный котел 1,
дроссель 4, испаритель 7, циркуляционный насос 3.
Второй контур - контур турбогенератора, где
поддерживается давление р2, в который входят: испаритель 7, пароперегреватель
8, турбина 6, конденсатор 5, питательный насос 3, экономайзер 2.
Кипение циркуляционной воды происходит в
испарителе вследствие резкого уменьшения давления в дросселе от р1 до р2.
7.5
Схема комплексной утилизации тепла охлаждающей воды и отработавших газов с
использованием абсорбционного теплового насоса
При работе по данной схеме, в установке
осуществляется повышение потенциала тепла охлаждающей воды двигателя, подводимого
на низком температурном уровне Тн в испарителе 7, за счет тепла выпускных
газов, подводимого в генераторе 9 на высоком температурном уровне Тв.
В испарителе установки к рабочему веществу
подводится тепло низкого потенциала Qн
при температуре Тн , в результате чего происходит испарение. Пары рабочего
агента из испарителя направляются в абсорбер 12 и поглощаются абсорбентом,
поступающим из генератора. Процесс абсорбции протекает при температуре Тс >
Тн. Выделившаяся при абсорбции теплота смешения Qа
отводится в виде водяного пара с давлением рс, соответствующим температуре
насыщения Тс.
В генераторе установки к раствору подводится
тепло Qв при температуре
Тв. вследствие чего происходит выпаривание рабочего агента. Образовавшиеся пары
из генератора поступают в конденсатор 5, где конденсируются при температуре Тс
< Тв, отдавая тепло Qк.
Выделившееся тепло отводится из конденсатора в виде водяного пара также с
давлением рс, соответствующим температуре Тс.
7.6
Схема комплексной утилизации тепла с использованием компрессорного теплового
насоса
В данной системе установка включает в себя
следующие элементы: центробежный компрессор 13, конденсатор 5, регулирующий
клапан 4, испаритель 7. В данном случае функции котла выполняет конденсатор,
где за счет тепла конденсации рабочего агента, подводимого из компрессора,
происходит образование водяного пара. Применение этой схемы оправдано на судах,
где в ходовом режиме требуется большое количество пара.
При выборе той или иной схемы утилизации для
судна необходимо исходить:
· из конкретных условий эксплуатации
судов различного назначения (скорости хода, соотношения ходового и стояночного
времени, частых маневров)
· из возможности резервирования
средств утилизации (котлов, турбогенераторов…)
· из удобства и надежности
эксплуатации, простоты конструкции
· из экономичности работы установки
при учете стоимости оборудования
8.
Разработка системы утилизации теплоты для судовой энергетической установки
Утилизационный котел
подбирается из стандартных котлов или рассчитывается специально для
проектируемого судна, их количество, как правило, должно быть равно числу
главных двигателей. Обычно в технических условиях на поставку предприятие -
изготовитель указывает допустимое сопротивление после двигателя при котором
гарантируется нормальная его работа с номинальной мощностью.
Сравнивая существующие и перспективные системы
утилизации теплоты, было принято решение установить на судне систему утилизации
высокопотенциального тепла выпускных газов главных двигателей, главным
назначением которой является подогрев воды для системы отопления судна.

-утилизационный котел; 2-парораспределительная
батарея; 3-насос; 4-водяной холодильник двигателя; 6-конденсатор;
9-регулирующий клапан; 10-испарительная батарея; 11-абсорбер
Принципиальная работа схемы заключается в
следующем. Генератор машины установлен на газопроводе выпускных газов после
утилизационного котла. Тепловая мощность генератора регулируется с помощью
установленной перед ним газовой заслонки. В случае использования тепла
выпускных газов непосредственно в генераторе холодильной машины возможно более
глубокое охлаждение газов, а следовательно, более полная утилизация этой потери
тепла двигателя.
Отработавшие газы из главного
двигателя с температурой 410 0С поступают в утилизационный котел, омывают
трубы, передают значительную часть своей энергии воде, подогревая её с 65 до 98
0С, и уходят в атмосферу с температурой примерно 1600С. .
Требования к
утилизационным котлам
Размеры УК, их количество и
параметры пара должны соответствовать назначению судна.
Конструкция УК должна отвечать
требованиям, изложенным в части X Правил Речного Регистра РФ.
Конструкция котлов должна
обеспечивать возможность регулирования паропроизводительности во всем диапазоне
нагрузок.
Котлы с искроуловителем должны
обеспечивать снижение шума выхлопа дизеля на 15-20 дБ с отдельными провалами,
котлы без искроуловителя на 10 дБ.
Материалы, применяемые для
изготовления котлов, должны отвечать требованиям Правил Речного Регистра РФ,
части X, XIII.
Конструкция сварных соединений,
технологический процесс сварки, контроль сварных соединений и арматура должны
соответствовать требованиям Правил Речного Регистра РФ, части X, XIII.
Котлы должны допускать
возможность совместной параллельной работы на общую магистраль со
вспомогательными котлоагрегатами.
Безотказная работа котлов
должна обеспечиваться без непосредственного обслуживания периодами по 3000 ч на
любых режимах непрерывно или с необходимыми остановками, пусками,
переключениями.
Нормальная работа котла должна
обеспечиваться при длительных углах крена и дифферента, а также амплитудах
бортовой и килевой качек в соответствии с Правилами Речного Регистра РФ, часть
VI.
Котлы должны быть
ремонтнопригодными за счет обеспечения доступа к узлам для их ремонта;
Возможности заглушения
змеевиков в судовых условиях и ремонта в заводских;
Наличия быстросъемных лючков;
Максимального числа
унифицированных деталей и узлов;
Достаточного количества
запасных частей и узлов;
Возможности отыскания
неисправности.
Температура наружной
поверхности обшивки в местах обслуживания не должна превышать 318 К (45°С) при
температуре окружающего воздуха 298К (25°С), а на остальной части обшивки не
должна быть более ЗЗЗК (60°С).
В целях предотвращения
пожароопасности и сохранения эксплуатационных характеристик должна быть
предусмотрена очистка поверхностей нагрева и водообмывка котлов.
Для обеспечения безопасности
эксплуатации на всех режимах работы на испарительном пучке котла должен быть
установлен предохранительный клапан в соответствии с Правилами Речного Регистра
РФ, часть X.
9.
Расчет основных элементов системы утилизации теплоты. Расчет утилизационного
котла
1. Расход воды D, кг/с
Мощность двигателя Ne, кВт
Удельный расход топлива ge,кг/(кВт*ч)
Расход топлива B,кг/с
Коэффициент избытка воздуха
Температура газов на выходе из двигателя, 0С
Температура питательной воды tпв, 0С
Температура горячей воды, 0С
Средняя температура воды, 0С
Теплоёмкость горячей воды, кДж/(кгК)
Энтальпия горячей воды кДж/кг
Теплоёмкость питательной воды, кДж/(кгК)
Энтальпия питательной воды кДж/кг.
Определение объёмов воздуха и продуктов
сгорания
Марка топлива дизельное
Состав горючей массы
Углерод
Водород
Летучая сера
Состав рабочей массы, %
Углерод
Водород
Кислород
Летучая сера
Зола
Влага
Влагосодержание атмосферного воздуха, кг/кг
Объём теоретически необходимого количество
воздуха Vo, м3/кг
Объём водяных паров, м3/кг
Приведённый углерод топлива, %
Объем трехатомных газов, м3/кг
Объём азота, м3/кг
Объемные доли продуктов сгорания
. Построение диаграммы
. Конструктивный расчет котла
наружный диаметр трубы d, м
шаг ,м
Продольный
Мощность котла , Qп
Температура газов на входе в котёл 1, 0С
Энтальпия газов на входе в котел, кДж/кг
Коэффициент сохранения теплоты
Энтальпия газов при выходе из пучка, кДж/кг
Температура газов при выходе из пучка, ух, 0С
Средняя температура газов в пучке, п, 0С
Средняя температура газов в пучке Tп, K
Скорость газов в перепускной трубе пт, м/с
Внутренний диаметр перепускной трубы dпт, м
Наружный диаметр перепускной трубы Dпт,м
Внутренний диаметр цилиндрического кожуха
Dк, м
А - эмпирический коэффициент А:=27-номинальная
эффективная мощность
Общая длина спирали змеевика, lсп, м
где Ri - радиусы кривизны змеевиков, м
Площадь поверхности нагрева змеевика,
состоящего из двух спиралей Hзм, м2
Живое сечение для прохода газов, Fг
Скорость газов в пучке, г м\с
Коэффициент теплопроводности газов,
Bт/(м*К)
Коэффициент кинематической вязкости,
Критерий Прандтля 0,635
Коэффициент теплоотдачи от газов к стенке,
к, Вт/(м2К)
Коэффициент тепловой эффективности
Коэффициент теплопередачи k, Вт/(м2К)
Температурный напор t, 0C
Расчетная поверхность нагрева Hп, м2
Расчетное число змеевиков z2
Принятое число змеевиков
Действительная площадь поверхности нагрева
котла Hп1, м2
Поверочный расчёт парообразующего пучка
Задаёмся значениями температуры газов при
выходе из котла ух,C
Энтальпия газов при выходе из пучка 
Температурный напор t, 0C
Коэффициент теплопередачи k
Мощность котла, кВт
по уравнению теплового баланса Qпб
по уравнению теплопередачи
Действительная тепловая мощность котла Qк,
кВт
Действительная температура газов при выходе из
котла, 0С
Уточнённое значение энтальпии горячей воды, iгв,
кДж/кг
Уточненное значение температуры горячей воды
tгв, 0С
Относительная погрешность полученного результата
по отношению к заданному составляет
Заключение
Произведя расчёты утилизационного
котла, рассмотрев схемы утилизации теплоты, можно сделать вывод о том, что
двигатель 6 НВД 26А-3 номинальной мощностью 
=272 кВт с частотой вращения номинальной
n= 950 
обладают средним по величине
тепловым потенциалом выпускных газов. Мы сможем использовать данное количество
теплоты, установив утилизационный котел, имеющий следующие характеристики:
· тепловая мощность
котла 31 кВт
· температура
(наибольшая) на выходе из котла 1600С
· температура газов
до котла 4100С
· поверхность нагрева
1,72 м2
Библиографический
список
1. Ерофеев В.Л., Ерофеева Е.В.
Энергосбережение. С-Пб., ГУВК, 2005.
. Селиверстов В.М. Утилизация
теплоты в судовых дизельных установках. Л.: Судостроение, 1973.
. Баев А.С. Эксплуатация судовых
энергетических установок. Методическое пособие по курсовому проектированию.-
СПб.: СПбГУВК, 2000.
4. Конаков Г.А.,
Васильев Б.В. Судовые энергетические установки и техническая эксплуатация
флота: Учебн. для вузов. М.: Транспорт, 1980.