Схема теплоутилизационного контура газотурбинного двигателя

  • Вид работы:
    Контрольная работа
  • Предмет:
    Физика
  • Язык:
    Русский
    ,
    Формат файла:
    MS Word
    211,56 Кб
  • Опубликовано:
    2014-03-13
Вы можете узнать стоимость помощи в написании студенческой работы.
Помощь в написании работы, которую точно примут!

Схема теплоутилизационного контура газотурбинного двигателя

Содержание

Введение

. Задание

. Схема теплоутилизационного контура

. Исходные данные

. Решение

Список использованной литературы

Введение

В условиях дефицита топливно-энергетических ресурсов и постоянного повышения их стоимости проблема рационального использования энергии является одной из важнейших для Украины, определяющих ее благосостояния, политическую и экономическую независимость. Один из путей решения этой проблемы состоит в повышении экономичности судовых энергетических установок, которые производят все виды энергии, необходимые для нормальной работы судна.

Повышение эффективности топливо сжигания на судах достигается повышением коэффициента полезного действия (КПД) отдельных элементов (тепловых двигателей, вспомогательного оборудования, электрогенераторов, электродвигателей, систем и т.п.), путем улучшения их констукции и применения более совершенных тепловых схем, рационального выбора режимов эксплуатации.

На морском флоте осуществляются широкая программа работ по решению проблемы энергосбережения. Особое внимание уделяется совершенствованию технической эксплуатации судов в аспекте повышения экономичности их энергетической установки, оснащению глубокой утилизации теплоты вторичных энергоресурсов (ВЭР).

Теория дисциплины "Энергосбережение на флоте рыбной промышленности" базируется на знаниях, полученных студентами при изучении дисциплин:термодинамика, электротехника, двигатели внутреннего сгорания и их эксплуатация, судовые паровые котлы и их эксплуатация, судовые турбомашины и их эксплуатация, судовые энергетические машины.

В результате изучения дисциплины студенты должны знать:

·   государственные законы об энергосбережении;

·   виды потерь энергии на судах и в промышленности;

·   способы повышения эксплуатационной эффективности судовых установок, систем и оборудования;

·   энергосберегающие способы регулирования мощности и производительности судового оборудования;

·   способы преобразования энергетических потерь в полезную энергию.

Студенты должны уметь:

·   определять располагаемые объемы вторичных энергоресурсов;

·   проектировать и эксплуатировать системы, преобразующие вторичные энергоресурсы в полезную энергию;

·   выбирать энергосберегающие режимы эксплуатации.

1. Задание

Разработать принципиальную схему теплоутилизационного контура газотурбинного двигателя мощностью Nе, работающего на дизельном топливе с коэффициентом избытка воздуха a и температурой уходящих газов tryx и имеющего эффективный КПД hе. Теплоутилизационный контур вырабатывает насыщенный пар в количестве 10 % от суммарной производительности котла и перегретый пар с параметрами pпе и tпе для утилизационной конденсационной турбины, приводящей в действие электрогенератор. Давление в конденсаторе pк. Определить располагаемый объем тепловой энергии газов, коэффициент утилизации теплоты, расходы насыщенного и перегретого пара, абсолютную и относительную мощность турбины, если ее эффективность КПД hТе=0,78. Вычислить абсолютную и относительную экономию топлива.

. Схема теплоутилизационного контура

1 - главный газотурбинный двигатель;

- утилизационный котел;

- экономайзер;

- испаритель;

- пароперегреватель;

- сепаратор пара;

- паровая турбина;

- конденсатор;

- конденсационный насос;

- теплый ящик;

- питательный насос; 12 - циркуляционный насос.

. Исходные данные

Мощность ГТД - Ne=4000 кВт;

Температура уходящих газов - =380 0С;

Коэффициент избытка воздуха - α=5,6;

Давление перегретого пара =1 МПа;

Температура перегретого пара - =270 0С;

Давление в конденсаторе - =0,006 МПа;

Эффективный КПД - =36 %

4. Решение

. Расход газа на выходе из ГТД:

 кг/с;

где  кДж/кг - низшая теплота сгорания дизельного топлива;

количество воздуха, необходимое для сгорания 1 кг топлива (СГ = 86,3%, НГ = 13,3%, SГ = 0,3%, (NГ + ОГ) = 0,1%).

. Энтальпия циркулирующей воды:

 кДж/кг;

где К = 3 - кратность циркуляции;

 кДж/кг - энтальпия кипящей в котле воды (выбираем по таблице 2);  кДж/кг - энтальпия питательной воды.

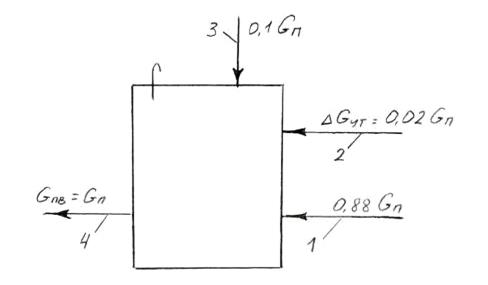
Для определения энтальпии питательной воды рассмотрим тепловой баланс теплого ящика:


- поток конденсата из конденсатора;

- утечки;

- количество пара, которое было использовано на общесудовые нужды и вернулось в виде конденсата.

- поток выходящий из теплого ящика.

 кДж/кг;

где  кДж/кг - энтальпия конденсата;

 кДж/кг - энтальпия воды (выбирается из таблицы 2 по значению давления в конденсаторе);

 кДж/кг - энтальпия утечек;

 кДж/кг - энтальпия воды общесудовых потребителей;

 - энтальпия воды (выбирается из таблицы 2 по значению давления 0,1 МПа);

. Температура циркуляционной воды:

0С;

. Температура газа на выходе из утилизационного котла:


Температура точки росы:

 0С;

0C - определяем по i - d диаграмме.

Температура газа на выходе из утилизационного котла удовлетворяет условиям: tГ > tЦ и tГ > tР.


. Теплоемкость газа на входе в утилизационный котел:

кДж/кг× 0С;

где  кДж/кг× 0С - теплоемкость воздуха;

 кДж/кг× 0С - теплоемкость газа.

. Теплоемкость газа на выходе из утилизационного котла:

кДж/кг× 0С;

где  кДж/кг× 0С - теплоемкость воздуха;

 кДж/кг× 0С - теплоемкость газа.

. Количество теплоты, отбираемое у газов утилизационного котла:

 кДж/с;

. Количество теплоты, полезно используемое в утилизационном котле:

 кДж/с;

где  - КПД утилизационного котла. Принимаем .

. Располагаемое количество теплоты уходящих газов:

 кДж/с;

где  кДж/кг× 0С;

кДж/кг× 0С - теплоемкость воздуха;

 кДж/кг× 0С - теплоемкость газа. t0 = 15 0С - температура окружающей среды;

. Коэффициент утилизации теплоты:


. Энтальпия пара в утилизационном котле:

 кДж/кг - выбирается из таблицы по значению давления в котле.

. Энтальпия перегретого пара:

кДж/кг - выбирается по i - s диаграмме для РПЕ и tПЕ.

13. Производительность утилизационного котла:

Для определения производительности составляем уравнение теплового баланса утилизационного котла совместно с сепаратором:

 кг/с

. Построение процесса расширения пара в утилизационной турбине:

газотурбинный двигатель энергия экономия

15. Располагаемая работа утилизационной турбины:

 кДж/кг

. Мощность утилизационной турбины:

Абсолютная:

 кВт.

Относительная:


. Экономия топлива:

Абсолютная:

 кг/с

Относительная:


где  кг/с - расход топлива на ГТД.


Таблица 2 Сухой насыщенный пар и вода на кривой насыщения (по давлениям)

P, МПа

ts,°С

v', м3/кг

v", м3/кг

i', кДж/кг

i", кДж/кг

r,кДж/кг

S', кДж/(кг.К)

S¢¢, кДж/(кг.К)

0,0010

6,936

0,0010001

130,04

29,18

2513,4

2484,2

0,1053

8,9749

0,0015

0,0010007

88,38

54,61

2524,7

2471,9

0,1952

8,8268

0,0020

17,486

0,0010014

67,24

73,40

2533,1

2459,7

0,2603

8,7227

0,0025

21,071

0,0010021

54,42

88,36

2539,5

2451,1

0,3119

8,6424

0,0030

24,078

0,0010028

45,77

100,93

2545,3

2444,4

0,3547

8,5784

0,0035

26,674

0,0010035

39,56

111,81

2549,9

2438,4

0,3912

8,5222

0,0040

28,95

0,0010042

34,93

121,33

2553,7

2432,3

0,4225

8,4737

0,005

32,89

0,0010054

28,24

137,79

2560,9

2423,1

0,4764

8,3943

0,010

45,82

0,0010102

14,70

191,84

2583,9

2392,1

0,6496

8,1494

60,08

0,0010171

7,652

251,48

2609,2

2357,7

0,8324

7,9075

0,025

64,99

0.0010198

6,201

272,03

2617,6

2345,5

0,8934

7,8300

0,030

69,12

0,0010223

5,232

289,30

2624,6

2335,3

0,9441

7,7673

0,040

75,87

0,0010264

3,999

317,62

2636,3

2318,7

1,0261

7,6710

0,050

81,33

0,0010299

3,243

340,53

2645,2

2304,7

1,0912

7,5923

0,10

99,62

0,0010432

1,696

417,47

2674,9

2257,5

1,3026

7,3579

0,20

120,23

0,0010606

0,8860

504,74

2706,8

2202,0

1,5306

7,1279

0,30

133,54

0,0010733

0,6055

561,7

2725,5

2163,8

1,6716

0,50

151,84

0,0010927

0,3749

640,1

2748,8

2108,7

1,8605

6,8221

0,60

158,84

0,0011009

0,3156

670,6

2756,9

2086,3

1,9311

6,7609

0,70

164,96

0,0011081

0,2728

697,2

2763,7

2067,2

1,9923

6,7090

0,80

170,41

0,0011149

0,2403

720,9

2769,0

2048,1

2,0461

6,6630

0,90

175,36

0,0011213

0,2149

742,7

2773,7

2031,7

2,0945

6,6223

1,0

179,88

0,0011273

0,1945

762,4

2777,8

2015,3

2,1383

6,5867

1,5

198,28

0,0011538

0,1317

844,5

2791,8

1947,5

2,3148

6,4458

2,0

212,37

0,0011768

0,09961

908,6

2799,2

1890,7

6,3411

3,0

233,83

0,0012164

0,06663

1008,4

2803,1

1794,7

2,6455

6,1859

4,0

250,33

0,0012520

0,04977

1087,5

2800,6

1713,2

2,7965

6,0689

5,0

263,91

0,0012858

0,03943

1154,2

2793,9

1639,6

2,9210

5,9739

6,0

275,56

0,0013185

0,3243

1213,9

2784,4

1570,5

3,0276

5,8894

7,0

285,80

0,0013510

0,02738

1267,6

2772,3

1504,7

3,1221

5,8143

8,0

294,98

0,0013838

0,02352

1317,3

2758,6

1441,2

3,2079

5,7448

9,0

303,31

0,0014174

0,02049

1363,9

2742,6

1378,8

3,2866

5,6783

10,0

310,96

0,0014522

0,01803

1407,9

2724,8

3,3601

5,6147

12,0

324,64

0,001527

0,01426

1491,1

2684,6

1193,5

3,4966

5,4930

14,0

336,63

0,001611

0,01149

1570,8

2637,9

1067,0

3,6233

5,3731

16,0

347,32

0,001710

0,009319

1649,6

2581,7

932,1

3,7456

5,2478

18,0

356,96

0,001839

0,007505

1732,2

2510,6

778,4

3,8708

5,1054

20,0

365,72

0,00203

0,00586

1826,8

2410,3

583,4

4,0147

4,9280

22,0

373,71

0,00269

0,00378

2009,7

2195,6

152,0

4,2943

4,5815


Список использованной литературы

1. Комплексная программа энергосбережения в Автономной республике Крым до 2010г.- Симферополь: Таврия, 1998г.

2. Промышленность Украины: путь к энергетической эффективности. К.: Центр ЕС, 1995г.

3. Гольстрем В.А., Кузнецов Ю.Л. Справочник по экономии топливо-энергетических ресурсов.К.: Техника, 1985г.

4. Беляев И.Г. Эксплуатация судовых утилизационных установок. - 2-е издание перераб. и доп.- М.: Транспорт 1987г.

5. Овсянников М.К., Петухов В.А. Судовые дизельные установки. Справочник. - Л.: Судостроение, 1986г.

6. Касаткин А.С., Немцов М.В. Электротехника.- М.:Энергоатомсудат, 1983.

7. Бабаев А.М., Ягодкин В.Я. Автоматизированные электроприводы.- М.: Транспорт, 1986г.

8. Мезенцев А.П. Эффективность применения утилизаторов теплоты в огнетехнических агрегатах.- Л.: Недра, 1987г. (Серия " Экономия топлива и электроэнергии").

9. Интегрирование технологии и энергосбережение. Поквартальный научно-практический журнал.- Харьков.: ХДПУ.-2000г. №2 104с.

10. Баранов А.П. "Судовые автоматизированные электро-энергетические системы". М; Транспорт; 1988г.

11. Промышленность Украины: путь к энергетической эффективности; энергетический центр Украины; Киев, 1995г.

Похожие работы на - Схема теплоутилизационного контура газотурбинного двигателя

 

Не нашли материал для своей работы?
Поможем написать уникальную работу
Без плагиата!
Без нейросетей!