Проект создания роликового конвейера
Введение
Создание машин, отвечающих потребностям народного хозяйства и
промышленности, должно предусматривать их наибольший экономический эффект и
высокие технико-экономические и эксплуатационные показатели.
Основные требования, предъявляемые к создаваемой машине: высокая
производительность, надежность, технологичность, ремонтопригодность,
минимальные габариты и масса, удобство эксплуатации, экономичность.
Транспортирующие машины являются неотъемлемой частью производственного
процесса современного предприятия. По принципу действия подъемно-транспортные
машины разделяют на две самостоятельные конструктивные группы: машины
периодического и непрерывного действия. К первым относятся грузоподъемные краны
всех типов, лифты, средства напольного транспорта (тележки, погрузчики,
тягачи), подвесные рельсовые и канатные дороги (периодического действия),
скреперы и другие подобные машины, а ко вторым (их также называют машинами
непрерывного транспорта и транспортирующими машинами) - конвейеры различных
типов, устройства пневматического и гидравлического транспорта и подобные им
транспортирующие машины.
Машины непрерывного действия характеризуются непрерывным перемещением
насыпных или штучных грузов по заданной трассе без остановок для загрузки или
разгрузки. Благодаря этому машины непрерывного действия имеют высокую
производительность, что очень важно для современных предприятий с большими
грузопотоками.
Вместе с тем, при эксплуатации транспортирующих машин непрерывного
действия, отдельные вспомогательные операции (в основном загрузка) выполняются
вручную или с применением малоэффективных универсальных загрузочных устройств.
Поэтому часто производительность конвейерной линии ограничена
производительностью устройств загрузки/выгрузки.
Таким образом, существует потребность во внедрении специализированного
рольганга, позволяющего автоматически подавать отливки в рабочую зону
металлорежущего оборудования.
1.
Конструирование рольганга
1.1 Анализ
технического задания на проектирование
Согласно техническому заданию ход каретки рольганга составляет S = 1,7 м. Вместе с тем, время,
заложенное в технологическом процессе на снятие обработанной отливки со станка,
составляет 50 с.
Принимаем время подачи отливки в рабочую зону станка, равным времени
снятия обработанной отливки (t = 50
c), тогда требуемая скорость
перемещения
Определяем долговечность рольганга
[Lh] = 365 ∙ Л ∙ 24 ∙
кгод ∙ ксут = 365 ∙ 10 ∙ 24 ∙
0,64 ∙ 0,3 = 16820 ч
где Л = 10 лет - срок службы привода (согласно техническому заданию);
кгод = 0,64 - коэффициент годового использования
(данные бюро мощностей «ВКМ-Сталь»);
ксут = 0,3 - коэффициенты суточного использования
(данные бюро мощностей «ВКМ-Сталь»).
На предприятии «ВКМ-Сталь» для обработки ответственных поверхностей
крупногабаритных отливок используется технологическая линия, включающая в себя
металлорежущее оборудование, различные транспортирующие устройства и машины,
соединенные магистральными конвейерами. Так как планировка производственных помещений
не всегда позволяет осуществить подачу заготовок непосредственно с
магистрального конвейера в рабочую зону станка, то в дополнение к общецеховому
конвейерному транспорту в пределах рабочей зоны станков устанавливают
дополнительные грузоподъемные устройства местного применения.
В настоящее время в качестве таких дополнительных устройств применяются
краны-укосины или мостовые кран-балки. Использование данного оборудования
сопряжено с необходимостью строповки груза, тщательной ручной выверки и
установки отливки на столе станка. Все манипуляции с заготовкой производятся
при выключенном станке, и занимает около 10 минут (примерно 20% от машинного
времени).
В связи с возросшим дефицитом крупногабаритного вагонного литья
(надрессорные и боковые балки тележек, корпуса автосцепок) перед предприятием
«ВКМ-Сталь» стоит задача освоения собственного производства для нужд вагонной
промышленности Мордовии, а также для реализации в другие регионы. Учитывая
прогнозируемый рост спроса на литье, и как следствие увеличение программы
выпуска, отсутствие эффективных средств механизации и автоматизации
производства приведет к срыву выполнения планов и снижению прибыли предприятия.
1.2 Разработка компоновочной схемы
рольганга
На рисунке 1 представлена компоновка предлагаемого рольганга.
Рисунок 1. Компоновка рольганга
Рольганг состоит из двух роликовых балок, жестко закрепленных на шести
стойках на расстояние 1580 мм друг от друга (расстояние определяется
предельными габаритами отливок).
Между роликовыми балками на катках перемещается каретка, сообщающая
отливке поступательное перемещение от гидроцилиндра.
Корпус гидроцилиндра шарнирно закреплен на неподвижном кронштейне, шток
цилиндра присоединен к каретке. Стойки балок и кронштейн гидроцилиндра
закрепляются на фундаменте.
1.3 Расчет и проектирование роликовых
элементов
Ролики (рисунок 2) необходимы для облегчения перемещения груза
относительно неподвижной части рольганга.
Поверхности катания представляют собой комбинацию цилиндрической,
торцевой и конической поверхностей. Торцевая поверхность препятствует сходу
груза с рольганга, а коническая поверхность обеспечивает центрирование отливки
при ее установке на установке.
Плавность хода обеспечивается за счет пары подшипников, запрессованных в
ролик. Внутреннее кольцо подшипника базируется на валу, на выходных концах
которого имеются фрезерованные лыски, входящие в пазы роликовых балок.
Рисунок 2 - Ролик
Фиксация колец подшипника относительно ролика осуществляется за счет
центральной втулки и двух торцевых крышек, которые, в свою очередь, стопорятся
разрезными кольцами.
Чтобы внутрь ролика не проникала пыль, в торцевых крышках выполнены
канавки под сальники. Подшипниковые полости необходимо заполнить густой смазкой
при сборке ролика.
При эксплуатации установки ролики воспринимают вертикальную нагрузку,
равную весу отливки, при этом поворачиваясь относительно неподвижной оси.
Критерием качества проектирования в данном случае является достаточная
долговечность шарикоподшипников.
Определим вертикальную нагрузку на ролик
где kД = 0,25 - коэффициент, учитывающий динамические
нагрузки при опускании отливки на рольганг;
Q =
1000 кг = 10000 Н - наибольший вес отливки;
n = 3
- минимальное количество роликов, одновременно касающихся отливки.
В зависимости от габаритных размеров отливки возможны два расчетных
случая ее размещения относительно роликов:
груз, установленный на рольганге, касается основной цилиндрической
поверхности катания роликов;
груз касается центрирующей конической поверхности роликов.
Рассмотрим расчетный случай, когда груз касается основной цилиндрической
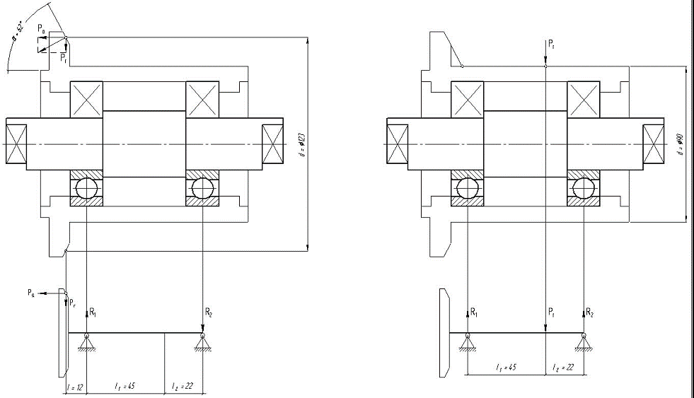
поверхности катания ролика (рисунок 3).
Рисунок 3 - Расчетная схема опор ролика (первый расчетный случай)
Определяем радиальную нагрузку на ролик Рr = 4170 Н.
Определяем осевую нагрузку на ролик Ра = 0 Н.
Составляем уравнение статического равновесия для определения реакции R1

Тогда
Составляем уравнение статического равновесия для определения реакции R2

Тогда
Проверяем правильность определения реакций, составив уравнение проекций
сил на вертикальную ось
R1 + Ry2
- Рr = 1369 + 2801 - 4170 = 0
Предварительно намечаем радиальные шариковые подшипники средней серии 306
и выписываем его характеристики [1, с. 394, таблица П3]:
внутренний диаметр d = 30
мм;
наружный диаметр D = 72
мм;
ширина b = 19 мм;
статическая грузоподъемность С0 = 14600 Н;
динамическая грузоподъемность С = 28100 Н.
Подбираем подшипники по более нагруженной опоре 2.
Эквивалентная нагрузка рассчитывается по формуле
РЭ
= (Х·V·R2 + Y·Ра)
· Кб · КТ = (1·1,2·2801 + 1·0) · 1 · 1 ≈ 3360 Н
где Х = 1 [1, с. 212, таблица 9.18] - коэффициент радиального
нагружения;
V = 1,2 [1, с.
212] - коэффициент, учитывающий характер нагружения колец (вращается наружное
кольцо);
Кб = 1 [1, с. 212, таблица 9.19] - коэффициент
безотказности при спокойной нагрузке;
КТ = 1 [1, с. 214, таблица 9.20] - коэффициент,
учитывающий тепловое расширение тел качения при температуре 50…100°С.
Прежде чем определить ресурс подшипников, вычислим частоту вращения
ролика
Определяем расчетную долговечность (ресурс)
Сравниваем расчетную долговечность с установленной в техническом задании
Lh = 19400 ч > [Lh] = 16820 ч
На основании проведенных расчетов делаем вывод о пригодности
предварительно выбранных подшипников.
Рассмотрим расчетный случай, когда груз, установленный на рольганге, не
касается основной цилиндрической поверхности катания ролика (рисунок 4).
Рисунок 4 - Расчетная схема опор ролика (второй расчетный случай)
Радиальная нагрузка на ролик Рr = 4170 Н.
Осевая нагрузка на ролик
Pа = Pr · tg α = 4170 · tg 62° = 7843 Н
где α = 62° - половина угла при вершине центрирующего
конуса.
Составляем уравнение статического равновесия для определения реакции R1

Тогда
Составляем уравнение статического равновесия для определения реакции R2

Тогда
Проверяем правильность определения реакций, составив уравнение проекций
сил на вертикальную ось
R1 - R2 - Рr = 12116 - 7946 - 4170 = 0
Проверяем подшипники по более нагруженной опоре 1.
Для оценки долговечности радиальных подшипников, допускающих восприятие
осевой нагрузки, определяем отношение осевой нагрузки к статической
грузоподъемности подшипника
Ра
/ C0 = 7843 / 14600 = 0,537
По величине РА/C0 = 0,537 определяем значение
коэффициента осевого нагружения, используя метод линейной интерполяции e = 0,437 [1, с. 212, таблица 9.18]
Определяем отношение
Рa / R1 = 7843 / 12116 = 0,65 > e = 0,437
тогда Х = 0,56; Y =
1,001 [1, с. 212, таблица 9.18].
Эквивалентная нагрузка определяется по формуле
РЭ
= (Х·V·R1 + Y·Pa) · Кб · КТ =
(0,56·1,2·12116 + 1·7843) · 1 · 1 ≈ 15985 Н
Вычислим частоту вращения ролика
Определяем расчетную долговечность (ресурс)
Сравниваем расчетную долговечность с установленной в техническом задании
Lh = 17080 ч > [Lh] = 16820 ч
Делаем вывод о пригодности предварительно выбранных подшипников для
любого из расчетных случаев размещения отливки.
Проверяем прочность оси ролика (рисунок 5).
Для первого расчетного случая (рисунок 5) составляем уравнение
статического равновесия для определения реакции R1

Тогда
Составляем уравнение статического равновесия для определения реакции R2

Тогда
Рисунок 5 - Расчетная схема оси ролика (первый расчетный случай)
Проверяем правильность определения реакций, составив уравнение проекций
сил на вертикальную ось
R1 + R2 - F1 - F2 = 1761 + 2409 - 1369 - 2801 = 0
Определяем изгибающие моменты в потенциально опасных сечениях оси - в
середине посадочной поверхности левого подшипника
М1
= R1 · ℓ = 1761 · 40,5 = 71320,5 Н·мм
в середине посадочной поверхности правого подшипника
М2
= R2 · ℓ2 = 2409 · 40,5 = 97564,5 Н·мм
Определяем нормальные напряжения в сечении под правым подшипником
где W - момент сопротивления изгибу
сечения оси под подшипниками
d = 30 мм -
посадочный диаметр подшипника 306.
В качестве материала оси принимаем качественную углеродистую сталь 20
ГОСТ 1050-88 с механическими характеристиками:
временное сопротивление разрыву σВ = 410 МПа;
предел текучести σТ = 245 МПа.
Определяем допускаемые напряжения для выбранного материала при запасе
прочности n = 2,0
Расчетное напряжение сравниваем с допускаемым напряжением
σ = 37 МПа < [σ] = 122,5 МПа
Для второго расчетного случая (рисунок 6) составляем уравнение
статического равновесия для определения реакции R1

Тогда
Составляем уравнение статического равновесия для определения реакции R2

Тогда
Проверяем правильность определения реакций, составив уравнение проекций
сил на вертикальную ось
R1
- R2 - F1 + F2 = 6626 - 2456 - 12116 + 7946 =
0
Рисунок 6 - Расчетная схема оси ролика (второй расчетный случай)
Определяем изгибающие моменты в потенциально опасных сечениях оси
в середине посадочной поверхности левого подшипника
М1
= R1 · ℓ = 6626 · 40,5 = 268353 Н·мм
в середине посадочной поверхности правого подшипника
М2
= R2 · ℓ2 = 2456 · 40,5 = 99468 Н·мм
Определяем нормальные напряжения в сечении под левым подшипником
Расчетное напряжение сравниваем с допускаемым напряжением
σ = 101,5 МПа < [σ] = 122,5 МПа
Таким образом, выбранные размеры и материал оси обеспечивают требуемую
статическую прочность при любом варианте нагружения.
Катки (рисунок 7) необходимы для облегчения перемещения каретки
относительно неподвижной части рольганга.
Поверхности катания представляют собой комбинацию цилиндрической,
торцевой и сферической поверхностей. Торцевая поверхность препятствует сходу
каретки с рольганга, а сферическая поверхность обеспечивает центрирование
каретки относительно роликовых балок.
Плавность хода обеспечивается за счет спаренных подшипников,
запрессованных в расточку катка. Внутренние кольца базируются на валу, выходной
конец которого жестко фиксируется на каретке.
Фиксация колец подшипника относительно катка осуществляется за счет
уступа, расточенного в корпусе катка, и торцевой крышки, закрепленной на
корпусе катка винтами.
Рисунок 7 - Каток
Чтобы внутрь ролика не проникала пыль, в торцевой крышке вмонтирована
манжета. Подшипниковые полости необходимо заполнить густой смазкой при сборке
ролика. При эксплуатации установки ролики воспринимают вертикальную нагрузку,
равную собственному весу каретки, при этом поворачиваясь относительно
неподвижной оси.
Особенностью выбранной схемы рольганга является раздельное восприятие
нагрузок: роликовые балки нагружены весом отливки, а каретка служит только для
приведения отливки в поступательное движение.
Критерием качества проектирования является достаточная долговечность
шарикоподшипников.
Расчетная схема Катковых опор приведена на рисунке 8.
Рисунок 8 - Расчетная схема опор катка
Определим вертикальную нагрузку на каток
где GК = 280 кг = 2800 Н - собственный вес каретки
(ориентировочно);
n = 3
- минимальное количество рабочих катков.
Осевая нагрузка на каток
Pа = Pr / tg α = 935 / tg 6,5° = 107 Н
где α = 6,5° - угол уклона полки стандартного
горячекатаного швеллера.
Предварительно намечаем радиальные шариковые подшипники легкой серии 208
и выписываем его характеристики [1, с. 394, таблица П3]:
внутренний диаметр d = 40
мм;
наружный диаметр D = 80
мм;
статическая грузоподъемность С0 = 17800 Н;
динамическая грузоподъемность С = 32000 Н.
Для оценки долговечности радиальных подшипников, допускающих восприятие
осевой нагрузки, определяем отношение осевой нагрузки к статической
грузоподъемности подшипника
Ра
/ C0 = 107 / 17800 = 0,006
По величине РА/C0 = 0,006 определяем значение
коэффициента осевого нагружения, используя метод линейной интерполяции e = 0,17 [1, с. 212, таблица 9.18]
Определяем отношение
Рa / Рr = 107 / 935 = 0,11 < e = 0,17
При e = 0,17 коэффициенты: Х = 1,0; Y = 0 [1, с. 212, таблица 9.18].
Эквивалентная нагрузка определяется по формуле
РЭ
= (Х·V·Рr + Y·Pa) · Кб · КТ =
(1,0·1,2·935 + 0·107) · 1 · 1 ≈ 1122 Н
Вычислим частоту вращения ролика
Определяем расчетную долговечность (ресурс)
На основании проведенных расчетов делаем вывод о пригодности
предварительно выбранных подшипников.
Проверяем прочность оси катка. Расчетная схема оси катка приведена на
рисунке 9. Определяем изгибающие моменты в опасном сечении оси
М = Pr · ℓ = 935 · 67,5 = 63112,5
Н·мм
Определяем нормальные напряжения в сечении
< [σ] = 122,5 МПа
где W - момент сопротивления изгибу
сечения оси
d = 40 мм -
посадочный диаметр оси.
Рисунок 9 - Расчетная схема оси катка
Таким образом, выбранные размеры и материал оси обеспечивают требуемую
статическую прочность.
1.4 Расчет и проектирование балок
роликовых
Роликовые балки (рисунок 10) состоят из двух швеллеров №16, соединенных
поперечными диафрагмами. К внутренним поверхностям швеллеров приварены планки с
пазами, в которые устанавливаются цапфы роликов.
Крепление роликовой балки к консоли осуществляется посредством шести
болтов М16 через два опорных листа, приваренных к нижним полкам швеллеров.
Рисунок 10 - Роликовая балка
Расчетная схема роликовой балки приведена на рисунке 11.
Рисунок 11 - Расчетная схема балки роликовой
Вертикальная нагрузка на роликовую балку передается через ролики и катки,
причем нагрузка перемещается вдоль балки в процессе движения каретки с грузом.
Из курса сопротивления материалов известно, что для двухпролетной
неразрезной балки наиболее неблагоприятной схемой приложения нагрузки является
случай, когда сосредоточенная сила приложена в середине между средней и одной
из крайней опорами. Учитывая симметричное расположение опор (рисунок 11) делаем
вывод, что оба расчетных случая (когда каретка находится в середине правого
пролета, и когда в середине левого) будут одинаковы. При расчете пренебрегаем
собственным весом балки
Рассмотрим схему приложения весовых нагрузок в середине правого пролета.
Определяем нагрузку на балку
где Q = 10000 Н - вес отливки;
GК = 280 кг = 2800 Н - вес каретки,
n = 2 -
минимальное число одновременно работающих роликов.
Раскрываем статическую неопределимость балки, определяя реакцию средней
опоры
Составляем уравнение статического равновесия для определения реакции R1

Тогда
Составляем уравнение статического равновесия для определения реакции R3

Тогда
Проверяем правильность определения реакций, составив уравнение проекций
сил на вертикальную ось
R1 + R2 + R3 - Р = 115 + 2817 + 3468 - 6400 = 0
Определяем изгибающие моменты в потенциально опасных сечениях балки
под средней опорой
М1
= R1 · ℓ = 115 · 2100 = 241500 Н·мм
в середине пролета между средней и правой опорой
М2
= R3 · с = 3468 · 1000 = 3468000 Н·мм
Предварительно назначаем сечение балки в виде двух швеллеров №16 по ГОСТ
8240-97 с характеристиками сечения:
площадь F = 1810 мм2;
момент сопротивления изгибу WX = 9,34·104 мм3;
момент инерции JX = 7,47·106 мм3.
Определяем нормальные напряжения в сечении под левым подшипником
где W - момент сопротивления изгибу
сечения балки
W = 2 · WX
= 2 · 9,34·104 = 1,868·104 мм3
Расчетные нормальные напряжения σ = 37 МПа сравниваем с расчетным
сопротивлением R = 163 МПа (материал марки ВСт3сп5)
где Rу - расчетное сопротивление материала балки на сжатие
и изгиб по пределу текучести;
Rуn = 245 МПа - нормативное сопротивление материала
балки на сжатие и изгиб по пределу текучести;
γm = 1,5 [2, с. 4, таблица 3.2] - коэффициент надежности
по материалу.
Расчетное напряжение сравниваем с допускаемым напряжением
σ = 37 < R = 233 МПа - условие прочности выполнено.
1.5 Конструирование путевых
выключателей
Синхронизация работы системы управления станком с подающим устройством
достигается за счет установки на левой стороне одной из роликовых балок
путевого выключателя (рисунок 12).
Рисунок 12 - Установка путевого выключателя
При установке отливки на роликовые балки, груз ложится на поверхности
катания роликов и при этом взаимодействует с маятником, установленным между
швеллерами балки. К нижней части маятника крепится груз, так, чтобы в свободном
состоянии маятник занимал строго вертикальное положение. В верхней части
маятника закреплена пластинка из магнитного материала, а на стенке швеллера -
индуктивный бесконтактный датчик. Пока ролики не касаются груза, магнитная
пластинка и датчик находятся на достаточном удалении друг от друга и сигнал от
датчика на командоаппарат станка. Но как только отливка касается роликов,
маятник поворачивается против часовой стрелки (положение маятника показано на
рисунке 12 штриховыми линиями) и магнитная пластина становится на расстоянии
около 5 мм от датчика, что вызывает его срабатывание.
1.6 Расчет
рабочих параметров гидроцилиндра
В результате предварительного расчета и эскизной проработки проекта,
установлены размеры, вес и скорость линейного перемещения каретки. Полученные
данные служат для определения параметров гидропривода подающего устройства.
Составляем расчетную схему гидроцилиндра (рисунок 13).
Рисунок 13 - Расчетная схема гидроцилиндра
В рассматриваемом гидроцилиндре шток шарнирно закреплен к неподвижной
раме, цапфа корпуса шарнирно соединена с кронштейном каретки. Выбору подлежат
следующие геометрические параметры: диаметр поршня DП, диаметр штока dШ и ход
корпуса S.
Ход цилиндра должен соответствовать ходу каретки Н=1700 мм,
Записываем выражения для расчета площадей поперечного сечения:
- штоковой полости
поршневой полости
Для расчета геометрических размеров гидроцилиндра составляем уравнение
баланса сил, действующих на корпус вдоль оси гидроцилиндра.
P1 - P2 = PУ + RD ,
где P1 - сила от рабочего давления в штоковой полости;
P2 - сила противодавления в поршневой
полости;
PУ - сила трения в сопряжениях поршня и
корпуса;
RD =
0,1 тС = 1000 Н - технологическое усилие (сила сопротивления движению отливки).
Выразим силы P1 и P2 через площади поперечного сечения полостей гидроцилиндра,
рабочее давление и давление гидравлического сопротивления в сливной линии
P1 = р1 · F1
P2 = р0 · F2
где р1 - рабочее давление;
F1 - площадь поперечного сечения
штоковой полости;
р0 - давление в сливной линии;
F2 - площадь поперечного сечения
поршневой полости.
Введем производные геометрический параметр гидроцилиндра - отношение
диаметра штока к диаметру поршня
Тогда площадь поперечного сечения штоковой полости
Силу трения в уплотнениях РУ в первом приближении принимаем
равным 25% от технологического усилия RD :
РУ
= 0,25 · RD
Запишем уравнение баланса сил, действующих на корпус с учетом принятых
соотношений
Из последнего выражения выражаем диаметр поршня
мм
где RD = 1000 Н -
технологическое усилие;
р1 = 0,5 МПа - рабочее давление [3, с. 8];
k = 0,5 -
отношение диаметра штока к диаметру поршня (по каталогу фирмы «АПРЕЛЬ»);
р0 = 0,196 МПа - давление гидравлического
сопротивления в сливной линии [3, с. 8].
Определяем диаметр штока
dШТ = DП · k =
157,3 · 0,5 = 78,7 мм
В соответствии с расчетными размерами гидроцилиндра подъема поворотной
стрелы по каталогу фирмы «АПРЕЛЬ» выбираем цилиндр с обозначением HCС.60.25.860
- 01 с характеристиками:
диаметр поршня DП = 160 мм;
диаметр штока dШ = 80 мм;
ход S = 1750 мм.
Для выбранного цилиндра рассчитываем площади поперечного сечения:
- штоковой полости
15080 мм2
= 0,015 м2
поршневой полости
20106 мм2
= 0,02 м2
Рассчитываем расходов рабочей жидкости
при прямом ходе
м3/с
= 30,6 л/мин
при обратном ходе
м3/с
= 40,8 л/мин
где Н = 1700 мм = 1,7 м - ход цилиндра;
t = 50 с - время
цикла;
F1 = 0,015 м2 - площадь
поперечного сечения штоковой полости;
F2 = 0,02 м2 - площадь
поперечного сечения поршневой полости.
За расчетный расход QПВ рабочей жидкости принимаем
наибольший из Q1 и Q2, то есть
QПВ = Q2 = 40,8 л/мин
1.7 Выбор и расчет гидроаппаратуры
Подбор гидроаппаратуры производится по максимальному расходу через
аппарат и рабочему давлению гидропривода.
Рабочее давление рРАБ = 0,5 МПа было принято на этапе расчета
и выбора гидроцилиндра.
Максимальный расход в гидросистеме будет, когда происходит одновременная
работа гидроцилиндров подъема поворотной и грузовой стрел при неподвижной
опущенной опоре.
Общий расход рабочей жидкости
QРАБ = QПВ = 40,8 л/мин = 6,8·10-4 м3/с.
Гидроаппараты выбирается путем сравнения параметров рРАБ и QРАБ с паспортными данными выбираемого
аппарата. Необходимо определить перепад давления на аппарате при рабочих
условиях. Произведем выбор гидроаппаратов и расчет потерь давления.
Кран муфтовый КМ:
обозначение по ГОСТ 22508-77: КМ-27-32-01 [3, с. 109];
номинальные расход QНОМ = 50 л/мин;
номинальное давление рНОМ = 2,7 МПа;
номинальный перепад давления Dрном = 0,04 МПа.
Потеря давления при рабочих условиях
Клапан обратный КО1:
обозначение по ТУ2-053-1444-79: ПГ51-24 [2, с. 109];
номинальные расход QНОМ = 45 л/мин;
номинальное давление рНОМ = 2,7 МПа;
номинальный перепад давления Dрном = 0,02 МПа.
Потеря давления при рабочих условиях
Полумуфты соединительные БРС1 и БРС2:
обозначение по каталогу «АПРЕЛЬ»: 5827-1-01;
номинальные расход QНОМ = 50 л/мин;
номинальное давление рНОМ = 3,0 МПа;
номинальный перепад давления Dрном = 0,02 МПа.
Гидрораспределитель трехпозиционный Р1 с электромагнитным управление:
обозначение по ТУ2-053-1846-87: 1Р 203.В44;
номинальные расход QНОМ = 42 л/мин;
номинальное давление рНОМ = 1,41 МПа;
номинальный перепад давления Dрном = 0,09 МПа.
Потеря давления при рабочих условиях
Гидрораспределитель трехпозиционный Р2 с управлением от рукоятки:
обозначение по ТУ2-053-1846-87: 1Р 203.В64А;
номинальные расход QНОМ = 60 л/мин;
номинальное давление рНОМ = 2,75 МПа;
номинальный перепад давления Dрном = 0,05 МПа.
Потеря давления при рабочих условиях
Гидрораспределитель двухпозиционный Р3 с электромагнитным управлением:
обозначение по ТУ2-053-1846-87: 1Р 203.В64А;
номинальные расход QНОМ = 65 л/мин;
номинальное давление рНОМ = 1,41 МПа;
номинальный перепад давления Dрном = 0,016 МПа.
Потеря давления при рабочих условиях
Секция гидрораспределителя секционного Р5 со встроенным регулятором
расхода с управлением от рукоятки:
- обозначение распределителя
по ТУ4144-023-0021824-04: 1РСМ12-25-021-4;
номинальные расход QНОМ = 42 л/мин;
номинальное давление рНОМ = 3,0
МПа;
номинальный перепад давления
в одной секции Dрном = 0,086 МПа;
номинальный перепад давления
в регуляторе расхода Dрном = 0,06 МПа;
Потеря давления при рабочих условиях для одной секции
Потеря давления при рабочих условиях для регулятора расхода
Гидрозамок односторонний ЗМ1а:
обозначение по ТУ-053-1551-81: М-4 КУ20/320 04;
номинальные расход QНОМ = 62 л/мин;
номинальное давление рНОМ = 2,7 МПа;
номинальный перепад давления Dрном = 0,085 МПа.
Потеря давления при рабочих условиях
Клапан тормозной с гидравлическим управлением КТ1:
обозначение по каталогу «АПРЕЛЬ»: 854.53.60.00;
номинальные расход QНОМ = 85 л/мин;
номинальное давление рНОМ = 2,7 МПа;
номинальный перепад давления Dрном = 0,1 МПа.
Потеря давления при рабочих условиях
Клапан предохранительный КП:
- обозначение по ТУ4144-019-0021824-01: 20-Х-1-11У;
- номинальные расход QНОМ = 45 л/мин;
давление настройки рНАС
= 0,5+0,02 МПа;
номинальный перепад давления Dрном = 0,02 МПа.
Потеря давления при рабочих условиях
Фильтр линейный Ф:
обозначение по каталогу «АПРЕЛЬ»: 854.85.00.00;
номинальные расход QНОМ = 85 л/мин;
номинальное давление рНОМ = 0,8 МПа;
номинальный перепад давления Dрном = 0,11 МПа.
Потеря давления при рабочих условиях
1.8 Расчет и выбор трубопроводов
На основе опыта, для проектирования гидросистем, рекомендуются следующие
величины скоростей движения жидкости в трубах: сливные трубы - до 1 м/с;
напорные, соединительные, исполнительные трубы, рукава высокого давления - до
3,5 м/с.
Для расчета гидравлической сети нужно установить наиболее длинный
замкнутый контур включающий в себя: гидробак - кран муфтовый КМ - насос -
клапан обратный - полумуфта БРС1 - распределительная система - напорный рукав -
гидрозамок напорный - наиболее удаленный от бака гидроцилиндр - гидрозамок
сливной - сливной рукав - тормозной клапан (режим дросселирования) -
распределительная система - полумуфта БРС2 - фильтр линейный Ф - сливная линия
- гидробак.
Составим
подробную цепочку с указанием соединительных трубопроводов, конкретных
распределительных устройств и шлангов (для трубопроводов укажем в скобках
развернутую длину L, мм и предполагаемую скорость V,
м/с): всасывающая линия
→ кран муфтовый КМ → насос Н → напорная линия
→ клапан обратный КО1 → напорная линия
→ соединительная полумуфта БРС1 → напорная
линия
→ распределитель Р3 →
соединительная линия
→ секционный распределитель Р5
(крайняя левая по схеме секция) → соединительная линия
→ напорный рукав
→
исполнительная линия
→ гидрозамок ЗМ4 → →
гидрозамок ЗМ3 → исполнительная линия
→ сливной рукав
→
соединительная линия
→ клапан тормозной КТ1 →
соединительная линия
→ секционный распределитель Р5
(крайняя левая по схеме секция) → сливная линия
→ соединительная муфта БРС1 →
сливная линия
→ фильтр Ф → сливная линия
.
Таким
образом, суммарная протяженность трубопроводов со скоростью рабочей жидкости V =
3,5 м/с (включая рукава высокого давления) составляет 7 м; протяженность
трубопроводов со скоростью V = 1 м/с - 2,8 м.
Проведем
расчет и выбор напорных, соединительных, исполнительных линий и рукавов
высокого давления. Определяем внутренний диаметр трубопроводов
где QРАБ = 40,8 л/мин = 6,8∙10-4
м3/с - рабочий расход;
V = 3,5 м/с -
оптимальная скорость рабочей жидкости в трубопроводе.
Определяем минимальную толщину стенок трубопроводов
где рРАБ = 25 МПа - рабочее давление;
КБ = 6 - коэффициент безопасности;
sВ = 370×106 Па - предел прочности
на растяжение материала трубы (Сталь 20);
Определяем расчетные наружные диаметры труб
dH = dТР + 2 × d = 16 + 2 × 6∙10-5 ≈ 16
мм
По сортаменту труб выбираем стальную бесшовную горячедеформированную
трубу по ГОСТ 8732-78 с наружным диаметром dH = 22 мм и толщиной стенки d = 2,8 мм.
Определяем фактический внутренний диаметр трубопроводов в соответствии с
принятыми размерами трубы
dТР = dН - 2×d = 22 - 2×2,8 = 16,4 мм
Определяем фактическую скорость рабочей жидкости в трубопроводах
Для определения потерь давления в сети трубопроводов определяем режим
движения жидкости по числу Рейнольдса
где dТР = 16,4 мм = 0,0164 мм - фактический
диаметр труб;
υ = 4,2·10-5 м2/с -
кинематическая вязкость рабочей жидкости (масло ВМГЗ).
При значении числа Рейнольдса до Re = 2300 режим движения жидкости в трубах будет ламинарным.
Определяем коэффициент сопротивления движению жидкости в трубах для
ламинарного режима по формуле
Определяем потери давления в трубопроводах по формуле
где ρ = 910 кг/м3 - плотность рабочей жидкости (масло
ВМГЗ);
L = 7 мм - общая
протяженность труб выбранного сортамента по расчетной цепочке;
V = 3,2 м/с -
скорость жидкости в трубах.
Проведем расчет и выбор сливных трубопроводов. Определяем внутренний
диаметр трубопроводов
где QРАБ = 40,8 л/мин = 6,8∙10-4
м3/с - рабочий расход;
V = 1 м/с -
оптимальная скорость рабочей жидкости в трубопроводе.
Определяем минимальную толщину стенок трубопроводов
где р0 = 0,196 МПа - давление в сливной линии;
КБ = 6 - коэффициент безопасности;
sВ = 370×106 Па - предел прочности
на растяжение материала трубы (Сталь 20);
Определяем расчетные наружные диаметры труб
dH = dТР + 2 × d = 30 + 2 × 6∙10-5 ≈ 30
мм
По сортаменту труб выбираем стальную бесшовную горячедеформированную
трубу по ГОСТ 8732-78 с наружным диаметром dH = 35 мм и толщиной стенки d = 2,5 мм.
Определяем фактический внутренний диаметр трубопроводов в соответствии с
принятыми размерами трубы
dТР = dН - 2×d = 35 - 2×2,5 = 30 мм = 0,03 м
Определяем фактическую скорость рабочей жидкости в трубопроводах
Для определения потерь давления в сети трубопроводов определяем режим
движения жидкости по числу Рейнольдса
где dТР = 30 мм = 0,03 мм - фактический
диаметр труб;
υ = 4,2·10-5 м2/с -
кинематическая вязкость рабочей жидкости (масло ВМГЗ).
При значении числа Рейнольдса до Re = 2300 режим движения жидкости в трубах будет ламинарным.
Определяем коэффициент сопротивления движению жидкости в трубах для
ламинарного режима по формуле
Определяем потери давления в трубопроводах по формуле
где ρ = 910 кг/м3 - плотность рабочей жидкости (масло
ВМГЗ);
L = 2,8 мм - общая
протяженность труб выбранного сортамента по расчетной цепочке;
V = 0,96 м/с - скорость
жидкости в сливных трубах.
1.9 Расчет и выбор насоса
гидравлического привода
Расчет начинаем с определения потерь давления для санной протяженной
замкнутой цепи привода. Потери складываются из перепадов давления на
гидроаппаратах и суммарных потерь в трубопроводах.
Определяем суммарные потери давления на гидроаппаратуре привода с учетом
составляющих расчетной цепочки
SDрАП
= DрКМ + DрКО + 2·DрБРС + DрР3 + DрСЕК + 2·DрЗМ + DрКТ + DрФ =
=
0,027+0,016+2·0,013+0,037+0,077+2·0,037+0,023+0,025 = 0,305 МПа
где DрКМ
= 0,027 МПа - перепад давления на кране муфтовом;
DрКО
= 0,016 МПа - перепад давления на клапане обратном;
DрБРС
= 0,013 МПа - перепад давления на муфте соединительной;
DрР3
= 0,037 МПа - перепад давления на распределителе Р3;
DрСЕК
= 0,077 МПа - перепад давления на секции распределителя;
DрЗМ
= 0,0,037 МПа - перепад давления на гидрозамке;
DрКТ
= 0,023 МПа - перепад давления на клапане тормозном;
DрФ
= 0,025 МПа - перепад давления на фильтре линейном.
Определяем суммарные потери давления в трубопроводах
SDрТР
= DрТ1 + DрТ2 = 0,102 + 0,004 =
0,106 МПа
где DрТ1
= 0,102 МПа - потери давления в напорных трубопроводах;
DрТ2 = 0,004 МПа - потери давления в сливных трубопроводах.
Определяем суммарные потери давления в гидроприводе
Dр = SDрАП + SDрТР = 0,305 + 0,106 =
0,411 МПа,
Определяем расчетное давление насоса
рН
= рРАБ + Dр =
0,5 + 0,411 = 0,911 МПа.
где рРАБ = 0,5 МПа - принятое рабочее давление
гидропривода.
Определяем расчетную подачу насоса (с учетом 3% на утечки)
QH = 1,03 × QРАБ = 1,03 × 40,8 = 42 л/мин.
где QРАБ = 40,8 л/мин - требуемый расход
рабочей жидкости.
Выбираем насос шестеренный нерегулируемый НШ 50У-3 по ОСТ 23.1.92-87 [3,
с. 34] с основными техническими характеристиками:
номинальная подача QHОМ = 45 л/мин;
номинальное давление рHОМ = 1,0
МПа;
- номинальная подводимая мощность N = 0,85 кВт;
полный к.п.д. h =
0,75.
Определяем необходимый объем масляного бака
WБ =
× QНОМ =
× 45 = 37,5 л
где tP = 50 с - время работы гидропривода.
QНОМ = 45 л/мин - номинальная подача
насоса.
2. Определение себестоимости
рольганга
рольганг
балка выключатель насос
Определение себестоимости рольганга будем проводить по следующим статьям:
1) Сырье и основные материалы;
2) Покупные изделия и полуфабрикаты;
3) Транспортно-заготовительные расходы;
4) Возвратные отходы;
5) Основная заработная плата
производственных рабочих;
6) Дополнительная заработная плата
производственных рабочих;
7) Начисления на заработную плату;
8) Цеховые расходы;
9) Общезаводские расходы;
10)Непроизводственные
расходы.
2.1
Определение стоимости основных материалов
Стоимость основных материалов определяем по общей формуле
;
где ЦОМ - цена одного килограмма материала, р.;
КОМ - норма расхода материала, кг.
Определяем стоимость листа горячекатаного толщиной 10 из стали Ст3
СОМ = ЦОМ × КОМ = 17,5 × 66,41 = 1162,18 р
где ЦОМ = 17,5 р. - цена одного килограмма выбранного
сортамента;
КОМ = 66,41 кг. - норма расхода выбранного
сортамента.
Определяем стоимость проката шестигранного сечения типоразмера 60 мм из
стали 45
СОМ
= ЦОМ × КОМ = 22 × 8,66 = 190,52 р
где ЦОМ = 22 р. - цена одного килограмма выбранного
сортамента;
КОМ = 8,66 кг. - норма расхода выбранного
сортамента.
Определяем стоимость отливок из чугуна марки СЧ15
СОМ
= ЦОМ × КОМ = 19,3 × 28,8 = 555,84 р
где ЦОМ = 19,3 р. - цена одного килограмма выбранного
сортамента;
КОМ = 28,8 кг. - норма расхода выбранного
сортамента.
Определяем стоимость швеллера горячекатаного типоразмера 16У из стали Ст3
СОМ
= ЦОМ × КОМ = 17,5 × 231,66 = 4054,05 р
где ЦОМ = 17,5 р. - цена одного килограмма выбранного
сортамента;
КОМ = 231,66 кг. - норма расхода выбранного
сортамента.
Определяем стоимость проката круглого сечения диаметром 100 мм из стали
40Х
СОМ
= ЦОМ × КОМ = 26 × 20,21 = 525,46 р
где ЦОМ = 26 р. - цена одного килограмма выбранного сортамента;
КОМ = 20,21 кг. - норма расхода выбранного
сортамента.
Определяем стоимость листа горячекатаного толщиной 15 из стали Ст3
СОМ
= ЦОМ × КОМ = 17,5 × 2358,18 = 41268,15 р
где ЦОМ = 17,5 р. - цена одного килограмма выбранного
сортамента;
КОМ = 2358,18 кг. - норма расхода выбранного
сортамента.
Определяем стоимость листа горячекатаного толщиной 50 из стали Ст3
СОМ
= ЦОМ × КОМ = 17,5 × 69,3 = 1212,75 р
где ЦОМ = 17,5 р. - цена одного килограмма выбранного
сортамента;
КОМ = 69,3 кг. - норма расхода выбранного
сортамента.
Определяем стоимость проката круглого сечения диаметром 60 мм из стали
40Х
СОМ
= ЦОМ × КОМ = 20 × 17,33 = 346,6 р
где ЦОМ = 20 р. - цена одного килограмма выбранного
сортамента;
КОМ = 17,33 кг. - норма расхода выбранного сортамента.
Определяем стоимость листа горячекатаного толщиной 20 из стали 09Г2С
СОМ
= ЦОМ × КОМ = 26,5 × 160,38 = 4250,07 р
где ЦОМ = 26,5 р. - цена одного килограмма выбранного
сортамента;
КОМ = 160,38 кг. - норма расхода выбранного
сортамента.
Определяем стоимость крепежных изделий
СОМ
= ЦОМ × КОМ = 32 × 2,75 = 88 р
где ЦОМ = 32 р. - цена одного килограмма крепежа;
КОМ = 2,75 кг. - чистый вес крепежа.
Определяем стоимость консервации СОМ
= 498,99 р.
Определяем стоимость сварочных электродов СОМ =
9657,93 р.
Определяем стоимость лакокрасочных материалов СОМ=2430,58 р.
Определяем стоимость прочих материалов СОМ =
654,59 р.
Определяем общую стоимость основных материалов
СОМ
= 1162,18 + 190,52 + 555,84 + 4054,05 + 525,46 +
+ 41268,15 +
1212,75 + 346,6 + 4250,07 + 88 + 498 +
+ 9657,93 +
2430,58 + 654,59 = 66894,72 р
2.2
Определение стоимости покупных изделий
Стоимость покупных изделий и полуфабрикатов определяем по общей формуле
;
где ЦПИ - цена одной покупной единицы, р.;
КПИ - необходимое количество покупных единиц, шт.
Результаты расчетов стоимости покупных изделий и полуфабрикатов
представлены в таблице 1.
Таблица 1
Стоимость покупных изделий и полуфабрикатов
|
Наименование
|
Количество
|
Цена за штуку, р
|
Стоимость, р
|
|
Гидроцилиндр HCС.60.25.860 - 01
|
1
|
13600
|
13600
|
|
Насос НШ 50У-3
|
1
|
2810
|
2810
|
|
Комплект гидроаппаратуры
|
1
|
3150
|
3150
|
|
Подшипник 306
|
32
|
115
|
3680
|
|
Подшипник 208
|
4
|
121
|
484
|
|
Кронштейн крепления гидроцилиндра
|
1
|
228
|
228
|
|
Итого
|
23952
|
Принимаем транспортно-заготовительные расходы равными 7,5% от стоимости
сырья, основных материалов, покупных и комплектующих изделий
СТЗ = (СОМ + СПИ) ×0,075 = (66894,72 + 23952) × 0,075 = 6813,5 р
2.3
Определение стоимости возвратных отходов
Массу возвратных отходов определим по общей формуле
;
где КОМ - норма расхода материала, кг.;
МИ - чистый вес изделия, кг.
Определяем массу возвратных отходов листа горячекатаного толщиной 10 из
стали Ст3
МВО
= КОМ - МИ = 66,41 - 63,25= 3,16 кг
где КОМ = 66,41 кг. - норма расхода выбранного сортамента;
МИ = 63,25 кг. - чистый вес изделия.
Определяем массу возвратных отходов проката шестигранного сечения
типоразмера 60 мм из стали 45
МВО
= КОМ - МИ = 8,66 - 8,25 = 0,41 кг
где КОМ = 8,66 кг. - норма расхода выбранного сортамента;
МИ = 8,25 кг. - чистый вес изделия.
Определяем массу возвратных отходов отливок из чугуна марки СЧ15
МВО
= КОМ - МИ = 28,8 - 27,5 = 1,3 кг
где КОМ = 28,8 кг. - норма расхода выбранного сортамента;
МИ = 27,5 кг. - чистый вес изделия.
Определяем массу возвратных отходов швеллера горячекатаного типоразмера
16У из стали Ст3
МВО
= КОМ - МИ = 231,66 - 214,5 = 17,16 кг
где КОМ = 231,66 кг. - норма расхода выбранного
сортамента;
МИ = 214,5 кг. - чистый вес изделия.
Определяем массу возвратных отходов проката круглого сечения диаметром
100 мм из стали 40Х
МВО
= КОМ - МИ = 20,21 - 19,25 = 0,96 кг
где КОМ = 20,21 кг. - норма расхода выбранного сортамента;
МИ = 19,25 кг. - чистый вес изделия.
Определяем массу возвратных отходов стоимость листа горячекатаного
толщиной 15 из стали Ст3
МВО
= КОМ - МИ = 2358,18 - 2280,38 = 77,8 кг
где КОМ = 2358,18 кг. - норма расхода выбранного
сортамента;
МИ = 2280,38 кг. - чистый вес изделия.
Определяем массу возвратных отходов листа горячекатаного толщиной 50 из
стали Ст3
МВО
= КОМ - МИ = 69,3 - 66 = 3,3 кг
где КОМ = 69,3 кг. - норма расхода выбранного сортамента;
МИ = 66 кг. - чистый вес изделия.
Определяем массу возвратных отходов проката круглого сечения диаметром 60
мм из стали 40Х
МВО
= КОМ - МИ = 17,33 - 16,5 = 0,83 кг
где КОМ = 17,33 кг. - норма расхода выбранного сортамента;
МИ = 16,5 кг. - чистый вес изделия.
Определяем массу возвратных отходов листа горячекатаного толщиной 20 из
стали 09Г2С
МВО
= КОМ - МИ = 160,38 - 148,5 = 11,88 кг
где КОМ = 160,38 кг. - норма расхода выбранного
сортамента;
МИ = 148,5 кг. - чистый вес изделия.
Определяем стоимость возвратных отходов черных металлов
СВО
= ЦВО × ΣМВО = 1,17 ×
× (3,16 + 0,41 + 1,3 + 17,16 + 0,96 + 77,8 + 3,3 + 0,83 +
11,88) = 137 р
где ЦВО = 1,17 р. - цена одного килограмма отходов.
Определяем общую стоимость основных материалов и покупных изделий с
учетом транспортно-заготовительных расходов за вычетом стоимости возвратных
отходов
= СОМ
+ СПИ + СТЗ - СВО = 66894,72 + 23952 + 6813,5
- 137 = 97523 р
2.4 Расчет
заработной платы производственных рабочих
Основная заработная плата производственных рабочих формируется из
тарифной части основной заработной платы и доплат (50% к тарифной заработной
плате).
Тарифный фонд основной заработной платы в соответствии с тарифными
ставками и нормами времени составляет 11292 р.
Основная заработная плата производственных рабочих (тариф + доплаты)
составит
ЗОСН
= 11292 ´ 1,5 = 16938 р
Принимаем дополнительную заработную плату производственных рабочих равной
30% от основной, тогда
ЗДОП
= Зосн ´ 0,3 = 16938 ´ 0,3 = 5081 р
Расчет начисления на заработную плату.
Принимаем начисления на заработную плату равными 34% от основной и
дополнительной заработной платы, тогда
ЗНЗП
= (ЗОСН + ЗДОП)´0,34 = (16938 + 5081) ´ 0,34 = 6606 р
2.5 Расчет
цеховых и общезаводских расходов
Принимаем цеховые расходы равными 350% от основной заработной платы
производственных рабочих (данные отдела труда и заработной платы ОАО “ВКМ
Сталь”), тогда
РЦ
= ЗОСН ´ 3,50 = 16938 ´3,50 = 59283 р
Принимаем общезаводские расходы равными 300% от основной заработной платы
производственных рабочих (данные отдела труда и заработной платы ОАО “ ВКМ
Сталь ”), тогда
РЗ
= ЗОСН ´ 3,0 = 16938 ´ 3,0 = 50814 р
2.6
Определение полной себестоимости рольганга
Производственная себестоимость изделия определяется по формуле
СПР
= СОМ + СПИ + СТЗ - СВО + ЗОСН
+ ЗДОП + ЗНЗП + РЦ + РЗ =
= 66894,72 +
23952 + 6813,5 - 137 + 16938 + 5081 + 6606 + 59283 + 50814 = 236145 р
Принимаем внепроизводственные расходы равными 1,25% от производственной
себестоимости, тогда
РН.ПР
= СПР ´ 0,0125 = 236145 ´ 0,0125 = 2952 р
Определяем полную себестоимость
Сполн.
= СПР + РН.ПР = 236145 + 2952 = 239097 р
Определяем структуру себестоимости подъемника по статьям затрат в
процентах по общей формуле
Результаты калькуляции плановой себестоимости сводим в таблицу 2.
Таблица 2
Калькуляция себестоимости рольганга
|
Статья калькуляции
|
Сумма, р
|
% в структуре себестоимости
|
|
Сырье и основные материалы
|
66895
|
13,9
|
|
Покупные изделия и полуфабрикаты
|
23952
|
18,3
|
|
Транспортно-заготовительные расходы
|
6813,5
|
|
Возвратные отходы
|
-137
|
-0,1
|
|
Итого материалов без отходов
|
97523
|
34,6
|
|
Основная заработная плата производственных рабочих
|
16938
|
8,4
|
|
Дополнительная заработная плата производственных рабочих
|
5081
|
2,5
|
|
Начисления на заработную плату
|
6606
|
2,8
|
|
Цеховые расходы
|
59283
|
26,7
|
|
Общезаводские расходы Итого Производственные расходы
|
50814 236145
|
23,8 98,8
|
|
Внепроизводственные расходы
|
2952
|
1,2
|
|
Полная себестоимость
|
239097
|
100
|
2.7 Расчет
годового экономического эффекта
По данным планово-экономического отдела ОАО “ВКМ Сталь” себестоимость
(приведенные затраты) выполнения работ по транспортировке, выверке и
закреплению отливки надрессорной балки при имеющемся уровне механизации рабочих
мест составляет 46150 р. при программе выпуска NГ=6000 единиц в год при капитальных вложениях КГОД=2100
р.
Определим себестоимость транспортных операций при имеющемся уровне
механизации на единицу продукции
Определяем удельные капитальные вложения на единицу продукции при
имеющемся уровне механизации
Удельные капитальные вложения на единицу продукции при использовании
предлагаемого рольганга
где Сполн = 239097 р. - стоимость спроектированного
рольганга.
NГ = 6000 шт. - годовая программа
выпуска.
Рассчитываем годовой экономический эффект составит
где С1 = 2,7 р. - себестоимость транспортных операций при
имеющемся уровне механизации на единицу продукции;
Ен = 0,15 - нормативный коэффициент эффективности
капитальных вложений
К1 = 0,35 р. - удельные капитальные вложения при
базовой технологической оснастке;
С2 = 0,04 р. - себестоимость транспортных операций с
использованием спроектированного рольганга на единицу продукции;
К2 = 39,7 р. - удельные капитальные вложения при
использовании рольганга.
Таким образом, мы определили, что с экономической точки зрения применение
специализированного рольганг более целесообразно, чем использование
универсальных подъемно-транспортных машин. К социальным результатам внедрения
рольганга относятся применение малоквалифицированной рабочей и связанное с этим
высвобождением станочников высокой квалификации, кроме того, при этом
обеспечивается серийный выпуск деталей и низкая стоимость изготовляемого
изделия.
Определяем срок окупаемости переоснащения производства
3. Безопасность жизнедеятельности
3.1 Организационно-правовые
мероприятия по охране труда
Управление охраной труда на предприятие осуществляется в соответствие с
законодательством по охране труда, министерством труда и социального развития
РФ и его территориальными органами, которые наделены широкими полномочиями по
контролю над условиями охраны труда, поставкой продукции на производство, за строительством
новых промышленных объектов, а также за выполнение законодательства по охране
труда.
Организация охраны труда на предприятии является одной из важнейших задач
и обязанностей администрации. Администрация предприятия обеспечивает надлежащее
техническое оборудование всех рабочих мест и создает на них условия работы,
соответствующие правилам по охране труда.
Согласно статье 18 Федерального закона об основах охраны труда в РФ все
работники обязаны проходить обучение и проверку знаний по охране труда, для
лиц, поступающих на работу с вредными или опасными условиями труда работодатель
организует обучение безопасным приемам работы со стажировкой на рабочем месте и
сдачей экзамена. Обучению и проверке знаний подлежат все руководители и
специалисты предприятий.
Основным документом по обучению является ГОСТ 12.0.003.-90 типовое
положение № 65 и отраслевые документы по обучению.
Проверку знаний по охране труда поступивших на работу проводят не позднее
месяца после поступления на работу, для работающих период не реже 1 раза в три
года.
Ответственность за организацию и проведение обучения по охране труда
возлагается на руководителя предприятия, а подразделений на руководителей
подразделений (начальников цехов участков, мастеров). Непосредственное
руководство по охране труда осуществляет главный инженер предприятия.
Организацией и координацией и работ по охране труда на предприятии занимается
служба охраны труда. На ЗАО «ВКМ-Сталь» эта служба называется отделом
промышленной безопасности.
В компетенцию отдела промышленной безопасности входят: анализ состояния и
причин производственного травматизма и профессиональных заболеваний совместно с
соответствующими службами на предприятии; разработка мероприятий по
предупреждению несчастных случаев и профессиональных заболеваний; организация
работ по проведению проверок, технического состояния зданий, сооружений,
оборудования; аттестация рабочих мест; проведение вводного инструктажа и
оказание методической помощи в освоении нормативной базы по охране труда.
Служба охраны труда, должна контролировать своевременное качественное
проведение инструктажа по технике безопасности и производственной санитарии во
всех подразделениях, независимо от характера работ.
На рабочих и служащих, в свою очередь, возлагаются также обязанности соблюдения
инструкций по охране труда, установленных требований обращения с машинами и
механизмами и пользованию средствами индивидуальной защиты. Не выполнение этих
обязанностей рабочими и служащими является нарушением трудовой дисциплины.
Инструкции по охране труда устанавливают правила выполнения работы и поведения
персонала в производственных помещениях и на строительных площадках.
Инструктаж и обучение работников правилам безопасных приёмов и методов
работы должны проводиться обязательно на всех предприятиях и в организациях,
независимо от характера и степени опасности производства, а также квалификации
и стажа работы работающих по данной профессии или должности. На рабочих и
служащих, в свою очередь, возлагаются также обязанности: соблюдение инструкций
по охране труда, установленных требований обращения с машинами и механизмами и
пользования средствами индивидуальной защиты. Невыполнение этих обязанностей
рабочими и служащими является нарушением трудовой дисциплины. Инструкции по
охране труда устанавливают правила выполнения работ и поведения работающих в
производственных помещениях.
Оптимальные режимы труда и отдыха должны предусматриваться для всех
работающих с учетом специфики их труда, в первую очередь для работающих с
повышенными физическими и нервно-эмоциональными нагрузками, в условиях
монотонности или воздействия опасных вредных производственных факторов.
3.2 Санитарно-гигиенические
мероприятия на предприятии
В процессе производственной деятельности на рабочем месте возникают
опасные и вредные факторы, которые воздействуют на работающего. К этим факторам
относятся пыль, пары, газы, аэрозоли СОЖ, электрический ток, движущиеся части
механизмов, межцеховой и внутрицеховой транспорт. Для эффективной и безопасной
работы персонала промышленных предприятий важно обеспечить на рабочих местах
оптимальные условия.
При организации рабочих мест необходимо обеспечить оптимальные условия
труда. Оптимальные нормативы факторов рабочей среды установлены для
микроклиматических параметров и факторов трудовой нагрузки. Для других факторов
за оптимальные условно принимают такие условия труда, при которых вредные
факторы отсутствуют либо не превышают уровни, принятые в качестве безопасных.
Характер и условия выполняемых работ характеризуется рядом показателей:
тяжестью, напряженностью, сочетанием вредных и опасных факторов рабочей среды.
Согласно санитарным нормам температура воздуха при отсутствии выделения
теплоты от материалов и оборудования в отапливаемых помещениях летом и зимой
должны находиться примерно на уровне 18…25°C. В некоторых цехах
машиностроительного предприятия наблюдается выделение большого количества
теплоты, поэтому температура повышается.
Для теплового самочувствия человека важно определенное сочетание
температуры, относительной влажности и скорости движения воздуха. Влажность
воздуха оказывает большое влияние на терморегуляцию организма. Повышенная
влажность (более 85%), затрудняет терморегуляцию вследствие снижения испарения
пота, а слишком низкая влажность (менее 20%) вызывает пересыхание слизистых оболочек
дыхательных путей.
Пониженная температура воздуха в производственном помещении приводит к
снижению работоспособности, возникновению простудных заболеваний; при работах,
выполняемых на открытом воздухе возможны обморожения.
Повышенная температура вызывает усиленное потоотделение, что может
привести к обезвоживанию и обессоливанию организма. Для компенсации потери воды
и солей рабочим горячих цехов следует больше пить минеральной воды.
Существует комплекс оптимальных и допустимых метеорологических условий
для рабочей зоны помещения, включающий значения температуры, относительной
влажности и скорости движения воздуха, при выборе которых необходимо учитывать:
время года - холодный и переходный периоды с температурой наружного воздуха
ниже 10°С и теплый период с температурой 10° и выше; категорию работ в
зависимости от тяжести выполняемых работ.
Допустимые нормы параметров микроклимата при длительном и систематическом
воздействии могут вызвать преходящие и быстро нормализующиеся изменения
функционального и теплового состояния организма и напряжения реакцией
терморегуляции, не выходящие за пределы физиологических приспособительных
возможностей.
Таким образом, для комфортной работы на производственных
участках и цехах машиностроительного предприятия необходимо, чтобы все
параметры микроклимата в помещении находились в пределах допустимых норм,
установленных ГОСТ12.1.005-88.
Благоприятные метеорологические условия на производстве (18…20 °С при
скорости движения воздуха 0,2…0,3 м/с и относительной влажности 40…60%))
являются важным фактором в обеспечении высокой производительности труда и в
профилактике заболеваний. При несоблюдении гигиенических норм микроклимата
снижается работоспособность человека, возрастает опасность возникновения травм
и ряда заболеваний, в том числе профессиональных.
Кроме физических параметров воздуха производственного помещения,
необходимо также обеспечить соблюдение норм загазованности и запыленности.
При производстве отливок черных металлов в воздух рабочей зоны выделяются
опасные и вредные вещества, источником которых являются сплавляемые компоненты
(ферромарганцевые раскислители, присадки), а также смазочные материалы литейных
форм (керосин, минеральные масла, вещества для обезжиривания). На участок
механической обработки отливки поступают с остающейся формовочной смесью внутри
полости отливки.
Для предотвращения отравлений парами, выделяемыми остатками формовочной
смеси, а также для очистки воздуха от пыли, паров смазочно-охлаждающей
жидкости, используется местная приточно-вытяжная вентиляция. Содержание вредных
веществ в воздухе, поступающем в производственное помещение, не должно
превышать 0,3 ПДК, установленных для рабочей зоны производственных помещений.
Другим важным фактором, влияющим на условия труда на участке, является
освещенность рабочего места. Обдирочную обработку отливок можно отнести к
работе грубой точности, так как не требует манипуляций с мелкими предметами.
Согласно санитарным нормам освещенность рабочих поверхностей загрузочных
устройств должна составлять не менее 100 лк.
.3 Производственное освещение
На участке обработки отливок надрессорных балок для освещения рабочих
мест используется совмещенное освещение, то есть искусственное и естественное.
Искусственное освещение представляет собой светильники, подвешенные к потолку.
Естественное освещение это оконные проемы на потолке и в стенах.
Рациональное освещение улучшает условия работы глаз, снижает утомление,
способствует повышению производительности труда и качества выпускаемой
продукции, а также благоприятно влияет на производственную среду, оказывая
положительное психологическое воздействие на работающего, повышает безопасность
труда и снижает травматизм на производстве.
3.3.1 Расчет искусственного освещения
Рассчитаем искусственное производственное освещение участка методом
светового потока.
При проектировании систем освещения необходимо принимать во внимание
надежность и экономичность выбираемых источников света. В настоящее время на
смену энергоемким лампам накаливания приходят газоразрядные лампы, которые к
тому же обладают свечением, приближенным к естественному дневному свету.
Предварительно в качестве источника света назначаем газоразрядные лампы ЛД80 со
световым потоком 4070 лм, установленные в светильники типа ПВЛ.
Число светильников в помещении, определяется по формуле
;
где Енорм = 200 лк, [7, с. 80, таблица 1] - нормируемая
минимальная освещенность по СНиП;
S - площадь освещаемого помещения
S = A · B =
30 · 25 = 750 м2
А = 30 м - длина помещения;
В = 25 м - ширина помещения;
Z = 1,3 [7, с. 80, таблица 1] - коэффициент неравномерности
освещения;
kЗ = 1,5 [7, с. 82, таблица 2] - коэффициент запаса;
ФЛ = 4070 лм [7, с. 91, таблица 4] - световой поток
одной лампы;
η = 0,37 [7, с. 8] - коэффициент использования
светового потока при показателе помещения i
Hp - высота светильника над рабочей поверхностью
НР
= Н - hC - hP = 7 - 0,5 - 0,8 = 5,7 м
Н = 7 м - высота цеха;
hC = 0,5 м - расстояние светового центра светильника
от потолка;
hP = 0,8 м - расстояние от поверхности пола до
рабочей плоскости рольганга;
Таким образом, в результате расчета получаем, что для освещения
производственного помещения площадью 750 м2 необходимо установить
196 светильников типа ПВЛ, расположить в два ряда по две лампы в светильнике.
3.4 Противопожарная безопасность
Предприятия машиностроительной промышленности нередко отличаются
повышенной пожарной опасностью, поскольку их характеризует сложность
производственных установок, значительное количество легко воспламеняющихся и
горючих жидкостей, сжиженных горючих газов, твердых сгораемых материалов,
являющихся весьма пожароопасными; большое количество емкостей и аппаратов, в
которых находятся пожароопасные продукты под давлением; большая оснащенность
электроустройствами.
Причины пожаров, возникающих на машиностроительных предприятиях
следующие: нарушение технологического режима; неисправность электрооборудования
(коротких замыканий, перегрузки и большие переходные сопротивления); плохая
подготовка оборудования к ремонту; самовозгорание промасленной ветоши и других
материалов, склонных к самонагреванию; износ и коррозия оборудования; неисправность
запорной арматуры и отсутствие заглушек на ремонтируемых аппаратах и
трубопроводах; искры при электро- и газосварочных работах; неисправность
канализации и гидрозатворов; конструктивные недостатки оборудования; ремонт
оборудования на ходу; реконструкция установок с отклонением от технологических
схем.
Производственное здание участка, на котором планируется размещение
рольганга относится к категории Д взрывопожарной и пожарной опасности по НПБ
105-95. Объект эксплуатируется более 30 лет и строительные конструкции имеют
значительный износ.
Здание одноэтажное, пристроенное к 4-этажному корпусу
административно-бытового назначения. Размеры в плане 184,75 × 57,17 м. Общая площадь составляет
10562 м2. Здание состоит из трех пролетов, разделенных между собой
одноэтажными встройками. Основные несущие строительные конструкции
железобетонные и кирпичные, фермы и балки покрытия - металлические. Здание
отвечает требованиям II степени огнестойкости.
В пролете, примыкающем к административно-бытовому корпусу, размещен
спортивно-оздоровительный комплекс. В производственной части размещены
помещения ремонта электродвигателей, отделение компрессорной подстанции, склад
материалов и комплектующих, электротехническая мастерская, станция обслуживания
конвейерной линии.
Пролеты здания разделены встройками, имеющими сквозные проезды без
устройства в них ворот. Стены встроек - кирпичные, балки перекрытий -
металлические, плиты - железобетонные.
В соответствии с нормативными требованиями в здании предусмотрены
следующие противопожарные мероприятия: внутренний противопожарный водопровод;
автоматическая пожарная сигнализация; оповещение о пожаре;
объемно-планировочные и технические решения, обеспечивающие своевременную
эвакуацию людей и автотранспорта в случае пожара.
Для внутреннего пожаротушения в здании имеется противопожарный
водопровод, обеспечивающий расход воды 2×5 л/с. Внутренние пожарные краны
размещены в специальных шкафах, имеют необходимый инвентарь и обеспечены
свободным доступом.
Наружное пожаротушение предусматривается от гидрантов городской
водопроводной сети с расходом 30 л/с в соответствии с требованиям СНиП 2.04.02.
К гидрантам обеспечен свободный доступ и подъезд для пожарных автомобилей.
Расстояние до ближайшей пожарной части в пределах 4 километров.
Здание оборудовано первичными средствами пожаротушения, пожарные щиты
укомплектованы пожарным инвентарем (багор, лопата, ящик с песком,
асбестированные маты), который размещен в местах, имеющих свободный доступ.
Есть указатели о местах расположения пожарных щитов.
Пожароопасные помещения оборудованы автоматической пожарной
сигнализацией, предназначенной для обнаружения пожара с помощью пожарных
извещателей и сообщения о месте его возникновения на приемно-контрольное
устройство, размещенное в помещении проходной. Осуществление связи с
подразделениями пожарной охраны предусмотрено с помощью телефонной сети от
приемно-контрольного пункта, на котором ведется круглосуточное дежурство.
Анализ состояния средств пожаротушения позволяет выявить ряд
несоответствий производственного корпуса требованиям пожарной безопасности.
Одноэтажные здания II степени огнестойкости промышленных предприятий площадью
более 7000 м2 должны быть оборудованы установками автоматического
пожаротушения. Встройки между пролетами не могут рассматриваться как
противопожарные преграды, так как имеют открытые проезды шириной 6 м, не
оборудованные дренчерными завесами и не имеющие противопожарных ворот. Кроме
того, в помещениях вставок имеются горючие вещества и материалы. Складские
помещения не отделены от основного цеха противопожарной перегородкой. В цехе
имеется скопление промасленных материалов, составляющих повышенную пожарную
нагрузку.
Для того, чтобы рассматриваемое производственное помещение полностью
соответствовало требованиям пожарной безопасности необходимо устранить
выявленные несоответствия. Для профилактики пожаров и загораний важно проводить
работу, обеспечивающую подготовленность работающих в соблюдении мер
противопожарной безопасности, обеспечить рабочие места письменными
инструкциями, содержащие основные требования по обеспечению порядка на
подъездах к зданию и водоисточникам; содержанию и введению в действие первичных
средств пожаротушения, сигнализации, вызова пожарной охраны; размещению мест,
где разрешается курение; сбору и удалению сгораемого мусора; порядку эвакуации
людей и материальных ценностей; правилам производства работ и эксплуатации
оборудования.
3.5 Охрана окружающей среды
При проектировании, строительстве, реконструкции, а также организации
работы промышленных предприятий необходимо стремиться к снижению выбросов
вредных веществ в атмосферу, охрану водных и земельных ресурсов.
В процессе промышленного производства создаются полезные для человека
продукты, но одновременно возникают большие количества отбросов производства, зачастую
вредных, возвращаемых человеком в окружающую среду, в частности в атмосферу.
Выбросы в атмосферу оказывают вредное воздействие на человека, животных и
растительный мир. Ежегодно промышленными предприятиями выбрасываются огромные
массы пыли, кислотообразующих газов (NO, SO2, SO3 и
т.д.), различных органических веществ. Состояние атмосферы значительно
ухудшается под действием поступающих в нее радиоактивных, электромагнитных,
акустических излучений.
Изменение состава атмосферы происходит под влиянием как природных
процессов (дыхания - респирации) или процесса разложения веществ, так и в
результате деятельности человека. Загрязнение атмосферы происходит посредством
сжигания древесины, угля и нефти, а также производственной деятельности. К
основным источникам загрязнения относятся: промышленные предприятия, транспорт,
теплоэнергетика, сельское хозяйство.
Согласно данным экологического мониторинга главные загрязнители атмосферы
на ЗАО «ВКМ-Сталь» - оксид углерода (СО) и диоксид серы (SO2). Оксид
углерода и продукты его фотохимических превращений в атмосфере очень токсичны.
Попадая в организм, он вытесняет кислород и из соединения последнего с
гемоглобином. Диоксид серы тоже очень ядовит. Он раздражает слизистые оболочки
глаз и дыхательного тракта. Губителен он и для растительности. Во влажном
воздухе он образует сернистую кислоту, которая затем окисляется в серную и
выпадает на земле с дождем (так называемые кислотные дожди).
Кроме СО и SO2 фиксировались выбросы хлористого водорода,
пятиокиси ванадия, соединений марганца, никеля, цинка, бенз(а)пирена,
фтористомго водорода и фенола в количествах, не превышающих
предельно-допустимой концентрации.
Своеобразная форма загрязнения атмосферы - шум, который стал фактором
большого социального значения. Сильные шумы не только раздражают нервную
систему человека, но и могут стать весьма опасными
В процессе реконструкции и модернизации производственных мощностей
предприятие пустило две автоматических линии по розливу стали по экологически
чистой технологии частичного замещения фтористого флюса ферросплавами. Здесь
начато освоение операции розлива расплавов закрытым способом. В 2008 году
прекращено производство алюминиевых отливок более вредного с экологической
точки зрения, чем стальных.
Введение нанотехнологий снизило расход сырья для литейного производства.
Применение каталитической очистки отработанного загрязненного воздуха позволо
поглотить в значительной мере запахи.
Благодаря введению новых газопылеулавливающих установок выброс вредных
веществ сокращен на 40,5 тонн в год и планируется снижение выбросов в ближайшее
время еще на 62 тонны в год.
Обобщая вышесказанное можно сделать вывод, что для снижения загрязнения
атмосферы нужно:
1) совершенствование существующих и внедрение новых технологических
средств, процессов, исключающих выделение опасных веществ в самом источнике их
образования. Это предполагает техническое улучшение очистных сооружений
(фильтров, пылеуловителей), применение бактериологического разложения
загрязнителей, отбор и культивирование определенных видов растений для
поглощения вредных аэрозолей, растворов, паров, газов;
) улучшение состава сжигаемого топлива с целью снижения общего количества
загрязнителей, поступающих в атмосферу (в частности, уменьшение содержания серы
в жидком топливе, обогащение твердого топлива для его более полного сгорания,
использование присадок к топливу для его катализации и более ускоренного его
сгорания). К мерам борьбы с загрязнением воздуха выхлопными газами относятся
улучшение карбюрации (т.е. совершенствование приготовления горючее смеси для
двигателей внутреннего сгорания), применение электронной системы зажигания,
роторных двигателей, дожигание несгоревшего топлива и, наконец, переход к
автомобилям с электрическими и паровыми двигателями.
) рациональное размещение источников вредных примесей и расширение
площадей зеленых насаждений.
Для осуществления этих мероприятий важен строгий контроль за ее
состоянием, а также экономическое и правовое регулирование мер по борьбе с
загрязнением воздушной среды.
Заключение
На основе выполненного дипломного проекта я научился рассчитывать
основные параметры рольганга, используемого для обслуживания рабочей зоны
агрегатного станка, а также научился конструировать детали и узлы подъемника:
сварные станины, рамы, элементы гидравлического привода.
Так же я ознакомился с конструкцией транспортирующих машин и
технологического оборудования, изучил технологию обработки крупногабаритного
вагонного листья на ОАО “ВКМ Сталь», изучил используемые средства механизации и
автоматизации.
Я научился рассчитывать себестоимость изготовления нестандартного
оборудования. Ознакомился с методами и средствами обеспечения безопасности
производства.
Данный дипломный проект имеет большое значение в развитии навыков
самостоятельной творческой работы, рационализации, изобретательства,
пользования справочной литературой, ГОСТами, нормами, таблицами, а также
навыками производства, расчетов и составления расчетно-пояснительных записок к
проектам.
Список использованных источников:
1. Ицкович,
Г.М. Курсовое проектирование деталей машин: учебно-справочное пособие для ВУЗов
- 6-е изд., перераб. - М.: Машиностроение, 2009. - 558 с., ил.
. Курсовое
проектирование деталей машин: учеб. пособие для учащихся машиностроительных
специальностей техникумов. / С.А. Чернавский, К.Н. Боков, И.М. Чернин [и др.] -
2-е изд., перераб и доп. - М.: Машиностроение, 1977. - 416 с.: ил.
. Технология
материалов в приборостроении. / Под ред. А.Н. Малова. - М. Машиностроение,
1969, 442 с
.
Гамрат-Курек, Л.И. Экономическое обоснование дипломных проектов. М.: Высшая
школа 1985., 158 с.
. Жуков, А.И.
Методы очистки производственных сточных вод. / А.И. Жуков, И.Л. Монгайт, И.Д.
Родзиллер, - М.: Стройиздат 1994, - 85 с.
. Охрана
производственных сточных вод и утилизация осадков / Под редакцией В.Н. Соколова
М.: Стройиздат 1992, - 115 с.
.
Безопасность жизнедеятельности: учебник для ВУЗов. / С.В. Белов, А.В.
Ильницкая, А.Ф. Козьяков. - 2-е изд., исп. и доп. - М.: Высш. шк., 2010. - 448 с.: ил.
8. Кукин,
П.П. Безопасность технологических процессов и производств. Охрана труда. / П.П.
Кукин, В.Л. Лапин, Н.Л. Пономарев, Н.И. Сердюк. ГУП. “Издательство Высшая
школа”, 2001, - 120 с.: ил.