Анализ линейной электрической цепи гармонического тока
МИНИСТЕРСТВО
ОБРАЗОВАНИЯ И НАУКИ РОССИЙСКОЙ ФЕДЕРАЦИИ
ФЕДЕРАЛЬНОЕ
ГОСУДАРСТВЕННОЕ БЮТЖЕТНОЕ ОБРАЗОВАТЕЛЬНОЕ УЧРЕЖДЕНИЕ ВЫСШЕГО ПРОФЕССИОНАЛЬНОГО
ОБРАЗОВАНИЯ
«ВОРОНЕЖСКИЙ
ГОСУДАРСТВЕННЫЙ ТЕХНИЧЕСКИЙ УНИВЕРСИТЕТ»
(ФГБОУ
ВПО «ВГТУ», ВГТУ)
Факультет
энергетики и систем управления
Кафедра
электромеханических систем и энергоснабжения (ЭМСЭС)
Расчетно-графическое
задание №2
«Анализ
линейной электрической цепи гармонического тока»
Выполнила
Кузнецова Е.А.
Группа
ЭМ-121
Вариант
№ 9
Дата
сдачи 09.01.2014
2014
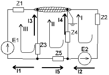
Преобразованная схема
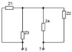
Комплексные сопротивления ветвей
Переход от мгновенных значений ЭДС к комплексам
действующих значений ЭДС

Число уравнений по первому закону n1=3-1=2
Число уравнений по второму закону n2=5-2-0=3
Общее число уравнений N=5
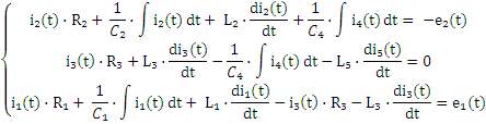
Уравнение Кирхгофа в интегро-дифференциальной
форме
Уравнения по первому закону Кирхгофа
Уравнения по второму закону Кирхгофа
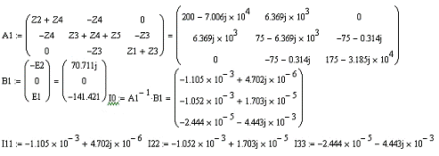
Метод контурных токов
Баланс мощностей
Найдем сопряженные комплексы токов
Векторная топографическая диаграмма напряжений,
совмещенная с диаграммой токов
Метод эквивалентного генератора
Метод контурных токов
Запись выражений для мгновенных значений e1(t)
и i1(t)
сопротивление напряжение мощность
ток