Автоматизация водогрейного котла
Министерство
образования и науки РФ
Федеральное
агентство по образованию
ГОУВПО
Костромской государственный технологический университет
Кафедра
автоматики и микропроцессорной техники
Курсовая
работа: « Автоматизация водогрейного котла »
Выполнил:
студенты группы
07-ТО-8а
Смирнов В.Н.
Мирзалиев О.С.
Проверил:
Дроздов В. Г.
Кострома
Оглавление
Введение
.
Принципиальная схема автоматизации котельной
.
Устройство автоматизированной системы управления котельной AGAVA 6432.
.1
Назначение, область применения
.2
Подключение датчиков
.
Управление котельной
.1
Структура меню контроллера AGAVA 6432
.2
Работа котельной
.
Принцип регулирования
Список
используемой литературы
Приложение
1
Приложение
2
Введение
В наше сложное время, с больной кризисной
экономикой строительство новых промышленных объектов сопряжено с большими
трудностями, если вообще строительство возможно. Но в любое время, при любой
экономической ситуации существует целый ряд отраслей промышленности без
развития, которых невозможно нормальное функционирование народного хозяйства,
невозможно обеспечение необходимых санитарно-гигиенических условий населения. К
таким отраслям и относится энергетика, которая обеспечивает комфортные условия
жизнедеятельности населения, как в быту, так и на производстве. В связи с этим
приходится искать альтернативные пути развития производства с применением
современных высоко технологичных средств.
В данной работе разрабатывается реконструкция
производственно-отопительной котельной поселка, которая использует в качестве
топлива уголь. В котельной установлены два водогрейных, жаротрубных угольных
котла суммарной мощностью 800 кВт. Отапливаемая площадь приблизительно 15000
м3. Теплоноситель - вода, циркулирует в системе отопления за счет сетевого
насоса. Подпитка системы осуществляется из скважины расположенной
непосредственно под котельной, вода из скважины аккумулируется в накопительной
емкости объёмом 10м3. Топливо - уголь подаётся к котлам и в топки котлов
вручную. В общем, счёте котельная морально устарела ремонт, и частичная
механизация ощутимых результатов не принесут, в связи с этим необходимо
кардинальное изменение в устройстве данной котельной.
Рассмотрим несколько вариантов модернизации
котельной:
установка современных угольных котлов и
частичная механизация ручного труда.
установка электрических котлов.
установка отопительных устройств непосредственно
в зданиях и сооружениях базы и поселка.
установка комбинированных (газ, жидкое топливо)
автоматизированных котлов.
Установка современных угольных котлов и
частичная механизация труда, этот вариант, несомненно, повысит
производительность труда и принесёт ощутимую пользу, но также этот вариант
имеет ряд минусов: вредные выбросы в атмосферу при сжигании угля,
неэффективность автоматизации малой котельной, сложности в обслуживании,
проблемы транспортировки угля.
Вариант с установкой электрических котлов решает
все выше перечисленные проблемы, но для питания электрокотлов необходима
надежная и достаточно мощная система электроснабжения в данной местности, но поскольку
подобные предприятия зачастую находятся далеко от надежных источников
электроэнергии, этот вариант является неудовлетворительным.
Установка отопительных устройств непосредственно
в зданиях и сооружениях базы весьма удачное решение проблемы отопления для
малых компактных предприятий. Но для организации отопления жилого поселка этот
вариант будет неэффективен, поскольку появляется необходимость реконструкции
системы электроснабжения, также установка отопительного устройства для каждого
отдельного объекта, что в целом окажется дороже новой котельной.
Установка автоматизированных современных котлов
решает многие вышеперечисленные проблемы, и в данном проекте будет
рассматриваться именно этот вариант модернизации котельной.
Теплоэнергетические установки характеризуются
непрерывностью протекающих в них процессов. При этом выработка тепловой и
электрической энергии в любой момент времени должна соответствовать потреблению
(нагрузке).
Автоматизация параметров дает значительные
преимущества:
) обеспечивает уменьшение численности рабочего
персонала, т.е. повышение производительности его труда;
) приводит к изменению характера труда
обслуживающего персонала;
) увеличивает точность поддержания параметров;
) повышает безопасность труда и надежность
работы оборудования;
) увеличивает экономичность работы котельной.
Автоматизация котельной включает в себя
автоматическое регулирование, дистанционное управление, технологическую защиту,
теплотехнический контроль, технологические блокировки и сигнализацию.
Автоматическое регулирование обеспечивает ход
непрерывно протекающих процессов в котле (питание водой, горение, и др.)
Дистанционное управление позволяет дежурному
персоналу пускать и останавливать котельную установку, а так же переключать и
регулировать её механизмы на расстоянии, с пульта, где сосредоточены устройства
управления.
Теплотехнический контроль за работой котельной и
оборудования осуществляется с помощью показывающих и самопишущих приборов,
действующих автоматически. Приборы ведут непрерывный контроль процессов,
протекающих в котельной, или же подключаются к объекту измерения обслуживающим
персоналом или информационно-вычислительной машиной. Приборы теплотехнического
контроля размещают на панелях, щитах управления по возможности удобно для
наблюдения и обслуживания.
Блокировки исключают неправильные операции при
обслуживании котельной установки, обеспечивают отключение в необходимой
последовательности оборудования при возникновении аварии.
Устройства технологической сигнализации
информируют дежурный персонал о состоянии оборудования (в работе, остановлено и
т.п.), предупреждают о приближении параметра к опасному значению, сообщают о
возникновении аварийного состояния котла и его оборудования. Применяются
звуковая и световая сигнализация.
1. Принципиальная схема автоматизации котельной
Автоматизированная котельная разрабатывается с
использованием последних достижений в области автоматики и является
интеллектуальным устройством, снижающим расходы на обслуживание котельной,
эксплуатацию и поиск неисправностей. Использование дублирования и
автоматический переход на резервный котел позволяют эксплуатировать котельную
без перебоев в тепловодоснабжении.
Схема автоматизации построена на
микропроцессорном устройстве AGAVA 6432.1, объектом управления являются два
водогрейных, жаротрубных, комбинированных котла КВГМ-0,5 с универсальными
горелками РГМГ-1п на природном газе или жидком топливе, суммарной мощностью
1000 кВт.
На рис. 1 изображена система автоматизации
котельной. Основным агрегатом является комбинированный котел 14. В комплект
поставки вместе с котлом также входит универсальная горелка 14а, с устройствами
предназначенными для управления горением: 20, 22 - заслонки регулирующие подачу
воздуха, 6, 7 - клапана малого и большого горения, 15 - клапан автоматического
розжига котла, 3, 8, 9, 18, 19 - контрольно измерительные приборы, 21 -
нагнетающий насос, по трубопроводу 10 в топку поступает газ, по трубопроводу 23
поступает воздух (в случае отказа системы управления горелка может
переключаться в ручной режим управления). Тепловая часть котельной состоит из:
скважины 43 вода из которой подается с помощью глубинного насоса 32, в
водонапорную башню затем в подогреватель сырой воды 29, через фильтрующую
водоподготовительную установку 30, 4, 24, 25, в деаэратор 16, из деаэратора
вода поступает в бак аккумулятор деаэрированной воды, из бака подготовленная
вода с помощью подпиточного насоса поступает в тепловую сеть. Вода по тепловой
сети циркулирует с помощью сетевого насоса 33 с управляемым приводом (раздел
2). Также система оборудована рециркуляционным насосом 28 который обеспечивает
работу котла в специальных технологических режимах. Вся система оборудована
контрольно измерительными приборами 5, 37, 26, 34, 36, 35, также датчиками
температуры 1, 40, 48 которые обеспечивают необходимой информацией систему
управления.
Рис 1
- датчик температуры отходящих газов; 2 -
дымосос; 3 - датчик давления газа перед горелкой; 4 - охладитель выпара; 5 -
датчик давления подачи воды; 6 - клапан большого горения; 7 - клапан малого
горения; 8 - датчик давления газа на входе;
- датчик давления газа на входе магистрали; 10 -
подводящая магистраль газа; 11 - микропроцессорное устройство утравления AGAVA
6432.1; 12 - задвижка подогрева деаэратора; 13 - задвижка подогрева
теплообменников подпитки; 14 - водогрейный котел КВГМ-0.5; 15 - клапан
запальника горелки; 16 - деаэратор; 17 - Фотодатчик пламени горелки; 18 -
датчик разряжения; 19 - датчик давления воздуха; 20 - МЭО конуса воздуха; 21 -
вентилятор нагнетания; 22 - МЭО "воздух-2"; 23 - подающий трубопровод
воздуха; 24 - охладитель деаэрированной воды; 25 - подогреватель химически
очищенной воды; 26 - датчик давления холодной воды; 27 - управляемая задвижка
рециркуляционного насоса; 28 - рециркуляционный насос; 29 - подогреватель сырой
воды; 30 - водоподготовительная установка; 31 - бак - аккомулятор
деаэрированной воды; 32 - глубинный насос; 33 - сетевой насос; 34 - датчик
давления сетевого насоса; 35 - датчик давления обратной магистрали
теплоснабжения; 36 - датчик давления подачи в магистраль теплоснабжения; 37 -
датчик давления подпитки; 38 - подпиточный насос; 39 - задвижка подпитки; 40 -
датчик температуры обратки; 41, 42, 47 - согласующее устройство датчиков
темтературы; 43 - скважина; 44 - обратная магистраль; 45 - подающая линия улицы
"Геологов"; 46 - подающая линия "Молодежной" улицы; 48
-датчик температуры внешнего воздуха.
2.Устройство автоматизированной системы
управления
котельной
AGAVA 6432.1
2.1 Назначение, область применения
Система AGAVA 6432.1 предназначена для
управления процессами:
розжига;
управления мощностью;
защиты и проверки оборудования, паровых и
водогрейных котлов и печей, работающих на газообразном и жидком топливе.
Назначение и особенности контроллера AGAVA
6432.1:
Управление водогрейным котлом.
Розжиг - автоматический.
Регулирование по всем контурам - позиционное.
Устойчивость к воздействиям
Температура окружающей среды от +5 до +50°С. По
защищенности от попадания внутрь оболочки твердых тел и воды AGAVA 6432.1
выполнено со степенью защиты IP41 по ГОСТ 14254-80. По устойчивости к
механическим воздействиям устройство соответствует исполнению L3 по ГОСТ
12997-84.
Электропитание
Электропитание контроллера осуществляется от
сети переменного тока напряжением 220В, 50Гц. Прибор сохраняет
работоспособность при изменении питающего напряжения от 170В до 244В и
изменении частоты от 49 до 51Гц. Потребляемая мощность не более 20 ВА.
Характеристика силовых выходных каскадов
Количество выходов - 22.
Параметры выходных каскадов для управления МЭО
(механизм электрический однооборотный): тип выходного устройства -
оптосимистор; коммутируемое напряжение - переменное от 24В до 220В; предельно
допустимое амплитудное напряжение 560В коммутируемый ток - не менее 0,025 и не
более 1А.
Параметры выхода цепи «Авария -2»: тип выходного
устройства - контакты реле; коммутируемое напряжение - до 250В; коммутируемый
ток - до 1,5А.
Параметры остальных выходов: тип выходного
устройства - симистор; коммутируемое напряжение - переменное от 24В до 250В;
предельно допустимое амплитудное напряжение 390В коммутируемый ток - не менее
0,025 и не более 1А.
Характеристика аналоговых выходов стандартных
токовых сигналов
Назначение выходов - управление частотными
преобразователями асинхронных двигателей привода вентилятора, дымососа, насоса.
Количество выходов - 4.
Параметры выходов: тип выходного сигнала -
4-20мА или 0-20мА; полярность сигнала - положительная относительно цепи «Общий
аналоговый»; сопротивление нагрузки не более - 500 Ом; все выходы гальванически
связаны по цепи «Общий аналоговый».
Характеристика дискретных входов
Количество входов -62.
Параметры входов: тип входного устройства -
транзисторная оптопара; все входы гальванически связаны по цепи «Общий 27В».
Характеристики аналоговых входов измерения
температуры
Количество входов - 3.
Тип датчиков, обрабатываемых контроллером, ТСМ50
или ТСП50 или аналогичные. Ток в цепи датчиков 5мА.
Характеристики аналоговых входов стандартных
токовых сигналов
Количество входов 5.
Электрические параметры входов: измеряемые
сигналы 0-20мА или 4-20мА; входное сопротивление - 132 Ом; полярность
измеряемого тока - положительная относительно цепи «Общий аналоговый»; входы
гальванически связаны по цепи «Общий аналоговый». Предпочтительно использовать
датчики с токовым выходом 4-20мА, в этом случае автоматически диагностируется
обрыв сигнальной цепи.
Характеристики входов для обработки сигналов
электродной уровнемерной колонки
Количество входов - 4.
Электрические параметры: тестирующее напряжение
- переменное 30В, 50 Гц; ток - от 0 до 3мА; входы связаны по цепи «Общий 27В».
Встроенный источник питания
Источник постоянного напряжения «24В»
предназначен для питания датчиков пламени.
Электрические параметры: напряжение постоянное
24В; ток - не более 0,2А; источник гальванически развязан от цепей контроллера;
Характеристики контуров регулирования
Контроллер поддерживает четыре контура
автоматического регулирования:
по мощности; по давлению или расходу воздуха; по
разрежению; по уровню воды в барабане парового котла.
Как правило, для котлов мощностью до 3,15 МВт
перечисленные выше контура регулирования реализуется, как двухпозиционные, а
для котлов большей мощности используется плавное регулирование.
Описание контуров автоматического регулирования.
Контур регулирования мощности.
Позиционное регулирование: управляющее
воздействие - t воды/ давление пара; исполнительный механизм - МЭО или клапаны
большого и малого горения.
Плавное регулирование: управляющее воздействие -
t воды/ давление пара; исполнительный механизм - МЭО заслонки топлива.
Контур регулирования подачи воздуха
Позиционное регулирование: управляющее
воздействие - t воды/ давление пара; исполнительный механизм - МЭО или ЭИМ
(исполнительный электромагнитный механизм).
Плавное регулирование: управляющее воздействие -
давление топлива; исполнительный механизм - МЭО воздушной заслонки.
Контур регулирования разрежения
Позиционное регулирование: управляющее
воздействие - t воды/ давление пара; исполнительный механизм - МЭО или ЭИМ;
Плавное регулирование: управляющее воздействие -
разрежение в топке котла; исполнительный механизм - МЭО шибера дымохода.
Стабилизация разрежения: управляющее воздействие
- разрежение в топке котла; исполнительный механизм - МЭО шибера дымохода. При
стабилизации - разрежение поддерживается в диапазоне значений, лежащем между
двумя уставками измерителя разрежения.
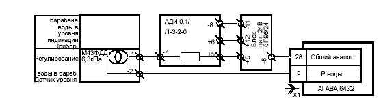
Контур регулирования уровня воды в котле.
Позиционное регулирование: управляющее
воздействие - сигналы от уровнемерной колонки (ВУ, НУ); исполнительный механизм
- магнитный пускатель подпиточного насоса.
Плавное регулирование: управляющее воздействие -
разность давлений в барабане котла; исполнительный механизм - МЭО заслонки
воды.
.2 Подключение
датчиков
Подключение дискретных датчиков показано на
примере датчиков пламени. На Рис.2. приведен пример подключения датчиков
пламени для одногорелочного котла: Подключение дискретных датчиков с
транзисторными ключами на выходе должно производиться с учетом полярности
тестирующего напряжения.
Где: АДП-01.1 - датчик пламени с транзисторным
ключом на выходе. АДП-01.2 - датчик пламени с релейным выходом;

Рис. 3.
Рис. 2.
Подключение многопредельных измерителей давления
(разрежения) для защиты и регулирования разрежения показаны на Рис.3.
Примеры подключения приборов АДН и АДР в
качестве датчиков для ПИД регулирования приведены на Рис.4. Эти же датчики
можно использовать для защиты по давлению газа, воздуха и разрежению.
Рис. 4. Рис. 5.
Подключение датчиков типа Метран для
регулирования. Примеры применения датчиков типа Метран с токовым выходом 4-20мА
приведены на Рис.5.
Подключение индикаторов АДИ совместно с
датчиками типа «Метран». Подключение индикаторов АДИ совместно с датчиками
«Метран» позволяет индицировать измеряемую величину. Примеры подключения АДИ
совместно с датчиками «Метран» приведено на Рис.6.
Рис. 6.
Подключение индикаторов АДИ к датчику положения
МЭО. На Рис.7. показано подключение АДИ к МЭО, с резистивными датчиками
положения.
Рис. 7.
На Рис.8. показано подключение АДИ к МЭО, с
токовыми датчиками положения.
Рис.8.
Подключение термопреобразователей и датчиков
температуры. Примеры подключения термометров сопротивления типа ТСМ50 и ТСП50
приведены на Рис.4.9.
Рис. 9.
Подключение аналоговых выходов изображено на
рис.10.
Рис. 10.
Рис. 11.
Подключение МЭО для горелки РГМГ изображено на
рис.12.
Рис . 12.
Подключение цепей питания 220В.
Для защиты выходных каскадов от короткого
замыкания необходимо применять токоограничивающие резисторы сопротивлением 3
Ом, мощностью не менее 20 Ватт. Пример включения контроллера и подачи питания
на его выходные каскады приведен на Рис.13.
Рис. 13.
Габаритные размеры шкафа КИП и А AGAVA 6432 для
котлов типа КВГМ изображены на рис.14.
Рис. 14.
Внешний вид автоматизированного котла КВГМ-0,5 и
комплекта датчиков показан на рис.15.
Рис. 15.
3. Управление котельной
3.1 Структура меню контроллера AGAVA 6432
В программе контроллера реализовано четыре меню:
• Меню конфигурация;
• Меню проверки внешних цепей;
• Меню настройки положения заслонок;
• Меню оператора,
Которые различаются по содержанию и способу
попадания и выхода из них.
Меню конфигурации
Меню конфигурации позволяет настроить контроллер
на объект и осуществить:
) Выбор вида топлива;
) Выбор вида горелки;
) Выбор параметров розжига;
) Выбор датчиков пламени горелки и запальника;
) Выбор типа уровнемерной колонки (для парового
котла);
) Выбор способов регулирования мощности;
) Выбор способов управления исполнительным
механизмом подачи воздуха;
) Выбор способов управления исполнительным
механизмом шибера дымохода;
) Выбор исполнительных устройств и способов
управления ими;
) Выбор датчиков защиты и регулирования и
настройка полярности входных сигналов КСУМ на соответствие применяемым датчикам;
) Выбор типа датчиков температуры воды,
наружного воздуха, температуры дымовых газов для регулирования и защиты;
) Выбор температурных уставок и зоны
нечувствительности для регулирования мощности, предельной температуры воды и
предельной температуры дымовых газов для аварийного отключения котла.
) Настройку длительности фаз в процессах:
-вентиляции;
-розжига;
-работы;
) Настройку скорости работы исполнительных
механизмов и задержки аварийного отключения котла для отдельных элементов
системы.
Меню проверки внешних цепей.
Меню проверки внешних цепей позволяет проверить:
) Целостность цепей исполнительных механизмов,
подключенных к прибору;
) Работоспособность исполнительных механизмов,
подключенных к прибору путем кратковременной подачи на них питающего
напряжения;
) Правильность направления вращения
исполнительных механизмов, применяемых в данном проекте;
) Правильность монтажа датчиков защиты и
регулирования, с одновременной проверкой их исправности.
Имеется возможность визуально проконтролировать
состояние цепей (замкнуто, разомкнуто) датчиков защиты и регулирования. При
необходимости проверки или настройки удаленного датчика, дублировать замкнутое
состояние контакта звонком громкого боя.
Меню настройки положения заслонок.
Меню настройки положения заслонок позволяет:
) Вручную, по показаниям датчиков,
отрегулировать положения заслонок на одно из состояний «Закрыто», «Малое
горение», «Большое горение»,
) Настроить концевые выключатели МЭО;
) В автоматическом режиме проверить правильность
вновь найденного положения концевых выключателей МЭО на одно из трех состояний;
) Для удобства проведения режимной наладки
имеется возможность длительного (вплоть до срабатывания аварийной защиты)
нахождения исполнительных механизмов в одном из трех фиксированных положений
(«Закрыто», «Малое горение», «Большое горение») или в любом промежуточном
положении.
Меню оператора.
Меню оператора позволяет произвести:
) Просмотр и корректировку температурных
параметров, а именно температурных уставок и зоны нечувствительности для
регулирования мощности, предельной температуры воды и предельной температуры
дымовых газов для аварийного отключения котла.
) Проверку работы датчиков защиты;
) Продувку уровнемерной колонки;
) Управление начальным уровнем воды.
.2 Работа котельной
Включение питания производится при помощи
тумблера «Сеть», расположенного в правой верхней части лицевой панели прибора.
Пауза между отключением и последующим включением прибора должна быть не менее
30 секунд. При включении выполняется программа самоконтроля, которая проверяет:
• контрольную сумму энергонезависимой памяти
программ;
• контрольную сумму энергонезависимой памяти
данных;
• работу жидкокристаллического дисплея;
• состояния датчиков.
После проведения самоконтроля происходит установка
заслонок в начальное положение и начинается циклический опрос датчиков. На
дисплее появляется сообщение «ГОТОВ», а светодиод с надписью «Программа»
начинает мигать с интервалом 2с. В случае ошибки появится сообщение о
несовпадении одной или нескольких контрольных сумм или сообщение о выходе
контролируемых параметров за допустимые пределы. При дальнейшей работе прибора
на индикатор выводятся текущие технологические сообщения. В случае
возникновения аварийной ситуации на табло выводятся аварийные сообщения,
характер подсветки которых носит прерывистый характер.
Автоматический розжиг котла. Запуск программы
автоматического розжига котла производится нажатием кнопки «СТАРТ» при наличии
на дисплее сообщения «ГОТОВ». При этом заслонки исполнительных механизмов
устанавливаются в закрытое положение, производится включение дымососа, затем
включение вентилятора, после чего заслонки переводятся в открытое положение. На
дисплее появляется сообщение «ВЕНТИЛЯЦИЯ» и отсчеты таймера обратного хода
времени. Во время работы таймера обратного отсчета управление прибора с кнопок
на лицевой панели заблокировано. По окончании вентиляции кратковременно
включается звонок громкого боя, а на дисплее появляется сообщение «ВЕНТИЛЯЦИЯ
НОРМА ГОТОВ К РОЗЖИГУ». Для продолжения работы программы розжига необходимо
повторно нажать кнопку «СТАРТ». При этом заслонки устанавливаются в закрытое
положение, производится контроль герметичности газовой арматуры, розжиг и
стабилизация запальника и розжиг основной горелки.
Прогрев котла. После стабилизации факела
основной горелки осуществляется переход в режим прогрева котла на малом
горении. На дисплее должно появиться сообщение «ПРОГРЕВ МАЛОЕ ГОРЕНИЕ» и
отсчеты таймера обратного хода времени. Завершение прогрева происходит либо
после окончания заданного времени, либо по команде оператора, для чего ему
необходимо нажать кнопку «СТАРТ». При этом котел переходит в режим «Работа».
Работа. В этом режиме осуществляется поддержание
процесса горения в топке и регулирование мощности котлоагрегата. При этом для
водогрейного котла на дисплее отображается один из параметров:
•Температура прямой воды;
•Температура наружного воздуха (если этот пункт
выбран в меню «Конфигурация»);
•Уставка регулирования;
•Температура дымовых газов (если этот пункт
выбран в меню «Конфигурация»). Для смены отображаемого параметра, необходимо
последовательно нажимать кнопку с надписью «РЕЖИМ».
•О состоянии подпиточного насоса (включен, или
выключен);
•Об уровне воды:
•Температуре дымовых газов (если этот пункт
выбран в конфигурации).
Штатное отключение котла. Для прерывания любого
процесса работы котла, кроме вентиляции, необходимо нажать кнопку «СТОП».
Если это событие происходит после появления
сообщения «ВЕНТИЛЯЦИЯ НОРМА ГОТОВ К РОЗЖИГУ» и до нажатия кнопки «СТАРТ», то
отключаются пускатели вентилятора и дымососа. Если отключение произошло в
процессе розжига до включения клапана запальника, то розжиг прервется, а на
индикаторе появится сообщение «ВЕНТИЛЯЦИЯ НОРМА ГОТОВ К РОЗЖИГУ». В остальных
случаях происходит останов котла и переход к обычной процедуре вентиляции.
Аварийное отключение. При возникновении
аварийной ситуации или выходе контролируемого параметра за допустимые пределы
всегда выполняются следующие действия:
• Силовые выходы, управляющие клапанами подачи
топлива (кроме клапана свечи безопасности), размыкаются или остаются в
разомкнутом состоянии; клапан свечи переводится в открытое состояние;
• Выходы, управляющие работой трансформатора
электрозапальника, размыкаются или остаются в разомкнутом состоянии;
• Выходы, управляющие аварийным звуковым
сигналом (Звонок), - замыкаются или остаются замкнутыми;
• Выходы, управляющие аварийным световым
сигналом (Авария), - замыкаются или остаются замкнутыми;
• Включается или остается включенным
дистанционный сигнал аварии - «Авария -2»;
• Заслонки исполнительных механизмов
устанавливаются или остаются в положение, соответствующее режиму вентиляции;
•Характер текущих рабочих сообщений -
непрерывный. Характер подсветки аварийного сообщения - прерывистый.
Аварийные сообщения. Аварийные сообщения
появляются на экране дисплея в ситуации, приводящей к останову котлоагрегата;
характер подсветки аварийных сообщений в отличие от технологических -
прерывистый.
Отказ автоматики. При отказе прибора происходит
размыкание всех выходных ключей кроме звонка громкого боя и транспаранта
«Авария», на лицевой панели прибора загораются все три светодиода, информация
на дисплее не регламентируется (возможно, наличие сообщения «Отказ автоматики»),
клавиатура прибора заблокирована. В этом случае оператор должен отключить
питание прибора на время не менее 30 секунд. Если отказ прибора носит обратимый
характер, то после включения работоспособность прибора восстановится.
Работа с меню оператора. Просмотр и
корректировка температурных параметров осуществляется из меню оператора и
возможна в любом режиме кроме розжига.
Проверка работы датчиков. Проверку работы
датчиков можно проводить, как на работающем, так и неработающем котле. Для
этого необходимо войти в меню оператора, то есть нажать кнопку «Ввод» при
наличии на табло одного из сообщений:
•Готов;
•Вентиляция;
•Прогрев;
•Работа.
•Перемещаясь по меню, при помощи кнопок «↑»
или «↓» выбрать заголовок. Проверка работы датчиков и нажать кнопку «ВВОД»;
•Двигаясь по пунктам меню при помощи кнопок «↑»
или «↓», выбрать проверяемый датчик;
•Произвести действия, изменяющие состояние
выходных контактов (или электронного ключа), датчика на противоположное. Если
исправны датчик и линия связи, зазвенит звонок громкого боя;
•Вернуть датчик в исходное состояние - звонок
выключится;
•Выбрать из меню очередной датчик и повторить
действия, изложенные в этом пункте.
Проверка работы аварийной сигнализации. Во всех
режимах работы прибора, кроме розжига, возможен контроль работы аварийной
световой и звуковой сигнализации. Для проверки работы аварийной звуковой
сигнализации нужно нажать кнопку с символом колокольчика и при исправной работе
на время нажатия кнопки включится звонок громкого боя. Для проверки аварийной
световой сигнализации нужно нажать копку с символом звездочки.
4. Принцип регулирования
Пояснение принципа регулирования мощности
водогрейного котла. Позиционное управление мощностью водогрейного котла
происходит следующим образом. При достижении температуры прямой воды величины
уставки плюс величина зоны нечувствительности (далее по тексту, дельта), котел
переводится в режим малого горения. При уменьшении температуры воды меньше
уставки минус дельта, котел переводится в режим больного горения. автоматизация котел датчик контроллер
Позиционное управление мощностью котла может
производиться двумя способами:
. По выбранной оператором температурной уставке
и дельте без учета температуры наружного воздуха;
. По температурному графику. На графике рис.16.
(подробнее в прил.2) определена зависимость уставки регулирования от
температуры наружного воздуха. Оператор настраивает значение температуры
наружного воздуха и величину уставки в точках перегиба «1» и «2» графика.
При изменении температуры наружного воздуха в
интервале между точками «1» и «2», уставка меняется по линейному закону.
При понижении температуры наружного воздуха ниже
указанной в точке «1» уставка сохраняет значение, выбранное для точки «1».
При увеличении температуры наружного воздуха
выше указанной в точке «2» уставка сохраняет значение, выбранное для точки «2».
Рис. 16.
Список используемой литературы
Файерштейн
Л. М., Этинген Л. С, Гохбойм Г. Г. Справочник по автоматизации котельных М:
Издательство Энергия, 1978г
Вдовцев
Р.А. «Комплекты средств автоматизации паровых и водогрейных котлов».
Приложение 1. Алгоритм розжига котла КВГМ
Приложение 2. Температурный график работы
котельной и теплосети в зависимости от температуры наружного воздуха