Техническая реализация САУ температурой воды на выходе водогрейного котла Buderus Logano S828

  • Вид работы:
    Курсовая работа (т)
  • Предмет:
    Другое
  • Язык:
    Русский
    ,
    Формат файла:
    MS Word
    924,17 Кб
  • Опубликовано:
    2012-05-19
Вы можете узнать стоимость помощи в написании студенческой работы.
Помощь в написании работы, которую точно примут!

Техническая реализация САУ температурой воды на выходе водогрейного котла Buderus Logano S828

Курсовое проектирование

по дисциплине “Технические средства автоматизации”

Тема: «Техническая реализация САУ температурой воды на выходе водогрейного котла Buderus Logano S828»

Содержание

Введение. Состав и характеристика объекта управления. Характеристика ТС объекта управления. Обоснование требований к разрабатываемой САУ. Выбор ТС разрабатываемой САУ. Выбор структуры регулятора. Организация безударных переходов в САУ. Разработка технической структуры САУ

Вывод

Введение

Одним из решающих факторов повышения производительности общественного труда является автоматизация производства. В связи с этим за последние годы резко возрастает объем работ по автоматизации технологических процессов во всех отраслях. Однако эффективность внедрения систем и устройств автоматического управления зависит не только от степени оснащения ими производства, но в значительной мере определяется качеством их наладки и степенью оптимальности выбранных параметров настройки систем.

Управление современными объектами теплоэнергетики требует непрерывного сопоставления текущего хода технологического процесса с заданным и уточнения управляющих воздействий (управлений), прикладываемых к агрегату, в соответствии с изменением условий его работы. Все это требует напряженного внимания обслуживающего персонала, точных согласованных действий и быстрого реагирования. На качество управления влияют такие субъективные факторы, как самочувствие, усталость и т.п. Чтобы снизить влияние субъективных факторов на ход технологического процесса, ручное управление заменяется автоматическим, т.е. таким управлением, при котором закон управления реализуется разного рода автоматическими устройствами без участия человека. Под автоматикой подразумевают собрание большого объема теоретических сведений о работе автоматических систем, их элементах, а также все устройства, которые работают без участия человека, но под его непосредственным наблюдением. Основой автоматизации производства является создание автоматизированных и автоматических систем управления сложными технологическими процессами, агрегатами и производствами с применением электронных управляющих вычислительных машин и средств автоматизации. Применение АСУ ТП повышает уровень организации производства и оперативности взаимодействия персонала с техническим агрегатом. Это сокращает цикл производства, внутрипроизводственные заделы и обеспечивает более полное использование материалов, т.е. существенно увеличивает фондоотдачу.

Большинство АСУ ТП, которые созданы и создаются в настоящее время, являются не автоматическими, а автоматизированными. В этих системах еще велика роль оператора, который либо сам принимает решения в соответствии с информацией, представляемой ему вычислительной машиной, либо оценивает и реализует решение, выработанное ЭВМ. Однако по мере совершенствования технических средств, все более возможным становится переход к автоматическому управлению агрегатами и процессами.

I. Состав и характеристика объекта управления

Водогрейный отопительный котел Buderus Logano S825 предназначен для нагрева воды, которая используется для горячего водоснабжения и отопления. Нагрев воды (теплоносителя) осуществляется за счет тепла, выделяющегося при сжигании топлива.

В горелку поступает топливо - в данном случае газ, и воздух. Воздух подается принудительно, от вентилятора. От искры, подаваемой в горелке, полученная газовоздушная смесь воспламеняется. Тепло, выделяемое в топочной камере при горении, отдается через поверхности нагрева теплоносителю - воде, поступающей в котел. Для повышения эффективности работы в котле Logano S825 используется принцип трехходового прохождения продуктов сгорания (№11, 9, 10 на рис. 1 и рис. 2), что приводит к меньшим потерям тепла с уходящим в дымоход отработанным топливом.

На рисунке 1 поясняется принцип работы котла.

Используемые обозначения:

- дверца горелки

- обратная линия

- подающая линия

- камера поворота горячих газов

- алюминиевый защитный кожух

- изоляция

- дополнительные двухрядные поверхности нагрева (второй ход)

- дополнительные поверхности нагрева (третий ход)

- топочная камера (первый ход)

- труба горелки

Рис. 1. Принцип работы котла Buderus Logano S825

С котлом Buderus Logano S825 используем горелку Oilon GP-250.

Используемые обозначения:

- шаровой клапан, выпуск газа

- реле минимального давления газа

- газовый клапан 1 клапан

-устройство контроля герметичности

- реле максимального давления газа

- магнитный клапан, запальный газ

- реле давления воздуха

- газовый клапан 2

Рис. 2. Схема КИП горелки

Технические характеристики:

Котел Buderus Logano S825L:

номинальная теплопроизводительность 2500 кВт

допустимое избыточное давление 10 бар (1 МПа)

максимально допустимая температура воды на входе 110ºС

объем воды 3,2 м3

объем газа 3,67 м3

рабочий вес 8,6 т.

Горелка Oilon Gp-250:

мощность 370 - 2600 кВт

двигатель горелки:

мощность 5,5 кВт

количество оборотов/мин. 2855

вес 160 кг.

II. Характеристика ТС объекта управления

1)      Газовый клапан Siemens VGH10

Газовый клапан используется в качестве запорного клапана в системах подачи газа. Перекрывает/открывает подачу газа в газопроводе.

 

Рис. 3. Схема газового клапана

Предохранительный клапан отсечки выполнен в соответствии со стандартом EN 161, предназначен для работы с исполнительными механизмами серии SKP.

Принцип работы:

Шток газового клапана [1] (рис. 3) соединен со штоком исполнительного механизма. Когда ИМ включается, шток [1] поднимается вверх и перемещает скобу [2] (рис. 3). Скоба [2] открывает запорный механизм [3] (рис. 3), газ свободно проходит по газопроводу.

Рис. 4. Принцип работы газового клапана

 

2)      Исполнительный механизм газового клапана SKP20

Рис. 5. Схема исполнительного механизма газового клапана

Используемые обозначения:

- качающийся насос

- масляная камера

- напорная зона

- шток

- запирающая пружина клапана

- управляющий клапан

- безпотенциальный концевой выключатель

- регулировочный винт

- индикация хода

- шаровый клапан

- узел контроллера

- установочная пружина

Принцип работы:

При подаче электропитания насос активируется и управляющий клапан закрывается. Теперь масло нагнетается из почти заполненной камеры, расположенной ниже поршня, в напорную камеру над поршнем. Давление масла заставляет поршень опуститься вниз, открывая при этом клапан - под действием давления запирающей пружины. Насос остается активным до появления команды - закрыть. При снятии электропитания или в случае отключения электричества, насос выключится и откроется управляющий клапан, чтобы запирающая пружина толкнула поршень назад. Система обратного потока откалибрована таким образом, что обратный ход, необходимый для достижения полностью закрытого положения, завершается в течение 0.8 секунд.

3) Контроллер Siemens RWF40.001A97

Универсальный цифровой контроллер регулирования температуры/давления котла.

Технические данные:

Напряжение сети 110...240

Частота сети 48...63 Гц

Потребление тока макс. 10 ВA

Диапазон температур -20...+50 °C

Влажность < 75%.

Таблица 1. Датчики, подключаемые к контроллеру

Выходы: трехпозиционный выход, аналоговый выход.

Входы:

А) Аналоговый вход 1 (датчик фактической величины)

Варианты подключаемых датчиков:

Б) Аналоговый вход 2(сдвиг внешней установки или внешняя установка)

Для задающего воздействия.

4) Датчик температуры - термоэлектрический преобразователь Siemens QAE 3175.010

Рис. 6. Датчик температуры

Принцип работы:

Датчик измеряет температуру окружающей среды при помощи чувствительного элемента, сопротивление которого изменяется как функция температуры.

Технические характеристики:

Диапазон измерения 0…+200o С

Чувствительный элемент Pt100

Время реакции 5 сек.

Материал измерительного элемента - нержавеющая сталь

Номинальное давление - PN40

Класс защиты - IP 65

Выходной сигнал 4…20 мА

) Пускатель бесконтактный реверсивный ПБР-3И

Пускатели предназначены для бесконтактного управления регулирующим и запорным электроприводом трубопроводной арматуры в составе АСУ ТП.

Технические характеристики:

Входное сопротивление пускателя - 750 Ом

Быстродействие (время запаздывания выходного тока при подаче и снятии управляющего сигнала - 25 мс

Разница между длительностями входного и выходного сигналов - не более 20 мс

Напряжение источника питания цепей управления - ± 26 В

Норма средней наработки на отказ - 100000 час

Полный срок службы - 10 лет

Степень защиты - IP-20

Электрическое питание - 380 В, 50 Гц

Потребляемая мощность - 57 Вт

Масса - 3,5 кг.

III. Обоснование требований к разрабатываемой САУ

 

Описание существующей САУ.

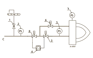
Рис. 7. Функциональная схема САУ

Существующая САУ температурой на выходе водогрейного котла регулирует температуру на прямой за счет изменения мощности котельной установки.

Оператором задается диапазон допустимых значений температуры воды на выходе из котла - нижнее и верхнее значения - границы срабатывания.

На выходе горячей воды из кола установлен датчик сопротивления Siemens QAE 3175.010 (пункт II, №4), преобразующий измеренное значение температуры воды в унифицированный аналоговый сигнал 4…20 мА. Сигнал с датчика поступает на контроллер Siemens RWF40.001A97 (пункт II, №3), формирующий сигнал рассогласования заданного и измеренного значений температуры.

Если измеренная температура принадлежит заданному диапазону, сигнал рассогласования равен нулю.

Если измеренная температура превышает максимально допустимое значение, контроллер отправляет сигнал на исполнительный механизм газового клапана SKP20 (пункт II, №2), ИМ перекрывает газовый клапан Siemens VGH10 (пункт II, №1). Подача газа в горелку прекращается. Температура воды снижается.

При достижении минимально допустимой температуры происходит обратный процесс. Открывается газовый клапан, запускается горелка.

Анализ качества существующей САУ.

Существующая САУ температурой воды на выходе водогрейного котла Buderus Logano S825L справляется с заданием, но ее можно улучшить.

В существующей САУ регулирование подачи газа происходит неравномерно. Газовый клапан, служащий регулирующим органом, двухпозиционный, т.е. может быть либо полностью открыт, либо закрыт. Отсутствие возможности плавного регулирования расхода поступающего в горелку газа снижает эффективность существующей САУ.

Требования к разрабатываемой САУ.

Разрабатываемая САУ должна удовлетворять следующим характеристикам:

оптимизированный процесс управления

повышенная надежность системы

повышение быстродействия системы

увеличение срока службы оборудования.

IV. Выбор ТС разрабатываемой САУ

водогрейный котел автоматический управление

Обоснование выбора ТС.

Необходимо выбрать исполнительный механизм и регулирующий орган, позволяющие осуществлять пропорциональное регулирование расхода газа, поступающего в горелку. Соответственно, нужен контроллер, реализующий PI закон регулирования.

Рис. 8. Функциональная схема разрабатываемой САУ

) Газовая заслонка регулирующая ЗР Х - 6ПР., СП «ТЕРМОБРЕСТ».

Заслонка являются исполнительным органом автоматики регулирования расхода газа и устанавливаются в на газопроводе перед газовой горелкой.

Рис. 9. Газовая заслонка

Регулирование расхода газа происходит за счет изменения сечения газопровода (степени открытия заслонки), которое обусловлено положением диска заслонки.

Диск заслонки поворачивается на валу, выходной конец которого имеет сальниковое уплотнение, и соединен с исполнительным механизмом при помощи сочленения.

Технические характеристики:

Угол поворота регулятора - 90°

Время полного хода регулятора - 80 с

Диапазон регулирования - 1:15 (максимальное соотношение давлений газа в газопроводе перед заслонкой/после заслонки)

Материал корпуса заслонки - алюминиевые сплавы АК12ОЧ, АК12ПЧ

Полный ресурс включений, не менее - 200 000

Класс защиты заслонки - IP 54

) Исполнительный механизм электродвигательный однооборотный Regada SP2

 

Рис. 10. МЭО Regada SP2

Принцип работы механизма электродвигательного однооборотного Regada SP2 заключается в преобразовании электрической энергии во вращательное перемещение выходного вала.

Питание электродвигателя трехфазное, возможен прямой и реверсивный пуск двигателя в зависимости от схемы подключения.

Технические характеристики:

Макс. нагрузочный момент - 63 Нм

Рабочий угол 90o

Температура окружающей среды от -25oC до +55oC

Степень защиты IP 54

Масса от 1.4 до 2.2 кг

Питание трехфазным током, 380 В, 50 Гц.

) Датчик температуры - термоэлектрический преобразователь Siemens QAE 3175.010

Рис. 11. Датчик температуры

Принцип работы:

Датчик измеряет температуру окружающей среды при помощи чувствительного элемента, сопротивление которого изменяется как функция температуры.

Технические характеристики:

Диапазон измерения 0…+200o С

Чувствительный элемент Pt100

Время реакции 5 сек.

Материал измерительного элемента - нержавеющая сталь

Номинальное давление - PN40

Класс защиты - IP 65

Выходной сигнал 4…20 мА

) Пускатель бесконтактный реверсивный ПБР-3И

Рис. 12. ПБР-3И

Пускатели предназначены для бесконтактного управления регулирующим и запорным электроприводом трубопроводной арматуры в составе АСУ ТП.

Данная модель - ПБР-3И - используется для управления приводом с трехфазным двигателем, питание осуществляется от сети 380 В. Возможен прямой и реверсивный пуск электродвигателя.

Принцип работы:

По сигналу, поступающему с контроллера (широтно-импульсная модуляция, ± 24 В), ПБР-3И замыкает цепь, подавая питание (электросеть, 380 В) на электродвигатель исполнительного механизма Regada SP2. Время, в течение которого ПБР-3И будет подавать ток на исполнительный механизм, определяется длительностью импульса, который поступил от контроллера. Затем, по сигналу выключения (0-8В) с контроллера цепь снова размыкается, электродвигатель ИМ останавливается.

Технические характеристики:

Входное сопротивление пускателя - 750 Ом

Быстродействие (время запаздывания выходного тока при подаче и снятии управляющего сигнала - 25 мс

Разница между длительностями входного и выходного сигналов - не более 20 мс

Напряжение источника питания цепей управления - ± 26 В

Норма средней наработки на отказ - 100000 час

Полный срок службы - 10 лет

Степень защиты - IP-20

Электрическое питание - 380 В, 50 Гц

Потребляемая мощность - 57 Вт

Масса - 3,5 кг.

) Блок ручного управления БРУ-32

Рис. 13. БРУ-32

Предназначен для переключения цепей управления исполнительными устройствами, индикации положений цепей управления в АСУ ТП.

Функциональные особенности БРУ-32:

- ручное переключение с автоматического режима управления на ручной и обратно

управление исполнительными механизмами с помощью кнопок "больше-меньше"

индикация положения выходного вала исполнительного механизма с помощью миллиамперметра

световая индикация режимов управления и состояния цепей управления

питание блоков возможно от пускателей, имеющих источники двухполупериодного выпрямленного напряжения со средним значением 24 V при токе 100 мА

Технические характеристики:

коммутационная способность групп переключающих контактов реле и кнопок управления при активной нагрузке:

постоянный ток до 0,25 А при напряжении до 34 V;

переменный ток до 0,25 А при напряжении до 220 V.

Входные сигналы стрелочного индикатора блоков:

0-5 мА, 0-10 В

электрическое питание блока осуществляется переменным однофазным током с напряжением 24 V при отклонении от минус 3,6 до плюс 2,4 V и частотой 50 или 60 Hz.

электрическое питание блока возможно от пускателей, имеющих источники двухполупериодного выпрямленного напряжения со средним значением 24 V при токе 100 мА.

мощность, потребляемая блоком, не превышает 2,5 V.A.

параметры питания каждого из индикаторов - напряжение постоянного тока 24 V, ток не более 10 мА.

масса блока 0.7 кг.

) Контроллер микропроцессорный регулирующий Ремиконт Р-130.

Контроллер предназначен для построения современных АСУ ТП и позволяет выполнять автоматическое регулирование и логико-программное управление технологическими процессами.

Имеет две модели: логическую и регулирующую.

Регулирующая модель предназначена для решения задач автоматического регулирования, позволяет вести локальное, многосвязное, каскадное, супервизорное, программное регулирование. В сочетании с обработкой дискретных сигналов эта модель позволяет выполнять также логические преобразования сигналов и вырабатывать не только аналоговые или импульсные, но и дискретные команды управления.

Логическая модель Р-130 формирует логическую программу шагового управления анализом условий выполнения каждого шага, условным или безусловным переходом программы к заданному шагу, заданием контрольного времени на каждом шаге. Модель позволяет выполнять также разнообразные функциональные преобразования аналоговых сигналов и вырабатывать не только дискретные, но и аналоговые управляющие сигналы.

Ремиконты Р-130 могут объединяться в локальную управляющую сеть «Транзит» кольцевой конфигурации. Для решения задач высокой надежности Ремиконты Р-130 могут работать в режиме резервирования. В этом случае при отказе основного контроллера происходит безударное переключение на резервный контроллер.

Программирования контроллера сводится к тому, что путем последовательного нажатия нескольких клавиш из библиотеки, зашитой в постоянной памяти, извлекаются нужные алгоритмы, эти алгоритмы объединяются в систему заданной конфигурации и в них устанавливаются требуемые параметры настройки.

Стандартные аналоговые и дискретные датчики и исполнительные устройства подключаются к Р-130 с помощью индивидуальных кабельных связей. Внутри контроллера сигналы обрабатываются в цифровой форме.

В состав Р-130 входят:

центральный блок (имеющий 30 модификаций, отличающихся числом аналоговых и дискретных сигналов ввода/вывода),

клеммно-блочные соединители для подключения внешних устройств,

блок питания

ряд дополнительных блоков (БУТ, БУМ, БУС, БПР), использующиеся для предварительного усиления сигналов с различных датчиков и формирования стандартных выходных сигналов.

Центральный блок преобразует аналоговую и дискретную информацию в цифровую форму, ведет обработку цифровой информации и вырабатывает управляющие воздействия.

Технические характеристики:

Параметры питания: 220, 249 В, 50,60 Гц,

Потребляемая мощность, не более: 9 Вт, 15 ВА

Общие функциональные параметры:

Таблица 2. Общие функциональные параметры контроллера Ремиконт Р-130

Максимальное число алгоблоков

99

Число алгоблоков в библиотеке

76

Время цикла, с

0.2 - 2.0

Погрешность цифровой обработки информации, %


 - суммирование и вычитание

0

 - умножение и деление

0.01

 - извлечение квадратного корня

0.1

Объем памяти, кбайт


 - ПЗУ

32

 - ОЗУ

8


Входы/выходы:

Таблица 3. Входы и выходы контроллера Ремиконт Р-130

Входы

Выходы

Аналоговые

Дискретные

Аналоговые

Дискретные

0-5 мА (Rвх=400 Ом)

логическая «1» 18-30 Ом

0-5 мА (Rн ≤ 2 кОм)

Транзисторный выход:

0-20 мА (Rвх=100 Ом)

логический «0» 0-7 В

 - max U коммутации 40 В

4-20 мА (Rвх=100 Ом)

входной ток 9 мА

4-20 мА (Rн ≤ 0.5 кОм)

 - max I нагрузки 0.3 А

0-10 В (Rвх=27 кОм)



Точный релейный выход:




 - тип реле РПГ-8




 - max U коммутации 220 В




 - max I нагрузки 2 А


V. Выбор структуры регулятора

Для решения задач регулирования используется регулирующая модель контроллера. В каждом контроллере можно реализовать до четырех независимых или взаимосвязанных контуров регулирования. В каждом контуре регуляторы могут быть одного или разных типов, никаких ограничений на сочетание видов регулятора не накладывается.

Регулятор в каждом контуре может иметь аналоговый или импульсный выход, быть локальным или каскадным, иметь ручной, программный или внешний задатчик, иметь или не иметь встроенные средства оперативного управления, выполнять стабилизацию параметра или регулировать соотношение параметров, иметь звенья статической динамической коррекции, иметь статическую или динамическую балансировку.

При построении регуляторов чаще всего используются следующие алгоритмы:

РАН - регулирование аналоговое

РИМ - регулирование импульсное

ЗДН - задание

ЗДЛ - задание локальное

РУЧ - ручное управление

ОКО - оперативный контроль контура регулирования

ВАА, ВАБ - ввод аналоговый группы А и (или) Б

АВА, АВБ - аналоговый вывод группы А и (или) Б

ИВА, ИВБ - импульсный вывод группы А и (или) Б

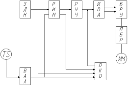
РАН - это “ядро” аналогового регулятора, формирующее ПИД - закон регулирования.

РИМ - это “ядро” импульсного регулятора, формирующее совместно с исполнительным механизмом постоянной скорости ПИД - закон регулирования.

Для оперативного вмешательства в работу регулятора в сочетании с алгоритмами РАН и РИМ используется группа алгоритмов оперативного управления - ЗДН, ЗДЛ, РУЧ и ОКО.

ЗДН - алгоритм, формирующий сигнал задания. Этот алгоритм снабжен также переключателем вида задания, с помощью которого можно выбирать один из трех видов задания: ручное, программное или внешнее:

при ручном задании сигнал задания устанавливается оператором вручную

при программном задании изменяется во времени по заданной программе (при этом дополнительно используются алгоритмы программного задания ПРЗ)

при внешнем задании сигнал задания либо формируется внутри контроллера с помощью других алгоритмов, либо поступает извне через цепи аналогового входа, либо поступает извне по сети Транзит.

ЗДЛ - алгоритм, который применяется только в каскадном регуляторе. Этот алгоритм позволяет при необходимости переводить регулятор в локальный режим и устанавливать задание подчиненному регулятору вручную.

РУЧ - алгоритм, с помощью которого регулятор из автоматического режима можно перевести на режим ручного или дистанционного управления. В ручном режиме алгоритм РУЧ позволяет управлять исполнительным механизмом вручную, при дистанционном управлении сигнал, управляющий исполнительным механизмом, может либо формироваться какими-либо алгоритмами (помимо основного ПИД) внутри контроллера, либо поступать извне через аналоговые входы контроллера, либо поступать извне по сети Транзит.

ОКО. Для того чтобы алгоритмы оперативного управления - ЗДН, ЗДЛ, РУЧ - выполняли свои функции, в комплекте с ними необходимо задействовать еще один алгоритм - ОКО. Алгоритм ОКО выполняет двойную функцию. С одной стороны, он позволяет всю оперативную информацию вывести на индикаторы, расположенные, на лицевой панели контроллера, и, с другой,- передать команды, поступающие от клавиш лицевой панели, алгоритмам оперативного управления.

С помощью специальной группы алгоритмов ввода-вывода организуется связь регулятора с внешними цепями контроллера - датчиками и исполнительными механизмами.

Аналоговые сигналы вводятся в контроллер с помощью АЦП, однако, для того, чтобы “подключиться” к этим сигналам, необходимо задействовать алгоритмы ввода аналогового: ВАА для группы А и (или) ВАБ для группы Б. В этих алгоритмах аналоговый сигнал калибруется. При калибровке путем смещения корректируется “нуль”, а путем масштабирования - диапазон изменения входного сигнала. Выходные сигналы алгоритма ВАА (ВАВ) “представляют” аналоговые сигналы, поступающие на вход контроллера.

Аналогично формируются сигналы на аналоговом выходе контроллера. Для этого используются алгоритмы аналогового вывода АВА (группа А) и (или) АВБ (группа Б). В этих алгоритмах также корректируется “нуль” и диапазон изменения выходного сигнала.

Выходные сигналы импульсного регулятора поступают на исполнительный механизм через дискретные выходные цепи контроллера. Однако на выходе алгоритма РИМ формируется не дискретный, а аналоговый сигнал. Поэтому этот сигнал необходимо преобразовать в импульсную форму, что выполняется с помощью алгоритма импульсного вывода ИВА для группы А и (или) ИВБ для группы Б. В алгоритме ИВА (ИВБ) устанавливается минимальная длительность импульса, поступающего на дискретный выход контроллера, а также указывается, какой по номеру контур обслуживается каждым каналом алгоритма (последнее необходимо для того, чтобы задействовать индикаторы “меньше” -“больше” на лицевой панели контроллера).

Рис. 14. Структура регулятора САУ температурой воды на выходе водогрейного котла

 

Импульсный стандартный регулятор:

Сигнал задания поступает на вход алгоритма РИМ, на второй вход этого алгоритма поступает сигнал от датчика (через алгоритм ВАА). Выходной сигнал алгоритма РИМ через алгоритм РУЧ и алгоритм ИВА поступает на импульсный выход контроллера.

С помощью алгоритма ОКО организуется оперативное управление. Функции, выполняемые при оперативном управлении, задаются путем конфигурирования входов алгоритма ОКО.

Сигнал, поступающий на вход “здн” этого алгоритма, всегда выводится на верхний цифровой индикатор “задание” лицевой панели контроллера независимо от того, к выходу какого алгоблока подключается вход “здн”. Однако, если сигнал задания нужно не только контролировать, но и изменять вручную, вход “здн” должен обязательно подключаться к первому выходу алгоритма 3ДН.

На выходе алгоритма РИМ формируется сигнал рассогласования.

Если регулируемый параметр меньше сигнала задания, то сигнал положителен, в противном случае - отрицателен.

VI. Организация безударных переходов в САУ

Отказ УВК в системах автоматизации может привести к потере работоспособности САУ, если не предусмотреть специальные меры, обеспечивающие требуемые надежность и эффективность. Для достижения последних используют различные вариации резервирования САУ:

резервирование основного УВК (полное или частное)

резервирование контроллера

переход системы с автоматического на ручное управление

Одним из основных требований при разработке САУ является обеспечение безударного перехода или отступление от вышестоящих уровней иерархии к нижестоящим и наоборот. Зачастую используют следующие режимы отступления:

отступление сразу же к наперед установленному безопасному значению сигнала задания

отступление к последнему значению регулируемого параметра

отступление к последнему значению сигнала задания, сформированному УВК;

первоначальное отступление к последнему значению регулируемого параметра, а затем плавный переход к заданному безопасному заданию, и др.

В нашем случае, по заданию преподавателя, при отказе УВК система должна перейти на ручной режим управления, причем сделать это безударно, последнего можно достичь путем реализации в системе режима отступления к последнему значению сигнала задания.

Рис. 15. Схема безударного перехода САУ

При отказе контроллера происходит переход в режим ручного управления. Для этого используется блок ручного управления БРУ, который позволяет перевести систему с автоматического режима в режим ручного управления и обеспечить управление ИМ. При переводе системы с автоматического на ручное управление, заводами изготовителями блока БРУ, преобразователя и ИМ схемно обеспечивается безударный переход.

VII. Разработка технической структуры САУ

Рис. 16. Техническая структура САУ

Датчик температуры (TS, рис. 16) отправляет сигнал с измеренным значением температуры на выходе водогрейного котла на контроллер Ремикон Р-130.

Контроллер, сравнивая заданное значение температуры с измеренным, формирует управляющий сигнал и отправляет его на блок ручного управления (БРУ, рис. 16).

БРУ отправляет полученный сигнал на пускатель бесконтактный реверсивный (ПБР, рис. 16). ПБР по сигналу подает питание на электродвигательный исполнительный механизм (ИМ, рис. 16).

ИМ воздействует на регулирующий орган - газовую заслонку, и заслонка изменяет текущий расход газа.

Вывод

В данном курсовом проекте была рассмотрена техническая реализация САУ температурой воды на выходе водогрейного котла Buderus Logano S828.

В качестве контроллера был выбран Ремиконт Р-130. Выбраны технические средства автоматизации, обеспечивающие достаточные точность, быстродействие и надёжность.

Выполнены требования, поставленные перед разрабатываемой САУ, значительно улучшены характеристики системы по сравнению с существовавшим аналогом. Система автоматического регулирования была успешно усовершенствована, её экономические показатели в значительной мере повысились.

Похожие работы на - Техническая реализация САУ температурой воды на выходе водогрейного котла Buderus Logano S828

 

Не нашли материал для своей работы?
Поможем написать уникальную работу
Без плагиата!
Без нейросетей!