Автоматизация подогрева воды на ТЭЦ БКПРУ-4
Министерство
Образования Российской Федерации
Пермского
Государственного Технического Университета
Березниковский
Филиал
Кафедра АТП
Курсовой
проект
по
курсу: Автоматизация технологических процессов
тема:
Автоматизация подогрева воды на ТЭЦ БКПРУ-4
Березники
2007
Содержание
1. Описание и общая характеристика выбранного объекта регулирования
2. Анализ объекта регулирования с точки зрения действующих
возмущений (входов и выходов). Составление информационной модели
3. Обоснование и выбор точек и параметров контроля технологического
процесса
4. Обоснование параметров, подлежащих сигнализации и блокировке
5. Обоснование и выбор контуров регулирования, типа регулятора
6. Проведение активного эксперимента. Получение динамических
характеристик объекта управления
7. Обоснование и выбор системы автоматизации технологического
процесса
8. Расчёт одноконтурной системы регулирования
9. Расчёт каскадной системы регулирования
10. Сравнение динамических характеристик систем автоматического
регулирования
11. Реализация рассчитанной системы автоматизации
Приложение
1. Описание и общая характеристика
выбранного объекта регулирования
Водогрейный котел КВГМ-30 предназначены для
нагрева теплофикационной воды, используемой в системах отопления и вентиляции
рудоуправления.
Основным топливом для котлов является -
природный газ, резервным - мазут марок М-40 и М-100.
Природный газ на котел КВГМ-30 подается от ГРП
давлением 70-80 кПа.
Перед каждым котлом на газопроводе установлены:
ручная задвижка, эл. задвижка, регулирующая заслонка подачи газа на котел,
продувочные свечи. Перед каждой горелкой котлов установлены: два отсечных
электромагнитных клапана, две свечи безопасности и клапан плавной подачи газа
на горелку. Для каждой горелки для ее розжига установлен электрозапальник. Для
контроля факела горелки установлен фотодатчик. Розжиг любой горелки котла
производится оператором с компьютера, установленного в ЦПУ. Вся информация по
работе котлов и параметры установленных блокировок и сигнализации выведена на монитор
компьютера.
Сырьем для водогрейных котлов является
питательная вода, удовлетворяющая следующим требованиям:
а) жесткость карбонатная не более 600 мкг/дм3;
б) содержание кислорода не более 30 мкг/дм3;
в) содержание свободной углекислоты -
отсутствие;
г) рН не более 7-11;
д) содержание железа не более400 мкг/дм3.
Установленный расход воды через котел КВГМ-30
380 куб.м. в час.
После первой ступени натрий-катионитовых
фильтров хим. очищенная вода с температурой 30 оС поступает на водоводяные
подогреватели, где нагревается до температуры 60-70 оС и подается в
деаэрационную колонку деаэратора подпитки тепловой сети ДА-50/15. В
деаэрационной колонке хим. очищенная вода (ХОВ) освобождается от растворенных в
ней кислорода до остаточного содержания до 30 мкг/кг и углекислого газа, до
полного отсутствия за счет подачи в деаэрационную колонку пара и дробления
потока ХОВ, на установленных в колонке перфорированных тарелках.
Пройдя деаэрационную колонку, ХОВ с температурой
104 0С стекает в бак-аккумулятор деаэратора. Деаэрированная вода из деаэратора
вновь поступает на водоводяные подогреватели, где отдает свое тепло ХОВ,
поступающей на деаэратор и сливается в баки-аккумуляторы тепловой сети, а из
них подпиточными насосами подается во всасывающий коллектор сетевых насосов
типа Д-1250/125 и СЭ-1250/140. Сетевых насосов установлено четыре, два из
которых является рабочим, остальные резервными.
Сетевыми насосами в тепловую сеть вода подается
в зависимости от выбранного режима работы:
) через сетевые подогреватели типа ПСВ-200-14-7;
) через водогрейный котел;
) последовательно через сетевые подогреватели и
водогрейный котел.
Для обеспечения постоянного расхода воды через
котел и поддержания температуры воды на входе в котел, согласно паспорту не
менее 70 0С установлены рециркуляционные насосы типа СЭ-800-100 и СЭ-1250-140,
возвращающие часть воды, прошедшей через котел, обратно в трубопровод подачи
воды на котел. Рециркуляционных насосов установлено три. При работе котла в
работе находится один рециркуляционный насос, остальные - в резерве. На линии
рециркуляции установлены регулирующий клапан Р12, эл.задвижки: 12А - до клапана
и 12Б - после клапана и задвижка на байпасной линии для перепуска воды мимо
клапана.
Потеря воды в сети восполняется подпиточными
насосами. На трубопроводе подпиточной воды после насосов установлен
регулирующий клапан Р28, обеспечивающий поддержание постоянного напора равного
4,2 ати в обратном трубопроводе перед сетевыми насосами. До и после
регулирующего клапана установлены задвижки для отключения регулирующего
клапана, на случай ремонта для подачи воды мимо клапана служит байпасный
трубопровод. Подпиточных насосов установлено четыре, один из которых является
рабочим, остальные резервными. Автоматически включается в работу при понижении
давления в обратном трубопроводе до 4,0 ати насос №3 или №4, насосы №1 и №2
включаются в ручном режиме.
Регулирование температуры воды, подаваемой в
сеть тепловым потребителям, производится путем подмешивания к нагретой воде,
прошедшей водогрейный котел, холодной воды после сетевого насоса. Количество
подмешиваемой холодной воды регулируется клапаном Р14, эл.задвижки 14А до
клапана и 14Б после клапана при работе находятся в открытом положении.
Перемычка 8 используется для установления
циркуляции воды в тепловой сети помимо котлов.
Максимально допустимая температура воды за
котлами по паспорту на котел 1500С.
Для понижения или увеличения требуемой
потребителями температуры воды, снижается или повышается нагрузка котла
(согласно графиков «расход газа - давление воздуха после вентиляторов» или
«давление газа после регул. заслонки - давление воздуха после вентиляторов» в
соответствии с режимной картой котла), или увеличивается перепуск холодной воды
клапаном Р-14. Температура воды на входе в котел является переменной от 70 0С до
110 0С.
Для контроля за качеством сетевой,
деаэрированной и подпиточной воды установлены пробоотборные установки.
Для создания подпора перед электрозадвижкой 8
установлена диафрагма.
Установленная аппаратура позволяет управлять
дистанционно дымососами, вентиляторами. Кроме того, дистанционно производится
управление всей арматурой имеющей электропривод, а именно:
регулирующие заслонки перед вентиляторами и
дымососом (регулирование частоты вращения двигателей вентиляторов производится
с помощью частотных преобразователей);
электрозадвижка на газопроводе перед котлом;
регулирующая заслонка подачи газа на котел;
продувочные свечи;
отсечные клапаны;
свечи безопасности;
клапаны плавной подачи газа на горелки;
регулятор на обратном мазутопроводе к
водогрейным котлам;
задвижки на трубопроводах подачи воды к котлам;
задвижки на трубопроводах воды от котлов;
регулятор на линии рециркуляции;
регулятор на линии температурного перепуска.
Для защиты водогрейных котлов от повышения
давления в газовом тракте, на топке и на газоходах котлов установлены взрывные
предохранительные клапаны.
Основные технические характеристики
котлоагрегата и вспомогательного оборудования водогрейной части указаны в
таблице 1.
автоматизация вода подогрев
регулирование
Таблица 1 - Технические характеристики
котлоагрегата при работе на природном газе
|
№№
п.п.
|
Наименование
|
Единица
измерения
|
Величина
|
|
1
|
2
|
3
|
4
|
|
Водогрейный
котел КВ-ГМ-30
|
|
|
|
1
|
Номинальная
теплопроизводительность
|
Гкал/ч
|
30
|
|
2
|
Температура
воды:
|
|
|
|
на
входе в котел
|
оС
|
70
|
|
на
выходе из котла
|
оС
|
150
|
|
3
|
Расчетный
КПД
|
%
|
89,7
|
|
4
|
Поверхность
нагрева котла
|
|
|
|
радиационная
|
м2
|
126,9
|
|
конвективная
|
м2
|
592,6
|
|
5
|
Расход
воды (основной режим)
|
т/час
|
370
|
|
6
|
Рабочее
давление
|
кгс/см2
|
25
|
|
7
|
Расход
газа на котел
|
м3/час
|
3950
|
|
8
|
Гидравлическое
сопротивление
|
кгс/см2
|
2,5
|
|
9
|
Объём
водяной
|
м3
|
10,6
|
|
10
|
Температура
уходящих газов
|
оС
|
160
|
|
Вентилятор
|
|
|
|
Количество
|
шт.
|
1
|
|
Тип
|
|
ВДН-15
|
|
Производительность
|
м3/час
|
50000
|
|
Напор
|
кгс/м2
|
350
|
|
Мощность
эл. двигателя
|
кВт
|
75
|
|
Число
оборотов
|
об/мин
|
980
|
|
Дымосос
|
|
|
|
Количество
|
шт.
|
1
|
|
Тип
|
|
ДН-17
|
|
Производительность
|
м3/час
|
73000
|
|
Напор
|
кгс/м2
|
203
|
|
Мощность
эл. двигателя
|
кВт
|
55
|
|
Число
оборотов
|
об/мин
|
750
|
|
Топочное
устройство
|
|
|
|
Тип
горелки
|
|
РГМГ-30
|
|
Тепловая
мощность горелки
|
Гкал/ч
|
30
|
|
Количество
горелок
|
шт.
|
1
|
|
Коэффициент
рабочего регулирования
|
|
7
|
|
Номинальный
расход природного газа
|
м3/час
|
|
|
Коэффициент
избытка воздуха
|
|
1,06
|
|
Давление
вторичного воздуха
|
кгс/м2
|
250
|
|
Давление
газа на горелке
|
кгс/м2
|
3000-5000
|
|
Аэродинамическое
сопротивление по вторичному воздуху
|
кгс/м2
|
Не
более250
|
2. Анализ объекта регулирования с
точки зрения действующих возмущений (входов и выходов). Составление
информационной модели
На водогрейный котел как и на любой объект
управления действуют возмущающие воздействия. На основании регулируемых
параметров, регулирующих и возмущающих воздействий, составим информационную
модель процесса. Информационная модель объекта представляет собой изображение
связей между этими параметрами и позволяет выявить существующие контуры
управления.
Управляющие параметры - это параметры,
изменением которых система регулирования воздействует на объект с целью
управления. К ним относятся:
расход газа;
расход воды;
расход воздуха.
Выходные параметры, характеризующие состояние
процесса, - эти параметры при регулировании объекта управления необходимо
поддерживать на заданном уровне. К ним относятся:
соотношение газ/воздух;
температура воды на выходе;
производительность;
разряжение в топке.
Дополнительные параметры, влияющие на протекание
процесса, - эти параметры отражают влияние на регулируемый объект внешних
условий. К ним относятся:
температура воздуха;
температура воды на входе;
давление газа с ГРП.
Рис. 1 - Информационная модель объекта
регулирования
Информационная модель показывает, что наиболее
сильное возмущающее воздействие на выходные параметры исследуемого объекта
автоматизации оказывает изменение расхода на входе в объект.
3. Обоснование и выбор точек и
параметров контроля технологического процесса
Процесс подогрева воды является непрерывным,
поэтому необходимо поддерживать на заданном уровне все технологические
параметры необходимые для поддержания и протекания данного процесса.
Нормы технологического процесса, параметры
процесса по всем точкам контроля водогрейного котла КВГМ-30, приведены в
таблице 2.
Таблица 2 - Нормы технологического процесса
|
Наименование
контролируемого параметра
|
Единицы
измерения
|
Нормы
технологического контроля
|
Предельно
допустимые параметры
|
|
|
|
min
|
mах
|
|
1
|
2
|
3
|
4
|
5
|
|
КВ-ГМ-30
Теплопроизводительность Расход воды через котел Давление воды на входе в
котел Давление воды на выходе из котла Температура сетевой воды на входе в
котел Температура воды на выходе из котла Давление газа перед горелками
Давление воздуха перед горелками Расход газа на котле Температура уходящих
газов Разрежение в топке
|
Гкал/ч
м3/ч кгс/см2 кгс/см2 оС оС кгс/см2 кгс/см2 м3/ч оС кгс/м2
|
30
333-480 12,0-16,0 12 70 150 20 18 3950 160 -2,0-3,0
|
5,0
333 12,0 6,3 По темпера-турному графику По темпера-турному графику 40 1,7 18
120 -5,0
|
30
480 16,0 12 100 150 20 по реж. карте 3950 250 -1,0
|
4. Обоснование параметров,
подлежащих сигнализации и блокировке
Устройства сигнализации позволяют фиксировать
критические отклонения контролируемых параметров и тем самым предупреждать
развитие таких нежелательных событий как взрывы, пожары, аварии, несчастные
случаи, выход из строя оборудования и так далее.
Схема блокировки предусматривает автоматическую
остановку водогрейного котла при аварийной ситуации в следующих случаях:
при понижении расхода воды через котел КВ-ГМ-30
№3 - до 333 м3/час;
при понижении давления газа перед горелками -
1,3 кПа;
при повышении давления газа перед горелками - 30
кПа;
при уменьшении разрежения в топке котла - до
+5,0 кгс/м2;
при понижении давления воздуха к горелкам - до
16,0 мм.в.ст;
при понижении давления воды после котла - до 5,3
кгс/ см2,
погасание всех горелок;
останов дымососа;
останов вентилятора;
обрыв эл. цепей;
при повышении температуры воды после котла - до
160 0 С.
Система световой и звуковой сигнализации
оповещает в случае отклонения показателей тепловой сети и вспомогательного
оборудования от нормальных величин:
при понижении расхода воды через котел КВ-ГМ-30
№ 3 - до 350 м3/ч;
давление воды после котла - 6,3 кгс/ см2;
понижение давления газа перед горелками - 1,7 кПа;
повышение давления газа перед горелками - 20
кПа;
понижение давления воздуха - 18,0 кгс/м2;
понижение разрежения в топке - +1,0 кгс/м2;
при повышении температуры воды после котла - до
155 0С.
5. Обоснование и выбор контуров
регулирования, типа регулятора
Основной регулируемой величиной является
температура воды на выходе из котла. Поддержанием ее на заданном уровне и будет
являться главной задачей регулирования.
Анализ информационной модели показал, что
наиболее сильное возмущающее воздействие на данные показатели оказывает
изменение расхода на входе в объект, поэтому для компенсации данных возмущения
необходимо ввести узлы стабилизации этих параметров. Так как расход воды
установлен технологическим процессом и определяет заданную производительность,
то стабилизацию осуществляем по расходу газа на котел.
Для оптимизации процесса применяется система
автоматического регулирования расхода газа от температуры воды на выходе из
котла, это и будет основная регулируемая величина. С целью улучшения
показателей процесса целесообразно использовать многоконтурную систему
регулирования.
Рис. 2 - Схема каскадной АСР
Таким образом, для управления исследуемого
процесса целесообразно использовать каскадную систему автоматического регулирования,
включающую в себя два контура регулирования: внутренний (стабилизирующий) и
внешний (корректирующий).
Внутренний контур (регулятор Р1) осуществляет
стабилизацию по расходу газа к котлу, который оказывает сильное возмущающее
воздействие на основную регулируемую величину.
Внешний контур (регулятор Р2) контролирует
основную регулируемую величину и воздействует не на исполнительный механизм, а
на задание регулятора Р1, который поддерживает на заданном значении некоторую
вспомогательную величину, взятую из промежуточной точки регулируемого объекта
W2(s).
Такие системы эффективны, когда поступают
сильные возмущения со стороны регулирующего органа, при этом промежуточная
величина реагирует на эти возмущения с меньшей инерционностью, чем основная
регулируемая величина.
6. Проведение активного
эксперимента. Получение динамических характеристик объекта управления
Для получения динамических свойств объекта
воспользуемся методом активного эксперимента.
Для расчёта системы снимем следующие кривые
разгона переходных процессов:
Изменение положения регулирующего органа -
изменение расхода газа;
Изменение положения регулирующего органа -
изменение температуры воды на выходе.
Рис. 3 - Схема проведения эксперимента
Снятие первой кривой разгона (изменение
положения регулирующего органа - изменение расхода газа).
Изменим положение регулирующего органа подачи
газа, приоткрыв его на 10%. Расход газа до проведения эксперимента составлял
2500 м3/ч, после возмущения - 3500 м3/ч (процентное изменение выходного сигнала
составило 63,3-88,6% (100%- 3950 м3/ч)). Время эксперимента t=20 c.
Запаздывание t=2 с.
Рис. 4
Таблица 3 - Координаты кривой разгона объекта по
внутреннему контуру: «изменение положения регулирующего органа - изменение
расхода газа»
|
N
|
X
|
Y
|
|
1
|
0
|
2500
|
|
2
|
1
|
2546
|
|
3
|
2
|
2633
|
|
4
|
3
|
2734
|
|
5
|
4
|
2845
|
|
6
|
5
|
2936
|
|
7
|
6
|
3015
|
|
8
|
7
|
3086
|
|
9
|
8
|
3146
|
|
10
|
9
|
3214
|
|
11
|
10
|
3274
|
|
12
|
11
|
3320
|
|
13
|
12
|
3360
|
|
14
|
13
|
3398
|
|
15
|
14
|
3431
|
|
16
|
15
|
3459
|
|
17
|
16
|
3478
|
|
18
|
17
|
3489
|
|
19
|
18
|
3496
|
|
20
|
19
|
3499
|
|
21
|
20
|
3500
|
Снятие второй кривой разгона (изменение
положения регулирующего органа - изменение температуры воды на выходе).
Изменим положение регулирующего органа подачи
газа, приоткрыв его на 10%. Температура воды на выходе до проведения
эксперимента составляла 800С, после возмущения - 1100С (процентное изменение
составило 53,(3)-77,(3)% (100%- 1500С)). Время эксперимента t=1200 с.
Запаздывание t=30 с.
Будем использовать это изменение в качестве
переходной характеристики процесса.
Рис. 5
Таблица 4 - Координаты кривой разгона объекта по
внешнему контуру: «изменение положения регулирующего органа - изменение
температуры на выходе»
|
N
|
X
|
Y
|
|
1
|
0
|
80
|
|
2
|
50
|
81,27
|
|
3
|
100
|
83,31
|
|
4
|
150
|
85,55
|
200
|
88,01
|
|
6
|
250
|
90,21
|
|
7
|
300
|
92,72
|
|
8
|
350
|
95,41
|
|
9
|
400
|
97,9
|
|
10
|
450
|
99,93
|
|
11
|
500
|
101,78
|
|
12
|
550
|
103,3
|
|
13
|
600
|
104,82
|
|
14
|
650
|
105,89
|
|
15
|
700
|
106,88
|
|
16
|
750
|
107,76
|
|
17
|
800
|
108,38
|
|
18
|
850
|
108,78
|
|
19
|
900
|
109,18
|
|
20
|
950
|
109,38
|
|
21
|
1000
|
109,69
|
|
22
|
1050
|
109,79
|
|
23
|
1100
|
109,88
|
|
24
|
1150
|
109,96
|
|
25
|
1200
|
110
|
Обработка экспериментальных данных:
-Линеаризация кривой разгона (в программе
«Идентификация»).
-Сглаживание кривой разгона.
Сглаживание осуществлялось в программе
«Идентификация». Так как в данном случае динамические характеристики
представлены в виде массива точек, то можно использовать интерполяцию. Все три
характеристики сглаживаем по 3 точкам.
-Нормирование кривой разгона
Нормирование осуществлялось в программе
«Идентификация» по формуле:
Многие методы идентификации требуют,
чтобы кривая разгона была приведена к единичному виду, т.е. была бы
нормирована. Значения ординат реальной кривой разгона выражены либо в единицах
технического параметра, либо в процентах. Ординаты нормированной кривой разгона
имеют безразмерную величину.
Таблица 5 - Обработка кривой разгона
объекта по внутреннему контуру: «изменение положения регулирующего органа -
изменение расхода газа»
|
№
|
t,
с
|
F,
м3/ч
|
Линеаризация
|
Сглаживание
|
Нормирование
|
|
1
|
0
|
2500
|
2500
|
2493,167
|
0
|
|
2
|
1
|
2546
|
2546
|
2559,667
|
0,066027
|
|
3
|
2
|
2633
|
2633
|
2637,667
|
0,143472
|
|
4
|
3
|
2734
|
2734
|
2737,333
|
0,242429
|
|
5
|
4
|
2845
|
2845
|
2838,333
|
0,342711
|
|
6
|
5
|
2936
|
2936
|
2932
|
0,435711
|
|
7
|
6
|
3015
|
3015
|
3012,333
|
0,515472
|
|
8
|
7
|
3086
|
3086
|
3082,333
|
0,584974
|
|
9
|
8
|
3146
|
3146
|
3148,667
|
0,650836
|
|
10
|
9
|
3214
|
3214
|
3211,333
|
0,713056
|
|
11
|
10
|
3274
|
3274
|
3269,333
|
0,770644
|
|
12
|
11
|
3320
|
3320
|
3318
|
0,818964
|
|
13
|
12
|
3360
|
3360
|
3359,333
|
0,860003
|
|
14
|
13
|
3398
|
3398
|
3396,333
|
0,89674
|
|
15
|
14
|
3431
|
3431
|
3429,333
|
0,929505
|
|
16
|
15
|
3459
|
3459
|
3456,667
|
0,956644
|
|
17
|
16
|
3480
|
3480
|
3475
|
0,974847
|
|
18
|
17
|
3486
|
3486
|
3487,333
|
0,987093
|
|
19
|
18
|
3496
|
3496
|
3493,667
|
0,993381
|
|
20
|
19
|
3499
|
3499
|
3498,333
|
0,998014
|
|
21
|
20
|
3500
|
3500
|
3500,333
|
1
|
Для дальнейших расчётов систем автоматического
управления необходимо по кривым разгона получить передаточные функции,
отражающие динамические свойства объекта управления.
Получим передаточную функцию.
Проверку проведем с помощью теоремы
разложения в программе «Калькулятор передаточных функций».
Корни знаменателя передаточной
функции:
,232-j0,111
,232+j0,111
Вещественная часть корня
отрицательная, следовательно, можно сделать вывод, что объект устойчивый.
Аналитическое выражение переходного
процесса:
Y(t)=1,000+(2,098*Cos((-4,216)+(0,111*t))*Exp(-0,232*t))
Таблица 6 - Сравнение
аппроксимированной и нормированной кривой разгона по внутреннему контуру:
«изменение положения клапана - изменение расхода газа»
|
№
|
t,
с
|
Нормированная
|
Аппроксимированная
|
Погрешность
|
|
1
|
0
|
0
|
0,000
|
0
|
|
2
|
1
|
0,066027
|
0,049
|
0,017027
|
|
3
|
2
|
0,143472
|
0,130
|
0,013472
|
|
4
|
3
|
0,242429
|
0,226
|
0,016429
|
|
5
|
4
|
0,342711
|
0,328
|
0,014711
|
|
6
|
5
|
0,435711
|
0,427
|
0,008711
|
|
7
|
6
|
0,515472
|
0,519
|
-0,00353
|
|
8
|
7
|
0,584974
|
0,603
|
-0,01803
|
|
9
|
8
|
0,650836
|
0,676
|
-0,02516
|
|
10
|
9
|
0,713056
|
0,740
|
-0,02694
|
|
11
|
10
|
0,770644
|
0,793
|
-0,02236
|
|
12
|
11
|
0,818964
|
0,838
|
-0,01904
|
|
13
|
12
|
0,860003
|
0,874
|
-0,014
|
|
14
|
13
|
0,89674
|
0,904
|
-0,00726
|
|
15
|
14
|
0,929505
|
0,928
|
0,001505
|
|
16
|
15
|
0,956644
|
0,946
|
0,010644
|
|
17
|
16
|
0,974847
|
0,961
|
0,013847
|
|
18
|
17
|
0,987093
|
0,972
|
0,015093
|
|
19
|
18
|
0,993381
|
0,981
|
0,012381
|
|
20
|
19
|
0,998014
|
0,987
|
0,011014
|
|
21
|
20
|
1
|
0,992
|
0,008
|
Рис. 6
Для обработки экспериментальных данных по каналу
«положение клапана - температура в контактном аппарате» произведём аналогичные
действия.
Таблица 7 - Обработка кривой разгона объекта по
каналу: «изменение положения клапана - температура в контактном аппарате»
|
№
|
t,
с
|
ТК,0С
|
Линеаризация
|
Сглаживание
|
Нормирование
|
|
1
|
2
|
3
|
4
|
5
|
6
|
|
1
|
0
|
80
|
80
|
79,87167
|
0
|
|
2
|
50
|
81,27
|
81,27
|
0,05492
|
|
3
|
100
|
83,31
|
83,31
|
83,37667
|
0,11631
|
|
4
|
150
|
85,55
|
85,55
|
85,62333
|
0,190863
|
|
5
|
200
|
88,01
|
88,01
|
87,92333
|
0,267187
|
|
6
|
250
|
90,21
|
90,21
|
90,31333
|
0,346496
|
|
7
|
300
|
92,72
|
92,72
|
92,78
|
0,42835
|
|
8
|
350
|
95,41
|
95,41
|
95,34333
|
0,513412
|
|
9
|
400
|
97,9
|
97,9
|
97,74667
|
0,593164
|
|
10
|
450
|
99,93
|
99,93
|
99,87
|
0,663625
|
|
11
|
500
|
101,78
|
101,78
|
101,67
|
0,723356
|
|
12
|
550
|
103,3
|
103,3
|
103,3
|
0,777446
|
|
13
|
600
|
104,82
|
104,82
|
104,67
|
0,822908
|
|
14
|
650
|
105,89
|
105,89
|
105,8633
|
0,862508
|
|
15
|
700
|
106,88
|
106,88
|
106,8433
|
0,895028
|
|
16
|
750
|
107,76
|
107,76
|
107,6733
|
0,922571
|
|
17
|
800
|
108,38
|
108,38
|
108,3067
|
0,943587
|
|
18
|
850
|
108,78
|
108,78
|
108,78
|
0,959294
|
|
19
|
900
|
109,18
|
109,18
|
109,1133
|
0,970356
|
|
20
|
950
|
109,38
|
109,38
|
109,4167
|
0,980421
|
|
21
|
1
000
|
109,69
|
109,69
|
109,62
|
0,987169
|
|
22
|
1
050
|
109,79
|
109,79
|
109,7867
|
0,9927
|
|
23
|
1
100
|
109,88
|
109,88
|
109,8767
|
0,995686
|
|
24
|
1
150
|
109,96
|
109,96
|
109,9467
|
0,998009
|
В результате получили передаточную функцию:
Проверку проведем с помощью теоремы
разложения в программе «Калькулятор передаточных функций».
Корни знаменателя передаточной
функции:
,004-j0,002
,004+j0,002
Вещественная часть корня
отрицательная, следовательно, можно сделать вывод, что объект устойчивый.
Аналитическое выражение переходного
процесса:
Y(t)=1,000+(2,344*Cos((-4,272)+(0,002*t))*Exp(-0,004*t))
Таблица 8 - Сравнение аппроксимированной и
нормированной кривой разгона по каналу: «изменение положения клапана -
температура в контактном аппарате»
|
№
|
t,
с
|
Нормированная
|
Аппроксимированная
|
Погрешность
|
|
1
|
2
|
3
|
4
|
5
|
|
1
|
0
|
0
|
0,000
|
0
|
|
2
|
50
|
0,05492
|
0,028
|
0,02692
|
|
3
|
100
|
0,11631
|
0,091
|
0,02531
|
|
4
|
150
|
0,190863
|
0,174
|
0,016863
|
|
5
|
200
|
0,267187
|
0,266
|
0,001187
|
|
6
|
250
|
0,346496
|
0,360
|
-0,0135
|
|
7
|
300
|
0,42835
|
0,450
|
-0,02165
|
|
8
|
350
|
0,513412
|
0,534
|
-0,02059
|
|
9
|
400
|
0,593164
|
0,610
|
-0,01684
|
|
10
|
450
|
0,663625
|
0,678
|
-0,01438
|
|
11
|
500
|
0,723356
|
0,736
|
-0,01264
|
|
12
|
550
|
0,777446
|
0,786
|
-0,00855
|
|
13
|
600
|
0,822908
|
0,829
|
-0,00609
|
|
14
|
650
|
0,862508
|
0,864
|
-0,00149
|
|
15
|
700
|
0,895028
|
0,893
|
0,002028
|
|
16
|
750
|
0,922571
|
0,917
|
0,005571
|
|
17
|
800
|
0,943587
|
0,937
|
0,006587
|
|
18
|
850
|
0,959294
|
0,952
|
0,007294
|
|
19
|
900
|
0,970356
|
0,964
|
0,006356
|
|
20
|
950
|
0,980421
|
0,974
|
0,006421
|
|
21
|
1
000
|
0,987169
|
0,981
|
0,006169
|
|
22
|
1
050
|
0,9927
|
0,987
|
0,0057
|
|
23
|
1
100
|
0,995686
|
0,991
|
0,004686
|
|
24
|
1
150
|
0,998009
|
0,994
|
0,004009
|
|
25
|
1
200
|
1
|
0,997
|
0,003
|
Рис. 7
Вычисление коэффициентов передачи объекта
По данным эксперимента определим время
запаздывания и коэффициент передачи объекта по формуле:
Для Wр1(S):
Время чистого запаздывания tч.з.=2
с.
1,66666
Для Wр2(S):
Время чистого запаздывания tч.з.=30
с.
2
7. Обоснование и выбор системы автоматизации
технологического процесса
Современные технологические процессы
отличаются многообразием параметров подлежащих контролю и регулированию.
Государственная система промышленных приборов и средств автоматизации позволила
унифицировать средства контроля и регулирования, и выделила, по виду энергии
носителя сигнала три основные ветви устройств ГСП: электрическую,
пневматическую и гидравлическую.
Для контроля и регулирования
процесса конверсии аммиака в производстве слабой азотной кислоты, учитывая специфические
условия работы (взрывоопасность производства и агрессивность среды),
используется пневматическая и электрическая ветвь ГСП.
Пневматические приборы отличаются
простотой обслуживания, сравнительно невысокой стоимостью, а также
удовлетворительной защитой приборов от коррозии, за счёт продувки ответственных
элементов чистым воздухом. Пневматическая ветвь характеризуется безопасностью в
легковоспламеняющихся и взрывоопасных процессах.
Электрические приборы обладают
высокой чувствительностью, точностью регулирования, обеспечивают дальность
связи и большую емкость каналов передачи информации.
При выборе средств измерений будем
использовать однотипные приборы, что даёт значительные эксплуатационные
преимущества, как с точки зрения настройки, так и при техническом обслуживании
и ремонте.
Для измерения расхода в качестве
датчика используем диафрагму камерную, величина условного прохода зависит от
измеряемого расхода. В комплекте с диафрагмой работает дифманометр «Сапфир 22
ДД-Ех ». Преимущества этого прибора в том, что он имеет на выходе
унифицированный токовый сигнал и достаточно надёжен в работе, а также обладает
достаточно хорошей стабильностью показаний. Сигнал с дифманометра поступает на
блок питания БПС-24П.
Для измерения температуры
используются термоэлектрические преобразователи ТХА. Для преобразования сигнала
ТХА в унифицированный токовый сигнал 4-20 мА используем нормирующий
преобразователь П282.
Для измерения избыточного давления
используем «Сапфир 22 ДИ-Ех» с токовым выходом 4-20 мА. Для измерения уровня
используем уровнемер «Сапфир 22 ДД-Ех» с токовым выходом 4-20 мА.
Управляющий токовый сигнал с выхода
«Ломиконта Л-112» подается на электро-пневмопреобразователь ЭПП - 2, с которого
сигнал подаётся на пневматический мембранный исполнительный механизм.
Проанализировав существующие в
настоящее время приборы автоматического регулирования, и учитывая число
параметров подлежащих контролю и регулированию устанавливаем микропроцессорный
контроллер «Ломиконт Л-112». Кроме того, на ОАО «Азот» имеется опыт эксплуатации
и ремонта данного типа контроллера. Данный контроллер обеспечивает фильтрацию
сигналов, их интерполяцию, интегрирование, а также выполняет все операции
управляющей логики. Позволяет осуществить достаточно сложные алгоритмы
управления и законы регулирования, оперируя с дискретными, аналоговыми и
импульсными входными и выходными сигналами, что важно для создания
многофункциональной системы управления технологическим процессом.
«Ломиконт Л - 112» является
программируемым изделием. Язык программирования - МИКРОЛ. Все структуры
запрограммированных управляющих контуров в течение периода эксплуатации могут
изменяться и дополняться, т.е. не имеют жёстко фиксированных связей. Контроллер
работает со стандартными унифицированными входными и выходными сигналами.
8. Расчёт одноконтурной системы
регулирования
Порядок расчета:
. Задаемся известной передаточной
функцией
. Выбираем тип регулятора
. Методом Роточа определяем
настройки регулятора
Передаточная функция объекта
основного канала «изменение положения клапана - изменение температуры в
контактном аппарате» имеет вид:

Время чистого запаздывания t
= 30 с;
коэффициент передачи объекта Кп.о = 2
В программе LINREG задаем коэффициенты
передаточной функции объекта второго порядка с запаздыванием. Выбираем ПИ -
регулятор и определяем его настройки. В результате получаются следующие данные:
коэффициент пропорциональности Кр=4,9031;
время изодрома Tиз=227,721;
резонансная частота wрез=0,0060.
Передаточная функция ПИ - регулятора имеет вид:
,
где Ти - время интегрирования:
.
Для моделирования переходных
процессов одноконтурной системы регулирования по управлению и по возмущению
воспользуемся пакетом Simulink программы MatLab.
Рис. 8 - Структурная схема
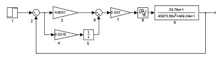
одноконтурной системы регулирования по управлению
На рисунке 8 цифрами обозначены
следующие блоки:
- блок, моделирующий единичный
скачок по управлению,
- блок, реализующий функцию
вычитание двух сигналов y(t)=x1(t)-x2(t),
- блок, реализующий пропорциональную
составляющую регулятора К=4,9031,
,5 - блоки, реализующие интегральную
составляющую регулятора
- блок, реализующий функцию сложения
двух сигналов y(t)=x1(t)+x2(t),
- блок, реализующий коэффициент
передачи основного канала объекта К=0,333,
- блок, реализующий чистое
запаздывание τ=50,
9 - блок, реализующий передаточную
функцию основного канала объекта
.
Переходной процесс по управлению
одноконтурной системы регулирования
Рис. 9
Показатели качества регулирования:
время регулирования tp=1400;
динамическая ошибка Yдин=0,325;
степень затухания ψ=0,846.
Рис. 10 - Структурная схема одноконтурной
системы регулирования по возмущению
На рисунке 10 цифрами обозначены следующие
блоки:
- блок, моделирующий единичный скачок по
управлению,
- блок, реализующий функцию вычитание двух
сигналов y(t)=x1(t)-x2(t),
- блок, реализующий коэффициент передачи
основного канала объекта К=0,333,
- блок, реализующий чистое запаздывание τ=50,
5 - блок, реализующий передаточную функцию
основного канала объекта
,
- блок, реализующий функцию сложения
двух сигналов
(t)=x1(t)+x2(t),
,9 - блоки, реализующие интегральную
составляющую регулятора
Переходной процесс по возмущению
одноконтурной системы регулирования
Рис. 11
Показатели качества регулирования:
время регулирования tp=800;
динамическая ошибка Yдин=0,12;
степень затухания ψ=0,917.
9. Расчёт каскадной системы
регулирования
Порядок расчёта:
. Рассчитаем настройки ведомого регулятора
аналогично расчету настроек регулятора одноконтурной АСР
. Определим передаточную функцию эквивалентного
объекта
. По передаточной функции эквивалентного объекта
определим настройки ведущего регулятора
Передаточная функция объекта внутреннего канала
«изменение положения клапана - расход газообразного аммиака» имеет вид:

Время чистого запаздывания t
= 2 с;
коэффициент передачи объекта Кп.о = 1,107.
В программе LINREG задаём коэффициенты
передаточной функции, выбираем ПИ-регулятор и определяем его настройки. В
результате получаем следующие данные:
коэффициент пропорциональности Кр=1,2636;
время изодрома Tиз=4,9575;
резонансная частота wрез=0,2811.
,
где Ти - время интегрирования.
Переходной процесс по возмущению
внутреннего контура каскадной системы
Рис. 12
Показатели качества регулирования:
время регулирования tp=33;
динамическая ошибка Yдин=0,52;
степень затухания ψ=0,904.
Сравнивая график нормированной
кривой разгона по основному каналу и переходный процесс внутреннего контура
каскадной системы, делаем вывод о том, что за время запаздывания основного
контура переходный процесс во внутреннем контуре успевает полностью
установиться, следовательно, передаточная функция эквивалентного объекта имеет
вид:
Рис. 13
С помощью программы «Калькулятор
передаточных функций» получим следующее выражение передаточной функции
эквивалентного объекта Wоб.э2:
В программе LINREG определяем
настройки ведущего регулятора. Для ПИ-регулятора получаем:
коэффициент пропорциональности
Кр=7,7643;
время изодрома Tиз=280,038;
резонансная частота wрез=0,0068.
,
где Ти - время интегрирования.
Следовательно, передаточная функция
ведущего регулятора запишется:
После определения настроечных
параметров ведущего регулятора необходимо пересчитать настройки стабилизирующего
регулятора по передаточной функции:
С помощью программы «Калькулятор
передаточных функций» получим следующее выражение передаточной функции
эквивалентного объекта Wоб.э1 :
В программе LINREG получаем следующие уточненные
настройки ведомого регулятора:
коэффициент пропорциональности Кр=2,0844;
время изодрома Tиз=5,2985;
резонансная частота wрез=0,3958,
.
Для моделирования переходных
процессов каскадной системы регулирования по управлению и по возмущению
воспользуемся пакетом Simulink программы MatLab.
Рис. 14 - Структурная схема каскадной
системы регулирования по управлению
На рисунке 14 цифрами обозначены
следующие блоки:
- блок, моделирующий единичный
скачок по управлению,
,3 - блок, реализующий функцию
вычитание двух сигналов y(t)=x1(t)-x2(t),
- блок, реализующий пропорциональную
составляющую ведущего регулятора К=4,9031,
,6 - блоки, реализующие интегральную
составляющую ведущего регулятора
,8 - блок, реализующий функцию
сложения двух сигналов y(t)=x1(t)+x2(t),
- блок, реализующий пропорциональную
составляющую ведомого регулятора К=2,0844,
,11 - блоки, реализующие
интегральную составляющую ведомого регулятора
- блок, реализующий коэффициент
передачи основного канала объекта К=0,333,
- блок, реализующий чистое
запаздывание основного канала объекта τ=50,
14 - блок, реализующий передаточную
функцию основного канала объекта
,
- блок, реализующий коэффициент
передачи внутреннего канала объекта К=1,107,
- блок, реализующий чистое
запаздывание внутреннего канала объекта τ=2,
17 - блок, реализующий передаточную
функцию внутреннего канала объекта
.
Переходной процесс по управлению
каскадной системы регулирования
Рис. 15
Показатели качества регулирования:
время регулирования tp=1300;
динамическая ошибка Yдин=0,268;
степень затухания ψ=0,888.
Рис. 16 - Структурная схема каскадной системы
регулирования по возмущению
На рисунке 16 цифрами обозначены следующие
блоки:
- блок, моделирующий единичный скачок по
управлению,
,9 - блок, реализующий функцию вычитание двух
сигналов y(t)=x1(t)-x2(t),
- блок, реализующий коэффициент передачи
основного канала объекта К=0,333,
- блок, реализующий чистое запаздывание
основного канала объекта τ=50,
5 - блок, реализующий передаточную функцию
основного канала объекта
,
- блок, реализующий коэффициент
передачи внутреннего канала объекта К=1,107,
- блок, реализующий чистое
запаздывание внутреннего канала объекта τ=2,
8 - блок, реализующий передаточную
функцию внутреннего канала объекта
,
,14 - блок, реализующий функцию
сложения двух сигналов
(t)=x1(t)+x2(t),
- блок, реализующий пропорциональную
составляющую ведущего регулятора К=4,9031,
,13 - блоки, реализующие
интегральную составляющую ведущего регулятора
- блок, реализующий пропорциональную
составляющую ведомого регулятора К=2,0844,
,17 - блоки, реализующие
интегральную составляющую ведомого регулятора.
Переходной процесс по возмущению
каскадной системы регулирования
Рис. 17
Показатели качества регулирования:
время регулирования tp=650;
динамическая ошибка Yдин=0,108;
степень затухания ψ=0,907.
10. Сравнение динамических
характеристик систем автоматического регулирования
Для удобства наблюдения за качеством
переходных процессов, сведём все показатели в одну таблицу.
Необходимо отметить, что степень
затухания переходного процесса определяется по формуле:
,
где А1 и А2 - соседние амплитуды
колебаний, направленные в одну сторону.
Время регулирования - это отрезок
времени, за который значение регулируемой величины достигает нового
установившегося значения с заданной точностью.
Динамическая ошибка - максимальное
отклонение регулируемой величины от заданного значения.
Таблица 9 - Показатели качества
переходных процессов
|
Тип
АСР
|
По
управлению
|
По
возмущению
|
|
Динамическая
ошибка, %
|
Степень
затухания
|
Время
регулирования, с.
|
Динамическая
ошибка, %
|
Степень
затухания
|
Время
регулирования, с.
|
|
Одноконтурная
|
32,5
|
0,846
|
1400
|
12,0
|
0,917
|
800
|
|
Каскадная
|
26,8
|
0,888
|
1300
|
10,8
|
0,907
|
650
|
Вывод: исходя из представленных данных, можно
сделать заключение, что введение дополнительного регулятора в каскадной схеме
даёт улучшение регулирования (уменьшилось время регулирования). Выбираем к
реализации каскадную систему регулирования.
11. Реализация рассчитанной системы
автоматизации
Реализация каскадной системы регулирования
осуществляется на базе логического микропроцессорного контроллера «Ломиконт
Л-112».
После расчёта были получены значения настроечных
параметров регуляторов. Для реализации этих параметров на реальном объекте их
необходимо привести к абсолютному виду, то есть необходимо учитывать
коэффициенты передачи объекта. Для этого нормированный коэффициент передачи
регулятора делится на коэффициент передачи объекта
п=kпн/kпо
Параметры регуляторов сведены в таблицу:
Таблица 10
|
Параметры
|
kп
|
Ти,с
|
|
Для
регулятора основного контура W1(s)
|
14,72
|
46,44
|
|
Для
регулятора внутреннего контура W2(s)
|
1,88
|
2,54
|
Логический микропроцессорный контроллер Ломиконт
является многоцелевым контроллером общепромышленного назначения. Он
предназначен для автоматического управления технологическими процессами.
Ломиконт обрабатывает дискретные, аналоговые и импульсные входные сигналы;
формирует дискретные, аналоговые и импульсные выходные сигналы, выполняет
операции управления логики, имеет таймеры и счётчики, параллельно с логическим
управлением осуществляет сложную обработку аналоговых сигналов, в том числе
фильтрацию, интегрирование, ПИ- и ПИД- регулирование с автоподстройкой и без
нее, интерполяцию по времени и параметру, позволяет выводить технологические
сообщения и текущие значения параметров на дисплей для наблюдения за ходом
процесса и на печатающее устройство для документирования процесса управления.
Ввод в Ломиконт программы управления конкретным
технологическим объектом и отладка этой программы называется технологическим
программированием Ломиконта. При работе с Ломиконтом используется
микропроцессорный пульт Ломиконта, имеющий экран и специализированную
клавиатуру. Программа пользователя составляется на технологическом языке
Ломиконта - МИКРОЛ. Работа оператора с пульта происходит в диалоговом режиме с
автоматическим контролем правильности действий оператора. Программа
пользователя, введенная оператором в Ломиконт, равно как и информация о текущем
состоянии процесса управления, сохраняется при отключении питания.
Л-112 - дублированная модель повышенной
надежности, представляет собой связанные цифровой связью два комплекта
аппаратуры. Один из них работает в режиме "горячего" резерва.
Пакет программ "АРМ
оператора-технолога" (Visualization of Technology and Control -
VTC)позволяет без программирования создать на ПЭВМ систему, обеспечивающую
решение следующих задач в АСУТП:
отображение информации о ходе технологического
процесса на экране ПЭВМ в виде графических мнемосхем, имеющих статическую и
динамическую части;
оперативное управление технологическим процессом
с клавиатуры ПЭВМ, включая контроль действий оператора и защиту от
несанкционированного доступа;
вывод на экран ПЭВМ аварийных и технологических
сообщений и их регистрация на внешнем носителе ПЭВМ;
сбор и отображение информации об истории
технологического процесса;
отображение графиков текущих значений
технологических параметров за заданный интервал времени;
печать или сохранение на внешнем носителе
рапортов о ходе технологического процесса.
Кроме того, пакет обеспечивает выполнение на
ПЭВМ в фоновом режиме программы пользователя.
Пакет обеспечивает обмен технологической
информацией между несколькими операторскими станциями, соединенными между собой
по последовательным каналам.
Система может включать специализированную
функциональную клавиатуру оператора-технолога.
Используются следующие алгоритмы:
ПИ - А(001) - ПИ - регулирование аналоговое;
СУМ(030) - суммирование.
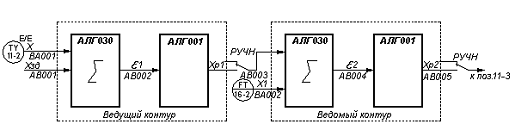
Описание схемы реализации каскадной АСР
Блок-схема реализации каскадной системы
регулирования приведена на рисунке 18.
Рисунок 18 - Блок-схема каскадной системы
регулирования
На рисунке 18 приняты следующие обозначения:
Х - текущее значение температуры,
Хзд - заданное значение температуры,
Хр1, Хр2 - регулирующее воздействие,
РУЧН - ручной режим,
Х1 - значение расхода газообразного аммиака,
e1, e2 - сигнал
рассогласования.
Приложение
Спецификация применяемых средств автоматизации
|
Позиция
|
Наименование
и техническая характеристика
|
Тип,
марка, обозначение документа, опросного листа
|
Код
изделия, оборудования, материала
|
Завод
изготовитель
|
Единицы
измерения
|
Количество
|
Масса
единицы
|
Примеч.
|
|
1
|
2
|
3
|
4
|
5
|
6
|
7
|
8
|
9
|
|
Приборы
и средства
|
|
|
|
|
|
|
|
|
автоматизации
|
|
|
|
|
|
|
|
|
11-1
|
Термоэлектрический
|
ТХА-0193-02-Т
|
|
г.
Челябинск,
|
шт.
|
1
|
|
|
|
преобразователь,
|
ТУ
311.00226253.
|
|
«Метран»
|
|
|
|
|
|
гр.
ХА, предел измерения
|
032-93
|
|
|
|
|
|
|
|
-40+10000С,
класс допуска 2
|
|
|
|
|
|
|
|
|
11-2
|
Нормирующий
преобразо-
|
П282
|
|
г.
Северо-
|
шт.
|
1
|
2,6
кг
|
|
|
ватель,
гр. ХА, выходной
|
ГОСТ
13384-81
|
|
Донецк,
ОКБА
|
|
|
|
|
|
сигнал
(4-20)мА,
|
|
|
|
|
|
|
|
|
одноканальный,
класс
|
|
|
|
|
|
|
|
|
точности
0,5
|
|
|
|
|
|
|
|
|
11-3
|
Электропневмопреобразо-
|
ЭПП-2
|
|
г.
Челябинск
|
шт.
|
1
|
2,5
кг
|
|
|
ватель,
входной сигнал (4 -
|
|
|
«Метран»
|
|
|
|
|
|
20)
мА, класс точности 1,0
|
|
|
|
|
|
|
|
|
11-4
|
Мембранный
исполнитель-
|
МИМ-100
|
|
г.
Чебоксары
|
шт.
|
1
|
|
|
|
ный
механизм
|
|
|
«Электроприбор»
|
|
|
|
|
|
16-1
|
Диафрагма
камерная,
|
ДКС-10-100-А-II
|
|
г.
Челябинск
|
шт.
|
1
|
|
|
|
исполнение
II
|
ГОСТ
8.563-98
|
|
«Метран»
|
|
|
|
|
|
16-2
|
Преобразователь
измери-
|
Сапфир
22-Ех-М-
|
|
г.
Челябинск
|
шт.
|
1
|
|
|
|
тельный
разности
|
-ДД-2420-01-
|
|
«Прибор»
|
|
|
|
|
|
давления,
диапазон
|
-УХЛ3.1-0,5/-16кПа
|
|
|
|
|
|
|
|
измерения
(0 - 16) кПа,
|
|
|
|
|
|
|
|
|
выходной
сигнал (4-20)мА,
|
|
|
|
|
|
|
|
|
класс
точности 0,5
|
|
|
|
|
|
|
|
|
Блок
питания,
|
БПС-24П
|
|
г.
Москва
|
шт.
|
1
|
4,2
кг
|
|
|
выходной
сигнал (4-20)мА,
|
|
|
МПО
|
|
|
|
|
|
|
|
|
«Манометр»
|
|
|
|
|
|
Контроллер
Ломиконт-112
|
|
|
г.
Чебоксары
|
шт.
|
1
|
|
|
|
|
|
|
«Электроприбор»
|
|
|
|
|
|
|
|
|
|
|
|
|
|
|