Моделирование систем
Министерство
высшего образования и науки РФ
Федеральное
государственное бюджетное образовательное учреждение
высшего
профессионального образования
Тульский
государственный университет
Институт
высокоточных систем им. В.П. Грязева
Факультет
«Системы автоматического управления»
Кафедра
«Приборы управления»
Курсовая
работа
Моделирование
систем
Выполнила:
студентка группы 120891
Дмитриевич
Н.А.
Проверил:
Телухин С.В.
Тула 2012г.
Содержание
Введение
Исходные
данные для работы
Составление
схем моделирования
Метод
последовательного интегрирования
Метод
канонической формы
Метод
вспомогательной переменной
Моделирование
в пространстве состояний
Модель в
пространстве состояний в нормальной форме
Модель в
пространстве состояний в форме простых сомножителей
Моделирование
нелинейных систем
Выводы
Введение
Моделированием называется замещение одного объекта другим с целью
получения информации о важнейших свойствах объекта-оригинала с помощью
объекта-модели. Таким образом, моделирование может быть определено как
представление объекта моделью для получения информации об этом объекте путем
проведения экспериментов с его моделью. Целью моделирования является задача
изучения какой-либо стороны функционирования объекта.
Основами всех моделей являются математические схемы, которые можно
разделить на следующие группы:
статические и динамические;
детерминистские и стохастические;
дискретные и непрерывные.
Исходные
данные для работы
). Передаточная функция:
) Система уравнений:
где
.
|
Нелинейность     
|
|
|
|
|
|
|
|
2
|
1
|
±0,1
|
1
|
1
|
0,07
|
1
|
Вид нелинейности:
Составление
схем моделирования
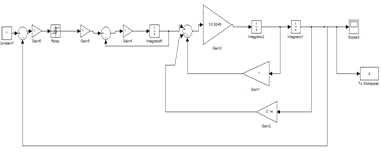
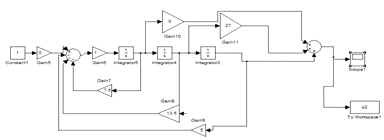
Метод
последовательного интегрирования
(1)
Выходной
сигнал системы, можно представить в виде суммы сигналов трех систем, на которые
воздействует один и тот же входной сигнал
:
(2)
Схема
моделирования сигнала
системы (2) методом последовательного интегрирования
имеет вид:
Рис.
1. Схема моделирования методом последовательного интегрирования
Рис.1.1
Если
посмотреть на второе и третье уравнения системы (2), то видно, что они также
соответствуют нормальной форме (а значит, их тоже можно смоделировать с помощью
схемы на рис. 1), только вместо сигнала
на эти
системы действуют входные сигналы
и
.
Рис.
2. Схема моделирования методом последовательного интегрирования
Рис.2.1
Система дифференциальных уравнений, соответствующая уравнению (1) и схеме
моделирования на рис. 2, имеет вид:
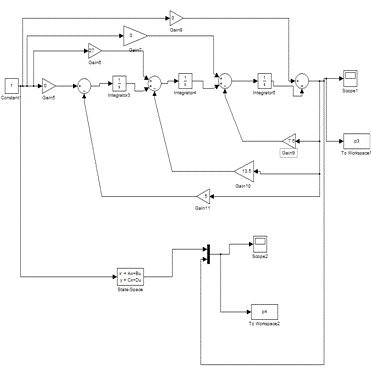
Метод
канонической формы
Рис. 3. Схема моделирования методом канонической формы
Рис. 3.1
Система дифференциальных уравнений, соответствующая уравнению схеме
моделирования на рис. 3, имеет вид:
Метод
вспомогательной переменной
Из данного уравнения получают передаточную функцию:
.
Далее
вводят вспомогательную переменную
.
Этой
передаточной функции соответствует уравнение:
Рис.4 Метод
вспомогательной переменной
Рис.4.1
Система дифференциальных уравнений, соответствующая схеме моделирования
на рис. 4, имеет вид
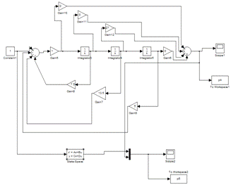
Моделирование
в пространстве состояний.
Модель в
пространстве состояний в нормальной форме
Рис.5 Модель в пространстве состояний в нормальной форме
Рис 5.1
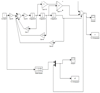
Модель в пространстве состояний в канонической форме
Рис 6 . Модель в пространстве состояний в канонической форме
Рис 6.1
Модель в
пространстве состояний в форме простых сомножителей
Рис 7 Модель в пространстве состояний в форме простых сомножителей
Рис 7.1
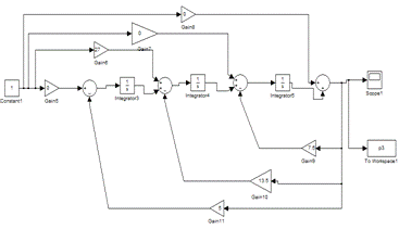
Моделирование
нелинейных систем
При исследовании нелинейных систем строят схему моделирования согласно
системе дифференциальных уравнений, описывающих ее работу, и проводят
моделирование по данной полной модели. При этом нелинейные функции заменяют
близкими им типовыми нелинейностями: насыщение, люфт, реле (гистерезис), либо
формируют полное выражение с помощью блока пользовательской функции.
Система уравнений:
где
.
Рис.
Схема моделирования, соответствующая системе (*)
Рис.
Выводы
канонический
схема нелинейный пространство
В дано курсовой работе было проведено численное моделирование системы, описанной
системой дифференциальных уравнений (передаточной функцией). Были решены
следующие задачи
построена система дифференциальных уравнений первого порядка;
получена передаточная функция;
составлены схемы моделирования методом последовательного (непосредственного)
интегрирования, методом вспомогательной переменной и методом канонической
формы;
построены системы уравнений, соответствующие методам последовательного
(непосредственного) интегрирования, вспомогательной переменной и канонической
формы;
составлены схемы моделирования;
получены матрицы пространства состояний в нормальной форме, канонической
форме и форме простых сомножителей;
определены значения коэффициентов для всех схем моделирования;
смоделированы переходные процессы в системе для всех схем моделирования,
а также построена схема моделирования для нелинейной системы.