Расчет и проектирование оснований и фундаментов промышленных зданий

  • Вид работы:
    Курсовая работа (т)
  • Предмет:
    Строительство
  • Язык:
    Русский
    ,
    Формат файла:
    MS Word
    317,45 Кб
  • Опубликовано:
    2013-12-01
Вы можете узнать стоимость помощи в написании студенческой работы.
Помощь в написании работы, которую точно примут!

Расчет и проектирование оснований и фундаментов промышленных зданий

 

 

 

 

 

 

 







Пояснительная записка к курсовому проекту

Расчет и проектирование оснований и фундаментов промышленных зданий

1. Исходные данные

Рассчитываем и проектируем основание и фундаменты одноэтажного однопролетного промышленного здания. Габаритные параметры и характеристика условий строительства приводятся в таблице 1.

фундамент свайный инженерный строительство

Параметры здания

L1, м

H1, м

Hпр, м

Q1, т

tвн, °С

Район строительства

Mt

S0, кПа

W0, кПа

30

16,8

-3,6

15

5

г. Тобольск

69,5

1

0,30


Габаритные схемы поперечного разреза и плана здания показаны на рис. 1.

Металлические колонны основного каркаса имеют шарнирное сопряжение со стальными фермами, шаг колонн каркаса 12 м. Шаг стальных стоек торцевого фахверка 6 м.

Инженерно-геологические условия площадки строительства установлены бурением 4 скважин на глубину 20 м (таблица 2). Подземные воды во всех скважинах распложены на глубине 0,9 м. от отметки природного рельефа NL. Исходные показатели физико-механических свойств грунтов приведены в таблице 3.



Инженерно-геологические условия площадки

N слоя

Тип грунта


Толщина слоя, м




Скв.1 98,7

Скв.2 97,0

Скв.3 96,1

Скв.4 95,7

1

Почвенно-растительный слой

h0

0,3

0,3

0,3

0,3

2

Суглинок

h1

5,8

6,0

5,7

5,9

3

Суглинок

h2

1,9

1,75

2,0

1,8

4

Песок среднезерн.


Толщина слоя бурением до глубины 20 м не установлена


Исходные показатели физико-механических свойств грунтов

№ слоя

Тип грунта

сn, т/м3

W, %

сs, т/м3

сI II, т/м3

Wр, %

WL, %

kf, см/с

Е, МПа

СI II, кПа

цIII, град

2

Суглинок

1,95

24,4

2,71

1,90/1,92

17,3

30,3

3,0х10-7

13,0

15,0/22,0

16/18

3

Суглинок

1,77

24,8

2,72

1,72/1,74

22,2

25,1

1,8х10-7

9,0

11,0/16,0

14/16

4

Песок среднезерн.

2.06

17,8

2,69

2,01/2,69

-

-

3,0х10-2

40,0

1/2

34/38


Данные химического анализа подземных вод по агрессивности представлены в таблице.

Химический анализ воды

Показатель агрессивности

Значение показателя

Бикарбонатная щелочность ионов НСО3, мг экв/л

2,3

Водородный показатель рН, мг экв/л

7,3

Содержание, мг/л


агрессивной углекислоты СО2

20

аммонийных солей, ионов NH4+

90

магнезиальных солей, ионов Mg2+

1900

едких щелочей, ионов Na+ и K+

-

сульфатов, ионов SO42-

800

хлоридов, ионов Cl-

2200


2. Определение нагрузок действующих на фундаменты

Расчет нормативных значений усилий на уровне обреза фундаментов от нагрузок, воспринимаемых рамой каркаса: постоянной, снеговой, ветровой и крановой выполнен на ЭВМ. Наиболее нагруженным является фундамент по оси К, нормативные значения усилий для этих фундаментов приведены в таблице 5.

Значения нормативных усилий на уровне обреза фундаментов по оси К

Усилие

Нагрузки

Постоянная

Снеговая

Ветровая

Крановая

Nn, кН

908,1

200,4

0,0

231,1

Mn, кНм

326,8

96,8

+ - 48,4

+-185,6

Qn, кН

52,1

2,7

+ - 46,4

+-32,1


Значения расчетных усилий на уровне обреза фундаментов по оси A.

В сочетаниях участвуют только постоянные и кратковременные нагрузки.

Тогда для основного сочетания Cm:

Nn = 908.1+0.9*231.1 = 1116.1 кН

Mn = 326,8+1*48,4+0,9*185,6+0,7*96,8 = 610 кН*м

Qn = 52,1+1*46,4+0,9*32,1 = 127,4 кН

Для расчётов по деформациям (с коэффициентом надёжности по нагрузке гf = 1):

Ncol = Nn*гf = 1116.1 кН

Mcol = Mn* гf = 610 кН*м

Qcol = Qn * гf = 127,4 кН

Для расчётов по несущей способности (с коэффициентом надёжности по нагрузке гf = 1,2):

Ncol = Nn*гf =1339,3 кН

Mcol = Mn* гf =732 кН*м

Qcol = Qn * гf =152,9 кН

3. Оценка инженерно-геологических и гидрологических условий площадки строительства

Планово-высотная привязка здания на площадке строительства приведена на рис. 2 Инженерно-геологические разрезы, построенные по заданным скважинам, показаны на рис. 3 и 4.

Вычисляем необходимые показатели свойств и состояния грунтов по приведенным в таблице 3 исходными данными. Результаты приведены в таблице 7.

Рис. 1. Схема планово-высотной привязки здания

1-1

Рис. 2 Инженерно-геологический разрез

Показатели свойств и состояния грунтов (вычисляемые)

№ слоя

Тип грунта

сn, т/м3

W, %

сs, т/м3

сI II, т/м3

Wр, %

WL, %

kf, см/с

Е, МПа

СI II, кПа

цIII, град

2

Суглинок

1,95

24,4

2,71

1,90/1,92

17,3

30,3

3,0х10-7

13,0

15,0/22,0

16/18

3

Суглинок

1,77

24,8

2,72

1,72/1,74

22,2

25,1

1,8х10-7

9,0

11,0/16,0

14/16

4

Пески среднезерн.

2.06

17,8

2,69

2,01/2,69

-

-

3,0х10-2

40,0

1/2

34/38


Степень влажности

Sr = W×rs/(e×rw),

где rw = 1 т/м3 - плотность воды;

Число пластичности

Ip = WL - Wр;

Плотность сухого грунта

rd = rn /(1 + 0,01×W);

Пористость

n = (1 - rd /rs)×100%;

Коэффициент пористости

e = n/(100 - n);

Показатель текучести

IL = (W - Wр)/(WL - Wр);

Расчетные значения удельного веса и удельного веса частиц:

gI = rI×g gII = rII×g gs = rs×g;

Удельный вес суглинка, расположенного ниже УПВ, с учетом взвешивающего действия воды:

gsb = (gs- gw)/(1+e),

где gw = 10 кН/м3 - удельный вес воды.

Слой 2 - Суглинок

Число пластичности:

 


IР=WL-WР = 13%


Плотность сухого грунта:

rd=rn/(1+0,01W)=1,57 т/м3

Пористость и коэффициент пористости:

n=(1-rd /rs)x100=42.1%

e=n/(100 - n)=0,73

Степень влажности:

Sг =Wrs /erw =9,1%

где rw =1 т/м3 плотность воды.

Показатель текучести:

IL =(W - WР)/(WL - WР)=0,55

Расчетные значения удельного веса и удельного веса частиц:

gI=rIg=18,6 kH/ м3

gII=rIIg=18,84 kH/ м3

gS=rSg=26,6 kH/ м3

Удельный вес суглинка, расположенного ниже УПВ, с учётом взвешивающего действия воды:

г sb2 = (г s2w)/1+e2 = (26,6-10)/1,73=9,6 кН/м3

где gW =10 кН/ м3 - удельный вес воды.

Для определения условного расчетного сопротивления грунта примем условные размеры фундамента d1 = dусл =2 м и bусл = 1 м и установим в зависимости от заданных геологических условий и конструктквкых особенкостей здакия коэффициенты gс1, gс2, k, Мg Мq, и Мс. Коэффициенты gс1 и gс2 принимаем по табл. 5.4 СП 22.13330.2011: для суглинка мягкопластичого (0,50<IL<0,75) gс1=1,2; для здания с гибкой конструктивной схемой gс2=1. Коэффициент k=1 принимаем по указаниям п. 5.6.7 СП 22.13330.2011. Для j II = 18° по табл. 5.5 СП 22.13330.2011 имеем Мг = 0,56; Мq = 3,24; Мс =5,84.

Удельный вес грунта выше подошвы условного фундамента до глубины dw принимаем без учета взвешивающего действия воды gII =18,3 кН/м3, а ниже УПВ, т.е. в пределах глубины d = dусл - dw и ниже подошвы фундамента, принимаем gSb =9,3 кН/м3.

Вычисляем условно расчетное сопротивление:

R2усл =(gс11 gс2)/ k{Мг1 kz bусл gSb1 + Мq1 [dwgII1+(2 - dw) gSb1] +Мc1 cII1 }=(1,2x1)/1 {0,56x1x1x9,3+3,24 [0,75x18,3+(2-0,75) x9,3]+5,84x22}=197 кПа.

 

Слой 3 - Суглинок.

Число пластичности:

Р=WL-WР = 2,9%


Плотность сухого грунта:

rd=rn/(1+0,01W)= 1,42т/м3

Пористость и коэффициент пористости:

n=(1-rd /rs)x100=47,8%

e=n/(100 - n)=0,92

Степень влажности:

Sг =Wrs /erw =73%

Показатель текучести:

IL =(W - WР)/(WL - WР)=0,9

Расчетные значения удельного веса и удельного веса частиц:

gI=rIg=16,87 kH/ м3

gII=rIIg=17,1 kH/ м3

gS=rSg=26,7 kH/ м3

Удельный вес глины, расположенной ниже УПВ, с учётом взвешивающего действия воды:

г sb3 = (г s3w)/1+e3 = (226,7-10)/1,92=8,7 кН/м3

где gW =10 кН/ м3 - удельный вес воды.

Коэффициенты gс1 и gс2 принимаем по табл. 5.4 СП 22.13330.2011: для глины текучепластичном (IL>0,75) gс1=1,1; для здания с гибкой конструктивной схемой gс2=1. Коэффициент k=1 принимаем по указаниям п. 5.6.7 СП 22.13330.2011. Для j II = 8° по табл. 5.5 СП 22.13330.2011 имеем Мг = 0,14; Мq = 1,55; Мс =3,93.

Удельный вес грунта выше подошвы условного фундамента до глубины dw принимаем без учета взвешивающего действия воды gII =17,7 кН/м3, а ниже УПВ, т.е. в пределах глубины d = hI - dw и ниже подошвы фундамента, принимаем gSb =8,24 кН/м3, hI =4,68 м

Вычисляем условно расчетное сопротивление:

R3усл =(gс12 gс2)/ k{Мг2 kz bусл gSb2 + Мq [dwgII1+(hI - dw) gSb1] +Мc2 cII2 }=(1,1x1)/1 {0,14x1x1x8,24+1,55 [0,75x18,3 +(4,68-0,75) x9,3]+3,93x30}= 263 кПа.

 

Слой 4 - суглинок

Число пластичности:

Р=WL-WР


Плотность сухого грунта:

rd=rn/(1+0,01W)= 1,75/м3

Пористость и коэффициент пористости:

n=(1-rd /rs)x100=35%

e=n/(100 - n)=0,54

Степень влажности:

Sг =Wrs /erw =89%

Расчетные значения удельного веса и удельного веса частиц:

gI=rIg=19,7 kH/ м3

gII=rIIg=20,01kH/ м3

gS=rSg=26,4 kH/ м3

Удельный вес суглинка, расположенного ниже УПВ, с учётом взвешивающего действия воды:

г sb4 = (г s4w)/1+e4 =(26,4-10)/1,54=10,65 кН/м3

где gW =10 кН/ м3 - удельный вес воды.

Коэффициенты gс1 и gс2 принимаем по табл. 5.4 СП 22.13330.2011: для суглинка полутвердого (0<IL<0,25) gс1=1,25; для здания с гибкой конструктивной схемой gс2=1. Коэффициент k=1 принимаем по указаниям п. 5.6.7 СП 22.13330.2011. Для j II = 8° по табл. 5.5 СП 22.13330.2011 имеем Мг = 0,84; Мq = 4,37; Мс =6,90.

Удельный вес грунта выше подошвы условного фундамента до глубины dw принимаем без учета взвешивающего действия воды gII =17,9 кН/м3, а ниже УПВ, т.е. в пределах глубины d = h2 - dw и ниже подошвы фундамента, принимаем gSb =9,01 кН/м3, h2=1,29 м

Вычисляем условно расчетное сопротивление:

R4усл =(gс13 gс2)/ k{Мг3 kz bусл gSb3 + Мq3 [dwgII1+(h1 - dw) gSb1 + h2gSb2] +Мc3 cII3 }=(1,25x1)/1 {0,84x1x1x9,01+4,37 [0,75x18,3+(4,68-0,75) х9,3+1,29х8,75]+6,9x26}= 290 кПа.

Заключение

В целом площадка пригодна для возведения здания. Рельеф площадки спокойный с уклоном в сторону скважин 2,3 и 4. Грунты имеют слоистое напластование, с выдержанным залеганием пластов. Все грунты имеют достаточную прочность, невысокую сжимаемость и могут быть использованы в качестве оснований в природном состоянии. Грунтовые воды расположены на небольшой глубине, что значительно ухудшает условия устройства фундаментов: при заглублении фундаментов более 0,9 м необходимо водопонижение; возможность открытого водоотлива из котлованов, разработанных в суглинке, должна быть обоснована проверкой устойчивости дна котлована (прорыв грунтовых вод со стороны слоя суглинка); суглинок, залегающий в зоне промерзания, в соответствии с табл. 5.3 СП 22.13330.2011 является пучинистым грунтом, поэтому глубина заложения фундаментов наружных колонн здания должна быть принята не менее расчетной глубины промерзания супеси. При производстве работ в зимнее время необходимо предохранение основания от промерзания.

Целесообразно рассмотреть следующие возможные варианты фундаментов и оснований:

) фундамент мелкого заложения на естественном основании - суглинке;

) фундамент на распределительной песчаной подушке (может быть достигнуто уменьшение размеров подошвы фундаментов и расчетных осадок основания);

) свайный фундамент из забивных висячих свай; несущим слоем для свай может служить суглинок полутвердый (слой 4).

Следует предусмотреть срезку и использование почвенно-растительного слоя при благоустройстве и озеленении застраиваемого участка (п. 4.19 СП 22.13330.2011).

4. Расчет и проектирование варианта фундамента на естественном основании

Проектируется монолитный фундамент мелкого заложения на естественном основании по серии 1.412-2/77 под колонну, расположенную по осям К-5, для исходных данных, приведенных выше.

Определение глубины заложения фундамента

Первый фактор - учет глубины сезонного промерзания грунта. Грунты основания пучинистые, поэтому глубина заложения фундамента d от отметки планировки DL должна быть не менее расчетной глубины промерзания. Для tвн = 5° и грунта основания, представленного суглинком, по 5.5.3, 5.5.4 СП 22.13330.2011:

d ³ df = Kh×dfn = Kh×d0 = 0,9×0,23 = 1,5 м.

Коэффициент Kh = 0,9 принят как уточненный при последующем расчете в соответствии с указаниями примечания к табл. 5.2 СП 22.13330.2011 (расстояние от внешней грани стены до края фундамента af = 1,1 м > 0,5 м).

Второй фактор - учет конструктивных особенностей здания. Для заданных размеров сечения стальной колонны 1000х500 мм и необходимой глубины ее заделки (700 мм), минимальный размер высоты фундамента Hф = lап+0,1=1,2+0,1=1,3 м, где lап - длина анкерующих стержней. Принимаем Hф=1,5 м. Таким образом, по второму фактору требуется d = 1,5 + 0,7-0,15 = 2,05 м. Габариты подколонника 1500х1200 мм.

Третий фактор - инженерно-геологические и гидрогеологические условия площадки. С поверхности на большую глубину залегает слой 2, представленный достаточно прочным тугопластичным суглинком (Rусл = 197 кПа). Подстилающие слои 3 и 4 по сжимаемости и прочности не хуже среднего слоя. В этих условиях, учитывая высокий УПВ, глубину заложения подошвы фундамента целесообразно принять минимальную, однако достаточную из условий промерзания и конструктивных требований.

С учетом всех трех факторов, принимаем глубину заложения от поверхности планировки

(DL) с отметкой 97,7 м d = 2,05 м, Нф = 1,5 м. Абсолютная отметка подошвы фундамента (FL) составляет 95,8 м, что обеспечивает выполнение требования о минимальном заглублении в несущий слой. В самой низкой точке рельефа заглубление в несущий слой 2 от отметки природного рельефа (NL) равной 97.0 м составляет: 97.0 -95.65 = 1.35 м > 0,5 м.

Определение площади подошвы фундамента

Площадь Атр подошвы фундамента определяем по формуле:

Атр = Ncol II / (R2усл - gmt×d) = 1116,1 / (197 - 20×2,05) = 7.15м2,

где gmt = 20 кН / м3 - средний удельный вес материала фундамента и грунта на его уступах.


Выбор фундамента и определение нагрузки на грунт

Принимаем фундамент с размерами подошвы l = 3 м, b = 2.4 м, тогда

А = l × b = 7.2 м2, Нф = 1,5 м, объём бетона Vfun = 0,3*(3*2.4+2,1*1.8)+1,2*1,5*0,6=4.37м3.


Все нагрузки, действующие на фундамент, приводим к центру тяжести подошвы:

Mtot II = 610 + 127.4 × 1,5 = 801.1 кН × м;

Qtot II = Qcol II = 127.4 кН.

Расчетное сопротивление грунта

Уточняем расчетное сопротивление R для принятых размеров фундамента

(b = 2.4 м, l = 3 м, d = 2,05 м):



Давление на грунт под подошвой фундамента

Определяем среднее PII mt, максимальное PII max и минимальное PII min давления на грунт под подошвой фундамента:

 =233.1 кПа;

= 158.9 кПа;

PII mt = 196 кПа

PII min = 158.9 кПа > 0

PII max = 233.1 кПа < 1,2×R = 1,2 × 224.8 = 269.8 кПа;

Т.к. грузоподъемность мостового крана Q = 15 т < 75 т, то отношение  проверять не требуется.

PII mt = 196кПа < R = 224.8 кПа.

Все условия ограничения давлений выполнены.

Расчет осадки методом послойного суммирования

Для расчета осадки фундамента методом послойного суммирования составляем расчетную схему, совмещенную с геологической колонкой по оси фундамента К-5.

Напряжение от собственного веса грунта на уровне подошвы фундамента при планировке срезкой в соответствии с п. 5.6.40 СП 22.13330.2011:


Дополнительное вертикальное давление на основание от внешней нагрузки на уровне подошвы фундамента:

szp 0 = PII mt = 196кПа.

Соотношение сторон подошвы фундамента:

.

Значения коэффициента a устанавливаем по табл. 5.8 СП 22.13330.2011.

Для удобства пользования указанной таблицей из условия:


Принимаем элементарную толщину слоя грунта hi=0,2b=0,2*2,4=0,48 м.

На глубине z от подошвы фундамента

szg=aszg,0

Вертикальное напряжение от собственного веса грунта на отметке подошвы фундамента (a=1)

szg,0=szg,0.

Дальнейшие вычисления сводим в таблицу 8.

Определение осадки

zi, м

zi + d, мaszp = a×Pmt, кПа

szg = szg,0 + + gsb,i × ziт, кПа

s zg = a×szg,0, кПа

0,5×szg, кПа

Е, кПа




0,00

0,00

2,05

1,000

196

28.34

28,34

14,17

13000

0,48

0,4

2,53

0,972

190,512

32,95

27,55

16,48

13000

0,96

0,8

3,01

0,848

166,208

37,56

24,03

18,78

13000

1,44

1,2

3,49

0,682

133,672

42,16

19,33

21,08

13000

1,92

1,6

3,97

0,532

104,272

46,77

15,08

23,39

13000

2,4

2

4,45

0,414

81,144

51,38

11,73

25,69

13000

2,88

2,4

4,93

0,325

63,7

55,99

9,21

28,00

13000

3,36

2,8

5,41

0,260

50,96

60,60

7,37

30,30

13000

3,84

3,2

5,89

0,210

41,16

65,20

5,95

32,60

13000

4,32

3,6

6,37

0,173

33,908

65,92

4,90

32,96

9000

4,8

4,0

6,85

0,145

28,42

70,1

4,11

35,05

9000

5,28

4,4

7,33

0,123

24,108

74,28

3,49

37,14

9000

5,76

4,8

7,81

0,105

20,58

78,45

2,98

39,23

40000

6,24

5,2

8,29

0.091

17,836

82,63

2,58

41,32

40000

6,72

5.6

8,77

0.079

15,484

99,91

2,24

49,96

40000


Проверка несущей способности подстилающего грунта:

Условие прочности:

sz=(szp-s zg)+szg≤Rz

где ширина условного фундамента

bz=

Az=N/szp=(NcolIImtdlb)/ szp =(1116.1 +18,7∙2,05∙3∙2,4)/196=7,1 м2

а=(l-b)/2=(3-2,4)/2=0,3

bz==2,38 м

Сопротивление подстилающего слоя грунта при условном фундаменте с шириной bz

R3усл =(gс12 gс2)/ k{Мг2 kz bz gSb2 + Мq [dwgII1+(hI - dw) gSb1] +Мc2 cII2 }=(1,1x1)/1 {0,43x1x2,38x18,84+2,73 [0,9x9,9 +(2-0,9) x9,9]+5,31x22}= 209,2 кПа.

sz=(szp-s zg)+szg=196-28,34+28,34=196<209,2 кПа

На глубине Hc=4,42 м от подошвы фундамента выполняется условие СП 22.13330.2011 п. 5.6.41 ограничения глубины сжимаемой толщи основания (ГСТ):

szp= 32,38 кПа » 0,5×szg = 33,38 кПа,

поэтому послойное суммирование деформаций основания производим в пределах от подошвы фундамента до ГСТ.

Осадку основания определяем по формуле:

=0,128 м=12,8 см.

Условие S = 12,8 см < Su = 15,0 см выполняется (значение Su = 15,0 см принято по таблице прил. Д СП 22.13330.2011).

Рис. 3 Расчетная схема распределения напряжений в основании фундамента на естественном основании по оси К-5

5. Расчет и проектирование варианта фундамента на искусственном основании, в виде песчаной распределительной подушки

Глубина заложения фундамента

Аналогично фундаменту на естественном основании назначаем глубину заложения фундамента d = 2,05 м. Принимаем для устройства подушки песок среднезернистый, плотный, имеющий проектные характеристики: E = 45 МПа; е = 0,50; gn II = 20,2 кН / м3; gn,sb = 10,7 кН/м3.

Определение требуемой площади подошвы фундамента

Для определения площади А тр подошвы фундамента принимаем расчетное сопротивление R0 = 500 кПа, материала песчаной подушки, среднезернистого песка.

Тогда


Выбор фундамента и определение нагрузки на грунт

В соответствии с требуемой величиной площади подошвы Атр = 2,0 м2 и высотой фундамента Нф = 1,5 м, подбираем фундамент, размеры подошвы которого l = 3.6 м, b = 3 м, А = 4.32 м2, Нф = 1,5 м; объем бетона Vfun = 0,3*2,4*1.8+1,2*1,5*0,9=2.92 м3.

Все нагрузки, действующие на фундамент, приводим к центру тяжести подошвы:

Mtot II = 610 + 127.4 × 1,5= 801.1 кН×м;

Qtot II = Qcol II = 127.4 кН.

Расчетное сопротивление грунта

Уточняем расчетное сопротивление R песка подушки для принятых размеров фундамента (b = 1.8 м; l = 2.4 м; d = 2,05 м):= 500×(1 + 0,125 × (3 - 1)/1)+0,25×18,84 (2,05-2) = 742.75 кПа.

Давление на подушку под подошвой фундамента

Определяем среднее PII mt, максимальное PII max и минимальное PII min давления на распределительную песчаную подушку фундамента:

 = 267.9 кПа;

 = 20.7 кПа;

PII max = 267.9кПа < 1,2×R = 1,2×742.75 = 891.3 кПа;

PII min = 20.7 кПа > 0;

 кПа < R = 742.75 кПа.

Все требования по ограничению давлений выполнены.

Определение толщины распределительной подушки

Назначаем в первом приближении толщину песчаной подушки hп = 0,5 м. Проверяем выполнение условия

sz=(szp-s zg)+szg≤Rz

для этого определяем при z = hп = 0,5 м:

а) szg = gII×dw + gsb II×(d - dw) + gsb п × z = 18,84 × 0,9 + 9,6 × (2,05 - 0,9) + 10,7 × 0,5 = 33.35 кПа;

б) szp = a×(PII mt) = 0,872 ×667.75 = 582.3 кПа,

a = 0,872 для  и .

s zg= aszg =0,872*33.35=29.08 кПа

в)  м2; ; м;  м;

sz=(szg-s zg)+szp = 33.35-29.08 + 582.3 = 586.57 < Rz = 681.75 кПа.

Условие проверки выполняется.

Расчет осадки методом послойного суммирования

Для расчета осадки фундамента методом послойного суммирования составляем расчетную схему, совмещенную с геологической колонкой по оси фундамента А-5.

Напряжение от собственного веса грунта на уровне подошвы фундамента при планировке срезкой в соответствии с п. 5.6.40 СП 22.13330.2011:


Дополнительное вертикальное давление на основание от внешней нагрузки на уровне подошвы фундамента:

szp 0 = PII mt = 667.75 кПа.

Соотношение сторон подошвы фундамента:

.

Значения коэффициента a устанавливаем по 5.8 СП 22.13330.2011.

Для удобства пользования указанной таблицей из условия:


принимаем толщину элемента слоя грунта hi = 0,25 × b = 0,25 × 1.8 = 0,35 м.

Дальнейшие вычисления сводим в таблицу.

Определение осадки

zi, м           zi + d, мaszp = a×Pmt,

кПаszg = szg,0 +

+ gsb,i × ziт,

кПаs zg = a×szg,0,

кПа0,5×szg,

кПаЕ,

кПа








 

0

0,00

2,05

1,000

667,75

28

28

14

45000

0,35

0,39

2,4

0,974

650,22

31,745

27,265

15,8725

45000

0,7

0,78

2,75

0,873

582,61

34,72

24,43

17,36

13000

1,05

1,17

3,1

0,733

489,54

38,08

20,5275

19,04

13000

1,40

1,56

3,45

0,593

395,98

41,44

16,604

20,72

13000

1,75

1,94

3,8

0,473

315,93

44,8

13,2475

22,4

13000

2,1

2,33

4,15

0,378

252,58

48,16

10,591

24,08

13000

2,45

2,72

4,5

0,305

203,75

51,52

8,5435

25,76

13000

2,8

3,11

4,85

0,165

110,18

54,88

4,62

27,44

13000

3,15

3,50

5,2

0,170

113,77

58,24

4,7705

29,12

13000

3,5

3,89

5,55

0,146

97,32

61,60

4,081

30,80

13000

3,85

4,28

5,9

0,125

83,64

62,50

3,507

30,75

13000

4,2

4,67

6,25

0,109

72,45

64,54

3,038

32,27

9000

5,06

6,6

0,095

63,52

67,59

2,6635

33,79

9000

4,9

5,44

6,95

0,084

56,09

70,63

2,352

35,32

9000

5,25

5,83

7,3

0,074

49,41

73,68

2,07

36,84

9000

5,6

6,22

7,65

0,075

50,08

76,72

2,10

38,36

9000

5,95

6,61

8

0,059

39,31

79,77

1,65

39,88

9000


На глубине Hc=5,95 м от подошвы фундамента выполняется условие СП 22.13330.2011 п. 5.6.41 ограничения глубины сжимаемой толщи основания (ГСТ):

szp= 39,31 кПа » 0,5×szg = 39,88 кПа,

поэтому послойное суммирование деформаций основания производим в пределах от подошвы фундамента до ГСТ.

Осадку основания определяем по формуле:

= 0,0816 м = 4,16 см.

Условие S = 8,16 см < Su = 15,0 см выполняется (значение Su = 15,0 см принято по таблице прил. Д СП 22.13330.2011).

Рис. 4 Расчетная схема распределения напряжений в основании фундамента на распределительной подушке по оси К-5

6. Расчет и проектирование свайного фундамента

 

Рассмотрим вариант свайного фундамента из забивных свай сечением 300x300 мм, погружаемых дизельным молотом.

Глубина заложения подошвы ростверка

Назначаем глубину заложения подошвы ростверка:

Расчетная глубина промерзания грунта от поверхности планировки DL равна df = 1,5 м.

По конструктивным требованиям, также как и для фундамента на естественном основании верх ростверка должен быть на отметке - 0,700, размеры подколонника в плане lcf x bcf = 1500 x 1200 мм, высота подколонника не менее dp = 1500 мм. Минимальная высота ростверка должна быть

r ³ dp + 100 = 1600 мм = 1,6 м.

Для дальнейших расчетов принимаем большее из двух значений (1,5 и 1,6 м), т.е. hr = 1,6 м (кратно 150 мм), что соответствует глубине заложения - 2,05 м (абс. отм. 97.100).

Необходимая длина свай

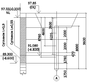
В качестве несущего слоя висячей сваи принимаем суглинок полутвердый (слой 4), тогда необходимая длина сваи должна быть не менее: lсв = h1 + h2 + h3 = 0,05 + 5,7 + 1 = 5,85 м;

Принимаем типовую железобетонную сваю С-80.30-6 (ГОСТ 19804.1-79*) квадратного сечения 300 х 300 мм, длиной L = 8 м. Класс бетона сваи В15. Арматура из стали класса А-I 4 Æ12, объем бетона 0,64 м3, масса сваи 1,6 т, толщина защитного слоя ав = 20 мм.

Несущая способность одиночной сваи

Определяем несущую способность одиночной сваи из условия сопротивления грунта основания по формуле (7.8) СП 24.13330.2011:

Fd = gC × (gCR × R × A + U × ågcf × fi × hi).

В соответствии с расчетной схемой сваи устанавливаем из табл. 7.2 СП 24.13330.2011 для суглинка при z = 10,07 м расчетное сопротивление R = 3700 кПа. Для определения fi расчленяем каждый однородный пласт грунта (инженерно-геологический элемент) на слои Li £ 2 м и устанавливаем среднюю глубину расположения zi каждого слоя, считая от уровня природного рельефа. Затем по табл. 7.3 СП 24.13330.2011, используя в необходимых случаях интерполяцию, устанавливаем:

для суглинка при JL = 0,55 и z1 = 2,6 м Þ f1 = 16 кПа;

для суглинка при JL = 0,55 и z2 = 4,6 м Þ f2 = 19,9 кПа;

для суглинка при JL = 0,55 и z3 = 6,235 м Þ f3 = 21,62 кПа;

для суглинка при JL = 0,9 и z4 = 8,760 м Þ f4 = 7 кПа.

для песка среднезернистого z4 = 10,235 м Þ f5 = 65,33 кПа.

Площадь опирания сваи на грунт А = 0,3 х 0,3 = 0,09 м2, периметр U = 0,3 × 4 = 1,2 м. Для сваи сплошного сечения, погружаемой забивкой дизельным молотом, по табл. 7.4 СП 24.13330.2011 gCR = gCf =1, gС = 1. Тогда:

Fd =1×[1×3700×0,09 + 1,2×1×(16*2 + 19,9*2 + 21,62*0,47+ 7*1,78+65,33*1,17)] =538,03 кН.

Рис. 5 Расчетная схема к определению несущей способности сваи по грунту

Требуемое число свай

Определяем требуемое число свай в фундаменте в первом приближении

при Ncol I = 1339,3 кН:


Принимаем n = 6.

Похожие работы на - Расчет и проектирование оснований и фундаментов промышленных зданий

 

Не нашли материал для своей работы?
Поможем написать уникальную работу
Без плагиата!
Без нейросетей!