Проект фундаментов для двухпролетного одноэтажного промышленного здания II класса ответственности

  • Вид работы:
    Курсовая работа (т)
  • Предмет:
    Строительство
  • Язык:
    Русский
    ,
    Формат файла:
    MS Word
    1,07 Мб
  • Опубликовано:
    2013-01-12
Вы можете узнать стоимость помощи в написании студенческой работы.
Помощь в написании работы, которую точно примут!

Проект фундаментов для двухпролетного одноэтажного промышленного здания II класса ответственности

1. Задание на проектирование

Необходимо запроектировать фундаменты для двухпролетного одноэтажного промышленного здания II класса ответственности, в котором технологическое оборудование и заглубленные помещения не оказывают влияния на расположение фундаментов. Нагрузки на полы цеха вблизи колонн крайнего ряда отсутствуют. Режим работы кранов 7, круглосуточный.

Проектируемое промышленное здание должно иметь железобетонный каркас. Поэтому по прил.4 СНиП 2.02.01-83* предельная осадка такого здания Su = 8 см, предельный крен не нормируется.

.1 Важнейшие требования к проектированию фундаментов

При проектировании необходимо обеспечивать:

· прочность и эксплуатационную надежность фундамента (деформации его конструктивных элементов не должны превышать предельно допустимых величин);

· максимальное использование механических свойств грунтов и материала фундамента;

· устойчивость на опрокидывание и сдвиг в плоскости подошвы;

· соблюдение нормативных величин абсолютных и неравномерных осадок;

· соответствие технико-экономическим требованиям и современным способам производства работ.

2. Анализ местных условий строительства

.1 Расчет физико-механических свойств наслоений грунта

Таблица 2.1 - Физико-механические свойства грунтов на площадке строительства

Наименование свойств

Расчетные уравнения

Наименование слоя грунта




Песок

Сулинок

Глина

1

Удельный вес твердых частиц грунта (γs), кН/м3

γs

26,5

27

27

2

Удельный вес скелета грунта в состоянии естественной влажности (γd), кН/м3

γd = γ:(1+W)

17,20

16,75

16,77

3

Коэффициент пористости (e)

е = (γs d)-1

0,54

0,611

0,610

4

Удельный вес грунта во взвешенном состоянии (γsb), кН/м3

10,71

10,55

10,55

5

Степень влажности (Sr)

0,53

-

-

6

Число пластичности (Jр)

-

0,15

0,21

7

Показатель текучести (JL)

-

0,13

0.0952

8

Условное сопротивление грунта сжатию (R0), МПа

R0

0,15

0,287

0,361


Обозначения:

γ - удельный вес грунта в сухом состоянии;

 - удельный вес воды, равный 10 кН/м3;

W - естественная влажность;

 - влажность на границе текучести;

 - влажность на границе раскатывания.

Расчеты:

)        Песок:

γd = γ/(1+W) = 19,1/(1+0,11) = 17,20 кН/м3 ;

е = (γs d)-1 = (26,5/17,20) - 1 = 0,54;

 = (26,5 - 10)/(1+0,54) = 10,71 кН/м3;

= 26,5•0,11/0,54•10 = 0,53;

Так как Sr = 0,53, то из таблицы "Водосодержание песчаных грунтов по степени влажности" следует,что песок влажный. Следовательно, из таблицы "Условное сопротивление сжатию (Ro) песчаных грунтов" находим: Ro = 0,15 МПа.

)Суглинок

γd = γ/(1+W) = 20,1/(1+0,20) = 16,75 кН/м3 ;

е = (γs d)-1 = (27/16,75) - 1 = 0,611;

 = (27 - 10)/(1+0,611) = 10,55 кН/м3;

 = 0,33 - 0,18 = 0,15;

= (0,20-0,18)/0,15 = 0,13

o для суглинка находим интерполяцией. Ro = 0,287 Мпа.

)Глина

γd = γ/(1+W) = 20,8/(1+0,24) = 16,77 кН/м3 ;

е = (γs d)-1 = (27/16,77) - 1 = 0,61;

 = (27 - 10)/(1+0,61) = 10,55 кН/м3;

 = 0,43 - 0,22 = 0,21;

= (0,24-0,22)/0,21 = 0.0952

Ro для глины находим интерполяцией. Ro = 0,361 Мпа.

В результате расчета величин условного сопротивления сжатию грунтов на площадке строительства, установлено, что их величина превышает 0,15 Мпа. Следовательно, на данном этапе проектирования следует сделать вывод о том, что напластования грунтов данной строительной площадки могут служить в качестве естественного основания для проектируемого промышленного здания.

3. Анализ технологического назначения здания и его конструктивного решения

Анализ технологического назначения здания позволяет установить:

класс ответственности здания и его технологическое назначение;

температурный режим внутри него;

величины нагрузок, действующих на полы, примыкающие к фундаментам;

наличие, расположение и размеры заглубленных помещений и фундаментов под оборудование;

группы режимов работы мостовых и подвесных кранов, их грузоподъемность.

Анализ конструктивной схемы здания позволяет уяснить:

размеры, планово-высотную привязку конструкций здания и вид материалов, из которых проектируется изготовление фундаментов;

схему конструктивных особенностей (гибкая, или жесткая) здания;

конструктивные особенности полов;

чувствительность здания к деформациям основания (в задании на проектирование должны быть указаны величины предельных деформаций, обеспечивающих безопасную эксплуатацию здания);

величину и направление нагрузок, действующих на фундамент на уровне его обреза или уровне планировки поверхности.

Эти сведения содержатся в задании на проектирование объекта. Их обосновывает специалист-технолог соответствующей сферы деятельности или они выбираются из паспортных данных на технологическое оборудование.

Сведения, полученные в разделах 1 и 2, являются исходными данными для проектирования и позволяют назначать расчетные схемы фундаментов, предопределяют методы их устройства, материалы и размеры, а также способы подготовки оснований. Заданным исходным данным могут удовлетворять несколько вариантов фундаментов. Оптимальный вариант, фундаментов выбирается по технико-экономическим показателям.

При выполнении курсового проекта сочетания нагрузок от колонн для расчетов по I и II предельным состояниям приведены табл.1.1 - исходные данные для проектирования. Нагрузки на фундамент определены в его обрезе в невыгодных сочетаниях.

Фундаменты проектируется под типовые колонны среднего и крайнего рядов, размеры которых выбираются из приложения к ГОСТ 25628 в зависимости от заданной высоты здания (hc) и её расположения в пролете (крайний или средний ряд). Отметка пяты колонны - 1,050 м, шаг колонн 6 м.

4. Выбор глубины заложения фундамента

Глубина заложения фундамента (d) - это расстояние от поверхности планировки или пола подвала до подошвы фундамента. Подошва фундамента должна опираться на прочные слои грунта, о6еспечивающие восприятие нагрузки от фундамента и долговременную эксплуатационную надежность здания.

Одним из важнейших факторов, предопределяющих заглубление подошвы фундамента, является глубина сезонного промерзания грунта. Для районов, где глубина промерзания на незастроенной территории не превышает 2,5 м, ее нормативное значение (dfn) определяют по формуле:

 

где Mt - безразмерный коэффициент, численно равный сумме абсолютных значений среднемесячных отрицательных температур за зиму в данном районе, принимаемых по СНиП 2.01.01 "Строительная климатология и геофизика";

d0 - эмпирический коэффициент, величина которого зависит от вида грунта. Для суглинков и глин d0 = 0,23 м; супесей, песков мелких и пылеватых d0 = 0,28 м; песков гравелистых, крупных и средней крупности d0 = 0,30 м; крупнообломочных грунтов d0 = 0,34 м.

Так как подошва нашего фундамента находится в слое сугленков, то выбираем

0 = 0,23 м.

 = 0,23•29,3^0,5 = 1,24м

Далее находим расчетное значение глубины сезонного промерзания грунта (df), которое определяют по формуле:

df = Кh•dfn

где Кh - коэффициент, учитывающий влияние температуры воздуха внутри помещений, примыкающих к наружным фундаментам, учитывающий наличие подвала или технического подполья, а также состав полов. Принимается по СНиП 2.02.01 "Строительная климатология и геофизика".

Находим из таблицы "Коэффициенты Кh для расчета глубины промерзания грунта под зданиями" Кh = 0,7.

df = Кh•dfn =1,24•0,7 = 0,9 м

На глубину заложения подошвы фундамента оказывают влияние следующие особенности проектируемого сооружения:

наличие и размеры подвалов, каналов, тоннелей, фундаментов под оборудование;

глубина прокладки инженерных коммуникаций;

глубина заложения фундаментов, примыкающих сооружений;

конструктивные требования, предъявляемые к высоте фундамента (hf) и т.п.

Высота фундамента (hf) - это расстояние от его обреза до подошвы. Высота фундамента должна быть достаточной для надежного крепления к нему надземных конструкций (например, колонн). При стаканном сопряжении фундамента с железобетонной колонной глубина заделки колонны в фундамент (dc) в том случае, когда колонна имеет сплошное прямоугольное сечение, должна быть не менее величины длинной стороны сечения (lc):

dc ≥ lc

Высота фундамента (hf) из условия надежной заделки колонны в стакан должна быть не менее:

f ≥ dc + hg + 0,05

где hg - расстояние от дна стакана до подошвы фундамента, принимаемое не менее 0,2 м;

,05 - расстояние между торцом колонны и дном стакана, назначаемое для обеспечения рихтовки колонны при монтаже, м.

По ГОСТу 25628-90 " Колонны железобетонные для одноэтажных зданий и предприятий" выбираем колонну 1КК84. Размеры его сечения 400х700.

f ≥ dc + hg + 0,05 = 0,7+0,2+0,05 = 0,95м

Высота фундамента, вычисленная по условию, округляется до ближайшего большего размера, кратного 0,3 м. В промышленных зданиях минимальная высота фундамента стаканного типа не может быть менее 1,5 м. Значит мы принимаем высоту фундамента hf = 1,5 м.

Глубина заложения фундамента d = hf +0,2 = 1,7 м

За отметку ПФ принимаем 122,4 - d = 120,7.

Отметка ГП равна 122,4 - 0,9 = 121,5м

ГП - ПФ = 121,5-120,7= 0,8м

Заключение: поскольку в результате расчета установлено, что между отметкой ГП и отметкой ПФ больше 0,7 м, то ПФ не корректируется.

5. Определение размеров подошвы фундамента

В первом приближении площадь подошвы фундамента (А) определяют по конструктивным соображениям и вычисляют по формуле:

А = NП:(R - γmtd)

где NП - сумма всех вертикальных нагрузок в обрезе фундамента для расчетов по П группе предельных состояний, кН;

R - расчетное значение сопротивления грунта сжатию, кПа;

γmt - среднее значение удельного веса материала фундамента и грунта на его уступах, принимаемое в инженерных расчетах равным 20 кН/м3;

d - глубина заложения фундамента, м.

Значение NП определяют как сумму наибольшей вертикальной нагрузки NПmax из всех заданных сочетаний нагрузок от колонны для расчетов по П группе предельных состояний и дополнительных нагрузок в обрезе фундамента в виде, например, веса фундаментной балки, веса стены и т.д.

Для условий курсового проекта:

NП = NПmax + G

где G1 - вес стены, кН;

1 = H1•b0•n•γ1•kn•γn

где H1 - высота здания(8.4), м; b0 - толщина стены(0.3) м;

n - шаг колонн (n=6), м; γ1 - удельный вес материала стены, кН/м3;

kn - коэффициент проемности (kn=0,70….0,85);

γn - коэффициент надежности по назначению (γn=0,9).

G1 = H1•b0•n•γ1•kn•γn = 8,4•0,3•6•5•0,85•0,9 =57,834 кН

NПmax = N1 +N2 = 292+656= 948 кН

NП = NПmax + G =948+57,834 = 1005,834 кН

А = NП:( R0- γmtd) = 1005,8/(267-20•1,7) = 4,32 м2

Принимаем возможные размеры подошвы фундамента:2,1х2,4м.

Поскольку шаг колонн 6 м, то максимально возможная ширина фундамента стаканного типа не может превышать 3 м. Поэтому можно задать произвольно величину b в диапазоне значений от 0,9 м до 2, 7 м. Расчетное сопротивление грунта основания сжатию для бесподвальных зданий определяют по формуле:

R = [(γС1 γС2):к]•(M g КZ11 + Mqd γ111 + McC11) (5.4)

где γС1 и γС2 - коэффициенты условий работы приведены в табл 5.1 (СНиП 2.02.0I-83*, табл.3);

к - коэффициент, принимаемый: к = 1 - если свойства грунта (С и φ) определены экспериментально; к = 1,1 - если они приняты по таблицам СНиП;

M g , Mq , Mc - коэффициенты, принимаемые по табл. 4 СНиП 2.02.0l-83 в зависимости от угла внутреннего трения φП;

КZ - коэффициент, принимаемый равным:

при b < 10 м КZ =1, при b ≥ 10 м КZ = Z0/b + 0,2 (здесь Z0 = 8 м);

b - ширина подошвы фундамента, м;

γП - осредненное расчетное значение удельного веса грунтов, залегающих ниже подошвы фундамента (при наличии подземных вод определяется с учетом взвешивающего действия воды), кН/м3;

γП1 - то же, залегающих выше подошвы;

CП - расчетное значение удельного сцепления грунта, залегающего непосредственно под подошвой фундамента, кПа;

d - глубина заложения фундамента, м.

Для зданий с гибкой конструктивной схемой значение коэффициента gс2 принимается равным единице.

gс1 = 1,25

gс2 = 1.

к = 1,1 - так как свойства грунта (С и φ) приняты по таблицам СНиП.

M g = 0,47; Mq = 2,89; Mc =5,48

КZ = 1

b = 2,1 м

γП равен отношению сумм произведений толщины слоя грунта на его удельный вес к 3 ширинам фундамента (3b=6,3м).

γП = (0,7•16,75+2.4•16,77+17,20•3,2)/6.3 = 16,98 кН/м3

γП1 = 16,98 кН/м3 так как выше подошвы фундамента находится только слой песка и почвы.

CП = 20 кПа

d = 1,7 м

R = (1,25•1/1,1) •(0,47•1•2.1•16,98+2,89•1,5•16,75+5,48•20) = 226,03 кПа

Первой проверкой найденных размеров подошвы является установление формы эпюры давлений в подошве фундамента (контактных давлений) и сравнение ее с допустимой.

Форма эпюры контактных давлений обусловлена значениями эксцентриситетов, и проверка сводится к выполнению условия:

ξi ≤ ξu (i =1,2,….n)

где ξi - расчетное значение относительных эксцентриситетов для каждого i - го сочетания нагрузок при расчетах по П гр. предельных состояний;

n - число сочетаний нагрузок при расчетах по П группе предельных состояний;

ξu =1/6 - для остальных производственных зданий с мостовыми кранами и открытых крановых эстакад;

Относительный эксцентриситет вертикальной нагрузки в подошве фундамента для каждого сочетания определяется по формуле

ξi = ei/a,

где a - сторона подошвы фундамента (a = l или b), вдоль которой действуют моменты, м;

ei - эксцентриситет вертикальной нагрузки, приложенной к подошве фундамента, определяемый по формуле:

ei = (Σ МПi) / (Σ NПi) (i =1,2…n)

Здесь Σ NПi - сумма всех вертикальных сил, приложенных к подошве фундамента;

Σ MПi - сумма всех моментов, относительно выбранных координатных осей в подошве фундамента.

Для первого сочетания:

Σ N П1 = NП1 +G1+Gf

где Gf - ориентировочный вес фундамента, грунта на его уступах и подготовки под полы, определяемый по формуле:

Gf = b• l • (d +0,15)• γmt•γn

где γn - коэффициент надежности по назначению (γn=0,9);

Σ M П1 = M П1+ Q П1•hf + N П1•O + G1 (bст+ lcт) •0,5

где bст - толщина стены, м; lcт длина стены, равная 1 м.

Эксцентриситет приложения равнодействующей вертикальной нагрузки в подошве фундамента в первом сочетании:

e1 = (Σ M П1)/(Σ N П1)

ξ1 = (e1)/ а

N П1 = N 1 + N2 = 292+656 = 948кН

M П1 = M 1 + M2 = 41 - 48,8 = -7,8кН

Q П1 = Q 1 + Q2 = 19 - 53 = -34кН

Gf = b• l • (d +0,15)• γmt•γn = 2,1•2,4•(1,7+0,15) •20•0,9 = 167,832 кН

Σ N П1 = NП1 +G1+Gf = 948+57,834+167,83 = 1173,66кН

Σ M П1 = M П1+ Q П1•hf + N П1•O + G1 (bст+ lcт) •0,5 = -7,8 - 34•1,5+948•0+57,834•(0,3+1) •0,5 = -21,2079 кНм

e1 = (Σ M П1)/(Σ N П1) = -21,2079/1173,66= - 0,1263м

ξ1 = (e1)/ а = - 0,1263/2,4 = - 0,0526<1/6

Для второго сочетания:

N П2 = N 3 + N4 = 359+566 = 925кН

M П2 = M 3 + M4 = 77 - 59,5 = 17,5кН

Q П2 = Q 3 + Q4 =37 - 64 = -27кН

Σ N П2 = N П2 +G1+Gf = 925+57,834+167,832= 1150,666кН

Σ M П2 = M П2 + Q П2•hf + N П2•O + G1 (bст+ lст) •0,5 = 17,5 - 27•1,5+1150.6•0+57,834•(0,3+1) •0,5 = 14,5921кНм

e2 = (Σ M П2)/(Σ N П2) = 14,59/1150,66 = 0,0126м

ξ2 = (e2)/ а = 0,0126/2,4= 0,005<1/6

В соответствии со СНиП 2.02.01-83* среднее давление под подошвой фундамента (Р) не должно превышать расчетное сопротивление грунта (R), краевое давление при действии изгибающего момента вдоль каждой оси фундамента (Pmax) не должно превышать 1,2 R и в угловой точке (Pсmax) не должно превышать 1,5 R .

При действии момента только в одной плоскости должны выполняться два условия:

Р < R и Pmax ≤ 1,2 R

Давления под подошвой определяют по формулам: среднее

Пi = (ΣNПi ): (b•l)

максимальное и минимальное краевые давления для первого и второго сочетания нагрузок

PПmaxi = P (1+6ξi

PПmini = P (1- 6ξi)

Значения давлений вычисляют для каждого i-гo сочетания нагрузок, принимаемых при расчете по деформациям.

В курсовом проекте используют два сочетания нагрузок и относительные эксцентриситеты (ξi) определяют по формулам и. Для каждого из двух сочетаний проверяются условия, которые имеют следующий вид:

PП1 = (ΣNП1 ): (b•l) = 1173,66/2,1•2,4 =232,87 кПаП2 = (ΣNП2 ): (b•l) = 1150,66/2,1•2,4 =228,306 кПа

PПmax1 = P (1+6ξ1) = 232,87(1+6•0,0526) = 306,36 кПа 

PПmax2 = P (1+6ξ2) = 228,306(1+6•0,005) = 235,155 кПа 

PП1 ≤ R; PПmax1 ≤ 1,2R; PП2 ≤ R; PПmax2 ≤ 1,2R;

Размеры подошвы фундамента считаются подобранными удачно, если хотя бы в одном из условий отклонения составляют: перенапряжение не более 5%, недонапряжение - до 10%.

В условии PП1 ≤ R перенапряжение составляет:

((232,87 - 226,03)/ 226,03)•100% = 3%,

значит размеры подошвы фундамента подобраны удачно.

Принимаем размеры подошвы фундамента 2,1х2,4 м.

6. 
Расчет осадок подошвы фундамента

Подобранные ранее размеры подошвы фундамента должны быть достаточными, чтобы удовлетворялось условие расчета основания по деформациям:

≤ Su

где S - совместная деформация основания и сооружения, определяемая расчетом по приложению 2 СНиП 2.02.01-83* ;

Su - предельное значение совместной деформации основания и сооружения, которое допускается принимать согласно приложению 4 СНиП 2.02.01-83*.

Техника расчета сводится к следующему:

Сжимаемую толщину грунтов, расположенную ниже подошвы фундамента, разбивают на элементарные слои толщиной hi ≤ 0,4b, где b - ширина подошвы фундамента. Границы элементарных слоев должны совпадать с границами слоев грунтов. Глубина разбивки должна быть примерно равна 3b. В нашем случае 3b = 2,1•3 = 6,3м. Слой суглинка под подошвой фундамента составит0,7м Слой глины под подошвой - 2.4м; разделим его на элементарные слои по 0,84м. Над подошвой фундамента слой грунта составляет суглинок, толщина которого 0,9м.

Определяем значения вертикальных напряжений от собственного веса грунта (σzgo) на уровне подошвы фундамента

σzgo = Σγihi

где Σγihi - сумма вертикальных нагрузок, от собственного веса грунта выше подошвы фундамента.

σzgo = 0,9•16,75 = 15,075 кПа

Определяют значения вертикальных напряжений от собственного веса грунта (σzgo) на уровне подошвы фундамента и на границе каждого слоя

,

где  - вертикальное напряжение от собственного веса грунта на уровне подошвы фундамента;

 - удельный вес грунта i - го слоя;

hi - толщина i - го слоя грунта.

σzgo= 0,9•16,75=15,075 кПа

σzg1 = σzgo + 0,7•16,75=26,8 кПа

σzg2 = σzg1 + 0,84•16,75=40,8868 кПа

σzg3 = σzg2 + 0,84•16,75=54,9736 кПа

σzg4 = σzg3 + 0,72•16,75=67,048 кПа

σzg5 = σzg4 + 0,84 •17,2=81,496 кПа

σzg6 = σzg5 + 0,84•17,2=95,944 кПа

σzg7 = σzg6 + 0,84•17,2=110,392 кПа

σzg8 = σzg7 + 0,68•17,2=122,088 кПа

По результатам расчета строится эпюра вертикальных напряжений от собственного веса грунта.

Определяют дополнительное (к природному) вертикальное напряжение в грунте под подошвой фундамента по формуле

.

Среднее давление на грунт от нормативных постоянных нагрузок

P = (NПi )/A

P = (NПi )/A = PП1 = (ΣNП1 ): (b•l) = 1173,66/2,1•2,4 =232,87 кПа

 = 232,87-15,075 = 217,8 кПа

 = 206,07 кПа

 = 176,91 кПа

 = 162,83 кПа

 = 150,75 кПа

 = 136,304 кПа

 = 121,856 кПа

 = 107,408 кПа

 = 95,712 кПа

Значения ординат эпюры распределения дополнительных вертикальных напряжений в грунте вычисляются по формуле

,

где α - коэффициент, принимаемый по табл. 6.1 в зависимости от формы подошвы фундамента, соотношения сторон прямоугольного фундамента  и относительной глубины, равной .

=2,4/2,1 = 1,14

Значения α находят интерполяцией из таблицы.

Таблица 6.1 - Значение коэффициентов "α" для расчета осадки


)=0,4515•217,8 =91,53 кПа

)=0,2829•206,07 =54,03 кПа

)=0,178•176,91 =31,49 кПа

)=0,1213•162,83 =19,75 кПа

)=0,0875•150,75 =13,1908 кПа

)=0,0657•136,304 =8,955 кПа

)=0,0506•121,856 =6,1659 кПа

)=0,0392•107,408 =4,420 кПа

)=0,0332•95,712 =3,177 кПа

Результаты расчета заносят в таблицу и по этим данным  и  строят эпюры соответствующих напряжений.

Таблица. Результаты расчетов при определении осадки фундамента

№ слоя

Z, м

hi, м

Вертикальное напряжение от собственного веса грунта σzgi на границе слоя, кПа

α

Ордината эпюры распределения дополнительных вертикальных напряжений σzpi, кПа

Осадка слоя si, м 0,00668




верхней

нижней




0

1,7

0,9

0

15,08

0,4515

91,53

-

1

2,4

0,7

15,08

26,8

0,2829

54,03

0,0026

2

3,24

0,84

26,8

40,8

0,178

31,49

0,0016

3

4,2

0,84

40,8

54,49

0,1213

19,75

0,00095

4

3,8

0,72

67,05

0,087

13,1908

0,00052

5

4,4

0,84

67,05

81,50

0,0657

8,955

0,00037

6

5,0

0,84

81,50

95,9

0,0506

6,1659

0,00025

7

5,6

0,84

95,9

110,3

0,0392

4,210

0,00017

8

6,2

0,68

110,3

122,088

0,0332

3,177

0,0001


Далее определяют нижнюю границу сжимаемой толщи (В.С.). Она находится на горизонтальной плоскости, где соблюдается условие

 

Границу сжимаемой толщи можно установить графически, построив, справа эпюру . В точке пересечения этой эпюры с эпюрой  получим границу нижнюю границу сжимаемой толщи грунта (В.С).

Нижней границей сжимаемой толщи является слой №4, на отметке 117,6 , т.к. σzg4 =67,048кПа, а σzp4 = 13,41 кПа, 13,41=0,2•67,05.

Осадку каждого слоя основания определяют по формуле

S = (β•σzpi(ср)•hi)/Ei

где β = 0,8 - безразмерный коэффициент для всех видов грунтов;

hi и Ei - соответственно толщина и модуль деформации i - го слоя грунта;

 - среднее дополнительное вертикальное напряжение в i - ом слое грунта, равное полусумме указанных напряжений на верхней и нижней границах слоя, толщиной hi.

1)      S = (β•σzp1(ср)•hi)/Eпесок=(0,8• (91,53+54,03) •0,5•0,7)/18 000= 0,0026м

) S = (β•σzp1(ср)•hi)/Eпесок=(0,8• (54,03+31,49) •0,5•0,84)/18000= 0,0016м

) S = (β•σzp1(ср)•hi)/Eпесок=(0,8• (31,49+19,75) •0,5•0,84)/18000= 0,00095м

) S = (β•σzp1(ср)•hi)/Eпесок=(0,8• (19,75+13,19) •0,5•0,72)/18000= 0,00052м

) S = (β•σzp1(ср)•hi)/Eпесок=(0,8• (13,19+8,955) •0,5•0,84)/20000= 0,00037м

) S = (β•σzp1(ср)•hi)/Eпесок=(0,8• (8,955+6,16) •0,5•0,84)/20000= 0,00025м

) S = (β•σzp1(ср)•hi)/Eпесок=(0,8• (6,16+4,21) •0,5•0,84)/20000= 0,00017м

) S = (β•σzp1(ср)•hi)/Eпесок=(0,8• (4,21+3,177) •0,5•0,68)/20000= 0,0001м

Суммарная осадка составит S = 0,00656м = 0,656см

При выполнении условия S ≤ Su ранее подобранные размеры подошвы фундамента сохраняют. В противном случае их увеличивают или применяют мероприятия по улучшению строительных свойств грунтов или их прорезке.

Su = 8см

Так как суммарная осадка под подошвой фундамента не превышает значение регламентированное в СНиПе (0,00656<0,08), то можно считать, что фундамент запректирован правильно.

7. Расчет прочности конструктивных элементов фундамента

Расчет прочности конструктивных элементов фундамента включает более десяти проверок, в результате удовлетворения которых определяют размеры подколонника и ступеней, класс бетона, класс и количество арматуры.

Для монолитных железобетонных фундаментов следует применять тяжелый бетон классов по прочности на сжатие В 12,5 и В 15, при соответствующем обосновании допускается применение бетона классов В 20 и В 25. Бетон подготовки под подошвой фундамента принимается классов В 3,5... В 10.

Для армирования фундаментов рекомендуется применять горячекатанную арматуру периодического профиля класса (АШ) А400 по ГОСТ 5781-82*. При соответствующем обосновании допускается применение арматуры класса Вр-1 по ГОСТ 6727-80.

.1 Конструирование фундамента

Фундамент включает плитную часть, которая состоит из одной-трех ступеней, и подколонник, в котором формируют стакан для заделки колонны. Все размеры фундамента должны быть кратны 300 мм из условия их изготовления с применением инвентарной щитовой опалубки.

Определим размеры подколонника в плане, используя следующие конструктивные требования. Толщина стенки (dg) армированного стакана должна быть не менее 150 мм и иметь толщину в плоскости действия изгибающего момента:

dg ≥ 0,2lc

,2lc = 0,2*0,7=0,14м

Толщина стенки из плоскости изгибающего момента также должна быть не менее 150 мм. Зазоры между стенками стакана и колонной принимаются 75 мм по верху и 50 мм по низу стакана с каждой стороны колонны.

Принимаем dg = 150 мм

С учетом размеров колонны, толщины стенок стакана и принятых зазоров сторон подколонника в плане buc и luc должны составлять в м:

uc ≥ lc + 2dg + 0,15 uc ≥ bc + 2dg + 0,15

Расчетные размеры buc и luc округляют до размеров, кратных 300 мм (рис.2), и в дальнейшем проверяют расчетом на косое внецентренное сжатие сплошного (в нижней части подколонника) и коробчатого (в стаканной части подколонника) сечений. По результатам этих проверок назначают армирование подколонника.

lc + 2dg + 0,15 = 0,7+2•0,15+0,15 = 1,15м; принимаем luc= 1,2м

bc + 2dg + 0,15= 0,4+2•0,15+0,15 = 0,85м; принимаем buc =0,9м

Для того чтобы соблюдались зазоры между стенками стакана и колоннной 75 мм по верху, пересчитаем толщину стенки dg

dg = (luc - lc - 2•0,075)/2 = 0,175м = 175 мм

Окончательно принимаем dg = 175 мм

Таблица 7.2 - величины коэффициента К для определения выноса нижней ступени фундамента

Примечание: обозначение b1 соответствует buc

В курсовом проекте следует определять количество ступеней и их размеры в следующей последовательности. Вначале полагают, что плитная часть фундамента состоит из одной ступени высотой h1=300 мм. Определяют (h01) рабочую высоту нижней ступени:

01 = h1 - δ

где δ - расстояние от равнодействующей усилий в арматуре до подошвы фундамента, т.е. сумма толщин защитного слоя бетона и половины диаметра рабочей арматуры. При наличии бетонной подготовки под подошвой фундамента толщина защитного слоя равна 35 мм.

h01 = h1 - δ = 300-35 = 265мм

l - b1 = 2,4 - 0,9 = 1,5 > 2* h01 = 0,53 - выбираем последнюю схему фундамента.

Наибольший допускаемый вынос нижней ступени (С1) определяют по формуле:

С1=K•h01  (7.5)

где K - коэффициент, принимаемый по табл.7.2 в зависимости от конфигурации фундамента, класса бетона по прочности на сжатие и наибольшего краевого давления под подошвой. Сначала в расчете можно принять бетон класса В 15.

Краевое давление (P1max) принимаем равным PПmax1 = 306,3 кПа ; выбираем бетон В 15. Следовательно коэффициент К принимаем равным 2,2.

С1=K•h01 = 2,2•265 = 583 мм

C1l = (l - luc):2 = (2,4-1,2)/2 = 600 мм 1b = (b -buc):2= (2,1-0,9)/2 = 600 мм

Если вычисленные значения С1 превышают фактические выносы ступени C1l вдоль стороны l и C1b вдоль стороны b, определяемые расстояниями от грани подошвы фундамента до подколонника (рис.4), то оставляют одну ступень. В том случае, когда вычисленные значения С1 меньше фактических выносов, то устраивают еще одну или две ступени.

Из результатов расчетов можно сделать вывод о том, что необходимо добавить вторую ступень, но только вдоль стороны l.

.2 Расчет фундамента на продавливание колонной дна стакана

Этот расчет производится на действие только от расчетной вертикальной силы N1c, действующей в уровне торца колонны, если удовлетворяется условие , что расстояние от обреза фундамента до поверхности первой ступени (huc) за минусом расстояния до дна стакана (dс) меньше половины разницы между внешними габаритами стакана (luc) и длинной стороной колонны (lc):

huc - dс < 0,5(luc - lc)

Исходя из размеров фундамента, dс принимаем равным 1,0 м. dс =1,2-0,3 = 0,9м

c =0,7м

,2 - 1,0 < 0,5(1,2 - 0,7)

,2 < 0,25 - условие удовлетворяется.

Расчетную продольную силу N1c, действующую в уровне торца колонны, пренебрегая в запас надежности сцеплением колонны с бетоном при замоноличивании стакана, допускается принимать действующей в обрезе фундамента и равной максимальной из всех сочетаний нагрузок для расчета по 1 группе предельных состояний.

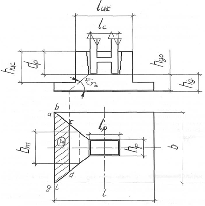
Предполагается, что продавливание происходит по боковой поверхности пирамиды, меньшим основанием которой служит площадь действия продавливающей силы (площадь дна стакана), а боковые грани наклонены под углом 45° к горизонтали (рис.3). Проверка фундамента по прочности на продавливание колонной дна стакана при действии продольной силы N1c производится исходя из условия:

1c < (b•l•Rbt•bm•h0g)/A0

Рисунок 3 - схема к расчету фундамента на продавливание дна стакана колонной

N1c < (b•l•Rbt•bm•h0g)/A0

Где Rbt - расчетное сопротивление бетона осевому растяжению, в соответствии со СНиП 2.03.01-84* как для железобетонных сечений в кПа;

A0 - площадь многоугольника abcdeg в м2, равная:

0 = 0,5b[(l - lp - 2h0g) - 0,25(l - lp - 2h0g)2]

Рисунок 4 - схемы разрезов запроектированного фундамента

bm = bp + h0g

h0g - рабочая высота пирамиды продавливания от дна стакана .до плоскости расположения растянутой арматуры, м;

dp, bp, lp - глубина и размеры по низу меньшей и большей сторон стакана (см. рис.3), м.

Rbt = 1500 кПа , в соответствии с маркой бетона В15

dс = 1,0 м

h0g = hf - dс - δ = 1500 - 1000 - 35 = 465 мм

bp = 900 мм - ширина стакана фундамента.

bm = bp + h0g = 900 + 465 = 1365мм = 1,365 м

A0 = 0,5b[(l - lp - 2h0g) - 0,25(l - lp - 2h0g)2] = 0,5•2,1[(2,4 - 1,2 - 2•0,465) - 0,25(2,4 - 1,2 - 2•0,465)2] = 0,26 м2

Nпрод. =(b•l•Rbt•bm•h0g)/A0 =2,1•2,4•1500•1,365•0,465/0,26 = 18455.85 кН

1c принимаем равным N П1 = N 1 + N2 = 292+656 = 948кН

N1c < Nпрод. - следовательно, толщину дна стакана не нужно изменять; класс прочности бетона В15 подобран правильно

7.3 Определение сечений арматуры в плитной части фундамента

фундамент наслоение грунт подошва

Сечение рабочей арматуры подошвы фундамента (Asl и Asb -соответственно вдоль сторон l и b) определяется из расчета на изгиб консольного вылета плитной части фундамента на действие отпора грунта под подошвой от расчетных нагрузок в сечениях по граням колонны, подколонника и ступеней фундамента (рис.5).

Рисунок 5 - расчетные схемы внецентренно нагруженного фундамента

Подбор арматуры рекомендуется вести на всю ширину (длину) фундамента. Площадь сечения рабочей арматуры, расположенной параллельно стороне l (b), в i-том сечении на всю ширину (длину) подошвы фундамента вычисляют в м2 по формуле:

slj = (Mxj): (Rsνjh0j) (7.16)

где Rs - расчетное сопротивление арматуры растяжению, принимаемое по СНиП 2.03.01-84* для класса А400 - Rs = 365 000 кПа;

Mxj - расчетный момент в расчетном сечении j, кНм;

h0j - рабочая высота рассматриваемого сечения, м;

νj - коэффициент, зависящий от расчетного момента, расчетного сопротивления бетона на сжатие, размера (ширины) сжатой зоны в рассматриваемом сечении, рабочей высоты. Это значение допускается принимать равным νj = 0,9.

В зависимости от вида эпюры контактных давлений грунта от расчетных нагрузок для I предельного состояния изгибающие моменты в j-том сечении на расстоянии Cj от наиболее нагруженного края фундамента при действии внешних моментов ΣM1i только вдоль одной стороны (вдоль длины подошвы l ) вычисляют по формуле:

M1j ={(ΣN1i)•(Cj)2•[1 +(6 e1i : l ) - 4 e1iCj]}:2l

 - номер невыгодного сочетания нагрузок, принятый в п. 7.1;

j - номер рассматриваемого сечения (рис.5).

Cj - расстояние от боковой поверхности фундамента до рассматриваемого сечения, м.

Невыгодное сочетание нагрузок N П1 - первое сочетание. ΣNП1=1173,66кН, e1 = -0,1263м

В нашем случае рассмотрим сечение первой ступени. За расстояние C1 примем расстояние между серединой сечения фундамента и началом выступа первой ступени, вдоль стороны l.

1 = (2,4/2) - 0,3 = 0,9м

M11 ={(ΣN11)•(C1)2•[1 +(6 e11 : l ) - 4 e1C1]}:2l = {(1173,66)•(0,9)2•[1 +(-6•0,1263:2,4 ) - 4(-0,1263•0,9]}:(2•2,4) = 135,42 кНм

h01=0,265 м - рабочая высота нижней ступени.

Вычисляем площадь сечения всей арматуры для стороны b:

sb = (M11):(Rs•0,9•h01) = 135,42/(365000•0,9•0,265) = 0,0015 м2 = 15 см2

Шаг рабочих стержней принимается равным 200 мм;

Определяем количество рабочей арматуры по стороне b:

арм.b. = (2,1 - 0,04)/0,2 +1 = 11,3шт - принимаем 11 шт

Определяем площадь сечения одной арматуры:

sb1= 15/11 = 1,36 см2

R=(1,36/3,14)1/2= 0,65 см

D=0,65•2 = 1,31 см

Принимаем D = 22 мм, но так как это значение больше 20 мм, то это нецелесообразно. Значит принимаем сетку скрепленную во взаимо -перпендикулярных направлениях.

Для этого определяем количество рабочей арматуры по стороне l:

арм.l. = (2,4 - 0,04)/0,2 +1 = 12,8шт - принимаем 13 шт

Принимаем к этим 13 стержням D =10 мм, R = 5 мм = 0,5 см

Площадь одной арматуры по стороне l составит:

sl1= (0,5)2•3,14= 0,79 см2

Asl=0,79•13 = 10,27 см2

Определяем площадь сечения всей арматуры для стороны b:

sb= 15 - 10,27 = 4,73 см2

Определяем площадь сечения одной арматуры для стороны b:

sb1= 4,73/11 = 0,43 см2

R=(0,43/3,14)1/2= 0,37 см

D=0,37•2 = 0,74 см = 7,4 мм

Принимаем D =8 мм

По произведенным расчетам можно сделать вывод о том, что для фундамента принимаем сетку скрепленную во взаимоперпендикулярных направлениях (арматура класса А400):

по стороне l принимаем рабочую арматуру сечением

D =10 мм, 13 шт.

по стороне b принимаем рабочую арматуру сечением

D =8 мм, 11 шт.

8. Определение количества материала, необходимого для одного фундамента

.Определяем массу бетона, необходимого на один фундамент.

Для этого сначала определим объем выемки стакана фундамента. Он представляем собой усеченную пирамиду. Воспользуемся формулой для определения объема усеченной пирамиды:

1 - площадь нижней поверхности выемки стакана фундамента;

S2 - площадь верхней поверхности выемки стакана фундамента;

H - глубина стакана, равная 1,0 м.

Стороны нижней и верхней поверхностей выемки стакана фундамента:

1=1,2 - 2•0,175 - 2•0,025 = 0,8 м1=0,9 - 2•0,175 - 2•0,025 = 0,5 м2=1,2 - 2•0,175 = 0,85 м2=0,9 - 2•0,175 = 0,55 м1 = а1•b1=0,4 м2 ; S2 = а2•b2=0,4675 м2

Н = 1,0 м

Подставляя эти значения в формулу объема усеченной пирамиды, получим Vвыемки = 0,433 м3

Окончательным расчетом объема бетона в фундаменте будет:

б = (1,5•2,4•0,3 + 0,3•1,8• 0,9 + 0,9•1,2•0,9) - Vвыемки = 2,1 м3

Плотность бетона - 2200 кг/ м3

Масса бетона для одного фундамента:

б = Vб •2200 = 4620кг

.Определяем массу арматуры, необходимой на один фундамент.

Длина арматуры по стороне b составит 2,1- 0,04 = 2,06 м, по стороне l составит 2,4- 0,04 = 2,36м. Объем арматуры составит:

Для сечения D=10мм:

арм.18 = 3,14•13•(0,9)2 •236 = 7803,15 см3 = 0,0078 м3

Для сечения D=8мм:

арм.10 = 3,14•11• (0,5)2•206 = 1778,81 см3 = 0,00177 м3

Плотность арматуры - 7800 кг/ м3

Масса арматуры D=10мм:

арм.18 = Vарм.18 • 7800 = 60,84 кг

Масса арматуры D=8мм:

арм.10 = Vарм.10 • 7800 = 13,8 кг

.Определим массу бетона, учитывая арматуру:

б.арм. = Vб - Vарм.18 - Vарм.10 = 2,1 - 0,0078 - 0,00177 = 2,0904 м3

mб.арм. = Vб.арм. •2200 = 4606,14 кг

Итого, получим:

б.арм. = Vб.арм. •2200 = 4606,14 кг

mарм.18 = Vарм.18 • 7800 = 60,84 кг

mарм.10 = Vарм.10 • 7800 = 13,8 кг

Масса фундамента составит:

ф = 4606,14 + 60,84 + 13,8 = 4680,78 кг

Общий вывод по курсовому работе: запроектированы фундаменты для двухпролетного одноэтажного промышленного здания II класса ответственности. Высота фундамента hf =1,5 м, глубина заложения d = 1,7 м, за ПФ принята отметка = 120,7, ПФ расположена в слое грунта - суглинок. Размеры подошвы фундамента 2,1х2,4 м. Длина и ширина подколонника 1,2 и 0,9 м соответственно, толщина стенки подколонника dg = 175 мм, глубина стакана подколонника dс = 1,0 м. Для армирования фундамента принимаем сетку скрепленную во взаимоперпендикулярных направлениях (арматура класса А400),расположенную в плитной части фундамента: по стороне l принимаем рабочую арматуру сечением D =10 мм, 13 шт; по стороне b принимаем рабочую арматуру сечением D =8 мм, 11 шт. Масса запроектированного фундамента составляет mф= 4680,78 кг

Литература

. СHиП 2.02.01-83*. Строительные нормы и правила. Основания зданий и сооружений. Минстрой РФ. - М.: Стройиздат, I995. - 48 с.

2. Пособие по проектированию оснований зданий и сооружений (к СНиП 2.02.01-83).- М.: Стройиздат,1986.- 416 с.

З. Справочник проектировщика. Основания, фундаменты и подземные сооружения. Под ред. Е.А. Сорочана и Ю.Г. Трофименкова.-М.: Стройиздат,1965.- 480 с.

. СНиП 2.01.01-82. Строительные нормы и правила. Строительная климатология и геофизика. - М.:Стройиздат, 1983.-136 с.

. СНиП 2.01.07-85. Строительные нормы и правила. Нагрузки и воздействия. - М.: ЦИТП Госстроя CССР, I986.- 36 с.

6. СНиП 2.03,01- 84*. Строительные нормы и правила. Бетонные и железобетонные конструкции. - М.: ЦИТП Госстроя CССР, I985.- 80 с.

7. Пособие по проектированию фундаментов яа естественном основании под колонны зданий и сооружений (к СНиП 2.03.01-84 и СНиП 2.02.01-83). - М.: ЦИТП Госстроя CССР, I989.- 113 с.

. Далматов Б.И. и др. Основания и фундаменты. - М.: Изд-во АСВ; СПбГАСУ, 2002. - 392 с.

. Берлинов М.В. Основания и фундаменты. - М.: ВШ, 1998. - 319 с.

Похожие работы на - Проект фундаментов для двухпролетного одноэтажного промышленного здания II класса ответственности

 

Не нашли материал для своей работы?
Поможем написать уникальную работу
Без плагиата!
Без нейросетей!