Процесс механической обработки детали 'Заглушка'
Задание
. Ознакомиться с чертежом детали
. Разработать технологический
процесс механической обработки детали
. Выбрать многофункциональный станок
с ЧПУ
. Привести описание аппаратных и
программных средства системы управления многофункциональным станком
Дано:
Шероховатость деталей - Ra 6,3.
Материал - сталь 40Х.
Последняя цифра 0
|
Обозначение
|
Размерность
|
Предпоследняя цифра
|
|
|
1
|
2
|
3
|
4
|
5
|
6
|
7
|
8
|
9
|
0
|
|
L
|
мм
|
|
|
|
|
|
76
|
|
|
|
|
|
D
|
мм
|
|
|
|
|
|
80
|
|
|
|
|
|
R
|
мм
|
|
|
|
|
|
38
|
|
|
|
|
|
B
|
мм
|
|
|
|
|
|
6
|
|
|
|
|
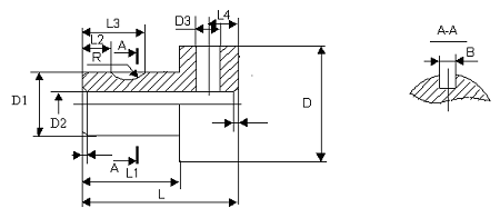
1. Деталь «Заглушка» представляет
собой цилиндрическое тело вращения. Изготовлена из материала сталь 40Х по ГОСТ
4543-71
На наружной
цилиндрическая поверхности
80 мм имеется сквозное
отверстие
10
мм. На наружной поверхности
50 имеется паз R38 мм и
шириной 6 мм. На цилиндрической поверхности имеется сквозное отверстие
10
мм. Шероховатость всех поверхностей Ra=6,3 мкм.
. Технологический маршрут
механической обработки детали с применением многоцелевого станка с ЧПУ
Таблица 1 - Технологический маршрут
механической обработки детали
|
Номер операции и наименование оборудования
|
Содержание операции
|
Эскиз обработки
|
|
1
|
2
|
3
|
|
000 Заготовительная
|
1) Отрезать заготовку, выдерживая размер 182±0,1
|
-
|
|
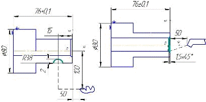
005 Токарная с ЧПУ 1727Ф6
|
Установ А 2) Установить, закрепить, снять деталь 3) Подрезать
торец, выдерживая размер 76±0,1 4) Обточить наружную поверхность, выдерживая
размеры Ø50-0,1; L=46 5) Сверлить сквозное отверстие Ø20+0,2
6) Обточить фаску, выдерживая размер 1,5х45º±4º
7) Фрезеровать шпоночный паз выдерживая размеры R 38; L=10; L=20; Установ Б
1) Установить, закрепить, снять деталь 2) Подрезать торец, выдерживая размер
76±0, 1 3) Обчить фаску, выдерживая р-р 1,5х45º±4º
4) Сверлить отверстие, выдерживая размер, Ø10+0,1,15±0,1
|

|
|
010 Моечная
|
Промыть детали
|
-
|
|
015 Контрольная Контрольный стол Н873.015
|
Контроль размеров и тех. требований по чертежу
|
-
|
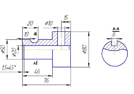
. Расшифровка управляющей программы
механической обработки детали
механическая обработка заглушка
станок
|
№ кадра
|
Кодирование информации
|
Содержание перехода
|
|
N001
|
%
|
|
|
N002
|
G90 G40 G18
|
Система координат абсолютная, компенсация на радиус инструмента
выключена, плоскость интерполяции XZ
|
|
N003
|
М06 Т01
|
|
N004
|
M13 S1000
|
Включить охлаждение и вращение шпинделя по часовой стрелке,
задать скорость вращения шпинделя
|
|
N005
|
G00 X-81 Z00
|
Быстрое перемещение инструмента в точку 1
|
|
N006
|
G01 X+01 Z00 F0.5
|
Включение линейной интерполяции, перемещение в точку 2 с
заданной подачей
|
|
N007
|
G00 X+01 Z+02
|
Быстрое перемещение инструмента в точку 3
|
|
N008
|
X-80 Z+02
|
Быстрое перемещение инструмента в точку 4
|
|
N009
|
G01 G71 X-50 Z-46 F0.5
|
Включение линейной интерполяции, подача мм/об, перемещение в
точку 5 с заданной подачей
|
|
N010
|
X-82 Z-46
|
Быстрое перемещение инструмента в точку 6
|
|
N011
|
G00 X-100 Z+50 M9
|
Быстрый отвод инструмента, отключение охлаждения
|
|
N012
|
М06 Т02
|
Смена инструмента
|
|
N013
|
M08
|
Включить охлаждение
|
|
N014
|
G00 X 00 Z+01
|
Быстрое перемещение инструмента в точку 1
|
|
N015
|
G83 X00 Z -80 Q3 R 2 S800 F0.2
|
Цикл сверления, перемещение в точку 2
|
|
N016
|
G00 X00 Z+50 M9
|
Быстрое перемещение инструмента в точку 3. Выключение
охлаждения.
|
|
N017
|
М06 Т03
|
Смена инструмента
|
|
N018
|
M08
|
Включить охлаждение
|
|
N019
|
G00 X-27 Z-15
|
Быстрое перемещение инструмента
|
|
N020
|
G01 X-23 Z-15 S800 F0.5
|
Включение линейной интерполяции, перемещение в точку 2 с
заданной подачей и частотой вращения фрезы
|
|
N021
|
G00 X-27 Z-15
|
Быстрое перемещение инструмента
|
|
N022
|
G00 X+100 Z+50 M9
|
Быстрое перемещение инструмента в точку 1. Выключение охлаждения
|
|
N023
|
М06 Т04
|
Смена инструмента
|
|
N024
|
М8
|
Включить охлаждение
|
|
N025
|
G00 X0 Z-3
|
Быстрое перемещение инструмента в точку 1
|
|
N026
|
G01 X+5 Z-3 S1000 F0.5
|
Включение линейной интерполяции, подача мм/об, перемещение в
точку 5 с заданной подачей
|
|
N027
|
Быстрый отвод инструмента, отключение охлаждения
|
|
N028
|
М05
|
Останов шпинделя
|
|
N029
|
М11
|
Разжим детали
|
|
N030
|
М10
|
Зажим детали
|
|
N031
|
M13 S1000
|
Включить охлаждение и вращение шпинделя по часовой стрелке,
задать скорость вращения шпинделя
|
|
N032
|
G00 X0 Z-3
|
Быстрое перемещение инструмента в точку
|
|
N033
|
G01 X+5 Z-3 S1000 F0.5
|
Включение линейной интерполяции, подача мм/об, перемещение в
точку 5 с заданной подачей
|
|
N034
|
X0 Z+50 M9
|
Быстрый отвод инструмента, отключение охлаждения
|
|
N035
|
М06 Т05
|
Смена инструмента
|
|
N036
|
М19
|
Останов шпинделя в заданной позиции
|
|
N037
|
M08
|
Включить охлаждение
|
|
N038
|
G00 X-82 Z-15
|
Быстрое перемещение инструмента в точку 1
|
|
N040
|
G831 X0 Z-15 Q3 R2 S800 F0.2
|
Цикл сверления, перемещение в точку 2
|
|
N041
|
G00 X-82 Z-15
|
Быстрое перемещение инструмента в точку 1
|
|
N042
|
X+100 Z+50 M9
|
Быстрый отвод инструмента на безопасное расстояние
|
|
|
N043
|
M05
|
Остановка шпинделя
|
|
|
N044
|
M99
|
Конец программы
|
|
|
|
|
|
|
|
Траектория движения инструмента
Литература
1. Дерябин А.Л. Программирование технологических процессов для
станков с ЧПУ. - М.: Машиностроение, 1983.
. Кузнецов Ю.Н., Маслов А.Р., Байков А.И. Оснастка для станков с
ЧПУ (справочник). - М.: Машиностроение, 1983.
. Косилова А.Г., Мещеряков А.А., Калинин А.И. Точность обработки,
заготовки и припуски в машиностроении: Справочник технолога. - М.:
Машиностроение, 1989.
. Р.И. Гжиров, П.П. Серебреницкий. Программирование обработки на
станках с ЧПУ. - Ленинград: Машиностроение, 1990.