Разработка технологического процесса механической обработки детали 'Стакан'
Министерство
образования и науки Российской Федерации
Федеральное
государственное автономное образовательное учреждение
высшего
профессионального образования
"Национальный
исследовательский ядерный университет "МИФИ"
Димитровградский
инженерно-технологический институт -
филиал
федерального государственного
автономного
образовательного учреждения
высшего
профессионального образования
"Национальный
исследовательский ядерный университет "МИФИ"
(ДИТИ НИЯУ
МИФИ)
Кафедра
Технология машиностроения
Курсовая работа
Разработка
технологического процесса механической обработки детали "Стакан"
Выполнил:
Яхъя К.А. гр. ТМуз-3.1
Руководитель: Сорокина Л.А.
Димитровград,
2015
Техническое задание
Задание 1
. Изучить последовательность составления чертежа отливки и чертеж
модели;
. Получить эскиз детали:
Эскиз детали "Стакан"
. Определить положение отливки в форме, плоскость разъема модели,
серийность. Выбрать материал модели;
. Вычертить чертеж детали с элементами литейной технологии,
показав положение модели в форме, уклоны, галтели, припуски на механическую
обработку, стержневые знаки, стержни; указать линейную гавань.
Задание 2
Деталь - Стакан, материал - сталь 45 ГОСТ 1050-88.
Для детали Стакан выполнить следующее:
. Произвести анализ обрабатываемых поверхностей;
. Выбрать способ обработки поверхностей, тип станка;
. Составить технологический маршрут обработки детали;
. Определить тип и модель станков;
. Выбрать инструмент, приспособление;
. Рассчитать режимы резания.
деталь стакан обработка отливка
Реферат
Яхъя К.А. Разработка технологического процесса механической обработки
детали "Стакан": Курсовая работа / ДИТИ НИЯУ МИФИ, - Димитровград.
2015. - стр., рис., табл., библ. назв.4.
Ключевые слова: заготовка, литье, обработка, подача, припуск, станок,
скорость, частота.
Объект исследования - чертеж детали "Насадка".
Методы исследования - аналитические
Полученные результаты
В курсовой работе был разработан технологический процесс получения литой
заготовки "Стакан", определены припуски на механическую обработку
отливки. Выполнен чертеж отливки с элементами литниковой системы.
Также разработан технологический процесс механической обработки детали
"Стакан", произведен анализ обрабатываемых поверхностей, составлен
технологический маршрут механической обработки детали "Стакан",
рассчитаны режимы резания.
Содержание
Введение
1. Разработка
технологического процесса получения литой заготовки
.1
Определение положения отливки в форме
.2 Определение
припусков на механическую обработку
2.
Проектирование технологического процесса механической обработки детали
"Стакан"
.1 Анализ
обрабатываемых поверхностей
2.2
Маршрутный технологический процесс
2.3 Выбор
оборудования, режущего, мерительного и вспомогательного инструментов
2.4 Расчет
режимов резания
Заключение
Список
используемой литературы
Введение
Совершенствование проектирования технологических процессов изготовления
изделий является одной из главных задач технологии. Основным направлением
развития проектирования технологических процессов в машиностроении в настоящее
время является повышение производительности труда, качество обработки, снижение
затрат на изготовление деталей, Вопрос повышения технического и качественного
уровня технологических процессов является одним из приоритетных в технологии
машиностроении.
Целью данной работы является повышение качества и производительности,
снижение трудоемкости получения заготовок путем разработки прогрессивного
технологического процесса, базирующегося на базе современных достижениях в
области металлургий, машиностроения, станкостроения, инструментального
производства. Точность и качество получения заготовок зависит от качества
изготовления самих заготовок, параметров их установки, режимов резания и
движения формообразования.
Цель курсовой работы - правильное применение теоретических знаний,
полученных в процессе обучения, использование своего практического опыта на
машиностроительных предприятиях для решения профессиональных технологических и
конструкторских задач.
1. Разработка технологического процесса получения литой заготовки
.1 Определение положения отливки в форме
При определении положения отливки в форме будем руководствоваться
следующими правилами:
. Наиболее ответственные рабочие части, места, подлежащие
механической обработке, нужно, по возможности располагать внизу;
. Для отливок, имеющие внутренние полости, образуемые стержнями,
выбранное положение должно обеспечивать надежное крепление стержней;
. Модель должна свободно извлекаться из формы;
. Всю отливку, если позволяет ее конструкция, нужно располагать в
одной полуформе в целях исключении перекосов.
.2 Определение припусков на механическую обработку
Характеристики отливки: литье в песчаные формы; габаритный размер 120 мм;
единичное изготовление; средней сложности.
Для определения величины припуска на механическую обработку необходимо
установить класс точности и ряд припусков для данной отливки. В таблице 4.1, с.
32 [4] по габаритному размер (120 мм), типу сплава (Сталь) и способу литья (в
песчаные формы) находим значение
Учитывая единичное производство и среднюю сложность отливки, выбираем
класс точности 10, ряд припусков - 3.
Номинальный размер D1=250 мм - 4 мм; D2=220 мм - 3,6 мм; D3=150 мм - 3,2
мм; D4=20 мм - 2,0 мм;D5=50 мм - 2,4 мм;Н1=160 мм - 3,6 мм; Н2=35 мм - 2,2 мм;
Н3=50 мм - 2,4 мм. Н4=200 мм - 3,6 мм.
По таблице 4.3, с. 34 [4] выбираем величину припуска на механическую обработку
(ряд припусков 3): для допуска 4 мм - 6мм, для допуска 3,6 мм - 5,5мм, для
допуска - 3,2 мм - 5,0 мм, для допуска 2,0 мм - 3,2 мм; для допуска 2,4 мм -
3,6 мм, для допуска 2,4 мм - 3,6 мм.
На верхней части отливки принимаем величину припуска 3,0 мм. Припуск на
механическую обработку внутренней полости с номинальными размерами D3=80 мм и
допуском 2,8равен 4,5 мм; D4=20 мм с допуском 2,0равен 4,0 мм
Указываем припуски на чертеже детали с элементами литниковой системы.
Рисунок 1.1 - Чертеж детали "Стакан" с элементами литейной
системы
2. Проектирование технологического процесса механической обработки детали
"Стакан"
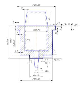
.1 Анализ обрабатываемых поверхностей
А - торец, 100, припуск δ=2,75 мм на сторону, Rz 20;
Б - цилиндрическая, Ø120, припуск δ=2,75 мм на сторону, Ra 6,3;
В - цилиндрическая, Ø100, припуск δ=2,75 мм на сторону, Ra 6,3;
Г - цилиндрическая, Ø40, припуск δ=2,0 мм на сторону, Rа6,3;
Д - торец, 100, припуск δ=2,75 мм на сторону, Rz20;
Е - фаска 1,5×45̊.
Ж - отверстие, Ø20, припуск δ=2,0
мм на сторону, Rа1,6;
З - отверстие, Ø80, припуск δ=2,25
мм на сторону, Rа6,3;
Рисунок 2.1 - Эскиз детали "Стакан"
.2 Маршрутный технологический процесс
Таблица 2.2.1. Технологический маршрут обработки детали
"Стакан"
|
Номер
|
Наименование и содержание
операций
|
Наименование оборудования
|
|
Операций
|
Перехода
|
|
|
|
1
|
2
|
3
|
4
|
|
005
|
|
Токарно-винторезная
|
Токарно-винторезныйстанок
модели16К20
|
|
|
Установ А
|
|
|
1-8
|
Точитьпов.Д в размер 104
предварительно,
|
|
|
|
точить пов. Д в размер
102,75 окончательно,
|
|
|
|
точить пов. Г в размер Ø40 на длину 10 мм,
|
|
|
|
точить пов. Вв размер Ø100 на длину 80 мм,
|
|
|
|
точить пов. Б в размер Ø120 на длину 10 мм
|
|
|
|
Установ Б
|
|
|
1-4
|
Точитьпов.А в размер 101,25
предварительно,
|
|
|
|
точить пов. А в размер 100
окончательно,
|
|
|
|
расточить отв.З в размер Ø78,5 на длину 80
|
|
|
|
мм, расточить отв. З в
размер Ø80
на длину 80
|
|
|
|
мм
|
|
|
010
|
|
Вертикально-сверлильная
|
Вертикально-сверлильный
станок 2Н125
|
|
1-2
|
Сверлить отверстие ЖÆ19,7 на длину 20 мм
|
|
|
|
окончательно, зенковать
фаску Е в размер
|
|
|
|
1,5×45̊.
|
|
|
015
|
|
Внутришлифовальная
|
Внутришли-фовальныйстанок
модели 3К227В
|
|
|
Шлифовать отверстиеЖ, Ø20 на длину 20 мм
|
|
2.3 Выбор оборудования, режущего, мерительного и вспомогательного
инструментов
Операция 005 - токарно-винторезная
Токарно-винторезный станок модели16К20
Резец подрезной отогнутый с пластиной из твердого сплава Т14К8 по ГОСТ
18880-73
Резец подрезной отогнутый с пластиной из твердого сплава Т15К6 по ГОСТ
18880-73
Токарный проходной прямой резец с пластиной из Т14К8 по ГОСТ 18878-73
Расточной резец с углом в плане φ=60° с пластиной из Т14К8 по ГОСТ 18884-73
Расточной державочный упорный резец с углом в плане φ=90°
для прямого крепления с
пластиной из Т14К8 по ГОСТ 9795-73
Патрон токарный 3-х кулачковый ГОСТ 2675-80
Штангенциркуль ШЦ 0-125-0,05 ГОСТ 166-78
Операция 010 - вертикально-сверлильная
Вертикально-сверлильный станок 2Н125
Сверло спиральное ГОСТ 10902-75
Патрон токарный 3-х кулачковый ГОСТ 2675-80
Штангенциркуль ШЦ 0-125-0,05 ГОСТ 166-78
Операция 015 - внутришлифовальная
Внутришлифовальный станок модели 3К227В
Шлифовальная головка прямого профиля D=20.
Патрон токарный 3-х кулачковый ГОСТ 2675-80
Калибр-пробка
.4 Расчет режимов резания
Операция 005-токарно-винторезная
Установ А
переход. Точить торец Д, в размер 104 мм, предварительно.
Выбор режущего инструмента.
а) Резец подрезной отогнутый с пластиной из твердого сплава Т14К8 по ГОСТ
18880-73
б) h=16; b=10; l=3; L=100.
. Определяем элементы режима резания.
Определяем глубину резания t, мм
Определяем подачу
Поправочный коэффициент на оборотную подачу:
- табличное значение подачи;
- коэффициент, учитывающий состояние обрабатываемой
поверхности;
- коэффициент, учитывающий жесткость технологической
системы;
- коэффициент, учитывающий материал инструмента;
- коэффициент, учитывающий форму обрабатываемой поверхности;
- коэффициент, учитывающий материал обрабатываемой
поверхности;
- коэффициент, учитывающий влияние закалки.
- табличное значение подачи [1, табл. 26, с. 237]
Корректируем
по паспорту станка 
Определяем
скорость резания V (м/мин):
[1,
с.242] (2.3)
т
= 251 м/мин - табличное значение скорости [1, табл. 34, 2, с. 242]
[1,с.242]
(2.4)
-
табличное значение скорости резания, м/мин;
-
коэффициент обрабатываемости материала;
-
коэффициент, учитывающий свойства материала инструмента;
-
коэффициент, учитывающий влияние угла в плане;
-
коэффициент, учитывающий вид обработки;
-
коэффициент, учитывающий жесткость технологической системы;
-
коэффициент, учитывающий состояние обрабатываемой поверхности;
-
коэффициент, учитывающий влияние СОЖ.
Коэффициент
берем из [1, табл. 35,с. 242]
Определяем частоту вращения n (об/мин):

Корректируем по паспорту станка nд = 1600 об/мин
Определяем минутную подачу SМ, (мм/мин):
(2.6)
Определяем основное время
переход. Точить торецД, в размер 102,75, окончательно.
Выбор режущего инструмента.
а) Резец подрезной отогнутый с пластиной из твердого сплава Т15К6 по ГОСТ
18880-73
б) h=16; b=10; l=3; L=100
. Определяем элементы режима резания.
Определяем глубину резания t, мм
Определяем подачу
Поправочный коэффициент на оборотную подачу:
- табличное значение подачи

Корректируем
по паспорту станка 
Определяем
скорость резания V (м/мин):
т
= 274 м/мин - табличное значение скорости
Коэффициент
берем из
Определяем частоту вращения n (об/мин):
Корректируем по паспорту станка nд = 1800 об/мин
Определяем минутную подачу SМ, (мм/мин):
Определяем основное время
Установ Б
переход. Точить торецА, в размер 101,25 мм, предварительно.
Выбор режущего инструмента.
а) Резец подрезной отогнутый с пластиной из твердого сплава Т14К8 по ГОСТ
18880-73
б) h=16; b=10; l=3; L=100.
. Определяем элементы режима резания.
Определяем глубину резания t, мм
Определяем подачу
Поправочный коэффициент на оборотную подачу:
- табличное значение подачи

Корректируем
по паспорту станка 
Определяем
скорость резания V (м/мин):
т
= 251 м/мин - табличное значение скорости
Коэффициент
берем из [1, табл. 35,с. 242]
Определяем частоту вращения n (об/мин):
Корректируем по паспорту станка nд = 600 об/мин
Определяем минутную подачу SМ, (мм/мин):
Определяем основное время
переход. Точить торецА, в размер 100, окончательно.
Выбор режущего инструмента.
а) Резец подрезной отогнутый с пластиной из твердого сплава Т15К6 по ГОСТ
18880-73
б) h=16; b=10; l=3; L=100
. Определяем элементы режима резания.
Определяем глубину резания t, мм
Определяем подачу
Поправочный коэффициент на оборотную подачу:
- табличное значение подачи

Корректируем
по паспорту станка 
Определяем
скорость резания V (м/мин):
т = 274 м/мин - табличное значение скорости
Коэффициент берем из
Определяем частоту вращения n (об/мин):
Корректируем по паспорту станка nд = 800 об/мин
Определяем основное время
Операция 010 - вертикально-сверлильная
переход. Сверлить отверстие Ж, выдерживая размер Æ19,7 на длину 20 мм.
Выбор режущего инструмента.
а) Сверло ∅19,7 мм с режущей частью из быстрорежущей стали Р18.
б) ГОСТ 10902-77.
Определяем элементы режима резания.
а) Определяем глубину резания t (мм)
б) Определяем подачу So (мм/об)
- табличное значение подачи на оборот, мм;
- коэффициент, учитывающий глубину сверления;
- коэффициент, учитывающий жесткость технологической
системы;
- коэффициент, учитывающий материал инструмента;
- коэффициент, учитывающий тип обрабатываемого отверстия;
- коэффициент, учитывающий марку обрабатываемого материала.
мм/об
Корректируем по паспорту станка
в) Определяем скорость резания V (м/мин)
т - табличное значение скорости резания, м/мин;
- коэффициент, учитывающий марку обрабатываемого материала;
- коэффициент, учитывающий материал инструмента;
- коэффициент, учитывающий тип отверстия;
- коэффициент, учитывающий условия обработки;
- коэффициент, учитывающий условия обработки;
- коэффициент, учитывающий длину сверления.
;
г) Определяем частоту вращения n, (об/мин)
Корректируем по паспорту станка nд = 600 об/мин
Определяем минутную подачу SМ, (мм/мин):
Определяем основное время
Операция 015 - внутришлифовальная
переход. Шлифовать отверстие Ж, Ø20h8.
1. Выбор режущего инструмента: шлифовальная головка прямого профиля D=20.
. Определяем элементы режима резания.
Припуск П=0,3 мм
Рассчитаем скорость шлифовальной головки VШГ, м/сек:
где D - диаметр шлифовальной головки, D=20мм;ШГ - число оборотов головки,
nШГ=13000 мин-1;
Определяем нормативную скорость врезания детали:
[1, с. 342]
Найдем число оборотов шпинделя по соответствующей скорости:
Рассчитаем длину рабочего хода LРХ, мм:
где LШ- длина шлифования, LШ = 20 мм.- ширина шлифовальной головки, B =
40 мм
Найдем число двойных ходов шлифовальной головки, nдв.х., дв.ход/мин:
где
продольная подача шлифовальной головки, So, мм/об:
где Sd - подача в долях ширины круга, Sd= 0,3 мм [1, с. 344]


где
- табличное значение подачи,
[1,с.344]
коэффициент, зависящий от обрабатываемого материала и
скорости круга,
коэффициент, зависящий от припуска, точности обработки и
характера отверстия
при предварительном этапе:
при этапе врезания:
Основное технологическое время:
где
припуск на врезание,
припуск на предварительной подаче,
припуск на окончательной подаче,
время выхаживания,
[1,с.345]
Таблица 2.4.1. Технологическая карта обработки детали "Стакан"
|
Эскиз операции
|
Наименование операции и
содержание переходов
|
Оборудование
|
Инструмент
|
|
|
1. ТокарнаяУстанов А 1.1
Точить пов. Д в размер 104 мм 1.2 Точить пов. Д в размер 102,75 мм 1.3 Точить
пов. Г в размер Ø40
на длину 10 мм, 1.4 Точить пов. Вв
размер Ø100
на длину 80 мм, 1.5 Точить пов. Б в
размер Ø120
на длину 10 мм Установ Б 1.8Точить пов.
А в размер 101,25 мм 1.9 Точить пов. А в размер 100 мм 1.10 Расточить отв. З
в размер Ø78,5
на длину 80 мм, 1.11 Расточить отв. З в
размер Ø80
на длину 80 мм
|
Токарно-винто-резный станок
|
Резец подрезной, резец
проходной упорный, резец расточной
|
|
|
2. Вертикально-сверлильная
2.1Сверлить отверстие Ж Æ19,7 на длину 20 мм 2.2
Зенковать фаску Е в размер1,5×45̊.
|
Вертикально-сверли-льный
станок
|
Сверло спиральное, Зенковка
|
|
|
3. Внутришлифовальная
3.1Шлифовать отверстие Ж, Ø20 на
длину 20 мм
|
Внутришлифовальный станок
|
Шлифо-вальная головка
|
Заключение
В ходе работы был разработан технологический процесс получения отливки в
песчано-глинистой форме, определены и рассчитаны припуски на механическую
обработку, разработан чертеж отливки с указанием литниковых элементов.
Также был разработан технологический процесс механической обработки
детали "Стакан", рассчитаны режимы резания, выбрано оборудование и
режущий инструмент согласно ГОСТ, технологические эскизы.
Список используемой литературы
1.
Барановский Ю.В. Режимы резания металлов [Текст]: Справочник / Ю.В.
Барановский, Л.И. Брахман, А.И. Гладевич. - М.: НИИТавтопром, 2001. - 456с.
.
Прогрессивные режущие инструменты и режимы резания металлов [Текст]: Справочник
/ Баранчиков В.И. Жаринов А.В. и др. - М.: Машиностроение, 2000. - 400 с.
. Справочник
технолога-машиностроителя [Текст]: в 2-х т. т.2. Изд. 4-е перераб. и доп. / Под
ред. А.Т. Косиловой и О.К. Мещерякова. - М: Машиностроение, 2001. - 496 с., ил.
. Самойлова
Л.Н. Технологические процессы в машиностроении. Лабораторный практикум [Текст]:
Учебное пособие. / Л.Н. Самойлова, Г.Ю. Юрьева, А.В. Гирн. - СПб.: Лань, 2011.
- 160 с., ил.