Аксиально-поршневой двигатель

  • Вид работы:
    Курсовая работа (т)
  • Предмет:
    Другое
  • Язык:
    Русский
    ,
    Формат файла:
    MS Word
    690,57 Кб
  • Опубликовано:
    2013-10-08
Вы можете узнать стоимость помощи в написании студенческой работы.
Помощь в написании работы, которую точно примут!

Аксиально-поршневой двигатель

СОДЕРЖАНИЕ

Введение

.   Техническая часть

2.       Принцип работы двигателя

.        Расчетная часть. Расчет блока цилиндров

Список использованной литературы

ВВЕДЕНИЕ

В 1911 году компания Macomber Rotary Engine Company <#"698161.files/image001.gif">10o углового перемещения ротора относительно нижней мертвой точки поршня, соединены с атмосферой через системы дренажных каналов, выполненных в корпусе, а смещение окон ротора для подачи сжатого воздуха в рабочие камеры цилиндрических полостей выполнено из условия прекращения подачи сжатого воздуха в указанные камеры при угловом перемещении ротора на 50o относительно верхней мертвой точки поршня.

Указанные существенные отличительные признаки двигателя в совокупности с общими известными признаками прототипа позволят повысить кпд преобразования поступательного перемещения поршней во вращательное ротора, снизить уровень шума при работе двигателя, т.к. в конце рабочего хода поршней в рабочие камеры не подается сжатый воздух и они соединены в этот момент через систему дополнительных дренажных каналов с атмосферой. Это же соединение на начальном участке перемещения поршня в исходное положение обеспечит меньшее сопротивление при совершении рабочего хода на момент, когда запоршневая камера становится рабочей и в нее поступает сжатый воздух.

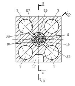
Принципиальная схема данного двигателя представлена на чертежах, где на:

рис. 1 показан продольный разрез двигателя по линии VII-VI рис. 2;

рис. 2 - разрез двигателя по линии I-I рис. 1;

рис. 3 - продольный разрез ротора двигателя по линии II-II рис. 2;

рис. 4 - поперечное сечение ротора двигателя по линии III-III рис. 3;

рис. 5 - поперечное сечение ротора двигателя по линии IV-IV рис. 3:

рис. 6 - поперечное сечение ротора двигателя по линии V-V рис. 3;

рис. 7 - поперечное сечение ротора двигателя по линии VI-VI рис. 3;

рис. 8 - совмещение поперечных сечений ротора двигателя по линиям V-V и VI-VI у прототипа;

рис. 9 - совмещение поперечных сечений ротора двигателя по линиям V-V и VI-VI у заявленного двигателя.

Рис. 1

Рис. 2

Рис. 3

Рис. 4

Рис. 5

Рис. 6

Рис. 7

Рис. 8

Рис. 9

Аксиально-поршневой двигатель содержит корпус 1, в котором на равном расстоянии от оси ротора 2 и параллельно ей выполнены цилиндрические полости 3, в каждой из которых с образованием рабочей 4 и запоршневой 5 камер размещен поршень 6 двухстороннего действия, внутри которого установлены на осях 7 катки 8 с возможностью взаимодействия с волнообразным кулачком 9, закрепленным на роторе 2, в котором выполнены две изолированные друг от друга системы продольных каналов: одна 10 - для подвода сжатого воздуха в рабочие камеры 4 цилиндрических полостей 3, а другая 11 - для его отвода из запоршневых камер 5. Каждая система 10 и 11 соединена с соответствующей зоной подвода 12 и отвода 13 сжатого воздуха. Зоны образованы кольцевыми проточками 14 и 15, выполненными на роторе по обеим сторонам волнообразного кулачка 9 и поверхностью цилиндрической полости 16, в которой размещен ротор 2 двигателя. В корпусе 1 выполнены отверстие 17 для подвода сжатого воздуха и отверстие 18 для отвода отработанного воздуха. Зоны подвода 12 и отвода 13 сжатого воздуха соединены с соответствующим отверстием 17 и 18 корпуса 1, а через окна 19 и 20 - с продольными каналами 10 и 11 систем подвода и отвода воздуха. Поршни 6 имеют вырезы 21. Катки 8 поршней 6 находятся в контакте с направляющими поверхностями 22 волнообразного кулачка 9, волны которого входят в вырезы 21 поршней 6. Для прохода волн кулачка 9 при вращении ротора 2 в корпусе 1 выполнены пазы 23.

Для впуска сжатого воздуха в рабочие камеры 4 в корпусе 1 выполнены окна 24. При обратном ходе поршня 6 окна 24 служат для выпуска отработанного воздуха из камер 4. Для выпуска отработанного воздуха из запоршневой камеры 5 в корпусе 1 выполнены окна 25. При обратном ходе поршня 6 окна 25 служат для впуска сжатого воздуха в камеру 5. Каждый продольный канал 10 и 11 ротора 2 по обеим сторонам от волнообразного кулачка 9 имеет окна 26 для подвода сжатого воздуха через окно 24 корпуса 1 в рабочие камеры 4 и окна 27 для отвода отработанного воздуха из запоршневой камеры 5 через окна 25 корпуса 1. Окна 26 и 27 ротора 2 по обеим сторонам волнообразного кулачка 9 имеют противоположное смещение, т.е. при впуске сжатого воздуха в рабочую камеру 4 цилиндрической полости 3 окно 26 соединено с продольным каналом 10 системы подвода, а запоршневая камера 5 в этот момент соединена с продольным каналом 11 системы отвода отработанного воздуха. В прототипе расположение окон 26 и 27 выполнено таким образом, что происходит синхронно впуск сжатого воздуха в рабочую камеру 4 и выпуск отработанного воздуха из запоршневой камеры 5. В заявленном двигателе указанные окна имеют угловое смещение относительно друг друга, что обеспечивает возможность разновременного открытия и закрытия указанных камер. аксиальный поршневой насос цилиндр

Расчетами, выполненными для трехволнового кулачка 9, определена оптимальная величина углового смещения окон, которая составила 10o.

На конечном участке перемещения поршней 6 при совершении рабочего хода и на начальном - при совершении обратного хода, камеры цилиндрической полости 3 соединены с атмосферой через систему дренажных каналов 28 и 29 корпуса 1. На указанных участках в рабочую камеру 4 уже прекращается подача сжатого воздуха, а отвод отработанного воздуха осуществляется через указанную систему дренажных каналов, минуя основную систему отвода отработанного воздуха двигателя. Указанные перемещения поршня 6 соответствуют величине углового перемещения ротора относительно нижней мертвой точки поршня 10o.

Смещение окон 26 и 27 ротора 2 выполнено из условия прекращения подачи сжатого воздуха в камеры 4 и 5 цилиндрических полостей 3 при угловом повороте ротора на 50o относительно верхней мертвой точки поршня 6.

Продольные каналы 10 системы подвода сжатого воздуха могут быть соединены между собой радиальными каналами 30 в районе окон 19 и 26, а продольные каналы 11 системы отвода отработанного воздуха - радиальными каналами 31 в районе окон 20 и 27.

. ПРИНЦИП РАБОТЫ ДВИГАТЕЛЯ

Аксиально-поршневой двигатель работает следующим образом. Через отверстие 17 (рис.1) сжатый воздух поступает в зону подвода 12, а из нее через окна 19 в продольные каналы 10, по которым поступает через окна 26 и 24 в рабочую камеру 4 цилиндрической полости 3. Под действием сжатого воздуха поршень 6 начинает рабочий ход от верхней мертвой точки влево (по чертежу). Усилие поршня 6 через каток 8 передается на направляющую торцевую поверхность 22 кулачка 9 и, благодаря криволинейности поверхности 22, заставляет кулачок 9, а следовательно, и ротор 2 совершать поворот. Запоршневая камера 5 на начальном этапе обратного хода, соответствующем угловому повороту ротора 2 на 10o, соединена с атмосферой через систему дренажных каналов 28 и 29 и оказывает минимальное сопротивление перемещению поршня 6 под действием усилия, развиваемого в рабочей камере 4. На остальном этапе обратного хода запоршневая камера отсекается от системы дренажных отверстий и выпуск отработанного воздуха из нее осуществляется через систему отвода, т.е. окна 25, 27, продольные каналы 11, окна 20 и отверстия 18. При повороте ротора 2 на 50o происходит закрытие окон 24 и сжатый воздух в рабочую камеру 4 не поступает. Этот момент соответствует положению катка 8 на участке торцевой поверхности 22 кулачка 9 с минимальной крутизной, при которой осевое усилие поршня 6 преобразуется в усилие на вращение ротора с минимальным кпд, а в нижней мертвой точке поршня 6 это преобразование вообще равно нулю. После отсечки сжатого воздуха от рабочей камеры 4 происходит подготовка этой камеры к совершению следующего этапа - холостого хода. Для этого указанная камера через систему дренажных каналов 28 и 29 соединяется с атмосферой и происходит сброс давления в камере. В прототипе сжатый воздух подается в камеру до конца рабочего хода, что не отвечает условию рационального использования энергии сжатого воздуха.

При повороте ротора 2 на угол 60o камеры 4 и 5 меняются местами. Камера 5 становится рабочей, а камера 4 - запоршневой, при этом они соединяются с соответствующими окнами подвода и отвода воздуха. На начальном участке холостого хода поршня 6 запоршневая камера 5 через систему дренажных отверстий 28 и 29 также соединена с атмосферой.

Перемена направления вращения ротора 2 осуществляется путем присоединения подвода сжатого воздуха к отверстию 18 вместо отверстия 17.

Указанные существенные отличительные признаки совместно с существенными признаками прототипа, общими с данным двигателем, обеспечат решение поставленной задачи.

3. РАСЧЕТНАЯ ЧАСТЬ. РАСЧЕТ БЛОКА ЦИЛИНДРОВ

Определяем дезаксиал аксиально-поршневого насоса  по формуле [1]:

, (3.1)

где  - угол наклона оси блока цилиндров относительно оси вала;

,

Диаметр поршня :

, (3.2)

где  - рабочий объем насоса;

z =7 - число поршней;

, - безразмерные коэффициенты (;  - для стали), принимаем,


Полученный результат округляем по ГОСТ 6540-68 до

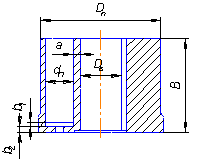
Диаметр разноски отверстий в блоке цилиндров  (рис. 10) [1] по формуле:

 (3.3)


Ход поршня [1]:

 (3.4)


Толщина условной толстостенной трубы a и размера перемычки b [1]:

 (3.5)

 (3.6)


Рис 10. Основные расчетные размеры блока цилиндров

Определение геометрических размеров блока цилиндров (рис. 10):

Наружный диаметр блока цилиндров  [1]:

 (3.7)


Внутренний диаметр расточки в блоке цилиндров [1]:

 (3.8)


Высота блока цилиндров [1]:

, (3.9)

где  - ход поршня;

- ширина технологической проточки;

 - ширина дна блока цилиндров;


Максимальное давление [1]:

 (3.10)


Проверка блока цилиндров прочность [1]:

, (3.11)

где  - напряжения растяжения стенок толстостенной трубы.


Проверка выполнения условия жесткости [1]:

, (3.12)

где  - расчетное значение деформации;

 - модуль упругости материала блока цилиндров, ;

 - коэффициент Пуассона, .


Сравниваем полученные значения  и  со значениями []и [] соответственно. Из [2] принимаем: []=100МПа; []=8мкм.

Рис. 11 Блок цилиндров

СПИСОК ИСПОЛЬЗОВАННОЙ ЛИТЕРАТУРЫ

1. Кутенев В.Ф., ЗленкоМ.А., Тер-Мкртчьян Г.Г. Управление движением поршней - неиспользованный резерв улучшения мощностных и экономических показателей дизеля // Автомобильная промышленность. - 1998 - №11. - с. 25-29.

. Тер-Мкртчьян Г.Г. Двигатели ВАЗ: современный технический уровень и перспективы развития за счет регулирования степени сжатия // Автомобильная промышленность. - 2008. - №10 - с.17-19.

. Зленко И.А., Кутенев В.Ф., Романчев Ю.А. Аксиальные двигатели. Особенности конструкции. // Автомобильная промышленность. - 1993. - №5 - с. 6-9

. Илей Л. Двигатель с переменным рабочим объемом // Автомобильная промышленность США. - №8. - 1986. - с.8.

5. Патент RU20732436C1, МПК F02B75/26 - Аксиально-поршневая машина F02B75/26, авторы Зленко М.А., Кутенев В.Ф., Романчев Ю.А., Бродягин Ю.В.

Похожие работы на - Аксиально-поршневой двигатель

 

Не нашли материал для своей работы?
Поможем написать уникальную работу
Без плагиата!
Без нейросетей!