Расчеты по гидравлике

  • Вид работы:
    Контрольная работа
  • Предмет:
    Физика
  • Язык:
    Русский
    ,
    Формат файла:
    MS Word
    210,37 kb
  • Опубликовано:
    2011-07-08
Вы можете узнать стоимость помощи в написании студенческой работы.
Помощь в написании работы, которую точно примут!

Расчеты по гидравлике















Расчеты по гидравлике

Содержание

Задача 1

Задача 2

Задача 3

Задача 4

Задача 5

Используемая литература

Задача 1

Определите сжимающее усилие малого поршня и силу, которую необходимо приложить к свободному концу рычага гидравлического пресса, если диаметр большого поршня Д=300 мм, диаметр малого поршня d=30 мм, длина рычага до опоры L=1200 мм, расстояние от шарнира до опоры на малый поршень а=120 мм. Сжимающее усилие большого поршня FД = 190 кН.

Рисунок 1. Схема установки

Решение

Силу, которую необходимо приложить к свободному концу рычага гидравлического пресса определим из уравнения моментов относительно шарнира:

Да=FL


На большой поршень передалась сила FД , следовательно, изменение давления под большим поршнем составит:


где Δр - изменение давления, Аб - площадь поперечного сечения поршня.

Согласно закону Паскаля давление в жидкостях распространяется одинаково во всех направлениях, следовательно, сила давления на малый поршень будет равна:


Ответ: F=19 кН, Fм=1,9 кН

Задача 2

Определите напор насоса, если его объемная подача Qv=20л/с воды, показание вакуумметра Рвак=36 кПа, показание манометра Рман=0,4 МПа, расстояние между приборами z=400 мм, диаметры нагнетательного трубопровода dнг=250 мм, всасывающего dвс=300 мм

Рисунок 2. Схема насоса

Решение

Расход воды может быть найден по следующей формуле




Следовательно, напор насоса выведем следующим образом:

Ответ: напор насоса 44,86 м

Задача 3

Приведите схему радиально-поршневого насоса. Поясните устройство, принцип действия и способы изменения подачи насоса.

Рисунок 3. Схема радиально-поршневого насоса

Конструктивная схема радиально-поршневого насоса однократного действия показана на рис. 3. Статор (корпус) 1 эксцентричен относительно ротора 2. Ротор с поршнями (вытеснителями) 3 составляет блок цилиндров. Внутри вращающегося ротора расположены рабочие камеры 4, образованные поверхностями цилиндров и перемещающихся поршней. Оси цилиндров находятся в одной плоскости и пересекаются в одной точке, через которую проходит ось вращения ротора. Распределение жидкости осуществляется неподвижным цапфенным распределителем 5, в котором В - всасывающая и Н - напорная полости. Приводной вал 6 жестко связан с ротором.

При вращении ротора, например, по часовой стрелке, поршни совершают сложное движение - они вращаются вместе с ротором и движутся возвратно-поступательно относительно него. Поршни постоянно находятся в подвижном контакте с внутренней поверхностью статора под действием центробежных сил, сил давления жидкости (при наличии подпитки) или пружин.

Рабочие камеры поочередно соединяются с линиями всасывания и нагнетания с помощью цапфенного распределителя. В течение одной половины оборота происходит всасывание рабочей жидкости, в течение следующей половины оборота - нагнетание рабочей жидкости в напорную гидролинию.

Число поршней в радиальном насосе нечетное, оно равно 5, 7, 9 и реже 11. Это необходимо потому, что при нечетном числе поршней зону перехода от всасывания к нагнетанию одновременно проходит один поршень, а при четном числе - два, что увеличивает неравномерность подачи.

Для увеличения рабочего объема и улучшения равномерности подачи радиально-поршневые насосы делают иногда многорядными. Поршни располагают в цилиндрах в нескольких параллельных плоскостях, которых обычно не более трех.

Так как эксцентриситет определяет ход поршня, то изменяя е, регулируют рабочий объем, а следовательно, и подачу насоса. Если статор можно смещать в обе стороны от оси вращения ротора, то появляется возможность реверса направления потока рабочей жидкости. Роторные радиально-поршневые гидромашины используют главным образом в качестве насосов регулируемой производительности и гидромоторов  с большим крутящим моментом.  На мобильных машинах они применяются редко вследствие больших габаритов и массы, а чаще всего используются в стационарных условиях и там, где габариты и масса не имеют решающего значения. Конструкция распределительного узла ограничивает давление, развиваемое насосом  (до 25 МПа). Полный КПД радиально-поршневых насосов находится в пределах 0,7...0,9.

Недостатками радиально-поршневых гидромашин являются также большой момент инерции ротора, относительная тихоходность из-за больших окружных скоростей головок поршней.

Задача 4

Опишите из каких элементов состоит основное и вспомогательное гидравлическое оборудование машины ЛП-19

Машина ЛП-19 состоит из трех основных частей: ходовой системы, поворотной платформы и стрелы с рабочим оборудованием.

Ходовая система - гусеничная, многоопорная, с балансирной подвеской состоит из сварной рамы, механизмов передвижения, гусеничных лент и натяжных устройств. Привод ходовой системы осуществляется от двух гидромоторов, входящих в состав двух механизмов передвижения. К сварной раме ходовой системы крепится опорно-поворотное устройство, через которое на ходовую систему опирается поворотная платформа.

На полноповоротной платформе размещены силовая установка, привод поворота платформы, трубопроводы и другие элементы гидрооборудования, электрооборудование, а также контргруз и приборы. В левой передней части платформы располагается кабина машиниста с элементами управления машиной. Спереди поворотной платформы устанавливается стрела с рукоятью, на которой смонтировано захватно-срезающее устройство.

Силовая установка, состоящая из дизельного двигателя и приводимого им во вращение сдвоенного аксиально-поршневого насоса, установлена на резиновых амортизаторах в задней части платформы. От насоса через гидрораспределители рабочая жидкость поступает к исполнительным механизмам - гидромоторам и гидроцилиндрам. Последние приводят в действие стрелу, рукоять и захватно-срезающее устройство. Гидромоторы осуществляют привод механизмов вращения поворотной платформы, механизмов передвижения и привод пильной цепи механизма срезания.

Управление гидрораспределителями осуществляется с помощью рычагов и педалей, расположенных в кабине машиниста. Механизмы и агрегаты, расположенные на поворотной платформе, закрыты капотами. Тяги управления и силовая установка защищены снизу стальными листами.

ЛП-19 прекрасно зарекомендовали  себя в работе в любых климатических условиях. Способны заготавливать до 150000 м3 древесины в год. Сменная производительность до 300 м3.

Достоинство машин - ведение разработки лесосеки, не причиняя вреда природе. Разрабатывая полосу шириной 16-20 м, ВПМ ЛП-19 полностью сохраняет подрост и не травмирует из-за низкого давления на грунт.

Благодаря навесным быстросменным узлам, ВПМ ЛП-19 можно использовать на всех этапах заготовки древесины, начиная со строительства дорог до погрузки леса на подвижной состав:

строительство - экскаватор;

сводка мелких деревьев и кустарника;

в зоне ЛЭП и нефте-газо-проводов - кусторез;

обрезка сучьев и резка их на сортаменты - процессор;

погрузка леса в хлыстах и сортиментах - погрузчик.

Основной вариант машины ЛП-19 - это машина, оборудованная гидроманипулятором с захватно-срезающим устройством (ЗСУ), позволяющим спиливать и укладывать в пакеты деревья диаметром до 90 см в месте среза. поршень гидравлический насос

Гидромашина (гидроманипулятор) состоит из качающего узла, установленного в корпусе 7, зафиксированного стопорным кольцом 4 и крышкой 17 с резиновым кольцом 16. Качающий узел состоит из вала 1, опирающегося на подшипники 6 и 8, семи поршней 11 с шатунами 10 и одного шипа 9, установленных в блок цилиндров 13, который по сферической поверхности контактирует с распределителем 14. Со стороны вала 1 гидромашина закрывается крышкой 2, уплотненной резиновым кольцом 5 с манжетой 3.

Рисунок 4. Устройство гидроманипулятора на ЛП-19

При работе вал насоса приводится во вращение от двигателя. Поршни, установленные в блоке цилиндров, вращаются вокруг оси блока и одновременно совершают возвратно-поступательное движение, при этом за одну половину оборота поршень всасывает рабочую жидкость, а за другую - нагнетает ее в гидросистему. Давление на выходе из насоса определяется нагрузкой на рабочий орган и ограничивается предохранительным клапаном гидросистемы. Подача определяется частотой вращения вала насоса и рабочим объемом насоса.

Рабочая жидкость, нагнетаемая из гидросистемы, через отверстие в крышке 17 и через паз распределителя 14 поступает в блок цилиндров 13 и приводит в движение поршни 11. Поршни передают усилие на сферический шарнир 10. Так как оси вала 1 и блока цилиндров 13 находятся под углом, сила в шарнире 10 раскладывается на осевую и тангенциальную составляющие. Осевая нагрузка воспринимается радиально-упорными подшипниками 6 и 8, а тангенциальная создает крутящий момент на валу гидромотора. Величина момента и частота вращения вала гидромотора определяются рабочим объемом гидромотора, давлением и количеством подводимой рабочей жидкости.

Задача 5

Приведите необходимые формулы и поясните, как определяется давление жидкости на плоские вертикальные и горизонтальные поверхности.

Сила давления на плоские вертикальные стенки может быть определена по формуле


где S - площадь смоченной поверхности стенки, м2;

       ρ - плотность жидкости, кг/м3;

      g - ускорение свободного падения - 9,81 м/с2;

      hцт - глубина погружения центра тяжести стенки, м.

При расчете давления жидкости на горизонтальные поверхности, используется площадь горизонтальной поверхности, смоченная водой. При этом, сила давления жидкости на горизонтальную площадку равна силе тяжести столба жидкости над ней, высотой h.

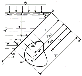
Задача определения результирующей силы гидростатического давления на плоскую фигуру сводится к нахождению величины этой силы и точки ее приложения или центра давления. Представим резервуар, наполненный жидкостью и имеющий наклонную плоскую стенку (рис. 5).

На стенке резервуара наметим некоторую плоскую фигуру любого очертания площадью w. Координатные оси выберем так, как указано на чертеже. Ось ОZ перпендикулярна к плоскости чертежа. В плоскости оуz расположена рассматриваемая фигура, которая проектируется в виде прямой, обозначенной жирной линией, справа показана эта фигура в совмещении с плоскостью оуz.

В соответствии с 1-м свойством гидростатического давления можно утверждать, что во всех точках площади w давление жидкости направлено нормально к стенке. Отсюда заключаем, что сила гидростатического давления, действующая на произвольную плоскую фигуру, также направлена нормально к ее поверхности.

Рис. 5. Давление жидкости на плоскую стенку

Для определения силы давления выделим элементарную (бесконечно малую) площадку dw. Силу давления dP на элементарную площадку определим так:

dP = pdw = (p0 + rgh)dw,

где h - глубина погружения площадки dw.

Так как  h = ysina,  то  dP =pdw = (p0 + rgysina)dw.

Сила давления на всю площадку w:


Первый интеграл представляет собой площадь фигуры w:


Второй интеграл представляет собой статический момент площадки w относительно оси х. Как известно, статический момент фигуры относительно оси х равен произведению площади фигуры w на расстояние от оси х до центра тяжести фигуры, т.е.


Подставляя в уравнение (1.44) значения интегралов, получаем

= pow + rgsinayц.тw

ц.т sina = h ц.т - глубина погружения центра тяжести фигуры.

Используемая литература

1.  Багин Ю.И., Ерахтин Д.Д. Гидроситстемы лесозаготовительных машин. - М.: Лесная промышленность, 1983. - 204 с.

2.  Егорушкин В. Е., Цеплович Б.И. Основы гидравлики и теплотехники. - М.: Машиностроение, 1981. - 204 с.

. Чернов А.В., Бессеребренников Н.К., Силецкий В.С. Основы гидравлики и теплотехники. - М.: Энергия, 1973. - 188 с.

. Черняк О.В., Рыбчинская Г.Б. Основы теплотехники и гидравлики. - М.: Высшая школа, 1979. - 206 с.


Не нашли материал для своей работы?
Поможем написать уникальную работу
Без плагиата!
Без нейросетей!