Расчет радиопередающего устройства
ФГБОУ
ВПО РГУПС
Федеральное
государственное бюджетное образовательное учреждение
высшего
профессионального образования
«Ростовский
государственный университет путей сообщения»
Кафедра
"Связь на железнодорожном транспорте"
КУРСОВОЙ
ПРОЕКТ
Расчет
радиопередающего устройства
Дисциплина.
Телемеханика и связь
Выполнил: студент Прусов
И.Н.
Принял: Богосов Б.А.
Ростов-на-Дону
СОДЕРЖАНИЕ
Введение
. Принцип построения радиопередающего устройства
. Технические характеристики передатчика
. Разработка функциональной схемы передающего устройства
. Параметры транзисторов в генераторном режиме
. Расчет усилителя мощности
. Расчет умножителя частоты
. Расчет амплитудного модулятора
. Расчет фазового модулятора
. Расчет усилителя низкой частоты
. Расчет частотного модулятора
. Расчет кварцевых генераторов
Приложение
ВВЕДЕНИЕ
Радиопередатчик - это устройство,
способное передавать сигналы на различные расстояния с помощью радиоволн. В
этом его отличительная черта от устройств проводной связи. Передатчик вместе с
приемником образуют цепь радиосвязи, и существование их по отдельности теряет
всякий смысл. Передатчик состоит из трех важных блоков:
Генератор или задающий генератор
Осуществляет генерацию
высокочастотных электрических колебаний. В его функцию также входит усиление и
умножение сигнала по мере необходимости.
Модулятор
Выполняет преобразование
высокочастотных колебаний по закону передаваемого сигнала, т. е. модулирует
сигнал.
Антенна
Осуществляет излучение
промодулированного сигнала в пространство.
Некоторые важные параметры
передатчика зависят от механизма распространения радиоволн и расстояния между
приемником и передатчиком. Например, при использовании передатчика малой
мощности, мы не примем сигнал на своем приемнике, расположенного на огромном
расстоянии от передающей станции. Или, при использовании передатчика приличной
мощности, излучающий в пространство волны короткого диапазона, мы также не
примем сигнал на больших расстояниях, вследствие особенности распространения
коротких волн.
Радиопередающие устройства (РПдУ)
применяются в сферах телекоммуникации, телевизионного и радиовещания,
радиолокации, радионавигации. Стремительное развитие микроэлектроники,
аналоговой и цифровой микросхемотехники, микропроцессорной и компьютерной
техники оказывает существенное влияние на развитие радиопередающей техники как
с точки зрения резкого увеличения функциональных возможностей, так и с точки
зрения улучшения ее эксплуатационных показателей. Это достигается за счет
использования новых принципов построения структурных схем передатчиков и
схемотехнической реализации отдельных их узлов, реализующих цифровые способы
формирования, обработки и преобразования колебаний и сигналов, имеющих
различные частоты и уровни мощности.
1. ПРИНЦИП ПОСТРОЕНИЯ РАДИОПРЕДАЮЩЕГО
УСТРОЙСТВА
Передатчики радиостанции с ЧМ
узкополосной модуляцией строятся по ниже приведенной блок-схеме.
Рис. 1
На рис.1 представлена
схема передатчика с косвенной ЧМ модуляцией. В этой схеме модулирующий сигнал
непосредственно не воздействует на частотозадающую систему задающего генератора
(ЗГ), поэтому стабильность средней частоты модулированного сигнала может быть
сколь угодно высокой: в задающем генераторе могут быть применены все известные
методы стабилизации частоты от кварцевых резонаторов до молекулярных стандартов
частоты. При отсутствии интегрирующего усилителя в схеме производится фазовая
модуляция (ФМ). Линейная ФМ обеспечивается в пределах ~
рад.
Для помехоустойчивой ФМ необходимо на выходе передатчика обеспечить индекс
модуляции m=2-3 рад. Поэтому после фазового модулятора применяется умножитель
частоты УЧ. Усилитель мощности доводит мощность передатчика до заданной.
Интегрирующий усилитель, установленный между УНЧ и фазовым модулятором,
превращает фазовую модуляцию в частотную.
Если требуемая мощность
передатчика небольшая, то усиление мощности может быть совмещено с умножением
частоты.
2. РАЗРАБОТКА ФУНКЦИОНАЛЬНОЙ СХЕМЫ
ПЕРЕДАЮЩЕГО УСТРОЙСТВА
.Цель разработки:
определение числа каскадов передатчика
и их типа (усилитель, умножитель, интегратор, автогенератор, вид модулятора);
расчет требуемых характеристик
каскадов (выходной мощности, коэффициента усиления, полос пропускания).
Проектирование функциональной схемы
начинается с выхода. Так как антенна и выходной каскад передатчика не могут
быть идеально согласованы, то от выходного каскада потребуется большая
мощность, чем предусмотренная заданием. Мощность в антенне Ра
связана с мощностью на выходе оконечного каскада Рок следующим
образом:
, (1)
где Г - коэффициент
отражения, равный
;
Rа - входное
сопротивление (выбираем Rа=50) антенны;
- сопротивление
нагрузки оконечного каскада, обеспечивающее получение заданной мощности Рок,
и трансформированное ко входу антенны.
В качестве меры согласования антенны
передатчика задается коэффициент стоячей волны напряжения (КСВН), связанный с
коэффициентом отражения Г формулой:
. (2)
.Задавшись КСВН=1,5), из формулы (2)
находят Г, а затем по формуле (1) находят мощность Рок, которую
должен обеспечивать оконечный каскад передатчика. Упростим формулу получим:
3. РАСЧЕТ УСИЛИТЕЛЯ МОЩНОСТИ
Исходными требованиями для расчета
являются характеристики усилителя мощности - выходная мощность, рабочая полоса
частот, заданное напряжение источника питания Ек, сопротивление
нагрузки.
Расчет усилителя мощности состоит из
двух этапов:
·
энергетический расчет;
·
расчет элементов схемы.
Энергетический расчет включает в
себя определение токов, напряжений, мощностей на входе и выходе усилителя.
Второй этап включает в себя расчет элементов схемы, обеспечивающих требуемый
режим транзистора и согласование усилителя с нагрузкой.
По заданной рабочей частоте и Рок
выбираем транзистор (по справочнику):
Выбираем транзистор 2Т920В, имеющий
следующие технические характеристики:
Выходная мощность на частоте 175мГц
- 20Вт.
Коэффициент усиления по мощности Кр=3.
Статический коэффициент передачи
тока β0=25.
Емкость коллекторного перехода Ск=50
пФ.
Емкость эмиттерного перехода Сэ=410
пФ.
Индуктивности выводов: эмиттерного -
1нГн, коллекторного - 2,4 нГн, базового - 2,4 нГн.
Обратный ток коллектор-эмиттер I0=7,5
mА.
А. Энергетический расчет
1.Задавшись коэффициентом
использования коллекторного напряжения ξm=0,9, найдем
сопротивление нагрузки каскада, обеспечивающее заданную мощность:
(3)
.
.Для усиления мощности
выбираем режим В, по таблицам Берга для θ=90˚
находим α0=0,319, α1=0,5
КПД каскада по коллекторной цепи:
(4)
. Потребляемая каскадом
мощность от источника:
(5)
.
4. Мощность,
рассеиваемая коллектором транзистора:
(6)
‹
=25
Вт.
. Мощность, необходимая
для возбуждения каскада:
(7)
.
. Максимальный импульс
коллекторного тока:
(8)
‹
=7
А.
. ВХОДНОЕ СОПРОТИВЛЕНИЕ
КАСКАДА
, (9)
где rб - сопротивление
тела базы; в зависимости от мощности транзистора rб≈0,1-10 Ом;
ω - рабочая
частота.
Найдем вспомогательные величины,
задавшись rб=1 Ом:
(10)
;
(11)
;
б,
Lэ - индуктивности выводов базы и эмиттера транзистора;
ωт
- предельная частота усиления тока для схемы с ОЭ;
Сэ - емкость перехода
эмиттер - база.
, -(12)
φт=0,026
В - температурный потенциал;0 - тепловой (обратный) ток транзистора;
β0
- коэффициент усиления тока для схемы с ОЭ при ω→0;
Скп - емкость
между выводами базы и коллектора;
Ск - выходная емкость
транзистора.
;
(13)
;
(14)
(15)
;
(16)
;
(17)
.
Входное сопротивление
каскада:
Б. Расчет элементов
схемы
. Расчет элементов
схемы:
а) индуктивность
контура:
(18)
,
где ω=2πƒ,
ƒ - рабочая частота.
С=Ск+См+Сп,
Ск - выходная
емкость транзистора,
См=(3÷10)
пФ - емкость монтажа.
Сп - средняя
емкость подстроечника
где принято См=5пФ,
Сп=5пФ
б) так как Rн‹Rа,
то эквивалентная схема выходной цепи усилителя будет иметь вид рис. 1, где:
нГн.
в) по заданию Ха=0,
оМ
поэтому
пФ,
по ГОСТу выбираем С2=16
пФ.
г) индуктивность
дросселя во входной цепи:
нГн.
Возьмем Lдр=
=586
нГн.
д) задавшись емкостью
фильтра Сф=0,01 мкФ, индуктивность фильтра найдем как:
нГн.
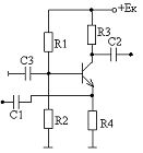
Итак, оконечный каскад имеет схему:
Рис. 5.5
. РАСЧЕТ УМНОЖИТЕЛЯ ЧАСТОТЫ
Исходными требованиями для расчета
являются характеристики умножителя, рассчитанные в разделе 3: выходная
мощность, сопротивление нагрузки, коэффициент умножения, рабочая полоса частот,
напряжение источника питания.
Расчет умножителя частоты так же,
как и усилителя мощности, состоит из двух этапов:
энергетический расчет;
расчет элементов схемы.
А. Энергетический расчет
. Оптимальный угол отсечки:
, (6.1)
где n - коэффициент умножения
частоты.
Для найденного
по
таблицам находим коэффициенты Берга α0,
α1, αn.
. Задавшись
коэффициентом использования коллекторного напряжения ξm=0,7-0,9,
найдем сопротивление нагрузки, обеспечивающее заданную мощность:
,
где под P понимается
мощность на умноженной частоте.
. Выбор транзистора
производится по требуемой мощности и диапазону частот.
В справочниках мощность
транзистора дается для режима А или В. Чтобы выбранный транзистор обеспечивал
требуемую мощность на умноженной частоте, его надо выбирать на мощность:
, (6.2)
где Рв - мощность
транзистора, приведенная в справочниках для режима В;
Р - мощность на выходе умножителя.
Для выбранного транзистора
выписываются из справочника его характеристики.
. КПД каскада по коллекторной цепи:
. (6.3)
. Потребляемая каскадом мощность от
источника питания:
.
6. Мощность,
рассеиваемая коллектором транзистора:
.
. Коэффициент усиления
по мощности в режиме умножения:
, (6.4)
где Кр - коэффициент усиления по
мощности, указанный в справочнике для выбранного транзистора.
. Мощность, необходимая для
возбуждения каскада:
. (6.5)
. Максимальный импульс
коллекторного тока:
(6.6)
. Входное сопротивление каскада
определяется по тем же формулам, что и входное сопротивление усилителя
мощности, при этом ω - рабочая входная частота.
Б. Расчет элементов схемы
. Индуктивность контура:
,
где ω
- умноженная частота;
.
Ск - выходная емкость
транзистора;
См=(3÷10) пФ - емкость монтажа;
Сп - средняя емкость
подстроечника.
2. Если нагрузкой
умножителя служит входное сопротивление следующего каскада, то его Rн›
следующего каскада. Поэтому его входная цепь и цепь связи со следующим каскадом
соответствуют эквивалентной схеме:
Рис. 6.1
где
,
.
. Комплексное
сопротивление нагрузки в коллекторе:
,
где ω
- умноженная частота.
. Сопротивление
индуктивности L1 для умноженной частоты:
.
После этого
индуктивность L1 находится из соотношения:
Проверка выполнения
соотношения:
Если последнее
соотношение соблюдается, то расчет L1 сделан правильно.
. Для расчета L2
и С2 необходимо найти:
.
Величина сопротивления ωL2
или
находится
из равенства:
, если
или
, если
.
Найдя из одного из
равенств ωL2 или
,
находим:
или
.
. Амплитуда напряжения на входе
умножителя:
,
где Zвх -
входное сопротивление умножителя.
. Напряжение постоянного
смещения на базе транзистора:
(6.7)
Для обеспечения
требуемого смещения
необходимо
установить делитель R1-R2 (рис. 6.2), где R2 -
максимальное сопротивление в цепи базы (по справочнику на транзисторы), а R1
подсчитывается по формуле:
.
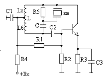
. В результате схема
умножителя будет иметь вид:
Рис. 6.2
Величины Lф,
Сф, Lдр рассчитываются так же, как и при расчете усилителя
мощности, а емкость конденсатора Сф рассчитывается из условия:
где ω
- входная частота умножителя.
. Если умножитель
используется в качестве и оконечного каскада, для которого Rн‹Rа, то выходная
цепь соответствует эквивалентной схеме (рис. 6.3), элементы ее рассчитываются
по формулам, приведенным при расчете усилителя мощности. Реализация этой схемы
имеет вид:
Рис. 6.3
Пример:
Пусть требуется
рассчитать умножитель на n=3 с выходной частотой 60 мГц, мощностью 2 Вт;
сопротивление нагрузки
Ом,
напряжение источника питания Ек=12 В.
. Оптимальный угол
отсечки:
,
для него α0=0,147;
α1=0,28, α3=0,185.
. Задавшись
коэффициентом использования коллекторного напряжения ξm=0,7,
находим сопротивление нагрузки:
Ом.
. Определяем мощность
транзистора в режиме В:
Вт.
Выбираем транзистор
КТ920В, технические характеристики которого приведены выше.
. КПД каскада по
коллекторной цепи:
.
. Потребляемая каскадом
мощность:
Вт.
. Мощность, рассеиваемая
коллектором транзистора:
Вт
Вт.
. Коэффициент усиления
по мощности в режиме умножения:
. Мощность, необходимая
для возбуждения каскада:
Вт.
. Максимальный импульс
коллекторного тока:
А
А.
. Выбрав подстроечник
2/10 (средняя Сп=5 пФ), задавшись емкостью монтажа См=5пФ,
найдем С=60пФ и рассчитаем индуктивность контура:
нг.
. Комплексное
сопротивление нагрузки:
.
. Рассчитаем
индуктивность L1:
Ом,
нГн.
. Проверка выполнения
условия согласования:
Расчет L1
сделан правильно.
. Для расчета L2 или С2
найдем вспомогательную величину:
,
.
Поэтому на выходе
умножителя надо поставить емкость С2, величина которой находится из соотношения
Ом;
откуда С2=298 пФ. По ГОСТу выбираем С2=300 пФ.
. Амплитуда напряжения
на входе умножителя:
В.
. Напряжение постоянного
смещения на базе транзистора:
В.
. Для обеспечения
требуемого угла отсечки устанавливаем делитель напряжения R1-R2.
Для выбранного транзистора R2≤100 Ом. Если Еб=12 В,
то:
Ом.
По ГОСТу выбираем R1=270
Ом.
. Значение Сф
и Lф рассчитаны ранее (см. расчет усилителя мощности). Они равны Сф=0,01
мкФ; Lф=70,4 нГн.
. Значение емкости
:
пФ.
Выбираем ее однотипной с
Сф, т.е. Сф=0,01 мкФ.
. Рассчитываем входное
сопротивление каскада:
;
нГн;
Ом;

;
;

;
нГн;
пФ;

.
. Рассчитываем Lдр:
нГн.
Возьмем Lдр=5,6
мГн.
. РАСЧЕТ АМПЛИТУДНОГО
МОДУЛЯТОРА
Схемы амплитудных
модуляторов
Схемы амплитудных
модуляторов с базовым или эмиттерным смещением при включении транзистора с ОЭ
приведены на рис. 7.1.
Рис. 7.1
Сравнение схем (а) и (б)
показывает следующее:
. Схема базовой
модуляции по звуковой частоте нагружена базовым током, а схема эмиттерной
модуляции - эмиттерным током; поэтому вторая схема для модуляции требует
большей мощности.
. Схема эмиттерной
модуляции обладает лучшей линейностью, чем схема базовой модуляции, в которой
линейность сохраняется до m=0,75-0,8.
. В остальном схемы
одинаковы.
Рис. 7.2
Схемы амплитудных
модуляторов с эмиттерным или базовым смещением при включении транзистора с ОБ
приведены на рис. 7.2.
Процессы в обеих схемах
одинаковы, достоинства и недостатки аналогичны схемам с ОЭ.
Если сравнить схемы с ОЭ
и ОБ, то достоинства и недостатки модуляторов прямо определяются схемой
включения транзистора.
Модуляторы с эмиттерным
или базовым смещением работают в недонапряженном режиме.
Некоторые схемы
коллекторной модуляции приведены на рис. 7.3.
а) б)
Рис. 7.3 а, б
Транзисторы VT1 в этих
схемах работают в перенапряженном режиме, когда в импульсе коллекторного тока
наблюдается провал и резко увеличивается базовый ток.
Схема (а) осуществляет одинарную
коллекторную модуляцию. Недостатки схемы заключаются в следующем:
. Так как первая гармоника тока базы
имеет большую величину, сильно меняющуюся за период модуляции, то это
обуславливает мощный предшествующий каскад, работающий на резко меняющееся за
период модуляции входное сопротивление.
. Необходимость иметь отдельный
мощный источник смещения транзистора VT1, т.к. потребляемым током
является постоянная составляющая тока базы, сильно меняющаяся за период
модуляции.
В схеме (б) двойной коллекторной
модуляции, кроме модуляции на коллектор транзистора VT1, осуществляется
автоматически в такт с модулирующим сигналом, но противофазно основной
модуляции на коллектор, модуляция смещением на базу того же транзистора. Это
производится за счет низкочастотного напряжения, выделяемого на цепочке RбCб.
В этой схеме транзистор VT1 работает
также в перенапряженном режиме. Однако за счет цепочки RбCб
степень напряженности режима снижается, уменьшается амплитуда импульса базового
тока, а вместе с этим уменьшаются первая гармоника и постоянная составляющая
базового тока, что, в свою очередь, значительно ослабляет недостатки,
свойственные схеме одинарной коллекторной модуляции.
Мощность модулятора
,
т.е. она соизмерима с выходной мощностью передатчика; в этом заключается
основной недостаток коллекторной модуляции.
Расчет амплитудного
модулятора базовым или эмиттерным смещением
При модуляции эмиттерным
или базовым смещением происходит изменение напряжения смещения на переходе
эмиттер-база за счет модулирующего сигнала, амплитуда модулируемого сигнала при
этом остается постоянной. Поэтому расчет амплитудных модуляторов эмиттерным или
базовым смещением в основном одинаков (разница заключается в мощности,
потребляемой от источника модулирующего сигнала).
Расчет модулятора
состоит в расчете режима и элементов схемы.
А. Расчет режима
Для расчета должны быть
заданы: выходная мощность Рвых (обычно в режиме несущей волны, т.е.
без модуляции); диапазон частот ƒн-ƒв
или рабочая частота ƒр; максимальная глубина модуляции коллекторного тока m.
Расчет производится в
следующей последовательности:
. Выбирается транзистор.
Для его выбора необходимо: по требуемой выходной мощности Рвых
определить максимальную колебательную мощность транзистора:
, (7.1)
где Кпз=1,05÷1,15 - коэффициент
производственного запаса;
Кф=1÷1,4 - коэффициент формы модуляционной характеристики, учитывающий
изменение мощности на выходе модулятора за счет нелинейности модуляционной
характеристики;
ηк - КПД контура в
коллекторной цепи (ηк=0,8-0,95).
Максимальная частота
работы транзистора
.
По
и
выбирается
транзистор, и выписываются из справочника его характеристики.
Если в справочнике не
указана выходная мощность транзистора, то она может быть оценена по формуле:
,
(7.2)
где Екдоп, Iкдоп
- максимально допустимые напряжение питания и ток транзистора.
. Режим модулятора выбирается по
модуляционной характеристике, которую для выбранного транзистора необходимо
построить. Для построения модуляционной характеристики необходимо выполнить
следующее:
- аппроксимировать
входную характеристику транзистора (для схемы с общим эмиттером - это
,
для схемы с общей базой - это
) выражением:
,
найдя для выбранного
транзистора коэффициенты i0, b0. Первый из них равен
обратному току коллектора транзистора, а второй рассчитывается по формуле:
, (7.3)
где
,
i1 - координаты одной из точек характеристики транзистора в области
Uэб>0;
рассчитать и построить
модуляционную характеристику по уравнению:
, (7.4)
где
-
амплитуда модулируемого напряжения.
Выбор режима модулятора
осуществляется следующим образом:
на характеристике
определяется линейный участок (
,
);
начальное смещение
выбирается
в середине линейного участка;
максимальная амплитуда
модулирующего напряжения определяется как
;
максимальная глубина
модуляции:
, (7.5)
где
-
значения ординат модуляционной характеристики при
и
.
. Постоянная
составляющая тока коллектора:
, (7.6)
где β
- коэффициент передачи тока в схеме с общим эмиттером, определяемый
для рабочей частоты.
. Мощность, рассеиваемая на
коллекторе транзистора:
,(по справочнику),
где Рвых -
выходная мощность в режиме несущей волны (т.е. без модуляции) - см. ниже.
добротность контура:
,
где ƒ0
- рабочая частота;в - верхняя модулирующая частота;
емкость контура:
,
где См - емкость
монтажа;
Свых - выходная емкость
транзистора;
С - постоянная (внешняя) емкость в
контуре;
– индуктивность контура:
;
;
сопротивление контура
при резонансе:
;
выходное напряжение при
отсутствии модуляции:
(7.7)
– коэффициент усиления по
напряжению модулятора:
; (7.8)
– выходная мощность в режиме
несущей волны:
, (7.9)
. Входное сопротивление
модулятора по модулируемому сигналу:
. (7.10)
Б. Расчет элементов
схемы
1. Расчет развязывающего фильтра в
коллекторной цепи производится так же, как и при расчете усилителя мощности или
умножителя.
. Расчет делителя, обеспечивающего
смещение на базе или эмиттере, производится так же, как и в умножителе, если
смещение отрицательное или как в усилителе низкой частоты, если оно
положительное.
. Индуктивность дросселя или
вторичной обмотки трансформатора на входе рассчитывается из неравенства:
.
. Согласование
модулятора со следующим каскадом производится по схеме (рис. 1) при расчете
усилителя мощности, принимая за:
;
;
,
где Zвх - входное
сопротивление следующего каскада.
Пример:
Рассчитать амплитудный модулятор
базовым смещением на выходную мощность Рвых=40 mвт, рабочей частотой
20 мГц.
. Рассчитываем:
mвт.
. По
и
ƒр=20 мГц выбираем транзистор типа КТ312Б со следующими техническими
характеристиками:
максимальная
рассеиваемая мощность - 225 mВт;
статический коэффициент
усиления тока базы при Iк=20mA, Uк=2 В - 50-280;
обратный ток коллектора
- 10 мкА;
модуль коэффициента
передачи тока при Iэ=5mА, Uк=10В, ƒ=20
мГц - 6;
постоянная времени цепи
обратной связи при Iэ=5 mА, Uк=10 В,
ƒ=5
мГц - 500 nc;
емкость коллектора при Uкб=10
В, ƒ=10 мГц - 5 пФ;
емкость эмиттера при Uэб=1
В, ƒ=10 мГц - 20 пФ;
максимальный ток
коллектора - 30 mА;
максимальное напряжение
колектор-эмиттер - 30 В.
. Произведем оценку
мощности, которую может дать транзистор:
Вт
Вт
.
Транзистор обеспечивает
требуемую мощность.
. На входной
характеристике транзистора возьмем точку с координатами Uэб=0,4 В, iб=0,18
mА и определим b0=7,36.
. Задавшись Uω=0,5
В, рассчитаем модуляционную характеристику по формуле (7.4). Затем построим ее
(рис.7.4).
. По модуляционной
характеристике определим режим и параметры модулятора:
линейный участок - (0,3÷0,5)
В;
начальное смещение - 0,4
В;
амплитуда модулирующего
напряжения UΩ=0,1 В;
глубина модуляции:
.
. Постоянная
составляющая тока коллектора:
mА.
. Определим параметры
контура в коллекторе транзистора:
добротность
где принято ƒв=10
кГц.
Так как этим равенством
устанавливается верхний предел добротности, то примем Q=50 как конструктивно
выполнимую;
емкость контура Cк=5+5+611=621
пФ (здесь принято См=5 пФ, Свых=5 пФ - см. справочные
данные транзистора; С=600 пФ››См+Свых).
индуктивность контура:
мкГн;
·
сопротивление контура при резонансе:
Ом.
. Выходное напряжение
при отсутствии модуляции:
В;
коэффициент усиления по
напряжению модулятора
;
·
выходная мощность в режиме несущей волны:
mВт
mВт;
. Входное сопротивление
по модулируемому сигналу:
Ом.
Расчет элементов схемы
производится, как указано выше.
Рис. 7.4
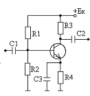
. РАСЧЕТ ФАЗОВОГО
МОДУЛЯТОРА
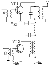
Один из вариантов
фазового модулятора приведен на рис. 8.1.
Рис. 8.1
На транзисторе VT1
выполнен усилитель с резонансным контуром LC3 и цепями,
обеспечивающими линейный режим транзистора (R1, R2, R3,
C2).
Варикап V1
подключен параллельно контуру LС3, так что резонансная частота его:
,
где Св - емкость
варикапа.
Делитель R5R6
обеспечивает начальное смещение варикапа.
Для расчета модулятора
необходимо выбрать транзистор и варикап.
Выбор транзистора
производится по двум критериям:
) Граничная частота ƒВ
транзистора должна быть больше рабочей частоты модулятора;
) Выходная мощность
транзистора должна быть больше заданной (требуемой).
Варикап должен
удовлетворять следующим требованиям:
) Диапазон частот должен
быть больше рабочей частоты модулятора;
) Емкость в рабочей
точке должна удовлетворять неравенству:
,
где Сmax и Cmin
- максимальная и минимальная емкости контура.
Минимальная емкость
контура:
,
где См=5 пФ
емкость монтажа;
Ск - емкость
коллектор-эмиттер транзистора.
Максимальная емкость:
,
где Lmin -
минимальная индуктивность контура, определяющая усилительные свойства
модулятора, т.к.:
,
где
После выбора транзистора
и варикапа производится расчет модулятора, который включает в себя:
расчет режима;
расчет элементов схемы.
. Режим транзистора
выбирается линейным, т.е. рабочая точка должна находиться на линейном участке
характеристики
.
. Для выбранного режима
определяется крутизна транзистора по формуле (см. раздел 4).
. Определяются параметры
контура LC3:
минимальную емкость
контура (включая емкость варикапа) выбираем
, тогда требуемая
емкость варикапа в начальной рабочей точке
;
индуктивность контура
;
добротностью контура
следует задаться в пределах Q=25-100, причем большая величина Q соответствует
низким частотам.
. Производится расчет
модуляционной характеристики:
,
где
;
ω0
- рабочая частота модулятора;
- резонансная частота
контура;
- емкость варикапа.
Расчет производится
следующим образом: задавшись значением
, по характеристике
варикапа определяют ее емкость, соответствующую заданному значению
.
Подставляя значение емкости в выражение для
, находят
значение резонансной
частоты усилителя, а рассчитанное значение ωр
подставляют в выражение для
, по последнему
рассчитывают значение фазы φ, соответствующее
заданному значению
.
В результате получаем множество значений задаваемых
и
ему соответствующее множество значений фазы φ. Зависимость
и
есть модуляционная характеристика модулятора. Ее необходимо построить.
. По модуляционной
характеристике определяют:
выбрав линейный участок
(
,
),
находят начальное смещение на варикапе
;
амплитуду модулирующего
сигнала
;
индекс модуляции
.
. Расчет элементов схемы
производится следующим образом:
а) элементы,
обеспечивающие режим варикапа:
задавшись током делителя
R5-R6, Iд=0,1÷1,
mA, находим общее сопротивление
;
находим сопротивление
;
сопротивление R5=(R5+R6)-R6;
емкость
;
сопротивление утечки
кОм;
б) элементы,
обеспечивающие режим и термостабилизацию рабочей точки транзистора R1,
R2, R3, рассчитываются так же, как и аналогичные элементы
в УНЧ; емкость конденсатора С2 рассчитывается из неравенства
.
. РАСЧЕТ УСИЛИТЕЛЯ
НИЗКОЙ ЧАСТОТЫ
В передатчике УНЧ
усиливает напряжение сигнала с микрофона до уровня, необходимого для работы
модулятора. В случае использования фазового модулятора для ЧМ или частотного
модулятора для ФМ УНЧ должен компенсировать низкий коэффициент передачи
интегрирующей или дифференцирующей цепочки. Таким образом, коэффициент усиления
усилителя низкой частоты:
,
где Кц -
коэффициент передачи дифференцирующей или интегрирующей цепи;
UΩ
- амплитуда модулирующего напряжения на входе модулятора;
Ем -
напряжение на выходе микрофона.
Расчет усилителя низкой
частоты производится в следующей последовательности:
. Выбор транзистора. Он
производится по двум критериям:
по диапазону частот -
граничная частота работы транзистора должна быть не менее наивысшей частоты
модуляции;
по мощности транзистор
должен обеспечивать требуемую мощность на входе амплитудного модулятора; для ЧМ
или ФМ мощность можно не учитывать, так как УНЧ работает на емкость варикапа.
. Выбор схемы УНЧ: с
общим эмиттером, общей базой, общим коллектором. Общие свойства этих схем
рассмотрены в соответствующей лекции по курсу «Каналообразующие устройства».
. Расчет схемы с общим
эмиттером (рис. 9.2):
а) на статических
вольт-амперных характеристиках выбранного транзистора выбирается режим А и
определяются Iб, Iк, Iкэ, соответствующие
этому режиму;
б) падение напряжения
постоянного тока на резисторе R4 должно составлять 15-20% от Ек,
поэтому:
(9.1.)
Рис. 9.1 Рис.
9.2 Рис. 9.3
в) сопротивление
резистора в коллекторной цепи:
; (9.2)
г) коэффициент передачи тока
определяется по статической ВАХ:
; (9.3)
д) сопротивления цепи смещения и
стабилизации рабочей точки рассчитываются по следующим формулам:
; (9.4)
, (9.5)
где
-
напряжение на базе транзистора относительно корпуса;
-напряжение на переходе
база-эмиттер, для кремниевого транзистора оно равно (0,5-0,6) В, для
германиевого - (0,3-0,4) В;
- напряжение на
эмиттере транзистора относительно земли;
- коэффициент
стабилизации тока транзистора,
;
е) коэффициент усиления
тока:
(9.6)
ж) коэффициент усиления напряжения:
(9.7)
з) входное сопротивление каскада:
, (9.8)
где
В
- температурный потенциал;=(0,5-1) - числовой множитель;
- коэффициент передачи
тока в схеме ОЭ;
и) выходное
сопротивление:
, (9.9)
где
-
выходная проводимость транзистора в схеме ОЭ определяется по его статическим
характеристикам;
к) емкости переходных
конденсаторов вычисляются по формуле
,
где
-
нижняя частота диапазона.
. Расчет схемы с общим
коллектором (рис. 9.1):
а) на статических ВАХ
выбранного транзистора выбирается режим А и определяются Iк, Uкэ,
,
соответствующие этому режиму;
б) сопротивление
резистора, включенного в эмиттерную цепь:
;
в) ток базы транзистора:
;
радиопередающий
транзистор усилитель генератор
г) ток делителя
:
д) по входной ВАХ
транзистора определяется напряжение Uбэ и рассчитывается
сопротивление резистора:
;
е) сопротивление
резистора:
;
ж) входное сопротивление
эмиттерного повторителя Rвх рассчитывается из формулы:
(9.10)
з) выходное сопротивление
повторителя (при работе от источника с малым внутренним сопротивлением):
(9.11)
. Расчет схемы с общей
базой (рис. 9.3):
а) расчет сопротивлений
резисторов R1, R2, R3, R4, емкостей
конденсаторов С1, С2, С3 производится
аналогично таким же элементам схемы с общим эмиттером;
б) входное сопротивление
усилителя определяется из равенства:
, (9.12)
где
-
определяется по статическим характеристикам транзистора в рабочей точке;
Свх - входная
емкость транзистора.
в) коэффициент усиления
по напряжению:
, (9.13)
где
;г
- внутреннее сопротивление генератора, питающего усилитель;н -
сопротивление нагрузки усилителя;
- коэффициент передачи
тока в схеме ОБ;
;
г) выходное сопротивление
определяется из равенства:
. (9.14)
10. РАСЧЕТ ЧАСТОТНОГО МОДУЛЯТОРА
Здесь будет рассмотрен расчет
прямого ЧМ, в котором модулирующий сигнал непосредственно воздействует на
частотозадающую систему автогенератора. Такой модулятор состоит из
соответственно модулятора (на
варикапе или реактивном транзисторе)
и автогенератора. Последний может быть выполнен по любой из известных схем.
Поэтому расчет модулятора состоит из двух частей:
1. Расчет автогенератора;
2. Расчет цепей, обеспечивающих
работу варикапа или реактивного транзистора.
Расчет автогенератора
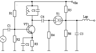
Одна из схем модулятора приведена на
рис. 10.1.
Рис. 10.1
Вместо приведенного на
рис. 10.1 автогенератора может быть применен любой другой. Расчет
автогенератора производится в следующем порядке:
.1. Выбор транзистора
производится по двум критериям - генерируемой мощности и частоте. Мощность,
генерируемая транзистором, должна быть больше требуемой. Если в справочнике не
указана генерируемая мощность, то она может быть оценена по максимальному
напряжению и току транзистора (см. расчет амплитудного модулятора). Частота
генерации транзистора должна быть больше рабочей частоты автогенератора.
.2. Обеспечение
начального режима автогенератора. Начальный режим автогенератора обеспечивается
резисторами R1, R2, R3. В качестве начального
режима выбирается режим А и элементы R1, R2, R3
рассчитываются аналогично таким же элементам усилителя (см. расчет усилителя
низкой частоты). Блокирующая емкость С выбирается из соотношения:
. (10.1)
1.3. Определив для
выбранного транзистора в заданном режиме S-крутизну характеристики
и
задавшись характеристикой контура
кОм и добротностью
Q=25-50, найдем коэффициент усиления транзистора в начальном режиме
возбуждения:
(10.2)
Для обеспечения
возбуждения необходимо выполнить неравенство
.
Для схемы рис. 10.1.
,
отсюда находится соотношение между С2 и С3:
или
.
(10.3)
1.4. По выбранному значению ρ, находим:
,
где ω0
- генерируемая частота автогенератора.
Тогда полная емкость
контура L, С2, С3 будет:
.
Полная емкость контура:
,
где Свн -
начальная емкость варикапа VD (в рабочей точке);
См - емкость
монтажа 5÷10 пФ.
Из последнего равенства,
используя соотношения между емкостями С2 и С3,
рассчитываются емкости С2 и С3.
.5. Стационарная
амплитуда колебаний на выходе:
, (10.4)
где
;
;
β
- коэффициент передачи тока транзистора в схеме ОЭ на рабочей частоте
автогенератора;0, b0 - коэффициенты экспоненциальной
аппроксимации характеристики;
транзистора
определяются по справочным данным так же, как и при расчете амплитудного
модулятора (см. расчет амплитудного модулятора).
.6. Выходная мощность
автогенератора:
.
.7. Постоянная
составляющая тока коллектора:
,
где
;
.
.8. Мощность,
рассеиваемая на коллекторе транзистора:
.
.2. Расчет цепей,
обеспечивающих работу варикапа
Расчет цепей,
обеспечивающих работу варикапа, производится следующим образом:
.1. Выбор варикапа
производится по диапазону частот (граничная частота работы варикапа должна быть
не меньше рабочей частоты автогенератора) и по средней емкости (Свн)
- она не должна быть больше требуемой емкости контура (Ск).
.2. Расчет модуляционной
характеристики модулятора:
,
где
.
Используя для выбранного
варикапа его характеристику Свар=ƒ(Uвар),
формулу для Ск и ω, рассчитывают ω=ƒ(Uвар).
Затем строят ее в координатах Uвар, ω.
.3. На модуляционной
характеристике выбирают по возможности линейный участок
,
и
определяют:
·
начальное смещение варикапа:
.
Если полученное значение
Uвn не совпадает с принятым ранее в п. 1.4, то расчеты в п. 1.4 необходимо
скорректировать:
максимальная девиация
частоты:
.
.4. Расчет делителя R4-R5:
задавшись током делителя
(0,1-1) mА, рассчитывают:
;
сопротивление резистора:
;
сопротивление резистора:
;
емкость конденсатора:
,
где ω
- рабочая частота автогенератора;
·
сопротивление резистора утечки:
.
.5. Индуктивность
дросселя:
.
Расчет модуляторов с
другими автогенераторами производится аналогично, разница состоит в выражении
для Кос - коэффициент обратной связи.
. РАСЧЕТ КВАРЦЕВЫХ
ГЕНЕРАТОРОВ
Известно много схем
кварцевых автогенераторов (см. лекции по курсу), и привести их здесь все не
представляется возможным. На рис. 11 а, б приведены две из них.
рис. 11 а Рис.
11 б
В схеме (рис. 11 а)
кварц работает на частоте между параллельным и последовательным резонансом, в
схеме (рис. 11 б) - на частоте последовательного резонанса.
Расчет автогенератора
производится в следующей последовательности:
. Выбор транзистора -
см. расчет частотного детектора.
. Расчет начального
режима (резисторы R1, R2, R3, емкость С3)
- см. расчет частотного детектора.
. Полагая R5=0
в схеме рис. 11 б расчет колебательной системы и амплитуды выходного напряжения
производится аналогично автогенератору в частотном детекторе (см. расчет
частотного детектора), при этом
.
. По выбранным и
рассчитанным параметрам контура в схеме рис. 11 б находится эквивалентное
сопротивление потерь:
,
где ρ,Q
- характеристическое сопротивление и добротность контура LC.
Тогда величина
сопротивления резистора должна удовлетворять условию:
. (11.1)
. Величина емкости С1 в схеме (рис.
11 б) выбирается из соотношения:
.
. Величина сопротивления
R4 в схеме (рис. 11 б) рассчитывается так же, как и R3 в
схеме ОЭ УНЧ (см. расчет усилителя низкой частоты).
. Конденсаторы С1
и С2 на схеме (рис. 11 а) обеспечивают обратную связь. Их величины
должны удовлетворять следующими соотношениями:
а)
-
емкость кварцедержателя (5-15 пФ);
б)
,
где S - крутизна
характеристики транзистора в рабочей точке.
. Амплитуда напряжения
на выходе в схеме (рис. 11 а) мощность колебаний, рассеиваемая мощность в
транзисторе рассчитываются так же, как и при расчете автогенератора частотного
модулятора, только вместо Rое надо поставить R4.
Приложение 1
Коэффициенты для
косинусоидального импульса
|
Cos
      g1g2
|
|
|
|
|
|
|
|
|
|
|
0
|
1,00
|
0,000
|
0,000
|
0,000
|
0,000
|
0,000
|
0,000
|
2,00
|
2,00
|
|
5
|
0,996
|
0,018
|
0,037
|
0,037
|
0,037
|
0,000
|
0,000
|
2,00
|
2,00
|
|
10
|
0,985
|
0,036
|
0,073
|
0,073
|
0,071
|
0,0005
|
0,0010
|
2,00
|
2,00
|
|
15
|
0,966
|
0,055
|
0,110
|
0,108
|
0,104
|
0,0019
|
0,0038
|
2,00
|
1,96
|
|
20
|
0,940
|
0,074
|
0,146
|
0,132
|
0,0045
|
0,0088
|
1,97
|
1,91
|
|
25
|
0,906
|
0,093
|
0,181
|
0,171
|
0,155
|
0,0087
|
0,0170
|
1,95
|
1,84
|
|
|
|
|
|
|
|
|
|
|
|
30
|
0,866
|
0,111
|
0,215
|
0,198
|
0,172
|
0,015
|
0,029
|
1,94
|
1,79
|
|
35
|
0,819
|
0,129
|
0,248
|
0,221
|
0,181
|
0,023
|
0,045
|
1,92
|
1,71
|
|
40
|
0,766
|
0,147
|
0,280
|
0,241
|
0,185
|
0,034
|
0,066
|
1,90
|
1,64
|
|
45
|
0,707
|
0,165
|
0,311
|
0,256
|
0,181
|
0,048
|
0,091
|
1,88
|
1,55
|
|
50
|
0,643
|
0,183
|
0,339
|
0,267
|
0,171
|
0,065
|
0,121
|
1,85
|
1,46
|
|
55
|
0,574
|
0,201
|
0,366
|
0,273
|
0,157
|
0,086
|
0,166
|
1,82
|
1,36
|
|
|
|
|
|
|
|
|
|
|
|
60
|
0,500
|
0,218
|
0,391
|
0,276
|
0,138
|
0,109
|
0,196
|
1,80
|
1,27
|
|
65
|
0,423
|
0,236
|
0,414
|
0,274
|
0,116
|
0,135
|
0,239
|
1,76
|
1,16
|
|
70
|
0,342
|
0,253
|
0,436
|
0,267
|
0,091
|
0,166
|
0,288
|
1,73
|
1,06
|
|
75
|
0,259
|
0,269
|
0,455
|
0,258
|
0,067
|
0,199
|
0,337
|
1,69
|
0,96
|
|
80
|
0,174
|
0,286
|
0,472
|
0,245
|
0,043
|
0,236
|
0,390
|
1,65
|
0,86
|
|
85
|
0,097
|
0,302
|
0,487
|
0,230
|
0,020
|
0,276
|
0,446
|
1,61
|
0,76
|
|
|
|
|
|
|
|
|
|
|
|
90
|
0,000
|
0,319
|
0,500
|
0,212
|
0,000
|
0,319
|
0,5
|
1,57
|
0,66
|
|
95
|
-0,087
|
0,334
|
0,510
|
0,193
|
-0,017
|
0,363
|
0,554
|
1,53
|
0,578
|
|
100
|
-0,174
|
0,350
|
0,520
|
0,172
|
-0,030
|
0,411
|
0,611
|
1,49
|
0,492
|
|
105
|
-0,259
|
0,364
|
0,526
|
0,152
|
-0,039
|
0,458
|
0,662
|
1,45
|
0,418
|
|
110
|
-0,342
|
0,379
|
0,531
|
0,131
|
-0,045
|
0,509
|
0,713
|
1,40
|
0,346
|
|
115
|
-0,423
|
0,392
|
0,534
|
0,111
|
-0,047
|
0,558
|
0,760
|
1,36
|
0,284
|
|
|
|
|
|
|
|
|
|
|
|
120
|
-0,500
|
0,406
|
0,535
|
0,092
|
-0,046
|
0,609
|
0,805
|
1,32
|
0,227
|
|
125
|
-0,574
|
0,419
|
0,536
|
0,074
|
-0,042
|
0,659
|
0,843
|
1,28
|
0,176
|
|
130
|
-0,643
|
0,431
|
0,534
|
0,058
|
-0,037
|
0,708
|
0,878
|
1,24
|
0,135
|
|
135
|
-0,707
|
0,443
|
0,532
|
0,044
|
-0,031
|
0,756
|
0,908
|
1,20
|
0,099
|
|
140
|
-0,766
|
0,453
|
0,528
|
0,032
|
-0,024
|
0,801
|
0,934
|
1,17
|
0,071
|
|
145
|
-0,819
|
0,463
|
0,525
|
0,022
|
-0,018
|
0,842
|
0,955
|
1,13
|
0,048
|
|
|
|
|
|
|
|
|
|
|
|
150
|
-0,866
|
0,472
|
0,520
|
0,014
|
-0,012
|
0,881
|
0,970
|
1,10
|
0,030
|
|
155
|
-0,906
|
0,480
|
0,515
|
0,008
|
-0,008
|
0,917
|
0,983
|
1,07
|
0,017
|
|
160
|
-0,910
|
0,487
|
0,510
|
0,004
|
-0,004
|
0,944
|
0,989
|
1,05
|
0,008
|
|
165
|
-0,966
|
0,492
|
0,506
|
0,002
|
-0,002
|
0,967
|
0,996
|
1,03
|
0,004
|
|
170
|
-0,985
|
0,496
|
0,502
|
0,001
|
-0,001
|
0,985
|
0,997
|
1,01
|
0,002
|
|
175
|
-0,996
|
0,499
|
0,500
|
0,000
|
0,000
|
0,996
|
0,999
|
1,00
|
0,000
|
|
180
|
-1,000
|
0,500
|
0,500
|
0,000
|
0,000
|
1,000
|
1,000
|
1,00
|
0,000
|
Примечание:
=
(1-
Cos
); g1=
/
=
/
;
=
(1-
Cos
); g2=
/
=
/
;