Расчет радиопередающего устройства
Введение
В данной работе производится расчет
радиопередающего устройства с частотной модуляцией. В задании предъявлены
следующие требования к передатчику.
Вариант: 15
несущая частота:
полоса модулир. сигнала:
мощность в антенне:
относительная нестабильность несущей:
коэффициент нелинейных искажений:
коэффициент фильтрации:
1. Структурная схема
Выполнение предъявляемых к современному
передатчику технических требований оказывается сложной задачей, тем более что
некоторые из этих требований взаимно противоречивы. Для удовлетворения всех
требований приходится использовать прием разделения функций между отдельными
составными частями устройства так, чтобы каждая часть выполняла в полной мере
свою задачу, в соответствии с установленными требованиями, и не мешала бы
другим частям устройства столь же точно выполнять их функции.
Составленная таким образом схема дает
возможность разработчику выбрать оптимальную структуру передатчика, определить
количество составных частей и технические требования к ним. Проще говоря,
структурная схема дает возможность увидеть устройство и принципы работы прибора
уже на самом раннем этапе проектирования.
Структурная схема разрабатываемого передатчика
приведена на рис 1.
Рис. 1 - Структурная схема ЧМ - передатчика
2. Предварительный расчет
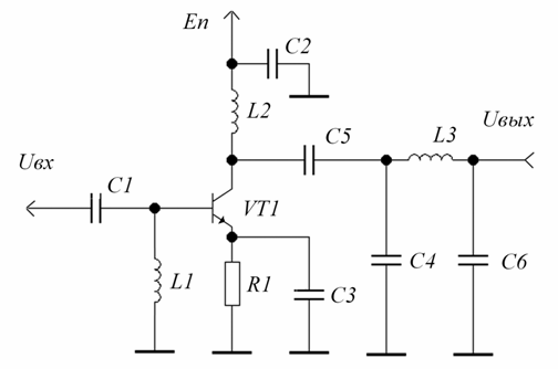
.1 Оконечный каскад
Исходя из мощности в антенне
,
определяем мощность, которую должен выдать выбранный транзистор с учетом потерь
в фидере
и
колебательной системе
:
(2.1).
Таким образом на выходе оконечного каскада
необходимо получить мощность
В усилительных каскадах передатчиков, чтобы
исключить возможность самовозбуждения, обычно используют транзисторы, не
имеющие большой запас по граничной частоте и рассеиваемой мощности. При выборе
транзистора, чаще всего задаются следующими условиями:
(2.2), 
(2.3),
где
-
рабочая частота,
- граничная
частота передачи тока по схеме с общим эмиттером,
-
максимально допустимая мощность рассеивания на коллекторе,
-
выходная мощность, которую необходимо получить на данном каскаде.
Рис. 2 - Принципиальная схема оконечного каскада
В качестве активного элемента в выходном каскаде
будем использовать кремневый эпитаксиально-планарный n-p-n транзистор КТ 931А.
Можно выделить следующие его характеристики:
граничная частота
максимально допустимый ток базы
максимально допустимый ток коллектора
максимальное напряжение коллектор-эмиттер
емкость коллекторного перехода
постоянно рассеиваемая мощность
индуктивность эмиттерного вывода
статический коэффициент передачи по току
температура перехода
.
Задаемся напряжением источника питания:
Выбираем
Ток первой гармоники определим следующим
способом:
В усилительных каскадах для получения
максимального КПД при максимальной мощности задаются углом отсечки 
).Тогда амплитуда
импульсов тока коллектора найдется, как
Учитывая, что коэффициент передачи по току на
рабочей частоте равен

определим
максимальный базовый ток:
.
По входной характеристике определяем крутизну по
базовому переходу:
Крутизну по эмиттерному переходу находим по
формуле:
Рис. 3 - Входная характеристика
Теперь найдем ряд интересующих нас
сопротивлений:
сопротивление эмиттерного перехода:
сопротивление рекомбинации:
омическое сопротивление базы:
Далее определим характерные для этого
транзистора частоты:
граничная частота по крутизне
Для того, чтобы окончательно удостовериться в
правильности выбора транзистора, проверим условие
(*)
Рис. 4 - Проверка транзистора
Как видно из рис.4, условие (*) выполняется.
где
Тогда коэффициент усиления по мощности найдем по
формуле:
Следовательно, мощность, которую необходимо
подать на вход этого каскада, составляет:
Тогда на выходе предоконечого каскада должна
быть получена мощность:
Предварительный расчет остальных каскадов
осуществляется аналогично.
2.2 Предоконечный каскад
Как видно из предыдущего пункта, предоконечный
каскад должен развивать выходную мощность в
.
Схема предоконечого каскада приведена на рис. 5.
Рис. 5 - Принципиальная схема предоконечого
каскада
В качестве активного элемента в предоконечном
каскаде будем использовать кремневый эпитаксиально-планарный n-p-n транзистор
КТ 922Б. Можно выделить следующие его характеристики:
граничная частота
максимально допустимый ток базы
максимально допустимый ток коллектора
максимальное напряжение коллектор-эмиттер
емкость коллекторного перехода
постоянно рассеиваемая мощность
индуктивность эмиттерного вывода
статический коэффициент передачи по току
температура перехода
Задаемся напряжением источника питания:
Выбираем
Ток первой гармоники определим следующим
способом:
.
Задаемся углом отсечки 
). Тогда амплитуда
импульсов тока коллектора найдется, как
Учитывая, что коэффициент передачи по току на
рабочей частоте равен

определим
максимальный базовый ток:
По входной характеристике определяем крутизну по
базовому переходу:
Крутизну по эмиттерному переходу находим по
формуле:
Рис. 6 - Входная характеристика
Теперь найдем ряд интересующих нас
сопротивлений:
сопротивление эмиттерного перехода:
сопротивление рекомбинации:
омическое сопротивление базы:
Далее определим характерные для этого
транзистора частоты:
граничная частота по крутизне
Для того, чтобы окончательно удостовериться в
правильности выбора транзистора, проверим условие
(*)
Рис. 7 - Проверка транзистора
Как видно из рис.7, условие (*) выполняется.
где
Тогда коэффициент усиления по мощности найдем по
формуле:
Следовательно, мощность, которую необходимо
подать на вход этого каскада, составляет:
Тогда на выходе промежуточного каскада должна
быть получена мощность:
2.3 Промежуточный каскад 2
Как видно из предыдущего пункта, промежуточный
каскад должен развивать выходную мощность в
.
Схема предоконечого каскада приведена на рис. 8.
Рис. 8 - Принципиальная схема промежуточного
каскада
В качестве активного элемента в промежуточном
каскаде будем использовать кремневый эпитаксиально-планарный n-p-n транзистор
КТ 922А. Можно выделить следующие его характеристики:
граничная частота
максимально допустимый ток базы
максимально допустимый ток коллектора
максимальное напряжение коллектор-эмиттер
емкость коллекторного перехода
постоянно рассеиваемая мощность
индуктивность эмиттерного вывода
статический коэффициент передачи по току
температура перехода
Задаемся напряжением источника питания:
Выбираем
Ток первой гармоники определим следующим
способом:
Задаемся углом отсечки 
). Тогда амплитуда
импульсов тока коллектора найдется, как
Учитывая, что коэффициент передачи по току на
рабочей частоте равен

определим
максимальный базовый ток:
По входной характеристике определяем крутизну по
базовому переходу:
Крутизну по эмиттерному переходу находим по
формуле:
Рис. 9 - Входная характеристика
Теперь найдем ряд интересующих нас
сопротивлений:
сопротивление эмиттерного перехода:
сопротивление рекомбинации:
омическое сопротивление базы:
Далее определим характерные для этого транзистора
частоты:
граничная частота по крутизне
Для того, чтобы окончательно удостовериться в
правильности выбора транзистора, проверим условие
(*)
Рис. 10 - Проверка транзистора
Как видно из рис.10, условие (*) выполняется.
где
Тогда коэффициент усиления по мощности найдем по
формуле:
Следовательно, мощность, которую необходимо
подать на вход этого каскада, составляет:
Тогда на выходе промежуточного каскада должна
быть получена мощность:
2.4 Промежуточный каскад 1
Как видно из предыдущего пункта, промежуточный
каскад должен развивать выходную мощность в
Схема
предоконечого каскада приведена на рис. 11.
Рис. 11 - Принципиальная схема промежуточного
каскада
В качестве активного элемента в промежуточном
каскаде будем использовать кремневый эпитаксиально-планарный n-p-n транзистор
КТ 606А. Можно выделить следующие его характеристики:
граничная частота
максимально допустимый ток базы
максимально допустимый ток коллектора
максимальное напряжение коллектор-эмиттер
емкость коллекторного перехода
постоянно рассеиваемая мощность
индуктивность эмиттерного вывода
статический коэффициент передачи по току
температура перехода
Задаемся напряжением источника питания:
Выбираем
Ток первой гармоники определим следующим
способом:
Задаемся углом отсечки 
). Тогда амплитуда
импульсов тока коллектора найдется, как
Учитывая, что коэффициент передачи по току на
рабочей частоте равен

определим
максимальный базовый ток:
По входной характеристике определяем крутизну по
базовому переходу:
Крутизну по эмиттерному переходу находим по
формуле:
Рис. 12 - Входная характеристика
Теперь найдем ряд интересующих нас
сопротивлений:
сопротивление эмиттерного перехода:
сопротивление рекомбинации:
омическое сопротивление базы:
Далее определим характерные для этого
транзистора частоты:
граничная частота по крутизне
Для того, чтобы окончательно удостовериться в
правильности выбора транзистора, проверим условие
(*)
Рис. 13 - Проверка транзистора
Как видно из рис.13, условие (*) выполняется.
где
Тогда коэффициент усиления по мощности найдем по
формуле:
Следовательно, мощность, которую необходимо
подать на вход этого каскада, составляет:
Тогда на выходе промежуточного каскада должна
быть получена мощность:
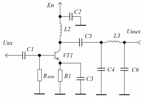
3. Электрический расчет каскадов
.1 Расчет АГ с управителем частоты
на варикапе
.1.1 Энергетический расчет АГ
Схема автогенератора приведена на рис. 14.
Для реализации автогенератора воспользуемся
транзистором КТ610Б:
граничная частота
максимально допустимый напряжение база- эмиттер
максимально допустимый ток коллектора
максимальное напряжение коллектор-эмиттер
емкость коллекторного перехода
постоянно рассеиваемая мощность
индуктивность эмиттерного вывода
статический коэффициент передачи по току
температура перехода
постоянная времени коллекторной цепи
Определяем крутизну проходной характеристики:
, где
-
коэффициент передачи по току на частоте генерации,
-крутизна
по базовому переходу.
Рис. 14 - Принципиальная схема автогенератора
, где
-
омическое сопротивление базы,
- сопротивление
рекомбинации.

, где
-
крутизна по эмиттерному переходу,
.
В автогенераторах для получения высокой
стабильности частоты рекомендуется выбирать
,
тогда
Следовательно,
Определим граничную частоту по крутизне:
Поскольку выполняется условие
,
то мы можем считать наш транзистор неинерционным и можем применять изложенную
ниже методику расчета автогенератора.
Выбираем напряжение источника питания
Задаемся напряжением источника питания
Задаемся углом отсечки
,
тогда



Определим максимально допустимый коэффициент
обратной связи:
Таким образом, наиболее жесткие требования по
коэффициенту обратной связи
определяются
допустимым током
.
Как было сказано выше, в автогенераторах
считается оптимальным режим с
. Мы задались
значением
(при угле отсечки
),
определим коэффициент обратной связи, необходимый для обеспечения данного
режима:
Задаемся
.
Определим следующие параметры, характеризующие
режим работы:
Амплитуда напряжения возбуждения:
Амплитуда коллекторного напряжения:
Амплитуда первой гармоники коллекторного тока:
Высота импульса коллекторного тока:
Постоянный ток коллектора:
Максимальное обратное напряжение между базой и
эмиттером:
Мощность, отдаваемая цепью коллектора:
Мощность, рассеиваемая коллектором:
Для получения заданного режима требуется
нагрузка с проводимостью, равной:
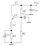
3.1.2 Расчет управителя частоты на
варикапе и КС АГ
Теперь произведем расчет параметров
колебательной системы.
Эквивалентная схема автогенератора приведена на
рис. 15.
Рис. 15 - Эквивалентная схема автогенератора
Выбираем емкость колебательной системы
Тогда индуктивность колебательной системы найдем
по формуле:
Полученное значение удовлетворяет условию, что
на частотах менее 150МГц индуктивность должна быть выполнена в виде катушек и
иметь величину > 50нГн
Тогда характеристическое сопротивление контура
определится следующим образом:
Его величина должна укладываться
,
что тоже выполняется.
Задаемся ненагруженной добротностью
Задаемся
Тогда:
,
Находим коэффициент включения транзистора в
контур:
частичное включение
в контур варикапа
влияние
дестабилизирующих факторов.
Определим затухания нагруженного контура:
Соответственно, добротность нагруженного контура
составит:
, для
автогенераторов приемлемой считается добротность
, т.е. наша
колебательная система удовлетворяет этому требованию.
Произведем расчет номиналов элементов
колебательной системы:

Выбираем варикап: VD - КВ 110А.
Отметим некоторые его параметры:
Необходимое условие при выборе варикапа
и
.
Проверим эти условия:
.
Задаемся емкостью варикапа 
Тогда, т.к.
,то
из
следует,
что
и
её
.
Коэффициент перекрытия:
задаемся
напряжением смещения на варикапе
Определение относительной девиации частоты при
неполном включении варикапа в КС:
где
-
показатель степени с учетом отрицательного знака
.
;
;
- относительное
модулирующее напряжение.

.
Условие, предъявляемое к девиации
Коэффициент нелинейных искажений:
Относительное смещение частоты:
Определим требуемое сопротивление на нагрузку
автогенератора:
Мощность на нагрузке
Условие выполняется, АГ рассчитан правильно.
3.1.3 Расчет цепи питания АГ
Рис. 16
Схема цепи питания АГ изображена на рис.16.
Задаемся сопротивлением
:
.
Выбираем из стандартного ряда сопротивлений
.
Т.к. сопротивление
мало, в цепь между
эмиттером и цепью стабилизации
включаем дроссель
:

.
Сопротивление делителя должно удовлетворять
следующему условию:
При этом левая часть равенства служит для
обеспечения высокой добротности колебательной системы, а правая -
термостабилизации. Задаемся сопротивлением делителя
Постоянный ток базы равен:
Постоянный ток эмиттера равен:
Найдем номинал резистора
:
Выбираем из стандартного ряда сопротивлений Е192
,
тогда
Выбираем из стандартного ряда сопротивлений Е192
,
тогда
Емкость конденсатора
найдем
из условий:
; левая часть
служит для обеспечения необходимой фильтрации колебательной системы, правая -
для устранения прерывистой генерации. Задаемся емкостью
согласно
Е48.
Теперь рассчитаем номинал блокировочного
конденсатора
:
.
Задаемся емкостью
согласно
Е24
3.1.4 Расчет цепи смещения варикапа
Схема смещения варикапа изображена на рис. 17.
Рис. 17 - Схема смещения варикапа
Необходимо задаться током делителя напряжения
для обеспечения напряжения на варикапе
.
.
Выбираем
Резисторы делителя:


Так как
небольшой
величины, то включается дроссель
,
который рассчитывается из следующих соображений:
;
,
где
-
верхняя частота модуляции.
Разделительный конденсатор
,
подключаемый к источнику модулирующего напряжения
,
выбирается:
где
-
нижняя частота модуляции.
Разделительный конденсатор
,
подключаемый между Коллектором и КС, рассчитывается на средней частоте ЧМ
сигнала:
При этом на верхней модулирующей частоте должно
выполняться неравенство:
где
Блокировочный конденсатор
3.2 Электрический расчет
промежуточного каскада 1
Принципиальная схема каскада изображена на рис.
18.
Рис. 18 - Схема промежуточного каскада
Основные характеристики активного элемента
транзистора КТ 606А были рассмотрены в предварительном расчете, здесь мы их
только перечислим:
Справочные характеристики:
граничная частота
максимально допустимый ток базы
максимально допустимый ток коллектора
максимальное напряжение коллектор-эмиттер
емкость коллекторного перехода
емкость эмиттерного перехода
постоянно рассеиваемая мощность
индуктивность эмиттерного вывода
статический коэффициент передачи по току
температура перехода
Вычисленные характеристики:
напряжение питания:
коэффициент передачи на рабочей частоте:
крутизна по базовому переходу:
крутизна по эмиттерному переходу:
сопротивление эмиттерного перехода:
сопротивление рекомбинации:
омическое сопротивление базы:
граничная частота по крутизне:
Произведем расчет выходной цепи:
Определим амплитуду коллекторного напряжения,
соответствующего критическому режиму:
.
Амплитуда первой гармоники коллекторного тока:
Постоянная составляющая тока коллектора:
Высота импульса коллекторного тока:
Потребляемая мощность:
КПД:
.
Мощность рассеивания:
Эквивалентное сопротивление коллекторной
нагрузки:
Произведем расчет входной цепи:
Амплитуда тока базы:
Постоянный ток базы:
Постоянный ток эмиттера:
Проверяем условие
Максимальное обратное напряжение база-эмиттер:
Определяем входное сопротивление каскада:
Активная составляющая входного сопротивления:
.
Реактивная составляющая входного сопротивления:
Входная мощность:
Коэффициент усиления по мощности:
Теперь произведем расчет фильтра.
В качестве фильтров используем систему из двух
связанных контуров (рис. 19).
Рис. 19 - Схема фильтра
Задаемся нагруженной добротностью фильтра
и
ненагруженной
.
Определяем минимальное сопротивление на
нагрузке:
.
Сопротивление нагрузки совпадает со входным
сопротивлением следующего каскада:
.
Произведем расчет параметров фильтра:
.
.
3.
.
.
.
Определим добротность рассчитанного фильтра:
КПД фильтра:
Расчет номиналов элементов фильтра:
Расчет блокировочных и разделительных элементов:
3.3 Эмиттерный повторитель
Схема эмиттерного повторителя приведена на рис.
20.
Рис. 20 - Принципиальная схема эмиттерного
повторителя
ЭП включается непосредственно после АГ и
обеспечивает ему постоянную во времени нагрузку, одновременно ослабляя влияние
на его работу последующих каскадов РЧ тракта. /9/
В качестве активного элемента в буферном каскаде
с ОК будем использовать кремневый эпитаксиально-планарный n-p-n транзистор КТ
315И. Можно выделить следующие его характеристики:
граничная частота
максимально допустимый ток базы
максимально допустимый ток коллектора
максимальное напряжение коллектор-эмиттер
емкость коллекторного перехода
постоянно рассеиваемая мощность
индуктивность эмиттерного вывода
статический коэффициент передачи по току
температура перехода
постоянная времени цепи обратной связи
Повышение стабильности режима транзистора
достигается в этой схеме ценой повышения расхода энергии и уменьшения входного
сопротивления./2/
Определим следующие характеристики активного
элемента:
омическое сопротивление базы:
сопротивление рекомбинации:
коэффициент передачи по току на рабочей частоте:
Крутизна проходной характеристики:
Задаемся сопротивлением R3 и сопротивлением
делителя:
Входное сопротивление эмиттерного повторителя
определяется, как
, следовательно
.
,
можно пренебречь, т.к
, и
,
тогда определим необходимое значение
.
В нашем случае
.
Определим коэффициент усиления эмиттерного
повторителя:
Коэффициент передачи по мощности:
Выходное сопротивление эмиттерного повторителя:
Рассчитаем элименты базового делителя:
Теперь произведем расчет фильтра.
В качестве фильтров используем систему из двух
связанных контуров рис. 21.
Рис. 21 - Схема фильтра
Задаемся нагруженной добротностью фильтра
и
ненагруженной
.
Определяем минимальное сопротивление на
нагрузке:
.
Сопротивление нагрузки совпадает со входным
сопротивлением следующего каскада:
.
Произведем расчет параметров фильтра
.
.
.
.
.
.
.
Определим добротность рассчитанного фильтра:
КПД фильтра:
Расчет номиналов элементов фильтра:
3.4 Электрический расчет
промежуточного каскада 2
Принципиальная схема каскада изображена на рис.8
Основные характеристики активного элемента
транзистора КТ 922А были рассмотрены в предварительном расчете, здесь мы их
только перечислим:
Справочные характеристики:
граничная частота
максимально допустимый ток базы
максимально допустимый ток коллектора
максимальное напряжение коллектор-эмиттер
емкость коллекторного перехода
постоянно рассеиваемая мощность
индуктивность эмиттерного вывода
статический коэффициент передачи по току
температура перехода
Вычисленные характеристики:
напряжение питания:
коэффициент передачи на рабочей частоте:
крутизна по базовому переходу:
крутизна по эмиттерному переходу:
сопротивление эмиттерного перехода:
сопротивление рекомбинации:
омическое сопротивление базы:
граничная частота по крутизне:
Произведем расчет выходной цепи:
Определим амплитуду коллекторного напряжения,
соответствующего критическому режиму:
.
Амплитуда первой гармоники коллекторного тока:
Постоянная составляющая тока коллектора:
Высота импульса коллекторного тока:
Потребляемая мощность:
КПД:
.
Мощность рассеивания:
Эквивалентное сопротивление коллекторной
нагрузки:
Произведем расчет входной цепи:
Амплитуда тока базы:
Постоянный ток базы:
Постоянный ток эмиттера:
Проверяем условие
Максимальное обратное напряжение база-эмиттер:
Определяем входное сопротивление каскада:

Активная составляющая входного сопротивления:
.
Реактивная составляющая входного сопротивления:
Входная мощность:
Коэффициент усиления по мощности:
Теперь произведем расчет фильтра.
В качестве фильтров используем систему из двух
связанных контуров (рис.21).
Задаемся нагруженной добротностью фильтра
и
ненагруженной
.
Определяем минимальное сопротивление на
нагрузке:
.
Сопротивление нагрузки совпадает со входным
сопротивлением следующего каскада:
.
Произведем расчет параметров фильтра:
.
.
.
.
.
.
Определим добротность рассчитанного фильтра:
КПД фильтра:
Расчет номиналов элементов фильтра:
Расчет блокировочных и разделительных элементов:
3.5 Электрический расчет
предоконечного каскада
Принципиальная схема каскада изображена на
рис.5.
Основные характеристики активного элемента
транзистора КТ 922Б были рассмотрены в предварительном расчете.
Произведем расчет выходной цепи:
Определим амплитуду коллекторного напряжения,
соответствующего критическому режиму:
.
Амплитуда первой гармоники коллекторного тока:
Постоянная составляющая тока коллектора:
Высота импульса коллекторного тока:
Потребляемая мощность:
КПД:
.
Мощность рассеивания:
Эквивалентное сопротивление коллекторной
нагрузки:
Произведем расчет входной цепи:
Амплитуда тока базы:
Постоянный ток базы:
Постоянный ток эмиттера:
Проверяем условие
Определяем входное сопротивление каскада:
Активная составляющая входного сопротивления:
.
Реактивная составляющая входного сопротивления:
Теперь произведем расчет фильтра.
В качестве фильтров используем систему из двух
связанных контуров (рис. 21).
Задаемся нагруженной добротностью фильтра
и
ненагруженной
.
Определяем минимальное сопротивление на
нагрузке:
.
Сопротивление нагрузки совпадает со входным
сопротивлением следующего каскада:
.
Произведем расчет параметров фильтра:
.
.
.
4.
. 
Расчет номиналов элементов фильтра:
Расчет блокировочных и разделительных элементов:
3.6 Электрический расчет оконечного
каскада
Принципиальная схема каскада изображена на
рис.2.
Основные характеристики активного элемента
транзистора КТ 922А были рассмотрены в предварительном расчете.
Произведем расчет выходной цепи:
Определим амплитуду коллекторного напряжения,
соответствующего критическому режиму:
.
Амплитуда первой гармоники коллекторного тока:
Постоянная составляющая тока коллектора:
Эквивалентное сопротивление коллекторной
нагрузки:
Произведем расчет входной цепи:
Амплитуда тока базы:
Постоянный ток базы:
Постоянный ток эмиттера:
Определяем входное сопротивление каскада:
Активная составляющая входного сопротивления:
.
Теперь произведем расчет фильтра.
В качестве фильтров используем систему из двух
связанных контуров (рис. 21).
Задаемся нагруженной добротностью фильтра
и
ненагруженной
.
Определяем минимальное сопротивление на
нагрузке:
.
Сопротивление нагрузки совпадает со входным
сопротивлением следующего каскада:
.
Произведем расчет параметров фильтра:
.
.
.
.
5.
.
Расчет номиналов элементов фильтра:
Расчет блокировочных и разделительных элементов:
4. Расчет НЧ тракта
.1 Выбор микрофона и аналоговой
микросхемы
Исходя из заданного диапазона звуковых частот,
выбирается микрофон и аналоговая микросхема усилителя напряжения.
В нашем случае
Выбор микрофона (ВМ)
Из таблицы справочника /11/ выбираем тип
микрофона, рабочий диапазон звуковых частот которого должен быть равен или превышать
заданный.
По графикам стандартного коэффициента
,
в зависимости от чувствительности микрофона
,
при рекомендованном значении сопротивления нагрузки
,
определяем
.
Далее определяем напряжение на выходе микрофона
,
которое можно получить в стандартном режиме, т.е. выходная мощность микрофона
при
звуковом давлении
В формулу подставляем со своим знаком, т.е.
отрицательное значение, в оптимальном режиме для МД-66
рекомендуется выбирать номинальное сопротивление нагрузки в несколько раз
больше, чем выходное сопротивление микрофона
,
мощность
Тогда напряжение на выходе микрофона составит:
Мощность на выходе микрофона:
Таким образом необходимый коэффициент усиления
по мощности низкочастотного тракта составляет
Это
усиление осуществляется на двух микросхемах: микрофонном усилителе К11УН1Д
и усилителе мощности низкой частоты
Схемы включения усилителей представлены на рис.
22.
Рис. 22 - Схемы включения усилителей
5. Расчет колебательной системы
оконечного каскада
каскад частота микросхема микрофон
Поскольку все каскады передатчика работают в
режиме с отсечкой, то необходимый коэффициент фильтрации обеспечивается только
за счет выходного фильтра.
Общий коэффициент фильтрации можно найти по
формуле:
, где
-
номер гармоники;
- мощность первой и
-ой
гармоники;
- коэффициенты
Берга.
Найдем коэффициент фильтрации антенного контура.
Сопротивление нагрузки равно:
Поскольку
,
то
Следовательно,
коэффициент фильтрации антенного контура равен:
Нам задан коэффициент фильтрации
или
,
тогда
необходимый коэффициент фильтрации равен:
Теперь определим добротность колебательной
системы, необходимую для получения требуемого коэффициента фильтрации.
Для одиночного П - образного контура:
Для сдвоенного П - образного контура:
Поскольку в
фильтрах задаются добротностью
, то нам подходит
только второй вариант колебательной системы.
Список литературы
1. Радиопередающее
устройства: Учебник для вузов. / Л.А. Белов, М.В. Благовещенский, В. М. Богачев
и др.; Под ред. М.В. Благовещенского, Г. М.
2. Уткин.
- М.: «Радио и связь», 1982. - 408 с.
. Радиопередающие
и радиоприемные устройства./ В.Г. Левичев. - М., «Воениздат», 1974. - 510 с.
. Радиопередающее
устройства: Учебник для техникумов / М.С. Шумилин, В.П. Севальнев, Э.А. Шевцов.
- М.: «Высш. Школа», 1981. - 293 с.
. Основа
теории транзисторов и транзисторных схем. / И.П. Степаненко. - М., «Энергия»,
1977. - 672 с.
. Мощные
полупроводниковые приборы. Транзисторы: Справочник. / Б.А. Бародин, В.М.
Ломакин, В.В. Мокряком и др.; Под ред. А.В. Голомедова. - М., «Радио и связь»,
1985. - 560 с.
. 6.
Полупроводниковые приборы. Транзисторы: Справочник. / В.А. Аронов, А.В. Баюков,
А.А.Зайцев и др. Под общей редакцией Н.Н. Горюнова - М., «Энергоиздат», 1982. -
904 с.
. Транзисторы
для аппаратуры широкого применения: Справочник. / К.М. Бережнева, Е.И. Гантман,
Т.И. Давыдова и др. Под общей редакцией Б.Л. Перельман - М., «Радио и связь»,
1981. - 656 с.
. Проектирование
радиопередающих устройств: Учебник для вузов. / В.В. Шахгильдян, И.А. Попов и
др.: Под редакцией В.В. Шахгильдяна. - М., «Радио и связь», 1984. - 424 с.
. Радиопередающие
устройства связи и вещания: Учебник для техникумов. / О.Л. Муравьев - М.,
«Радио и связь», 1983. - 352 с.
11. Проектирование
радиопередающих устройств малой и средней мощности. / М.В. Верзунов, Е.Г.
Лапицкий, А.М. Семеновский, Л.Н. Сосновский. - Л., «Энергия», 1967. - 376 с.