Проектирование радиопередающего устройства
Министерство образования и науки Украины
Севастопольский национальный технический университет
Кафедра
радиотехники
Курсовой проект
«Генерирование и формирование радиосигналов»
Выполнил: Славич М. Д.
Проверил: Иськив В.М.
Севастополь
2007
ТЕХНИЧЕСКОЕ ЗАДАНИЕ
Техническое задание по варианту № 15(мет. ук. 2001):
. P1=25 Вт - мощность передатчика.
. Rн =50 Ом - нагрузочное сопротивление.
. fp = 150 МГц - диапазон рабочих частот.
. fог =5 МГц - частота опорного
генератора.
H =
100 кГц - шаг сетки частот синтезатора.
. Тип излучения: J3E ВБП- однополосная телефония.
7.
- относительная нестабильность частоты опорного
генератора.
.
Напряжение источника питания Eпит=30 В.
СОДЕРЖАНИЕ
ВВЕДЕНИЕ
1. Разработка структурной схемы передатчика
. Расчет выходного каскада
2.1 Расчет
коллекторной цепи
.2 Расчет
входной цепи
.3 Расчет
элементов
.4 Расчет
выходного согласующего устройства
3. Расчет предвыходного каскада
3.1 Расчет
коллекторной цепи
.2 Расчет
входной цепи
.3 Расчет
элементов
.4 Расчет
цепи согласования
4. Расчет транзисторного автогенератора
4.1 Выбор
транзистора
.2
Электрический расчет
.3
Энергетический расчет
5. Расчет нестандартной детали
. Требования к источнику питания
ЗАКЛЮЧЕНИЕ
ПЕРЕЧЕНЬ
ССЫЛОК
ВВЕДЕНИЕ
Радиопередающими называют устройства, предназначенные для выполнения двух
основных функций - генерации электромагнитных колебаний высокой или
сверхвысокой частоты и их модуляции в соответствии с передаваемым сообщением.
Радиопередающие устройства входят в состав радиокомплексов, содержащих, кроме
того, антенны, радиоприемные и различные вспомогательные устройства. Под
термином «радиопередающие устройства» подразумеваем как радиопередатчики, так и
их отдельные каскады.
При
проектировании задают параметры, которым должен удовлетворять радиопередатчик.
Основными из них являются выходная мощность Pвых на рабочей частоте fраб или в диапазоне частот fmin..fmax; относительная нестабильность частоты
; КПД передатчика
,
где
- суммарная мощность, потребляемая от источника
первичного питания; относительный уровень побочных излучений
,
где
- суммарная мощность колебаний, излучаемых передающей
антенной вне рабочей полосы; вид и параметры модуляции.
Радиопередатчики
классифицируются по назначению, условиям эксплуатации, выходной мощности,
частоте, виду модуляции и т. д. Отметим, что по выходной мощности
радиопередатчики на полупроводниковых приборах могут быть разделены на
маломощные (выходная мощность - десятки милливатт), средней мощности (сотни
милливатт - десятки ватт) и мощные (сотни ватт - единицы киловатт); по частоте
- на высокочастотные (частота менее 300 МГц) и сверхвысокочастотные (частота
более 300 МГц).[1]
Рис.
1 − Структурная схема РПУ
Общая
структурная схема радиопередающего устройства (РПУ) может быть представлена в
виде, изображенном на рисунке 1. Основными элементами этой схемы являются:
возбудитель
В, предназначенный для формирования несущего колебания;
модулирующее
устройство МУ, изменяющее параметры несущего колебания для однозначного
отображения в нем передаваемой информации (модуляции), а также формирования
временных и спектральных характеристик колебания;
выходной
усилитель ВУ, предназначенный для обеспечения необходимых энергетических
характеристик электромагнитных колебаний;
согласующее
- фильтрующее устройство СФУ, предназначенное для согласования
радиопередатчика с нагрузкой, роль которой обычно выполняет антенная система АС,
и фильтрации неосновных компонентов электромагнитного колебания, в частности,
возникающих в ВУ.
Все
приведенные элементы обычно выполняют в виде единой конструкции, называемой
радиопередатчиком (РП). В состав всего РПУ наряду с РП входят кодирующее
устройство К или устройство формирования сигнала УФС. Кодирующее
устройство преобразует первичный сигнал, поступающий от источника информации ИИ,
к виду, обеспечивающему высокую эффективность функционирования радиосистемы,
надежность и другие показатели. Кодирование позволяет уменьшить влияние помех в
линии связи, более эффективно использовать канал связи, и включает в себя
выполнение таких операций, как преобразование сообщений из одной формы в другую
(например, непрерывных в дискретную), устранение избыточности (эффективное
кодирование) или введение искусственной избыточности в сообщение
(помехоустойчивое кодирование). При отсутствии источника информации (например,
в радиолокационных системах), сигнал, с помощью которого обеспечиваются
необходимые временные и спектральные характеристики электромагнитного
колебания, создают специальным устройством формирования сигнала УФС. Радиопередающее
устройство может не содержать некоторых из приведенных на рисунке 1 элементов
схемы. Часто некоторые из элементов выполняют совмещенные функции, например
формирование несущего колебания, и модуляцию может осуществлять единый
структурный элемент или модуляция и усиление сигнала могут происходить в одном
элементе. Тем не менее, схема на рис. 1 характерна для широкого класса
радиопередающих устройств.[2]
1.
Ðàçðàáîòêà
è ðàñ÷åò
ñòðóêòóðíîé
ñõåìû
Разрабатываемый
передатчик должен обеспечивать на своем выходе электромагнитные колебания с
однополосной модуляцией с подавлением несущей на 32-40дБ. Уровень выходной
мощности должен быть равен 25 Вт. Однополосную модуляцию можно осуществить с
помощью балансного модулятора с последующей фильтрацией сигнала. При этом
осуществить фильтрацию на рабочей частоте практически невозможно, так как
требования к крутизне скатов АЧХ фильтра очень высоки и могут быть обеспечены
только электромеханическими фильтрами, неспособными работать на достаточно
высоких частотах. Поэтому проведем модуляцию и фильтрацию боковой полосы на
фиксированной частоте 500кГц, которую получим путем деления частоты опорного
кварцевого генератора на 10. Для сдвига полученного сигнала в рабочую полосу
частот применим второй балансный модулятор. Возникающие при этом побочные
составляющие могут быть отфильтрованы обычным полосовым фильтром. Передатчик
должен работать на частоте 150 МГц. Поскольку необходим шаг перестройки частоты
равный 100 кГц, необходимо предусмотреть синтезатор частоты. На вход синтезатора
необходимо подать опорный сигнал с частотой 100кГц. Опорный сигнал получим
путем деления частоты сигнала 500кГц на 5.Основными элементами синтезатора
частоты являются фазовый детектор, фильтр нижних частот, генератор управляемый
напряжением и делитель на 1495. Вышеуказанные элементы образуют возбудитель
передатчика.
Определим
структурную схему тракта усиления мощности. Усилительный тракт должен быть
способен обеспечит на выходе мощность 25 Вт. Определим число усилительных
каскадов, необходимых для обеспечения заданной мощности. Примем мощность на
выходе возбудителя равной 10 мВт. Тогда необходимый коэффициент усиления по
мощности равен
.
Для
получения необходимого коэффициента усиления возьмем два каскада по 10 и один
25. Для обеспечения согласования усилительных каскадов между собой и с антенной
введем согласующие звенья − Т-образные согласующие цепочки. В качестве
оконечного усилительного каскада применим однотактный усилитель на транзисторе
КТ948А. Этот транзистор способен обеспечить выходную мощность до 40 Вт. В
предвыходном каскаде применим транзистор КТ938Б-2. В опорном генераторе в
качестве активного элемента используем транзистор КТ315Б.
Для
усиления модулирующего сигнала дополнительно введем УНЧ. На основе вышеизложенного
составим структурную схему передатчика. Полученная схема приведена на рисунке
2.
Рис.
2 - Структурная схема передатчика.
На
рис. 2 использованы следующие обозначения: ОГ - опорный генератор, :10 и :5 -
делители частоты на 10 и 5 соответственно, СМ1 и СМ2 - преобразователи частоты,
ЭМФ - электромеханический фильтр одной боковой частоты, ПФ - полосовой фильтр,
УНЧ - усилитель низкой частоты, ФД - фазовый детектор (дискриминатор), ДПКД -
делитель частоты с переменным коэффициентом деления, ГУН - Генератор
управляемый напряжением, ФНЧ - фильтр нижних частот, Кi - каскады
усилителя мощности, СУ - согласующие устройства.
2. Ðàñ÷åò
âûõîäíîãî
êàñêàäà
ïåðåäàò÷èêà
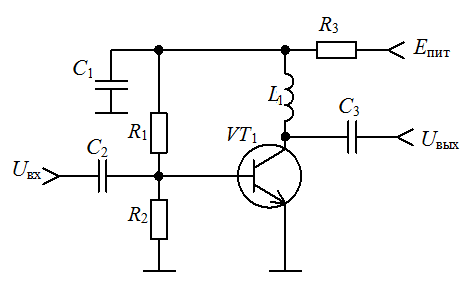
Как
было указано ранее, в качестве выходного каскада используем однотактный каскад.
Принципиальная схема такого каскада приведена на рис. 3
В
качестве активного элемента используем транзистор КТ948А.
Рис.
3 - Принципиальная схема каскада.
Таблица
1 - Основные параметры транзистора КТ948А
|
Характеристика
|
|
Выходная мощность , Вт40
|
|
|
Коэффициент передачи тока 20-200
|
|
|
Постоянное напряжение
коллектор - эмиттер , В80
|
|
|
Постоянное напряжение
эмиттер - база , В3
|
|
|
Постоянный ток коллектора , А5
|
|
|
Внутреннее сопротивление
базы , Ом0,4
|
|
|
Внутреннее сопротивление
эмиттера , Ом0,7
|
|
|
Частота транзита, ГГц1,5
|
|
|
Индуктивность эмиттера , нГн0,24
|
|
|
Индуктивность базы , нГн1,2
|
|
|
Емкость коллекторного
перехода , пФ30
|
|
|
Емкость эмиттерного
перехода , пФ310
|
|
2.1 Расчет коллекторной цепи
Напряжение
питания
= 30 В. Угол отсечки выберем θ=90̊.
)
Рассчитаем коэффициент использования источника питания ξкр в
критическом режиме
,
где
- коэффициент Берга для первой гармоники.
)
Рассчитаем амплитуду первой гармоники напряжения U1 на коллекторе транзистора в критическом режиме
)
Максимальное напряжение на коллекторе
)
Амплитуда первой гармоники коллекторного тока
где
P1 =25 Вт -
выходная мощность передатчика.
)
Максимальный коллекторный ток
)
Постоянная составляющая коллекторного тока
)
Максимальная мощность, потребляемая от источника питания
)
Мощность, рассеиваемая на коллекторе транзистора
)
Сопротивление коллекторной нагрузки (эквивалентное выходное сопротивление
каскада усиления)
10)
Коэффициент полезного действия коллекторной цепи при номинальной нагрузке
2.2
Расчет входной цепи
)
Постоянная составляющая коллекторного тока
)
Постоянные составляющие эмиттерного токов
)
Расчет дополнительных параметров.
Дополнительное
сопротивление
Дополнительный
параметр χ
)
Амплитуда тока базы
)
Максимальное обратное напряжение на эмитерном переходе
где
Eотс -
напряжение отсечки, для кремниевых транзисторов Eотс ≈0,7 В.
)
Найдем эквивалентные параметры транзистора для включения в схеме с общим эмиттером.
Эквивалентная
индуктивность транзистора
Эквивалентное
сопротивление транзистора
Эквивалентная
емкость транзистора
Активная
составляющая входного сопротивления транзистора
радиопередающий
транзисторный автогенератор коллекторный
Реактивная
составляющая входного сопротивления транзистора
Входное
сопротивление транзистора
)
Рассчитаем входную мощность
)
Коэффициент усиления по мощности

Определим
номиналы разделительных конденсаторов, на рабочей частоте их сопротивление
должно быть мало по сравнению с сопротивлением нагрузки:
Из
стандартного ряда выбираем 220 пФ.
Аналогичными
рассуждениями будем оперировать и при нахождении значений номинала
индуктивности. Только их сопротивление должно быть велико по сравнению с
сопротивлением нагрузки на центральной рабочей частоте, а потому запишем:
Конденсатор
С1 необходим для цепи питания для токов высокой частоты. Его сопротивление
должно быть намного меньше, чем сопротивление разделительных конденсаторов.
Выберем его номинал равным 0,01 мкФ.
.4
Расчет выходного согласующего устройства
Согласующее устройство должно обеспечивать согласование выхода оконечного
каскада, имеющего выходное сопротивление 17 Ом с фидером, имеющим сопротивление
50 Ом. Cхема согласующего устройства
представлена на рисунке 4.
Здесь R1>R2. Тогда R2=Rэ=17 Ом, а R1=Rн =50 Ом. Расчет будем вести для максимальной частоты
рабочего диапазона fр=150 МГц.
Рис. 4 − Принципиальная схема цепи согласования
где
Q1=10 -
выбранное значение добротности.
Определим
вспомогательную добротность второй половины согласующей цепи:
Определим
вторую часть сопротивления поперечной ветви:
.
Выбираем
значения
и
,
3. Ðàñ÷åò
ïðåäîêîíå÷íîãî
êàñêàäà
ïåðåäàò÷èêà
Схема
предоконечного каскада аналогична схеме оконечного и приведена на рисунке 3.
Выходной мощностью предоконечного каскада является входная мощность оконечного
каскада, то есть
В качестве активного элемента используем транзистор
КТ938Б-2. Его основные параметры приведены в таблице 2.
Таблица
2 - Основные параметры транзистора КТ938Б-2
|
Характеристика
|
Значение
|
|
Выходная мощность , Вт1,5
|
|
|
Коэффициент передачи тока 30
|
|
|
Постоянное напряжение
коллектор - эмиттер , В>60
|
|
|
Постоянное напряжение
эмиттер - база , В15
|
|
|
Постоянный ток коллектора , А0,2
|
|
|
Внутреннее сопротивление
базы , Ом0,2
|
|
|
Внутреннее сопротивление
эмиттера , Ом0,5
|
|
|
Частота транзита, ГГц1,5
|
|
|
Индуктивность эмиттера , нГн1,1
|
|
|
Индуктивность базы , нГн1,8
|
|
|
Емкость коллекторного
перехода , пФ4,5
|
|
|
Допустимая температура
перехода, К
|
150
|
3.1 Расчет коллекторной цепи
Напряжение
питания
= 30 В. Угол отсечки выберем θ=90̊.
)
Рассчитаем коэффициент использования источника питания ξкр в
критическом режиме
,
где
- коэффициент Берга для первой гармоники.
)
Рассчитаем амплитуду первой гармоники напряжения U1 на коллекторе транзистора в критическом режиме
)
Максимальное напряжение на коллекторе
)
Амплитуда первой гармоники коллекторного тока
где
P1 =1 Вт -
выходная мощность передатчика.
)
Максимальный коллекторный ток
)
Постоянная составляющая коллекторного тока
7)
Максимальная мощность, потребляемая от источника питания
)
Мощность, рассеиваемая на коллекторе транзистора
)
Сопротивление коллекторной нагрузки (эквивалентное выходное сопротивление
каскада усиления)
)
Коэффициент полезного действия коллекторной цепи при номинальной нагрузке
3.2
Расчет входной цепи
)
Постоянная составляющая коллекторного тока

)
Расчет дополнительных параметров.
Дополнительное
сопротивление
Дополнительный
параметр χ
)
Амплитуда тока базы
)
Максимальное обратное напряжение на эмитерном переходе
где
Eотс -
напряжение отсечки, для кремниевых транзисторов Eотс ≈0,7 В.
)
Найдем эквивалентные параметры транзистора для включения в схеме с общим
эмиттером.
Эквивалентная
индуктивность транзистора
Эквивалентная
сопротивление транзистора
Эквивалентная
емкость транзистора
Активная
составляющая входного сопротивления транзистора
Реактивная
составляющая входного сопротивления транзистора
Входное
сопротивление транзистора
)
Рассчитаем входную мощность
)
Коэффициент усиления по мощности
.3
Расчет элементов
Определим
номиналы разделительных конденсаторов на рабочей частоте их сопротивление
должно быть мало по сравнению с сопротивлением нагрузки:
Из
стандартного ряда выбираем 22 нФ.
Аналогичными
рассуждениями будем оперировать и при нахождении значений номинала
индуктивности. Только их сопротивление должно быть велико по сравнению с
сопротивлением нагрузки на центральной рабочей частоте, а потому запишем:
Конденсатор
С1 необходим для цепи питания для токов высокой частоты. Его сопротивление
должно быть намного меньше, чем сопротивление разделительных конденсаторов.
Выберем его номинал равным 0,01 мкФ.
3.4
Расчет согласующего устройства
Согласующее устройство должно обеспечивать согласование выхода
предоконечного каскада, имеющего выходное сопротивление 448 Ом с оконечным,
имеющим сопротивление 2 Ом. Cхема
согласующего устройства представлена на рисунке 5.
Здесь R1>R2. Тогда R1=Rэ=448 Ом, а R2=rвх =2 Ом. Расчет будем вести для
максимальной частоты рабочего диапазона fр=150 МГц.
Рис. 5 − Принципиальная схема цепи согласования
.
Индуктивность
катушки:
Емкость
конденсатора:
Выбираем
значения
и
4. Ðàñ÷åò
òðàíçèñòîðíîãî
àâòîãåíåðàòîðà
Наиболее
распространенными задающими автогенераторами являются генераторы на биполярных
транзисторах с кварцевой стабилизацией частоты.
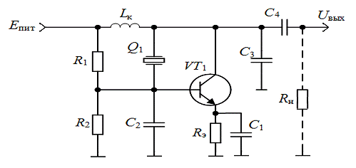
На
рис. 4 изображена принципиальная электрическая схема транзисторного
автогенератора. Колебательная система здесь образована кварцевой пластиной,
играющей роль индуктивности, и конденсаторами C2 и C2.
Рис.
4 − Принципиальная электрическая схема кварцевого автогенератора на
биполярном транзисторе
4.1
Выбор транзистора
Выбираем
высокочастотный транзистор малой мощности КТ315Б. Его основные характеристики
приведены в таблице 3.
Таблица
3 − Основные параметры транзистора КТ315Б
|
Характеристика
|
Значение
|
|
Выходная мощность , мВт150
|
|
|
Коэффициент передачи тока 50 - 350
|
|
|
Постоянное напряжение
коллектор - эмиттер , В20
|
|
|
Постоянное напряжение
эмиттер - база , В6
|
|
|
Постоянный ток коллектора , мА100
|
|
|
Частота транзита, МГц250
|
|
4.2 Электрический расчет
Для
расчета зададимся величинами постоянной составляющей тока коллектора
, напряжениями
и
.
Исходя
из заданных величин, определим сопротивление
.
Ом.
Выберем
ближайший стандартный номинал
Ом.
Напряжение
источника питания должно составлять
В.
,
где
− статический коэффициент передачи тока базы.
Тогда
мкА.
Ток
делителя напряжения цепи смещения выберем из условия
.
Тогда
суммарное сопротивление делителя
кОм.
Так
как активный элемент − кремниевый транзистор, напряжение между его базой
и эмиттером равно
В. Тогда напряжение смещения равно
В.
Тогда
сопротивления, составляющие делитель цепи смещения, равны
кОм;
кОм.
Выберем
стандартные значения
5,6кОм,
кОм.
Определим
крутизну
,
где
с − постоянная времени цепи обратной связи
транзистора,
− емкость коллекторного перехода.
Эквивалентное
сопротивление
равно
.
Тогда
мА/В.
Примем
коэффициент регенерации
. Тогда
Ом.
Примем
коэффициент обратной связи
. Тогда
реактивное сопротивление
где
Ом.
Ом.
Найдем
номиналы конденсаторов С2 и С3. Как было указано ранее, С2
= С3, тогда
нФ.
Емкость
блокировочного конденсатора равна
нФ.
Индуктивность
блокировочного дросселя равна
мкГн.
Определим
необходимость дополнительного блокировочного дросселя из условия
,
Условие
выполнено, значит дополнительный блокировочный дроссель не нужен.
4.3
Энергетический расчет
Определим
используемые в расчете коэффициенты Берга и функции Бесселя. Они равны
,
,
,
.
Амплитуда импульса коллекторного тока составляет
мА
мА.
Амплитуда
первой гармоники коллекторного тока
.
Амплитуда
напряжения на базе равна
В.
Модуль
коэффициента обратной связи равен
.
Амплитуда
напряжения на коллекторе составляет
В
Мощность,
потребляемая от источника питания равна
мВт.
В
резонаторе рассеивается мощность, равная
.
Рассеиваемая
на кварцевом резонаторе мощность менее допустимой 2мВт.
На
транзисторе рассеивается мощность
мВт.
Оценим
величину допустимого сопротивления нагрузки. Оно составляет
.
5. Ðàñ÷åò
íåñòàíäàðòíîé
äåòàëè
Рассчитаем
радиатор охлаждения транзистора КТ948А выходного каскада. На этом транзисторе
рассеивается мощность
Вт. При этом температура кристалла транзистора не
должна превышать
=473К. Тепловое сопротивление между кристаллом и
корпусом составляет
К/Вт. Остальными составляющими теплового сопротивления
можно пренебречь, так как они достаточно малы. Для расчета примем температуру
окружающей среды равной
К. Тогда необходимое тепловое сопротивление радиатора
составляет
,
где
- внутреннее тепловое сопротивление между структурой
и корпусом транзистора, которое определяется конструкцией внутренней части
транзистора;
-
сопротивление теплового контакта между корпусом и теплоотводом.
,
где
- площадь поверхности контакта транзистора и
радиатора;
-
мощность, рассеиваемая транзистором, расположенном на радиаторе;
.
Величина
является исходной для проектирования радиатора.
Тепловое
сопротивление игольчато - штыревого радиатора (высота штырей 12,5...32 мм и шаг
7...9 мм) в свободном пространстве при естественном воздушном охлаждении можно
определить по формуле:
.
В
этой формуле
измеряется в градусах Кельвина на ватт,
- объем радиатора.
.
В
результате расчетов получили объем радиатора
.
Рассчитанное
значение температуры является допустимым для транзистора.
6.
Òðåáîâàíèÿ
ê èñòî÷íèêó
ïèòàíèÿ
Источник питания должен обеспечивать постоянное однополярное напряжение
30 В с малым уровнем пульсаций. Необходимо также, чтобы он обеспечивал мощность
не менее 35 Вт. Для питания преобразователей частоты необходим источник питания
с напряжением 15В.
Для питания автогенератора рекомендовано использовать отдельный источник
питания небольшой мощности (Eпит=9 В), а для питания операционного
усилителя двухполярный источник питания ± 15 В.
ВЫВОДЫ
В проделанной курсовой работе был произведен расчет радиопередающего
устройства для однополосной телефонии (J3E), работающего на
частоте 150 МГц и имеющего выходную мощность 25 Вт отвечающего требованиям
технического задания. В процессе выполнения работы были изучены основные
принципы конструкторской работы, получены навыки в работе со справочной
литературой и принципиальными схемами. Были также изучены методики расчета
режимов работы блоков схемы.
ПЕРЕЧЕНЬ ССЫЛОК
1. Шахшльдян
В.В. Проектирование радиопередающих устройств. - М.: Радио и связь, 1984. - 424
с.
. Терещук
Р.М., Терещук К.М., Седов С.А. Справочник радиолюбителя. - Киев.: Наукова
думка, 1989. - 800 с.
. Петров
Б.Е., Романюк В.А. Радиопередающие устройства на полупроводниковых приборах. -
М.: Высшая школа, 1989. - 232 с.
. Благовещенский
М.В., Уткин Г.М. Радиопередающие устройства. - М.: Радио и связь, 1982. - 408
с.