Проект атомной электрической станции
Введение
На сегодняшний день ядерная энергетика является важной и неотъемлемой
частью мировой экономики. В мире действуют 434 ядерных энергоблока, которые
вырабатывают более 14% всей электроэнергии в мире. Основными предпосылками
развития и функционирования ядерной энергетики являются, во-первых, высокая
калорийность ядерного топлива (примерно в 2×106 раза выше, чем органического топлива). Поэтому на основе
ядерной энергетики можно развивать энергетическую базу районов, лишенных
собственных запасов энергетического сырья, без увеличения затрат на его
доставку. Во-вторых малое, в условиях нормальной эксплуатации, загрязнение
окружающей среды, что характерно при сжигании органического топлива, где
расходуется огромное количество кислорода и происходит выброс продуктов
сгорания в окружающую среду.
Суммарное производство электроэнергии на АЭС в год в настоящее время
эквивалентно сжиганию на ТЭС-550×106 тонн угля или 320×106 тонн нефти. ТЭС электрической мощностью 1000 МВт
потребляет в год 3×106 тонн угля, производя при этом 7×106 тонн углекислого газа, 120×103 тонн диоксида серы, 20×103 тонн оксидов азота и 750×103 тонн золы. Накопление в атмосфере
диоксида углерода и ряда других продуктов сгорания уже к 2030 году может
привести к парниковому эффекту и глобальному росту температуры на 1,5-4,5 К, в
результате уровень мирового океана поднимется на 0,8-1,7 м.
Проект АЭС с реакторами ВВЭР нового поколения учитывает положительный
опыт эксплуатации и направлен на снижение вероятности тяжелых аварий путем
использования высоконадежных активных и пассивных систем безопасности.
Только одними пассивными системами без вмешательства оператора можно
расхолодить реактор и привести его в безопасное состояние. В случае аварии
повышенная безопасность станции избавляет от необходимости эвакуации населения
и уменьшает экологический риск аварии.
Атомная энергетика в экономике многих стран занимает значительное место,
что отказ от неё уже невозможен. В России эксплуатируется 25 энергоблоков на 9
АЭС. Россия занимает 5 место по количеству вырабатываемой энергии на АЭС, а по
вкладу АЭС в общее производство электроэнергии 15 место (12%).В этих условиях
становится очевидно необходимость строительства АЭС.
1.
Технико-экономическое обоснование строительства АЭС
Методика расчета показателей эффективности инвестиционных проектов
состоит из 4 основных частей:
. Выбор основных технических характеристик проектируемых объектов
на основе литературных и других источников.
. Расчет сметы затрат на производство по каждому инвестиционному
проекту.
. Расчет показателей эффективности инвестиционных проектов.
. Выводы по результатам анализа и сопоставления показателей
эффективности инвестиционных проектов.
Выбор основных технических характеристик может быть ориентировочным. При
выборе альтернативных вариантов должны обеспечиваться следующие условия
сопоставимости объектов:
обеспечение полной энергетической взаимозаменяемости сравниваемых
вариантов (принцип равного энергетического эффекта), т.е. обеспечение
потребителей требуемыми видами энергии одинаковыми в количественном и
качественном отношении;
рассмотрение каждого из сравниваемых вариантов при оптимальных для него
условиях;
определение экономических показателей для одинаковых уровней цен,
моментов времени, климатических и территориальных условий;
показатели надежности имеют одинаковые значения;
варианты уравнены по экологическому воздействию.
В смету затрат на производство включаются следующие годовые
эксплуатационные издержки:
материальные затраты, в том числе:
издержки на топливо для технологических нужд;
издержки на ремонт;
прочие материальные затраты (вода, электроэнергия, ГСМ, топливо на прочие
нужды и т.д.);
заработная плата;
начисления на заработную плату;
амортизация основных фондов;
прочие расходы:
командировочные расходы, услуги связи, охрана, плата за ПДВ и т.д.;
налог на имущество;
другие федеральные, региональные и местные налоги, относимые на
деятельность предприятий (водный, земельный), а также иные расходы.
Эффективность инвестиционных проектов оценивается с помощью показателей
эффективности: ЧДД, ИД, ВНД, Ток.
Чистый дисконтированный доход (ЧДД) - превышение интегральных результатов
над интегральными затратами по проекту.
ЧДДt =
(Rt - Зt) * бt -
Кt * бt,
млн. руб.
где Rt - результат (доходы), достигаемые на
t-ом шаге расчета;
Зt - затраты (без капитальных),
осуществляемые на t-том шаге;
,
где
бt - коэффициент дисконтирования;
Е
- норма дисконта, равная приемлемой для инвестора норме дохода на капитал
(принимается по рекомендации консультанта);
t - номер шага
расчета, как правило, по годам, начиная с момента начала осуществления проекта
(строительства, монтажа и др.);
Кt -
капиталовложения на t-том шаге.
Если ЧДД>0, то проект эффективен и может быть реализован на практике.
Индекс доходности (ИД) - отношение суммы приведенных эффектов к величине
капиталовложений.
ИД
=
((Rt - Зt) * бt) /
(Кt * бt.)
Если
ИД >1, то проект эффективен, в противном случае - нет. Внутренняя норма
доходности (ВНД) - это такая норма дисконта (Евн), при которой величина
эффектов равна капиталовложениям.
(Rt -
Зt) * (1 + Евн) - t =
Кt * (1 + Евн) - t
Если
Евн больше либо равна требуемой инвестором нормой дохода на капитал Евн≥Е,
то инвестиции в проект оправданы. Если сравнение вариантов по ЧДД и ВНД
приводит к противоположным результатам, то предпочтение отдается ЧДД.
Срок
окупаемости - это период времени от начала проекта до момента времени в
расчетном периоде, после которого ЧДД становиться положительным. Определяется
графически или по уравнению.
Проведем
сравнение двух вариантов АЭС и КЭС, работающей на угле. АЭС мощностью 4000 МВт
состоит из четырех блоков по 1000 МВт с водо-водяными энергетическими
реакторами ВВЭР-1000 и турбинами К-1000-60/1500.
При сравнении вариантов энергоснабжения соблюдаются следующие условия
сопоставимости:
1. Обеспечение полной энергетической взаимозаменяемости сравниваемых
вариантов (принцип равного энергетического эффекта), т.е. обеспечение
потребителей требуемыми видами энергии, одинаковыми в количественном и
качественном отношениях.
2. Рассматривание каждого из сравниваемых вариантов при оптимальных
для него условиях.
. Определение экономических показателей сравниваемых вариантов для
одинаковых уровней цен, моментов времени, климатических и территориальных
условий.
Таблица 1 Исходные данные расчета показателей эффективности
|
Наименование
|
Единица измерения
|
Обозначение
|
Величина
|
|
1 Удельные капитальные
вложения в АЭС
|
руб./кВт
|
63000
|
|
|
2 Удельные капитальные
вложения в КЭС
|
руб./кВт
|
55000
|
|
|
3 Число часов использования
электрической мощности
|
ч/год
|
7100
|
|
|
4 Расход электроэнергии на
собственные нужды АЭС
|
%
|
5,9
|
|
|
5 Расход электроэнергии на
собственные нужды КЭС
|
%
|
7
|
|
|
6 Срок строительства АЭС
|
лет
|
7
|
|
|
7 Срок строительства КЭС
|
лет
|
7
|
|
|
8 Удельный расход топлива
на выработку электроэнергии на АЭС
|
г.у.т/кВт*ч
|
415
|
|
|
9 Удельный расход топлива
на выработку электроэнергии на КЭС
|
г.у.т/кВт*ч
|
350
|
|
|
10 Глубина выгорания
ядерного топлива
|
МВт*сут/кг(UO2)
|
В
|
40
|
|
11 Тариф на электроэнергию
в 2010 г.
|
коп/кВт*ч
|
260
|
|
|
12 Другие материальные
затраты в долях от затрат на топливо, ремонт и т.д.
|
-
|
0,1
|
|
|
13 Штатный коэффициент АЭС
|
чел./МВт
|
0,5
|
|
|
14 Штатный коэффициент КЭС
|
чел./МВт
|
0,8
|
|
|
15 Затраты на ремонт, в
долях от капитальных вложений
|
-
|
0,02
|
|
|
16 Годовой фонд заработной
плоты одного работника АЭС
|
руб./год
|
270000
|
|
|
17 Годовой фонд заработной
плоты одного работника КЭС
|
руб./год
|
220000
|
|
|
18 Отчисления на социальные
нужды
|
-
|
0,262
|
|
|
19 Срок полезного
использования оборудования АЭС
|
лет
|
45
|
|
|
20 Срок полезного
использования оборудования КЭС
|
лет
|
35
|
|
|
21 Плата по кредитам, за
ПДВ и др.
|
-
|
0,2
|
|
|
22 Налог на имущество (от
капитальных вложений)
|
-
|
0,022
|
|
|
23 Земельный налог
|
-
|
0,015
|
|
|
24 Водный налог
|
 0,39
|
|
|
|
25 Налог на прибыль
|
-
|
0,2
|
|
|
26 Коэффициент коррекции к
тарифам
|
-
|
гтариф
|
0,8
|
|
27 Удельная кадастровая
стоимость земли
|
kзем280
|
|
|
|
28 Норма дисконта АЭС
|
%
|
Е
|
10
|
|
29 Норма дисконта КЭС
|
%
|
Е
|
12
|
|
30 Год начала эксплуатации
|
-
|
|
2010
|
|
31 Операционный период
|
лет
|
Т
|
20
|
1.1 Расчет
показателей эффективности инвестиционного проекта АЭС
Определение общей выработки электроэнергии электростанции:

Определение
отпуска электроэнергии с шин электростанции:

Эсн
- расход электроэнергии на собственные нужды
Расчет
капитальных вложений: 

-
удельные капитальные вложения, руб./кВт
Капитальные
вложения в систему магистральных ЛЭП:
kЛЭП - удельные
капитальные вложения в систему транспорта ЭЭ, руб./кВт*км
LЛЭП-длина
магистральной ЛЭП, км
Общие
капиталовложения в АЭС, ЛЭП:
Годовые
капитальные вложения на t-ом шаге расчетного периода:

,
Тстр-
инвестиционный период
Расчет
себестоимости производства и затрат по проекту в 1-ом году эксплуатации.
Материальные
затраты:
Топливные
издержки на производство электроэнергии:
Расход
топлива на АЭС:

,
bээ - удельный
расход топлива на выработку ээ, г у.т./кВт*ч

-цена
топлива используемого на станции, руб./
В-глубина
выгорания топлива, МВт сут /
Издержки
на ремонт:

,
Прочие
материальные издержки:

другие
материальные затраты в долях от затрат на топливо, ремонт.
В
итоге материальные затраты составляют:
Издержки
на заработную плату:

,

- штатный
коэффициент, чел./МВт
Отчисления
на социальные нужды:
Амортизация
основных фондов рассчитывается линейным способом:
Коэффициент
амортизации:
Прочие
затраты:
Плата
за ПДВ, командировочные расходы, услуги связи, охрана и т.д.:

- плата
за ПДВ, командировочные расходы, услуги связи, охрана и т.д. в долях от затрат
на ремонт, заработной платы с начислениями и амортизации.
Налог
на имущество организаций:

- ставка
налога на имущество
Земельный
налог:
,
kзем - удельная
кадастровая стоимость земли, руб./м2
Hзем - ставка
земельного налога
Водный
налог:
Hвод - ставка водного
налога,
-удельный
обьем воды приходящийся на кВт*ч, м3/ кВт*ч
Смета
затрат:

=
7320,45+540+141,48+
+
=29554,0
млн. руб.
Выручка
от реализации электроэнергии в первый (2010) год эксплуатации:
Валовая
прибыль в первый (2010) год эксплуатации:
Налог
на прибыль в первый (2010) год эксплуатации:
Чистая
прибыль в первый год эксплуатации:
НПР - ставка налога на прибыль
Затраты
по проекту в первый (2010) год эксплуатации:
Срок
окупаемости для данного инвестиционного проекта равен 20,5 годам.
Индекс
доходности для проекта АЭС:
1.2 Расчет
показателей эффективности инвестиционного проекта КЭС
Определение отпуска электроэнергии с шин электростанции:
Определение общей выработки электроэнергии электростанции:
Эсн - расход электроэнергии на собственные нужды
Установленная мощность КЭС:
Расчет
капитальных вложений:


-
удельные капитальные вложения
Капитальные
вложения в систему магистральных ЛЭП:
kЛЭП - удельные
капитальные вложения в систему транспорта ЭЭ, руб./кВт*км
LЛЭП-длина
магистральной ЛЭП, км
Общие
капиталовложения в АЭС, ЛЭП:
Годовые
капитальные вложения на t-ом шаге расчетного периода:

,
Тстр-
инвестиционный период
Расчет
себестоимости производства и затрат по проекту в 1-ом году эксплуатации.
Годом
начала эксплуатации станции считаем 2010 год, значит годом начала строительства
является 2003 год. Исходя из этого определяем в дальнейшем цены на топливо в
соответствующем году.
Материальные
затраты:
Топливные
издержки на производство электроэнергии:

-цена
топлива используемого на станции, руб./т.у.т
bээ - удельный
расход топлива на выработку ээ, г у.т./кВт*ч
Издержки
на ремонт:
Прочие
материальные издержки:

другие
материальные затраты в долях от затрат на топливо, ремонт.
В
итоге материальные затраты составляют
Издержки
на заработную плату

- штатный
коэффициент, чел./МВт
Отчисления
на социальные нужды:
Амортизация
основных фондов рассчитывается линейным способом:
Коэффициент
амортизации:
Прочие
затраты:
Плата
за ПДВ, командировочные расходы, услуги связи, охрана и т.д.:

- плата
за ПДВ, командировочные расходы, услуги связи, охрана и т.д. в долях от затрат
на ремонт, заработной платы с начислениями и амортизации.
Налог
на имущество организаций:

- ставка
налога на имущество
Земельный
налог:
,
kзем - удельная
кадастровая стоимость земли, руб./м2
Hзем - ставка
земельного налога
Водный
налог:
Hвод - ставка водного
налога,
-удельный
объем воды приходящийся на кВт*ч, м3/ кВт*ч
Смета
затрат:

=
26083,84+445,20+116,64+
+
=50657,80
млн. руб.
Выручка
от реализации электроэнергии в первый (2010) год эксплуатации:
Валовая
прибыль в первый (2010) год эксплуатации:
Налог
на прибыль в первый (2010) год эксплуатации:
Чистая
прибыль в первый год эксплуатации:
НПР - ставка налога на прибыль
Затраты
по проекту в первый (2010) год эксплуатации:
Данный
инвестиционный проект угольной КЭС в Северо-западном регионе можно считать не
рентабельным. Этот следует из-за того, что в данном регионе отсутствует
месторождения угля, что ведет к значительному увеличению цены на данное топливо
в этом регионе.
Индекс
доходности для проекта КЭС:
Показатели
эффективности сравниваемых вариантов
|
Показатель
|
АЭС
|
КЭС (уголь)
|
|
ЧДД, млн. руб.
|
59303,750
|
-191970,430
|
|
ВНД, %
|
12,25
|
5,85
|
|
ИД, руб./руб.
|
1,209
|
0,428
|
|
СО, лет
|
20,5
|
-
|
Вывод: По результатам проведенных расчетов можно сказать, что
инвестиционный проект АЭС в районе Северо-запада является более рентабельным,
чем проект угольной КЭС, так как в данном регионе отсутствует месторождение
угля, что значительно увеличивает его стоимость.
2.
Характеристика электрических нагрузок района
Необходимо спроектировать АЭС в Северо-западном регионе на реке Неве.
Условия работы электрической системы и входящих в ее состав электростанций
определяются режимом электропотребления района.
На рисунке показан график электрических нагрузок. Так как АЭС работает в
базовой части графика, то продолжительное время АЭС работает на номинальном
режиме. Всего в году данная АЭС работает 8088 часов, из них 2664 часов - на
пониженной нагрузке. Остальное время в году - профилактика.
Годовой график электрической нагрузки станции
3. Расчет
тепловой схемы станции
3.1
Номинальный режим
Расчет тепловой схемы АЭС сводится к расчету ее турбоустановки. Конечная
цель такого расчета - определение расхода пара на турбину D0 при заданной ее электрической
мощности Nэ.
Исходные данные:
. Электрическая мощность турбины 1000 МВт;
. Начальные параметры пара:
давление 6 Мпа
температура 275 0 С
степень сухости 99,5%;
. Давление пара в конденсаторе 0,004МПа
Построение процесса работы пара в турбине в
h, s - диаграмме
Для определения состояния пара в ступенях турбины и в СПП строим процесс
расширения пара.
Параметры пара в точке 0:
хо=0,995.
Приняв потери давления в паровпускных клапанах в размере 3% от давления
свежего пара, получаем давление пара перед ЦВД
рo'= ро - 3% = 6 - 3% = 5,82 МПа
Процесс 0 - 0’ - процесс дросселирования пара в паровпускных и стопорных
клапанах. Процесс 0’-3t -
изоэнтропный процесс расширения пара в ЦВД. Энтальпия пара в конце
изоэнтропного процесса расширения h3t = 2464 кДж/кг. Процесс 0’ - 3 -
действительный процесс расширения в ЦВД. Энтальпия пара в конце действительного
процесса расширения может быть найдена по формуле:
h3 = ho - (hо - h3t)* h oi цвд = 2776 - (2776-2464)* 0.78 = 2533 кДж/кг
Параметры пара в точке 3:
h oi цвд
=0,78
х3 = 0,856
h3 =
2533 кДж/кг.
Учитываем потери давления пара в С, ПП0, ППс
рс=рд*0,98=0,98МПа;
рпп0=рс*0,975=0,956Мпа;
рппс= рпп0*0,975=0,93Мпа.
Процесс 34 - Kt - изоэнтропный
процесс расширения пара в ЦНД. Энтальпия пара в конце изоэнтропного процесса
расширения hкt =2120 кДж/кг.
Энтальпия пара в конце действительного процесса расширения 34 - К может
быть найдена по формуле
hк = h3 4 - (h3 4 - hкt)*h oi цнд = 2976 - (2976-2120)* 0,805 = 2286 кДж/кг.
Параметры пара в точке К
h oi
цнд=0,805;
хк=0,899;
hк=2286
кДж/кг.
Построение процесса расширения пара в приводной турбине питательного
насоса
Параметры пара перед стопорным клапаном турбины:
ро тп = 0,8 МПа
hотп =
2972 кДж/кг
Давление в конденсаторе турбины
рк тп = 0,006МПа
КПД турбины
hoi тп
=0,8
Энтальпия пара в конце изоэнтропного процесса расширения
h кt тп = 2184 кДж/кг
Энтальпия пара в конце действительного процесса расширения
hк тп
= ho тп - (ho тп - hкtтп)*hoiтп = 2972 - (2972-2184)*0,8 = 2343
кДж/кг.
Расчет параметров воды и водяного пара в характерных точках системы
регенеративных подогревателей
По известным давлениям Pj в
отборах на регенерацию определяем давления в соответствующих регенеративных
подогревателях.
Рпj = (1 - DРотб) * Рj,
где DРотб -
относительные потери давления в трубопроводах регенеративных отборов. Принимаем
DРотб = 0,04 МПа.
Рот1 = 2,726 МПа
Рот2 = 1,69 МПа
Рот3 = 0,96 МПа
Рот4 = 0,4128 МПа
Рот5 = 0,1824МПа
Рот6 = 0,0553 МПа
Рот7 = 0,0166 МПа
По таблицам свойств воды и водяного пара [1] определяем температуру
насыщения
tпj н = f (Pпj)
Температура нагреваемой воды не выходе из j-го подогревателя находится по формуле
tвj = tпjн - dtпj,
где дtпj - недогрев воды до температуры насыщения.
Энтальпия основного конденсата на выходе из конденсатора
hк = f (Рк) =121 кДж/кг
Энтальпия дренажа из сепаратора:
hдрс =
f (Р3) = 763 кДж/кг
Энтальпия дренажа из ППI:
hдрПП0
= f (Р1) = 994 кДж/кг
Энтальпия дренажа из ППII:
hдр
ППс = f (Ро) = 1203 кДж/кг
Результаты расчетов сведены в таблицу 3.1.
Давление конденсата за конденсатным насосом принимается равным
Давление
конденсата перед конденсатным насосом
Величина нагрева конденсата в конденсатном насосе принимается равной
,
где
м3/кг
°С
Температура
воды за конденсатным насосом
.
Энтальпия конденсата после конденсатного насоса
кДж/кг
кДж/кг
Работа
конденсатного насоса
Давление
питательной воды за питательным насосом принимается равным
.
Давление
питательной воды за питательным насосом принимается
Для
определения энтальпии за питательным насосом необходимо.
м3/кг
кДж/кг
Энтальпия
воды за питательным насосом
кДж/кг
Работа
питательного насоса
Параметры воды и пара в характерных точках системы регенерации
|
Точка процесса
|
Элемент схемы
|
Пар в отборах турбины
|
Пар в регенеративных
подогревателях
|
Обогреваемая вода
|
|
|
Рот, МПа
|
Х(t), % (0С)
|
hот, кДж/кг
|
Рпj, МПа
|
tпj H, °C
|
hдр, кДж/кг
|
Рвj, МПа
|
дt °С
|
tвj, °С
|
hвj, кДж/кг
|
|
0
|
|
6,0
|
99,5
|
2776
|
-
|
-
|
-
|
-
|
-
|
-
|
-
|
|
0’
|
-
|
5,82
|
99,4
|
2776
|
-
|
-
|
-
|
-
|
-
|
-
|
-
|
|
1
|
П1
|
2,84
|
92,8
|
2676
|
2,726
|
229
|
871
|
8,0
|
5
|
224
|
964
|
|
2
|
П2
|
1,76
|
90,3
|
2610
|
1,69
|
204
|
757
|
8,5
|
5
|
199
|
851
|
|
3
|
П3
|
1,0
|
87,8
|
2533
|
0,96
|
178
|
716
|
9,0
|
5
|
173
|
737
|
|
Д
|
|
|
|
0,662
|
163
|
-
|
0,662
|
0
|
163
|
684
|
|
3 1
|
С
|
0,98
|
99,8
|
2773
|
-
|
-
|
763
|
-
|
-
|
-
|
-
|
|
32
|
ПП0
|
0,956
|
211°С
|
2860
|
-
|
-
|
994
|
-
|
-
|
-
|
-
|
|
3 3
|
ППс
|
0,93
|
262°С
|
2976
|
-
|
-
|
1203
|
-
|
-
|
-
|
-
|
|
3 4
|
-
|
0,9
|
261°С
|
2976
|
-
|
-
|
-
|
-
|
-
|
-
|
-
|
|
4
|
П4
|
0,43
|
200°С
|
2856
|
0,4128
|
145
|
609
|
1,25
|
6
|
139
|
585
|
|
5
|
П5
|
0,19
|
134°С
|
2736
|
0,1824
|
117
|
492
|
1.35
|
6
|
111
|
467
|
|
6
|
П6
|
0,0576
|
98,4
|
2633
|
0,0553
|
91
|
351
|
1,45
|
6
|
85
|
351
|
|
7
|
П7
|
0,0173
|
93
|
2440
|
0,0166
|
62
|
235
|
1,55
|
6
|
56
|
235
|
|
К
|
К
|
0,004
|
89,9
|
2286
|
-
|
-
|
-
|
0,004
|
0
|
29
|
121
|
Определение расходов греющего пара на элементы схемы
Расходы пара на элементы тепловой схемы турбоустановки в долях расхода
свежего пара на турбину определяется на основе решения уравнений теплового и
материального балансов элементов схемы.
Относительный
расход пара на турбоустановки
Относительный
расход пара из парогенераторов АЭС
Относительный
расход продувочной воды из парогенераторов
Относительный
расход питательной воды
Первоначально
рассчитываем сепаратор - промперегреватель, используя в качестве определяющей
величины долю расхода пара через промежуточные перегреватели aпп:
Отвод
влаги из сепаратора
Уравнение
теплового баланса для ПП0
Расход
пара на ППI:
Уравнение
теплового баланса для ППС:
Доля
отбора пара на ППС:
Уравнение
теплового баланса для ПВД 1:
Доля
отбора на ПВД №1:
Уравнение
теплового баланса для ПВД 2:
Доля
отбора пара на ПВД2:
Доля
отбора пара на ПВД 3:
Уравнение
материального баланса деаэратора:
Выразим
бкд и бдотп
Уравнение
теплового баланса деаэратора:
Из
совместного решения этих уравнений определяем расход греющего пара на
деаэратор:
И
расход основного конденсата:
Рассчитываем
в явном виде определяющее значение расхода пара через промежуточные
пароперегреватели:
Определяем
значения величин, выраженных через aпп:
Уравнение
теплового баланса для ПНД 4

|
Точка процесса
|
Элемент схемы
|
Пар в отборах турбины
|
Пар в регенеративных
подогревателях
|
Обогреваемая вода
|
|
|
Рот, МПа
|
Х(t), % (0С)
|
hот, кДж/кг
|
Рпj, МПа
|
tпj H, °C
|
hдр, кДж/кг
|
Рвj, МПа
|
дt °С
|
tвj, °С
|
hвj, кДж/кг
|
|
0
|
|
5,4
|
99,5
|
2776
|
-
|
-
|
-
|
-
|
-
|
-
|
-
|
|
0’
|
-
|
5,24
|
99,01
|
2776
|
-
|
-
|
-
|
-
|
-
|
-
|
-
|
|
1
|
П1
|
2,57
|
93,2
|
2676
|
2,46
|
223
|
829
|
6,8
|
5
|
218
|
936
|
|
2
|
П2
|
1,59
|
90,6
|
2612
|
1,53
|
199
|
745
|
7,3
|
5
|
194
|
828,08
|
|
3
|
П3
|
0,904
|
88
|
2533
|
0,867
|
174
|
689
|
7,8
|
5
|
169
|
718,73
|
|
Д
|
|
|
|
0,672
|
163
|
-
|
0,672
|
0
|
163
|
684
|
|
3 1
|
С
|
0,886
|
99,8
|
2768
|
-
|
-
|
743,5
|
-
|
-
|
-
|
-
|
|
32
|
ПП0
|
0,864
|
211
|
2860
|
-
|
-
|
969
|
-
|
-
|
-
|
-
|
|
3 3
|
ППс
|
0,84
|
262
|
2976
|
-
|
-
|
1179
|
-
|
-
|
-
|
-
|
|
3 4
|
-
|
0,81
|
261,5
|
2976
|
-
|
-
|
-
|
-
|
-
|
-
|
-
|
|
4
|
П4
|
0,41
|
200
|
2864
|
0,394
|
144
|
609
|
1,25
|
6
|
138
|
581,38
|
|
5
|
П5
|
0,181
|
140
|
2768
|
0,174
|
116
|
486
|
1,35
|
6
|
110
|
463
|
|
6
|
П6
|
0,0548
|
97,7
|
2688
|
0,0526
|
89
|
346
|
1,45
|
6
|
83
|
347
|
|
7
|
П7
|
0,0164
|
93,7
|
2448
|
0,0157
|
59
|
230
|
1,55
|
6
|
53
|
230
|
|
К
|
К
|
0,00378
|
90
|
2294
|
-
|
-
|
-
|
0,00378
|
0
|
27,99
|
117,33
|
|
|
|
|
|
|
|
|
|
|
|
|
|
Определение расходов греющего пара на элементы схемы произведем как и при
расчете номинальной нагрузки. Полученные результаты сведем в таблицу.
Результаты расчета тепловой схемы на пониженной нагрузке
|
Обозначение
|
Размерность
|
Результат
|
|
1
|
2
|
3
|
|
aс
|
-
|
0,0843
|
|
-0,0327
|
|
|
|
-0,0466
|
|
|
|
aот1
|
-
|
0,053
|
|
aот2
|
-
|
0,04937
|
|
aот3
|
-
|
0,01112
|
|
-0,0419
|
|
|
|
-0,691
|
|
|
|
aот4
|
-
|
0,02968
|
|
aот5
|
-
|
0,021715
|
|
aот6
|
-
|
0,02817
|
|
aот7
|
-
|
0,02628
|
|
aпт
|
-
|
0,01615
|
|
a01
|
-
|
0,9537
|
|
a12
|
-
|
0,8677
|
|
a23
|
-
|
0,81833
|
|
a34
|
-
|
0,62595
|
|
a45
|
-
|
0,5927
|
|
a56
|
-
|
0,57455
|
|
a67
|
-
|
0,548275
|
|
a7к
|
-
|
0,520105
|
|
h0’
- 1
|
кДж/кг
|
100
|
|
h1-2
|
кДж/кг
|
64
|
|
h2-3
|
кДж/кг
|
79
|
|
h3’ - 4
|
кДж/кг
|
112
|
|
h4-5
|
кДж/кг
|
96
|
|
h5-6
|
кДж/кг
|
180
|
|
h6-7
|
кДж/кг
|
140
|
|
h7-k
|
кДж/кг
|
154
|
|
кДж/кг630,144
|
|
|
|
D0
|
кг/с
|
1555,2
|
|
D1
|
кг/с
|
82,4256
|
|
D2
|
кг/с
|
76,78023
|
|
D3
|
кг/с
|
17,29382
|
|
D5
|
кг/с
|
33,77117
|
|
D6
|
кг/с
|
43,80999
|
|
D7
|
кг/с
|
40,87066
|
|
DПП
|
кг/с
|
72,47232
|
|
DПП0
|
кг/с
|
50,85504
|
|
DС
|
кг/с
|
131,1034
|
|
Dпв
|
кг/с
|
1570,752
|
|
Nэ
|
МВт
|
899,999
|
|
D
|
%
|
0,01
|
|
|
|
0,322
|
4.
Описание станции
4.1 Выбор
основного оборудования станции
Основным оборудованием станции являются: реакторная установка,
турбоустановка, электрогенераторы и трансформаторы.
Реактор
Основные характеристики серийной реакторной установки ВВЭР-1000
|
Наименование
|
Величина
|
|
Мощность, МВт Электрическая
Тепловая
|
1000 3200
|
|
КПД брутто, %
|
33
|
|
Расход воды через реактор,
м3/час
|
76000
|
|
Число петель главного
реакторного контура, шт.
|
4
|
|
Среднее обогащение топлива,
%
|
3,3-4,4
|
|
Средняя глубина выгорания
топлива, МВт*сут/кг
|
26-40
|
|
Средняя удельная
энергонапряженность активной зоны, МВт/м2
|
115
|
|
Средняя плотность теплового
потока, МВт/м2
|
0,545
|
|
Давление в корпусе
реактора, МПа
|
16
|
|
Температура воды на входе в
реактор, °С на выходе из реактора, °С
|
289 322
|
|
Скорость воды в активной
зоне, м/с
|
5,3
|
|
Диаметр и высота корпуса, м
|
4,5х10,85
|
Парогенератор
Парогенераторная установка принадлежит как первому, так и второму
контуру.
|
Характеристика
|
Значение
|
|
Тепловая мощность, МВт
|
750
|
|
Паропроизводительность,
кг/с
|
408
|
|
Давление пара, МПа
|
6,3
|
|
Температура пара, °С
|
278,5
|
|
Температура питательной
воды, °С
|
220
|
|
Расход теплоносителя, кг/с
|
4100
|
|
Давление теплоносителя, МПа
|
16
|
|
Температура теплоносителя
на входе / выходе ПГ, °С
|
322 / 289
|
|
Влажность пара на выходе из
парогенератора, %
|
Не более 0,25
|
|
Коэффициент теплопередачи,
Вт/(м2*К)
|
6370
|
|
Средняя плотность теплового
потока, Вт/м2
|
147000
|
|
Средняя скорость
теплоносителя, м/с
|
4,2
|
|
Масса парогенератора, т
|
321
|
|
Диаметр и толщина стенок
труб, мм
|
16х1,5
|
|
Число труб, шт.
|
11000
|
|
Средняя длина, м
|
11,3
|
|
Длина корпуса / внутренний
диаметр корпуса, мм
|
13,84х4000
|
Конструкция турбины
В состав турбоустановки входят турбоагрегат и вспомогательное
теплообменное оборудование: конденсаторы, регенеративные подогреватели,
деаэратор, конденсатный, питательный и циркуляционный насосы.
Турбина представляет собой одновальный агрегат, состоящий из четырех
цилиндров: одног ЦВД совмещенного с ЦВД и трех ЦНД. Парораспределение -
дроссельное. К-1000 выполнена без регулируемых отборов пара, с сепарацией и
однократным двухступенчатым перегревом (отборным свежим паром).
Основные характеристики турбины К-1000-60/1500-2
|
Характеристика
|
Значение
|
|
Электрическая мощность, МВт
|
1000
|
|
Давление свежего пара, МПа
|
5,88
|
|
Температура свежего пара,°С
|
274,3
|
|
Давление пара после
промперегрева, МПа
|
1,14
|
|
Температура перегрева, °С
|
250
|
|
Число отборов на
регенерацию, шт.
|
7
|
|
Давление отработавшего
пара, МПа
|
0,0039
|
|
Число выхлопов ЦНД, шт.
|
6
|
|
Температура питательной
воды, °С
|
223
|
|
Расчетный удельный расход
теплоты, кДж/кВт*ч
|
10600
|
|
Начальная степень сухости,
%
|
99,5
|
|
Расход пара на турбину, т/ч
|
6160
|
|
Длина турбины, м
|
50,7
|
|
Средний диаметр последней
ступени, м
|
4,15
|
|
Влажность пара после
турбины, %
|
13,0
|
Комплектно с турбиной К-1000-60/1500 поставляется генератор ТВВ-1000-4.
Основные характеристики генератора
|
Наименование характеристики
|
Величина
|
|
Мощность, МВт
|
1000
|
|
Напряжение на статоре, кВ
|
27
|
|
Коэффициент мощности
|
0,95
|
|
Номинальная скорость
вращения ротора, об/мин
|
1500
|
|
Частота потока, Гц
|
50
|
4.2 Основные характеристики вспомогательного оборудования
Компенсатор объема
На ВВЭР-1000 установлен компенсатор объема парового типа, вертикального
исполнения его со встроенными внутрь горизонтальными электронагревательными в
два ряда. Максимальные габаритные размеры по высоте 13,66 м, по диаметру 3,0 м.
Компенсатор объема изготавливается из углеродистой стали. Для обеспечения
требуемой коррозионной устойчивости внутренняя поверхность корпуса покрывается
нержавеющей сталью.
Характеристики компенсатор объема
|
Наименование характеристики
|
Величина
|
|
Объем:
|
|
-общий, м3
|
79
|
|
- пара в номинальном
режиме, м3
|
24
|
|
- соответствующий
перемещению уровня, м3
|
0,707
|
|
Рабочие параметры:
|
|
- давление, МПа
|
16,0
|
|
- температура, 0С
|
346
|
|
Давление срабатывания
предохранительных клапанов:
|
|
- первого, МПа
|
18,5
|
|
- второго и третего, МПа
|
19,0
|
|
Мощность
электронагревателя, кВт
|
2520
|
|
Количество блоков
электронагревателя, шт.
|
28
|
|
Внутренний диаметр
цилиндрической части корпуса, м
|
3,0
|
|
Масса, т
|
212
|
Главный циркуляционный насос
Главный циркуляционный насос предназначен для создания циркуляции
теплоносителя в замкнутом контуре. ГЦН состоит из насоса, выносного
электродвигателя и вспомогательных систем с механическим уплотнением вала. Для
АЭС с ВВЭР-1000 используется ГЦН-195. Он устанавливается на «холодной» нитке
петли реакторного контура. ГЦН работают в режиме параллельной работы четырех
насосов при номинальных параметрах теплоносителя. Давление в первом контуре,
при котором допускается включение ГЦН по условиям предотвращения кавитационного
износа рабочих лопаток, растет с повышением температуры и составляет 1,5-2,0
МПа.
Основные параметры ГЦН-195
|
Параметр
|
Значение
|
|
Подача насоса, м3 /час
|
20000
|
|
Температура теплоносителя, °С
|
300
|
|
Давление на всасе, МПа
|
15,6
|
|
Расчетное давление, МПа
|
18,0
|
|
Расчетная температура, °С
|
350
|
|
Напор насоса, МПа
|
0,675
|
|
Частота вращения, 1/с
|
16,7
|
|
Номинальное напряжение
электродвигателя, В
|
6000
|
|
Расход воды промежуточного
контура, м3/с
|
Более 0,015
|
|
Протечки запирающей воды в
контур, м3/ч
|
0,6
|
|
Температура запирающей
воды, °С
|
Менее 70
|
|
Высота, мм
|
11500
|
Конденсатор
Процесс конденсации пара, отработавшего в турбине, осуществляется в
конденсационной установке при постоянном давлении за счет нагрева охлаждающей
воды, температура которой ниже температуры насыщения пара.
Конденсационное устройство состоит из конденсаторной группы, конденсатных
насосов и воздухо-удаляющего устройства.
Конденсаторная группа состоит из трех конденсаторов подвального типа, что
обеспечивает более простую компоновку турбоагрегата. Конденсаторы снабжены
устройством для очистки трубок резиновыми шариками.
Характеристики конденсатора турбины К-1000-60/1500
|
Характеристика
|
Значение
|
|
Типоразмер конденсатора
|
К-33160
|
|
Температура охлаждающей воды,
°С
|
15
|
|
Давление в паровом
пространстве, кПа
|
3,9
|
|
Расход охлаждающей воды,
м3/ч
|
76480
|
|
Число ходов воды, шт.
|
1
|
|
Масса конденсатора без
воды, т
|
1890
|
Теплообменное оборудование системы регенеративного подогрева питательной
воды
Регенеративная установка предназначена для подогрева питательной воды
паром, отбираемым из нерегулируемых отборов турбины, и имеет четыре ступени
подогревателей низкого давления, три ступени подогревателей высокого давления и
деаэратор.
Основные характеристики ПНД (Завод - изготовитель ПОТКЗ)
|
Типоразмер
|
Площадь поверхности
теплообмена, м2
|
Номинальн.массов. расход
воды, кг/с
|
Расчетн.тепловой поток, МВт
|
Max температура пара, °С
|
Высота, мм
|
Диаметр корпуса, мм
|
Масса сухого подогр., т
|
Масса заполннного водой, т
|
|
ПН-1200-25-6-IА (ПНД №1)
|
1180
|
311,4
|
34,7
|
200
|
9640
|
2050
|
47,5
|
81
|
|
ПН-1200-25-6-IIА (ПНД №2)
|
1215
|
370,8
|
43,5
|
200
|
9653
|
2050
|
47,0
|
76,5
|
|
ПН-3000-25-16-IIIА (ПНД №3)
|
3000
|
1112,5
|
176,5
|
200
|
10542
|
3060
|
98,9
|
165
|
|
ПН-3000-25-16-IVА (ПНД №4)
|
3000
|
1448,3
|
115,8
|
200
|
10542
|
3060
|
99,3
|
165
|
Основные характеристики ПВД (Завод - изготовитель ПО ТКЗ)
|
Типоразмер
|
Площадьповерхности
теплообмена, м2
|
Номин.массовый расход воды,
кг/с
|
Расчетн.теплов. поток, МВт
|
Max температура пара, °С
|
Высота, мм
|
Диаметр корпуса, мм
|
Масса сухого подогревателя,
т
|
Масса заполнен ного водой,
т
|
|
ПВ-2500-97-10А (ПВД №5)
|
2500
|
908
|
161
|
184,7
|
14090
|
3272
|
159,7
|
254,7
|
|
ПВ-2500-97-18А (ПВД №6)
|
2500
|
908
|
182
|
216
|
14090
|
3272
|
159,7
|
254,6
|
Деаэратор
Деаэрация питательной воды осуществляется в двух деаэраторах ДП-3200
(2х1600/185) повышенного давления, произведенных БКЗ. Деаэраторы включены
параллельно по воде и греющему пару. На каждом деаэраторном баке установлено по
две вертикальные деаэраторные колонки, рассчитанные на деаэрацию в каждой по
1600000 кг/ч питательной воды.
Основные характеристики ДП-3200
|
Характеристика
|
Значение
|
|
Номинальная
производительность колонки, т/ч
|
1600
|
|
Рабочее давление, МПа
|
0,7
|
|
Рабочая температура, °С
|
164,2
|
|
Диаметр колонки, мм
|
3442
|
|
Масса колонки, т
|
19,75
|
|
Полезная емкость бака -
аккумулятора, м3
|
120
|
|
Емкость бака -
аккумулятора, м3
|
185
|
|
Масса деаэратора, т
|
39,74
|
Турбонасос, турбина приводная
Для покачивания по трассе деаэрированой воды применяется трехступенчатый
центробежный питательный турбонасос (2 шт.) типа ПТ-3750-100 с подачей 3750 м3/ч
и развиваемым давлением 7,5 МПа.
В связи с большим расходом питательной воды в качестве привода
питательного насоса используется паровая турбина К-12-10П, которая снабжается
паром, отбираемым после СПП.
Основные характеристики ПТ-3750-100
|
ХарактеристикаЗначение
|
|
|
Подача, м3/ч
|
3750
|
|
Напор, м
|
1000
|
|
Частота вращения, об/мин
|
3500
|
|
Тип и мощность привода
|
К-12-10П
|
|
КПД насоса, %
|
81,5
|
Основные характеристики К-12-10П
|
Характеристика
|
Значение
|
|
Номинальная мощность, МВт
|
11,6
|
|
Номинальная частота
вращения, 1/с
|
58,33
|
|
Диапазон изменения частоты
вращения, 1/с
|
41,3-58,3
|
|
Параметры перед стопорным
клапаном: Давление, МПа Температура, °С
|
0,97 248
|
|
Давление в конденсаторе,
кПа
|
5,88
|
|
Температура охлаждающей
воды, °С
|
22
|
|
Расход пара через стопорный
клапан, кг/с
|
19,11
|
Насос бустерный
Для обеспечения бескавитационной работы питательный насосов, на каждый из
них ставится по три предвключеных насоса ПД-1600-180-1.
Основные характеристики бустерного насоса ПД-1600-180-1
|
ХарактеристикаЗначение
|
|
|
Подача, м3/ч
|
1200
|
|
Давление во входном
патрубке, МПа
|
0,72
|
|
Давление в напорном
патрубке, МПа
|
2,1
|
|
КПД, %
|
78
|
Конденсатные насосы
Конденсатные насосы поставляются комплектно с турбоустановкой
К-1000-60/1500. Конденсатные насосы типа КсВ-2000-90 (3 шт.).
Основные характеристики конденсатных насосов
|
Характеристика
|
Значение
|
|
КсВ-2000-90
|
|
Подача, м3/ч
|
2000
|
|
Напор, м
|
90
|
|
Допустимый кавитационный
запас, м
|
2,7
|
|
Частота вращения, об/мин
|
1000
|
|
КПД, %
|
76
|
4.3
Компоновка главного корпуса АЭС
В главном корпусе расположено основное технологическое оборудование - реактор,
парогенераторы, турбины, конденсаторы, электрогенераторы и все вспомогательное
оборудование, непосредственно связанное с ними.
Компоновка главного корпуса подчинена основному гигиеническому принципу
подразделения на зоны. К зоне строгого режима главного корпуса относят:
центральную часть зала с реактором и смонтированным на нем оборудованием, шахты
перегрузки и выдержки, а также помещения, в которых располагают оборудование и
проходят трубопроводы контура радиоактивного теплоносителя. В эту же зону входят
помещения, в которых проводят работы, связанные с вскрытием загрязненного
оборудования или сопровождающиеся периодическим загрязнением радиоактивными
веществами. Компоновка предусматривает вход в помещения зоны строгого режима
только через санпропускник. Для прохода после останова реактора из
полуобслуживаемых помещений в необслуживаемые имеется санитарный шлюз. Для
доставки материалов, приборов, оборудования и инструментов в зону строгого
режима предусмотрены отдельные въезды с механизированной разгрузкой.
К зоне свободного режима относят машинный зал, операторские щитовые и
другие помещения, предназначенные для постоянного пребывания людей. Здесь
влияние ионизирующего излучения на персонал не превышает допустимых норм.
Важным объектом, располагаемым в главном корпусе, является блочный щит
управления (БЩУ). С учетом важности его функционирования на случай
возникновения пожара на БЩУ сооружается резервный щит управления (РЩУ), который
располагается на значительном расстоянии.
Кроме РЩУ и БЩУ на АЭС имеется центральный щит управления. С него
осуществляется выдача электроэнергии в систему и распределение нагрузки между
блоками.
Компоновка машинного зала
Оборудование турбинного цеха размещают на двух уровнях: наверху -
турбину, генератор и возбудитель, внизу - конденсаторы, циркуляционные и
конденсатные насосы, регенеративные и прочие подогреватели.
В верхней части конденсаторного отделения, непосредственно под площадками
турбогенератора, прокладывают основные паропроводы, подводящие свежий пар к
турбине. Взаимное расположение вспомогательного оборудования (питательных
насосов, подогревателей, распределительных паровых коробок и паровпускных
органов турбины) по отношению к фланцам патрубков отбора пара из турбины и
других агрегатов делается с учетом удобства трассировки и компенсирующей
способности соединительных трубопроводов.
Из-за больших выходных площадей проточной части турбины конденсаторы
имеют боковое расположение, что существенно увеличивает сечения для входа пара.
Оборудование, связанное с внешними выходами (циркуляционные насосы,
подогреватели и насосы сетевой воды) установлены у наружной стены машинного
зала.
В конце машинного зала оставляют монтажный проем, позволяющий вести
ремонтные работы на уровне отметки земли.
Для монтажа и ремонта турбогенераторов зал должен быть оборудован
мостовыми кранами с грузоподъемностью, соответствующей весу статора генератора.
Для обслуживания конденсационного и вспомогательного оборудования используют
мостовой кран машинного отделения.
Машинный зал выполнен с продольным расположением турбины относительно его
длины, что увеличивает длину зала, но уменьшает его пролет по сравнению с
поперечным расположением турбины.
Компоновка реакторного отделения
Компоновка реакторно-парогенераторного цеха выполнена внутри герметичной
защитной железобетонной оболочки. Диаметр ее цилиндрической части 47,7 м,
высота 67,5 м. В верхней части она перекрыта сферическим куполом. Оболочка
обеспечивает совместно с другим оборудованием радиационную защиту в период МПА
и биологическую защиту в нормальной эксплуатации. Внутри оболочки сооружена
биологическая защита из железобетона (стена толщиной 1,5 м между реактором и
парогенераторами, перекрытия стены бассейна выдержки).
Корпус реактора располагается в железобетонной шахте, отделяющей его от
основного оборудования и являющейся фундаментом для корпуса. Для проведения
перегрузки топлива между крышкой и верхним защитным колпаком реактора как
продолжение шахты образуется бассейн перегрузки. В связи с необходимостью съема
крышки корпуса для целей перегрузки в реакторном отделении имеется мостовой
кран. Второй кран меньшей грузоподъемности используется для всех остальных
операций.
Вентиляционная металлическая труба расположена на обстройке герметичной
оболочки. В обстройке герметичной оболочки в ее углах расположено основное
оборудование всех вспомогательных систем безопасности (баки аварийного запаса
бора, теплообменники расхолаживания, спринклерные насосы и насосы аварийного
расхолаживания низкого давления).
4.4 Анализ
топливного хозяйства станции
Свежие тепловыделяющие кассеты (ТВК), поступившие на АЭС с завода
изготовителя, хранятся в герметичных контейнерах на объектовом складе свежего
топлива. Склад свежего топлива располагается выше нулевой отметки в
незатопляемой зоне. Свежие ТВК в радиационном отношении безвредны для персонала
АЭС и окружающей среды.
Быстрые реакторы - размножители (БР) имеют достаточно высокий коэффициент
воспроизводства, и поэтому могут работать независимо от того, поступают ли
извне делящиеся материалы. Они способны перерабатывать 238U в 239Pu и 232Th в
233U теоретически со 100% эффективностью,
а практическим с учетом потерь в 100 с лишним раз выше, чем в современных
легководородных реакторах без переработки топлива, и приблизительно в 25-50 раз
выше, чем в тепловых реакторах - конвертерах.
При условии удельного производства энергии с идеальным показателем 0,92
МВт сут на 1 г разделившегося урана или плутония результирующая тепловая
энергия, получаемая в быстрых реакторах из 1 г природного урана составляет 0,55
МВт сут/г. Таким образом, годовую потребность быстрого реактора в природном
уране потребляют 1,66 т на 1000 МВт. Благодоря небольшому потреблению
природного урана быстрые реакторы практически нечувствительны к цене на уран.
В настоящее время считается, что время пребывания топлива БР во внешнем
цикле может быть принято равным двум годам.
После выгрузки ТВК из активной зоны и боковой зоны воспроизводства они
поступают в бассейн выдержки, где хранятся первые 180 суток. Затем ТВК
загружаются в транспортные контейнеры, каждый из которых может вместить от 16
до 12 ТВК, и перевозят их на перерабатывающий завод. Вся перевозка занимает
около 30 суток. Следующие 30 суток отводятся на промежуточное хранение и
предварительную обработку ТВК, предшествующую разделки твелов и их растворению.
40 суток требуется для осуществления всех ступеней переработки от разделки
твелов до получения порошка PuO2 и
UO2 и 60 суток на хранения оксидного
порошка, а на транспортировки на завод по изготовлению твелов еще 30 суток.
Таки образом, суммарное время нахождение топлива во внешней части топливного
цикла составит 550 суток.
Доставка топливо на станцию
Ядерное топливо с завода на АЭС перевозят воздушным, морским,
железнодорожными и автомобильным специальным транспортом. Предварительно его
помещают высокопрочные металлические контейнеры, специально сертефицированые
для перевозки ядерных материалов. Разрабатываются особый маршрут и режим работы
транспорта, обеспечивается дополнительный контроль безопасности в путей. За всю
историю перевозок топлива не было зафиксировано ни одной аварии, приведшей
повышению радиационного фона.
5. Анализ
работы системы автоматического регулирования мощности блока
электростанция
мощность нагрузка
5.1 Общие
положения
Основным требованием, предъявленным к технологическому процессу АЭС,
является обеспечение безопасности и надежности ее работы. Надежность АЭС
означает уменьшение числа аварийных остановок. Другим важнейшим требованием
является экономичность работы АЭС, т.е. уменьшение затрат горючего,
электроэнергии собственных нужд, вспомогательных материалов. Обеспечение
безопасности, надежности и экономичности технологического процесса возможно
только при условии, что все величины, характеризующие процесс находятся в
строго заданных пределах. Поэтому необходимо постоянно контролировать эти
величины и воздействовать на технологический процесс таким образом, чтобы
поддерживать их требуемые значения, т.е. осуществлять процесс управления.
Технологический объект характеризуется рядом выходных или контролируемых
величин. Возмущения могут быть внешними и внутренними. Причиной внешних
возмущений являются процессы, происходящие вне рассматриваемого
технологического объекта; для АЭС такими возмущениями являются изменение
частоты в энергосистеме, изменение температуры охлаждающей воды в конденсаторах
турбин и т.п. Внутренние возмущения появляются в результате процессов,
происходящих в самом технологическом объекте: выгорания топлива в реакторе,
засорения поверхностей теплообмена в парогенераторах, аварийного отключения
различных насосов и т.п. Действие внутренних и внешних возмущений приводит к
отклонению величин от заданных значений, и для возвращения их в заданные
пределы необходимо изменять значения управляющих воздействий. Изменение
управляющих воздействий производится с помощью исполнительных органов
(регулирующих клапанов, запорных задвижек, регулирующих стержней реактора,
электрических выключателей). Определение необходимых значений управляющих
воздействий для несложных технологических объектов может выполняться
человеком-оператором; по мере развития и усложнения технологических процессов
во всех областях техники все большее применение находят автоматические
устройства, способные воспринимать контролируемые величины и вырабатывать на их
основе управляющие воздействия без участия человека. К таким устройствам
относятся автоматические регуляторы, устройства аварийных защит и блокировок,
устройства логического управления.
5.2
Технологический контроль
Большая часть информации для оперативного персонала АЭС
поступает от систем технологического контроля. Теплотехническим
контролем называют процесс измерения теплотехнических величин (температуры,
давления, расхода пара и воды и т.п.) с помощью совокупности средств
осуществляющих эти измерения.
Большинство теплотехнических измерений осуществляется с
помощью измерительных систем дистанционного действия, состоящих из первичных
измерительных преобразователей (датчиков), вторичных, показывающих или
самопишущих, приборов и электрических или трубных линий связи между ними.
Современные системы теплотехнического контроля создаются на
основе использования унифицированных сигналов связи между первичными
преобразователями и вторичными приборами. Физическая сущность информационных
унифицированных сигналов может быть различной: электрической, пневматической или
гидравлической. Однако диапазон изменения их численных значений строго
регламентируется.
·
регулирование
мощности блока;
·
регулирование
нейтронного потока;
·
регулирование
локального и пространственного энерговыделения;
·
регулирование
основных и вспомогательных агрегатов станции;
·
регулирование
уровня в барабанах - сепараторах и парогенераторах;
·
регулирование
паровых компенсаторов объема.
В моем проекте подробно рассматривается схема регулирования мощности
блока реактора ВВЭР-1000 с турбиной К-1000-60/1500
5.3
Регулирование мощности блока
Автоматический регулятор мощности реактора предназначен для приведения
мощности реактора в соответствие с мощностью турбогенераторов и поддержания
нейтронной мощности реактора по сигналам аппаратуры контроля нейтронного потока
АКНП.
В качестве критерия соответствия мощности реактора и турбогенератора
выбирается отклонение теплотехнического параметра от заданного значения,
причем, величина и знак отклонения определяют величину и знак несоответствия.
Для реакторов типа ВВЭР автоматический регулятор мощности АРМ
обеспечивает следующие режимы работы:
режим поддержания постоянного давления пара перед регулирующими клапанами
турбины (Р2 = const);
стерегущий режим, т.е. режим, при котором в регуляторе устанавливается
расширенная зона нечувствительности при отклонении теплотехнического параметра
вверх от заданного значения, а на снижение параметра регулятор не реагирует
(режим «С»);
режим поддержания постоянной нейтронной мощности в реакторе (режим «Н»).
Автоматический регулятор мощности включает в себя два регулятора:
регулятор нейтронной мощности реактора (РРН);
регулятор реактора по теплотехническому параметру (РРТ).
Оба регулятора выполнены трехканальными, выходные сигналы в систему
группового управления формируются по принципу «2 из З».
Регулятор РРН получает информацию от ионизационных камер, размещенных в
трех парах каналов, смещенных друг относительно друга на 120 градусов по
окружности реактора. После обработки их сигналов аппаратурой АКНП информация
передается в регулятор РРН.
Эти же сигналы, а также сигналы от 6 датчиков давления в паровых
коллекторах подаются в регулятор РРТ. Регулятор РРН вместе с исполнительным
механизмом - органом регулирования реактора - может рассматриваться как
интегральный регулятор.
Регулятор РРТ, также вместе с исполнительным механизмом, может быть
представлен как близкий к пропорционально-интегральному регулятору. На входе
АРМ имеется устройство усреднения сигналов.
Работа системы регулирования мощности блока осуществляется следующим
образом. Сигнал по нейтронному потоку позиция 1-1 подается на преобразователь
сигнала 1-2 и далее на регулятор мощности нейтронного потока 1-4. Здесь этот
сигнал сравнивается с заданием и в случае отклонения его от заданного значения,
регулятор, через блок управления 1-5, воздействует на магнитный пускатель 1-6,
который воздействует на электрический двигатель, меняющий положение
регулирующих стержней реактора, меняя таким образом нейтронный поток.
Кроме этого, контролируется давление пара перед турбиной. Если оно не
соответствует заданному значению, то корректирующий регулятор давления
-3 воздействует на изменение задания регулятора мощности нейтронного
потока.
Регулирование числа оборотов турбины осуществляется следующим образом:
сигнал от тахометра 3-1 подается на измерительный блок 3-2, который затем
воздействует на регулятор числа оборотов турбины 3-3.
Контролируется расход пара из парогенератора 4-2 с выводом на пульт
соответствующего сигнала 4-3. Также на панель выводится сигнализатор давления
5-3 от датчика 5-2.
5.4 Расчет
настройки ПИД регулятора давления пара перед турбиной
Для проведения расчетов необходимо знать экспериментальные данные,
которые приведены на рис. 5. Полученны следующие образцы:
Изменим мощность нейтронного потока DH на 0,05 (от номинальной нагрузки) и ориентируемся на то как будет
меняться давление перед турбинной, до тех пор пока оно не установится. К точке
пересечения кривой с касательной, которые представлены ниже.
фоб=25 с. - время задерживания;
Тоб=65 с. - постоянная времени объекта;
∆P =0,1 - изменение давления;
Коэффициент усиления объекта регулирования находиться по формуле:
Коб=∆P/∆x=0,1/0,05=2
где ∆x=0,05 - изменение
величины входного воздействия.
Тогда коэффициент усиления регулятора находим по формуле:
Кр=1,25/(Коб · ф/Т)
Следовательно, Кр=1,25/(2*25/65)=1,625
Время изодрома: Тu=2,5*ф=2,5*25=62,5
с
Время предварения: Тд=0,2* Тu=0,2*62,5=12,5 с
Находим коэффициент усиления объекта регулирования: Тс=1,5*25=37,5
5.5
Автоматическая защита
В основу проекта системы управления и защиты положены следующие принципы:
независимость каналов защиты, включая многоканальность системы и
использование разных принципов формирования сигналов аварийной защиты
(срабатывание по разным параметрам) при одном исходном событии аварии;
надежность срабатывания защиты, т.е. проектирование системы с целью
достижения высоких показателей надежности путем использования элементов с
высокой надежностью и оптимальным построением структуры системы, использование
принципа срабатывания аварийной защиты при потере электропитания цепей A3;
возможность обнаружения неисправностей при работе системы путем
диагностики аппаратуры и проведения калибровки или периодических испытаний при
работе на мощности без потери функции защиты.
Аппаратура аварийной защиты реактора выполняется таким образом, чтобы в
зависимости от значимости поступившего в аварийную защиту сигнала
осуществлялось действие защиты определенной эффективности. Например, для
реакторов типа ВВЭР-440, и первых реакторов типа ВВЭР-1000, формируется четыре
рода аварийных команд.
1) АЗ - 1, вызывающее одновременное падение всех поглотителей под
действием силы тяжести, которое не прекращается при снятии аварийного сигнала;
2) АЗ - 2, вызывающее поочередное падение групп поглотителей под
действием силы тяжести; при исчезновении сигнала АЗ-2 падение поглотителей
прекращается;
) АЗ - 3, вызывающее поочередное движение вниз групп поглотителей
с рабочей скоростью; при исчезновении аварийного сигнала АЗ-3 движение вниз
прекращается;
) АЗ - 4, запрещающая движение вверх всех поглотителей; при
исчезновении аварийного сигнала запрет снимается.
На турбинах предусмотрены защиты по:
превышению числа оборотов (на 10%) от номинального значения;
осевому сдвигу ротора;
срыву вакуума (повышению давления в конденсаторе турбины);
понижению давления в системе смазки турбины;
повышению и понижению температуры пара перед турбиной.
6. Анализ
работы водоподготовительной установки АЭС
Очистка турбинного конденсата
На АЭС предусматривается очистка всего потока конденсата турбины.
Основная задача конденсатоочистки - удаление механических примесей (продуктов
коррозии конструкционных материалов) и удаление истинно растворенных и
коллоидно-дисперсных веществ, главным образом, примесей охлаждающей воды.
Предусмотрено применение блочной очистной установки турбинного конденсата
для каждой турбины. Основными элементами оборудования при этом являются
предвключенные механические фильтры и ионитные фильтры смешанного вещества
(ФСД) с внешней регенерацией ионита, в котором осуществляется процесс
совместного Н-ОН - ионирования.
На каждый блок предусматривается не менее трех однотипных ФСД (2 рабочих
+ 1 резервный). Применяемые ФСД конструктивно просты, надежны и обладают
сравнительно большой производительностью. При нормальных условиях эксплуатации
длительность фильтроцикла ФСД составляет 15-30 суток в зависимости от качества
конденсата перед БОУ. Сильнокислотный катионит регенерируется 3-4%-ным
раствором кислоты при удельном расходе 100%-ной Н2SO4 80 кг/м3, высокоосновной анионит регенерируется слегка
подогретым 4-5%-ным раствором едкого натра при удельном расходе 100%-ной NaOH 120 кг/м3.
Отмывка ионитов производится обессоленной водой до понижения концентрации
регенерирующих компонентов до 100 мг-экв/л. окончательную отмывку производят в
рабочем фильтре после перемешивания смол сжатым воздухом.
Выбор схемы водоподготовительной установки
Выбор схемы ВПУ производится с учетом параметров, типа основного
парогенераторного оборудования и требований, предъявляемых к качеству
обработанной воды, в зависимости от качества исходной воды, санитарных
требований к сбросам ВПУ и технико-экономических соображений.
Основные положения по выбору и проектированию ВПУ регламентируются
«Нормами технологического проектирования ТЭС и тепловых сетей».
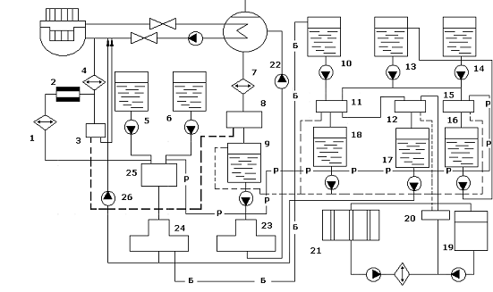
В состав ВПУ для АЭС с реакторами ВВЭР - 1000 входят:
ИК - осветлитель для коагуляции в известковании. Здесь исходная вода
обрабатывается известковым раствором совместно с коагулянтом для снижения ее
щелочности, содержания органических веществ, осветления и частичного уменьшения
жесткости;
М - механический фильтр для удаления из воды грубодисперсных примесей
посредством ее пропуска через инертные зерненные фильтрующие материалы;
Нп - Н - катионитный фильтр противоточный. В нем происходит замена
основного количества содержащихся в воде катионов (Na+, Mg2+, Ca2+) эквивалентным количеством
катионов Н+ фильтрованием через слой катионита с обменными катионами Н+. При
этом воду и регенерирующий раствор кислоты пропускают через слой катионита в
противоположных направлениях;
А1 - анионитный фильтр первой ступени. Здесь происходит замена части
анионов эквивалентным количеством гидроксильных ионов ОН, фильтрованием
частично воды через слой анионита с обиенными гидроксильными ионами.
Н2 - Н - катионитный фильтр второй ступени. Устанавливается для глубокой
замены всех катионов, содержащихся в воде после первой ступени Н -
катионирования, эквивалентным количеством катионов Н+;
Д - декарбонизатор;
Б - бак сбора и подачи частично обработанной воды на дальнейшие стадии
обработки;
А2 - анионитный фильтр второй ступени. Здесь происходит замена почти всех
анионов эквивалентным количеством гидроксильных ионов ОН-, фильтрованием
частично обессоленной декарбонизированной воды через слой анионита
(сильноосновного) с обменными гидроксильными ионами.
Исходные данные для проектирования ХВО
Восполнение потерь пара и питательной воды второго контура, а также
первоначальное заполнение первого контура производится химически очищенной
водой. Производительность установки для восполнения потерь в цикле второго
контура принимается равной 25 т/ч + 1% от паропроизводительности установленных
парогенераторов.
Потребность в водоподготовке
|
Производительность ПГ
|
т/ч
|
1600х16 = 25600
|
|
Потери пара и конденсата,
1%
|
т/ч
|
25600х0,01 = 256
|
|
Резерв ХОВ
|
т/ч
|
25
|
|
Необходимая
производительность ХВО
|
т/ч
|
256+25 = 281
|
Исходной водой для ХВО подпитки цикла АЭС является вода реки Нева в
районе г. Санкт-Питербург.
Химический состав исходной воды
|
Показатели
|
Ca2+
|
Mg2+
|
Na+
|
HCO3-
|
SO42-
|
Cl-
|
SiO32-
|
Взвеш. вещества
|
Окис-ть
|
Ж-ть
|
|
|
|
|
|
|
|
|
|
|
Жо
|
Жк
|
|
Содержание ионов и окислов,
мг/кг
|
9,0
|
1,2
|
3,59
|
26,2
|
6,1
|
3,9
|
5,95
|
40,8
|
7,6
|
-
|
-
|
|
мг - экв/кг
|
0,45
|
0,01
|
0,16
|
0,43
|
0,127
|
0,11
|
0,16
|
-
|
-
|
0,55
|
0,43
|
Химический состав обработанной воды
|
Показатели
|
Остаточное солесодержание
|
Жёсткость
|
Cl
|
Кремнесодержание
|
|
Содержание ионов и окислов,
мг/кг
|
< 0,05
|
следы
|
следы
|
< 0,01
|
Расчет обессоливающей установки с параллельным включением фильтров
Изменение показателей качества воды по ступеням обработки
|
Показатели качества воды
|
Размерность
|
Исходная вода
|
ИК
|
М
|
Нп
|
А1
|
Н2
|
Д-Б
|
А2
|
ФСД
|
|
Ca2+ + + Mg 2+
|
мг-экв кг
|
0,55
|
0,43
|
0,43
|
0,2
|
0,2
|
следы
|
-
|
-
|
-
|
|
Na +
|
<<
|
0,16
|
0,16
|
0,16
|
0,04
|
0,04
|
следы
|
-
|
-
|
-
|
|
HCO3 -
|
<<
|
0,43
|
0,35
|
0,35
|
-
|
-
|
-
|
-
|
-
|
-
|
|
SO4 2 -
|
<<
|
0,13
|
0,83
|
0,83
|
0,83
|
Следы
|
-
|
-
|
|
-
|
|
Cl -
|
<<
|
0,11
|
0,11
|
0,11
|
0,11
|
Следы
|
Следы
|
Следы
|
Следы
|
-
|
|
СО 2
|
мг/кг
|
-
|
-
|
-
|
34,1
|
34,1
|
34,1
|
4
|
Следы
|
-
|
|
SiO3 2 -
|
<<
|
5,95
|
3,57
|
3,57
|
3,57
|
3,57
|
3,57
|
3,57
|
0,05
|
<0,01
|
|
Взвеш. вещества
|
<<
|
40,8
|
25
|
<1,0
|
-
|
-
|
-
|
-
|
-
|
-
|
|
Ок-ть
|
мгО2/кг
|
7,6
|
2,04
|
-
|
-
|
-
|
-
|
-
|
-
|
-
|
Расчет схемы водоподготовки начинаем с оборудования, установленного в
хвостовой части схемы, то есть с ФСД, с тем, чтобы учесть дополнительную
нагрузку на предвключенные фильтры по обработке воды на собственные нужды.
Расчет фильтров смешанного действия.
1) Требуемую площадь фильтрования при скорости фильтрования 50 м/ч
определяем по формуле:
F = Q/W = 281/50 = 5,62 м2
) Исходя из соображений возможных ремонтов, ревизии оборудования и
регенераций, число фильтров выбираем равным 2.
) Площадь одного фильтра должна составлять не менее
f = F/n = 5,62/2 = 2,81 м2
Выбираем стандартный ФСД: d =
2,0 м, hсл = 1,0 м.
) Действительная скорость фильтрования составляет
Wп = Q/n*f = 281/2*3,14 =
44,7 м/ч
5) Скорость при одном отключенном ФСД равна
Wn-1 = Q/(n-1)*f = 281/(2-1)*3,14 = 89,5 м/ч
6) Длительность фильтроцикла ФСД при соотношении в шихте катионит
(КУ-2): анионит (АВ-17) = 1:1 с учётом того, что смешанный слой регенерирует
после пропуска 104 м3 на 1 м3 смесь ионитов, условно принимаемой
равной
T + t = 104*f * hсл * n / Q = 104 * 3,14 * 1,0 * 2 / 281 = 223 ч
) Суточное число регенераций всех фильтров
m = 24
* n /(T +t) = 24 * 2 / 223
= 0,22 регенерация/сут.
) Расход 100%-ной Н2SO4 на
регенерацию (бк = 70 кг/м3 катионита)
уН2SO4 = f * hкат *
bk = 3,14 * 0,6 * 70 = 131,9 кг
) Суточный расход 100%-ной Н2SO4 на регенерацию
усут Н2SO4 = уН2SO4 * m =
131,9 * 0,22 = 29,0 кг/сут
10) Расход 100%-ного NaOH
на регенерацию (bщ = 100 кг/м3
анионита):
уNaOH = f * hан * bщ =
3,14 * 0,6 * 100 = 188,4 кг
) Суточный расход 100%-ного NaOH на регенерацию
усут NaOH = уNaOH * m =
188,4 * 0,22 = 41,5 кг/сут
) Расход воды на разделения шихты в ФСД с внутренней регенерацией (Wразд = 10 м/ч, фразд = 20 мин)
Vразд=
Wразд * f * фразд / 60 = 10 * 3,14 * 20/60 = 10,5 м3
) Установление встречных потоков воды до начала регенерации (Wв.п = 5 м/ч, фв.п = 10 мин)
V в.п
= Wв.п * f * фв.п / 60 = 5 * 3,14 * 10 / 60 = 2,6 м3
) Расход воды на уплотнение разделенной шихты (Wупл = 10 м/ч, фупл = 10 мин)
Vупл= Wупл * f * фупл / 60 = 10 * 3,14 * 10/60 = 5,2 м3
) Расход воды на приготовление 3% - ной Н2SO4
VН2SO4 (3)= уН2SO4 *100 / (C * 10і) = 131,9 * 100 / (3 * 10і) = 4,4 м3
16) Расход воды на приготовление 4% - ного NaOH
VNaOH(4)
= уNaOH *100 / (с * 10і) = 188,4 * 100 / (4 * 10і) = 4,7 м3
) Расход воды на раздельную одновременную отмывку катионита и анионита в
ФСД встречными потоками воды (Wр.о =
5 м/ч, фр.о = 60 мин)
Vр.о =
2 * Wр.о * f * фр.о / 60 = 2 * 5 * 3,14 * 60 / 60 = 31,4 м3
) Доотмывка смешанной шихты после перемешивания воздухом (аН2O = 5 м3/ м3 ионита)
Vд.о =
f * hсл * аН2O =
3,14 * 1 * 5 = 15,7 м3
) Общий расход воды на собственные нужды ФСД
Vсн=Vразд + V в.п + Vупл +
VН2SO4 (3) + VNaOH(4)
+ Vр.о + Vд.о=10,5 + 2,6 + 5,2 + + 4,4 + 4,7 + 31,4 + 15,7 = 74,5 м3
) Часовой расход воды на собственные нужды ФСД
qсн = m * Vсн / 24 = 0,22 * 74,5 / 24 = 0,7 м3/ч
) Время пропуска регенерационного раствора кислоты (Wк = 5 м/ч)
фк = VН2SO4 (3) * 60 / (f * Wк) = 4,4 * 60 / (3,14 * 5) = 17 мин
) Время пропуска регенерационного раствора щёлочи (Wщ = 5 м/ч)
фщ = VNaOH(4) * 60 / (f * Wщ) =
4,7 * 60 / (3,14 * 5) = 18 мин
23) Время доотмывки смешанной шихты ФСД (Wд.о = 10 м/ч)
фд.о = VД.О. * 60 / (f * Wд.о)
= 15,7 * 60 / (3,14 * 10) = 30 мин
) Суммарное время регенерации ФСД с учётом времени перемешивания шихты
воздухом (фпер.в = 30 мин) и затрат времени на неучтённые операции (фнеучт = 30
мин)
фФСД = фразд + фв.п + фупл + фщ + фр.о + фпер.в + фд.о + фнеучт = 20 + + 10
+ 10 + 18 + 60 + 30 + 30 + 30 = 208 мин (3 ч 28 мин)
Результаты по подобной методике фильтров А2, Н2, А1, Нп, М приведены в
таблице 6.6 «Технический расчет фильтров А2 - Н2 - А1 - Нп - М».
Расчет декарбонизатора с насадкой из колец Рашига.
1. Количество СО2, удаляемого в
декарбонизаторе:
уСO2 = Qд * (свх СO2 -
свых СO2) / 1000 = 301,0 * (34,1 - 4) /1000
= 9,1 кг/ч;
2. Необходимая площадь десорбций:
Fдес =
уСO2 / (Кж*Дсф) = 9,1 / (0,62 * 0,015) =
978 м2
3. Площадь требуемой поверхности
насадки:
Fнас =
(1 - 0,075)* Fдес = (1 - 0,075) * 978 = 905 м2
4. Объем насадки при удельной
поверхности колец Рашига fкр =
206 м2/м3
Vнас =
Fнас / fкр = 905 / 206 = 4,4 м3
5. Площадь поперечного сечения
декарбонизатора:
fд = Qд/ д = 301,0 / 60 = 5 м2
6. Диаметр декарбонизатора
dд = √4*fд /р = √4 * 5 / 3,14 = 2,5 м
7. Расход воздуха на декарбонизацию воды
Qвоз =
20 * Qд = 20 * 301,0 = 6020 м3/ч
8. Высота слоя насадки из колец Рашига
hнас =
Vнас / fд = 4,4 / 5 = 0,9 м
9. Аэродинамическое сопротивление
декарбонизатора
Нд = 30 * hнас + 10 = 30 *
0,9 + 10 = 37 мм вод. ст.
По приведенным выше расчетам выбираем декарбонизатор с Qном = 300 м3/ч, Dвн = 2,52 м, расходом воздуха 7500 м3/ч,
высотой насадки колец Рашига 2,9 м.
Расчёт осветлителя
. Определяем производительность осветлителя:
Qосв =
Qм + qмсн + qпр =
330,9 + 21,3 + 0,03 * (330,9 +21,3) = 363 м3/ч.
где: qпр = 0,03 * (Qм+ qмсн)
- часовой расход воды на продувку осветлителей, м3/ч.
Технологические показатели осветлителя ВТИ - 400 И
|
№ п/п
|
Показатель
|
Значение
|
|
1
|
Производительность, м3/ч: -
расчётная - максимальная
|
400 500
|
|
2
|
Общий геометрический объём,
м3
|
650
|
|
3
|
Площадь поперечного сечения
зоны контактной среды и зоны осветления, м2
|
79,1
|
|
4
|
Высота, м - зоны контактной
среды - зоны осветления (до борта желоба)
|
4,0 2,2
|
|
5
|
Время пребывания воды в
осветлителе (теоретическое), ч
|
1,63
|
|
6
|
Скорость в зоне контактной
среды, м/ч
|
5,15
|
Принимаем осветлитель ВТИ-400И, производительностью 400 м3/ч,
технологические показатели, которого приведены в таблице 6.5.
. Суточный расход 100%-ной Н2SO4 на регенерацию катионита в фильтрах ФСД+ Н2 + Нсп:
усут Н2SO4 = усут Н2SO4 (ФСД) + усут Нсп + усут Н2 = 29 + 141 + 2118 = 2288 кг/сут
. Суточный расход 100%-ного NaOH на регенерацию катионита в фильтре А2:
усут NaOH = усут NaOH(ФСД) + усут А2 + усут А1 = 41,5 + 2858 + 1524 =
4423,5 кг/сут
Vмес
Н2SO4 = усут Н2SO4 * 30 / (Ср * 10) = 2288 * 30 / (90 * 1,82 * 10) =41,9 м3
. Объем цистерн хранения 42%-ного NaOH из расчета 30-суточного запаса:
Vмес
NaOH = усут NaOH * 30 / (Ср * 10) = 4423,5 * 30 / (42
* 1,45 * 10) = 218 м3
. Стехиометрический суточный расход 100%-ной Н2SO4 на регенерацию катионита в фильтрах ФСД + Н2 + Нсп:
(усут Н2SO4) стех = [(f *h * Ep * m) ФСД + (f * h * Ep * m) H2 + (f *h * Ep * m) НСП]* Э/ /1000 = [(2,0 *0,6 *400*0,22) + (2,0*1,0*400* 0,5)
+ (5,3*3,7*650* 1,8)] * 49 / 1000 = = 1149 кг
. Стехиометрический суточный расход 100%-ного NaOH на регенерацию катионита в фильтре ФСД + А2 + А1:
(усут NaOH) стех=[(f*h*Ep*m) ФСД + (f*h*Ep*m) АСП +(f*h*Ep*m) А1] * Э/1000= =[(2,0 *0,6 *50
*0,22) + (4,7 * 2 * 200 * 3,8) + (5,3 *2,5 *900 *2,3)] * 40 / 1000=1384 кг
. Избыток 100%-ной Н2SO4 в
сточных водах ВПУ за одни сутки:
Ик = (усут Н2SO4 - (усут Н2SO4) стех)/ Эк = (2288-1149)/ 49 = 23,2
кг-экв/сут
где: Эк - эквивалентная масса серной кислоты
. Избыток 100%-ного NaOH в
сточных водах ВПУ за одни сутки
Ищ = (усут NaOH - (усут NaOH) стех)/ Эк = (4423,5 - 1384) / 40 = 76
кг-экв/сут
где: Эк - эквивалентная масса едкого натра.
. Cуммарный избыток кислоты на
регенерацию катионита в Н-катионитных фильтрах по сравнению со
стехиометрическим:
nк =
усут Н2SO4 / (усут Н2SO4) стех = 2288 / 1149 = 2 кг-экв
. Cуммарный избыток щёлочи на
регенерацию анионита в анионитных фильтрах по сравнению со стехиометрическим:
nщ =
усут NaOH / (усут NaOH) стех = 4423,5 / 1384 = 3,2 кг-экв
Сравнение пунктов 8 и 9 показывает, что в сточных водах ВПУ имеется
избыток щёлочи 76-23,2 = 52,8 кг-экв/сут, который должен быть нейтрализован
увеличением суточного расхода кислоты при регенерации фильтров на этот избыток.
. Для сбора и нейтрализации кислотных и щелочных вод на ВПУ устанавливают
два бака - нейтрализатора (рабочий и резервный) вместимостью, рассчитанной на
суточный объём регенерационных растворов и отмывочных вод катионитных и
анионитных фильтров и суточный расход нейтрализующего реагента (8%-ного
известкового молока или кислоты):
Vб-н =
(Vp.p + Vотм)*mАсп + (Vp.p + Vотм)* mНсп + [(Ищ - Ик) * Э Н2SO4] * * 100/ (Ср.р * 1000) = 464,4 + 388 + (52,8 * 49 * 100) /
(1 * 1000) = 1111 м3
Технический расчет фильтров А2 - Н2 - А1 - Нп - М
|
Показатель
|
Расчетная формула или
принятое обозначение
|
Размерность
|
А2
|
Н2
|
А1
|
Нп
|
М
|
|
1. Расчетная
производительность фильтра
|
Qст = Qст пред + + qст сн
|
м3/ч
|
281+0,7=281,7
|
281,7 + 20,4 = =
302,1
|
301,0 +
0,8 = =301,8
|
301,1+ 13,8 =
= 314,9
|
314,9 +
16,0 = = 330,9
|
|
Требуемая площадь
фильтрования
|
F = Q / W
|
м2
|
281,7 / 30 = 9,4
|
302,1 / 50 = 6,0
|
301,8 /
30 = = 10,1
|
314,9 /
30 = = 10,5
|
330,9 / 10 = 33,1
|
|
3. Число фильтров (в работе
+ регенерации)
|
n +nр
|
шт.
|
2 + 1
|
2
|
2 + 1
|
2 + 1
|
2 + 1
|
|
4. Площадь одного фильтра
|
f = F / n
|
м2
|
9,4 / 2 = 4,7
|
6,0 / 2 = 3,0
|
10,1 / 2 = 5,1
|
10,5 / 2 = 5,3
|
33,1 / 2 = 16,6
|
|
5. Характеристика
стандартного фильтра
|
f / d hсл
|
м/м2 М
|
5,3 / 2,6 1,5
|
3,14 / 2 1,5
|
5,3/2,6 2,5
|
7,1/3,0 2,5
|
18,2/3,4 0,9
|
|
6. Действительная скорость
фильтрования
|
W = Qст / (f * n)
|
м/ч
|
281,7 / 5,3 * 2) = =26,5
|
302,1/(3,14* *2) = 47,9
|
301,8 /
(5,3 * *2) =28,5
|
314,9 /
(7,1 * *2) = 22,2
|
330,9 / (18,2 * *
2) = 9,1
|
|
7. Тип загруженного ма
териала
|
-
|
-
|
АВ - 17
|
КУ - 2
|
АВ - 18
|
КУ - 2
|
Антрацит
|
|
8. Pабочая обменная емкость
|
Eр
|
г-экв/ м3
|
200
|
400
|
900
|
650
|
2 кг/ м3
|
|
9. Продолжительность
фильтроцикла
|
T + t = (f * hсл * *
Ep * n) / / (Qст* C)
|
|
(5,3 * 1,5 * 200*2)/
/[281,7 *0,137] =51,3
|
(3,14*1,5*400* 2)/ (302,1 *
0,24) = 51,9
|
(5,3 * 2,5 * * 900*2)/
/(301,8*0,94) = 232,4
|
(7,1 * 2,5 * *650
* 2) / /(314,9*0,56) = 130,85
|
18,2 * 0,9 * 2 *2 / /
(330,9 * 0,01) = = 19,9
|
|
10. Суточное число реге
нераций всех фильтров
|
m = 24 * n /(T +t)
|
регенер/сут
|
24 * 2 / 51,3 = 0,93
|
24 * 2 / 51,9 = = 0,92
|
24 * 2/ 232,4 = 0,2
|
24 * 2 / 130,85= 0,37
|
24 * 2 / 19,9 = = 2,4
|
|
11. Удельный расход
реагента
|
B
|
кг/ м3
|
80
|
60
|
50
|
60
|
-
|
|
12. Расход 100%-ного ре
агента на регенерацию
|
у100 = f*hсл*b
|
кг/регенер.
|
5,3 * 1,5 * 80 = = 636
|
3,14 * 1,5* 60= = 282,6
|
5,3* 2,5*50 = = 662,5
|
7,1 *2.5
* *60= 1065
|
-
|
|
13. Суточный расход
100%-ного реагента на регенерацию
|
у100сут = у100*m
|
кг/сут
|
636 * 4,2=2671
|
282,6*0,5=141
|
662,5 * 2,5=
= 1656
|
1065*1.5 = 1597.5
|
-
|
|
14. Удельный расход воды на
взрыхление фильтра
|
I
|
л/(с* м2)
|
3,0
|
3,0
|
3,0
|
3,0
|
12
|
|
15. Время взрыхления
|
Tвзр
|
мин
|
10
|
10
|
10
|
10
|
15
|
|
16. Расход воды на
взрыхление фильтра
|
Vвзр = f * i * фвзр *60 / 1000
|
м3/регенер.
|
5.3*3*10*60/1000=5.7
|
3,14*3 *10*60 /1000=5,7
|
5,3 * 3 * 10* *60 /1000=
=9,5
|
-
|
18,2*12*15* * 60 / 1000 =
196,6
|
|
17. Конц.регенерационного
раствора
|
Ср.р
|
%
|
1
|
3
|
1
|
1
|
-
|
|
18. Расход воды на
регенерационный раствор
|
Vр.р = у100 *100 / / (Cp.p *
1000)
|
м3/регенер.
|
636 * 100 / / (1*1000) =
63,6
|
282,6 * 100 / / (3*1000) =
9,4
|
662,5 * 100 / / (1*1000) =
=66,3
|
1597.5 * 100 / / (1 * 1000) = = 159.7
|
-
|
|
19. Удельный расход воды на
отмывку
|
а
|
м3/м
|
5
|
5
|
5
|
5
|
1
|
|
20. Расход воды на отмывку
|
Vотм = f*hсл*a
|
м3/регенер.
|
5,3 * (1,5)*
5 = =53,0
|
3,14 * 1,5 * 5 = = 23,6
|
5,3 * 2,5 *5 = = 66,3
|
7,1 *2.5
*5 = = 88.75
|
18,2*0,9*1= = 16,4
|
|
21. Суммарный расход воды
на регенерацию
|
Vсумм = Vвзр+ +Vр.р.+Vотм
|
м3/регенер.
|
63,6 + 53,0 = =116,6
|
5,7+9,4+23,6= = 38,7
|
66,3 + 66,3= =132,6
|
88.75+159.7= =248.45
|
196,6 + 16,4 = -=213
|
|
22. Часовой расход на
собственные нужды
|
qсн = Vсум * m / / 24
|
м3/ч
|
116,6*4,2 / 24 = = 20,4
|
38,7* 0,5 / 24 = 0,8
|
132,6*2,5/
/24= 13,8
|
248.45*1.5/24= 15.5
|
213 * 2,4 / 24 = = 21,3
|
Схема включения фильтров водоподготовительной установки
Спецводоочистка на АЭС
На атомных электростанциях с реакторами ВВЭР очистка
радиоактивно-загрязненных вод производится на установках, входящих в состав
системы, называемой условно спецводоочисткой (СВО), особенности проектирования
и эксплуатации которой связаны с необходимостью сооружения биологической
защиты, жесткими требованиями к минимизации объема высокоактивных сбросов
собственных нужд, потребности в периодической дегазации водоочистного
оборудования, наличием специальных газовых сдувок и т.п. Радиоактивные среды
первого контура, подлежащие очистке, при разной степени загрязнения по
технологическому назначению проходят очистку и переработку на установках спецыводоочистки
СВО1-7, с целью возврата после очистки и переработки технологический цикл.
Спецводоочистка представлена следующими установками:
СВО-1 - предназначена для непрерывной очистки теплоносителя первого
контура на высокотемпературных фильтрах, работающих под давлением первого
контура. Установка блочная и включает в себя 4 фильтра производительностью 100
т/ч каждый. Установка распологается в герметичной зоне реакторного отделения;
СВО-2 - предназначена для очистки воды продувки первого контура и
организованных протечек первого контура от ионных примисей в период нормальной
эксплуатации. Установка блочная и состоит из двух ниток ионообменных фильтров.
Производительность установки 6-50 т/ч. Установка располагается в зоне строго
режима обстройки;
СВО-3 - для переработки методом дистилляции и ионного обмена трапных вод
с целью их повторного использования. Предусматривают две рабочие установки на
четыре блока производительностью 6 т/ч каждая;
СВО-4 - для очистки воды бассейна выдержки и перегрузки, а также для очистки
воды баков аварийного запаса борной кислоты. Предусматриваются две нитки
ионообменных фильтров производительностью 30-40 т/ч каждая;
СВО-5 - для очистки продувочной воды парогенераторов. Устанавливается
одна нитка ионообменных фильтров на каждый блок плюс одна нитка резервная.
Производительность каждой нитки -30 т/ч, в форсированном режиме - 45 т/ч;
СВО-6 - для очистки борсодержащих вод станции с одновременной
регенерацией борной кислоты. На каждый блок предусмотрено по одной выпарной
установке с ионообменной очисткой дистиллята и борного концентрата а также одна
резервная нитка на все блоки;
СВО-7 - для очистки вод спецпрачечной и душевых методом дистилляции и
ионного обмена с целью их повторного использования. Предусмотрены две
установки, производительностью 6 т/ч каждая, одновременно установки СВО-7
служат резервом для установки СВО-3.
Установка СВО-1, обеспечивает требуемую чистоту теплоносителя,
одновременно выполняет функции регулятора нормируемых показателей качество
реакторной воды, таких как pH,
содержащие H3BO3, аммиака, калия, лития и др. ее производительность может
быть выбрана на основе уравнения материального баланса примесей либо принята по
обобщенному опыту эксплуатации на уровне (0,4-0,8)*10-4 м3/кВт, что
для реактора ВВЭР-1000 составляет 90 м3/ч.
Очистка теплоносителя первого контура производится с помощью двух групп
фильтров ФСД, рассчитанных на полное давление 16,0 МПа. Группа фильтров
высокого давления состоит из двух ФСД диаметром 1,0 м, работающих при скорости
40 м/ч. Каждый фильтр загружен смешенным слоем высотой 1,0-1,2 м, состоящем из
катионита КУ-2 и анионита АВ-17 в соотношении 1:1. Находящийся рабочих фильтрах
катионит переходит в K+ и NH4+ форму, а анионит борнокислую
форму. В соответствии реализуемым на отечественных реакторах ВВЭР смешенным
аммиачно-калевым режимом с высокой концентрацией борной кислоты в
теплоносителе. Для существенной корректировки содержантя в теплоносителе калия,
аммиака и борной кислоты, а также для удаления 137Cs, который недостаточно эффективно удаляются нерегерируемых
фильтрами высокого давления, в системе первого контура предусматривается
установка низкого давления. Эта установка состоит из двух ниток регенерируемых
фильтров суммарной производительностью 50 м3/ч. Работа установки
низкого давления связана с удалением из теплоносителя растворенных газов,
поэтому эксплуатировать ее надо краткосрочно, только в периоды необходимого
снижения концентрации щелочных металлов, освобождения контура от избытка
растворенных газов, снижения концентрации борной кислоты ниже 1 г/кг. Для
регенерации фильтров используются 5% HNO 3 и 5% KOH в количестве 5 относительных
объемов.
На установке СВО-2 производительностью 2,0 м3/ч осуществляется
доочисткаборного концентрата, получанного упариванием борсодержащей реакторной
воды в выпарных аппаратах до концентрации H3BO3 40 г./кг с
целью его повторного использования. Схема доочистки предусматривает
регенерируемый Н - катионитный фильтр и анионный фильтр в боратной форме
диаметром 0,4 м. на установке СВО-4, кроме очистки воды бассейна в стационарном
режиме, дополнительно предусматривается при аварийных протечках очистка
борсодержащей воды. В схему СВО-4 последовательно включены регенерируемый
фильтры диаметром 2,0 м, загруженные активированным углем марки БАУ, Н -
катионитом и ОН-анионитом, рассчитанные на производительность 40 м3/ч.
Установки для очистки радиоактивных вод АЭС
|
№
|
Наименование и назначение
установки
|
Состав установки
|
|
1
|
Очистка продувочной воды
первого контура
|
ФСД
|
|
2
|
Очистка воды организованных
протечек первого контура
|
Н - катионитный и ОН -
анионитные фильтры.
|
|
3
|
Очистка тронных вод
|
Механические насыпные
фильтры выпарные аппараты, дегазаторы, сорбционные фильтры, Н - катионитные,
ОН - анионитные.
|
|
4
|
Очистка воды бассейнов
выдержки и баков аварийного запаса бора
|
Механический насыпной Н -
катионитный, ОН - анионитный фильтры.
|
|
5
|
Очистка продувочной воды
парогенераторов
|
Механический насыпной, ОН -
анионитный фильтры.
|
|
6
|
Регенерация борной кислоты
|
Осветлитель - механический
насыпной фильтр, Н - катионитный Н3ВО3-анионитный фильтр.
|
|
7
|
Очистка воды спецпрачечной
|
Выпарной аппарат-дегазатор,
сорбционный угольный фильтр, Н-катионитный, ОН - анионитный фильтры.
|
Обозначения к схеме:
- охладитель организованных протечек 1-го контура;
- дроссель;
- СВО-1;
- охладитель продувочной воды 1-го контура;
- бак организованных протечек;
- бак регенерационных растворов;
- охладитель продувки ПГ;
- установка СВО-5;
- бак очищенной воды;
- бак боросодержащей воды;
- установка СВО-3;
- установка СВО-6;
- бак трапных вод;
- вода спецпрачечной;
- СВО-7;
- контрольный бак;
- бак очищенного борного концентрата;
- бак чистого конденсата;
- бак аварийного запаса бора;
- СВО-4;
- бассейн выдержки;
- циркуляционный электронасос;
- деаэратор 2-го контура;
- деаэратор подпитки 1-го контура;
- СВО-2;
- подпиточный насос.
Технологическая
схема спецводоочистокОписание схемы
Циркуляционная
вода с напора ГЦН после охладителя 2 поступает на СВО-1, после которого
возвращается в контур смешиваясь с питательной воды. Установка работает за счет
напора ГЦН и является как бы байпасом реактора и называется байпасной или
внутриконтурной очисткой. Этим подчеркивается, что установка предназначена для
очистки воды только данного контура циркуляции. На СВО-2, помимо организованных
протечек, сливается некоторое количество воды 1-го контура для вывода из
реактора борной кислоты. Очистка воды на СВО-2, чтобы исключить образование
водородной подушки в фильтрах, производится при давлении равным 2 МПа, для чего
в схеме предназначен дроссель 2, очищенная вода дегазируется в деаэраторе
подпитки 1-го контура 24 и подпиточными насосами 26 возвращается в контур.
Часть воды с деаэратора 24 сливается в бак боросодержащей воды 10, откуда для
очистки отправляется в установку СВО-3. На эту же установку отправляется часть
воды из бака 13: неорганизованные протечки 1-го контура, регенерационные и
промывочные фильтры СВО, дезактивационные обмывочные воды и т.д. Очищенная на
установке вода собирается в бак чистого конденсата 18, откуда используется для
подпитки 1-го контура и собственных нужд блока. В баке 18 поддерживается запас
воды; при недостатке в него подается обессоленная вода с ХВО. На установке
СВО-4 очищается не только вода бака выдержки 21, но и вода из баков А3 бора.
СВО-4 работает по схеме байпасной очистки. СВО-5 предназначена для очистки
продувочной воды из ПГ, которая подается на установленный после расширителей
продувки охладитель 7. Очищенная вода собирается в баке 9 и возвращается во
2-ой контур через деаэратор 2-го контура 23. В бак 9 подаётся чистый конденсат
для подпитки 2-го контура. Кубовый остаток выполненных аппаратов установки
СВО-3, содержащий загрязненный борный концентрат с целью регенерации борной
кислоты направляется на СВО-6. Очищенный борный концентрат накапливается в баке
17 и по мере необходимости подается на всас подпиточных насосов 26. Вода
спецпрачечных 14 перерабатывается на СВО-7. На установку могут быть поданы
трапные воды в том случае, если установка СВО-3 окажется перегруженной.
Очищенная вода собирается в контрольном баке 16, откуда после анализа подается
в бак чистого конденсата 18 или, при недостаточной очистке, в бак трапных вод
13. Регенерационные растворы готовятся в баках 6 и подаются на все установки,
кроме СВО-1, фильтрующий материал которого не регенерируется. Таким образом, на
энергоблоке ВВЭР-1000 организуется 4 замкнутых контура сбора и переработки
сточных вод: организованные протечки, борный концентрат, продувочная вода ПГ,
трапные воды и воды спецпрачечной.
7.
Электроснабжение собственных нужд АЭС
В данном дипломном проекте рассматривается АЭС с применением
электролизерной установки. В настоящее время атомные электрические станции
рассматриваются как базовые, т.е. АЭС используются для покрытия базовой части
графика электрических нагрузок. В результате применения электролизерной
установки, всё оборудование АЭС работает на номинальном режиме. А регулирование
мощности АЭС производится за счёт работы электролизерной установки, т.о.
повышается эффективность и надёжность работы оборудования.
На основании выше сказанного делаем вывод, что потребители собственных
нужд станции работают по постоянному графику.
В отношении обеспечения надежности электрического снабжения приемники
электрической энергии разделяются на 3 категории.
1. Первая категория - электрические приемники (нагрузка), перерыв
электроснабжения которых может повлечь за собой опасность для жизни людей,
ущерб для отрасли, повреждение дорогостоящего оборудования, массовый брак
продукции, расстройство технологически сложного процесса.
2. Вторая категория - электрические приемники (нагрузка), перерыв
электроснабжения которых приводит к массовому простою рабочих мест и
недовыпуску продукции.
. Третья категория - остальные электрические приемники. Как
правило, это потребители бытового назначения в производственном цикле.
Целью данного расчета является разработка схемы электроснабжения на АЭС
для бесперебойного электроснабжения потребителей собственных нужд данной
станции.
7.1 Исходные данные
Предусматривается два взаимно резервируемых, независимых источника
питания (трансформаторы) с выключателем автоматического включения резерва (АВР)
между ними. Питание электроприемников рабочих и резервных агрегатов
осуществляется от независимых источников питания. Во взрывоопасных зонах сети
выполнены радиальными кабельными линиями, проложенными в герметичных,
металлических трубах в полу, а двигатели имеют взрывозащищенное исполнение.
Основные
технологические потребители собственных нужд АЭС и их характеристики сведём в
Таблица №7.1
7.2 Расчёт электрической нагрузки
По найденным составляющим производиться определение полной потребляемой
мощности собственных нужд АЭС.
Расчёт средней активной мощности
Определение активной мощности производится по следующей формуле:
где
- коэффициент использования мощности;
- число
однотипных источников.
Произведём
расчёт средней активной мощности для группы главных циркуляционных насосов
ВАЗ-215/109-6-АМ05.
Аналогичным
образом производиться расчёт и для остальных групп оборудования. Все расчёты
активной мощности сведём в таблицу.
Номинальные параметры потребителей собственных нужд АЭС
№
п/п Технологическое назначение Тип электродвигателя Номинальная
мощность
,
Продолжительность
включения ПВ%, %Номинальное напряжение
,
Кратность
|
пускового тока  Число
однотипных приемниковКПД, %
|
|
|
|
|
|
|
|
|
1
|
Главный циркуляционный
насос
|
ВАЗ-215/109-6-АМ05
|
8000
|
100
|
6300
|
4,5
|
0,917
|
3
|
87
|
|
2
|
Конденсатный насос
|
АВК-1000-1500У4
|
1000
|
100
|
6300
|
5
|
0,9
|
4
|
85
|
|
3
|
Циркуляционный насос
|
ДВДА-250/99-20-24У4
|
4000
|
100
|
6300
|
5
|
0,699
|
6
|
89
|
|
4
|
Сетевой насос
|
А-12-52
|
630
|
100
|
6300
|
5,5
|
0,89
|
2
|
84
|
|
5
|
Дренажный насос ПНД-1
|
АОВ-74/315-4-УЗ
|
315
|
100
|
6300
|
5,5
|
0,88
|
2
|
86
|
|
6
|
Дренажный насос ПНД-3
|
АОВ-14-41-4УЗ
|
100
|
6300
|
5
|
0,88
|
2
|
85
|
|
7
|
Насос технической воды
|
АВ-113-4
|
250
|
100
|
6300
|
5,5
|
0,89
|
8
|
89
|
|
8
|
Освещение
|
-
|
60
|
66
|
380
|
-
|
0,6
|
-
|
-
|
|
9
|
КИП
|
-
|
10
|
100
|
380
|
-
|
0,6
|
-
|
-
|
|
10
|
Прочее
|
-
|
150
|
100
|
380
|
-
|
0,89
|
-
|
-
|
Расчёт средней реактивной мощности
Определение средней реактивной мощности производится по следующей
формуле:
где
- определяется в зависимости от
;
Произведём
расчёт средней реактивной мощности для группы главных циркуляционных насосов
ВАЗ-215/109-6-АМ05.
Аналогичным
образом производиться расчёт и для остальных групп оборудования. Все расчеты
средней реактивной мощности сведем в таблицу №7.2.
Суммарная средняя полная мощность
7.3 Разработка схемы электроснабжения собственных нужд АЭС
Электроснабжение собственных нужд осуществляется от двух трансформаторов
собственных нужд Т1 и Т2. К шинам А1 и А2 подключены приемники с номинальным
напряжением 6,3 кВ. К шинам А3 и А4 питание подводится через понижающие
трансформаторы Т3 и Т4. К шинам А3 и А4 подключены приемники с номинальным
напряжением 0,4 кВ.
Предусматривается два взаимно резервируемых, независимых источника
питания (трансформаторы) Т1 и Т2 с выключателем автоматического включения
резерва (АВР) между ними. Питание электроприемников рабочих и резервных
агрегатов осуществляется от независимых источников питания. Во взрывоопасных
зонах сети выполнены радиальными кабельными линиями, проложенными в
герметичных, металлических трубах в полу.
Расчёт электрической нагрузки собственных нужд АЭС
|
Технологическое назначение
|
Тип электродвигателя
|
Номинальная мощность ,  КПД,
%Коэффициент использования Средняя
активная мощность , Средняя
реактивная мощность , Средняя
полная мощность ,
|
|
|
|
|
|
|
|
1
|
Главный циркуляционный
насос
|
ВАЗ-215/109-6-АМ05
|
8000
|
0,917
|
87
|
0,7
|
16800
|
269
|
|
|
2
|
Конденсатный насос
|
АВК-1000-1500У4
|
1000
|
0,9
|
85
|
0,7
|
2800
|
44
|
|
|
3
|
Циркуляционный насос
|
ДВДА-250/99-20-24У4
|
4000
|
0,699
|
89
|
0,7
|
16800
|
205
|
|
|
4
|
Сетевой насос
|
А-12-52
|
630
|
0,89
|
84
|
0,7
|
882
|
13,7
|
|
|
5
|
Дренажный насос ПНД-1
|
АОВ-74/315-4-УЗ
|
315
|
0,88
|
86
|
0,7
|
441
|
6,77
|
|
|
6
|
Дренажный насос ПНД-3
|
АОВ-14-41-4УЗ
|
500
|
0,88
|
85
|
0,7
|
700
|
10,8
|
|
|
7
|
Насос технической воды
|
АВ-113-4
|
250
|
0,89
|
89
|
0,7
|
1400
|
21,8
|
|
|
8
|
Освещение
|
-
|
60
|
0,6
|
|
0,75
|
42
|
0,44
|
|
|
9
|
КИП
|
-
|
10
|
0,6
|
|
1
|
6
|
0,063
|
|
|
10
|
Прочее
|
-
|
150
|
0,89
|
|
0,7
|
105
|
1,63
|
|
|
Суммарная мощность
|
39976
|
573,203
|
39980,3
|
К шинам А1 и А2 подключены приемники с номинальным напряжением 6,3 кВ. К
шинам А3 и А4 питание подводится через понижающие трансформаторы Т3 и Т4. К
шинам А3 и А4 подключены приемники с номинальным напряжением 0,4 кВ. Сеть 0,4
кВ с.н. электростанций предназначена для питания электродвигателей мощностью
200кВт и менее напряжением 380 В. Для возможности выполнения питания
электродвигателей и освещения от одних и тех же секций 0,4 кВ сеть выполняется
с нейтралью, глухо заземленной в одной точке. Электрические приемники первой
категории должны обеспечиваться электроэнергией от двух независимых взаимно
резервирующих источников питания и перерыв их электрического снабжения при
выходе из строя одного из источников питания может быть допущен лишь на время
автоматического восстановления питания.
Нагрузка на трансформаторы распределена равномерно:
Контрольные
точки: соединительная линия W1, трансформатор Т1, выключатель Q1,
выключатель Q4, соединительная линия W4, выключатель Q11,
соединительная линия W1, понижающий трансформатор Т3, выключатель QF 1.
Разработанная схема электрическая принципиальная на
рисунке 7.1
7.4 Выбор числа и мощности трансформаторов
Устанавливаются
2 трансформатора собственных нужд на 6,3 кВ. Каждый трансформатор несет
половину нагрузки и должен быть загружен на 70%. В случае выхода из строя
одного трансформатора второй может нести полную нагрузку собственных нужд.
Выбор мощности трансформаторов производится исходя из рациональной их загрузки
в нормальном режиме и с учетом минимально необходимого, резервирования в
послеаварийном режиме. При этом номинальная мощность трансформаторов
определяется по средней нагрузке
за максимально загруженную смену
Мощность
трансформатора
Из
справочника [12 стр. 130] выбираем трансформатор
Характеристики
трансформатора собственных нужд
|
Тип
|
SНОМ, кВА
|
Напряжение обмотки, кВ
|
Потери, кВт
|
UК, %
|
lХ, %
|
Габариты, м
|
Масса, т
|
|
|
ВН
|
НН
|
РХ
|
РК
|
|
|
Длина
|
Ширина
|
Высота полная
|
|
|
ТДНС-32000/35
|
32000
|
18
|
6,3
|
29
|
145
|
12,7
|
0,6
|
6,6
|
4,3
|
5,35
|
61
|
Проверка коэффициента фактической загрузки трансформаторов:
Каждый
трансформатор работает на 62,5% номинальной мощности,
значит
трансформатор выбран правильно.
Так
же нужно выбрать 2 трансформатора собственных нужд на 0,4 кВ. Каждый трансформатор
несет половину нагрузки и должен быть загружен на 70%. В случае выхода из строя
одного трансформатора второй может нести полную нагрузку собственных нужд.
Выбор мощности трансформаторов производится исходя из рациональной их загрузки
в нормальном режиме и с учетом минимально необходимого, резервирования в
послеаварийном режиме. При этом номинальная мощность трансформаторов
определяется по средней нагрузке
за максимально загруженную смену
Мощность
трансформатора
Из
справочника [12 стр. 130] выбираем трансформатор
Характеристики
трансформатора собственных нужд
|
Тип
|
SНОМ, кВА
|
Напряжение обмотки, кВ
|
Потери, Вт
|
UК, %
|
lХ, %
|
Габариты, м
|
Масса, т
|
|
|
ВН
|
НН
|
РХ
|
РК
|
|
|
Длина
|
Ширина
|
Высота полная
|
|
|
ТСЗ-130/10-У
|
130
|
10,5
|
0,4
|
700
|
2700
|
5,5
|
4
|
1,8
|
0,95
|
1,7
|
1,4
|
Проверка коэффициента фактической загрузки трансформаторов:
Каждый
трансформатор работает на 58,9%, номинальной мощности,
значит
трансформатор выбран правильно.
7.5 Расчет токов короткого замыкания
Короткое замыкание (КЗ) возникает при нарушении электрических цепей.
Причины наружной: старение и следствии этого нарушение изоляции, набросы на
провода ЛЭП, обрыва проводов с падением на землю, механическое повреждение
изоляции кабельных линий при земляных работах, удары молнии в ЛЭП.
Расчет токов КЗ необходим для:
для выбора электрических аппаратов;
для оценки поведения потребителей при аварийных условиях, определение
допустимости того или иного режима;
для проектирования и настройки устройств релейной защиты и автоматики;
для проектирования заземляющих устройств;
для определения влияния токов КЗ на линии связи;
для выбора разрядников;
для анализа аварий в электроустановках и электрических сетях;
для оценки допустимости и разработки методики проведения различных
испытаний электрических сетях;
для анализа работы устойчивости энергосистемы.
Для расчета токов короткого замыкания составляется схема замещения.
Обозначения:
Х1-сопротивление W1;
Х2 - сопротивление Т1;
X3 -
сопротивление Q1;
X4 -
сопротивление Q4;
X5 -
сопротивление W4;
X6 -
сопротивление Q11;
X7 -
сопротивление T3;
X8-сопротивление
QF1;
Схема замещения для расчетов тока КЗ
Расчет тока короткого замыкания на шине А1 6,3 кВ
Базовые условия:
мощность Sб = Sт= 40000 кВА;
напряжение Uб = 6,3 кВ.
Базовый ток
кА
Приведем
сопротивления схемы к базовым условиям:
линия
-
;
трансформатор
собственных нужд;
Ом;
выключатель
-
Ом;
Суммарное
сопротивление системы:
Ом;
Периодическая
составляющая тока короткого замыкания:
Определяем
ударный ток:
;
где
КУ =1,7 и КД = 1,5 - ударные коэффициенты согласно [12 стр. 105].
Расчет
тока короткого замыкания на двигателе
Базовые
условия:
мощность
Sб = 1700 кВА;
напряжение
Uб = 6,3 кВ.
Базовый
ток
1,56 кА
Приведем
сопротивления схемы к базовым условиям:
выключатель
-
Ом;
линия
-
;
Суммарное
сопротивление системы:
Ом;
Периодическая
составляющая тока короткого замыкания:
Определяем
ударный ток:
;
где
КУ =1,7 и КД = 1,5 - ударные коэффициенты [12 стр. 105].
Расчет
тока короткого замыкания на шине А3 0,4 кВ
Базовые
условия:
мощность
Sб = 110 кВА;
напряжение
Uб = 0,4 кВ.
Базовый
ток
0,158 кА
Приведем
сопротивления схемы к базовым условиям:
выключатель
-
Ом
линия
-
Ом;
понижающий
трансформатор -
Ом
выключатель
-
Ом;
Суммарное
сопротивление системы:
Ом;
Периодическая
составляющая тока короткого замыкания:
;
Определяем
ударный ток:
;
где
КУ =1,7 и КД = 1,5 - ударные коэффициенты [12].
7.6 Выбор выключателей
Выключатели Q1-Q3
Расчетный ток продолжительных режимов
Импульс
квадратичного тока
Выбираем
из справочника [12 стр. 156] выключатель ВВОА-15-140/12500УЗ. Выбор
производится из условия:
IП.О.< IОТК
iУ< iДИН
ВК< IТЕР2·tТЕР
UУСТ< UНОМ
IМАХ< IНОМ
Условия
выбора выключателя
|
Условия выбора
|
Расчетные данные
|
Данные каталога
|
|
UУСТ< UНОМ IМАХ< IНОМ IП.О.< IОТК iУ< iДИН ВК< IТЕР2·tТЕР
|
6,3 кВ 3,41кА 32,38 кА
70,66 кА 4340,6 кА2·с
|
15 кВ 12,5 кА 140 кА 355 кА
6400 кА2·с
|
Выбранный выключатель удовлетворяет всем условиям.
Выключатели Q4-Q8, Q13-Q16
Расчетный ток продолжительных режимов
Импульс
квадратичного тока
Выбираем
из справочника [12 стр. 156] выключатель ВМПЭ-11-2500-31,5ТЗ. Выбор
производится из условия:
IП.О.< IОТК
iУ< iДИН
ВК< IТЕР2·tТЕР
UУСТ< UНОМ
IМАХ< IНОМ
Условия
выбора выключателя
|
Условия выбора
|
Расчетные данные
|
Данные каталога
|
|
UУСТ< UНОМ IМАХ< IНОМ IП.О.< IОТК
|
6,3 кВ 1,85кА 13,61 кА
|
11 кВ 2,5 кА 31,5 кА
Выключатели Q9-Q10, Q21-Q24
Расчетный ток продолжительных режимов
Импульс
квадратичного тока
Выбираем
из справочника [12 стр. 156] выключатель ВММ-10А-400-10УЗ.
Условия
выбора выключателя
|
Условия выбора
|
Расчетные данные
|
Данные каталога
|
|
UУСТ< UНОМ IМАХ< IНОМ IП.О.< IОТК
|
6,3 кВ 0,049 0,566 кА
|
10 кВ 0,4 кА 10 кА
|
Выбранный выключатель удовлетворяет всем условиям.
Выключатели Q11-Q12, Q17-Q20, Q17-Q20, Q25-33
Расчетный ток продолжительных режимов
Импульс
квадратичного тока
Выбираем
из справочника [12 стр. 156] выключатель ВММ-10-320-10ТЗ
Условия
выбора выключателя
|
Условия выбора
|
Расчетные данные
|
Данные каталога
|
|
UУСТ< UНОМ IМАХ< IНОМ IП.О.< IОТК
|
6,3 кВ 6 А 0,61 кА
|
11 кВ 320 А 10 кА
|
Выбранный выключатель удовлетворяет всем условиям.
Аналогичным образом производиться расчёт и для остальных групп
оборудования. Выбранные выключатели сведём в таблицу №7.6.5
Тип выключателя
|
Наименование выключателя
|
Тип выключателя
|
|
Q4-Q6, Q7-Q8, Q13-Q16
|
ВМПЭ-11-2500-31,5 ТЗ
|
|
Q9-Q10, Q21-Q24
|
ВММ-10А-400-10УЗ
|
|
Q11-Q12, Q33
|
ВММ-10-320-10 ТЗ
|
|
Q17-Q20, Q25-Q32
|
ВММ-10А-320-10-ТЗ
|
7.7 Выбор разъединителя КМ1, КМ2, КМ3
Выбор производиться исходя из следующих условий:
Условия выбора разъединителя
|
Условия выбора
|
Расчетные данные
|
Данные каталога
|
|
, 6,320
|
|
|
|
, 3,146,3
|
|
|
|
, 1687840000
|
|
|
Выбираем из справочника [12 стр. 156] разъединитель РВРЗ-1-20/6300 УЗ.
7.8 Выбор автомата QF1, QF2
Расчетный ток продолжительных режимов:
Импульс
квадратичного тока:
Выбираем
из справочника [12 стр. 148] автомат АВМ10. Выбор производится из условия:
IП.О.< IОТК
UУСТ< UНОМ
IМАХ< IНОМ
Выбираем
автомат АВМ10.
Условия
выбора автомата
|
Условия выбора
|
Расчетные данные
|
Данные каталога
|
|
UУСТ< UНОМ IМАХ< IНОМ IП.О.< IОТК
|
0,4 кВ 210 А 1,64 кА
|
0,4 кВ 800 А 35 кА
|
Выбранный выключатель удовлетворяет всем условиям.
7.9 Выбор уставок защиты
Проверка производится для трех самых крупных потребителей.
Эффективность проверки оценивается, исходя из условий:
Для главных циркуляционных насосов ВАЗ-215/109-6-АМ05:
Условие
защит выполняется.
Для конденсатных насосов АВК-1000-1500У4:
Условие
защит выполняется.
Для циркуляционных насосов ДВДА-250/99-20-24У4:
Условие
защит выполняется.
7.10 Выбор токопровода W1
Наибольший ток:
Выбираем
токопровод из справочника [12 стр. 136] марки - 4хАС-120/19 с допустимым
продолжительным током IДОП = 390 А из условия IДОП>IУТЯЖ
Проверяем
условие выбора:
.
Проверка
Кзащ<1;
Характеристики
токопровода
|
Номинальное сечение, мм2
|
Сечение, мм2
|
Диаметр, мм
|
Допустимый продолжительный
ток, А
|
|
|
провода
|
стального сердечника
|
вне помещений
|
внутри помещений
|
|
120/19
|
119,0/19,2
|
15,2
|
5,4
|
390
|
313
|
Выбранный токопровод удовлетворяет всем условиям.
7.11 Выбор кабельных линий
Выбор кабельных линий W1-W2
Наибольший ток:
Выбираем
токопровод из справочника [12 стр. 176] марки - 4хАС-120/19 с допустимым
продолжительным током IДОП = 390 А из условия IДОП>IMAX
Проверяем
условие выбора:
Проверка
Кзащ<1;
Характеристики
кабельной линии
|
Номинальное сечение, мм2
|
Сечение, мм2
|
Диаметр, мм
|
Допустимый продолжительный
ток, А
|
|
|
провода
|
стального сердечника
|
вне помещений
|
внутри помещений
|
|
120/19
|
119,0/19,2
|
15,2
|
5,4
|
390
|
313
|
Выбранная кабельная линия удовлетворяет всем условиям.
Выбор кабельных линий W4-W8, W13-W16
Наибольший ток:
Выбираем
токопровод из справочника [12 стр. 146] марки - 2хАС-150/24 с допустимым
продолжительным током IДОП = 410 А из условия IДОП>IУТЯЖ.
Проверяем
условие выбора:
Характеристики
кабельной линии
|
Номинальное сечение, мм2
|
Сечение, мм2
|
Диаметр, мм
|
Допустимый продолжительный
ток, А
|
|
|
провода
|
стального сердечника
|
вне помещений
|
внутри помещений
|
|
150/24
|
124,0/24,2
|
17
|
7,2
|
410
|
414
|
Выбранная кабельная линия удовлетворяет всем условиям
Аналогичным образом производиться расчёт и для остальных групп
оборудования. Выбранные линии сведём в таблицу №7.10.3.
Таблица №7.11.3 Тип кабельной линии
|
Наименование выключателя
|
Тип линии
|
|
W1-W2
|
4xAC-120/19
|
|
W4-W8, W13-W16
|
2xAC-150/24
|
|
W12-W15
|
2xAC-100/15
|
|
W16-W35, W9-W10
|
2xAC-75/19
|
7.12 Выбор шин на 6,3 кВ
Максимальный ток
Выбираем
[12 стр. 170] пятиполосная медная шина 120/10.
Характеристики шины 6,3 кВ
|
Размеры, мм
|
Масса 1 м шины, кг
|
Допустимый ток, А
|
Допустимое напряжение, МПа
|
|
h
|
b
|
|
|
|
|
120
|
10
|
0,972
|
5900
|
20
|
Проверка условия выбора шин:
.
Проверка
шины 6,3 кВ на механическую прочность
Определяется
пролет l при условии, что частота собственных колебаний будет ³200 Гц.
,
где
- момент инерции.
Расстояние
между фазами а = 0,22 м.
Напряжение
в материале шины
,
где
- момент сопротивления;
Проверка
условия механической прочности
Выбранная
шина 6,3 кВ механически прочна.
Проверка
шины 6,3 кВ на термическую стойкость
Минимальное
сечение термической стойкости
,
где
С = 91 А*с0,5/мм2.
Проверка
условия термической стойкости
Выбранная
шина 6,3 кВ термически стойкая и удовлетворяет всем условиям.
Был
произведен расчет электрической схемы собственных нужд с определением режимов
работы электропотребителей и произведен выбор оборудования в соответствии с
расчетными режимами. Выбранное оборудование представлено в перечне элементов.
Для
потребителей собственных нужд характерен продолжительный режим работы, при
котором электропотребители работают на протяжении работы основного оборудования
станции. Для бесперебойной работы электропотребителей собственных нужд
установлено оборудование, обеспечивающее бесперебойную подачу электроэнергии и
их защиту в соответствии со стандартами.
Список
использованных источников
1. Аминов Р.З., Хрусталев В.А., Духовенский А.С., Осадчий
А.И. АЭС с ВВЭР: режимы, характеристики, эффективность. - М.: Энергоатомиздат,
1990.
2. Аркадьев В.А. Режимы работы турбоустановок АЭС. - М.:
Энергоатомиздат, 1986.
. Бекман Г., Гилли П. Тепловое аккумулирование
энергии: Пер. с англ. В.Я. Сидорова, Е.В. Сидорова - М.: Мир, 1987. - 272 с.,
ил.
. Белоконова А.Ф. Водно-химический режим тепловых
электростанций. - М.: Энергоатомиздат, 1985. - 248 с.
. Воронин Л.М. Особенности эксплуатации и ремонта АЭС.
- М.:.: Энергоатомиздат, 1987. - 167 с.
. ГОСТ 2874-82.
. ГОСТ 12.3.006-75.
. ГОСТ 12.1.005-88 ССБТ.
. ГОСТ 12.4.021-75 ССБТ. «Системы вентиляционные.
Общие требования.»
. ГОСТ 12.1.003-83.
. ГОСТ 12.4.002-74.
. ГОСТ 12.4.012-75 ССБТ «Средства измерения и контроля
вибрации на рабочих местах. Технические требования»
13. ГОСТ 20445-75 «Здания и сооружения промышленных
предприятий. Метод измерения шума на рабочих местах».
14. ГОСТ12.2.007.0-75.
15. ГОСТ 12.1.029-80.
16. ГОСТ 12.1.024-76.
. ГОСТ12.1.001-75 ССБТ «Ультрозвук. Общие требования
безопасности».
. ГОСТ 12.1.004-91 «Общие требования»
. ГОСТ 12.1.033-81.
. ГОСТ 12.1.037-81.
. ГОСТ12.1.010-76.
. Герасимов В.В., Каспирович Д.М., Апатовский Л.Е.
Блочные конденсационные электростанции большой мощности. - М.: Энергия, 1964.
. Иванов В.А., Бороков В.Н. и др. Особенности работы
турбоустановок АЭС на скользящем давлении. - Теплоэнергетика 1978 №6.
. Иванов В.А. Режимы мощных паротурбинных установок.
Л.: Энергоиздат, 1986.
. Маргулова Т.Х. Атомные электрические станции:
Учебник для ВУЗов. - М.: Высшая школа, 1984. - 304 с.
. Мартынова И.О. Водоподготовка. Процессы и аппараты.
Учебное пособие для ВУЗов. - М.: Атомиздат, 1977. - 352 с.
. Неклепаев Б.Н. Электрическая часть станций и подстанций:
Учебник для ВУЗов - 2е издание, переработанное и дополненное. - М.:
Энергоатомиздат, 1986. - 640 с.
. Онищенко В.Я. Тепловое аккумулирование энергии на
электростанциях. Основы аккумулирования. Учеб. пособие / В.Я. Онищенко Сарат.
гос. техн. ун-т. Саратов, 1995. 84 с.
. Онищенко В.Я. Тепловое аккумулирование энергии на
электростанциях. Основы технико-экономического анализа. Учеб. пособие / В.Я.
Онищенко Сарат. гос. техн. ун-т. Саратов, 1995. 88 с.
. РД 34.03.301-87.
31. Ривкин С.Л., Александров А.А. Таблицы теплофизических
свойств воды и водяного пара. - М.: Энергоиздат, 1987.
. Рожкова Л.Д., Козулин В.С. Электрооборудование станций
и подстанций: Учебник для техникумов. - М.:, 1987. - Энергоатомиздат 648 с.
33. Рыжкин В.Я., Кузнецов А.М. Анализ тепловых схем мощных
конденсационных блоков. - М.: Энергия, 1979.
. Рыжкин В.Я. Тепловые электрические станции. - М.:
Энергоатомиздат, 1987. - 328 с.
35. Смирнов А.Д., Антипов К.М. Справочная книжка энергетика.
- 4-е изд., перераб. И доп. - М.: Энергоатомиздат, 1984 - 440 с.
. СН 245-71.
37. СНиП II -30-76.
. СНиП II-33-75 «Отопление, вентиляция и
кондиционирование воздуха»
. СНиП 23-05-95.
. СНиП-11А-9-71.
. СНиП-11А5-76
. СНиП 2.01.02-85 «Противопожарные нормы».
. СНиП-М.2-62.
. СНиП П-90-81.
. СНиП П-2-80.
. СП 305-77.
. Стефании Е.П. Основы расчета настройки регуляторов
теплоэнергетических процессов. - М.: Энергия, 1972. - 376 с.
. Хрусталев В.А. Режимы работы АЭС с ВВЭР. Учеб.
пособие. Сарат. гос. тех. ун-т, 2000. 64 с.
. Хрусталев В.А., Арленинов И.К. Регулирование,
автоматизация и защита АЭС: Учебное пособие для ВУЗов. - Саратов: СПИ, 1986.
Похожие работы на - Проект атомной электрической станции
|