Проект энергоблока АЭС электрической мощностью 480 МВт, тепловой мощностью 110 МВт
МИНИСТЕРСТВО
ОБРАЗОВАНИЯ И НАУКИ РОССИЙСКОЙ ФЕДЕРАЦИИ
Федеральное
государственное автономное образовательное учреждение высшего образования
НАЦИОНАЛЬНЫЙ
ИССЛЕДОВАТЕЛЬСКИЙ
ТОМСКИЙ ПОЛИТЕХНИЧЕСКИЙ УНИВЕРСИТЕТ
Институт ЭНИН
Направление Атомные электрические станции
и установки
Кафедра АТЭС
Проект энергоблока АЭС электрической
мощностью 480 МВт, тепловой мощностью 110 МВт
Курсовой проект по курсу «Атомные
электрические станции»
Вариант 20
Проверил
доцент А.В. Воробьев
Проверил
доцент А.М. Антонова
Томск - 2015
1. ПОДРОБНОЕ
ОПИСАНИЕ ПТС ПРОТОТИПА
Турбина предназначена для преобразования энергии пара,
генерируемого в ПГ, в механическую энергию ротора и непосредственного привода
генератора, Турбина предназначена для работы в моноблоке с водо-водяным
реактором ВВЭР-1000 на насыщенном паре. Турбина обеспечивает сверх отборов для
подогрева питательной воды и на турбоприводы питательных насосов нерегулируемые
отборы пара на собственные нужды и на подогрев сетевой воды.
Генератор является основным элементом для выработки
электроэнергии и допускает длительную работу с номинальной нагрузкой, а также
работу с нагрузкой менее номинальной по активной мощности. Генератор
комплектуется выводами с трансформаторами тока и напряжения и бесщеточным
возбудителем на одном валу с генератором. Охлаждение обмотки статора генератора
осуществляется дистиллированной водой (дистиллятом), а обмотки ротора и
активной стали статора -водородом, заключенным внутри газонепроницаемого
корпуса.
Система питательной воды в номинальном режиме и
режимах частичных нагрузок обеспечивает подачу питательной воды,
соответствующую паропроизводительности ПГ и величине продувки из них. Подача
питательной воды в ПГ производится через их регулирующие клапана питания. При
работающей турбине подача питательной воды производится двумя питательными
турбонасосами типа ПТ-3750-75 по двум линиям, соединенным в общий питательный
коллектор.
Система основного конденсата предназначена для
транспортировки конденсата из конденсатора турбины через БОУ и подогреватели
низкого давления в деаэратор. Подача конденсата из конденсатора на БОУ
производится тремя конденсатными насосами 1-ой ступени типа КСВ-1850-95У4 (два
рабочих, один резервный) по однониточному конденсатному тракту. Перед БОУ
конденсат проходит охладители основных эжекторов и эжекторов уплотнений. После
БОУ конденсат поступает на всос трех конденсатных насосов II-ой ступени, в
качестве которых используются насос ЦН-1850-170. За конденсатными насосами
II-ой ступени подключена линия рециркуляции конденсата в конденсатор через
дроссельное устройство, встроенное в блочный расширитель. Далее конденсат
последовательно проходит через четыре подогревателя низкого давления
(соответственно ПНД 1-4). За ПНД-3 и ПНД-1 дренажными насосами производится
подача конденсата греющего пара подогревателей (соответственно ПНД-3,4 и
ПНД-1,2) в линию основного конденсата. Система основного конденсата включается
в работу ко времени подачи пара на эжекторы уплотнения турбины.
2.
ПРОЕКТИРОВАНИЕ ТЕПЛОВОЙ СХЕМЫ НА ЗАДАННЫЕ ПАРАМЕТРЫ
2.1 Составление расчетной схемы
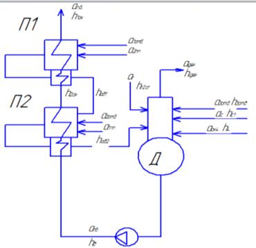
Тепловая схема прототипа (схема с турбиной К-1200-68) представлена на
рисунке 1.
Для проектируемой ПТУ давления в отборах и число РППВ определяются путем
оптимального распределения подогрева воды по ступеням.
Температура в деаэраторе
температура
основного конденсата на входе в деаэратор, принимая подогрев в нем
Определим
подогрев в питательном насосе по формуле:
Где
;
;
-КПД
питательного насоса,
;
Энтальпия
за питательным насосом равна:
,
-энтальпия
питательной воды в деаэраторе, определяется как
,
Находим
температуру воды за питательным насосом:
Примем
число ПВД z=2,
тогда
равномерный подогрев питательной воды в тракте высокого давления:
что
входит в рекомендуемые рамки оптимального подогрева
Температура
воды на входе в ПНД с учетом подогрева ее в основном эжекторе и эжекторе
уплотнений
Определим
ПНД количество ПНД;
Принимаем
недогрев воды до насыщения в ПВД
Температура
воды на выходе из П2
Температура
насыщения соответствующая давлению пара в П2
Давление
отборного пара турбины с учетом потерь в трубопроводе
Температура
воды на выходе из П1
Температура
насыщения соответствующая давлению пара в П1
Давление
отборного пара турбины с учетом потерь в трубопроводе
Для
организации первого перегрева пара по ходу основного тракта(ПП1), организуем
отбор из ЦВД. Определим давление отбора, с учетом равномерного перегрева пара
на участке ПП. Найдем конечную температуру перегрева пара:
:
Найдем
температуру после первого перегрева (ПП1):
Найдем
температуру пара с учетом недогрева:
Найдем
давление перегревателя, по температуре отбора:
Найдем
давление отбора с учетом потерь давления:
Принимаем
недогрев воды до насыщения в ПНД
Температура
основного конденсата на выходе из П7
Температура
насыщения соответствующая давлению пара в П7
Давление
отборного пара турбины с учетом потерь в трубопроводе
Температура
основного конденсата на выходе из П6
Температура
насыщения соответствующая давлению пара в П6
Давление
отборного пара турбины с учетом потерь в трубопроводе
Температура
основного конденсата на выходе из П5
Температура
насыщения соответствующая давлению пара в П5
Давление
отборного пара турбины с учетом потерь в трубопроводе
Температура
основного конденсата на выходе из П4
Температура
насыщения соответствующая давлению пара в П4
Давление
отборного пара турбины с учетом потерь в трубопроводе
Температура
основного конденсата на выходе из П3
Температура
насыщения соответствующая давлению пара в П3
Давление
отборного пара турбины с учетом потерь в трубопроводе
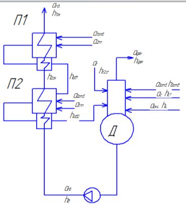
Расчетная
схема представлена на рисунке 2.
2.2 Построение процесса расширения
пара в турбине в h-S диаграмме
Определяем точку 0 с заданными параметрами пара перед стопорным клапаном
турбины р0, х0
р0
= 7.0 МПа = 70 бар; t0 =285.8
; h0 =
2772. кДж/кг; х0 = 1.
Определяем
точку 0' за стопорными и регулирующими клапанами турбины на пересечении
энтальпии h0 с давлением р'0. р'0 меньше р0 на величину потери от
дросселирования в стопорном (CК) и регулирующих (РК) клапанах турбины и определяется
как р'0 = 0,95
р'0
=
МПа = 66.5 бар.
Давление
пара на выходе из ЦВД совпадает с давлением (рразд). Тогда точка 3t в
конце изоэнтропийного процесса расширения пара в ЦВД будет иметь параметры:
МПа; hраздt =
2468 кДж/кг, значение
берём для турбины К-1200-68 ХТЗ из [1].
Располагаемый
теплоперепад ЦВД равен
кДж/кг.
Действительный
теплоперепад ЦВД равен
кДж/кг.
Энтальпия
на пересечении с р3 даёт точку 3 в конце
действительного процесса в ЦВД,
hp = 2772
-261=2511 кДж/кг; х3=0,865; у3 =0,135.
На
пересечении 0' - 3 с изобарой р1и р2 определяем энтальпию пара в первом и
втором отборе h1, h2:
h1 = 2676
кДж/кг; h2 = 2588 кДж/кг h3 = 2511
кДж/кг.
Потери
давления в процессе осушки и перегрева от выхода из ЦВД до входа в ЦНД
оцениваются относительно давления после ЦВД для сепаратора-пароперегревателя
10%. Таким образом, давление пара после СПП
МПа.
Так
как ранее мы рассчитали давления отбора на ПП1, то можем записать параметры
отбора:
Температура
пара на выходе из СПП
определяется с учётом недогрева до температуры t0 ,
который принимается равным 
:
Определяем
точку пп на входе в ЦНД при
МПа, 
и hпп =
2996 кДж/кг.
Определяем
давление пара на выходе из ЦНД
с учётом
потери давления в выхлопном патрубке турбины, которая составляет 2
5% от давления в конденсаторе рк, т.е.
,
рк
= 0,0045 МПа = 0,045 бар,
МПа = 0,047 бар.
Тогда
точка кt в конце изоэнтропийного процесса расширения пара в
ЦНД будет иметь параметры:
МПа; hкt =
2124 кДж/кг, значение
берём для турбины К-1200,ЛМЗ из [1].
Располагаемый
теплоперепад ЦНД равен
кДж/кг.
Действительный
теплоперепад ЦНД равен
кДж/кг.
Энтальпия
на пересечении с р'кдает точку к' в конце
действительного процесса в ЦНД,
hк = 2996-725 =
2271 кДж/кг.
На
пересечении пп - к' с изобарой р4, р5 и р6 , р7 определяем энтальпии пара в
четвёртом, пятом и шестом, седьмом отборах:
h4 = 2916
кДж/кг; h5 = 2784 кДж/кг; h6 = 2636
кДж/кг; h7 = 2472 кДж/кг.
Действительный
теплоперепад турбины
,
кДж/кг.
.3 Составление сводной таблицы
параметров пара и воды
По процессу расширения пара в турбине определяем характерные точки и
заносим в таблицу 2.1.
Значения давлений и энтальпий пара на входе, выходе из турбины берём из
исходных данных и по расчёту процесса расширения.
Значения энтальпий отборов определены при построении процесса расширения
пара в турбине.
Значения
давлений в подогревателях с учётом потерь давления в паропроводах определены
ранее как
Для деаэратора рп = рд. Для конденсатора давление рк
задано.
Температура
и энтальпии дренажа подогревателей без охладителей дренажа равны параметрам
насыщения. Значения температуры насыщения tн иэнтальпии
кипящей воды h' определяются по давлению в подогревателях рп
,рассчитанным ранее для чего используется таблица [3].
Значения
температуры питательной воды tпв, основного конденсата tок и сетевой
воды tсвза соответствующими подогревателями определены выше
с учётом недогрева воды от температуры насыщения.
Для
деаэратора (Д), конденсатора (К) и смешивающих подогревателей температура
основного конденсата равна температуре насыщения при давлении в этих
теплообменниках.
Значение
давления питательной воды Рпв, основного конденсата Рок и сетевой воды Рсв в
подогревателях приближенно определяются, как давление за питательным,
конденсатным и сетевым насосами по формулам:
Значение
энтальпии питательной воды hпв, основного конденсата hок и сетевой
воды hсв определяются по соответствующим значениям
температур и давлений по таблицам воды [3].Для Д, К параметры воды и основного
конденсата равны параметрам насыщения.
Значение
удельной работы одного килограмма пара, идущего в j отбор турбины,
определяется по формуле
для отборов ЦВД и для всей турбины при отсутствии
промежуточного перегрева пара, по формуле
, для
отборов ЦНД при наличии промежуточного перегрева пара. В схемах с
влажнопаровыми турбинами величина Δhпп подразумевает разность энтальпии пара на выходе из СПП и энтальпии
пара на выходе из ЦВД.
Значение
коэффициентов недовыработки мощности паром, идущим в j отбор турбины,
определятся по формуле:
.
-
подогрев воды в охладителе дренажа [4].
Величина
удельной работы одного килограмма пара, идущего в j отбор турбины,
определяется по формуле:
Величина
коэффициентов недовыработки мощности паром, идущим в j отбор турбины,
определяется по формуле:
где
Hi - полный действительно использованный теплоперепад на
турбину.
Таблица 1. Параметры пара, конденсата и воды:
|
Точка процесса в турбине
|
Элементы тепловой схемы
|
Пар в турбине (отборе)
|
Пар в подогревателе
|
Дренаж греющего пара
|
Охладитель дренажа
|
Питательная вода, основной конденсат
|
Удельная работа отбора
|
Коэф - т недовыработки
|
|
|
ротб
|
hотб
|
рп
|
tн
|
h'
|
tод
|
hод
|
tпв
|
рпв
|
hпв,ок,св
|
Hj
|
yj
|
|
|
МПа
|
кДж/кг
|
МПа
|
˚С
|
кДж/кг
|
˚С
|
кДж/кг
|
˚С
|
МПа
|
кДж/кг
|
кДж/кг
|
-
|
|
0
|
-
|
7.0
|
2772
|
-
|
-
|
-
|
-
|
-
|
-
|
-
|
-
|
-
|
-
|
|
0'
|
-
|
6.65
|
2772
|
-
|
-
|
-
|
-
|
-
|
-
|
-
|
-
|
-
|
-
|
|
С
|
С
|
1,17
|
2783
|
1,11
|
184,5
|
783
|
-
|
-
|
-
|
-
|
-
|
-
|
-
|
|
ПП2
|
ПП2
|
7
|
2772
|
6,65
|
-
|
-
|
-
|
-
|
-
|
-
|
-
|
-
|
-
|
|
ПП1
|
ПП1
|
3,514
|
2684
|
3,347
|
-
|
-
|
-
|
-
|
-
|
-
|
-
|
-
|
-
|
|
1
|
П1
|
3,652
|
2676
|
3,478
|
242,2
|
1049
|
217,2
|
931
|
237,2
|
9.8
|
1025
|
96
|
0,902
|
|
2
|
П2
|
2,092
|
2588
|
1,993
|
212,2
|
907
|
197,2
|
840
|
207,2
|
9.8
|
888
|
184
|
0,813
|
|
д
|
Д
|
1,17
|
2511
|
0,9
|
175,5
|
743
|
-
|
-
|
175,5
|
0,9
|
743
|
261
|
0,735
|
|
3
|
П4
|
0,693
|
2916
|
0,673
|
163,4
|
690
|
139,4
|
587
|
160,4
|
1,26
|
678
|
341
|
0,654
|
|
4
|
П5
|
0,298
|
0,290
|
132,4
|
556
|
108,3
|
454
|
129,4
|
1,26
|
545
|
473
|
0,520
|
|
5
|
П6
|
0,109
|
2636
|
0,106
|
101,3
|
424
|
-
|
-
|
98,3
|
1,26
|
413
|
621
|
0,370
|
|
6
|
П7
|
0,0284
|
2472
|
0,0276
|
67,2
|
281
|
-
|
-
|
67,2
|
0,0276
|
281
|
785
|
0,203
|
|
k'
|
К
|
0,0047
|
2271
|
0,0045
|
31,0
|
130
|
-
|
-
|
31,0
|
0,0045
|
130
|
986
|
0
|
3. РАСЧЕТ
ПРИНЦИПИАЛЬНОЙ ТЕПЛОВОЙ СХЕМЫ НА КОНДЕНСАЦИОННЫЙ РЕЖИМ РАБОТЫ
.1 Составление и решение уравнения
материальных и тепловых балансов всех элементов схемы
Материальный баланс по пару
Относительный
расход пара на турбину
.
Относительный
расход пара на влажнопаровую турбоустановку АЭС в общем случае определяется как
.
Относительный
расход пара из ПГ в общем случае равен:
,
где
- относительный расход пара на утечки;
- относительный расход пара на уплотнения.
.
Материальный
баланс по воде
Относительный
расход питательной воды в ПГ в общем случае определяется как
,
-
относительный расход пара на продувку.
.
Материальный
баланс добавочной воды
.
С
помощью программы Mathcad совместным решением системы уравнений находим
неизвестные параметры уравнений.
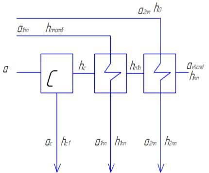
Расширитель непрерывной продувки (Р)
Служит для уменьшения потери рабочего тела и сохранения части теплоты,
сбрасываемой с непрерывной продувкой из корпуса парогенератора АЭС с
естественной циркуляцией.
Цель расчета расширителя заключается в определении относительных расходов
пара αР и воды αВ по принятому расходу продувочной
воды αПР на основе решения уравнений материального
и теплового балансов.
Рис. 2. Расчетные схемы расширителя и оладителя непрерывной продувки ПГ
′пр-
энтальпия продувочной воды, определяется для состояния насыщения при давлении в
барабане парогенератора;′′р, h′в- энтальпии пара и воды на
выходе из расширителя, определяются для состояния насыщения при давлении в
расширителе Pр=0,735 МПа, которое из-за гидравлических потерь в трубопроводе на
2 - 8% выше давления в том элементе схемы, куда отводится пар; ηС= 0,99 - КПД расширителя.
Охладитель
продувки
Рис. 3. Расчётная схема охладителя продувки
Целью расчета ОП является определение энтальпии hоп, которая находится из системы уравнений [1]:
Энтальпия
воды на входе в ОП будет равна [1]:
Тогда
Составление
и решение уравнений материального и теплового балансов подогревателей
регенеративной системы
Целью
расчёта регенеративных подогревателей является определение относительных
расходов греющего пара на них из отборов турбины.
Для определения этих расходов составляются и последовательно, а также совместно
решаются уравнения материального и теплового баланса теплообменников. В
тепловых схемах установок насыщенного пара АЭС предусмотрен сброс сепарата из
сепаратора и отвод дренажа греющего пара промежуточных пароперегревателей в
регенеративные подогреватели. Возникает сложность определения. Поэтому при
расчёте тепловых схем АЭС требуется современное решение системы балансовых
уравнений для этих взаимосвязанных элементов.
Система уравнений тепловых и материальных балансов, составленных для всех
рассчитываемых элементов схемы турбоустановки, может быть решена методом
последовательных приближений или другим способом, а также с помощью прикладных
программ на ПЭВМ.
В тепловой схеме АЭС сначала рассчитываем ПВД, против хода питательной
воды, потом деаэратор и затем группу ПНД от деаэратора к конденсатору значение
энтальпий смотрим в таблице 1. Для решения систем будем применять метод
последовательных приближений.
Расчет ПВД, С+ПП2,деаэратора.
В последующих расчетах мы будем находить относительные расходы на подогреватели
высокого давления ПВД1 и ПВД2,сепаратора, двух ПП и деаэратора. Для этого нужно
будет решить систему из семи неизвестных.
Неизвестными в этой системе будут:
Для
расчета нам известны:


Используем
Схему1 и Схему 2:
Схема
1
Схема
2
Найдем
Для
этого решим систему
Решение
системы являются:
ПНД4,
ПНД5, ПНД6
Рис. 8. Расчётная схема ПНД-4, ПНД-5,ПНД-6
Система уравнений:
Решение
системы являются:
ПНД-7(смешивающий)
Рис. 10 Расчётная схема ПНД-7
Система уравнений:
Таким
образом, были получены следующие числовые значения искомых величин:
Проверка материального баланса рабочего тела в схеме[1]
После
определения расходов из всех j-х отборов турбины, определяем из материального
баланса турбины относительный расход пара в конденсатор
, где
- сумма
расходов во все отборы турбины.
;
Оценим
погрешность:
что
меньше допустимой погрешности 0,5%.
3.3 Определение расхода пара на
турбину
Расход пара на турбину определяется по формуле:
,
где
механический КПД паротурбинной установки;
КПД
генератора;
относительный
расход пара в j-ый отбор. Определены в п.3.4., от.ед.;
коэффициент
недовыработки j-го отбора. Определены в п.3.2., от.ед.;
относительный
расход сепарата в сепараторе. Определен в п.3.4., от.ед.;
коэффициент
недовыработки 3-го отбора. Определены в п.3.2., от.ед.;
электрическая
мощность АЭС. Задана, кВт;
действительныйтеплоперепад
на турбину. Определен в п.3.1., кДж/кг.
Сделаем
проверку. Рассчитаем мощность АЭС по формуле:
;
Относительная
погрешность расчета:
3.4 Расчет показателей тепловой
экономичности
атомный электрический станция тепловой
Тепловую нагрузку ПГ определяем по формуле:
пг=G0(aпг(h0-hпв)+ aпрод(h`пр-hпв)), кВт,
где h0, hпв, h`пр -
энтальпии пара на входе в турбину, питательной воды на входе в ПГ и продувочной
воды, кДж/кг; aпп=aсвых - относительный расход пара
через ПП; Dhпп- повышение энтальпии в ПП; aпг и aпрод относительные расходы пара из ПГ и продувочной
воды.
`прод=f(P0)=2772 кДж/кг.
пг=1388690 кВт.
Полную тепловую нагрузку определяем по формуле:
ту=G0((aту+aупл)(h0-hпв)+ aдв(hдв-hпв)), кВт,
где aдв=aут =0,005- относительный расход
добавочной воды;
hдв =
137 кДж/кг- энтальпия добавочной воды.
Qту=1378840
кВт.
Тепловая нагрузка турбоустановки по производству электроэнергии:
эту= Qту=1378840 кВт.
КПД турбоустановки по производству электроэнергии:
.
Транспортный
КПД:
.
КПД
блока по отпуску электроэнергии (нетто):
,
где
kсн - удельный расход электроэнергии на собственные
нужды станции, принимаем для двухконтурной АЭС kсн = 0,05¸0,055; hпгу=hру*hтр1*hпг; hру = 0,99 - КПД реакторной установки; hпг= 0,985¸0,99 - КПД парогенератора АЭС; hтр1=0,99¸0,995 - КПД трубопроводов первого контура.
hпгу=0,99*0,99*0,99=0,97.
=0,34812*0,97*0,99(1-0,05)=0,31861.
Удельный
расход выгоревшего ядерного топлива на отпуск электроэнергии:
.
Удельный
расход природного урана:
,
где
=(30¸40)103 МВт×сут/т - глубина выгорания топлива для АЭС с ВВЭР; хн,
хе,хо - содержание урана-235, соответственно, в свежем, природном и отвальном
уране обогатительного производства. Принимают для АЭС с ВВЭР: хн=3,5¸4 %; хе = 0,71 %; х0 = 0,25 %.
4.
ПОДКЛЮЧЕНИЕ И РАСЧЁТ СЕТЕВОЙ ПОДОГРЕВАТЕЛЬНОЙ УСТАНОВКИ ПРИ РАСЧЁТНОЙ
ТЕМПЕРАТУРЕ ВОЗДУХА И ЗАДАННОЙ ТЕПЛОВОЙ МОЩНОСТИ
4.1 Построение температурного графика теплосети
Отпуск
теплоты на отопление зависит от температуры наружного воздуха. Для различных
климатических районов установлены и приведены в климатическом справочнике [6],
значения расчётной температуры наружного воздуха
, средней
температуры отопительного периода
,
продолжительности отопительного сезона
,
продолжительности стояния температур наружного воздуха. Изменение отопительной
нагрузки в зависимости от температуры наружного воздуха представляется как
.
Расчётная
температура наружного воздуха для г. Новосибирск

.
Температура
прямой сетевой воды
максимальна и составляет по условию 120
.
Температура
обратной сетевой воды
максимальна и составляет по условию 60
.
Рисунок
10. Температурный график теплосети
4.2 Определение параметров пара и воды в сетевых
подогревателях
Выбираем место подключения подогревателей сетевой воды к отборам турбины.
Рисунок 11.
Расчётная схема отпуска теплоты на отопление
Параметры сетевой воды определены по давлению 2МПа и температурам
обратной и прямой сети. Отборы для подключения - это третий и четвёртый с
давлениями
Зная
значения температур прямой сети и обратной, примем недогрев в СП
, найдем температуры сетевой воды на выходе из СП:
так
как заданное значение
, меньше чем на выходе из СП1
то необходимо на СП1 выполнить байпас сетевой воды.
4.3 Определение расходов сетевой воды и пара на
сетевые подогреватели
Общий расход
сетевой воды определяется по формуле

Определим
расход сетевой воды в байпас и через СП1, составив систему для точки смешения:
(5.3.1)
или
Определим расходы греющего пара на сетевые подогреватели.
Расход греющего пара из отборов определяем из уравнений их тепловых
балансов.
СП1:
(5.3.2)
СП2:
(5.3.3)
- КПД
сетевых подогревателей, принимается
.
Для
определения тепловых нагрузок
,
воспользуемся выражением
(5.3.4)
(5.3.5)
Согласно
приведенным выше формулам получаем
5. РАСЧЕТ
ПРИНЦИПИАЛЬНОЙ ТЕПЛОВОЙ СХЕМЫ НА ТЕПЛОФИКАЦИОННЫЙ РЕЖИМ
5.1 Перерасчёт расходов пара по отсекам в новом
режиме
атомный электрический станция тепловой
Расход пара в отборы после расчета на конденсационный режим
Расходы
пара по отсекам при конденсационном режиме
Расходы пара по отсекам при теплофикационном режиме.
Расход на турбину считаем постоянным:
Проверка
мощности по отсекам
5.2 Перерасчёт давления в конденсаторе
Перерасчёт температуры насыщения производим по формуле:
, (6.2.1)
где
- расход в конденсаторе при конденсационном режиме,
- расход в конденсаторе при теплофикационном режиме,
- температура насыщения в конденсаторе при
конденсационном режиме, 
;
Новое
давление в конденсаторе
МПа.
5.3 Уточнение давлений в регенеративных отборах
с учётом подключения сетевых подогревателей
Перерасчёт давлений в отборах производим по формуле Флюгеля:
, (6.3.1)
где
индекс «i» - номер отбора пара из турбины; индекс «j» -
номер отсека турбины.
5.4 Уточнение параметров пара и воды в сетевых
подогревателях
Параметры сетевой воды определены по давлению 2МПа и температурам
обратной и прямой сети. Отборы для подключения - это пятый и шестой с
давлениями
Зная
значения температур прямой сети и обратной, примем недогрев в СП
, найдем температуры сетевой воды на выходе из СП:
5.5 Уточнение расходов сетевой воды и пара на
сетевые подогреватели
Определим расходы греющего пара на сетевые подогреватели.
Расход греющего пара из отборов определяем из уравнений их тепловых
балансов.
СП1:
(6.5.1)
СП2:
(6.5.2)
- КПД
сетевых подогревателей, принимается
.
Для
определения тепловых нагрузок
,
воспользуемся выражением
(6.5.3)
(6.5.4)
Согласно
приведенным выше формулам получаем
5.6 Пересчёт принципиальной тепловой схемы,
определение электрической мощности ПТУ, показателей тепловой экономичности ПТУ
и энергоблока по выработке электроэнергии
Построение процесса расширения пара в турбине в h-S диаграмме производим аналогично
конденсационному режиму.
Определяем точку 0 с заданными параметрами пара перед стопорным клапаном
турбины р0, х0
р0
= 7.0 МПа = 70 бар; t0 =285.83
; h0 =
2772 кДж/кг; х0 = 1.
Определяем
точку 0' за стопорными и регулирующими клапанами турбины на пересечении
энтальпии h0 с давлением р'0. р'0 меньше р0 на величину потери от
дросселирования в стопорном (CК) и регулирующих (РК) клапанах турбины и определяется
как р'0 = 0,95
р'0
=
МПа = 66.5 бар.
Давление
пара на выходе из ЦВД совпадает с давлением (рразд). Тогда точка 3t в
конце изоэнтропийного процесса расширения пара в ЦВД будет иметь параметры:
МПа; hраздt =
2432 кДж/кг, значение
берём для турбины К-1200-68 ХТЗ из [1].
Располагаемый
Теплоперепад ЦВД равен
кДж/кг.
Действительный
Теплоперепад ЦВД равен
кДж/кг.
Энтальпия
на пересечении с р3 даёт точку 3 в конце
действительного процесса в ЦВД,
hp = 2772
-293,08 =2478 кДж/кг; х3=0,865; у3 =0,135.
На
пересечении 0' - 3 с изобарой р1и р2 определяем энтальпию пара в первом и
втором отборе h1, h2:
h1 = 2688
кДж/кг; h2 = 2588 кДж/кг h3 = 2479
кДж/кг.
Потери
давления в процессе осушки и перегрева от выхода из ЦВД до входа в ЦНД
оцениваются относительно давления после ЦВД для сепаратора-пароперегревателя
10%. Таким образом, давление пара после СПП
МПа.
Температура
пара на выходе из СПП
определяется с учётом недогрева до температуры t0 ,
который принимается равным 
:
Определяем
точку пп на входе в ЦНД при
МПа, 
и hпп =
3000 кДж/кг.
Определяем
давление пара на выходе из ЦНД
с учётом
потери давления в выхлопном патрубке турбины, которая составляет 2
5% от давления в конденсаторе рк, т.е.
,
рк
= 0,0043 МПа = 0,043 бар,
МПа = 0,045 бар.
Тогда
точка кt в конце изоэнтропийного процесса расширения пара в
ЦНД будет иметь параметры:
МПа; hкt =
2140 кДж/кг, значение
берём для турбины К-1000.68 ХТЗ из [1].
Располагаемый
теплоперепад ЦНД равен
кДж/кг.
Действительный
теплоперепад ЦНД равен
кДж/кг.
Энтальпия
на пересечении с р'к дает точку к' в конце
действительного процесса в ЦНД,
hк = 2288
кДж/кг.
На
пересечении пп - к' с изобарой р4, р5 и р6 , р7 определяем энтальпии пара в
четвёртом, пятом и шестом, седьмом отборах:
h4 = 2976
кДж/кг; h5 = 2804 кДж/кг; h6 = 2684
кДж/кг; h7 = 2496 кДж/кг.
Действительный
теплоперепад турбины
,
кДж/кг.
5.7 Составление сводной таблицы параметров пара
и воды
По процессу расширения пара в турбине определяем характерные точки и
заносим в таблицу 2.1.
Значения давлений и энтальпий пара на входе, выходе из турбины берём из
исходных данных и по расчёту процесса расширения.
Значения энтальпий отборов определены при построении процесса расширения
пара в турбине.
Значения
давлений в подогревателях с учётом потерь давления в паропроводах определены
ранее как
Для деаэратора рп = рд. Для конденсатора давление рк
задано.
Температура
и энтальпии дренажа подогревателей без охладителей дренажа равны параметрам
насыщения. Значения температуры насыщения tн иэнтальпии
кипящей воды h' определяются по давлению в подогревателях рп
,рассчитанным ранее для чего используется таблица [3].
Значения
температуры питательной воды tпв, основного конденсата tок и сетевой
воды tсвза соответствующими подогревателями определены выше
с учётом недогрева воды от температуры насыщения.
Для
деаэратора (Д), конденсатора (К) и смешивающих подогревателей температура
основного конденсата равна температуре насыщения при давлении в этих
теплообменниках.
Значение
давления питательной воды Рпв, основного конденсата Рок и сетевой воды Рсв в
подогревателях приближенно определяются, как давление за питательным,
конденсатным и сетевым насосами по формулам:
Значение
энтальпии питательной воды hпв, основного конденсата hок и сетевой
воды hсв определяются по соответствующим значениям
температур и давлений по таблицам воды [3].Для Д, К параметры воды и основного
конденсата равны параметрам насыщения.
Значение
удельной работы одного килограмма пара, идущего в j отбор турбины,
определяется по формуле
для отборов ЦВД и для всей турбины при отсутствии
промежуточного перегрева пара, по формуле
, для
отборов ЦНД при наличии промежуточного перегрева пара. В схемах с
влажно-паровыми турбинами величина Δhпп подразумевает разность энтальпии пара на выходе из СПП и энтальпии
пара на выходе из ЦВД.
Значение
коэффициентов недовыработки мощности паром, идущим в j отбор турбины,
определятся по формуле:
.
Принципиальная тепловая схема работы на теплофикационном режиме
представлена на рисунке 11.
5.8 Составление сводной таблицы параметров пара
и воды
Составление сводной таблицы параметров пара и воды производим аналогично
конденсационному режиму.
Таблица 2. Параметры пара, конденсата и воды
|
Точка процесса в турбине
|
Элементы тепловой схемы
|
Пар в подогре-вателе
|
Дренаж греющего пара
|
Питательная, сетевая вода, основной конденсат
|
Удельная работа отбора
|
Коэф - т недовы-работки
|
|
|
ротб
|
hотб
|
рп
|
tн
|
h'
|
tпв
|
рпв
|
hпв,ок,св
|
Hj
|
yj
|
|
|
МПа
|
кДж/кг
|
МПа
|
˚С
|
кДж/кг
|
˚С
|
МПа
|
кДж/кг
|
кДж/кг
|
-
|
|
0
|
-
|
7.0
|
2772
|
-
|
-
|
-
|
-
|
-
|
-
|
-
|
-
|
|
0'
|
-
|
6.65
|
2772
|
-
|
-
|
-
|
-
|
-
|
-
|
-
|
-
|
|
С
|
С
|
0,945
|
2775
|
0,945
|
177,4
|
751,9
|
|
|
|
|
|
|
ПП2
|
ПП2
|
0,898
|
3000
|
6.65
|
282,4
|
1249
|
|
|
|
|
|
|
ПП1
|
ПП1
|
3,09
|
2664
|
2,93
|
232,6
|
1002
|
|
|
|
108
|
0.892
|
|
1
|
П1
|
3,538
|
2688
|
3,37
|
240,4
|
1039
|
235,4
|
9.7
|
1017
|
84
|
0,916
|
|
2
|
П2
|
2,019
|
2588
|
1,92
|
210,4
|
899,6
|
205,4
|
9.8
|
879,9
|
184
|
0,816
|
|
д
|
Д
|
0.945
|
2479
|
0,9
|
-
|
742,7
|
175,4
|
0,9
|
742,7
|
293
|
0,707
|
|
3
|
П4
|
0,784
|
2976
|
0,76
|
168,4
|
712
|
165,4
|
1,06
|
699,3
|
317
|
0,683
|
|
4
|
П5
|
0,325
|
2804
|
0,316
|
135,3
|
569,1
|
132,28
|
1,16
|
556,7
|
493
|
0,507
|
|
4
|
СП1
|
0,325
|
2804
|
0,316
|
135,3
|
569,1
|
125,7
|
1,16
|
528,7
|
493
|
0,507
|
|
5
|
П6
|
0,0112
|
2684
|
0,109
|
102
|
427,7
|
99,15
|
1,26
|
416,4
|
613
|
0,387
|
|
5
|
СП2
|
0,0112
|
2684
|
0,109
|
102
|
427,7
|
90,54
|
1,16
|
380,1
|
613
|
0,387
|
|
6
|
П7
|
0,0271
|
2496
|
0,0263
|
65,84
|
275,6
|
66,1
|
1,26
|
276,7
|
829
|
0,171
|
|
k'
|
К
|
0,0045
|
2288
|
0,0043
|
30,22
|
126,7
|
30,22
|
0,0043
|
126,7
|
1006,9
|
0
|
6. РАСЧЕТ
ПРИНЦИПИАЛЬНОЙ ТЕПЛОВОЙ СХЕМЫ НА ТЕПЛОФИКАЦИОННЫЙ РЕЖИМ РАБОТЫ
6.1 Составление и решение уравнения материальных
и тепловых балансов всех элементов схемы
Материальный баланс по пару
Относительный
расход пара на турбину
.
Относительный
расход пара на влажнопаровую турбоустановку АЭС в общем случае определяется как
.
Относительный
расход пара из ПГ в общем случае равен:
,
где
- относительный расход пара на утечки;
- относительный расход пара на уплотнения.
.
Материальный
баланс по воде
Относительный
расход питательной воды в ПГ в общем случае определяется как
,
-
относительный расход пара на продувку.
.
Материальный
баланс добавочной воды
.
С
помощью программы Mathcad совместным решением системы уравнений находим
неизвестные параметры уравнений.
Расширитель непрерывной продувки (Р)
Служит для уменьшения потери рабочего тела и сохранения части теплоты,
сбрасываемой с непрерывной продувкой из корпуса парогенератора АЭС с
естественной циркуляцией.
Цель расчета расширителя заключается в определении относительных расходов
пара αР и воды αВ по принятому расходу продувочной
воды αПР на основе решения уравнений
материального и теплового балансов.
Рис. 2. Расчетные схемы расширителя и оладителя непрерывной продувки ПГ
′пр-
энтальпия продувочной воды, определяется для состояния насыщения при давлении в
барабане парогенератора;′′р, h′в- энтальпии пара и воды на
выходе из расширителя, определяются для состояния насыщения при давлении в
расширителе Pр=0,735 МПа, которое из-за гидравлических потерь в трубопроводе на
2 - 8% выше давления в том элементе схемы, куда отводится пар; ηС= 0,99 - КПД расширителя.
Охладитель
продувки
Рис. 3. Расчётная схема охладителя продувки
Целью расчета ОП является определение энтальпии hоп, которая находится из системы уравнений [1]:
Энтальпия
воды на входе в ОП будет равна [1]:
Тогда
Составление
и решение уравнений материального и теплового балансов подогревателей
регенеративной системы
Целью
расчёта регенеративных подогревателей является определение относительных
расходов греющего пара на них из отборов турбины.
Для определения этих расходов составляются и последовательно, а также
совместно решаются уравнения материального и теплового баланса теплообменников.
В тепловых схемах установок насыщенного пара АЭС предусмотрен сброс сепарата из
сепаратора и отвод дренажа греющего пара промежуточных пароперегревателей в
регенеративные подогреватели. Возникает сложность определения. Поэтому при
расчёте тепловых схем АЭС требуется современное решение системы балансовых
уравнений для этих взаимосвязанных элементов.
Система уравнений тепловых и материальных балансов, составленных для всех
рассчитываемых элементов схемы турбоустановки, может быть решена методом
последовательных приближений или другим способом, а также с помощью прикладных
программ на ПЭВМ.
В тепловой схеме АЭС сначала рассчитываем ПВД, против хода питательной
воды, потом деаэратор и затем группу ПНД от деаэратора к конденсатору значение
энтальпий смотрим в таблице 1. Для решения систем будем применять метод
последовательных приближений.
ПВД-1
Рис. 4. Расчётная схема поверхностного подогревателя ПВД-1
Так как ПВД имеет охладитель дренажа (ОД) по условию, то составляем
систему уравнений теплового баланса, которая принимает следующий вид:
, где
=0,98;
- относительный расход пара на ПВД-1.
Значения
соответствующих энтальпий приведены в Таблице №1.
ПВД-2
Рис. 5. Расчётная схема поверхностного подогревателя ПВД-2
Составляем систему уравнений теплового баланса, которая принимает
следующий вид:
=0,98;
- относительный расход пара на ПВД-2.
Деаэратор, сепаратор и пароперегреватель (С и 2ПП)
Рис. 6. Расчётная схема сепаратора и пароперегревателя
Рис. 7. Расчётная схема деаэратора
Система уравнений:
ПНД4 и ПНД5 и ПНД6
Рис. 8. Расчётная схема ПНД-4, ПНД-5 и ПНД6
Система уравнений:
С
учетом сетевого подогревателя:
ПНД-7
Рис. 10 Расчётная схема ПНД-7
С учетом сетевого подогревателя:
Система
уравнений:
Таким
образом, были получены следующие числовые значения искомых величин:
Проверка материального баланса рабочего тела в схеме[1]
После
определения расходов из всех j-х отборов турбины, определяем из материального
баланса турбины относительный расход пара в конденсатор
, где
- сумма
расходов во все отборы турбины.
;
Проверка
для
производится по формуле:
Оценим
погрешность:
что
меньше допустимой погрешности 0,5%.
Расход
пара на турбину определяется по формуле:
,
где
механический КПД паротурбинной установки;
КПД
генератора;
относительный
расход пара в j-ый отбор. Определены в п.3.4., от.ед.;
коэффициент
недовыработки j-го отбора. Определены в п.3.2., от.ед.;
относительный
расход сепарата в сепараторе. Определен в п.3.4., от.ед.;
коэффициент
недовыработки 3-го отбора. Определены в п.3.2., от.ед.;
электрическая
мощность АЭС. Задана, кВт;
действительныйтеплоперепад
на турбину. Определен в п.3.1., кДж/кг.
Сделаем
проверку. Рассчитаем мощность АЭС по формуле:
;
Относительная
погрешность расчета:
6.2 Расчёт показателей тепловой экономичности
Определим тепловую нагрузку парогенерирующей установки
кВт.
где
- энтальпии пара на входе в турбину, питательной воды
на входе в парогенератор и продувочной воды, кДж/кг;
и
относительные расходы пара из парогенерирующей установки и продувочной воды.
Определим
полную тепловую нагрузку турбоустановки.
кВт,
где
- относительный расход добавочной воды;
-относительный расход пара из парогенерирующей
установки;
- энтальпия добавочной воды.
Тепловая
нагрузка турбоустановки на отопление
кВт.
Тепловая
нагрузка турбоустановки по производству электроэнергии
кВт.
КПД турбоустановки по производству электроэнергии
,
КПД
трубопроводов, связывающих парогенераторную установку с турбиной (КПД второго
контура)
.
КПД
блока по отпуску электроэнергии (нетто)
,
где
- удельный расход электроэнергии на собственные нужды
станции, принимаем для двухконтурной АЭС
;
- КПД парогенерирующей установки; для двухконтурной
АЭС
;
- КПД
реакторной установки;
- КПД парогенератора АЭС;
- КПД трубопроводов первого контура.
.
КПД
блока по отпуску теплоты
.
Удельный
расход выгоревшего ядерного горючего на отпуск электроэнергии

.
Удельный
расход условного топлива по отпуску электроэнергии
гу.т./кВт.
Удельный
расход условного топлива по отпуску теплоты
гу.т./кВт.
Удельный
расход ядерного горючего (природного урана)
,
,
где
- глубина выгорания топлива, принимается для АЭС с
ВВЭР 
;
,
,
- содержание урана-235 в свежем, природном уране и в
отвале обогатительного производства. Принимают для АЭС с ВВЭР:
%;
%;
%.

.
6.3 Сравнение показателей тепловой экономичности
работ установки на конденсационный и теплофикационный режимы
После расчёта принципиальной тепловой схемы на конденсационный и
теплофикационный режимы работы, составляем таблицу с показателями тепловой
экономичности, а так же сделаем вывод об изменениях в результате подключения
сетевой подогревательной установки.
Таблица 3. Сравнительная таблица показателей тепловой экономичности
|
Показатели
|
Конденсационный режим
|
Теплофикационный режим
|
|
, кВт1388690
|
|
|
|
, кВт1378840
|
|
|
|
, кВт-
|
|
|
|
, кВт
|
|
|
|
0,3480,356
|
|
|
|
0,3180,327
|
|
|
|
-0,945
|
|
|
Сравнивая параметры таблицы 3 можно сделать вывод, что в результате
подключения сетевой подогревательной установки увеличилась тепловая нагрузка
турбоустановки по производству электроэнергии, вследствие добавления тепловой
нагрузки турбоустановки на отопление. Это дало возможность увеличить КПД
турбоустановки по производству электроэнергии, а также КПД блока по отпуску
электроэнергии. Кроме того, подключение сетевой подогревательной установки и
работы блока в теплофикационном режиме выгодно, как по показателям тепловой
экономичности, так и по показателям удельного расхода топлива.
7. ВЫБОР
ОСНОВНОГО И ВСПОМОГАТЕЛЬНОГО ОБОРУДОВАНИЯ
7.1 Выбор питательных насосов
К основному оборудованию пароводяного тракта относят котел,
парогенератор, реактор, турбина, генератор, трансформатор и вспомогательное
теплообменное и насосное оборудование.
Питательные насосы выбираются на подачу питательной воды при максимальной
мощности блока с запасом не менее 5%. Расчетный напор насоса должен превышать
давление пара на выходе из ПГ с учетом потерь в тракте и необходимой высоты
подъема воды.
В мощных блоках перед питательным насосом устанавливают предвключенный
низкооборотный бустерный насос, назначение которого - предотвращение кавитации
и повышение надежности питательных насосов.
На мощных блоках 500-1000МВт устанавливают питательные насосы с
турбоприводом. На блок устанавливают, как правило, один рабочий электронасос с
подачей 100%, а на складе предусматривается один резервный насос для всей АЭС.
Для аварийного питания парогенераторов на АЭС предусматривают дополнительно
аварийные электронасосы с подачей 2-3% от номинальной.
При выборе питательных насосов должны быть определены их количество,
типоразмер и основные характеристики: подача, напор, КПД, частота вращения,
мощность, тип привода, завод-изготовитель.
Давление на напорепитательного насоса, Па
где
- максимальное давление в барабане ПГ, принимается
,примем
- высота
от оси питательного насоса до уровня воды в БСП; примем 15м;
-плотность
воды по которой мы и в дальнейшем будем проводить расчет;
тогда
по формуле (4.1.1)
Давление
на входе в питательный насос
(7.1.2)
где
- давление в деаэраторе;
-
расстояние между осью насоса и уровнем воды в деаэраторе, принимаем 20м.
По
формуле (4.1.2) получаем
Напор,
создаваемый насосом
Производительность
насоса
По
проведенным расчетам и ориентируясь на прототип, принимаем согласно [7] два
рабочих питательных насоса типа ПТА 3750-75 с электроприводом.
-подача,
810-напор,м; частота вращения-3500об/мин; КПД-82%;
мощность- 9130 кВт.
7.2 Выбор конденсатных насосов
Конденсатные насосы выбирают с одним резервным насосом: два с подачей по
100% или три насоса с подачей, равной 50%.
Расчетная подача конденсатных насосов определяется, как 1,2 от
максимального расхода пара в конденсатор:
Давление,
развиваемое конденсатным насосом:
(7.2.1)
где
потери давления в конденсатном тракте
Принимая
потери давления в ПНД
по
формуле (4.2.1) получаем
Напор,
развиваемый насосом
Анализируя
полученные результаты, пользуясь [7], выбираем насос, включенный по
одноподъемной схеме, типа КСВА 1250-140.
-подача,
140- напор, м; частота вращения- 24,7
; КПД-76%; мощность- 263 кВт. Принимаем три насоса производительностью
50%.
7.3 Выбор деаэратора питательной воды
Деаэраторная колонка выбирается по максимальному давлению воды и рабочему
давлению пара.
На
каждый блок устанавливается по возможности один деаэратор с одной ли двумя
колонками. Суммарная производительность деаэраторов выбирается по максимальному
расходу питательной воды. Емкость баков должна быть на 15% больше запаса
питательной воды для обеспечения работы блока на полной мощности не менее 5
минут.
Согласно
[8] выбираем деаэратор:
типоразмер
бака: ДП-6000-250-А1;
вместимость
бака: полезная- 250
-количество
колонок;
тип
колонки КДП-6000-А
номинальное
абсолютное давление
МПа.
7.4 Выбор регенеративных и сетевых
подогревателей
Как правило, применяется однониточная схема подогревателей; на каждый
регенеративный отбор должен устанавливаться один корпус подогревателя. РППВ
выбираются в соответствии с расходом воды и давлением по паровой и водяной
стороне.
Результат подбора регенеративных и сетевых подогревателей снесем в
таблицу 4.
В данной таблице
N-номер
подогревателя и его обозначение на схеме;
-расход
соответственно питательной воды, основного конденсата, сетевой воды, кг/с;
-
давление пара, МПа;
-
давление воды, МПа;
F-поверхность
нагрева подогревателя
;
-гидравлические
потери, МПа.
Сетевые
подогреватели устанавливаются индивидуально у турбин без резервных корпусов.
Площадь поверхности нагрева СПВ определяется при максимальном отпуске теплоты
из отборов турбины.
Таблица
4. Выбор РППВ и СПВ
|
Расчетное значение
|
Номинальное значение
|
|
N
|
  ТИПF 
|
|
|
|
|
|
|
|
|
ПВД1
|
881
|
3,37
|
9,7
|
ПВ-2500-97-18 A
|
2500
|
908
|
9,7
|
18
|
|
ПВД2
|
881
|
1,92
|
9.8
|
ПВ-2500-97-18
|
2500
|
908
|
9,7
|
18
|
|
ПНД4
|
593.3
|
0,76
|
1,06
|
ПН-3000-25-16-IIIА
|
3000
|
1112,5
|
1,6
|
2,5
|
|
ПНД5
|
593.3
|
0,316
|
1,16
|
ПН-550-25-6-VA
|
550
|
600
|
0,6
|
2,5
|
|
ПНД6
|
520.8
|
0,109
|
1,16
|
ПНСВ-2000-2-7-VA
|
2000
|
800
|
0,1
|
2
|
|
ПНД7
|
443.4
|
0,0263
|
1,26
|
ПН-550-25-6-VA
|
550
|
600
|
0,6
|
2,5
|
|
СП1
|
382.3
|
0,316
|
1,16
|
ПСВ-500-14-23
|
500
|
417
|
1,4
|
2,3
|
|
СП2
|
380.3
|
0,109
|
1,16
|
ПСВ-500-14-23
|
500
|
417
|
1,4
|
2,3
|
На одну турбину устанавливаются два комплекта БРУ-К с пропускной
способностью 65% расхода пара на турбины, так как конденсаторы турбин не
рассчитаны на такой дополнительный расход пара, то основные условия работы
БРУ-К следующие.
Открытие БРУ-К идет либо схемой блокировок, либо регулятором. Схема
блокировок автоматически производит полное открытие клапана при сбросе нагрузки
одной или двумя турбинами. При частичных сбросах нагрузки или повышении
давления свежего пара открытие БРУ-К идет регулятором.
Для предотвращения повышения давления в трубопроводах второго контура
выше допустимого значения устанавливаются предохранительные клапаны со сбросом
пара в атмосферу. С целью уменьшения вероятности включения их в работу в
пульсирующем режиме параллельно им устанавливаются быстродействующие
редукционные клапаны с выпуском пара в атмосферу (БРУ-А). Суммарная пропускная
способность БРУ-А выбирается из условий, чтобы не допустить срабатывания
клапанов при отключении турбин и реактора. На блоках ВВЭР устанавливаются два
устройства БРУ-А.
Быстродействующая редукционная установка БРУ-Д предназначена для питания
деаэраторов от трубопроводов свежего пара в период пуска и останова турбины и в
режимах с небольшой нагрузкой турбины. Пропускная способность их выбирается из
условия наибольшего потребления редуцированного пара деаэраторами, т.е. в
режиме пуска, когда не производится регенеративный подогрев воды ПНД, а
подогрев осуществляется в деаэраторе. На блок ВВЭР установлены два клапана
БРУ-Д пропускной способностью 50 т/ч каждый.
8. Конструкторский расчет верхнего сетевого подогревателя
Находим температуру сетевой воды на выходе из ВСП по формуле:
где
-
- температура насыщения в подогревателе,
Температура
воды на входе в подогреватель:
где
Средняя
температура воды в трубках:
Построим
t-Q диаграмму.
Рис. 22.t-Q диаграмма для ВСП
Средний логарифмический температурный напор:
,
где
- больший температурный напор;
-
меньший температурный напор;
Определяем
теплофизические свойства воды по давлению воды
и по
средней температуре
:
-
удельный объем,
-
коэффициент динамической вязкости,
-
коэффициент кинематической вязкости,
-
коэффициент теплопроводности,
-плотность,
-число
Прандтля.
Внутренний
диаметр трубок:
м.
Скорость
воды в трубках принимаем равной
.
Критерий
Рейнольдса:
.
Критерий
Нуссельта:
.
Коэффициент
теплоотдачи от трубок к воде:
Вт/(м2·°С).
Определяем
коэффициент теплоотдачи от пара к стенке труб
Будем
считать, что теплообмен между паром и стенками трубок происходит почти в
неподвижном паре.
Тепловой
поток, переданный от пара к воде, определяется из уравнения теплового баланса,
записанного без учета тепловых потерь в окружающую среду:
МВт.
кВт/м2.
Тогда
коэффициент теплоотдачи от конденсирующегося пара к стенки трубки определится
как:
, Вт/(м2·°С),
где
;
-
коэффициент, учитывающий тип подогревателя, принимаем равным 1,15 при
вертикальном расположении поверхности нагрева;
характерный
размер (для вертикальных подогревателей 0,4-1,2 м);
-
ускорение свободного падения;
-
скрытая теплота парообразования.
,
тогда
Вт/(м2·°С).
Рассчитаем коэффициент теплопередачи k.
Для поверхностей теплообмена регенеративных и сетевых подогревателей
современных ТЭС и АЭС используются трубы с геометрическими характеристиками,
позволяющими рассматривать стенки таких труб как "тонкие". Общий
коэффициент теплопередачи для чистых поверхностей нагрева в этом случае можно
определить из выражения:

.
где
- теплопроводности материала трубы при средней
температуре стенки
, Вт/(м·°С).
Материал
труб - нержавеющая сталь 12Х18Н10Т.
.
Получаем
недогрев до температуры насыщения:
°С.
Принимаем
=14 °С.
Расчетное число трубок в одном ходе воды:
Площадь
поверхности теплообмена:
Длина
трубки:
9. РАСЧЕТ
ТРУБОПРОВОДОВ СВЕЖЕГО ПАРА
Соединение основного и вспомогательного оборудования электростанции в
определенной технологической последовательности осуществляется с помощью
трубопроводов. Трубопроводы служат для транспортировки теплоносителя, рабочего
тела, топлива, масла, воздуха и т. д. Заданный эксплуатационный режим работы
электростанции реализуется с помощью арматуры. В системе трубопроводов
электростанции различают главные и вспомогательные трубопроводы.
К главным трубопроводам относятся те, которые являются составной частью
основной технологической схемы электростанции: паропроводы от ПГ к турбинам,
трубопроводы пара промежуточного перегрева, основного потока конденсата и
питательной воды, основного потока теплоносителя на АЭС.
Вспомогательные трубопроводы обеспечивают надежную работу всего
оборудования электростанции в стационарных и переходных режимах. К
вспомогательным относятся трубопроводы сливные, подпиточной воды, дренажные,
растопочные и т. п.
Трубопроводы второго контура двухконтурных АЭС и внереакторного контура
одноконтурных АЭС с водным теплоносителем работают в настоящее время при
относительно невысоких параметрах. Максимальное давление насыщенного пара
составляет 6,5-7,5 МПа на АЭС с водо-водяными и кипящими реакторами (типов ВВЭР
и PBMK).
Диаметр трубопровода на электростанции во вне реакторной части АЭС
выбирается на основе технико-экономического анализа. При заданных параметрах
пара, мощности блока и числе ниток трубопровода уменьшение диаметра труб
снижает его массу. Однако скорость среды возрастает и увеличивается потеря
давления.
Для предварительной оценки, исходя из опыта проектирования и
эксплуатации, скорость движения среды в трубопроводах различного назначения
можно принимать согласно рекомендациям [3, с.280-281].
Горизонтальные участки паропроводов на АЭС должны быть смонтированы с
уклоном не менее 0,004. Все трубопроводы должны быть снабжены в нижних точках
устройствами для дренажа, а при необходимости - воздушниками в верхних точках.
Крепление трубопроводов к металлоконструкциям и строительным конструкциям
зданий осуществляется с помощью опор или подвесок, которые должны быть
рассчитаны на вертикальную нагрузку от веса трубопровода (заполненного
транспортируемой средой и покрытого изоляцией), а также на усилия от
температурного расширения трубопроводов. Неподвижные опоры располагают с учетом
возможности самокомпенсации трубопроводов и рассчитывают на максимальные
усилия, которые могут возникнуть при самом неблагоприятном сочетании нагрузок.
Компенсация температурных удлинений трубопроводов может происходить за
счет перемещения подвижных опор на оборудовании, к которому подключен
трубопровод, гибов самого трубопровода (самокомпенсация) или установки
компенсаторов. [2]
9.1 Гидравлический расчет трубопроводов
Длину трубопроводов свежего пара, количество поворотов (от ПГ до входа
пара в ЦВД) примем, ориентируясь на компоновку прототипа [2, с.220]. Скорость
свежего пара принимаем, ориентируясь на рекомендации [3, с.280, табл.16.2].
Остальные параметры, необходимые для расчетов, берем как ранее определенные из
предыдущих пунктов.
Материал трубопроводов - сталь марки 08Х18Н10Т.
Шероховатость
труб примем
.
Рекомендуемая
стоимость 1 кг стали данной марки -
.
Длина
трубопроводов свежего пара
.
Количество
поворотов трубопроводов свежего пара
.
Скорость
свежего пара в трубопроводах
.
Расход
свежего пара на турбину
.
Параметры
свежего пара определяем по программе «WaterSteamPro» при давлении
;
;
;
.
Рис.8.1.Расчетная
схема паропроводов свежего пара
-
Стопорно-регулирующие клапаны;
-
Сепаратор-пароперегреватели;
-
Главные паровые задвижки.
Площадь
поперечного сечения труб найдем из уравнения неразрывности:
.
Диаметр
трубопроводов определим из геометрического соотношения:
;
.
Из
стандартного сортамента труб в соответствии с требованиями и рекомендациями
выбираем трубы следующих диаметров:
В
случае 4-х ниток:В случае 2-х ниток:

Масса
одного метра трубы:
и
.
Производим
пересчет скорости свежего пара в трубопроводах на принятые размеры труб:
;
.
Определим
потери давления на трение
Значение
критерия Рейнольдса рассчитаем по формуле:
;
.
Коэффициент
трения сопротивления определим по формуле:
;
.
Потери
давления на трение по длине трубопровода длиной 90 м высчитывается по формуле:
Местные
потери давления
Значения
коэффициентов местных сопротивлений принимаем (вход, выход, поворот):
;
;
.
Потери
в главных паровых задвижках, стопорно-регулирующих клапанах и тройниках.
Количество
тройников и задвижек принимаем соответственно:
Для
4-х ниток:Для 2-х ниток:
и
.
и
.
Количество
стопорно-регулирующих клапанов примем:
.
Величину
коэффициентов местных сопротивлений задвижки и тройника берем из [16]:
коэффициент
сопротивления тройника [16, с.187, табл.16.7];
коэффициент
сопротивления задвижки [16, с.190];
коэффициент
сопротивления стопорно-регулирующего клапана [16, с.190].
.
.
Общие
потери давления в трубопроводе свежего пара составят:
;
.
Электрическая
мощность, требуемая для транспортировки пара до турбины:
плотность
воды на входе в ПГ принимаем по
и
;
КПД
насоса примем
;
;
.
Капитальные
вложения в трубопроводы определим по формуле:
;
.
За
базовый принимаем вариант с 4-мя нитками, тогда изменение мощности насоса
получим:
.
Изменение
эксплуатационных издержек:
,
где
число часов использования установленной мощности,
часов/год;
стоимость
1
электроэнергии. Принимается,
. [г.Новосибирск, 2015 год]
Изменение
капитальных затрат:
.
Изменение
приведенных затрат на трубопроводы:
.
Таким
образом, видно, что применение пароподвода с двумя нитками с экономической
точки зрения выгоднее. Теперь необходимо провести расчет на прочность трубы для
2-х ниточного подвода пара.
9.2 Механический расчет трубопроводов
Расчет
трубопроводов на прочность проводим в соответствии с методикой изложенной в [7,
с.312].
Температура
свежего пара
.
Давление
свежего пара
.
Расчетное
давление - максимально возможное избыточное давление в оборудовании,
используемое при расчете на прочность, при котором допускается работа данного
оборудования в режиме НУЭ. Расчетное давление берется равным 90% от максимально
возможного при срабатывании предохранительных систем.
Расчетная
температура - температура стенки оборудования, равная максимальному
среднеарифметическому значению температур на наружной и внутренней поверхностях
в одном сечении при режиме НУЭ. Значение расчетной температуры берут обычно по
сечению, где входит теплоноситель (рабочее тело).
Номинальное
допускаемое напряжение - напряжение, используемое в прочностных расчетах, для
определения минимально допустимой толщины стенки, в зависимости от принятых
расчетных условий работы и марки материала.
В
соответствии с вышесказанным запишем параметры, необходимые для расчета.
Расчетное
давление:
,
где
коэффициент, переводящий давление в максимально
возможное при срабатывание предохранительных систем;
коэффициент
перевода давления из МПа в
.
Расчетная
температура:
В
данном случае можем принять
, так как
температура на наружной поверхности паропровода неизвестна.
Номинальное
допускаемое напряжение для стали 08Х18Н10Т
.
Прибавка
к толщине стенки
.
Толщина
стенки трубопровода может быть определена по формуле:
.
Видно,
что необходимая толщина стенки трубопровода
меньше
фактической
, следовательно, выбранная труба подходит для
трубопровода свежего пара.
9.3 Расчет тепловой изоляции трубопроводов
Наибольшее
распространение в промышленной теплоизоляции трубопроводов получили
теплоизоляционные конструкции на основе жестких (цилиндры, полуцилиндры,
плиты), полужестких (плиты) и мягких (плиты, маты) теплоизоляционных изделий из
минерального и стеклянного волокна.
Наиболее
индустриальный вид изоляции - это теплоизоляционные конструкции заводского
изготовления. Они разделяются на полносборные (ПТК) и комплектные
теплоизоляционные конструкции (КТК).
Полносборные
теплоизоляционные конструкции состоят из теплоизоляционных изделий (основной
теплоизоляционный слой) и покровного слоя, соединенных между собой крепежными
деталями.
Комплектные
теплоизоляционные конструкции состоят из тех же элементов, что и полносборные,
но собраны в единую конструкцию без соединения крепежными деталями.
Теплоизоляционные
конструкции с металлическим покрытием крепят на трубопроводе с помощью
самонарезающих винтов (оцинкованных или кадмированных) или бандажей;
теплоизоляционные конструкции с неметаллическим покрытием - с помощью бандажей.
Для крепления конструкций применяют бандажи из алюминия и алюминиевых сплавов,
стальной упаковочной ленты, оцинкованной или покрытой противокоррозионным
составом. [10]
Изоляция
необходима как средство, обеспечивающее нормальную температуру воздуха в
рабочих помещениях или предохраняющее обслуживающий персонал от ожогов.
Расчеты
тепловой изоляции производим по методике изложенной в [10].
Температура
на поверхности изоляции
в закрытых рабочих помещениях принимается равной 45 ˚С.
Расчётную
температуру стенки принимаем
.
Температура
наружного воздуха
.
Наружный
диаметр изолируемого объекта
.
Материал
защитного покрытия принимаем оцинкованную сталь.
Рис.
8.3.1 Расчетная схема тепловой изоляции
Коэффициент
теплоотдачи от поверхности изоляции к окружающей среде
определяется как сумма двух слагаемых - коэффициента
теплоотдачи конвекцией
и коэффициента теплоотдачи излучением
, Вт/(м2×К):
.
Для
определения коэффициента теплоотдачи конвекцией объектов большого диаметра,
расположенных в помещениях, пользуются формулой:
,
где
разность температур теплоотдающей поверхности и
окружающего воздуха, 0С.
Коэффициент
теплоотдачи излучением
определяется по формуле:
,
где
= 45+273- температура теплоизоляционной поверхности,
К;
= 20+273
- температура окружающего воздуха, К;
=1 -
коэффициент излучения материала защитного покрытия, Вт/(м2×К).
.
В
качестве теплоизоляционного слоя выбираем несколько материалов со следующей
зависимостью коэффициента теплопроводности,
:
1. Плиты минераловатные на синтетическом связующем марки 75 и 150
и
2. Изделия известково-кремнеземнистые марки 200
3. Изделия перлитоцементные марки 350
Коэффициент
теплопроводности изоляционного слоя определяем по средней температуре слоя
изоляции:
.
При
этой температуре коэффициенты теплопроводности соответствующего
теплоизоляционного материала:
;
;
;
.
Для
цилиндрической поверхности диаметром 2 м и менее наружный диаметр изоляционного
слоя определяют по формуле:
,
где
наружный диаметр изоляции и изолируемого объекта, м;
линейный
тепловой поток,
.
В
данном выражении две неизвестные величины
и
, поэтому находим его решение методом последовательных
приближений в программе «Mathcad 15». Результаты расчетов в таблицу №6.
Толщина
теплоизоляционного слоя может быть определена из соотношения, м:
.
Таблица
№10. Результаты расчета толщины теплоизоляционного слоя трубопроводов свежего
пара
|
№
|
Наименование марки материала
|
 
|
|
|
|
|
м
|
руб/м3
|
Плиты минераловатные на синтетическом связующем марки 75
|
0,892
|
0,172
|
1600,0
|
|
2
|
Плиты минераловатные на синтетическом связующем марки 125
|
0,895
|
0,175
|
|
|
3
|
Изделия известково-кремнеземистые марки 200
|
0,923
|
0,203
|
3000
|
|
4
|
Изделия перлитоцементные марки 350
|
0,948
|
0,228
|
2700
|
Примечание:
стоимость теплоизоляционного материала. Цены приведены
на 2011 г..
Найдем
объем теплоизоляционного слоя из соответствующего материала:
;
;
.
Стоимость
(капитальные затраты) необходимого объема соответствующего теплоизоляционного
материала:
;
;
;
;
По
результатам технико-экономического расчета из таблицы выбираем марку материала
капитальные затраты на которую наименьшие. Таким образом, толщина
теплоизоляционного слоя может быть принята 17 см из минераловатных плит на
синтетическом связующем c температурой применения до
.
Список
литературы
1. Антонова
А.М., Воробьев А.В., Атомные электростанции/ учебное пособие/ Томский
политехнический университет/2009. - 275с.
2. Тепловые
и атомные электрические станции: Справочник/под общ.ред. В.А. Григорева, В.М.
Зорина. - 2-е изд., перераб.-М.: Энергоатом-издат,1989.-608с.
. Маргулова
Т.Х. Атомные электрические станции: Учебник для вузов. - 4-е изд., перераб. и
доп. - М.: Высшая школа, 1984. 304 с., ил.
. Тепловые
и атомные электростанции: Справочник / Под общ.ред. А.В. Клименко и В.М.
Зорина. - М.: Изд. МЭИ, 2003. 648 с.
. Рассохин
Н.Г. Парогенераторные установки АЭС: Учебник для вузов. - 3-е изд., перераб. и
доп. - М.: Энергоатомиздат, 1987. 384 с.
. Рыжкин
В.Я. Тепловые электрические станции: Учебник длч вузов. - 2-е изд., перераб. и
доп. - М.: Энергия, 1976. 448 с., ил.
. Соколов
Е. Я. Теплофикация и тепловые сети: Учебник для вузов.- 7-е изд., стереот. -
М.: Издательство МЭИ, 2001. - 472 с.: ил.