Розрахунок трансформатора малої потужності та випрямляча з ємнісним фільтром. Динистори
Міністерство
освіти і науки України
Тернопільський
національний технічний університет
імені
Івана Пулюя
Кафедра
біотехнічних систем
КУРСОВИЙ ПРОЕКТ
з
дисципліни
”Елементна
база електронних апаратів”
на
тему:
“Розрахунок
трансформатора малої потужності та
випрямляча
з ємнісним фільтром. Динистори ”
Виконав :
ст. гр.
ПМ-31 Стоянов Ю.М.
№ зал. кн.
ПМ-08-246
Перевірив:
асис . каф.
БТ Хвостівський М. О.
асис . каф.
БТ Забитівський В. П.
Прийняв :
асис . каф.
БТ Хвостівський М. О.
асис . каф.
БТ Забитівський В. П.
Тернопіль
2010
Анотація
Стоянов Ю. М . Динистори. Розрахунок
трансформатора малої потужності та випрямляча з ємнісним фільтром. Курсовий
проект, факультет контрольно-вимірювальних та радіо-комп΄ютерних
систем, група ПМ-31. Тернопіль.: ТНТУ, 2010.
Сторінок 53, рисунків 15, таблиці 3
, додатків 4, використаних джерел літератури - 6.
Ключові слова: ДИНИСТОР,
ТРАНСФОРМАТОР, ВИПРЯМЛЯЧ.
В курсовому проекті описано загальну
характеристику динисторів, розрахований трансформатор малої потужності та випрямляч
з ємнісним фільтром.
Зміст
Список скорочень
Вступ
Розділ 1. Динистори
1.1. Означення
динистора
1.2. Принцип роботи
.3.Особливості використання в
інтегральних схемах
.4. Висновки до розділу 1
Розділ
2.
Розрахунок трансформатора малої потужності
.1. Сумарна вихідна потужність
.2. Вибір типорозміру
магнітопроводу
.3. Вибір електромагнітних
навантажень
.4. Електричний розрахунок
трансформатора
.5. Конструктивний розрахунок
трансформатора
.6. Перевірочний розрахунок
трансформатора
.7. Тепловий розрахунок
трансформатора
.8. Висновки до розділу 2
Розділ 3. Розрахунок випрямляча
з ємнісним фільтром
.1. Визначення параметрів діоду
.2. Вибір типу діоду
.3. Електричний розрахунок
випрямляча
.4. Розрахунок згладжуючого
фільтра
.5. Розрахункова перевірка
.6. Коефіцієнт трансформації
.7. Габаритна потужність
.8. Висновки до розділу 3
Висновки
Список використаної літератури
Додатки
Список
скорочень
Д - динистор;
ТМП -
трансформатор малої потужності;
ТКЕ - температурний коефіцієнт
ємності.
Вступ
Трансформатори малої потужності по
конструктивному виконанню магнітопроводу поділяють на три групи: броньові,
стержневі, тороїдальні. Броньові і стержневі ТМП застосовують на частотах 50 -
1000 Гц, тороїд альні - на частотах до 100 кГц. На частотах до 1 кГц ТМП виконуються
однофазними і трифазними, на більш високих частотах - переважно однофазними.
Розрахунок випрямляча з ємнісним
фільтром зводиться до вибору схеми і типу діодів, визначення параметрів
трансформатора і згладжуючого фільтра.
В курсовому проекті проведено розрахунок
схеми випрямляча з ємнісним фільтром, яка характеризується високим коефіцієнтом
використання потужності та малими втратами і тому може бути рекомендована для
використання в низьковольтних випрямлячах.
Розділ
І.
Динистори
1.1
Означення динистора
Вивчення тиристорів можна почати з
приладу, званого динистором, також відомого як чотиришаровий діод (із
структурою PNPN), або діод Шоклі, на ім'я його винахідника Уїльяма Шоклі (не
плутати з діодом Шотки, двошаровим приладом метал-напівпровідник, відомим своєю
високою швидкістю перемикання). Спрощеною ілюстрацією динистора може служити
зображення чотиришарового напівпровідникового матеріалу із структурою p-n-p-n.
Рисунок 1.1 - Динистор, або
чотиришаровий діод [1]
На жаль, цей малюнок не дає ані
найменшого уявлення про принципи роботи цього приладу. На наступному малюнку
показаний альтернативний варіант зображення структури динистора.

У подібному уявленні, динистор
виглядає як два взаємозв'язані біполярні транзистори: один p-n-p
-типу, а другий n-p-n
-типу. При зображенні за допомогою стандартних символів, і з урахуванням
концентрацій легуючої домішки не показаних не попередньому малюнку, діодний
тиристор виглядає так.
Рисунок 1.3 - Динистор:
напівпровідникові шари, еквівалентна схема
і
умовне позначення [1]
1.2
Принцип роботи
З'єднуємо динистор з джерелом
регульованої напруги і спостерігаємо, що відбудеться.
Рисунок 1.4 - Еквівалентна схема
динистора, на який подано живлення [1]
Якщо відсутня напруга, то струму,
природно, теж не буде. На самому початку періоду збільшення напруга струм все
ще буде відсутній, оскільки жоден з транзисторів не може бути відкритий: вони
обидва знаходитимуться в режимі відсічення. Щоб зрозуміти чому це відбувається,
необхідно пригадати, що потрібний для включення транзистора: струм на переході
база-емітер. Як видно з малюнка, струм бази нижнього транзистора контролюється
верхнім транзистором, а струм бази верхнього транзистора контролюється нижнім
транзистором. Іншими словами, жоден з транзисторів не буде включений до тих
пір, поки не включиться інший транзистор. Тобто ми потрапляємо в парадоксальну
ситуацію, свого роду замкнуте коло.
Як же зробити так, щоб динистор
проводив струм, коли складові його транзистори утримують один одного в стані
відсічення? Відповідь на це питання можна знайти, якщо порівняти параметри
реальних і ідеальних транзисторів. Ідеальний біполярний транзистор ніколи не
проводитиме струм колектора за відсутності струму бази, в незалежності від
величини напруги, що прикладається, між колектором і емітером. У реальних же
транзисторах існує певна межа напруги колектор-емітер, яке вони можуть
витримувати, до того як почнуть проводити. Якщо два реальні транзистори
сполучено в діод Шоклі, то кожен з них проводитиме за наявності напруги між
анодом і катодом, достатнього для того, щоб почав проводити один з транзисторів.
Як тільки він відкриється і почне проводити, на другому транзисторі з'явиться
струм бази, завдяки чому той включиться звичайним способом, і забезпечуватиме
струм бази на іншому транзисторі. В результаті обидва транзистори
знаходитимуться в стані насичення, і утримуватимуть один одного у включеному
стані.
Отже, ми можемо змусити динистор
включатися за наявності достатньої напруги між анодом і катодом. Як ми
переконалися, один з транзисторів неминуче почне проводити, що викличе
включення другого транзистора, що приведе до "замикання" обох
транзисторів у включеному стані. Але як же нам тепер відключити транзистори, з
яких складається динистор? Навіть якщо напруга буде понижена до рівня нижче за
точку, при якій динистор починає проводити, він все ще буде включений, оскільки
на обох транзисторах буде струм бази, що забезпечує постійну, керовану
провідність. Відповідь полягає в тому, щоб знизити напругу до набагато нижчого
рівня, при якому дуже слабкий струм не зможе підтримувати зсув, і один з
транзистор перейде в стан відсічення, що приведе до відсутності струму бази на
другому транзисторі.
Якщо побудувати графік описаних
подій і скласти залежність струм/напруга, то буде очевидною наявність
гістерезису. Спочатку постежимо за схемою в той момент, коли джерело постійного
струму (батарея) встановлена на нуль вольт.
Рисунок 1.5 - Нульова напруга;
нульовий струм [1]
Потім ми поступово збільшуватимемо
напругу. Струм схеми все ще майже дорівнює нулю, оскільки ще не досягнута межа
пробою для обох транзисторів.
Рисунок 1.6 - Незначна напруга;
струм все ще рівний нулю [1]
Коли досягнуто напругу пробою одного
з транзисторів, він почне проводити струм колектора, навіть якщо на нім ще
відсутній струм бази. У звичайній ситуації це вивело би біполярний транзистор з
ладу, проте p-n-p
-переходи динистора здатні витримати подібний струм, подібно до того як
стабілітрон здатний витримувати пробій у зворотному напрямі без руйнування
приладу. У ілюстративних цілях допустимо, що нижній транзистор відкриється
першим, що створить струм бази на верхньому транзисторі. динистор трансформатор магнітопровод випрямляч
Верхній транзистор включиться, як
тільки з'явиться струм бази. У зв'язку з цим нижній транзистор починає
проводити звичайним способом, і обидва транзистори "замикаються" у
включеному стані. Тепер в схемі встановиться повний струм.
Рисунок 1.7 - Тепер транзистори
повністю відкриті [1]
Тут явно присутній додатний зворотний
зв'язок. У разі пробою одного транзистора по всьому приладу починає текти
струм. Цей струм можна розглядати як "вихідний" сигнал приладу. Як
тільки встановився вихідний струм, він підтримуватиме обидва транзистори в
стані насичення, забезпечуючи тим самим значний вихідний струм. Іншими словами,
вихідний струм поступає по ланцюгу зворотного зв'язку на вхід (струм бази
транзистора), завдяки чому обидва транзистори знаходяться у включеному стані,
тобто динистор регенерує сам себе.
Коли два транзистори підтримують
один одного в стані насичення у присутності значного струму бази, кожен з них
проводитиме навіть в тому випадку, якщо прикладена напруга буде знижена нижче
за рівень пробою. Ефект додатного зворотного зв'язку полягає в підтримці обох
транзисторів в стані насичення, не дивлячись на відсутність вхідного впливу.
Спочатку, для того, щоб відкрився один з транзисторів і з'явився струм бази
другого транзистора була потрібна достатньо висока напруга.
Рисунок 1.8 - Струм схеми
зберігається навіть при зменшенні напруги [1]
Якщо напруга від джерела постійного
струму буде зменшена до дуже низького рівня, то динистор досягне тієї точки,
коли обидва транзистори не зможуть підтримувати один одного в стані насичення.
У міру зменшення струму колектора, транзистор також зменшує струм бази другого
транзистора, що приводить до зменшення струму бази першого транзистора. Цей
цикл продовжується з високою швидкістю до тих пір, поки обидва транзистори не
перейдуть в стан відсічення.
Рисунок 1.9 - При сильному падінні
напруги обидва транзистори будуть відключені [1]
Тут також діє ефект додатного
зворотного зв'язку: той факт, що зменшення струму одного транзистора веде до
зменшення струму другого транзистора, що наводить до ще більшого падіння струму
на першому транзисторі, указує на наявність додатного зворотного зв'язку між
виходом (керованим струмом) і входом (струмом, що управляє, на базі
транзисторів).
Підсумкова крива на графіці є
прикладом класичної кривої гістерезису: у міру збільшення або зменшення
вхідного сигналу (напруга), форма зростаючої частини кривої виходу (струму) не
збігається з формою низхідної частини.
Рисунок 1.10 - Крива гістерезису [1]
Простіше кажучи, динистор має
тенденцію до того, щоб залишатися у включеному стані - після того, як
транзистори починають проводити, або вимкненому - після того, як транзистори
переходять в стан відсічення. Тобто у динисторів немає яких-небудь
"проміжних станів" : як і всі тиристори він може бути або включений,
або виключений.
1.3
Особливості використання в інтегральних схемах
По відношенню до тиристорів
застосовується декілька специфічних термінів. Термін відмикання означає процес
включення тиристора. Для того, щоб тиристор "защолкнув" у включеному
стані, напруга має бути збільшена до рівня напруги включення. Включений
динистор може бути переведений в непровідний стан за допомогою скорочення його
струму до рівня напруги виключення.
Варто відзначити, що відмикання
динисторів може відбутися при високій швидкості зміни напруги (так званий
параметр dv/dt) зважаючи на явище внутрішньої ємності. Для захисту тиристора
від ненавмисного включення при великих швидкостях зміни напруги (dv/dt)
застосовується шунтуюча RC-ланка, що включається паралельно до динистора. Такі
ланцюжки називаються згладжуючими фільтрами.
Рисунок 1.11 - Послідовно включена
котушка індуктивності, і паралельно включена "згладжуюча" RC-ланка
дозволяють мінімізувати вплив високої швидкості зміни напруги на динистор [1]
Максимально допустима швидкість
наростання напруги в динисторах (або критична швидкість наростання напруги)
зазвичай вказується виробниками в специфікаціях на тиристори, що випускаються.
1.4
Висновки до розділу 1
Динистори є чотиришаровими
напівпровідниковими приладами із структурою p-n-p-n.
Динистор працює як пара взаємозв'язаних транзисторів p-n-p
і n-p-n.
Як і всі тиристори, динистори мають
тенденцію до того, щоб залишатися в одному з двох станів: у включеному стані -
після того, як транзистори починають проводити, або вимкненому - після того, як
транзистори переходять в стан відсічення.
Для того, щоб динистор почав
проводити необхідно підняти напругу анод-катод до рівня напруги включення або ж
має бути перевищена критична швидкість наростання напруги анод-катод.
Для виключення динистора, необхідно
зменшити його струм до рівня нижче за його поріг напруги виключення.
Розділ
2.
Розрахунок трансформатора малої
потужності
Схема трансформатора наведена в
додатку А
Вхідні дані для розрахунку:
напруга мережі U0=220 B;
частота мережі fc=50 Гц;
параметри вторинних обмоток: U31=18B,
I31=0.5A, U32=10B, I32=1.2A
коефіцієнти: kпр1=1, kпр2=0.707,
kпр=0.
2.1
Сумарна вихідна потужність
. (2.1)
Для даного випадку для
розрахунку сумарної потужності отримано формули:
; (2.2)
.
Габаритну потужність ТМП
визначено по формулі:
, (2.3)
де коефіцієнт Ψ
приблизно рівний коефіцієнту корисної дії трансформатора:
. ККД
трансформатора вибрано з графіка 3.10 [4]:
;
.
2.2
Вибір типорозміру магнітопроводу
Вибір типорозміру
магнітопроводу проведено згідно із таблицею 3.18[4] відповідно до знайденої
габаритної потужності Рг=19.1В.А. вибрано магнітопровід
типу ШЛ16
25, для
якого Рг=28В.А, ΔТк.ср=55оС,
сталь 3412 товщиною 0,35мм.
2.3
Вибір електромагнітних навантажень
Згідно даних графіків 3.12 - 3.13
[4, 97], а також згідно вибраного трансформатора, знаходимо відповідну густину
струму і магнітну індукцію враховуючи сумарну вихідну потужність
трансформатора. Підібрано: j=2 А/мм2 і Вт=1.5Т, ці дані
не перевищують табличні j=3.0А/мм2 і Вт=1.6Т.
2.4
Електричний розрахунок трансформатора
Кількість витків на вольт ЕРС
індукованої в обмотці трансформатора визначено за формулою:
, (2.4)
де kф -
коефіцієнт форми, для синусоїдальної напруги kф=1 і
коефіцієнтс=0.93 - коефіцієнт заповнення сталлю магнітопровода,
визначений по таблиці 3.22[4] для товщини стрічки 0.35ммc - активний
переріз сталі
, (2.5)
де Sст.Кс=3.24
см2 за таблицею 3.1[4]
см2; (2.6)
Падіння напруги в обмотках
визначається за формулою:
, (2.7)
де kсх=2,825
- коефіцієнт, що характеризує схеми включення обмоток ТМП визначається по
рис3.9[1]
lw -
визначено за формулою:
(мм), (2.8)
де ρ - питомий
опір міді при температурі Т=550С, який визначено за формулою:
, (2.9)
де ρ0=0.0175Ом.мм2/м
- питомий опір міді при Т0=150С;
Ом.мм2/м.
Визначено падіння напруги на
обмотках:
.
Визначено кількість витків
первинної і вторинної обмоток. Для первинної обмотки маємо:
, (2.10)
де UK=Uk.a=0.0014
(В);
.
Для вторинних обмоток маємо:
; (2.11)
Активна складова струму
холостого ходу визначається за формулою:
, (2.12)
де Рс≈Руд.Gс,
Руд - питома потужність,
яку шукаємо з таблиці 3.4[4] Руд=1.5Вт/кгс - маса
магнітопроводу, яку визначено за формулою:
; (2.13)СТ =370г;
Рс≈1.5.0.405=0.608(Вт).
Отже, активна складова струму
холостого ходу рівна:
.
Реактивну складову струму
холостого ходу визначено за формулою:
, (2.14)
де Hm -
напруженість магнітного поля, яку визначено по рис 3.14[4], при ВТ=1.5Т,
Hm=5.5А/см;с=13.61см - середня довжина магнітної силової
лінії, яку беремо з таблиці 3.1[1]
.
Струм холостого ходу
визначено за формулою:
. (2.15)
Струм первинної обмотки
трансформатора визначено за формулою:
; (2.16)
.
Переріз і діаметр дроту і-ї
обмотки визначено за формулами:
; (2.17)
. (2.18)
По таблиці 3.9[4] визначено
марку дроту з потрібною теплостійкістю ізоляційного покриття, з перерізом
близьким до розрахункового. Уточнюємо густину струму в обмотках, по вибраному
перерізу дроту, напругу короткого замикання і кількість витків. За таблицею
3.9[4, 71] приймаємо: d1=0.29мм, q1=0.06265 мм2,
dіз=0.34мм - діаметр дроту з ізоляцією. Вибрано марку дроту
первинної обмотки по таблиці 3.8[4, 71] - ПЕВ-2, дріт мідний, круглого
перерізу, ізольований лаком ВЛ-931, ізоляція нормальної товщини.
Перерізи і діаметри дротів
вторинних обмоток:
.
Приймаємо по таблиці 3.9[4,
71]: d31=0.57мм, q31=0.2552 мм2, dіз31=0.64мм
, d32=0.86мм, q32=0.6мм2, dіз32=0.95мм.
Марка дротів та ізоляції такі
ж, як і у дроту первинної обмотки.
2.5
Конструктивний розрахунок трансформатора
Вибрано випробувальну напругу між
обмотками, Uа по відношенню до деталей конструкцій вибрано в залежності від Uроб
по рис 3.16[4]
; Uвит=1.2(кВ). (2.19)
За таблицями 3.23-3.24
вибрано міжшарову та міжобмоточну ізоляцію.
Між шарова ізоляція для
першої вторинної обмотки, кількістю шарів 1: марка - прописочна ЕН-50, 0,05мм.
Міжобмоточна ізоляція між первинною
і вторинною обмотками - два шари кабельного паперу.
Розрахунок розміщення обмоток
у вікні магнітопроводу.
Висота шару намотування
первинної обмотки:
, (2.20)
де Δh - висота
кінцевої ізоляції, яку вибрано з таблиці 3.24[4] у даному випадку:
Δh=0;
δш=1мм
- товщина щічки гільзи;
δз=0.05мм
- зазор між гільзою і магнітопроводом;=40мм - вибрано із таблиці 3.1[4]
.
Для кожної наступної обмотки
висота шару зменшується на 0.5-1мм для виключення можливого скидання витків.
Отже, висоти шарів вторинних обмоток рівні:
;
.
Число витків у шарі і-ої
обмотки:
, (2.21)
де kyi -
коефіцієнт вкладання дроту, який вибрано з таблиці 3.27[4]: ky1=0.93;
ky31=0.95; ky32=0.95;
.
; (2.22)
Товщина і-ої обмотки
визначається за формулою:
, (2.23)
де kнаб -
коефіцієнт, який знайдено по графіку рис3.17[4]: kнаб1=1,15; kнаб31=1,138;
kнаб32=1,139;
=0.05.
;
.
Товщина котушки з урахуванням
міжобмоточної ізоляції δізі -
обчислено за формулою:
; (2.24)
2.6
Перевірочний розрахунок трансформатора
Середні довжини і-ої обмотки:
, (2.25)
де А' і Б' - зовнішні розміри
по периметру гільзи;
;
.
Відстань від гільзи до
середини і-ої обмотки:
; (2.26)
Отже, середня довжини витка
вторинних обмоток складає:
.
Середня довжина витків
вторинної обмотки:
Опір і-ої обмотки при
нормальній і підвищеній температурі обчислено за формулою:
, (2.27)
де
; kk=1
при Тс=200С і Тk=00С.
Спад напруги на обмотках:
; (2.28)
Уточнення числа витків
первинної і вторинної обмоток:
; (2.29)
. (2.30)
Втрати в міді обмоток
визначено за формулою:
; (2.31)
.
ККД трансформатора визначено
за формулою:
, (2.32) де
Уточнене значення струму
первинної обмотки визначено за формулою:
. (2.33)
Маса міді кожної з обмоток:
, (2.34)
де γм=8.6г/мм2
- густина міді;
Wі
-
уточнене число витків і-ої обмотки.
;
Загальна маса міді обмоток:
. (2.35)
Коефіцієнт заповнення вікна
магнітопровода міддю:
, (2.36)
де S0=6.4см2
- площа вікна магнітопроводу, яку вибрано з таблиці 3.1[4]
Маса ізоляції обмоток
визначається за формулою:
, (2.37)
де
γіз=1г/см3=0.001
г/мм3 - густина ізоляції;із=0.7 - коефіцієнт вкладання
ізоляції.
Отже, маса ізоляції обмоток
складатиме:
.
Маса трансформатора:
.
2.7
Тепловий розрахунок трансформатора
При розрахунку ТМП на магнітопроводі
уніфікованого раду з використанням розрахункової таблиці 3.18[4] використано
перевірочний тепловий розрахунок ТМП. Перегрів котушок ТМП броньованої
конструкції розраховано за формулою:
. (2.38)
Формули для обчислення ПС
і ПК (поверхні охолодження котушки і середовища) взято із таблиці
3.17[4]:
; (2.39)
, (2.40)
;
.
Обчислено значення ПС
і ПК:
;
.
Коефіцієнт v обчислено за
формулою:
. (2.41)
Коефіцієнт теплопровідності
визначено за формулою:
, (2.42)
де
-
коефіцієнт променевипускання;
- коефіцієнт теплопровідності
внаслідок конвекції.
, (2.43)
де εТ=0.57 -
ступінь чорноти тіла по таблиці 3.14[4];
С0=5.67Вт/см2
- коефіцієнт пропускання абсолютно чорного тіла.
В даному випадку ТП=550С,
ТС=200С.
Отже, обчислено коефіцієнт
пропускання:
.
Коефіцієнт тепловіддачі
обчислено за формулою:
, (2.44)
де А=1.3Вт/м7/4·0С
по графіку риc.3.7[4], 0=5A/см, HT=5.5A/см, =4см - висота
вікна магнітопроводу.
Отже, знайдено значення
:
.
Знайдено коефіцієнт
теплопровідності:
.
Остаточно обчислено
температуру перегріву трансформатора:
Визначено температуру обмоток
трансформатора за формулою:
. (2.45)
Це менше ніж максимально
допустима температура ТП=550С.
2.8
Висновки до розділу 2
В розрахунковій частині цього
розділу розраховано трансформатор малої потужності, де визначено габаритну
потужність (Рг =
32,3В·А),
струм первинної обмотки (І1 =
0,125А),
падіння напруги на обох обмотках (Uk.a.
=
0,0014В),
тип магнітопроводу (ШЛ 16х25),
число витків первинної та вторинної обмотки (W1
=
101вит;
W31
=
48вит;
W32
=
43вит),
переріз дроту обмоток (d1
=
0,29мм;
d31
=
0,57мм;
d32
=
0,6мм).
Розділ
3. Розрахунок випрямляча з ємнісним фільтром
Випрямлячі з ємнісною реакцією
навантаження (згладжуючий фільтр у цих випадках починається з ємності)
застосовується в якості джерел вторинного електроживлення зі струмами
навантаження рівними і більше 1.0А.
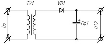
Схема випрямляча з ємнісним фільтром
наведена в додатку В
Вхідні дані для розрахунку:
Таблиця 3.1 - Вхідні дані для
розрахунку
|
Uc
|
fc
|
U0
|
I0
|
Kп. вих.
|
m
|
|
220 B
|
50 Гц
|
11 B
|
1 A
|
2, 5 %
|
1
|
3.1
Визначення параметрів діоду
Відповідно до схеми випрямлення по
наближеним формулам визначаються Іпр.ср і Іпр.і - середнє
і повторюване імпульсне значення струму, що протікає по діоду схеми, а також Uзв.і
- повторювана імпульсна зворотна напруга на діоді схеми (приблизно). Після
розрахунку випрямляча значення Іпр.і уточнюється.
; (3.1)
; (3.2)
. (3.3)
Отже, для даного варіанту
отримано:
Іпр. ср. = 0,5 Aзвор
.і. = 33 B
Іпр. і. = 7 A
3.2
Вибір типу діоду
По [4] вибрано тип діоду для якого:
; (3.4)
; (3.5)
. (3.6)
Після вибору типу діодів, для
них виписуємо наступні параметри:
- максимально допустиме середнє
значення прямого струму;
- максимально допустиме значення
зворотної напруги;
- середня пряма напруга.
Вибрано діод типу КД204В. для
нього основні параметри наступні:
Іпр. ср.max = 0,7
A;
Іпр. і.max = 1,2
A;звор .і. = 100 B;пр. ср.max = 1B;
3.3
Електричний розрахунок випрямляча
Електричний розрахунок випрямляча
дозволяє одержати основні дані для розрахунку трансформатора і фільтра що
згладжує.
Визначено активний опір
трансформатора, приведений до вторинної обмотки за формулою:
, (3.7)ТР = 
× 
= 1,79 Ом.
де КrC = 4.7В
- коефіцієнт, що залежить від схеми випрямлення (для трансформаторів потужність
яких не перевищує 1000Вт);
В=1.2-1.6Тл - магнітна
індукція в магнітодроті трансформатора (при частоті 50Гц);
σ=1 - число
стержнів магнітопроводу (для магнітопроводів типу ШЛ);
Визначено диференціальний
(внутрішній) опір діодів за формулою:
; (3.8)
=1/3 
0,5 = 0,67 Ом.
Активний опір фази випрямляча
визначено за формулою:
; (3.9)0 = 0,67 + 1,79 =
2,46 (Ом).
Індуктивність розсіювання
трансформатора, приведена до вторинної обмотки трансформатора (враховуючи, що
намотка проводиться звичайним способом) визначено по формулі:
, (3.10)
де k1=4.3.10-2,
p=2;s = 6 
10-4 Гн.
Для визначення співвідношення
між активним і реактивним опорами фази розрахунок проведено за формулою:
; (3.11)
.
По отриманому значенню
відповідний
кут рівний
= 4,4 °.
Знайдено допоміжний
коефіцієнт А:
A =
I0 
π 
r0 / ( m 
U0 ); (3.12)
А = 1 
1,723 / ( 1 
11 ) = 0,1399.
Розрахункові коефіцієнти B,
D, F, H визначено по коефіцієнту А з графіків на рис. 4.4 - 4.8 [4]:
В = 1,2; D =
2,0;= 5;
Н = 30000.
Діюче значення струму:
; (3.13)
ІД = 3,5 A.
Значення імпульсного струму
через діод:
; (3.14)пр. і. = 5 A.
Значення ЕРС вторинної
обмотки Е2 знаходимо за формулою:
Е2 = Вт
U0 ; (3.15)
Е2
=
1,2 
11 = 13,2 В .
Проведено уточнюючий розрахунок
імпульсної напруги:
; (3.16)звор .і. = 33 B
. Uзвор .і. < Uзвор. = 500 B, тобто виконується умова.
Ємність вхідного конденсатора
розраховується за формулою:
0 =
100H / (Kп% 
r0 
fc) ; (3.3.17)
С0=100 
30000 / ( 2 
2,46 
50 ) = 11995 мкФ,
де Кп%=2% -
коефіцієнт пульсації випрямленої напруги на вході фільтру, який починається з
конденсатора.
Вибрано з ряду конденсатор
ємністю С0=43000 мкФ.
3.4
Розрахунок згладжуючого фільтру
Коефіцієнт згладжування фільтру
визначено по формулі:
= Kп.вх. / Kп.вих.
, (3.18)
де Кп.вх - коефіцієнт
пульсації на вході фільтру (вихід схеми випрямляча);
Кп.вих - заданий
коефіцієнт пульсації не виході фільтру (на навантаженні).
Прийнято Кп.вих=2%
= 2 / 3 = 0,67.
Оскільки q=0.67<25, то вибрано в
якості решти фільтру одноланковий LC-фільтр. Добуток LC отримано так:
LC = 10 ( q + 1 ) / m2 ;
(3.19)= 10 ( 0,67 + 1 ) /12= 16,7.
Визначення індуктивності дроселя L.
Ємність конденсатора розраховано за
формулою :
= LC / С0;= 16.7 / 12000
= 0.0014 Гн;
Вибрано котушку типу Д67
індуктивністю L = 0,002 Гн, струм підмагнічування І=0,1А, rL =0,4
Ом.
Перевірка фільтру LC на відсутність
резонансу здійснено на формулою:
; (3.20)
де
-
резонансна частота:
; (3.21)
; (3.22)
.
Нерівність виконується, отже
резонанс
відсутній.
3.5
Розрахункова перевірка
Перевірочний розрахунок заклечається
в визначенні спаду напруги на дроселях фільтру:
, (3.23)
де U0 -
напруга на вході схеми випрямляча з врахуванням спаду напруги на LC фільтрі;
, (3.24)o = 11 [ 1+ 0,01
( 4,1 )] = 11,04 В де
.
, (3.25)
де rL - опір
уніфікованого конденсатора.
oн = 11,041 -
0,45 = 10,591.
Задане значення U0=4.5B.
Абсолютна похибка розрахунку складає 0.95В. таким чином відносна похибка
становить:
.
3.6
Коефіцієнт трансформації
Визначено коефіцієнт трансформації
за формулою:
; (3.26)
.
Потужність, що виділяється на
діоді:
; (3.27)
.
Діюче значення струму в
первинній обмотці визначено за формулою:
; (3.28)
3.7
Габаритна потужність
Габаритну потужність трансформатора
визначено за формулою:
; (3.29)
.
Вибрано трансформатор ТТП 201
- 127 / 209 - 50.
Тип магнітопроводу ШЛ
16х12,5.
Маса - до 365 г.
3.8
Висновки до розділу 3
В розділі проведено розрахунок
випрямляча на навантаження ємнісного характеру: визначено основні параметри та
підібрано тип діоду (КД 204 В), визначено активний опір обмоток трансформатора
(rдиф
=
1,79 Ом), диференціальний опір (rтр
=
0,67 Ом), значення індуктивності розсіювання обмоток трансформатора (Ls
=
6·10-4 Гн), співвідношення між активним та реактивним опорами фази (tg
φ
=
0,14), ємність вхідного конденсатора фільтру (С0
= 11995 мкФ).
Висновки
В курсовому проекті проаналізовано
загальні характеристики та види реєстрів.
Розраховано трансформатор малої
потужності, де визначено габаритну потужність (Рг
=
32,3В·А),
струм первинної обмотки (І1 =
0,125А),
тип магнітопроводу (ШЛ16х16), падіння напруги на обох обмотках (Uk.a.
=
0,0014В),
тип магнітопроводу (ШЛ 16х25),
число витків первинної та вторинної обмотки (W1
=
101вит;
W31
=
48вит;
W32
=
43вит),
переріз дроту обмоток (d1
=
0,29мм;
d31
=
0,57мм;
d32
=
0,6мм).
Також проведено розрахунок випрямляча на навантаження ємнісного характеру:
визначено основні параметри та підібрано тип діоду (КД 204 В), визначено
активний опір обмоток трансформатора (rдиф
=
1,79 Ом), диференціальний опір (rтр
=
0,67 Ом), значення індуктивності розсіювання обмоток трансформатора (Ls
=
6·10-4 Гн), співвідношення між активним та реактивним опорами фази (tg
φ
=
0,14), ємність вхідного конденсатора фільтру (С0
= 11995 мкФ).
Список
використаної літератури
1. Вересов Г.П.
Электропитание бытовой радиоэлектронной аппаратуры.- М.: Радио и связь, 1983.-
128 с.,ил.
2. Мікропроцесорна техніка:
Підручник/ Ю.І. Якименко та інш. - К.: ІВЦ Політехніка; Кондор, 2004. с.
187-189, 217-235.
3. Мюллер, Скотт.
Модернизация и ремонт ПК, 16-е изд. - М.: Издательский дом «Вильямс», 2006. с.
487 - 558.
4. Найвельт
Г.С., Мазель К.Б., Хусаинов Ч.И.. Источники электропинания электронной
аппаратуры: Справочник. - М.: Радио и связь, 1985. - 576с.
5. Справочник по
полупроводниковым диодам, транзисторам и интегральным схемам/ Под ред.
Н.Н.Горюнова, 3-е изд. -М.,Радио и связь, 1983. - 280 с.
6. Угрюмов Е.П. Цифрова
схемотехніка. - СПб.: БХВ-Петербург, 2002. с. 175-187, 221-245.
Додаток
А
Креслення трансформатора
.* Розміри для довідок
Додаток
В
Магнітопровід
Додаток
С
Схема електрична принципова
випрямляча з ємнісним фільтром
Таблиця С.1 - Параметри випрямляча
Додаток
D
Розміщення обмоток