Розрахунок системи електропостачання ПАО 'Центральний гірничо-збагачувальний комбінат'
Зміст
Вступ
1. Загальна
частина
.1 Коротка характеристика
підприємства та споживачів електроенергії
.2 Вибір схеми електропостачання
. Розрахункова
частина
.1 Розрахунок електричного
навантаження на шинах 0,4 кВ
.2 Розрахунок компенсації реактивної
потужності
.3 Розрахунок числа та потужності
трансформаторів
.4 Розрахунок електричного
навантаження на шинах 6 кВ
.5 Вибір та розрахунок кабелів
.6 Вибір кількості та місця
розташування підстанцій
.7 Розрахунок струмів короткого
замикання
.8 Вибір комутаційних апаратів
мережі 35 і 6 кВ
.9 Вибір і розрахунок релейного
захисту силового трансформатора
.10 Автоматизація та
телемеханізація систем електропостачання
. Заходи по техніці безпеки при
експлуатації електроустановок
.1 Заходи по техніці безпеки
при експлуатації електромережі напругою до
В і вище
.2 Розрахунок захисного
заземлення
Вступ
Електроенергетика - галузь
промисловості, яка забезпечує електрифікацію господарства та побутові потреби
населення на основі виробництва й розподілу електроенергії.
Електроенергетика посідає провідне
місце в енергетиці країни. Вона є матеріальною основою науково-технічного
прогресу, зростання продуктивності праці в усіх галузях суспільного
виробництва. На сучасному етапі роль паливно-енергетичного комплексу неухильно
зростає. Його розвиток значною мірою обумовлює темпи, масштаби і економічні
показники зростання продуктивних сил та їх розміщення, створює необхідні умови
для подальшого покращання умов праці і підвищення рівня життя людей.
Електроенергетика це основа розвитку
економіки країни. Розвиток електроенергетики, будівництво потужних
електростанцій сприяють створенню нових промислових вузлів.
Нині в Україні експлуатуються три
типи генеруючих потужностей: теплові (паротурбінні та дизельні), гідравлічні
(гідроелектростанції, гідроакумулюючі станції) та атомні.
Структура енергетики України
Енергетика є однією з провідних
галузей промислового комплексу України. Важлива складова енергетики -
електроенергетика, основа діяльності якої визначається Законом України «Про
енергетику» від жовтня 1997 року. Цей закон визначає правові, економічні та
організаційні основи діяльності в електроенергетиці країни і регулює відносини
пов’язані з виробництвом, передачею, розподіленням, постачанням і використанням
електричної енергії споживачами. Органом державного регулювання є Національна
комісія регулювання електроенергетики України.
Виробництво, передача і розподіл
електричної і теплової енергії зосереджено в енергетичних компаніях:
1) Державне підприємство
«Національна економічна компанія Укренерго» з магістральними мережами 750, 330
і 220 кВ;
2) Державне підприємство
«Енергоринок», що визначає механізм функціонування оптового ринку електричної
енергії в нашій країні;
) Енергогенерувальні
компанії;
) Енергопостачальні компанії;
) Єдина централізована
диспетчерська система управління виробництвом, передачею і розподілом
електричної енергії.
Сукупність електростанцій,
електричних і теплових мереж, які об’єднані спільним режимом виробництва,
передачі, розподілу і споживання електричної і теплової енергії утворюють
об’єднану енергетичну систему України.
Система електропостачання
відноситься до однієї з найважливіших підсистем.
Вона повинна мати такі системні
властивості: надійність, безпека, довговічність, повинна забезпечувати
електромагнітну сумісність електроприймачів. Усі вказані властивості
забезпечуються при суровому дотриманні вимог поданих в правилах, інструкціях і
нормах двох основних документів:
1) «Правила улаштування
електроустановок» (ПУЕ).
2) «Правила користування
електроенергією».
1. Загальна частина
.1 Характеристика підприємства і
споживачів електричної енергії
електропостачання підстанція електричний навантаження
Характеристика «Центрального
гірничо-збагачувального комбінату»
Центральний гірничо-збагачувальний
комбінат (м. Кривий Ріг) - складний промисловий комплекс, що спеціалізується на
видобутку, переробці та випуску сировини для чорної металургійної промисловості
- обкотишів та залізорудного концентрату. Це - гігантське підприємство зі
складною інфраструктурою. Корпуси і фабрики комбінату розкинулися на площі
більш ніж 6 тисяч гектарів.
Історія комбінату розпочалася у 1954
році з видання Постанови Ради Міністрів СРСР «Про проектування та будівництво
Центрального гірничо-збагачувального комбінату». У 1957 році було відвантажено
перший кубометр ґрунту з Глеюватського родовища, а в 1961 році комбінат вже
видав перші тонни концентрату. Наступним кроком розвитку став випуск в 1967
році першої партії обкотишів новозбудованою експериментальною фабрикою
огрудкування. ЦГЗК був і залишається дослідницькою базою та творчою
лабораторією передових технологій гірничої науки.
Промисловий комплекс ЦГЗК має у
своєму складі родовища відкритого та підземного видобутку залізистих кварцитів,
переробний цикл у складі дробильної, збагачувальної фабрик та фабрики
огрудкування, підрозділи технологічного автомобільного та залізничного
транспорту, ремонтні цехи та інші структури, що забезпечують ритмічність роботи
головних цехів. Сировинна база Центрального гірничо-збагачувального комбінату
представлена кар'єром №1 (Глеюватське родовище), Кар'єром №3 (Петровське
родовище) та кар'єром №4 (Артемівське родовище). Загальні запаси сировини
оцінюються 463 млн. тонн магнетитових кварцитів.
Основна продукція комбінату -
залізорудний концентрат (вміст заліза на рівні 66,3-68%), офлюсовані обкотиші
(вміст заліза 59,9%) та нефлюсовані обкотиші (вміст заліза 63,5%). У 2002 році
комбінат виготовив 4 116,2 тис.тон концентрату (102% від запланованого) та 1
883,4 тис.тон обкотишів (100,5% від запланованого). ЦГЗК також реалізує
програму повторного збагачення відходів для отримання залізорудного концентрату
(вміст заліза 65%).
Продукція комбінату має найвищий
рівень якості серед вітчизняних підприємств та високо цінується на ринку
України та за кордоном. Серед споживачів продукції ЦГЗК - металургійні
підприємства Чехії, Словаччини, Польщі, Румунії, вітчизняні меткомбінати
Кривого Рогу, Дніпропетровська, Дніпродзержинська, Єнакієвого, Маріуполя,
Алчевська та Донецька.
Гордістю Центрального
гірничо-збагачувального комбінату є робітничий колектив, у лавах якого зараз
майже 8 тисяч робітників. Добра репутація підприємства та висока якість
продукції - це доробок команди професіоналів, які дорожать позицією ЦГЗК на
конкурентному ринку збуту.
Відомо, що видобуток руди шкодить
навколишньому середовищу. Завдання ЦГЗК - мінімізувати цю шкоду. Комбінат
використовує замкнений технологічний цикл, що унеможливлює забруднення водних
артерій Кривбасу технічними водами; сховище відходів ЦГЗК через вдале
розташування та надійність гідроконструкцій визнано кращим в Україні за
екологічними показниками та безпекою експлуатації. На комбінаті також другий
рік реалізовують екологічну програму «Оазис», зміст якої полягає у
рекультивації земель законсервованого кар’єру №2.
.2 Вибір схеми електропостачання
Схема силової мережі визначена
технологічним процесом виробництва, категорією надійності електропостачання,
розташуванням цехових ТП та електроприймачів, потужністю споживачів та
розташуванням по площі цеху. Схема повинна бути проста, безпечна, надійна та зручна
в експлуатації, економічна, відповідати характеристиці оточуючого середовища,
забезпечувати використання індустріальних методів монтажу. З існуючих
принципових схем електропостачання - радіальних, магістральних та змішаних
приймаємо радіальну схему, незважаючи на її недоліки.
Недоліками радіальних схем є мала
економічність, обмежена гнучкість мережі. Радіальні схеми виконуються кабелями
чи проводами, які прокладаються в трубах чи жолобах.
Переваги радіальних схем-висока
надійність та зручність автоматизації.
2. Розрахункова
частина
.1 Розрахунок електричного
навантаження на шинах 0,4 кВ
Метою розрахунку навантаження є
визначення максимальної розрахункової потужності - активної, реактивної,
повної.
Якщо завдані технічні дані
електроустаткування (номінальні потужність Рн, коефіцієнт потужності cos
φн),
то розрахунки навантажень виконуємо методом коефіцієнта максимуму.
.Для визначення електричних
навантажень складається звітна відомість установленої розрахункової і сумарної
розрахункової максимальної потужності по цеху, підстанції чи підприємству з
вказуванням всіх необхідних розрахункових даних.
Розрахунок виконують в такому
порядку:
) Визначаємо номінальні
потужності електроспоживачів:
а) для електродвигунів тривалого
режиму приймаю паспортну потужність Рн.
б) для електродвигунів
повторно-короткочасного режиму номінальну потужність визначаю з формули:
Рн = Рн(паспортне)
= 80 
= 80 
в) для зварювальних
трансформаторів
Рн = Рн(паспортне)
Групова номінальна потужність
Рном визначається як сума номінальних потужностей електроспоживачів, за
виключенням резервних.
Для групи електроспоживачів
одного режиму роботи середня за зміну активна і реактивна потужність
навантаження за найбільш загружену зміну визначається по формулам:
Рсер.зм. = Квик.
Рном. ; кВт
Qсер.зм
= Рсер.зм. 
; кВар,
Де 
- значення відповідне 
електроспоживача.
Визначаю загальну
розрахункову потужність за формулою: Рзаг=Рн 
n
1. Рзаг = 100
6 = 600, кВт
. Рзаг = 55
8 = 440, кВт
. Рзаг = 80
1 = 80, кВт
. Рзаг = 10
12 = 120, кВт
. Рзаг = 7,5
6 = 45, кВт
Визначаємо середню потужність за
максимально напружену зміну:
а) Активну: Рсер.зм. = Рзаг.
Квик. ; кВт, де
Квик. - коефіцієнт
використання активної потужності, значення яких наведено в таблиці 2.1.
1) Рсер.зм = 600
0,39 = 234
кВт
) Рсер.зм = 440
0,43 = 189,2
кВт
) Рсер.зм = 80
0,57 = 45,6
кВт
) Рсер.зм = 120
0,65 = 78
кВт
) Рсер.зм = 45
0,75 = 33,75
кВт
б) Реактивну: Qсер.зм.
= Рсер.зм.
; кВар
) Qсер.зм.
= 234
=88,92 кВар
) Qсер.зм.
= 189,2
=79,46 кВар
) Qсер.зм.
= 45,6
= 25,08 кВар
) Qсер.зм.
= 78
= 48,36
кВар
) Qсер.зм.
= 33,75
= 24,3
кВар
Визначаю середній коефіцієнт
використання
за
формулою:
Квик.ср.=
Квик.ср.=
=0,48
.2 Ефективне число
електроприймачів
Під ефективним числом
електроприймачів розуміють таке число однорідних по
режиму роботи споживачів, однакової потужності, яке забезпечує той же
розрахунковий максимум, що і група різних по потужності і режиму роботи
споживачів. Ефективне число визначають по формулі:

=

=
коефіцієнт максимуму
характеризує перевищення максимального навантаження над середнім в максимально
завантажену зміну. Коефіцієнт максимуму приведений по активному навантаженню в
таблиці 2.3 Л1.
Розрахункову максимальну
активну потужність визначаємо з формули:
Рм=Км

Розрахункову максимальну
реактивну потужність визначаємо з формули:
Qм=Кмр.

При Квик. 
Квик. 
Кр.max =
1,1. В інших випадках Кn = 1
Qм =
1,1 
266.12 = 292,73
кВар
Рм = 1,65 
650,55 = 1073,4
кВт
Визначаю повну максимальну
потужність на шинах 0,4 кВ з формули:
S=
S =
=
+
=
= 1112,59 кВа
Визначаю розрахунковий струм на
шинах0,4 кВ
за формулою:
Ір =
Ір = 
= 
= 1605,88 А
Визначаю коефіцієнт
потужності комплектної трансформаторної підстанції на шинах 0,4 кВ за формулою:
cos
= 
cos
= 
= 0,96
Результати розрахунків
наведено в таблиці 1.
Метод коефіцієнта попиту
використовують для розрахунків максимальних навантажень промислових підприємств
на високій напрузі схеми електропостачання. Коефіцієнт попиту (КП) зв’язує
розрахункове максимальне навантаження з номінальною потужністю: Кп =
Розрахункові максимальні
навантаження Рmax
(активне), Qр
(реактивне), S
(повне) для групи однорідних за режимом роботи електроприймачів з’єднаних
технологічним процесом визначаються з таких виразів: Рр.max =
Кп 

кВт; Qр.max =
Рр.max 

кВар, де 
відповідає характерному для даної
групи електроприймачів cos
, який приймається з бази даних
інформаційного забезпечення.
Визначаю загальну номінальну
потужність на шинах 6000В.
Визначаю загальну
розрахункову потужність за формулою:
Рзаг=Рн
n
Рзаг
= 250
4 = 1000 кВт
Рзаг
= 400 
2 = 800 кВт
Визначаю розрахункове максимальне
активне навантаження за формулою:
Рр.max=Кп 
Рном.заг
Рр.max =
0,8 
1000 = 800 кВт
Pp.max =
0,9 
800 = 720 кВт
Визначаю максимальне реактивне
навантаження за формулою:
Qp.max =
Pp.max 
tg
Qp.max
= 800 
0,46 = 368 кВар.max
= 720 
0,6 = 432 кВар
Визначаю повне максимальне
навантаження на шинах 6 кВ за формулою:
S = 
S = 
= 
= 
= 1717,67 кВа
Визначаю коефіцієнт
потужності на шинах 6000В за формулою:
cos
= 
cos
= 
= 0,88
Ір = 
Ір = 
= 
= 165,31 А
Визначаю повне максимальне
навантаження на РУ-6 кВ за формулою:
S = 
S = 
= 
= 
=2418,24 кВа
Визначаю розрахунковий струм
на РУ-6 кВ за формулою:
Ір = 
Ip = 
= 
= 232,74 А
Визначаю коефіцієнт
потужності на РУ-6 кВ за формулою:
cos
= 
сos
= 
= 0,89
Результати розрахунків
наведені в таблиці 2.
.3 Компенсація реактивної
потужності
Важливим параметром
електричної схеми є коефіцієнт потужності сos
. Згідно розрахунку на шинах ЕРУ-6
кВ сos
дорівнює 0,89. Рекомендуємий
нормативний сos
приймаємо 0,95. Тому для того, щоб
розрахунковий сos
підняти до значення 0,95
використовують 2 методи компенсації реактивної потужності:
1) Установка потужних синхронних
високовольтних двигунів на шинах 6 кВ.
) Установка комплектних
конденсаторних батарей.
На практиці раціонально встановлення
двох компенсуючи пристроїв на підстанції на двох секціях ЕРУ-6 кВ.
Реактивна потужність цього компенсую
чого пристрою визначається за формулою:
Qp = Pp.max 
(tg
)
де Pp.max -
максимальне активне навантаження на шинах ЕРУ-6 кВ;
tg
- тангенс кута зсуву фаз відповідно
середньо звітному коефіцієнту потужності (сos
=0,89; tg
=0,5)

- тангенс кута зсуву фаз рекомендує
мий нормативний (сos
=0,95; tg
=0,32)

кВар
Для компенсації реактивної
потужності згідно розрахунку приймаю до установки комплектну конденсаторну
установку серії КУ-6-1 Qном-6 кВар
Визначаю максимальну повну
розрахункову потужність на шинах підстанції
ЕРУ-6 кВ після компенсації
реактивної потужності за формулою:
Sp.м.=
Sр.м.=
= 
кВа
Визначаю коефіцієнт
потужності на шинах підстанції ЕРУ-6 кВ після компенсації реактивної потужності
за формулою:
сos
= 
сos
= 
= 0,95
.4 Розрахунок числа та потужності
трансформаторів
Вибір типа, числа і
потужності трансформатора залежить від величини електричного навантаження та
розміщення на генеральному плані підприємства технологічного устаткування,
умови навколишнього середовища, вимоги пожежної і електричної безпеки, умови
охолодження.
Число і потужність
трансформаторів вибирають по:
- графіку навантаження і
розрахунковим величинам середньої і максимальної потужності;
техніко-економічним
показникам окремих варіантів з врахуванням капітальних затрат і експлуатаційних
витрат;
категоріям споживачів з
врахуванням надійного резервування;
режиму роботи по заданому
графіку, що забезпечує мінімум втрат потужності і електроенергії в
трансформаторі.
Вибір числа і потужності
трансформатора може виконуватись по питомій густині навантаження (кВ
А/м2) і повній розрахунковій
потужності об’єкта (кВ
А):
при питомій густині
більше 0,-0,3 кВ
А/м2 і сумарній потужності більше
3000-4000 кВ
А застосовують цехові трансформатори
потужністю 1600-2500 кВ
А
при питомій густині
і сумарному повному навантаженні (S) нижче
вказаних значень найбільш економічні трансформатори потужністю 400-600-1000 кВ
А.
Число і потужність трансформатора
вибирають з врахуванням його перегрузочної властивості ті категорії споживачів.
Для цього на добовому графіку навантаження (мал.1) визначають термін максимуму
навантаження Т (год) і коефіцієнт заповнення графіку.
Kз.г.
= 
де 
, 
- середнє змінне і максимальне навантаження.
По значенням Kз.г.
і Т визначають коефіцієнт кратності допустимого
навантаження (коефіцієнт
завантаження).
kк = 
=


= 
Sмакс. = 
, кВ
А
Якщо в літній
час максимум навантаження менше номінальної потужності трансформатора, то в
зимовий час допускається перегрузка не більше ніж на 15%. Сумарна перегрузка за
рахунок добової і літньої не повинна бути не більше 30% для трансформаторів на
відкритому повітрі, а в приміщеннях не більше 20%.
Допускається при kз.г.
0,75 перегрузка одного
трансформатора до 140% в аварійному режимі на протязі 5 діб не більше 6 годин
на добу.
Для нових підстанцій, де
невідомий графік навантаження споживачів, потужність трансформаторів вибирають
по розрахунковому максимальному навантаженню: Sном.т.
Sр.
Sном.т. =
; кВ
А,
де Sр. - максимальне розрахункове
навантаження,
кВ
А;

- коефіцієнт допустимої перегрузки
трансформатора (
= 0,65-0,7 - для двотрансформаторної
ТП і споживачів І категорії;

= 0,7-0,8 - для однотрансформаторної
ТП і споживачів ІІ категорії);
N -
кількість вибраних трансформаторів.
Перевіряємо вибрану
потужність трансформатора по допустимому аварійному перенавантаженню: 1,4
Sном.т.
Sзм.г. ,
де Sзм.г. -
повна розрахункова потужність з урахуванням компенсації1
Sн = 
= 
= 741,72
Вибираю трансформатор ТМ-1000/6
,4
1000
1112,59

1112,59
ІІ.5. Розрахунок та вибір
кабелів
Втрати активної потужності в
електричній мережі зумовлені витратами енергії на нагрівання проводів та
кабелів. Частка тепла розсіюється у навколишньому середовищі, а решта нагріває
проводи та кабелі до тих пір, поки не наступить теплова рівновага за якої
досягнута температура більше не змінюється. Цю температуру називають усталеною,
її приймають за гранично допустиму для даного типу проводу чи кабелю.
Вибір перерізу звичайних
провідників та кабелів зі умов нагріву зводиться до визначення струму
навантаження та його порівняння з табличним допустимим значенням струму для
даного проводу чи кабелю та умов прокладки.
При цьому слід дотримуватись
умови Ірозр. 
Ідоп. Розрахункові струми
визначаємо з формули:
S = 
,

А
Р = 
; Ip = 
j =
1,2 
; S = 
= 80,2
Вибираю кабель АВ 3
95 мм2 трифазний трижильний з
алюмінієвими жилами і паперовою ізоляцією, 205А - Ідоп.
.6 Вибір кількості та місця
розташування підстанції
Проектування системи
електропостачання підприємства передбачає раціональне розміщення на території
цехових підстанцій. На генеральному плані підприємства наноситься картограма
навантаження S,
площа якого в масштабі
дорівнює розрахунковому
навантаженню відповідного цеху. На генеральному плані визначають центр
електрона вантаження точку А з координатами (xo;yo).
Місцезнаходження заводської ГЗП і цехових підстанцій повинно бути поблизу
центру навантаження, щоб знизити затрати в кабелях і монтажі.
План підприємства для
нанесення мережі ЕП і місця розміщення ГЗП:
-компресорна станція;
-5-проектуємі цехи.
Картограма навантаження
дозволяє вибрати місце положення розподільчих чи цехових ТП і скоротити довжину
розподільчих мереж.
Координати точки А (xo;yo)
вибираємо
з
формул:
xOA=
xi / 
; yOA= 
yi / 
; =
=
= 
= 
= 296,87
уОА = 
=
= 
= 
= 236,21
В точці А з координатами хо-296,87
і уо-236,21 розмістимо центр навантаження проектуємої ГЗП.
.7 Розрахунок струмів
короткого замикання
Розрахунок струмів короткого
замикання в системі електропостачання промислових підприємств відбувається
спрощеним способом з рядом допущень: вважають, що трифазна система є симетричною;
не враховують насичення магнітних систем, тобто вважають, що індуктивні опори в
процесі короткого замикання не змінюються; приймають, що фази всіх ЕРС джерел
не змінюються в процесі короткого замикання; напруга на шинах джерела
приймається незмінною, так як точки короткого замикання зазвичай віддалені від
джерела; аперіодична складова струму короткого замикання не підраховується, бо
тривалість короткого замикання у віддалених точках перевищує 0,15 с
(аперіодична складова струму короткого замикання за цей час затухає).
Для розрахунку струмів
короткого замикання складається розрахункова схема - спрощена однолінійна схема
електроустановки в якій враховуються всі джерела (генератори, трансформатори,
повітряні і кабельні лінії, реактори, високовольтні синхронні двигуни).
Струм К.З. для вибора
струмоведучих частин і апаратів розраховується при номінальному режимі роботи
електроустановки: паралельне ввімкнення всіх джерел, паралельна або роздільна
робота трансформаторів і ліній. Паралельна або роздільна робота трансформаторів
залежить від режиму роботи секційного вимикача на підстанціях.
По розрахунковій схемі
складається схема заміщення, в якій вказують опори всіх елементів і намічаються
точки для розрахунків струмів К.З. Генератори, трансформатори великої потужності,
повітряні лінії, реактори представляють в схемі заміщення їх індуктивними
опорами, так як їх активні опори незначні. Кабельні лінії 6-10кВ,
трансформатори 1600кВА і менші представляються
індуктивними і активними опорами. Всі опори розраховуються в іменованих (Ом)
або в відносних одиницях, що на результати розрахунку не впливає. Для
розрахунку опори задаються базовими величинами напруги Uб, потужності Sб
(формули приведені в таблиці 7.2 Л1). За базову напругу приймають напругу
Uб=230;150;37;10,5;6,3;0,4кВ.
За базову потужність
приймають Sб=100 або 1000мВА.
Вихідні данні до виконання
розрахунку струмів К.З.
Розрахунок струмів К.З.
виконуємо в відносних одиницях:
. Визначаю опір мережі в
базисних відносних одиницях:
*бс=Хс∙
=31∙
=2,26;
де Sб=100
мВА,Xc=31
(Ом)
2. Визначаю індуктивний опір
ЛЕП - 37 кВ l1:
*бл1=Xo∙l1∙
=0,4∙18∙
= 7,2 
0,07 = 0,504;
де Xo=0,4

- це питомий індуктивний опір для
високовольтної лінії.
. Визначаю індуктивний опір
трансформатора:
Sн=40000
кВАк.з.=12,5%
*б тр.=
∙
= 
∙ 
= 0,31;
. Розраховую сумарний
реактивний опір базисного ланцюга до точки короткого замикання К1:
*б∑К1=X*бс+X*бл1+X*б
тр.=2,26+0,504+0,31=3,07;
5. Визначаю струм К.З. в
базисних відносних одиницях до точки К1:
*б= 
= 
= 0,32;
6. Визначаю струм короткого
замикання в іменованих одиницях до точки К1:
К1=I*б∙Iб=0,32∙Sб3Uн=0,32∙1001,73∙6,3=2,94
кА;
. Визначаю ударний струм К.З.
в точці К1:
у к1=Kу∙

∙ IК1 =
1,4 ∙ 
∙ 2,93 = 5,8
кА;
Kу=1,4.
8. Визначаю базисний
індуктивний опір l2:
X*бl2 =
Хо 
l2 

= 0,4 
7
2,51 = 7,05
. Визначаю базисний опір
реактора для обмеження струму К.З. на шинах 6 кВ. Реактор типу РБ - 6 - 400 - 5
(6 кВ; 400 А; 5%):
X*б
р= 
∙ 
= 
∙ 
∙ 
=0,0009;
Iб= 
= 
9,62
. Визначаю індуктивний опір
кабельної лінії:
X*бк(l3)=Xo(к)∙l3 ∙

= 0,07∙ 0,8 ∙ 
= 0,14;
Xo=0,07
Ом/км-індуктивний опір кабеля.
. Розраховую сумарний
реактивний опір базисного ланцюга до точки короткого замикання К2:
*б∑К2=X*б∑К1+X*бl2+X*бр
+ X*бк(l3) =
3,07+7,05+0,0009+0,14 = 10,26;
. Визначаю струм К.З. в
базисних відносних одиницях в точці К2:
I*бК2=
= 
=0,1;
. Визначаю струм К.З. в
іменованих одиницях в точці К2:
К2= І*бК2 ∙Iб =
0,1∙ 
= 0,1∙
=0,92 кА;
. Визначаю ударний струм К.З.
в точці К2:
уК2=Kу∙
∙IК2 =
1,41∙1,4∙0,92=1,82 кА;
На величину струму К.З.
можуть впливати турбо- і гідрогенератори, синхронні компенсатори і синхронні
двигуни. Вплив асинхронних двигунів враховують тільки в початковий момент часу
і тільки в тих випадках, коли вони підключені поблизу місця К.З. Тому враховую
вплив на величину струму К.З. потужного синхронного двигуна поблизу місця К.З.
Рном = 400 кВт
Іном СД = 
= 
= 
= 50,38 А = 0,05 кА
ІК.З. Д = 4,5 
Іном СД = 4,5 
0,05 = 0,22 кА
Іу д = 6,5 
Іном Д = 6,5 
0,05 = 0,32 кА
Визначаю загальний струм К.З.
в точці К1
ІК.З.К1 = ІК2+ІК.З. Д =
0,92+0,22 = 1,14 кА
Іу = іуК2+іу Д = 1,82+0,32 =
2,14 кА
Для вибору комутаційної
апаратури в мережі 35 кВ спочатку приблизно визначаю номінальний струм
вторинної обмотки трансформаторів Тр1 і Тр2 за формулою:
Iн=Sн∙1033∙U=40000∙1033∙35∙103=660
А
Обираємо роз’єднувачі P35-1,
P35-2,
P35-3
та P35-4
типу РЛНД - 35/1000 з наступними технічними даними:
Iн =
1000 А >Iн
Тр1 і Тр2;
Uн max =
40,5 кВ ≥ Uн - мережі;
Iпред.к.з.
= 80 кА;
привод типу - ПРН-110М
Обираємо вимикачі типу
ВМК-35В/1000/16 з наступними технічними даними:
Iн =
1000 А >Iн
Тр1 і Тр2;
Uн max =
40,5 кВ ≥ Uн - мережі;
Iн
откл = 16 кА;
привод типу - ВП
Обираємо заземлювачі P3-1,
P3-2,
P3-3
та P3-4типу
ЗР-35УЗ з наступними технічними даними:
Uн
=35 кВ ≥ Uн - мережі;
Iпред.к.з.
= 235 кА;
привод типу - ПЧ-50
Обираємо роз’єднувачі P35-5,
P35-6,
та P35-7
типу РНД-35/630 з наступними технічними даними:
Iн =
630 А >Iн
Тр1 і Тр2;
Uн max =
40,5 кВ ≥ Uн - мережі;
Iпред.к.з.
= 64 кА;
Привод типу - ПРН-110М
Обираємо вимикачі P35-3,
P35-4
С-35М-630-10У1 з наступними технічними даними:
Iн =
630 А >Iн
Тр1 і Тр2;
Uн max =
40,5 кВ ≥ Uн - мережі;
Iн
откл = 10 кА;
привод типу - ШПЕ-12
В мережі 6 кВ:
Обираємо роз’єднувачі P6-1,
P6-2,
P6-3,
Pш-9
та Pл-9
типу РЛВ - 10/3000 з наступними технічними даними:
Iн =
3000 А >Iн
Тр3 і Тр4
Uн max
=11,5 кВ ≥ Uн - мережі
Iпред.к.з.
= 140 кА
привод типу - ПР-3
Обираємо вимикачі В6-1, В6-2
та В6-9 типу ВМПЕ-10-3200-31,5 з
наступними технічними даними:
Iн =
3200 А >Iн
Тр1 і Тр2
Uн max =12
кВ ≥ Uн -
мережі
Iн
откл = 31,5 кА
привод типу - ПЕВ-11А
Обираємо роз’єднувачі Pш-(4-8);
Pл-(4-8)
типу РВФ-10/400 для кожного споживача та трансформатора освітлення з наступними
технічними даними:
Iн =
400 А >Iн
спож
Uн max
=115 кВ ≥ Uн - мережі
Iпред.к.з.
= 50 кА
привод типу - ПР-10
Обираємо вимикачі В-(4-8)
типу ВММ-10-400-10-У2 з наступними технічними даними:
Iн =
400 А >Iн
спож
Uн max =12
кВ ≥ Uн -
мережі
н откл = 10 кА
привод типу - ППВ
Обираємо заземлювачі Р3-(4-8)
типу ЗР-10-У3 з наступними технічними даними:
Uн
=10 кВ ≥ Uн - мережі
Iпред.к.з.
= 235 кА
Привод типу - ПЧ-50
.9 Вибір і розрахунок
релейного захисту силового трансформатора
Вибір захисту трансформаторів
залежить від потужності, призначення, місця установки і експлуатаційного режиму
трансформаторів.
До пошкоджень у
трансформаторах , крім міжфазних і виткових К.З., слід віднести пошкодження
магнітопроводу трансформаторів, що викликає місцеве нагрівання та «пожежі
сталі», а також пошкодження бака масло наповнених трансформаторів. Слід
відзначити, що найчастіше К.З. відбуваються на виводах трансформаторів, тому
бажано, щоб останні входили до зони дії захистів.
Найпоширеніший ненормальний
режим роботи трансформаторів систем електропостачання - поява надструмів
внаслідок зовнішніх К.З. та перенавантажень.
Захист від пошкоджень у
трансформаторі здійснюється за допомогою струмового відсікання, повздовжнім
диференціальним та газовим захистами, діючими на вимикання. Захист від
наскрізного струму-при зовнішніх К.З. відбувається за допомогою максимального
струмового захисту, максимального захисту з блокуванням мінімальної напруги,
струмового захисту нульової послідовності, захисту зворотної послідовності, а
також газового захисту.
Приймаю такі види захисту:
максимально-струмову відсічку
від міжфазних К.З., яка виконана за схемою неповної зірки за допомогою двох
реле;
максимальний струмовий захист
з витримкою часу, який виконано за схемою неповної зірки за допомогою двох
реле;
захист нульової послідовності
на стороні 0,4 кВ, який виконується з нейтралі трансформатора;
газовий захист
(застосовується від пошкоджень всередині кожуха трансформатора, що
супроводжується виділенням газів, і від пониження рівня масла).
Газовий захист є більш
чуттєвим захистом трансформатора у порівнянні з ДСЗ, бо вона реагує на
замикання невеликої кількості витків обмотки трансформатора, від якого інші
види захистів через недостатній рівень підвищення струму не спрацьовують.
Принципова трифазна схема
диференціального двообмоткового трансформатора
Розраховую струм К.З. на
стороні 0,4 кВ без урахування опору мережі живлення:
І(1)кнн = 
= 
= 6735 А,
де Uор=220В
- фазна напруга мережі, Zтр і Zотр
- повні опори відповідно прямої та нульової послідовності трансформатора
(довідкові дані). Струм однофазного К.З. на стороні 0,4 кВ, приведений до
сторони 6 кВ:
І(1)квн = Ікнн 
= 6735 

= 427 А
Визначаю номінальні струми
трансформатора:
Приймаю для встановлення на
високій стороні трансформатора струму з коефіцієнтом трансформації nтв=150/5=30
Приймаю для встановлення в
нейтралі трансформатора на низькій стороні трансформатор струму з коефіцієнтом
трансформації 600/5=0,25; Іном=0,25
1445=360А, при схемі з’єднання V/V-0 nто=600/5=120.
Приймаю для максимального
струмового захисту реле РТ-40. Визначаю струм спрацювання МЗС:
Ізс = 

Іроб.мах = 

1,4 
96,2 = 429А,
де Кн=1,1 - коефіцієнт
надійності; Кв=0,8 - коефіцієнт повернення; Ксзп=2,5 - коефіцієнт само запуску
навантаження Іроб.мах=1,4; І ном - враховує можливе перевантаження.
Струм спрацювання реле МЗС:
Іср = 
= 
= 14,3 А
Розрахунковий струм в реле
при двофазному К.З. за трансформатором:
Ір = 
= 
260 А
Коефіцієнт чутливості:
Кч=Ір/Іср=260/14,3=18,2>2
Коефіцієнт чутливості МЗС при
однофазному К.З. за трансформатором:
Кч=Ір/Іср= 
= 
= 0,33
Максимальний струмовий
захист, встановлений на стороні 6 кВ трансформатора і виконаний за схемою
неповної зірки з двома реле не чутливий до струмів однофазного К.З. з боку 0,4
кВ.
Виконую додатково спеціальний
захист нульової послідовності з боку 0,4 кВ, який діє на вимкнення автомата
вводу Н.Н.
Струм спрацювання реле
вибираємо за умови відстрочки від найбільшого додаткового струму в нейтралі
силового трансформатора.
Іср = 
= 
= 4,7 А,
де КМ=0,25 - для схеми V/V;
Котс=1,25 - коефіцієнт відстрочки; Кв=0,8 - для реле РТ-40.
Приймаю Іср=5А (реле Рт-81/1)
Ір = 
= 
= 56,2 А
Коефіцієнт чутливості захисту
Кч=Ір/Іср=56,2/5=11,5>>2
Розраховую струм спрацювання
відсічки виконаної за допомогою реле РТ-40: ІсзКн
Іквн=1,3 
1,45 
103=1880 А,
Де Кн=1,3 - коефіцієнт
надійності (реле РТ-40).
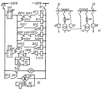
.10 Автоматизація та
телемеханізація систем електропостачання
Під автоматизацією
енергосистем розуміють впровадження пристроїв та схем, які здійснюють керування
режимами та процесами виробництва, передачі та розподілу електроенергії у
нормальних та аварійних умовах. У системах електропостачання застосовують такі
основні види системної автоматики:автоматичне ввімкнення резерву (АВР),
автоматичне повторне ввімкнення (АПВ), автоматичне регулювання напруги (АРМ),
автоматичне частотне розвантаження (АЧР).
Автоматичне ввімкнення
резерву (АВР)
Швидке ввімкнення резервного
елемента за рахунок резервування джерела живлення та живильних ліній
здійснюється пристроями АВР, успішність його складає 90-95%.
До пристроїв АВР ставляться
такі основні вимоги:
- Пристрої повинні діяти у
випадку зникнення напруги на шинах підстанцій будь-якої причини;
Вмикати резервне джерело
слід одразу після вимикання робочого джерела;
Для виключення
багаторазових вмикань на не усунуте К.З. дія АВР повинна бути одноразовою;
Схему АВР не вводити в дію
до вимикання вимикача робочого джерела;
Передбачити прискорення дії
захисту резервного джерела після АВР.
Схема АВР на секційному вимикачі
двухтрансформаторної підстанції
а) спрощена схема підстанції
в) схема АВР
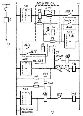
Автоматичне повторне ввімкнення
(АПВ)
Комплекс автоматики, що забезпечує
повторне ввімкнення лінії для відновлення нормальної роботи мережі називають
пристроями АПВ. Застосування АПВ виправдане й на кабельних лініях. АПВ
відновлює живлення при помилковій дії релейного захисту або вимиканні внаслідок
перевантаження. Застосування АПВ обов’язкове на всіх повітряних та змішаних
кабельно-повітряних лініях напругою до 1000 В і вище. Успішність АПВ 50-80%.
Пристрої АПВ можуть бути одноразової
та багаторазової дії (дворазові та трьохразові АПВ). Багаторазові АПВ
використовуються на лініях з одностороннім живленням.
Схема АПВ однократної дії для лінії
з одностороннім живленням
Вимоги до АПВ:
Діяти при аварійному
вимиканні робочого вимикача;
Не діяти при вимиканні
вимикача персоналом, а також коли вимикач вимикається релейним захистом;
Забезпечити задану
кратність та мінімально можливий час дії.
Автоматичне регулювання напруги
(АРН)
Автоматичне регулювання напруги
можливе зміною:
Напруги на шинах джерела;
Коефіцієнта трансформації
силового трансформатора;
Реактивної потужності, що
передається по лінії.
Автоматичне частотне розвантаження
(АЧР)
Автоматичне частотне розвантаження
передбачають на підстанціях та РП для вимикання частини електроприймачів при
появі дефіциту активної потужності у живильній енергосистемі.
Встановлені 3 категорії частотного
розвантаження:
З малим часом дії(0,25-0,5)
с ;
З єдиною уставкою
спрацювання для підйому частоти після АЧР першої категорії й запобігання
зависання частоти на рівні 49 Гц;
Додаткова категорія для
прискорення обсягу розвантаження.
За останні роки в системах
електропостачання все ширше застосовуються автоматизовані системи збору
облікових даних, контролю за витратою електроенергії, прогнозування витрат на
керування електроустаткуванням, вимикання споживачів відповідно до встановленої
черговості в години максимуму навантаження енергосистеми.
3. Заходи по техніці безпеки при
експлуатації електроустановок
3.1 Заходи по
техніці безпеки при експлуатації електромережі напругою до 1000 В і вище
Електричний струм проходячи через
тіло людини завдає термічної, електролітичної та біологічної дії.
Термічна дія струму виражається в
опіках окремих частин тіла, нагріванні крові, судин, нервів.
Електролітична - в розкладанні крові
та інших органічних речовин.
Біологічна дія струму виражена у
збудженні живих тканин організму, що супроводжується скороченням м’язових
тканин, в тому числі серця.
Види уражень від дії електричного
струму ділять на електричні травми та електричні удари.
Фактори, що впливають на наслідок
ураження електричним струмом:
сила струму;
час проходження через організм;
напруга, частота;
шлях протікання струму через тіло
людини;
фізичний стан людини;
умови навколишнього середовища.
Основні причини нещасних випадків
ураження електричним струмом:
- Раптові
дотики або наближення на небезпечну відстань до струмоведучих частин, що
знаходяться під напругою;
- Поява
напруги на металевих конструкціях електроустановок, які не знаходяться під
напругою в нормальному режимі роботи (кожухи, огородження);
- Поява
напруги на відключених струмоведучих частинах на яких виконуються ремонтні чи
монтажні роботи;
- Виникнення
крокової напруги на поверхні землі (замикання на землю, несправність у роботі
захисного заземлення).
Основні способи захисту від струму:
. Забезпечення недосяжності
струмоведучих частин від раптового доторкання.
. Усунення небезпеки ураження
при появі напруги на корпусі або частинах електрообладнання через захисне
заземлення, занулення, відключення.
. Використання спеціальних
електрозахисних засобів.
. Організація безпечної
експлуатації електроустановок.
Недосяжність струмоведучих частин
електроустановок від раптового доторку може бути забезпечена:
- Ізоляцією
струмоведучих частин;
-
- Розташуванням
на недоступній висоті;
- Огородженням
та інше.
Ізоляція струмоведучих частин має
основну функцію - протидіяти протіканню струму небажаним шляхом. У той же час
вона забезпечує захист від раптового доторку до струмоведучих частин.
Огородження струмоведучих частин
може бути передбачено конструкцією електроустаткування.
При спорудженні електроустановок
коли провода та шини, а також прилади та апарати, що мають незахищені
струмоведучі частини, монтуються в спеціальні шафи, камери.
До технічних засобів і заходів
захисту від ураження електричним струмом належать: мала напруга, ізоляція
струмоведучих частин (робоча, додаткова, посилена, подвійна); забезпечення
недосяжності неізольованих струмоведучих частин; захисне заземлення; занулення;
захисне відключення; вирівнювання потенціалів; електричне розділення мереж;
компенсація струмів замикання на землю; огороджувальні улаштування;
попереджуюча сигналізація; блокування; знаки безпеки; засоби захисту; запобіжні
пристосування та інше.
До організаційних заходів по
забезпеченню електробезпеки під час експлуатації електроулаштувань належать:
призначення осіб, відповідальних за організацію і виконання робіт;
документальне оформлення завдання на проведення робіт (наряд, розпорядження із
записом у відповідний журнал, у порядку тривалої експлуатації з наступним
записом у визначений журнал); допуск до проведення робіт; нагляд за працюючими
під час виконання робіт, переведень на інші робочі місця і закінчення робіт.
Захисне заземлення - це навмисне
електричне з’єднання із землею або її еквівалентом металевих не струмоведучих
частин, які можуть опинитися під напругою. Застосовується при напрузі змінного
струму 380 В і вище, а постійного - 440 В і вище у всьому електроустаткуванні.
Захисне занулення - це навмисне
електричне з’єднання з нульовим захисним проводом металевих не струмоведучих
частин, які можуть опинитися під напругою.
Захисне відключення - швидкодіючий
захист, що забезпечує автоматичне відключення електроулаштування при виникненні
в ній небезпеки ураження струмом.
.2 Розрахунок захисного заземлення
Підстанція РП-6кВ для
живлення споживачів електроенергії є вбудованою, тому заземлюючий контур
розташовуємо вздовж будови. Приймаємо довжину контура 30 м, грунт в місці його
спорудження чорнозем, природні заземлювачі не використовуються. Струм замикання
на землю на стороні 6 кВ Із=30А. Заземлення спільне для сторін 6 та 0,4 кВ.
Питомий опір грунту р=62 Ом
м.
1. Визначаю опір заземлюючого
пристрою для установок 6 кВ
Rз =
= 
= 4,16 Ом
Опір заземлюючого пристрою
для сторони 0,4 кВ не повинен перевищувати 4
Ом. Тому за розрахунковий опір
приймаємо Rз=4
Ом.
Виконане заземлення
передбачаємо з вертикальних заземлювачів - стрижнів з круглої сталі діаметром
12 мм і довжиною 3 м та горизонтальної полоси 40
яка прокладається на глибині 0,8 м
вздовж будови станції на відстані 3 м від фундаменту.
2. Опір одного вертикального
заземлювача (стержня)
Rе1 =

= 0,15

= 24,4 Ом
р=0,15 - питомий опір сталі
. Визначаю необхідну
кількість вертикальних заземлювачів
n = 
= 
= 11,7
𝞰=0,52
Ro=4 Ом
- опір згідно ПУЕ
Визначаю опір заземлюючої
полоси
Rз.п.
= 

lg 

= 


= 8,48 Ом
де kcез=3,5 -
визначено по таблицы 6.10 (Л1, с. 46).
Опір полоси в
контурі з 12
електродыв:
Rг = 
= 
= 24,9 Ом
де 𝞰г=0,34 (із
таблиці 6.10 Л1 с. 46)
Необхідний опір вертикальних
заземлювачів
Rв = 
= 
= 4,76 Ом
Уточнене число стержнів
n = 
= 
= 9,8
Таким чином, згідно
розрахунків приймаємо до
установки n=10.