Елементна база електронних апаратів
Міністерство освіти і науки,
молоді та спорту України
Кременчуцький національний
університет імені Михайла Остроградського
Кафедра електронних апаратів
МЕТОДИЧНІ ВКАЗІВКИ
Щодо виконання
розрахунково-графічного завдання з навчальної дисципліни
«Елементна база електронних
апаратів»
Для студентів денної форми
навчання зі спеціальностей напряму 0910 - «Радіоелектронні апарати»
Кременчук 2011
Методичні вказівки щодо виконання розрахунково-графічного
завдання з навчальної дисципліни «Елементна база електронних апаратів» для
студентів денної форми навчання зі спеціальностей напряму 0910 -
«Радіоелектронні апарати»
Укладачі: доц. О.О. Юрко,
старш. викл. Ю.А. Дрипан,
асист. Кухаренко Д.В.,
асист. Григоренко В.Ю.
магістр С.І. Владов
Рецензент к.т.н. доц. В.О. Некрасов
Затверджено методичною радою КНУ імені Михайла
Остроградського
Протокол № від 2011 р.
Заступник голови методичної ради доц. С.А. Сергієнко
ЗМІСТ
Вступ
Мета
та призначення розрахунково-графічного завдання
Розрахунково-графічне
завдання 1. Розрахунок основних параметрів конденсаторів змінної ємності з
плоскими пластинами
Розрахунково-графічне
завдання 2. Розрахунки котушки електромагнітного апарата при сталому й змінному
струмах8
Розрахунково-графічне
завдання 3. Розрахунок трифазного силового трансформатора
Розрахунково-графічне
завдання 4. Розрахунки параметрів і характеристик випрямного діода
Розрахунково-графічне
завдання 5. Розрахунки параметрів і характеристик біполярного транзистора
Висновок
Список
літератури
Додаток
А. Характеристики обмоткових проводів
Додаток
Б. Основні параметри проводів
Додаток
В
Додаток
Г
ВСТУП
Розрахункова робота включає в себе роботу з теоретичною та
довідниковою літературою, а також розв’язання практичних завдань.
Для забезпечення розрахункової роботи
навчально-методичними засобами використовуються підручники, навчальні та
методичні посібники, конспект лекцій викладача, практикум тощо (за списком
літератури).
У даних методичних вказівках передбачається закріплення знань
щодо розрахунку конденсатора, котушки індуктивності, трансформатора,
напівпровідникового діода та біполярного транзистора, які є невід'ємними
складовими при побудові електронних пристроїв.
Конденсатор - двополюсник з певним значенням ємності й малою
омічною провідністю; пристрій для нагромадження заряду й енергії електричного
поля. Конденсатор є пасивним електронним компонентом. Звичайноскладається із
двох електродів у формі пластин (називаних обкладками), розділених
діелектриком, товщина якого мала в порівнянні з розмірами обкладок.
Котушка індуктивності - гвинтова, спіральна або
гвинтоспіральна котушка зі згорнутого ізольованого провідника, що володіє
значною індуктивністю при відносно малій ємності й малому активному опорі. Така
система здатна накопичувати магнітну енергію при протіканні електричного
струму.
Трансформатор - електрична машина, що має дві або більш
індуктивно-зв'язані обмотки й призначена для перетворення за допомогою
електромагнітної індукції однієї або декількох систем змінного струму в одну
або трохи інших систем змінного струму.
Діод - двохелектродний електронний прилад, має різну
провідність залежно від напрямку електричного струму. Електрод діода,
підключений до позитивного полюса джерела струму, коли діод відкритий ( тобто
має маленький опір), називають анодом, підключений до негативного полюса -
катодом.
Напівпровідниковий діод - напівпровідниковий прилад з одним
електричним переходом і двома виводами (електродами). На відміну від інших
типів діодів, принцип дії напівпровідникового діода ґрунтується на явищі p-n-переходу.
Біполярний транзистор (БПТ) - це електроперетворювальний
напівпровідниковий прилад із двома p-n переходами й трьома виводами, який
застосовується для посилення потужності.
БПТ може бути включено по одній із трьох схем: із загальним
емітером (ЗЕ), загальним колектором (ЗК) або загальною базою (ЗБ). Схеми
включення із ЗЕ в основному використовують у якості проміжних і вихідних, тому
що вони мають максимальний коефіцієнт підсилення потужності. Характерна риса
схем з ЗЕ - зміну полярності посилюваного сигналу на протилежну, тобто це
підсилювачі, що інвертують.
Вибір типу транзистора визначається особливостями електричної
схеми, а також вимогами до її вихідних параметрів і режимам експлуатації.
Слід зазначити, що завдання спрямоване на використання засобів
обчислювальної техніки, тому потребує від студентів уміння працювати, як з
текстовими та графічними редакторами, установленими на ПЕОМ, так і з засобами
виведення документації до друку.
Мета та призначення розрахунково-графічного завдання
Темою розрахунково-графічного завдання з дисципліни
«Елементна база електронних апаратів» є розрахунки основних параметрів
конденсатора, котушки індуктивності, трансформатора, напівпровідникового діода
та біполярного транзистора, що відповідає вимогам ЄСКД та ДСТУ, за допомогою
наведених формул, залежностей, рівнянь, тощо, що описують фізику роботи
пристрою.
Метою проведення завдання є визначення стану і ступеня
підготовленості студентів із зазначеної дисципліни, їх уміння самостійно
опрацьовувати довідниковий та інформаційний матеріал; уміння формулювати
логічно обґрунтовані відповіді при захисті завдання.
У процесі виконання розрахунково-графічного завдання студент
зобов'язаний:
1. Ознайомитися з варіантом виконання розрахункового завдання
та обрати свій варіант (таблиці 1.1, 2.1, 3.1, 4.1, 5.1).
2. Набути практичних навичок щодо вибору елементної бази, яка
буде відповідати проведеним розрахункам параметрів того чи іншого пристрою.
. Провести розрахунки параметрів того чи іншого пристрою
згідно умовам завдань.
. Побудувати графіки тих чи інших залежностей згідно умовам
завдань.
. Оформити розрахунки згідно з ЄСКД.
. Зробити висновок після проведеного аналізу отриманих даних
щодо правильності розрахунків.
. Захистити розрахунково-графічне завдання згідно з графіком
захисту.
РОЗРАХУНКОВО-ГРАФІЧНЕ ЗАВДАННЯ №1
Тема роботи: Розрахунок основних параметрів конденсаторів
змінної ємності з плоскими пластинами
Конденсатор - двополюсник з певним значенням ємності й малою
омічною провідністю; пристрій для нагромадження заряду й енергії електричного
поля. Конденсатор є пасивним електронним компонентом. Звичайно складається із
двох електродів у формі пластин (називаних обкладками), розділених
діелектриком, товщина якого мала в порівнянні з розмірами обкладок.
Конденсатор у ланцюзі постійного струму може проводити струм
у момент включення його в ланцюг (відбувається заряд або перезаряд
конденсатора), по закінченню перехідного процесу струм через конденсатор не
тече, тому що його обкладки розділені діелектриком. У ланцюзі ж змінного струму
він проводить коливання змінного струму за допомогою циклічного перезарядження
конденсатора, замикаючись так званим струмом зсуву.
Основною характеристикою конденсатора є його ємність, що
характеризує здатність конденсатора накопичувати електричний заряд. У
позначенні конденсатора фігурує значення номінальної ємності, у той час як
реальний ємність може значно мінятися залежно від багатьох факторів. Реальна
ємність конденсатора визначає його електричні властивості. Так, по визначенню
ємності, заряд на обкладці пропорційний напрузі між обкладками.
.1 Вихідні дані
Основним вхідним параметром для розрахунків є закон, за яким
змінюється ємність: прямоємнісний, прямочастотний, прямохвильовий,
логарифмічний із допустимим відхиленням ±5%.
Також вхідними параметрами є допустимі габарити: Rmax,
мм (або висота h, мм); максимальна ємність Cmax, пФ; робоча напруга,
Uр, В; переміщення кінця пластини від перпендикулярного напрямку, σ,
мм;
температурний коефіцієнт лінійного розширення матеріалу, αn, оС-1.
Таблиця
1.1
Вихідні дані щодо розрахунків
|
Варіант
|
Cmax, пФ
|
Rmax, мм
|
Закон зміни ємності
|
Uр, В
|
σ, мм
|
Матеріал
|
αn·10-6, оС-1
|
|
1
|
500
|
55
|
прямоємнісний
|
150
|
0,2
|
алюміній
|
2,4
|
|
|
|
|
|
|
|
|
1.2 Відстань між пластинами (величина зазору) ротора d
Величина зазору d вибирається виходячи з розмірів
конденсаторів, необхідній точності, необхідній стабільності й електричної
міцності й при виробництві - з технологічних міркувань. Чим більше зазор, тем
вище електрична міцність, стабільність, надійність і точність закону зміни
ємності. Слід також урахувати, що при збільшенні зазору збільшується обсяг
конденсатора.
Для наближеного, але задовольняючого практичним вимогам
розрахунків можна виходити з того, що при нормальному тиску припустима
напруженість поля між пластинами становить 650…700 в/мм. Тоді величина зазору
буде рівна:
(1.1)
де Uр - робоча напруга.
Якщо робоча напруга конденсатора мала (
),
то з технічних міркувань діаметр приймають: d=0,25…0,3мм.
З погляду об’єму конденсатора величина зазору повинна бути
малою. Але при малих зазорах знижується надійність. Вважається, що конденсатори
із зазором меншим за 0,15мм викликають надмірне ускладнення виробництва. У
конденсаторах підвищеної точності застосовують більші зазори, порядку 1…1,5мм.
.3 Мінімальна ємність конденсатора Cmin.
=0.1∙500
∙
=50
=50(пФ)(1.2)
1.4 Діаметр вісі ротора
Діаметрвісі ротора можнавзятиd0=4мм
1.5 Радіус вирізу в статорі
Радіус вирізу на статорних пластинах r визначається діаметром
осі й зазором між віссю й крайками статорних пластин. Цей зазор часто в 2-3
рази більше зазору між пластинами. Його зменшення підвищує мінімальну ємність
конденсатора й негативно позначається на стабільності. Таким чином радіус
вирізу на статорних пластинах визначається наступним співвідношенням:
r=2+0.42 = 2.42 (мм)
1.6 Товщина пластини
Товщина пластини δ залежить від способу
виготовлення. Для розрахунківвзятиδ=1 мм.
1.7 Кількість пластин N
) Якщо задано Rmax:
(1.4)
де
- значення кута, якому відповідає максимальне
значення радіусу пластин Rmax:
для прямоємнісного, прямохвильового та логарифмічного законів зміни
ємності
для прямочастотного закону зміни ємності
Якщо ввести змінну
де значення
наведено в таблиці 1.2 (для того чи іншого закону
зміни ємності), то кількість пластин можна розрахувати за формулою:
(1.5)
) Якщо задана висота h:
=3.25
(1.6)
1.8 Розрахунок габаритних розмірів
1) Якщо задано Rmax, то визначають висоту h:
(1.7)
2) При відомій висоті h визначають Rmax:
=55
(мм) (1.8)
1.9 Перевірка значення Сmах на відповідність
заданій похибці±5%
Визначимо Сmax за формулою:
(1.9)
Для подальших розрахунків використовувати остаточне значення
Сmax.
1.10 Побудоваформироторних пластин
(1.10)
де
- похідна зміни ємності від кута повороту, формули
якої для того чи іншого закону зміни ємності наведені в таблиці 1.2.
Зовнішній вигляд форми роторних пластин:
1.11 Побудова графіка залежності зміни ємності
Для побудови графіка залежності С=f(θ)
необхідно
скористуватися формулами для того чи іншого закону зміни ємності, які наведені
в таблиці 1.2.
Для всіх законів зміни ємності прийняти наступне
співвідношення:
=10
(1.11)
С 50.8
F(⍬)
180
Таблиця
1.2
Основні розрахункові формули для того чи іншого закону зміни
ємності
|
Закон зміни ємності
|
С=f(θ)
|
abA
|
|
|
|
|
прямоємнісний
|
a·θ+b
|
a
|
 
|
|
|
|
|
|
|
|
|
|
|
|
|
|
|
|
|
|
|
|
|
.12 Визначення температурної нестійкості ємності (ТКЄ)
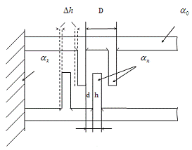
На рисунку 1.1 представлена схема плоского конденсатора, причому
пропонується зробити пластини й втулки з матеріалів, що володіють різними
температурними коефіцієнтами лінійного розширення (ТКЛР)
і
Вважаючись також, що конструкція виконана таким чином, що при зміні
температури мають місце вільні температурні деформації.
Температурну нестійкість ємності описується наступною залежністю:
(1.12)
Перший доданок представляє ТКПА діелектрика, тобто
друге - температурний коефіцієнт розширення площі
пластин, очевидно:
третя - є функція розмірів d, k, D і ТКЛР
і
З рисунка 1.1 можна записати співвідношення 2·d+2·k=D, звідки
Проробивши математичні перетворення, одержимо:
(1.13)
Якщо
то
тобто
визначається тільки властивостями матеріалу α і середовища
.
Якщо
, те
,
тобто ТКЄ змінного конденсатора, зробленого з однорідного матеріалу, буде
рівний ТКЛР цього матеріалу.
Формула (1.13) показує, що компенсація температурної нестійкості
конденсатора можлива; для цього необхідно лише вибрати також співвідношення k,
d,
,
,
, щоб
.
Якщо зневажити
, а в повітряних конденсаторах воно мало, те, умова,
термокомпенсацїї самої конструкції буде:
,
Звідки
або
(1.14)
Цю форму можна використовувати як співвідношення для вибору
параметрів по заданих параметрах.
Якщо ліва частина виразу (1.14) менше нуля, ТКЄ конденсатора
буде негативним і
,
при позитивному ТКЄ - навпаки.
Розглянемо вплив розподілу конструктивних параметрів на величину ТКЄ,
припускаючи, що розрахунки параметрів ведеться з урахуванням повної
компенсації, тобто при ТКЄ змінної ємності конденсатора, дорівнює нулю.
Розкид параметрів приведе до невиконання співвідношення (1.14). Для
забезпечення рівності в праву частину введемо деякий множник (В+1). Тоді
,
В - характеризує результат відхилень
усіх
величин, що входять у рівняння (1.14). Після перетворення:
.
Таким чином, остаточна формула для розрахунку ТКЄ буде наступною:
(1.15)
де
-
температурний коефіцієнт лінійного розширення матеріалу.
1.13 Компенсація виробничого розкиду характеристики С=f(θ)
конденсатора
змінної ємності з плоскими пластинами
Можна показати, що при регулюванні однієї розрізної пластини
регулювальна ємність буде:
двома:
Можна визначити, що допускається величину відносної погрішності
максимальної ємності конденсатора, яка може бути скомпенсована відгину секторів
однієї або двох пластин ротора:
(1.16)
.
(1.17)
.14 Вплив похибок виробництва на розкид ємності конденсаторів
Ємність конденсатора із плоскими пластинами залежить від похибок площі
пластин і зазору. Похибка площі пластин мала (усі пластини робляться одним
штампом). Найбільший вплив на ємність виявляє похибка зазору:
(1.18)
Розглянемо фактори, що впливають на похибку зазору:
) Похибка товщини пластин або похибка відстані між ними.
На рисунку 2.1 видно, що похибка у товщині пластин
і у відстані між ними супроводжується зміна зазору d
на величину
. Похибка ємності:
(1.19)
де
(мм)
Пряма пропорційність між похибкою зазору й похибкою ємності
при невеликих зазорах потрібна при виготовленні пластин з високою точністю за
товщиною, забезпечення точної відстані D між пластинами статора або ротора.
2) Асиметрія зазору d з'являється при зрушенні пластин статора щодо пластин
ротора на величину
Максимальний розкид ємності за рахунок асиметрії всіх зазорів
визначається формулою:
(1.20)
де
При невеликій величині асиметрії:
(1.21)
=0.0022(1.22)
) Перекошення непаралельності пластин ротора щодо пластин статора.
Найгірших випадок, коли спостерігається перекошення усіх пластин.
Максимальний розкид ємностей визначається наступними залежностями:
при значенні
:
(1.23)
де σ
- переміщення кінця пластини від
перпендикулярного напрямку.
Р
Схема плаского конденсатору
РОЗРАХУНКОВО-ГРАФІЧНЕ ЗАВДАННЯ №2
Тема роботи: Розрахунки котушки електромагнітного апарата при сталому й
змінному струмах
Котушка індуктивності - гвинтова, спіральна або гвинтоспіральна котушка
зі згорнутого ізольованого провідника, що володіє значною індуктивністю при
відносно малій ємності й малому активному опорі. Така система здатна
накопичувати магнітну енергію при протіканні електричного струму.
Магнітний ланцюг містить ділянки сталевого сердечника і якоря, а також
повітряний зазор
, через який замикається основна частина робочого
потоку (рисунок 2.1).
Сердечник магнітопроводу має циліндричну форму; ярмо і якір, які
виконані зі сталі однакового прямокутного перетину.
Рисунок 2.1 - Магнітний ланцюг
.1 Вихідні дані
Вихідними даними для розрахунків є: напруга джерела, U1, U2,
B; магнітний потік у робочому повітряному зазорі, Ф·104, Тл; діаметр
сердечника магнітопроводу, d, мм; параметри вікна магнітопроводу, с, Н, мм;
параметри каркаса, δ1,
δ2, мм; повітряний зазор (робітник хід якоря), δ, мм; розміри перетину якоря, a, b, мм; зусилля
притягання якоря електромагніту, G, Н; робоча частота, f0, МГц; СЕР
- тип і матеріал сердечника.
Таблиця
2.1
Вихідні дані щодо розрахунків
|
Варіант
|
U1
|
U2
|
Ф
|
d
|
c
|
δ
|
δ1
|
δ2
|
H
|
a
|
b
|
G
|
f0
|
СЕР
|
|
1
|
24
|
220
|
7,1
|
30
|
28
|
3
|
2,2
|
2,7
|
70
|
30
|
24
|
300
|
2,6
|
Р-10
|
2.2
Конструктивний розрахунки при сталому струмі
На даному етапі розрахунків ухвалюємо напругу живильної
мережі U=U1.
Магнітна
індукція в сердечнику (ВР, Тл) розраховується за формулою:
(2.1)
де
=
площа
сердечника (м2).(2.2)
Визначаємо
магнітну індукцію в якорі та ярмі (ВЯ, Тл) за формулою:
де
=24
-
площа якоря (мм2).
Визначаємо
напруженості поля перетину сердечника (LC, ) і якоря (LЯ,
) за формулами:
(2.3)
(2.4)
Визначаємо значення напруженості поля в якорі та ярмі (НЯ) і
в сердечнику (НС) електромагніту за кривою намагнічування (рисунок
2.2), відповідні до отриманих значень ВЯ й ВС.
Згідно з кривою намагнічування
Визначаємо
повну силу, що намагнічує (F, Н) за формулою:
(2.5)
Рисунок 2.2 - Крива намагнічування
Визначаємо
розміри котушки по заданих розмірах магнітопроводу.
Першим
кроком є визначення внутрішнього діаметра котушки (d1, м) за
формулою:
(2.6)
Зовнішній діаметр котушки d2 залежить від розміру вікна
магнітопроводу й обмежується в межах d2
d
3. Якщо ця умова не виконується, то значно зростають
потоки розсіювання. Таким чином:
(2.7)
Визначаємо
радіальний розмір котушки (В, м) за формулою:
Визначаємо
осьовий розмір котушки (h, м):
(2.9)
Обмотувальні
дані котушки. Визначаємо геометричний перетин котушки:
(2.10)
Так як фактично частина площа вікна магнітопроводу зайнята ізоляцією
проведення, то в розрахунки вводить так званий коефіцієнт заповнення
провідниками обмотки площі вікна електромагніту kзап.
(2.11)
де g - перетин проведення, (м2);
w - число витків котушки.
Для обмотувальних проводів круглого перетину коефіцієнт заповнення
обмотки змінюється залежно від діаметра проводу.
Обрана марка проводу - ПЭЛ.
Визначаємо
середню довжину витка котушки (LCР, м) за формулою:
(2.12)
Визначаємо
площу перетину обмотувального проводу (g, м) за формулою:
(2.13)
де ρ
- питомий електричний опір міді
для котушки в нагрітому стані, який визначається з наступного співвідношення:
(2.14)
=0.02485
де ρ0=0,0172 Ом·мм2/м;для t=75ºc - питомий опір міді;
α=0,004 - температурний коефіцієнт міді.
Після розрахунків перетину проводу необхідно вибрати марку й найближче
більше значення площі перетину й діаметра проводу у відповідності зі стандартом
на обмотувальні проводи (див. додаток Б).
Нагадаємо, що
(2.15)
(2.16)
де dпр - діаметр проводу.
Для обраної марки при відомому діаметрі проведення знаходимо відповідне
значення kзап=0.83.
Визначаємо
число витків котушки (w, шт) по формулі:
(2.17)
Визначаємо
електричний опір (r, Ом) за формулою:
(2.18)
Визначаємо
струм котушки (I, A):
(2.19)
Необхідну
силу, що намагнічує (F, H) для отриманого струму обчислюємо за формулою:
(2.20)
Визначаємо
фактичну щільність струму (j, А/м2) за формулою:
(2.21)
при цьому необхідно виконання умови:
(2.22)
.3 Конструктивний розрахунок при змінному струмі
На даному етапі розрахунків ухвалюємо напругу живильної мережі U=U2.
Визначаємо
магнітну індукцію (В, Тл) за формулою:
(2.23)
Визначаємо
магнітний потік (Ф, Вб):
(2.24)
Зробимо допущення: E
U,
тоді Е=4,44·f·ψ
або U=4,44·f, звідки
(2.25)
Звідси визначаємо потокозчеплення (ψ):
(2.26)
Визначаємо число витків котушки (w, шт):
(2.27)
Визначаємо
повну силу, що намагнічує (F, H) за формулою:
(2.28)
Визначаємо
струм котушки (I, A):
(2.29)
Визначаємо площу перетину обмотувального проводу (g, мм2):
(2.30)
виходячи з умови, що
Рекомендовано
обирати у відповідному діапазоні
Визначаємо
діаметр проводуза формулою 2.16 і вибираємо найближче більше значення перетину
(g, м2) у відповідності зі стандартом на обмотувальні проводи (див.
додаток Б).
Звідси згідно з додатком Б
Розраховуємо активний опір котушки (r, Ом):
(2.31)
Визначаємо
спадання напруги в активному опорі (Lr, В):
(2.32)
Для
обліку допущення у формулі 2.27 визначаємо виправлення на число витків (w, шт)
за формулою:
(2.33)
.4 Розрахунки добротності котушки
(2.34)
де ω0 - кутова частота, ω0=2·π·f0=
L - індуктивність котушки, яка розраховується за формулою:
(2.35)
rf - активний опір котушки струму високої частоти.
Для котушок, що працюють у частотах, що не перевищують 10МГц,
активний опір визначають за формулою:
(2.37)
де r - опір при
сталому струмі (розраховано за формулами2.18 і 2.31)пр - діаметр
проводу;- діаметр намотування проводу, яке розраховується за формулою:
(2.38)
=0.702- кількість
витків;- додатковий параметр, який розраховується як:
(2.39)
Z, GZ - коефіцієнти, які враховують
відповідно ефекти поверхневий і близькості й визначаються з таблиці 2.2 залежно
від додаткового параметра Z. k - допоміжний коефіцієнт, який визначають за
графіком (рисунок 2.3);- довжина проводу (див. додаток Б).
Таблиця
2.2
Таблиця значення коефіцієнтів FZ і GZ
|
Z
|
FZ
|
GZ
|
Z
|
FZ
|
GZ
|
|
0,1
|
1,000
|
5,22,1140,7902
|
|
|
|
Рисунок 2.3 - Графік значень допоміжного коефіцієнта k.
=8
Опір втрат, що внесені осердям до котушки, визначаються за
формулою:
(2.40)
де Н - напруженість магнітного поля в осерді (визначено по рисунку
2.2);
δС.Г, δС.Ч, δС.П
- коефіцієнти втрат осердя відповідно на гістерезис, вихровий струм і струм
післядії, які розраховуються за наступними формулами:
(2.41)
(2.42)
(2.43)
δГ=
,
δЧ
,
δП
-
коефіцієнти втрат, вибираються з таблиці 2.3;
Кμ =0.4-коефіцієнт використання магнітних
властивостейLCЕР - індуктивність котушки із осердям, яка
розраховується за формулою:
(2.44)
μД
- діюча магнітна проникність, яка визначається за формулою:
(2.45)
К =0.4 поправочний коефіцієнтμ=10 - початкова магнітна проникність матеріалу осердя,
вибирається з таблиці 2.3).
Таблиця
2.3
Електромагнітні параметри для осердь
|
Марка заліза
|
Початкова магнітна проникність, μ
|
Коефіцієнти втрат
|
|
|
δГ·106, М/А
|
δЧ·109, 1/Гц
|
δП·103, 1/Гц
|
|
Р-10
|
10…11
|
2,5…3,75
|
2…4
|
0,15…0,25
|
Таким чином, добротність котушки з урахуванням втрат у
осерді, розраховується за формулою:
(2.46)
.5 Розрахунки власної ємності котушки
Власну ємність одношарової котушки (З0, пФ) розраховують за
формулою:
(2.47)
де Dкат - діаметр котушки, у цьому випадку застосовується
зовнішній діаметр котушки, розрахований за формулою 2.7, тобто d2=Dкат;
τ
- крок намотування;пр
- діаметр проводу.
Відношення
беруть рівним коефіцієнту нещільності намотування α, який визначається залежно від діаметра проводу
з таблиці 2.4, тобто
Таблиця
2.4
Значення коефіцієнта нещільності намотування
|
Діаметр проводу, dпр, мм
|
0,08…0,11
|
0,15…0,25
|
0,35…0,41
|
0,51…0,93
|
більше 0,93
|
|
Коефіцієнт нещільності, α
|
1,3
|
1,25
|
1,2
|
1,11
|
1,05
|
РОЗРАХУНКОВО-ГРАФІЧНЕ ЗАВДАННЯ №3
Тема роботи: розрахунок трифазного силового трансформатора
Трансформатором називається статичний електромагнітний
пристрій, що має дві або більше число індуктивно зв'язаних обмоток і
призначений для перетворення за допомогою електромагнітної індукції в одну або
кілька систем змінного струму. За допомогою трансформаторів підвищують або знижують
вихідну напругу, змінюють число фаз, і в деяких випадках перетворюють частоту
струму.
У промисловості використовуються трансформатори різного
призначення в діапазоні потужностей від часток вольт-ампера(ВА) до 1 млн. кВА й
більше.
Основне ж призначення силових трансформаторів - перетворення
електромагнітної енергії в електричних мережах і установках, призначених для
приймання й використання електричної енергії. Силові трансформатори
підрозділяються на два види: загального й спеціального призначення.
.1 Вихідні дані
Вихідними даними до розрахунку силового трансформатора
зазвичай є наступні параметри: номінальна потужність трансформатора, SН,
кВА; номінальна напруга первинної обмотки, U1Н, кВ; номінальна
напруга вторинної обмотки, U2Н, кВ; напруга короткого замикання, UК,
%; втрати активної потужності в режимі холостого ходу, Р0, кВт;
втрати активної потужності в режимі короткого замикання, РК, кВт;
струм холостого ходу, I0, % ; γ=сosφ2; частота f=50Гц.
Таблиця
3.1
Вихідні дані щодо розрахунків
|
Варіант
|
SН, кВА
|
U1Н, кВ
|
U2Н, кВ
|
UК, %
|
Р0, кВт
|
РК, кВт
|
I0, %
|
γ=сosφ2
|
|
1
|
1000
|
35
|
6,3
|
6,5
|
2,75
|
12,2
|
1,5
|
0,8
|
3.2 Визначення параметрів схеми заміщення трансформатора в
режимі холостого ходу
Для первинної обмотки приймемо з’єднання за схемою «зірка»;
для вторинної обмотки приймемо з’єднання за схемою «трикутник».
Для визначення параметрів схеми заміщення трансформатора за
відповідними формулами розрахуємо:
а) номінальний струм трансформатора:
(3.1)
б) фазна напруга первинної обмотки:
при з’єднанні за схемою “зірка”:
(3.2)
при з’єднанні за схемою “трикутник”:
1Ф=U1H;
(3.3)
в) фазний струм холостого ходу трансформатора:
(3.4)
де I0 - струм холостого ходу, %;
г) потужність втрат холостого ходу на фазу:
(3.5)
де m - число фаз первинної обмотки трансформатора; у нашому випадку
приймаємо m=3.
д) повний опір областей намагнічування схеми заміщення трансформатора
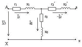
при холостому ході згідно зі схемою (рисунок 3.1):
(3.6)
Рисунок 3.1 - Схема заміщення трансформатора в режимі холостого ходу
е) активний опір областей намагнічування:
(3.7)
ж) реактивний опір областей намагнічування:
(3.8)
кОм)
з) коефіцієнт трансформації трансформатора:
(3.9)
де U2Ф=U2Н.
.3 Визначення параметрів схеми заміщення трансформатора в
режимі короткого замикання
При дослідженні короткого замикання вторинна обмотка
трансформатора повинна бути замкнена накоротко, а напруга, що підводиться до
первинної обмотки, підбирається таким чином, щоб струм обмотки трансформатора
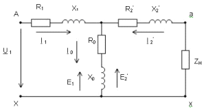
був рівний номінальному. Схему заміщення трансформатора в режимі короткого
замикання представлено на рис. 3.2.
Рисунок 3.2 - Схема заміщення трансформатора в режимі
короткого замикання
Тут сумарне значення активних опорів
позначають
rkі називають активним опором короткого замикання, а
індуктивним опором короткого замикання xk.
Для визначення параметрів схеми заміщення трансформатора за
відповідними формулами розрахуємо:
а) фазна напруга первинної обмотки:
(3.10)
б) фазна напруга короткого замикання:
(3.11)
де UK - напруга короткого замикання, %;
в) повний опір короткого замикання:
(3.12)
де IК - струм короткого замикання:
(3.13)
г) потужність короткого замикання:
(3.14)
д) активний опір короткого замикання:
(3.15)
е) індуктивний опір короткого замикання:
(3.16)
Звичайно обирають схему заміщення симетричну, враховуючи що:
(3.17)
(3.18)
(3.19)
(3.20)
де r1 - активний опір первинної обмотки трансформатора;1
- індуктивний опір первинної обмотки трансформатора, обумовлений магнітним
потоком розсіювання
;
-
наведений активний опір вторинної обмотки трансформатора;
-
наведений індуктивний опір вторинної обмотки трансформатора, обумовлений
магнітним потоком розсіювання
.
.4 Побудова векторної діаграми
При побудові векторної діаграми скористаємося Т - подібною схемою
заміщення (рисунок 3.3).
Рисунок 3.3 - Т-подібна схема заміщення
Векторна діаграма є графічним вираженням основних рівнянь наведеного
трансформатора:
(3.21)
Для побудови векторної діаграми трансформатора за
відповідними формулами визначимо:
1) номінальний фазний струм вторинної обмотки
трансформатора:
(3.22)
2) наведений вторинний струм:
(3.23)
3) наведена вторинна напруга фази обмотки:
(1.24)
4) кут магнітних втрат:
(3.25)
) кут
, який визначається за заданим значенням кута
шляхом графічної побудови;
) падіння напруги в активному опорі вторинної обмотки
, наведене до первинного ланцюга;
) падіння напруги в індуктивному опорі вторинної обмотки
, наведене до первинного ланцюга;
) падіння напруги в активному опорі первинної обмотки I1·r1;
) падіння напруги в індуктивному опорі первинної обмотки I1·x1;
) за струм
ухвалюють струм
,
за струм
ухвалюють струм
,
а за струм
ухвалюють струм
.
Перед побудовою діаграми слід вибрати масштаб струму mІ
і масштаб напруги mU.
Приймемо mІ=2А/мм; mU=0,2 кВ/мм.
При активному навантаженні φ2=0; при активно-індуктивному
навантаженні φ2=arccos(γ);
при активно-ємнісному
- φ2=- arccos(γ).
Таблиця
3.2
Результати розрахунків для побудови векторних діаграм
I2 A 

,
гр.
гр.
гр.I11
Ом
Омx1Омx2Ом
В
ВI1·r1
ВI1·x1
Побудова векторних діаграм.
В обраному масштабі струму mІ відкладаємо в довільному
напрямку вектор вторинного струму
.
Потім, під кутом
проводимо вектор напруги
( для активного навантаження вектор струму вторинної
обмотки збігається за фазою з вектором напруги на зажимах вторинної обмотки,
для активно-індуктивного навантаження вектор струму вторинної обмотки відстає
від вектора напруги на зажимах вторинної обмотки, для активно-ємнісного
навантаження вектор струму вторинної обмотки випереджає вектор напруги на зажимах
вторинної обмотки).
Масштаб mU виберемо так, щоб одержати вектор
довжиною 100…120 мм.
Щоб побудувати вектор ЕРС
згідно
з рівнянням
, необхідно скласти вектор
з векторами
й
.
Для цього з кінця вектора
будуємо вектор активного падіння напруги
паралельно
вектору вторинного струму
; з початку вектора
перпендикулярно до нього будуємо вектор індуктивного спадання напруги
. Вектор, що з'єднує крапку О с початком вектора
, буде вектором ЕРС
вторинної
обмотки. Цей вектор буде збігатися з вектором ЕРС первинної обмотки, тому що
.
Вектора ЕРС E1 і
,
індуковані у первинній і вторинній обмотках основним магнітним потоком
, відстають за фазою від вектора потоку на кут 900.
Під кутом
убік випередження вектора потоку
відкладаємо вектор струму холостого ходу I0.
Для того щоб перейти до векторної діаграми первинної обмотки, необхідно
визначити вектор первинного струму I1.
Згідно з рівнянням I1=I0+(-
) вектор струму I1 дорівнює геометричній
різниці векторів I0 і
.
Вектор первинної напруги U1 визначаємо з векторної діаграми.
Для цього необхідно побудувати вектор Е1, рівний за величиною й
зворотний за напрямком вектору Е1. З кінця вектора Е1,
згідно з рівнянням U1=-E1+I1·r1+j·I1·x1,
будуємо вектор I1·r1, паралельний вектору струму I1,
а з кінця вектора I1·r1 перпендикулярно до нього та
вектору I1 проводимо вектор I1·x1. Замикаючий
вектор й буде вектором первинної напруги U1.
3.5 Побудова кривої зміни ККД трансформатора залежно від
навантаження. При навантаженні коефіцієнт корисної дії трансформатора
визначають за формулою:
(3.26)
де SH - повна номінальна потужність трансформатора, кВ·А;0
- потужність втрат холостого ходу при номінальній напрузі, кВт
РК - потужність втрат короткого замикання, кВт.
ККД трансформатора розраховують для значень коефіцієнта навантаження kНГ,
рівному 0; 0,25; 0,50; 0,75; 1,25 від номінального вторинного струму I2H.
Значення
беруть із додатка.
За результатами розрахунків будують залежність
(рисунок 3.5). Максимальне значення коефіцієнт
корисної дії набуває за умови kНГ2·PK=P0.
Звідси коефіцієнт навантаження, який відповідає максимальному ККД,
визначається:
(3.27)
Рисунок 3.5 - Крива зміни ККД трансформатора залежно від
навантаження
За отриманим значенням kНГmax (із графіка, рисунок
3.5) визначаємо максимальне значення коефіцієнта корисної дії, ηmax.
3.6 Визначення зміни напруги трансформатора при навантаженні
При практичних розрахунках зміну вторинної напруги
трансформатора визначимо за формулою:
(3.28)
конденсатор трансформатор діод транзистор
де UК.А. - активна складова напруги короткого замикання при
номінальному струмі, яка визначається:
(3.29)
(3.30)
К.Р.
- реактивна складова напруги короткого замикання,
(3.31)
(3.32)
∆U'=U1Ф·∆U; (3.33)
∆U'' = U2Н ·∆U. (3.34)
.7 Визначення розмірів ізоляції
Згідно з потужністю, класу напруги й конструктивних
особливостей заданого трансформатора за ДСТ 1516.1 - 76 і ГОСТ 2069.0 075
вибираємо конструкцію й розміри основних ізоляційних проміжків головної
ізоляції обмоток.
Першим кроком необхідно визначити іспитові напруги для напруг
зовнішньої й внутрішньої обмоток: для заданого U2Ф іспитова напруга
обмотки UІСП2; для заданого U1Ф іспитова напруга обмотки
UІСП1.Вибираємо ізоляційні відстані зовнішньої й внутрішньої обмоток
з таблиці 3.3.
Таблиця
3.3
Знаходження іспитової напруги
|
Клас напруг
|
<1
|
3
|
6
|
10
|
15
|
20
|
35
|
110
|
150
|
220
|
350
|
500
|
|
Найбільша робоча напруга
|
1,5
|
3,6
|
7,2
|
12
|
17,5
|
24
|
40,5
|
126
|
172
|
252
|
363
|
525
|
|
Іспитова напруга
|
5
|
18
|
25
|
35
|
45
|
55
|
85
|
200
|
230
|
325
|
460
|
680
|
Далі на підставі отриманих іспитових напруг вибираємо розміри
зовнішньої й внутрішньої обмоток з таблиць 3.4 і 3.5 відповідно.
Таблиця
3.4
Головна ізоляція. Мінімальні ізоляційні відстані зовнішніх
обмоток
|
Потужність трансформатора SН, кВа
|
U исп для ВН, кВ
|
ВН від ярма
|
Між ВН і НН
|
Виступ циліндра lц2
|
Між ВН і НН
|
|
|
l02dшa12d12a22d22
|
|
|
|
|
|
|
|
10000 і вище
|
85
|
7,5
|
0,2
|
2,7
|
0,6
|
5
|
2
|
0,3
|
Таблиця
3.5
Головна ізоляція. Мінімальні ізоляційні відстані внутрішніх
обмоток
|
Потужність трансформатора SН, кВа
|
Uисп для НН, кВ
|
НН від ярма l01
|
НН від стрижня
|
|
|
|
d01
|
ац1
|
а01
|
lц1
|
|
|
1,5
|
|
|
|
|
|
|
Ухвалюється рівним по знайденій іспитовій напрузі ВН
|
|
|
|
|
|
|
|
|
|
|
|
|
|
|
|
|
|
|
|
|
|
|
|
|
|
|
|
|
|
|
|
|
|
|
|
|
|
|
|
|
Усі потужності
|
85
|
|
0,6
|
1,9
|
3
|
7
|
3.8 Визначення основних розмірів
Основними
розмірами трансформатора є:
- діаметр осердя d,
середній діаметр каналу між обмотками d12,
висота обмотки l.
Основні розміри зв'язані між собою коефіцієнтом b, що представляють собою
відношення середньої довжини окружності каналу між обмотками до висоти обмотки.
Величина b визначає співвідношення між шириною й висотою трансформатора, між вагою
сталі й міді, впливає на вартість трансформатора, а також на такі його технічні
характеристики, як втрати й струм холостого ходу, механічна міцність і
нагрівостійкість обмоток.
Вибір оптимального b. Для трансформатора за заданої
потужності з мідними обмотками й напругою зовнішньої обмотки обираємо
відповідно до рекомендацій b=(1,8…2,4).=2
Ширина наведеного каналу розсіювання визначається за
формулою:
(3.35)
де а12 - розмір каналу між обмотками, ізоляційний проміжок -
обираємоз таблиці 3.4.
(3.36)
де k=0,65 по заданим потужності й напруги зовнішнього намотування для
мідної обмотки.
Коефіцієнт приведення ідеального поля розсіювання до реального поля
(так званий коефіцієнт Роговського) є наближеним й ухвалюється за попереднім
розрахунком Кр»0,95.
Реактивна складова напруги короткого замикання, %, визначається за
формулою:
(3.37)
де Ua - активна складова напруги, яка обраховується за формулою:
(3.38)
Індукцію в осерді обираємо з діапазону Вс = (1,2…1,6) = 1.3
Тл, тому що даний діапазон є оптимальним для матеріалів магнітопроводу із сталі
різних марок.
Коефіцієнт заповнення активним перетином сталі площі кругу, описаного
близько перетину осердя, КC залежить від вибору числа щаблів у
перетині осердя, способу пресування осердя й розмірів охолоджувальних каналів,
товщини листів сталі й виду міжлистової ізоляції. Загальний коефіцієнт
заповнення визначається за формулою:
(3.39)
Коефіцієнт заповнення площі кругу з діаметром d площею східчастої
фігури ККР обирається по таблиці 3.6.
Таблиця
3.6
Число щаблів у перетині осердя, орієнтовний діаметр осердя,
коефіцієнт ККР
|
Показники
|
Пресування осердя розклиненням з обмоткою, перетин
осердя без каналів
|
|
Потужність трансформатора, кВА
|
до 16
|
16
|
25
|
40-100
|
160…630
|
|
Орієнтований діаметр осердя, dН, см
|
до 8
|
8
|
9
|
10-14
|
16-18
|
20
|
22
|
|
Без пластини, що пресує
|
Число щаблів
|
1
|
2
|
3
|
4
|
5
|
6
|
7
|
8
|
|
Коефіцієнт kКР
|
0,636
|
0,786
|
0,851
|
0,861
|
0,8
|
0,91-0,92
|
0,913
|
0,918
|
0,928
|
|
Із пластиною, що пресує
|
Число щаблів
|
-
|
-
|
-
|
-
|
-
|
-
|
-
|
7
|
8
|
|
Коефіцієнт kКР
|
-
|
-
|
-
|
-
|
-
|
-
|
-
|
0,884
|
0,901
|
|
Показники
|
Пресування осердя бандажами, має повздовжні канали
|
|
Потужність трансформатора, кВА
|
1000-1600
|
2500-6300
|
10000
|
16000
|
25000
|
32000-80000
|
|
Орієнтований діаметр осердя, dН, см
|
24-26
|
28-30
|
32-34
|
36-38
|
40-42
|
45-50
|
53-56
|
60-67
|
71-75
|
|
Без пластини, що пресує
|
Число щаблів
|
8
|
9
|
11
|
14
|
15
|
16
|
|
Коефіцієнт kКР
|
0,925
|
0,928
|
0,929
|
0,913
|
0,922
|
0,927
|
0,929
|
0,931
|
|
Із пластиною, що пресує
|
Число щаблів
|
7
|
8
|
10
|
13
|
14
|
15
|
|
Коефіцієнт kКР
|
0,9
|
0,9-0,91
|
0,912
|
0,89-0,9
|
0,907
|
0,912
|
0,914
|
0,918
|
0,92
|
Коефіцієнт заповнення осердя (або ярма) сталлю КЗ=0,97.
Діаметр осердя визначається за формулою:
(3.40)
Отриманий діаметр необхідно округлити до найближчого за нормалізованою
шкалою dН(таблиця 3.6).
Визначення bН:
(3.41)
Середній діаметр каналу між обмотками d12 у
попередньому розрахунках приблизно визначається за формулою:
(3.42)
Радіальний розмір обмотки (а1, м) визначається як:
(3.43)
де К1=1,1 для SН=(25…630)кВа; К1=1,5
для SН понад 630 кВа.
Висота обмотки визначається за формулою:
(3.44)
Активний перетин осердя визначається як:
(3.45)
де ПФС визначається по таблиці 3.7.
Таблиця
3.7
Площі перетину осердя ПФС і ярма ПФЯ
|
Діаметр осердя, см
|
Перетин осердя ПФС, см2
|
Перетин ярма ПФЯ, см2
|
Діаметр осердя, см
|
Перетин осердяПФС, см2
|
Перетин ярма ПФЯ, см2
|
|
8
|
43,3
|
44,8
|
34
|
844,8
|
860,8
|
|
9
|
56,7
|
58,2
|
36
|
929,2
|
944,8
|
|
10
|
72
|
73,2
|
38
|
1035,8
|
1063,4
|
|
11
|
86,2
|
89,7
|
40
|
1155,6
|
1167,6
|
|
12,5
|
112,3
|
115,3
|
42
|
1282,9
|
1315
|
|
14
|
141,5
|
144
|
45
|
1479,2
|
1500,2
|
|
16
|
183,5
|
188,3
|
48
|
1688,9
|
1718,7
|
|
18
|
232,8
|
237,6
|
50
|
1816,4
|
183,9
|
|
20
|
288,4
|
296,2
|
53
|
2044,8
|
2077,8
|
|
22
|
353
|
360,5
|
56
|
2286,2
|
2316,7
|
|
24
|
419,3
|
425,6
|
60
|
2639,4
|
2690,9
|
|
26
|
490,6
|
507,1
|
63
|
2892,5
|
2958,3
|
|
28
|
570,9
|
591,1
|
67
|
3273,3
|
3357,7
|
|
30
|
657,2
|
675,2
|
71
|
3688
|
3797,8
|
|
32
|
746,2
|
762,4
|
75
|
4115,7
|
4251,8
|
Електрорушійна сила одного витка визначається за формулою:
(3.46)
.9 Розрахунки внутрішніх обмоток
Найбільш вживаними в якості обмотки є циліндричні обмотки із
прямокутного проводу. (Число шарів (2+4)).
Середня щільність струму, визначається заданими втратами:
(3.47)
де k=0,746 для мідних обмоток; kg=0,96.
Орієнтовний перетин витка визначається як:
(3.48)
Число витків на одну фазу визначається за формулою:
(3.49)
Уточнення ЕРС одного витка:
(3.50)
Уточнення індукції в осерді:
(3.51)
Число витків в одному шарі:
(3.52)
Орієнтовний осьовий розмір витка:
(3.53)
де l - висота обмотки.
Визначаємо орієнтовний радіальний розмір проводів за формулою:
(3.54)
Підбираємо провід перетином
і
висотою
(див. додаток В), тоді 
.
Якщо такого проводу в асортименті немає, то в такому випадку розбиваємо перетин
витка на паралельні проводи. У такому випадку приймаємо число паралельних
проводів nв1=2. Визначаємо розміри паралельних проводів за
формулами:
(3.55)
(3.56)
Обираємо провід марки ПБ
і
відповідно, щоб у сумі вийшло
намотуванням плиском з розмірами:
(3.57)
Розрахункова товщина ізоляції на дві сторони 2·dвизначається з додатка В. Повний перетин витка із двох
паралельних проводів визначається як:
(3.58)
де
- перетин обраного проводу.
Осьовий розмір витка:
(3.59)
Уточнюємо щільність струму:
(3.60)
Осьовий розмір обмотки:
(3.61)
Радіальний розмір обмотки:
(3.62)
де а11 - радіальний розмір каналу між шарами, а11=5
мм.
Щільність теплового потоку на поверхні обмотки визначається за
формулами для двох випадків:
а) при наявності охолодного каналу між шарами:
(3.63)
де для мідних обмоток k=15. Отримане значення q1 повинне
бути £(1200-1400) Вт/м2.
б) обмотка без охолодного каналу:
(3.64)
Внутрішній діаметр обмотки:
(3.65)
Зовнішній діаметр обмотки:
(3.66)
Середній діаметр обмотки:
(3.67)
де а1- радіальний розмір обмотки.
Маса металу обмотки:
(3.68)
де k=84 - для мідного проводу.
Основні втрати визначаються за формулою:
(3.69)
3.10 Розрахунки зовнішніх обмоток
Число витків при номінальній напрузі:
(3.70)
Число витків на одному щаблі регулювання:
(3.71)
де DUФ= 5%.
Щільність струму в обмотці:
(3.72)
Перетин витка обмотки:
(3.73)
Найбільш застосовними в якості обмотки є циліндричні обмотки із
круглого проводу.
За перетином
й асортиментом обмотувального проводу підбирається
провід підходящого перетину. Ухвалюємо круглий провід марки ПБ із товщиною
ізоляції на дві сторони 2·d=0,4мм.
Розміри проводу визначаємо як:
(3.74)
Якщо такого проводу за асортиментом немає, то в такому випадку
розбиваємо перетин витка на паралельні проводи. У такому випадку ухвалюємо
число паралельних проводів nв1=2. Визначаємо розміри паралельних
проводів за формулами 3.55 і 3.56.
Ухвалюємо провід марки ПБ
і
відповідно, щоб у сумі вийшло
намотуванням плиском з розмірами, обумовлені за
формулою 3.57, тоді

Повний перетин витка:
(3.75)
Уточнюємо щільність струму:
(3.76)
Число витків в одному шарі:
(3.77)
де l2=l1.
Число шарів в обмотці:
(3.78)
Робоча напруга двох шарів:
(3.79)
За розрахованою Uмсл по таблиці 3.8 вибирається число шарів
і загальна товщина dмсл кабельного паперу в ізоляції між двома шарами
обмотки.
Таблиця
3.8
Номінальна міжшарова ізоляція в багатошарових циліндричних
обмотках
|
Сумарна робоча напруга двох шарів, В
|
Число шарів кабельного паперу на товщину листів,
тобто ai×bi, dмсл, см
|
Виступ міжшарової ізоляції на торцях обмотки (на
одну сторону), см
|
|
до 1000
|
2×0,12
|
1
|
|
від 1001 до 2000
|
3×0,12
|
1,6
|
|
від 2001 до 3000
|
4×0,12
|
1,6
|
|
від 3001 до 3500
|
5×0,12
|
1,6
|
|
від 3501 до 4000
|
6×0,12
|
2,2
|
|
від 4001 до 4500
|
7×0,12
|
2,2
|
|
від 4501 до 5000
|
8×0,12
|
2,2
|
|
понад 5000
|
2,2
|
Радіальний розмір обмотки. У більшості випадків за умовами охолодження
обмотка кожного осердя виконується у вигляді двох концентричних котушок з
осьовим масляним каналом між ними. Число шарів внутрішньої котушки при цьому
повинне становити не більш 1/3-2/5 від загального числа шарів обмотки. У
випадку застосування цього типу обмотки на стороні число шарів внутрішньої й
зовнішньої котушок робляться рівними. Мінімальна ширина масляного каналу між
котушками
- перша цифра в dмсл,
тобто ai. Число шарів в | котушці - 7. Число шарів в || котушці -
13.
Радіальний розмір обмотки, що полягає із двох котушок без екрана
визначається як:
(3.80)
При наявності екрана радіальний розмір обмотки:
(3.81)
Зовнішній діаметр обмотки:
(3.82)
Внутрішній діаметр обмотки:
(3.83)
Зовнішній діаметр:
без екрана:
(3.84)
з екраном:
(3.85)
Середній діаметр обмотки:
(3.86)
Поверхня охолодження:
(3.87)
Щільність теплового потоку і:
(3.88)
Маса обмотки визначається за формулою:
(3.89)
де k=84 - для мідного проводу.
Середній діаметр між обмотками:
(3.90)
Основні втрати визначаються за формулою:
(3.91)
.11Тепловий розрахунки трансформатора
Внутрішній перепад температури у внутрішній обмотці:
(3.92)
де ( - товщина ізоляції проведення на одну сторону;
-
теплопровідність паперової, просоченої маслом, ізоляції проведення;
Внутрішній перепад температури в зовнішній обмотці:
(3.93)
де р2 втрати в одиниці об'єму, які визначаються по формулі:
(3.94)
Середня теплопровідність обмотки визначається по формулі:
Середня умовна теплопровідність визначається по формулі:
(3.95)
де
(3.96)
Перепад температури на поверхні обмоток розраховується в такий спосіб:
внутрішня обмотка:
(3.97)
де k=0,285;
(3.98)Д=(1…1,1)
- коефіцієнт додаткових втрат;
зовнішня обмотка:
(3.99)
(3.100)
Перевищення середньої температури обмоток над температурою масла в
зовнішній і внутрішньої обмотках розраховується в такий спосіб:
внутрішня обмотка:
(3.101)
зовнішня обмотка:
(3.102)
Контрольні питання
. Який пристрій називається трансформатором?
. Які існують види трансформаторів? Коротко охарактеризуйте їх.
. Які основні частини конструкції трансформатора? Коротко опишіть їх.
. Поясніть базові принципи дії трансформатора.
. Який трансформатор називається ідеальним? Наведіть рівняння
ідеального трансформатора.
. В яких галузях застосовуються трансформатори? Які основні призначення
трансформаторів в тій чи іншій галузі?
. Проведіть огляд теорії трансформаторів.
. Які перенапруги бувають у трансформаторах? У чому полягає здатність
трансформатора витримувати перенапруги?
РОЗРАХУНКОВО-ГРАФІЧНЕ ЗАВДАННЯ №4
Тема роботи: Розрахунки параметрів і характеристик випрямного діода
Напівпровідниковим діодом називають нелінійний електронний
прилад із двома виводами. Залежно від внутрішньої структури, типу, кількості,
рівня легування внутрішніх елементів діода характеристики напівпровідникових
діодів бувають різними. Основу випрямного діода становить звичайний
електронно-дірковий перехід. Вольтамперна (ВАХ) характеристика такого діода має
яскраво виражену нелінійність. У прямому зсуві струм діода інжекційний, великий
по величині і являє собою дифузійний компонент струму основних носіїв. При
зворотному зсуві струм діода маленький по величині і являє собою дрейфовий
компонент струму неосновних носіїв. У стані рівноваги сумарний струм,
обумовлений дифузійними й дрейфовими струмами електронів і дірок, дорівнює нулю.
4.1 Вихідні дані
Розрахунки параметрів і характеристик діода виконуємо в
припущенні, що діод є кремнієвим і має кусково-однорідну структуру типу p+-n.
Вихідні дані для розрахунків: геометрія кристала -
паралелепіпед із квадратною підставою, А, см; товщина пластини, h, мкм; товщина
бази, wб, мкм; концентрація примісних
атомів у вихідному кристалі, Nб, см-3; концентрація
примісних атомів в емітерній області, Nэ, см-3; час життя
нерівновагих носіїв у вихідному кремнії tб, мкс; тепловий опір корпуса діода, RТ,
К/Вт; температура Т=300 К; крок зміни температури, ΔТ, К (таблиця 4.1).
Таблиця
4.1
Вихідні дані щодо розрахунків
|
Варіант
|
А, см
|
h, мкм
|
wб, мкм
|
Nб, см-3
|
Nэ, см-3
|
tб, мкс
|
ΔТ, К
|
RТ, К/Вт
|
|
1
|
1
|
300
|
280
|
1014
|
1018
|
10
|
10
|
1,5
|
|
2
|
0,89
|
320
|
300
|
0,98·1014
|
0,84·1018
|
9,6
|
8
|
1,47
|
|
3
|
0,96
|
260
|
240
|
0,95·1014
|
1,06·1018
|
9,32
|
6
|
1,44
|
|
4
|
0,84
|
280
|
260
|
0,92·1014
|
1,03·1018
|
9,45
|
4
|
1,48
|
|
5
|
0,92
|
330
|
310
|
1,02·1014
|
0,91·1018
|
9,87
|
12
|
1,52
|
|
6
|
0,87
|
250
|
230
|
1,06·1014
|
0,88·1018
|
9,52
|
15
|
1,56
|
|
7
|
1,04
|
240
|
220
|
0,88·1014
|
0,9·1018
|
9,44
|
10
|
1,39
|
|
8
|
1,07
|
255
|
235
|
1,03·1014
|
0,82·1018
|
9,61
|
8
|
1,34
|
|
9
|
0,85
|
275
|
255
|
0,84·1014
|
1,09·1018
|
9,93
|
6
|
1,41
|
|
10
|
0,88
|
305
|
285
|
0,91·1014
|
1,07·1018
|
9,82
|
4
|
1,51
|
|
11
|
0,94
|
295
|
275
|
0,99·1014
|
1,02·1018
|
10,32
|
12
|
1,58
|
|
12
|
1,02
|
270
|
240
|
1,03·1014
|
0,82·1018
|
10,21
|
15
|
1,62
|
|
13
|
0,86
|
340
|
320
|
1,02·1014
|
0,85·1018
|
9,77
|
10
|
1,35
|
|
14
|
0,9
|
245
|
225
|
0,87·1014
|
1,03·1018
|
9,89
|
8
|
1,33
|
|
15
|
0,93
|
290
|
270
|
0,96·1014
|
1,02·1018
|
10,17
|
6
|
1,4
|
|
16
|
1,01
|
350
|
330
|
0,98·1014
|
0,91·1018
|
9,63
|
4
|
1,43
|
|
17
|
1,06
|
310
|
290
|
1,01·1014
|
0,87·1018
|
9,96
|
12
|
1,65
|
|
18
|
0,97
|
315
|
295
|
1,04·1014
|
0,99·1018
|
10,06
|
15
|
1,61
|
|
19
|
0,99
|
265
|
245
|
0,97·1014
|
0,95·1018
|
10,11
|
10
|
1,39
|
|
20
|
1,05
|
335
|
315
|
1,07·1014
|
0,8·1018
|
9,66
|
8
|
1,35
|
|
21
|
0,85
|
285
|
265
|
1,09·1014
|
0,79·1018
|
9,75
|
6
|
1,48
|
|
22
|
0,8
|
235
|
215
|
0,82·1014
|
1,04·1018
|
9,58
|
4
|
1,45
|
|
23
|
0,83
|
220
|
200
|
0,9·1014
|
0,94·1018
|
9,49
|
12
|
1,55
|
|
24
|
1,08
|
345
|
325
|
0,93·1014
|
1,01·1018
|
9,53
|
15
|
1,67
|
|
25
|
0,95
|
320
|
300
|
0,86·1014
|
1,06·1018
|
10,18
|
10
|
1,59
|
.2 Модель випрямного діода
Найпоширеніша в теорії електричних кіл модель
напівпровідникового діода, що досить повно враховує особливості його нелінійної
вольт-амперної характеристики, - модернізована модель Еберса-Молла (рисунок
4.1). Дана модель включає бар'єрну й дифузійну ємності діода (Сб, Сд),
струм p-n-переходу (Ip-n), опір бази діода (Rб) і опір витоку (Rу).
Рисунок 4.1 Модель Еберса-Молла напівпровідникового діода
Тепловий потенціал (φT, В) визначається з наступного
співвідношення:
(4.1)
де k - постійна Больцмана;- абсолютна температура в кельвінах;- заряд
електрона.
Коефіцієнт дифузії дірок у базі (Dpб, см2/с)
визначається в такий спосіб:
(4.2)
де
- рухливість дірок, яка визначається по рисунку
4.1,б.
Рисунок 4.2 - Залежність рухливості електронів і дірок від концентрації
домішки кремнію при температурі Т=300К
Тепловий струм діода (Iдо, А) визначається з наступного
вираження:
(4.3)
де ni - концентрація власних носіїв у напівпровіднику;n- площа p-n
переходу.
Різниця потенціалів φК у переході, обумовлену градієнтом
концентрації носіїв заряду, називають контактною різницею потенціалів і
визначають у такий спосіб:
(4.4)
Бар'єрна (зарядна) ємність обумовлена некомпенсованим
об'ємним зарядом, зосередженим по обидві сторони від границі р-n переходу й
дорівнює відношенню збільшення заряду на р-n перехід до його збільшення, що
викликало, напруги. У загальному випадку бар'єрна ємність визначається в такий
спосіб:
(4.5)
де ε
- відносна діелектрична
проникність матеріалу напівпровідника;
ε0
- діелектрична постійна вільного простору.
Опір бази діода Rб, Ом:
(4.6)
де ρб - питомий опір бази діода,
визначаємо по рисунку4.3.
Рисунок 4.3 - Залежність питомого опору германія й кремнію
від концентрації домішки при температурі Т=300 К
.3 Розрахунки параметрів і характеристик діода
Напруга проколу (Uпрок, В) визначається по
формулі:
(4.7)
Напруга лавинного пробою (UЛ, В) визначається по формулі:
(4.8)
Робоча зворотна напруга (Uобр, В) визначається по формулі:
(4.9)
де kзап - коефіцієнт запасу, kзап=(0,67…0,78);min
- мінімальне значення напруги при порівнянні напруг проколу й лавинного пробою.
Товщина збідненого шару (l, см) визначається по формулі:
(4.10)
Генераційний струм переходу (IГ, А) визначається по формулі:
(4.11)
Коефіцієнт лавинного множення М визначається по формулі:
(4.12)
де n - емпірична константа, для кремнію n=5.
Зворотний струм діода (Iобр, А) визначається по формулі:
(4.13)
Дифузійна довжина нерівновагих носіїв (Lб, cм) визначається
по формулі:
Знаходимо b і
:
(4.15)
(4.16)
По графіках (рисунок 4.2, а, б) визначаємо рухливості електронів і
дірок: μn і μpвідповідно.
Максимальний прямий струм діода й максимальне пряме спадання
напруги знаходять із умови рівності потужності, що виділяється при протіканні
струму через діод, і теплової потужності, що віддається в навколишнє
середовище: Рэл=Ртепл.
Електрична потужність, що виділяється при протіканні струму
описується залежністю: Рэл=Iд·Uд(I).
Теплова потужність, що віддається в навколишнє середовище,
визначається перепадом температур між p-n переходом і зовнішньою поверхнею
корпуса й тепловим опором корпуса діода (ТК=Т=300К):
.
Температуру p-n переходу ухвалюємо з діапазону від Т+ΔT
до T+7ΔT.
Рівність величин Рэл і Ртеплдає
рівняння
(4.17)
Визначаємо теплову потужність (Ртепл, Вт):
(4.18)
Вольтамперная характеристика (ВАХ) діода описується наступним
співвідношенням:
(4.19)
де σ - поправочний коефіцієнт σ=2
для кремнієвих
р-n переходів.
Застосувавши дану залежність, будуємо ВАХ діода (рисунок 4.4). За
графіком знаходимо добуток
, тобто визначаємо крапку з координатами I (Imax);
U (Umax), якої буде відповідати значення розрахованої теплової
потужності Ртепл.
Рисунок 4.4 - Загальний вид вольтамперної характеристики p-n
переходу
Спадання напруги діода для струму I:
(4.20)
Знаходимо In, A:
(4.21)
Визначаємо коефіцієнт k:
(4.22)
Залежність Rб(I) описується співвідношенням, Ом:
(4.23)
Максимальна щільність струму p-n переходу (
, мА/см2) визначається по формулі:
(4.24)
Пряма галузі ВАХ діода визначається за допомогою співвідношення:
(4.25)
де
(4.26)
(4.27)
(4.28)
Будуємо графік залежності Uд=f(Iд) для
прямої напруги на діоді, загальний вид якого представлено на рисунку 4.5, при
побудові якого треба враховувати діапазон зміни струму Iду межах від
нуля до Imax (який визначили вже раніше за графіком ВАХ p-n переходу
діода) і діапазон зміна напруги Uду межах від нуля до U (яке
визначили вже раніше за графіком ВАХ p-n переходу діода).
Рисунок 4.5 - Графік залежності Uд=f(Iд)
для прямої напруги на діоді
Зворотну галузі ВАХ розрахуємо за допомогою співвідношення:
(4.29)
де
(4.30)
(4.31)
(4.32)
Рисунок 4.6 - Графік зворотної галузей ВАХ діода Iобр=f(Uобр)
Залежність IГ=f(Uобр) описується
формулою й представлено на рисунку 4.7:
(4.33)
Рисунок 4.7 - Графік залежності IГ=f(Uобр)
Залежність коефіцієнта лавинного множення від зворотної
напруги на діоді описується формулою:
(4.34)
Загальний вид даної залежності представлено на рисунку 4.8.
Рисунок 4.8 - Графік залежності М=f(Uобр)
Залежність теплового струму діода від зміни температури I0д=f(T)
представлено на рисунку 4.9 і описується формулою:
(4.35)
де I0д(T0) - тепловий струм діода при температурі
Т=300К (визначено по формулі 4.3); α=0,16 К-1 для кремнію.
Таблиця
4.2
Залежність I0д=f(T)
|
T, K
|
T+ΔT
|
T+2ΔT
|
T+3ΔT
|
T+4ΔT
|
T+5ΔT
|
T+6ΔT
|
T+7ΔT
|
|
I0д, A
|
I0д1
|
I0д2
|
I0д3
|
I0д4
|
I0д5
|
I0д6
|
I0д7
|
Рисунок 4.9 - Графік залежності I0д=f(T)
Температурну залежність зворотного струму розраховуємо по
формулі:
(4.36)
обр(Т0)
- зворотний струм діода при температурі Т=300К (визначено по формулі 3.13); де
Т*=10К.
Таблиця
4.3
Залежність Iобр=f(T)
|
T, KT+ΔTT+2ΔTT+3ΔTT+4ΔTT+5ΔTT+6ΔTT+7ΔT
|
|
|
|
|
|
|
|
|
Iобр, A
|
Iобр1
|
Iобр2
|
Iобр3
|
Iобр4
|
Iобр5
|
Iобр6
|
Iобр7
|
Рисунок 4.10 - Графік залежності Iобр=f(T)
Контрольні питання
. Що називається напівпровідниковим діодом? Класифікація
напівпровідникових діодів.
. Перелічите основні характеристики й параметри напівпровідникових
діодів.
. Охарактеризуйте вольтамперну характеристику
напівпровідникових діодів.
. Перелічите основні типи напівпровідникових діодів і коротко
охарактеризуйте їх.
. Що таке бар'єрна й дифузійна ємності діода? Як вони
визначаються.
. Що таке пробій діода? Внаслідок чого він виникає?
Охарактеризуйте основні види пробоїв.
РОЗРАХУНКОВО-ГРАФІЧНЕ ЗАВДАННЯ №5
Тема роботи: Розрахунки параметрів і характеристик
біполярного транзистора
Біполярним транзистором називається електроперетворювальний
напівпровідниковий прилад, що має у своїй структурі два взаємодіючі
p-n-переходу й три зовнішні виводи, і призначений, зокрема, для посилення
електричних сигналів.
.1 Вихідні дані
Розрахунки параметрів і характеристик біполярного транзистора
базується на застосуванні передатної моделі Еберса-Молла, яка може уточнюватися
(вплив об'ємних опорів, генераційно-рекомбінаційних струмів переходів, ефект
Ерлі і т.д.).
Основними вхідними параметрами для розрахунків є: заряд
електрона, q=1,6·10-19Кл; концентрація, при температурі Т=300К, ni·1010,
см-3; площа p-n переходу, А·10-6, см2;
коефіцієнт дифузії електронів в колекторній області, Дnк, см2/с;
коефіцієнт дифузії дірок в базовій області, Дрб, см2/с;
дифузійна довжина електрона, Ln·10-4, м; температурний
потенціал при температурі Т=300К, UТ, мВ; донорна концентрація в
базовій області, Nдб·1016, см-3; акцепторна
концентрація в коллкторній області, Nак·1017, см-3;
акцепторна концентрація в емітерній області, NаЭ·1017, см-3;
ширина емітерної області, WЭ, мм; ширина базової області, WБ,
мм; ширина колекторної області, WК, мм; Х, мм; час життя носіїв
заряду, τр·10-9, с.
Таблиця
5.1
Вихідні дані щодо розрахунків
|
Вар.
|
ni
|
А
|
Дnк
|
Дрб
|
Ln
|
UТ
|
Nдб
|
Nак
|
NаЭ
|
WЭ
|
WБ
|
WК
|
Х
|
τр
|
|
1
|
1,5
|
1
|
34
|
13
|
4,1
|
25,8
|
1,1
|
3
|
3
|
3
|
4,9
|
5,1
|
10
|
1
|
|
2
|
1,6
|
0,85
|
32
|
12
|
3,8
|
24,5
|
0,8
|
2,6
|
2,6
|
2,8
|
4,4
|
4,7
|
9
|
0,84
|
|
3
|
1,75
|
1,2
|
36
|
16
|
4,6
|
28,1
|
1,4
|
3,2
|
3,2
|
4
|
5,2
|
6
|
14
|
1,21
|
|
4
|
0,85
|
0,74
|
24
|
8
|
2,8
|
18,8
|
0,6
|
1,4
|
1,4
|
1,6
|
2,8
|
3,4
|
6
|
0,89
|
|
5
|
1,24
|
0,91
|
30
|
11
|
3
|
20,3
|
0,96
|
2,8
|
2,8
|
3,2
|
3,8
|
4,1
|
8
|
0,92
|
|
6
|
1,43
|
0,97
|
31
|
12
|
3,6
|
22,6
|
1,03
|
2,84
|
2,84
|
2,96
|
3,47
|
4
|
8
|
0,95
|
|
7
|
1,33
|
0,94
|
29
|
11
|
3,7
|
24,4
|
1,05
|
2,88
|
2,88
|
3,11
|
3,68
|
4,5
|
9
|
0,86
|
|
8
|
1,39
|
0,96
|
30
|
12
|
3,8
|
24,1
|
1,07
|
2,93
|
2,93
|
3,22
|
3,94
|
4,71
|
10
|
1,03
|
|
9
|
1,23
|
0,82
|
28
|
11
|
3,3
|
20,7
|
1,02
|
2,65
|
2,65
|
3,37
|
3,87
|
4,63
|
9
|
1,08
|
|
10
|
1,44
|
1,03
|
33
|
12
|
3,2
|
22,4
|
1,09
|
2,9
|
2,9
|
3,5
|
4,05
|
4,88
|
10
|
1,01
|
|
11
|
1,32
|
1,05
|
34
|
13
|
4,07
|
23,6
|
1,12
|
3,06
|
3,06
|
3,2
|
4,1
|
5
|
8
|
0,85
|
|
12
|
1,52
|
0,93
|
29
|
11
|
2,98
|
24,2
|
0,92
|
2,73
|
2,73
|
3,6
|
4,43
|
5,21
|
10
|
0,93
|
|
13
|
1,41
|
0,92
|
26
|
10
|
2,77
|
23,1
|
0,79
|
2,48
|
2,48
|
2,93
|
3,48
|
4,06
|
8
|
0,96
|
|
14
|
1,29
|
0,88
|
28
|
10
|
2,83
|
21,9
|
0,81
|
2,54
|
2,54
|
3,06
|
3,61
|
4,11
|
8
|
0,81
|
|
15
|
1,31
|
0,8
|
24
|
6
|
2,32
|
22,5
|
0,72
|
2,12
|
2,33
|
2,33
|
2,81
|
3,63
|
9
|
0,79
|
|
16
|
1,23
|
0,9
|
12
|
3,84
|
23,3
|
0,99
|
2,91
|
2,91
|
3,64
|
4,42
|
4,98
|
9
|
0,94
|
|
17
|
1,3
|
1,01
|
30
|
11
|
3,79
|
20,9
|
0,96
|
2,86
|
2,86
|
3,59
|
4,23
|
5
|
9
|
0,99
|
|
18
|
1,54
|
1,03
|
32
|
12
|
3,88
|
21,6
|
1,04
|
2,98
|
2,98
|
3,67
|
4,19
|
4,96
|
8
|
1,04
|
|
19
|
1,27
|
0,96
|
34
|
13
|
4,06
|
24,7
|
1,08
|
3,04
|
3,04
|
3,87
|
4,71
|
5,23
|
10
|
0,87
|
|
20
|
1,35
|
0,89
|
26
|
10
|
2,71
|
25,2
|
0,95
|
2,93
|
2,93
|
3,64
|
4,28
|
4,79
|
7
|
0,8
|
|
21
|
1,42
|
0,81
|
22
|
5
|
2,21
|
23,8
|
0,68
|
1,97
|
1,97
|
2,56
|
3,22
|
3,96
|
7
|
0,92
|
|
22
|
1,48
|
0,85
|
32
|
12
|
3,9
|
24,4
|
1,05
|
2,87
|
2,87
|
3,74
|
4,15
|
5,03
|
9
|
0,9
|
|
23
|
1,29
|
1,02
|
36
|
14
|
4,21
|
22,9
|
1,15
|
3,51
|
3,51
|
4,32
|
5,12
|
5,86
|
10
|
1,06
|
|
24
|
1,2
|
1,09
|
28
|
11
|
3,25
|
20,5
|
0,94
|
2,92
|
3,64
|
4,27
|
4,82
|
5,35
|
8
|
1,02
|
|
25
|
1,14
|
0,87
|
27
|
10
|
2,83
|
21,1
|
0,89
|
2,83
|
2,83
|
3,44
|
4,11
|
4,78
|
7
|
0,78
|
5.2 Розрахунки вхідної й вихідної характеристики транзистора
з використанням моделі Молла - Еберса
Вихідна характеристика транзистора описується наступною
залежністю:
(5.1)
де UK - напруга на колекторі;Э - напруга на
емітері;K - струм, що протікає через колектор.
Знаходимо значення IК при певному значенні UЭ й UК,
потім, міняючи UЭ, при тих же значеннях UК знаходимо
значення струму.
Рекомендовані значення напруг UЭ й UК:
Э
= 0; 0,005; 0,01; 0,015; 0,02В;К = 0; 0,01; 0,05; 0,1; 1; 1,5; 2; 3;
4; 5В.
Таблиця
5.2
Значення IК при різних значеннях UЭ
|
UК
|
IК при UЭ=0
|
IК при UЭ =0,005В
|
IК при UЭ=0,01В
|
IК при UЭ=0,015В
|
IК при UЭ=0,02В
|
|
0
|
0
|
0
|
0
|
0
|
0
|
|
0,01
|
IК11
|
IК21
|
IК31
|
IК41
|
IК51
|
|
0,05
|
IК12
|
IК22
|
IК32
|
IК42
|
IК52
|
|
0,1
|
IК13
|
IК23
|
IК33
|
IК43
|
IК53
|
|
1
|
IК14
|
IК24
|
IК34
|
IК44
|
IК54
|
|
1,5
|
IК15
|
IК25
|
IК35
|
IК45
|
IК55
|
|
2
|
IК16
|
IК26
|
IК36
|
IК46
|
IК56
|
|
3
|
IК17
|
IК27
|
IК37
|
IК47
|
IК57
|
|
4
|
IК18
|
IК28
|
IК38
|
IК48
|
IК58
|
|
5
|
IК19
|
IК29
|
IК39
|
IК49
|
IК59
|
За отриманим даними побудуємо графік залежності представлений
на рисунку 5.1.
Рисунок 5.1 - Вихідна характеристика транзистора
Вхідна характеристика транзистора описується наступною
залежністю:
(5.2)
Знаходимо значення IЭ при певному значенні UК і UЭ,
потім, міняючи UК, при тих же значеннях UЭ знаходимо
значення струму.
Рекомендовані значення напруг UЭ й UК:
Э=
0; 0,01; 0,02; 0,03; 0,04; 0,05; 0,06; 0,07; 0,08; 0,09В;К= 0; -¥; 0,03В.
Таблиця
5.3
Значення IЭ при різних значеннях UК
|
UЭ
|
IЭ при UК=0
|
IЭ при UК= -¥
|
IЭ при UК=0,03В
|
|
0
|
IЭ10
|
IЭ20
|
IЭ30
|
|
0,01
|
IЭ11
|
IЭ21
|
IЭ31
|
|
0,02
|
IЭ12
|
IЭ22
|
IЭ32
|
|
0,03
|
IЭ13
|
IЭ23
|
IЭ33
|
|
0,04
|
IЭ14
|
IЭ24
|
IЭ34
|
|
0,05
|
IЭ15
|
IЭ25
|
IЭ35
|
|
0,06
|
IЭ16
|
IЭ26
|
IЭ36
|
|
0,07
|
IЭ17
|
IЭ27
|
IЭ37
|
|
0,08
|
IЭ18
|
IЭ28
|
IЭ38
|
|
0,09
|
IЭ19
|
IЭ29
|
IЭ39
|
Для побудови вхідної характеристики потрібні значення струму
бази, який визначається з наступного співвідношення:
Б = -(IЭ + IК). (5.3)
За значеннями струмів і напруг побудуємо залежність струму
бази IБ від напруги UБ представлену на рисунку 5.2.
Рисунок 5.2 - Вхідна характеристика транзистора
5.3
Розрахунки концентрації не основних носіїв
В емітерній області концентрація не основних носіїв заряду
описується наступним виразом:
(5.4)
де напругу на емітері приймаємо UЭ =(0,002…0,005)B.
(5.5)
По формулі 5.4 будуємо графік розподілу концентрації від
координат в емітерній області, який представлено на рисунку 5.3.
Рисунок 5.3 - Графік розподілу концентрації від координат в
емітерній області
У базовій області концентрація не основних носіїв заряду
описується наступним виразом:
(5.5)
(5.6)
(5.7)
Для розрахунків ухвалюємо значення напруг на емітері й колекторі UЭ=(0,002…0,008)У
и UК =(1,2…1,6)У відповідно.
По формулі 5.5 будуємо графік розподілу концентрації від
координат у базовій області, який представлено на рисунку 5.4.
Рисунок 5.4 - Графік розподілу концентрації від координат у
базовій області
У колекторній області концентрація не основних носіїв заряду
описується наступним виразом:
(5.8)
(5.9)
Для розрахунків ухвалюємо значення напруги на колекторі UК=1,4В.
По формулі 5.8 будуємо графік розподілу концентрації від
координат у колекторній області, який представлено на рисунку 5.5.
Рисунок 5.5 - Графік розподілу концентрації від координат у
колекторній області
.4 Розрахунки ефективності емітера
(5.10)
(5.11)
(5.12)
Для розрахунків ухвалюємо значення напруг на емітері й колекторі UЭ=(0,05…0,4)В
и UК = (0,02…0,2)В відповідно.
5.5
Коефіцієнт переносу струму через базу
(5.13)
(5.14)
.6
Статичний коефіцієнт передачі струму в схемі із загальною базою
(5.15)
де М - коефіцієнт множення струму колектора, який визначається за
формулою:
(5.16)
(4.17)
(4.18)
.7
Статичний коефіцієнт передачі струму в схемі із загальним емітером
(4.19)
.8
Розрахунки бар'єрної ємності колекторного переходу
(5.20)
(5.21)
де U0 - гранична напруга переходу, яка визначається по
формулі:
(5.22)
Для розрахунків ухвалюємо значення напруг на колекторі UК=(0,02…0,2)В.
.9 Розрахунки h - параметрів
Для обчислення h - параметрів використовуємо характеристики
транзистора отримані з використанням моделі Мола - Еберса.
КЭ =EK - IK·RH; (5.23)K
= IK·RH + UКЭ. (5.24)
Рисунок 5.6 - Вихідні характеристики транзистора
Рисунок 5.7 - Вхідні характеристики транзистора
(5.25)
(5.26)
(5.27)
(5.28)
Скористаємося формулами зв'язку між параметрами транзистора при різних
включеннях.
(5.29)
(5.30)
(5.31)
(5.32)
(5.33)12К=1;
(5.34)
(5.35)
(5.36)
.10
Диференціальний опір емітерного переходу
(5.37)
(5.38)
.11
Розрахунки диференціальної ємності эмиттерного переходу
(5.39)
5.12
Розрахунки ефекту Ерлі
При UЭ=const, концентрація носіїв у базовій
області стає функцією колекторної напруги:К=0; 0,2; 0,4; 0,8; 1,2;
1,4В.
Рисунок 5.8 - Залежності концентрацій у базовій області: 1 -
залежно від ширини бази, 2 - як функція від прикладеного UK
.13 Побудова частотних характеристик транзистора
Для побудови фазо-частотної характеристики (ФЧХ) застосовуємо
наступну залежність:
(5.40)
Для побудови амплітудно-частотної характеристики (АЧХ) застосовуємо
наступну залежність:
(5.41)
. Що таке біполярний транзистор? Його основні режими роботи.
. Дайте коротку характеристику основним схемам включення транзистора.
. У чому полягає принцип роботи біполярного транзистора.
. Охарактеризуйте фізичні процеси в біполярному транзисторі.
. Охарактеризуйте класичну модель Еберса - Молла.
. Яким образом здійснюється перенос електронів з емітера в колектор? Що
таке струм зв'язку?
. Як обумовлений вплив зворотної напруги на колекторному переході на
струми транзистора? Що таке ефект Ерлі?
. Як впливає температура на роботу біполярного транзистора?
ВИСНОВОК
Метою й завданням розрахунково-графічної роботи є вивчення
побудови конденсатора, котушки індуктивності, трансформатора,
напівпровідникового діода та біполярного транзистора, які є невід'ємними
складовими при побудові електронних пристроїв, а також: елемент,принцип
побудови, принцип дії й методи проектування конденсатора, котушки
індуктивності, трансформатора, напівпровідникового діода та біполярного
транзистора; принцип розрахунків цих елементів, визначати по умовних позначках
і довідникам параметри електронних елементів, уміти проектувати й розраховувати
ці елементи пристроїв; грамотно робити вибір елементної бази електронної
апаратури залежно від конкретних вимог.
СПИСОК ЛІТЕРАТУРИ
1.
Гитцевич А.Б., Зайцев А.А., Мокряков В.В. и др. Полупроводниковые приборы. -
М.: - 1989. - 528 с.
.
Готра З.Ю., Лопатинський І.Є., Лук’янець Б.А. та ін.
Фізичніосновиелектронноїтехніки: Підручник. - Львів: Видавництво «БескидБіт»,
2004. - 880 с.
.
Григорьев О.П., Замятин В.Я., Кондратьев Б.В., Пожидаев С.Л. Транзисторы.
Справочник: - М.: Радио и связь, 1990. - 272 с.
.
Зайцев А.А., Миркин А.И., Мокряков В.В. Полупроводниковые приборы. Транзисторы
средней и большой мощности / Под ред. А.В. Голомедова. - М.: Радио и связь,
1989. - 640 с.
.
Свитенко В.Н. Электрорадиоэлементы: Курсовое проектирование: Учебное пособие
для вузов. - М.: Высшая школа, 1987. - 207 с.
.
Харинский А.Л. Основы конструирования элементов радиоаппаратуры. - Л.: Энергия,
1971. - 464 с.
.
Чебовсекий О.Г. Силовые полупроводниковые приборы. Справочник. - М.: Энергия,
1975. - 512 с.
8.
Тихомиров П.М. Расчет трансформаторов: Учеб. пособие для вузов/П.М.Тихомиров -
5-е изд., перераб. И доп. - М.: Энергоатомиздат, 1986. - 528с.
9.
Гончарук А.И. Расчет и конструирование трансформаторов: Учеб. пособие для
техникумов/ А.И.Гончарук. - М.: Энергоатомиздат, 1990.-256 с.
.
Волгов В. А. Детали и узлы РЭА - М. Энергия. 1977.- 656 с.
.
Устройства функциональной радиоэлектроники электрорадиоэлементы: Конспект
лекций. Часть 1/ М.Н. Мальков, В.Н. Свитенко. - Харьков: ХИРЭ 1992. - 140 с.
.
Савельев О.Ю. Конденсаторы. Конструкция и устройство - Москва. ЕлАтомИздат.1983
ДОДАТОК А
Таблиця
А.1
Характеристики обмоткових проводів
|
Марка проводу
|
Назва проводу
|
Вид ізоляції
|
Діаметр, мм
|
|
ПЭЛ
|
Провід мідний, емальований
|
Масляно-смолена емаль
|
0,02...0,44
|
|
ПЭВ-1
|
Провід мідний, ізольований високоміцною емаллю
|
Вініфлекс одношаровий
|
0,02...2,5
|
|
ПЭВ-2
|
Провід мідний, ізольований високоміцною емаллю
|
Вініфлекс двошаровий
|
0,02...2,5
|
|
ПЭЛР
|
Провід мідний, ізольований емаллю
|
Поліамідна емаль одношарова
|
0,1...2,44
|
|
ПЭВТЛ- 1
|
Провід мідний, ізольований високоміцною емаллю
|
Поліуретан одношаровий
|
0,06... 1,0
|
|
ПЭТВ
|
Провід мідний, емальований, нагрівостійкий
|
Політетраф торстиленовий
|
0,06...2,44
|
|
ПСДК
|
Провід мідний із скляною ізоляцією
|
Два шари скловолокна з просоченням кремнійорганічним
лаком
|
0,31...5,2
|
ДОДАТОК Б
Таблиця
Б.1
Основні параметри проводів
|
Діаметр проводу, dпр, мм
|
Площа перерізу, g, мм2
|
Довжина, l, м
|
Опір на 1км, Ом
|
Діаметр проводу, dпр, мм
|
Площа перерізу, g, мм2
|
Довжина, l, м
|
Опір на 1км, Ом
|
|
0,05
|
0,00196
|
0,112
|
8920
|
(0,77)
|
0,466
|
26,6
|
37,7
|
|
0,06
|
0,00283
|
0,182
|
6180
|
0,8
|
0,503
|
28,6
|
34,9
|
|
0,07
|
0,00385
|
0,220
|
4540
|
(0,83)
|
0,541
|
30,9
|
32,4
|
|
0,08
|
0,00503
|
0,287
|
3475
|
0,86
|
0,581
|
33,1
|
30,2
|
|
0,09
|
0,00636
|
0,364
|
2750
|
(0,9)
|
0.636
|
36,2
|
27,8
|
|
0,10
|
0,00785
|
0,448
|
2230
|
0,93
|
0,679
|
38,6
|
25,9
|
|
0,11
|
0,00950
|
0,541
|
1850
|
(0,96)
|
0,724
|
41,2
|
24,3
|
|
0,12
|
0,01131
|
0,645
|
1550
|
1
|
0,785
|
44,6
|
22,4
|
|
0,13
|
0,01327
|
0,757
|
1320
|
(1,04)
|
0,849
|
48,2
|
20,7
|
|
0,14
|
0,01539
|
0,877
|
1140
|
1,08
|
0,916
|
52,1
|
19,2
|
|
0,15
|
0,01767
|
1,01
|
993
|
(1,12)
|
0,985
|
56,1
|
17,82
|
|
0,16
|
0,02011
|
1,15
|
873
|
1,16
|
1,057
|
60,2
|
16,61
|
|
0.17
|
0,0227
|
1,3
|
773
|
(1,2)
|
1,13
|
64,4
|
15,52
|
|
0,18
|
0,0255
|
1,45
|
686
|
1,25
|
1,23
|
69,8
|
14,33
|
|
0,19
|
0,0284
|
1,62
|
616
|
(1,30)
|
1,33
|
75,7
|
13,22
|
|
0,20
|
0,0314
|
1,79
|
557
|
1,35
|
1,43
|
81,4
|
12,27
|
|
0.21
|
0,0346
|
1,98
|
507
|
(1,40)
|
1,54
|
87,6
|
11,4
|
|
0.23
|
0,0416
|
2,36
|
423
|
1,45
|
1,65
|
94,2
|
10,62
|
|
0,25
|
0,0491
|
2,81
|
356
|
(1,5)
|
1,77
|
101
|
9,93
|
|
0,27
|
0,0573
|
3,22
|
307
|
1,56
|
1,91
|
109
|
9,18
|
|
0,29
|
0,0661
|
3,77
|
265
|
(1,62)
|
2,06
|
117
|
8,52
|
|
0.31
|
0,0755
|
4,3
|
233
|
1,68
|
2,22
|
127
|
7,9
|
|
0,33
|
0,0855
|
4,88
|
205
|
(1,74)
|
2,38
|
136
|
7,37
|
|
0,35
|
0,0962
|
5,49
|
182
|
1,81
|
2,57
|
146
|
6,83
|
|
0,38
|
0,113
|
6,45
|
155
|
(1,88)
|
2,78
|
158
|
6,31
|
|
0,41
|
0,132
|
7,52
|
133
|
1,95
|
2,99
|
170
|
5,88
|
|
0,44
|
0,152
|
8,7
|
115
|
(2,02)
|
3,20
|
182
|
5,49
|
|
0,47
|
0,174
|
9,9
|
101
|
2,1
|
2,46
|
197
|
5,07
|
|
0,49
|
0,189
|
10,7
|
93,1
|
2,26
|
4,01
|
205
|
4,88
|
|
0,51
|
0,204
|
11,6
|
86
|
2,44
|
4,68
|
266
|
3,75
|
|
(0,53)
|
0,221
|
12,6
|
79,4
|
2,63
|
5,43
|
310
|
3,23
|
|
0,55
|
0,238
|
13,5
|
73,7
|
2,68
|
6,20
|
358
|
2,79
|
|
(0,57)
|
0,255
|
14,5
|
68,8
|
3,05
|
7,31
|
416
|
2,4
|
|
0,59
|
0,273
|
15,5
|
64,3
|
3,28
|
8,45
|
480
|
2,08
|
|
(0,62)
|
0,302
|
17,2
|
58,1
|
3,53
|
9,79
|
558
|
1,79
|
|
0,64
|
18,3
|
54,5
|
3,80
|
11,34
|
645
|
1,55
|
|
0,69
|
0,374
|
21,3
|
46,9
|
4,10
|
13,20
|
764
|
1,31
|
|
0,74
|
0,430
|
24,5
|
40,8
|
4,50
|
15,90
|
905
|
1,10
|
ДОДАТОК В
Провід марки ПБ може бути з ізоляцією на 2 сторони 2·δ=0,45(0,5),
0,55(0,62), 0,72(0,82), 0,96(1,06), 1,20(1,35), 1,35(1,5), 1,68(1,83) и 1,92(2,07)мм.
Провід марки ПБУ випускається з розмірами перетину меншим від
1,8 до 5,6мм і більшим від 6,7 до 19,5мм. Цей провід має ізоляцію на дві
сторони 2·δ=2(2,1), 2,48(2,63), 3,96(3,11),
3,6(3,8), 4,08(4,28) и 4,4(4,65)мм.
Поза дужками зазначена номінальна товщина ізоляції. Розміри
котушок уважати за товщиною ізоляції, зазначеної дужках.