Інтегральні схеми цифрових пристроїв
Зміст
Вступ
. Загальна
частина
1.1
Алгебра логіки
1.2
Логічні елементи
1.3
Способи подання логічної функції
.3.1 Аналітичний спосіб
.3.1.1 ДДНФ
.3.2 Табличний спосіб
.4 Мінімізація логічних функцій
1.4.1
Карта Карно
2.
Розрахункова частина
2.1
Технічне завдання
2.2
Синтез комбінаційного пристрою
2.3
Побудова схеми у ДДНФ
2.4
Побудова схеми у ДКНФ
2.5
Побудова схеми на базисі Шеффера
2.6
Побудова схеми на базисі Пірса
3.
Побудова принципової схеми, виконаної на інтегральних мікросхемах
Висновок
Правила техніки безпеки
Вступ
Історія розвитку науково -
технічного прогресу людства характеризується двома видатними етапами; унаслідок
яких змінилися співвідношення продуктивних сил і продуктивних відносин.
Перший
етап наступив в кінці XVIII
століття, пов'язаний з появою парової машини, яка привела до повної або
часткової заміни мускульної праці людей, або тварин , машинами. Другий етап
науково - технічного
прогресу пов'язаний з появою ЕОМ. ЕОМ як і живі істоти здатні виконувати, а в
деяких випадках перевершувати функції, які до цього були властиві тільки
людському мозку. Так ЕОМ здатні приймати людські думки, виражені в числових
кодах, виконувати з недоступною для людини швидкістю різні логічні і
математичні операції і надавати висновки ним, переробляти величезні об'єми
інформації, знаходити оптимальні рішення завдань і так далі. Історія сучасних
рахункових машин починається з ХvІІ в. Багато математиків того часу (Паскаль,
Лейбніц і ін.) створили механічні рахункові пристрої. У 1874 р. російський
інженер Однер створив арифмометр. В середині ХІХ в. Створювалися різні
механічні прилади і інструменти що дозволяли інтегрувати, диференціювати і
підсумовувати функції, задані графічно. (планіметри, інтеграли і ін. ).
Створення першої ЕОМ (цифрової ЕОМ) пов'язано з ім'ям англійського математика
Беббіджа, який в 1833 р. висловив ідею програмного управління для побудови
такого пристрою , який би виконував арифметичні дії (не вдалося із - за
низького рівня техніки). Перша ЕОМ була створена в 1945 р. під керівництвом Дж.
Маучлі і Дж. Еккера (США). Вона називалася ENIAC-
електронний чисельний інтегратор і калькулятор. Машина була побудована на 18000
електронних лампах, виконувала 5000 операцій в секунду і мала пам'ять всього 20
десятирозрядних чисел. Обчислювальні пристрої за принципом дії діляться на
аналогові обчислювальні пристрої (АОП) і цифрові обчислювальні пристрої (ЦЕОП).
АОП - математичні величини в них
представлені у вигляді безперервних в часі функцій деяких фізичних величин I,U,
довжини кута і так далі. Приклади АОП: логарифмічна лінійка, автоматичні ваги і
ін.
АОП - складаються з окремих блоків,
кожен з яких виконує одну математичну операцію. Цифрові ОП - інформація в них
подається у вигляді послідовності цифр. Для представлення цифри
використовується який не будь елемент, який може знаходитися в одному з
декількох стійких станах. Приклад: рахівниці, всі дії на цьому ЦОП виконуються
вручну, арифмометр. Інформатизація суспільства - найважливіше завдання, що
стоїть перед нашою країною що вимагає інтенсивного розвитку обчислювальної
техніки. Всі різноманітні засоби цифрової техніки: ЕОМ, мікропроцесорні системи
вимірювань і автоматизації технологічних процесів, цифровий зв'язок і
телебачення і так далі будуються на єдиній елементній базі. Ця база містить
надзвичайно різної складнощі мікросхеми: від логічних елементів, що виконують
прості операції, до складних, які містять мільйони логічних елементів.
Перспективи розвитку вітчизняної
мікросхемотехніки передбачити складно, оскільки виведення її на сучасний рівень
вимагає вкладення величезних коштів.
Державна підтримка на необхідному
рівні поки не реальна (навіть найбільші світові фірми вимушені об'єднатися для
подальшого створення нових схем пам'яті, мікропроцесорів і ін. ). Для
схемотехніки відсутність вітчизняних мікросхем сучасного рівня компенсується
зараз доступністю зарубіжної елементної бази. Елементну базу цифрових пристроїв
(ЦУ) складають інтегральні схеми (ІС). З часом їх винаходи (США, 1959 р.) ІС
постійно ускладнюється, удосконалюються. Характеристикою складності ІС є рівень
інтеграції, що оцінюється або числом базових ЛЕ, або числом транзисторів, які
можуть бути реалізовані на кристалі. Відмінності в рівні інтеграції ділять ІС
на декілька категорій: МІС, СИС, БІС, СБІС. Практичне використання знаходять
всі категорії. Із
зростанням рівня інтеграції ІС в проектуванні на їх основі все більше
посилюється аспект, який можна назвати інтерфейсним проектуванням.
Завданням
розробки стає складання блоків з субблоків стандартного вигляду шляхом
правильного їх з'єднання. Успішне проектування вимагає хорошого знання
номенклатури і параметрів елементів вузлів і пристроїв цифрової апаратури.
1. Загальна частина
Кожен комбінаційний пристрій працює
у позиційній двійковій системі числення.
Система числення - це сукупність
правил для запису дійсних чисел за допомогою цифрових знаків. Позиційна система
числення - це така система числення, в котрій значення або вага знаку залежить
від позиції в числі.
Основою двійкової системи числення є
число 2. Складається з цифр 0 і 1.
Для побудови комбінаційного пристрою
ми будемо використовувати апарат алгебри логіки.
.1 Алгебра логіки
Логіка - це наука про закони і форми
мислення.
Математична логіка - це наука про
застосування математичних методів для вирішення логічних завдань.
В алгебрі логіки дії виконуються не
над числами, а над логічними висловами. Вислови - це будь-яке зауваження по
об’єктивно існуючому світі. Вони можуть співпадати з дійсністю або не
співпадати з дійсністю, в якій щось затверджує. В першому випадку воно істинне,
в другому помилкове. Якщо позначити різні вислови буквами х0, х1,
х2 … хn
то в загальному випадку якщо х1 = 1, то вислів істинний, якщо хn
= 0 - помилковий. Завершення будь-якої події (наприклад, наявність високої
напруги в якійсь точці схеми - символ "1". Він називається логічною
одиницею. Відсутність події (кнопка не натиснута) - "0" логічний
нуль.
Логічні дії в алгебрі логіки:
1) Логічне додавання -
диз’юнкція
(
)
2) Логічне множення
- кон’юнкція
(
)
) Інверсія (операція НЕ)
В алгебрі логіки також існують
закони.
Переставний закон:
;
Сполучний закон:
;
Розподільний закон:
;
Закон поглинання:
;
Закон склеювання:
;
;
;
Закон де Моргана:
;
1.2 Логічні елементи
Логічний елемент - це електронний
пристрій, що реалізовує одну з логічних операцій.
Логічний елемент буфер не змінює
логічного стану цифрового сигналу: тобто логічна 1(0) викликає логічну
"1"(0) на виході.
Застосовується для підвищення
здатності по струму, а також формування логічних рівнів що діють в інтерфейсі
(пристрій спряження).
Рисунок 1 Буфер
Таблиця 1 - Таблиця істинності
логічного елементу Буфер
Логічний елемент диз’юнктор
виконує операцію диз’юнкцію
Рисунок 2 Логічний елемент АБО
Таблиця 2 - Таблиця істинності
логічного елементу АБО
|
Х1
|
Х2
|
f
|
|
0
|
0
|
0
|
1
|
1
|
|
1
|
0
|
1
|
|
1
|
1
|
1
|
Логічний елемент інвертор виконує
операцію інверсію
Рисунок 3 Логічний елемент НЕ
Таблиця 3 - Таблиця істинності
логічного елементу НЕ
Логічний елемент кон’юнктор виконує
операцію кон’юнкцію
Рисунок 4 Логічний елемент І
Таблиця 4 - Таблиця істинності
логічного елементу І
|
Х1
|
Х2
|
f
|
|
0
|
0
|
0
|
|
0
|
1
|
0
|
|
1
|
0
|
0
|
|
1
|
1
|
1
|
Елемент І-НЕ - елемент Шеффера
Рисунок 5 Логічний елемент І-НЕ
Таблиця 5 - Таблиця істинності
логічного елементу І-НЕ
|
x1
|
x2
|
f
|
|
0
|
0
|
1
|
|
0
|
1
|
0
|
|
1
|
0
|
0
|
|
1
|
1
|
0
|
Елемент - Пірса. (АБО-НЕ )
Рисунок 6 - Логічний елемент АБО-НЕ
Таблиця 6 - Таблиця істинності
логічного елементу АБО-НЕ
|
x1x2f
|
|
|
|
0
|
0
|
1
|
|
0
|
1
|
1
|
|
1
|
0
|
1
|
1
|
0
|
Елемент виключне АБО
(нерівнозначність).
Рисунок 7 Логічний елемент виключне
АБО
Таблиця 7 - Таблиця істинності
логічного елементу виключне АБО
|
x1x2f
|
|
|
|
0
|
0
|
0
|
|
0
|
1
|
1
|
|
1
|
0
|
1
|
|
1
|
1
|
0
|
1.3
Способи подання логічної функції
логічний функція
інтегральний мікросхема
Логічну функцію можна подавати
трьома способами:
1) Словесно
2) Аналітично (за допомогою
формули)
) Таблично
Словесне подання функції
визначається за допомогою словесного опису.
.3.1 Аналітичний спосіб
Аналітичний - за допомогою логічного
математичного апарату.
У аналітичному способі логічну
функцію записують у вигляді рівняння. Електронні схеми розробляють на основі
заздалегідь складених логічних функцій (рівнянь).
Існують
різні формули запису:
Нормальна форма - це елементарна
диз’юнкція або кон’юнкція:
Диз’юнктивна нормальна форма (ДНФ)
уявляє собою диз’юнкції елементарних кон’юнкцій:
Кон’юнктивна
нормальна форма (КНФ) уявляє собою елементарні диз’юнкції, об’єднані знаком
кон’юнкції:
Будь-яка логічна функція може мати
декілька ДНФ і КНФ
Існують такі види ДНФ (КНФ), в яких
функція може бути записана єдиним способом. Ці форми називаються досконалими
нормальними формами ДДНФ ДКНФ.
1.3.1.1 ДДНФ
ДДНФ - це сума елементарних
добутків, в яких кожна змінна зустрічається рівно один раз або із запереченням
або без нього, і для яких значення функції дорівнює одиниці.
В записі функції в ДДНФ кожна
елементарна кон’юнкція називається мінтермом, значення його дорівнюють одиниці.
Мінтерм - кон’юнкція усіх змінних в
наборі, які беруться в прямому виді, якщо їх значення дорівнює одиниці, або в
інверсному виді, якщо їх значення в наборі дорівнює нулю.
1.3.1.2 ДКНФ
ДКНФ - це добутки елементарних сум,
в яких зміна зустрічається один раз і для яких значення функції дорівнює нулю.
В записі функції ДКНФ кожна елементарна сума, яка виходить в запис цієї функції
називається макстерм. Її значення = 0
.3.2 Табличний спосіб
Табличний спосіб - це таблиця
істинності. В цьому випадку користуючись словесним описом складають таблицю, в
якій записують всі можливі комбінації значень логічних аргументів і значень
функцій для кожної комбінації. Кількість вхідних комбінацій визначається за
формулою n
= 2n
n
- кількість змінних.
Мінімізація логічних функцій - це
скорочення запису логічної функції.
Логічну схему, що реалізує алгоритм
перетворення сигналів можна синтезувати безпосередньо за виразом, поданим у
вигляді ДДНФ або ДКНФ. Але отримана при цьому схема, як правило, не оптимальна
з погляду її практичної реалізації (дуже громіздка), тому її мінімізують.
1.4 Мінімізація
логічних функцій
Мінімізація логічних функцій - це
скорочення запису логічної функції.
Логічну схему, що реалізує алгоритм
перетворення сигналів можна синтезувати безпосередньо за виразом, поданим у
вигляді ДДНФ або ДКНФ. Але отримана при цьому схема, як правило, не оптимальна
з погляду її практичної реалізації (дуже громіздка), тому її мінімізують.
Мінімізація логічних функцій - це
тотожні перетворення, які спрощують вираз логічної функції. Мета мінімізації -
це по-перше зменшення її вартості, спрощення технічної реалізації. Розділяють
аналітичні і графічні методи.
Аналітичний - полягає в послідовному
застосуванні деяких законів і тотожностей булевої алгебри.
1.4.1 Карта Карно
До графічного методу мінімізації
відноситься мінімізація за допомогою карт Карно. Карта Карно уявляє собою
прямокутник, поділений на квадрати, кількість яких дорівнює загальній кількості
наборів для даної функції.
Карту Карно для логічної функції,
заданої алгебраїчним виразом, можна укласти в такому порядку:
за числом змінних, які входять у
вираз заданої функції, будують карту Карно і розміщують змінні, заданий
алгебраїчний вираз зводять до ДДНФ.
у карті Карно для кожної
конституанти 1 ДДНФ знаходять відповідну клітину (із таким самим набором
змінних); у якій записують 1, в інші клітини карти 0.
1. Усі одиниці (при записі функції у
ДНФ) і всі нулі (при записі функції у КНФ) мають бути замкненими в прямокутні
контури. Одиничні контури можуть об’єднувати кілька одиниць, але не повинні
містити всередині себе нулів. Нульові контури можуть об’єднувати кілька нулів,
але не повинні містити всередині себе одиниць.
Однойменні контури можуть
накладатися один на одного, тобто та сама одиниця (або нуль) може входити в
кілька одиничних (нульових) контурів.
Площа будь-якого контуру має бути
симетричною щодо меж змінних, що перетинаються цим контуром. Отже, число клітин
у контурі дорівнює
, де n=0,
1, 2…. тобто число клітин виражається числами
1,2,4,8,16,32….
Щоб уникнути отримання зайвих
контурів, їх побудову потрібно починати з тих одиниць або нулів, що можуть
увійти в єдиний контур. Зайвими називаються контури, всі клітини який увійшли в
інші контури.
У контури можна об’єднувати кілька
сусідніх клітин, що містять одиниці або нулі. Дотримання цього правила особливо
потрібно перевіряти, якщо число змінних більше ніж чотири і коли сусідні
клітини можуть розміщувати не поряд, тому контури будуть зазнавати видимого
розриву.
Кожній одиничній клітині відповідає
кон’юнкція початкових змінних, що визначають цю клітину. Кожній нульовій
клітині відповідає диз’юнкція інверсій початкових змінних, що визначають цю
клітину.
У контурі, що об’єднує дві клітини,
одна зі змінних змінює своє визначення, тому вираз контуру з двох клітин не
залежить від цієї змінної, а надається всіма іншими змінними. Це правило
стосується і контурів, що охоплюють число клітин більше ніж два, і має таке
формування: вирази, що відповідають контурам, не містять тих змінних, чиї межі
перетинаються площею, обмеженою цим контуром.
2.
Розрахункова частина
Таблиця 8
|
Х3
|
Х2
|
Х1
|
f
|
|
0
|
0
|
0
|
0
|
0
|
|
0
|
0
|
0
|
1
|
1
|
|
0
|
0
|
1
|
0
|
0
|
|
0
|
0
|
1
|
1
|
0
|
|
0
|
1
|
0
|
0
|
1
|
|
0
|
1
|
0
|
1
|
0
|
|
0
|
1
|
1
|
0
|
0
|
|
0
|
1
|
1
|
1
|
1
|
|
1
|
0
|
0
|
0
|
0
|
|
1
|
0
|
0
|
1
|
0
|
|
1
|
0
|
1
|
0
|
1
|
|
1
|
0
|
1
|
1
|
0
|
|
1
|
1
|
0
|
0
|
0
|
|
1
|
1
|
0
|
1
|
|
1
|
1
|
1
|
0
|
0
|
|
1
|
1
|
1
|
1
|
0
|
2.1
Технічне завдання
Технічне завдання задано таблицею
істинності. За технічним завданням в кінці проектування маємо отримати
пристрій, що реалізує функцію, задану Таблицею 8
2.2 Синтез
комбінаційного пристрою
Синтез комбінаційного пристрою
складається с етапів.
Перший етап: словесна формалізація
задачі (технічного завдання). Це початкові данні для проектування
комбінаційного пристрою. Основна мета цього етапу - складання таблиці істинності.
Другий етап: якщо функція визначена
на всіх наборах, переходимо до третього етапу. Якщо ні - треба функцію до
визначити. При цьому розглянути декілька варіантів, вибрати найкращий і скласти
таблицю істинності.
Третій етап: Запис функції у вигляді
ДДНФ або ДКНФ.
Четвертий етап: мінімізація функції
будь-якими доступними методами. Перетворення отриманої функції проводиться, щоб
представити її у вигляді комбінації операцій, що виконуються базовими
елементами, на яких буде реалізуватися дана схема пристрою. Найчастіше
використовуються елементі І, НЕ, АБО, базис Шеффера І-НЕ, базис Пірса АБО-НЕ.
Базис - це сукупність елементів І,
АБО, НЕ, на базі якого можна створити будь-який складний електронний пристрій.
П’ятий етап: реалізувати визначену
(знайдену) функцію в любому базисі в заданій серії елементів. Вибір елементної
бази і способу реалізації цієї бази (ТТЛ і т.д.) визначається вимогами,
пред’являються до електричних параметрів комбінаційного пристрою: Споживна
потужність, швидкодія, стійкість, живлення і т.д.
2.3 Побудова схеми у
ДДНФ
Із Таблиці 8 виписуємо всі мінтерми:
=1000
=0010
=1110
=0101
=1011
Записуємо формулу, виписуючи усі
мінтерми. Функція матиме вигляд:
Тепер дану функцію представляємо у
карті Карно:
Дану ДДНФ мінімізувати неможливо.
Отже, для побудування комбінаційного пристрою знадобиться 1 диз’юнктор
на 5 входів,
кон’юнкторів
на 4 входи,
інвертори,
Рисунок 8 Схема у вигляді ДДНФ
2.4 Побудова схеми у
ДКНФ
Із Таблиці 8 виписуємо всі
макстерми:
=0000
=0100
=1100
=1010
=0110
=0001
=1001
=1101
=0011
=0111
=1111
Записуємо функцію, виписуючи усі
макстерми. Функція матиме вигляд:

Тепер дану функцію представляємо на
карті Карно:
Рисунок 9 мінімізація ДКНФ у карті
Карно
Скорочена функція матиме вигляд:
Для побудування комбінаційного
пристрою необхідно: 4 інвертори,
6 диз’юнкторів
на 3 входи,
диз’юнктор
на 4 входи,
1 кон’юнктор
на 7 входів.

Рисунок 10 Схема у вигляді ДКНФ
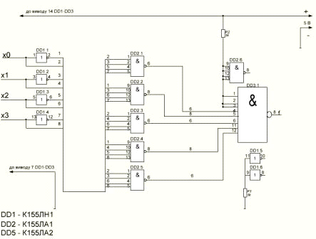
.5 Побудова схеми на базисі Шеффера
Для побудування ми за допомогою
закону де Моргана перетворюємо функцію ДДНФ.
Для побудування комбінаційного
пристрою знадобиться 4 елементи І-НЕ на 2 входи,
5 елементів І-НЕ на 4 входи,
елемент І-НЕ на 5 входів.
Рисунок 11 Схема, виконана на базисі
Шеффера
2.6 Побудова схеми
на базисі Пірса
Для побудови ми перетворюємо за
допомогою закону де Моргана функцію ДКНФ.
Для побудування комбінаційного
пристрою знадобиться: 4 елементи АБО-НЕ на 2 входи,
елементів АБО-НЕ на 3 входи,
1 елемент АБО-НЕ на 4 входи,
1 елемент АБО-НЕ на 7 входів.
Рисунок 12 Схема, виконана на базисі
Пірса
3. Побудова
принципової схеми, виконаної на інтегральних мікросхемах
Для розробки схеми обираємо
технологію ТТЛ, оскільки її використання найбільш раціональне через зменшену
кількість елементів, а в наслідок і помилок. Найпоширенішими серіями є К155,
К555 та КР1533. На зміну серії К155 випускають мікросхеми серії К555, принципова
відмінність яких - використання транзисторів з колекторними переходами,
зашунтованими діодами Шотки. Основна
експлуатаційна відмінність КР1533 від схем серії К555 - в 1.5-2 рази менша
споживана потужність при збереженні і підвищенні швидкодії.
Для реалізації своєї функції обираю
серію К155, адже вона має високу швидкодію, обширну номенклатуру та високу
перешкодостійкість. Тим паче, що при виході з ладу однієї з мікросхем пристрою,
її буде легко замінити.
Для побудови схеми. Розписаної на
базисі Шеффера:
) 4 елементи НЕ (за
довідником - мікросхема К155ЛН1, яка містить 6 елементів НЕ)
) 5 елементів 4І-НЕ (за
довідником - три мікросхеми К155ЛА1, які містять 2 логічних елементи 4І-НЕ)
) 1 елемент 5І-НЕ (за
довідником - мікросхема К155ЛА2, яка містить 1 елементів 8І-НЕ)
Рисунок 13 Мікросхема К155ЛН1
Рисунок 14 Мікросхема К155ЛА1
Рисунок 15 Мікросхема К155ЛА2
З обраних мікросхем видно, що два
входи мікросхеми К155ЛН1, чотири входи одної з трьох мікросхем К155ЛА1, 3входи
мікросхеми К155ЛА2 не будуть використовуватися. . Залишати їх розімкненими не
варто, адже від цього постраждає швидкодія пристрою. Під'єднування
"зайвих" входів до задіяних для ТТЛ принципово можливо, але небажано,
оскільки воно призводить до збільшення навантаження на джерело сигналу, який
також супроводжується зменшенням швидкодії джерела сигналу. При монтажі
апаратури для підвищення стійкості роботи схем ТТЛ їх вільні входи необхідно
підключати до джерела живлення 5В±10% через резистор 1 кОм або безпосередньо до
окремого джерела живлення 4 В± 10 % при чому до одного резистора дозволяється
підключати до 20 входів . Незадіяні виходи логіка ТТЛ дозволяє залишати
вільними.
Виконаємо розрахунок споживаної
потужності та середнього часу затримки схеми
Для цього надаємо параметри
мікросхем, зведені в таблицю 9
Таблиця 9 - Параметри мікросхем
|
Мікросхема
|
Uжив,
В
|
І1спож, мА
|
І0спож, мА
|
U0вих,
В
|
U1вих,
В
|
t 0,1затр,
нс
|
t 1,0затр,
нс
|
|
К155ЛН1
|
5 ± 10%
|
12
|
33
|
<0,4
|
>2,4
|
22
|
15
|
|
К155ЛА1
|
5 ± 10%
|
4
|
11
|
<0,4
|
>2,4
|
22
|
|
К155ЛА2
|
5 ± 10%
|
2
|
6
|
<0,4
|
>2,4
|
22
|
15
|
Основні характеристики побудованого
пристрою:
жив=
5 В (± 10%)
U0
вих= не більше 0,4 В.
U1вих
= не менше 2,4 В.
Pспож
=
,
де NЕ-
число елементів,
Pспож
= PЕ1+PЕ2+PE3,
де PЕ1,
PЕ2,
PE3
- середні потужності споживання:
PЕ1
-
мікросхеми
К155ЛА1, PЕ2
- мікросхеми К155ЛА2, PE3
- мікросхеми К155ЛН1.
PЕ1=
0,5 Uжив(I1спож+
I0спож)
= 0,5 · 10-2(5·10-2(4+11))=0,004мВт
PЕ2=
0,5 Uжив(I1спож+
I0спож)
= 0,5 · 10-2(5·10-2(2+6)) = 0,002мВт
PE3=0,5
Uжив(I1спож+
I0спож)
= 0,5 · 10-2(5·10-2(33+12)) = 0,01мВт
tз=
,
де Кк
- число послідовно включених каскадів
tз=
tз1
+tз2+
tз3+
tз4
де tз1,
tз2,
tз3,
tз4
- середній час
затримки відповідно
1-го,
2-го-го, 3-го та 4-го каскадів.
tз1=0,5(tз0,
1+ tз1,
0) = 0,5(22+15)= tз2
= tз3
= tз4=18,5
нс
tз=
18,5·4=74 нс
Рисунок 13 Принципова схема,
виконана на мікросхемах
Висновок
За отриманим завданням в кінці
проектування мали отримати пристрій, що реалізовував би задану функцію. Під час
проектування розглянули етапи синтезу комбінаційного пристрою. Згідно цих
етапів перейшли від таблиці істинності до аналітичного представлення функції,
обравши форму ДДНФ. В результаті отримали таку функцію:
За цією функцією побудували пристрій
в універсальному базисі. Мінімізувати цю функцію було неможливо. Для пошуку
інших шляхів будування схеми, яка б задовольняла завдання, записане у Таблиці
8, ми записали функцію у ДКНФ, виписавши усі макстерми. Функція отримала такий
вигляд:

Згідно наступного етапу синтезу
мінімізували функцію, обравши графічний метод, а саме метод Карт Карно, який,
на нашу думку, є більш зручним та дозволяє зменшити кількість можливих помилок.
В результаті мінімізації отримали таку функцію:
=
=
Як видно з представлених функцій,
мінімізація допомогла зменшити кількість змінних, а отже й елементів, що
сприяло покращенню майбутнього проектування через зменшену вартість, підвищену
швидкодію та менше споживання потужності. Далі побудували схему мінімізованої
функції в універсальному базисі.
Для можливого покращення схеми, ми
побудували функцію у ДДНФ на базисі Шеффера, а функцію у ДКНФ на базисі Пірса.
Далі, користуючись довідником,
обрали логіку, серію та мікросхеми для побудови функціональної схеми пристрою.
Обрали логіку ТТЛ, визначивши , що вона найбільше підходить до нашої роботи
через свою широку номенклатуру, та вищу швидкодію. Також обрали серію 155, так
як вона має найкращі показники(зазначені вище) для нашого майбутнього пристрою.
Обравши саме мікросхеми та побудувавши функціональну схему, зробили розрахунок
споживаної потужності та затримки для всієї схеми. З розрахунків видно, що
пристрій має досить вагому споживану потужність, що є головним недоліком серії
ТТЛ, та невелику, зважаючи на кількість елементів, затримку, а отже має гарну
швидкодію. На параметри могли вплинути індивідуальний вибір елементної бази та
можлива похибка в розрахунках. Виконавши даний курсовий проект підготувалися до
самостійної роботи за фахом.
Правила техніки безпеки
Під час роботи з комп'ютером у
комп'ютерному класі учням категорично забороняється:
самостійно намагатися усунути
будь-які неполадки в роботі комп'ютера, незалежно від того, коли і з чиєї вини
вони сталися;
від'єднувати і при'єднувати будь-які
пристрої комп'ютера;
доторкатися до будь-яких деталей на
задній панелі системного блоку;
знімати кришку корпуса системного
блоку;
вставляти чи виймати диски (магнітні
й оптичні) під час роботи дисководів, коли світиться індикатор на дисководі;
силоміць вставляти чи виймати гнучкі
(магнітні) дискети та оптичні (лазерні) диски;
вручну переміщувати підставку для
лазерного диска в отвір для нього чи назовні;
застосовувати непередбачувані
правилами фізичні дії до будь-яких пристроїв - стукати по пристроях, трясти їх,
перевертати, розбирати тощо.
Крім того, під час роботи за
комп'ютером необхідно дотримуватися певних правил:
) Дисплей повинен бути розвернений
від вікон під кутом, не меншим 90°, з метою запобігання потрапляння на екран
прямих сонячних променів та уникнення відблиску, що значно ускладнює читання
інформації з екрана дисплея.
) Екран дисплея повинен бути
очищений від пилу, оскільки пил спричинює появу шкідливих впливів при роботі за
дисплеєм.
) На столі, де встановлено
комп'ютер, не повинні знаходитися сторонні речі.
) Перед початком роботи за
комп'ютером слід вимити і насухо витерти руки для запобігання появи плям на
клавіатурі, корпусі комп'ютера, дисплея, мишки та ін.
) Через кожні 10 хв. роботи за
екраном дисплея слід зробити перерву на кілька хвилин, під час якої записати
отримані результати, підготувати дані для продовження роботи чи її план, або
просто відпочити.
) Якщо використовується мишка, то
під неї слід покласти спеціальний килимок для запобігання забруднення, що може
призвести до виходу з ладу.
) Якщо клавіатура не
використовується, вона має бути накрита спеціальною прозорою кришкою для
запобігання попадання пилу чи якихось предметів під клавіші, що може призвести
до ушкодження клавіатури.
) При виникненні будь-яких запитань
під час роботи з комп'ютером слід звертатися до вчителя.
Вимоги:
Робочі місця мають бути розташовані
на відстані не менше 1,5 м від стіни з вікнами, від інших стін на відстані 1м,
між собою на відстані не менше 1,5 м. Відносно вікон робоче місце доцільно
розташовувати таким чином, щоб природне світло падало на нього збоку, переважно
зліва.
Робочі місця слід розташовувати так,
щоб уникнути попадання в очі прямого світла. Джерела освітлення рекомендується
розташовувати з обох боків екрану паралельно напрямку погляду. Для уникнення
світлових відблисків екрану, клавіатури в напрямку очей користувача, від
світильників загального освітлення або сонячних променів, необхідно
використовувати анти полискові сітки, спеціальні фільтри для екранів, захисні
козирки, на вікнах - жалюзі.
Заходи щодо усунення небезпеки
ураження електричним струмом зводяться до правильного розміщення устаткування
та електричних кабелів. Інші заходи щодо забезпечення електробезпеки,
збігаються з загальними заходами пожежо- та електробезпеки.
В якості профілактичних заходів для
забезпечення пожежної безпеки слід використовувати скриту електромережу,
надійні розетки з пожежобезпечних матеріалів, силові мережі живлення
устаткування виконувати кабелями, розрахованими на підключення в 3-5 разів
більшого навантаження, включати й виключати живлення обладнання за допомогою
штатних вимикачів. Треба регулярно робити очистку внутрішніх частин
комп'ютерів, іншого устаткування від пилу, розташовувати комп'ютери на окремих
неспалюваних столах. Для запобігання іскріння необхідно рідше встромляти і
виймати штепсельні вилки з розеток.
Правила пожежної безпеки до та підчас
виконання робіт:
1 Забороняється
використовувати електроприлади із пошкодженою ізоляцією, зберігати біля них
рідини, які легко займаються, обгортати папером або тканиною електричні лампи.
2 Не
працювати на несправному обладнанні.
3 Перед
початком роботи на електрообладнанні перевірити наявність і надійність
кріплення захисних засобів і з'єднання захисного заземлення, занулення.
4 Виконувати
лише ту роботу, з якої пройшли інструктаж, не передоручати свою роботу іншим
особам.
5 Забороняється
використовувати пожежний інвентар та обладнання для господарських та інших
потреб, не пов'язаних з пожежегасінням.
6 Забороняється
самостійно усувати несправності електромережі й електрообладнання.
Дотримання правил техніки безпеки
при роботі з комп’ютером та правил пожежної безпеки в аудиторії гарантує
збереження здоров’я та цілісності експлуатаційної апаратури.