Розрахунок параметрів і вибір елементів тиристорних електроприводів постійного струму
Міністерство
освіти і науки України
Державний
вищий навчальний заклад
Донецький
національний технічний університет
Кафедра
"Електропривод та автоматизація
промислових установок"
Курсовий
проект
Тема:
"Розрахунок параметрів і вибір елементів тиристорних електроприводів
постійного струму"
Пояснювальна
записка до курсового проекту
з дисципліни: "Елементи
автоматизованого електроприводу"
КП 06.050702-09-235.04
ПЗ
Донецьк
– 2009
Завдання
Початковими
даними є номінальна потужність навантаження PН , номінальна швидкість обертання nН, напруга живильної мережі UН, тип силової схеми.
PН = 2,5 кВт ;
nН = 2120 об/хв ;
UН = 380 В ;
силова схема :
нульова.
Реферат
Пояснювальна
записка до курсового проекту містить:
сторінок 32, рисунків 7, таблиць 4, додатків 2,
джерел 7.
Об’єктом
дослідження та розрахунків даного курсового проекту є тиристорний перетворювач
напруги для двигунів постійного струму.
Суть роботи
полягає у розрахунку параметрів силового трансформатора, тиристорів, уставок
захисної апаратури. В процесі застосовуються теоретичні знання з курсів "Електричні
машини" та "Елементи автоматизованого електроприводу ".
Згідно початкових
даних, а саме: номінальна потужність навантаження, потрібна швидкість
обертання, напруга живильної мережі, тип силової схеми, була розрахована
оптимальна схема тиристорного перетворювача для запропонованого типу двигунів,
складена функціональна схема логічно-перемикаючого пристрою (ЛПП), розраховані
зовнішня і регулювальна харатеристики тиристорного перетворювача.
Електропривод, тиристор,
тиристорний перетворювач, силовий трансформатор, система керування, дросель,
коефіцієнт потужності, апаратура захисту, регулювальна характеристика.
Перелік скорочень,
прийнятих у даному проекті:
АЕП –
автоматизований електропривод;
ВГ – вентильна
група;
ДК - датчик
керування;
ДНС – датчик нульового струму;
КЗ – коротке
замикання;
ККД – коефіцієнт
корисної дії;
ЛПП –
логічно-перемикаючий пристрій;
СІФК– система
імпульсно-фазового керування;
ТП – тиристорні
перетворювачі.
Зміст
Вступ
1. Вибір двигуна постійного струму
2. Вибір схеми тиристорного перетворювача
3. Розрахунок параметрів силового трансформатора
4. Розрахунок параметрів та вибір тиристорів
5. Складання функціональної схеми ЛПП і таблиці
істинності
6. Розрахунок параметрів дроселя, що згладжує
7. Розрахунок і побудова регулювальної характеристики
тиристорного перетворювача
8. Розрахунок коефіцієнта потужності тиристорного
перетворювача
9. Розрахунок і побудова зовнішньої характеристики
тиристорного перетворювача
10. Розрахунок уставок захисної апаратури та її вибір
Висновки
Перелік використаної літератури
Вступ
У даний час вентильні перетворювачі напруги знаходять
дуже широке застосування в системах автоматизованого електроприводу (АЕП)
постійного струму. Широке використання вентильних перетворювачів обумовлено
успішним розвитком напівпровідникової техніки, а саме освоєння промисловістю
надійних малогабаритних керованих силових вентилів – тиристорів і транзисторів.
У більшості сучасних перетворювачів для привода як силові вентилі використовуються
тиристори. На їхній основі для електропривода постійного струму побудовані два
типи перетворювачів: тиристорні перетворювачі (ТП) напруги перемінного струму в
постійний (керовані випрямлячі) і широтно-імпульсні перетворювачі незмінної
напруги постійного струму в регульовану напругу постійного струму.
Тиристорні
перетворювачі мають деякі недоліки:
1) низький
коефіцієнт потужності при глибокому регулюванні напруги;
2) перекручування
живильної напруги, внесене роботою тиристорного перетворювача;
3) підвищений
рівень випромінюваних радіоперешкод.
Однак, незважаючи
на ці недоліки, такі схеми володіють доволі вагомими перевагами:
1) високий
коефіцієнт корисної дії (ККД), обумовлений незначним падінням напруги на
тиристорі (менш 1 В);
2) незначна інерціонність,
обумовлена фільтрами в ланцюгах керування і некерованістю тиристорів протягом
інтервалу провідності (10-20 мс);
3) висока
надійність при використанні швидкодіючого захисту і модульно-блокового
виконання ТП.
1. Вибір
електродвигуна постійного струму
Згідно з
початковими значеннями номінальної потужності та номінальної частоти обертання
обираємо двигун постійного струму [2]. У довіднику надаються наступні
параметри: потужність
(кВт), швидкість
(об/хв), коефіцієнт корисної дії η
(%), опір обмотки якоря
(Ом), опір додаткових
полюсів
(Ом), індуктивність якірного кола LЯ (Гн), напруга
(В), останні параметри розрахуємо за
наступними формулами.
Згідно з цими
даними та користуючись довідниковою літературою, обираємо двигун типу 2ПН112МУХЛ4
з наступними параметрами:
- номінальна
потужність PН = 2,5 кВт;
- номінальна
швидкість обертання nН = 2120 об/хв;
- номінальна
напруга Uн= 110 В;
- коефіцієнт
корисної дії h = 76%;
- опір якоря Rя
= 0,196 Ом;
- опір додаткових
полюсів Rдп = 1,134 Ом;
- індукція в колі
якоря LЯ = 2,3 мГн;
Розраховуємо інші
параметри:
Номінальна
швидкість обертання:

рад/с
. (1.1)
Електромагнітна
потужність:
Номінальний струм
якоря:
A . (1.3)
Конструктивна
постійна двигуна:

. (1.4)
Номінальний
момент:
Н×м . (1.5)
Індуктивність
якірного кола :

мГн
.
Для забезпечення
нормальної роботи обраного електродвигуна живильний тиристорний перетворювач повинен
мати запас напруги.
Потрібна
максимальна випрямлена напруга перетворювача:
В , (1.6)
де
- коефіцієнт запасу
за напругою (1,2
1,3). Обираємо
=1,25.
2. Вибір схеми
тиристорного перетворювача
Тиристорні
перетворювачі поділяють:
-
за
призначенням: для живлення якірних кiл та обмоток збудження;
-
за
виконанням: реверсивні та нереверсивні.
Основними
параметрами є:
-
номінальна
випрямлена напруга (Udn);
-
номінальний
струм (Idn).
Обираємо схему
тиристорного перетворювача відповідно до завдання на курсовий проект. Обираю
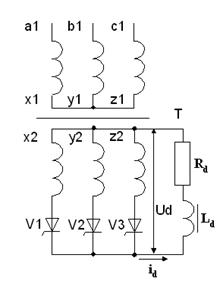
трифазну нульову схему. Така схема ТП наведена на рисунку 2.1.
Рисунок 2.1 -
Нульова схема тиристорного перетворювача
До складу
тиристорного перетворювача входять:
-
силовий
трансформатор або струмообмежувальний реактор (в даному випадку струмообмежувальний
реактор відсутній);
-
силовий
блок (напівпровідникові вентилі);
-
згладжуючий
реактор (при живленні якірних кіл постійного струму);
-
блок
керування та захисту;
-
комутаційна
апаратура;
-
система
охолодження (при
>100 А).
Живлення
тиристорних перетворювачів потужністю більш, ніж 1кВт здійснюється від
трифазної мережі змінного струму.
Залежно від
співвідношення напруги мережі та потрібної для роботи двигуна випрямленої
напруги, підключення перетворювача до мережі здійснюється через
струмообмежувальний реактор або через силовий трансформатор. Для даного
навантаження ми використовуємо силовий трансформатор. Така схема наведена на
рисунку 2.2.
Рисунок 2.2 –
Схема підключення тиристорного перетворювача до живильної мережі через силовий
трансформатор
При застосуванні
перетворювача для тиристорного живлення якірного ланцюга у вихідний ланцюг
включається дросель, що згладжує, для забезпечення режиму безупинного струму .
Така схема наведена на рисунку 2.3.
Рисунок 2.3 -
Робота тиристорного перетворювача на якір двигуна постійного струму
Тиристорний
перетворювач має захисти (рис. 2.4):
- від внутрішніх коротких замикань (КЗ) - за допомогою
швидкодіючих запобіжників FU, увімкнених з тиристором послідовно;
- від КЗ на стороні змінного і
постійного струмів - за допомогою автоматичного вимикача Q1 на вводі;
- від КЗ в колі навантаження -
за допомогою вимикача Q2;
- від перенапруг - за допомогою
"RC-кіл", увімкнених паралельно тиристорам, і "RC-фільтра",
який підключений на вході перетворювача.
Рисунок 2.4 -
Захист тиристорного перетворювача від перенапруги і коротких замикань
3. Розрахунок параметрів силового
трансформатора
Розрахункове
значення напруги
трансформатора, який живить
трифазний ТП під час його роботи на якір двигуна постійного струму в зоні
безперервних струмів, з урахуванням необхідного запасу напруги в силовому колі,
визначається за формулою:
, (3.1)
де
– розрахунковий коефіцієнт, що
характеризує відношення напруги 
у залежності від типу схеми. (
);
– коефіцієнт запасу за напругою, що
враховує можливе значення напруги мережі до
. (
);
– коефіцієнт запасу за напругою, що
враховує неповне відкриття вентилів при максимальному керуючому сигналі. (
);
– коефіцієнт запасу за напругою, що
враховує спад напруги в обмотках трансформатора, власний опір вентиля та
перекриття анодів. (
=1,05);
– максимальна випрямлена напруга
ТП.

В .
Розрахунок
лінійної напруги :

. (3.2)
Розрахункове
значення струму вторинної обмотки трансформатора:

А , (3.3)
де
- коефіцієнт схеми, який характеризує
відношення струмів 
(КСХ =0,577);
- коефіцієнт, що враховує відхилення
форми струму вентилів від прямокутника,
=1,05;
- номінальний випрямлений струм
перетворювача, приймається рівним номінальному струму якоря двигуна
.
Коефіцієнт трансформації трансформатора:
. (3.4)
Діюче значення струму первинної обмотки
дорівнює:
А . (3.5)
Розрахункова потужність трансформатора:
, (3.6)
де
- коефіцієнт схеми, який характеризує
співвідношення потужностей.
.
Складаємо таблицю специфікації за отриманими
даними.
Таблиця 3.1 – Специфікація трансформатора для
ТП
|
Sн, кВ×А
|
Вторинна Обмотка
|
Перетворювач
|
|
UЛ,В
|
I1Ф,А
|
UФ,В
|
I2Ф,А
|
Ud,В
|
Idн, А
|
|
5,305
|
380
|
7,12
|
149,36
|
18,121
|
110
|
29,91
|
Трансформатор не є необхідним элементом для
живлення тиристорного перетворювача, у випадку, якщо напруга мережі і
выпрямлена напруга близько співвідносяться один з одним. У цьому випадку підключення
тиристорного перетворювача до живильної мережі виробляється через
струмообмежувальний реактор.
Якщо потрібного трансформатора не вдалося
підібрати серед серійно виготовлених, то підготувати придатний трансформатор не
важко на базі серійного, якщо перемотати витки на його вторинній обмотці.
Напівпровідниковий перетворювач з
трансформатором має значні габарити і масу, а також високу вартість.
4. Розрахунок параметрів та вибір
тиристорів
Середнє значення
струму тиристора з урахуванням умов охолоджування:
А , (4.1)
де Кі -
коефіцієнт співвідношення струму, визначений залежно від застосованої схеми.
Кі=0,333;
- коефіцієнт , який враховує
інтенсивність охолоджування силового вентиля. (КОХ = 0,333 –
природне охолодження, тому що Idн < 100 A).
Максимальна
зворотна напруга:
В , (4.2)
де
- коефіцієнт співвідношення напруг,
визначений залежно від застосованої схеми. (
=2,09).
Вибір тиристорів
проводиться з урахуванням середнього значення струму через тиристор,
максимального значення зворотної напруги та умов охолодження.
Використовуючи
довідникову літературу
[6] вибрали
тиристор Т-15-32-4.
Максимальна
зворотна напругаUVmax=400В;
Імпульсна напруга
при відкритому положенніdU=2,4 В;
Максимально
допустимий струм при відкритому положенні I=32 А.
5. Вибір системи керування. Складання
функціональної схеми ЛПП
Принцип роздільного керування полягає в тому, що
відкриваючі імпульси подаються тільки на одну групу, яка знаходиться в роботі,
при цьому інша вентильна група (ВГ) закрита. У такому випадку відсутня
необхідність у зрівняльних реакторах, що знижує масогабаритні показники ТП.
Система керування ТП містить систему імпульсно-фазового керування (СІФК1 і
СІФК2), що подає керуючі імпульси на тиристори вентильних груп (ВГ1 і ВГ2) у
визначений момент. Логічне перемикаюче пристрій виконує наступні функції:
1. Вибір групи для роботи в залежності
від знака керуючої напруги
- різниці напруги,
що задає, і напруги зворотного зв'язку;
2. Заборона відкривання непрацюючої
групи при наявності струму в працюючій групі;
3. Заборона зняття відкриваючих
імпульсів із працюючої групи при протіканні по ній струму;
4. Забезпечення тимчасової паузи перед
включенням групи, що вступає в роботу.
Інформацію про
наявність струму в працюючій групі дає датчик нульового струму (ДНС). Датчик
керування (ДК) видає сигнал
, якщо
для ВК1. І
,
якщо
для ВК2.
У даному випадку
- сигнали наявності струму;
- сигнали заборони на відкривання ВК1 і
ВК2.
Схему ЛПП можна
представити у виді, зазначеному на рисунку 5.1.
Алгоритм роботи
даного ЛПП описується структурними формулами:
(5.1)

Рисунок 5.1 –
Схема ЛПП реверсивного ТП
Відповідно з
(5.1) сигнал y1 подається на СІФК1, якщо x2=1 або x2=0
i x1=0, але x0=1. Аналогічно y2=0, якщо x1=1
або x1=x2=0, але x0=0.
Як видно із
системи, схема реалізується тільки за допомогою елементів І і АБО–НІ, що є
одними з найпростіших і дешевих.
Таблиця 5.1 -
Таблиця дійсності ЛПП
|
X1
|
X2
|
X0
|
Y1
|
Y2
|
|
0
|
0
|
0
|
0
|
1
|
|
0
|
0
|
1
|
1
|
0
|
|
0
|
1
|
0
|
1
|
0
|
|
0
|
1
|
1
|
1
|
0
|
0
|
0
|
0
|
1
|
|
1
|
0
|
1
|
0
|
1
|
|
1
|
1
|
0
|
1
|
1
|
|
1
|
1
|
1
|
1
|
1
|
6. Розрахунок параметрів дроселя, що
згладжує
Розрахунок
проводиться за умов забезпечення безперервного струму в діапазоні регулювання
=( 0...350 )- для нульової
схеми.
Режим
переривчастих струмів – це такий режим, при котрому між інтервалами провідності
вентилів мають мiсце безструмові паузи. Дросель,
що згладжує, за рахунок енергії запасеної в ньому, підтримує струм безперервним
та згладжуває криву струму.
Індуктивний опір вторинної
обмотки трансформатора:
Ом , (6.1)
де
- напруга короткого замикання (3
7 % номінального).
Індуктивність
однієї фази трансформатора:
мГн . (6.2)
Необхідна індуктивність
для якірного кола: Розрахунок проводиться за
умов забезпечення безперервного струму в діапазоні регулювання від
= 0 до aгр при струмі навантаження 0,1
. Для забезпечення режиму безперервного
струму в діапазоні напруг, близьких до номінальних, значення
приймається 35° для нульової схеми. Необхідна
індуктивність для якірного кола системи ТП–Д визначається формулою:
мГн , (6.3)
де
- коефіцієнт , визначений згідно
графіком залежності
від кута a, де р=3 - число пульсацій
випрямленої напруги для нульової схеми (
=0,2).
Необхідна
величина індуктивності дроселя, що згладжує:
мГн . (6.4)
7. Розрахунок і
побудова регулювальної характеристики тиристорного перетворювача
Регулювальна
характеристика
визначається схемою
випрямлення та режимом роботи перетворювача. Розрізнюють два режими роботи:
переривчатий та безперервний. Кут керування, при якому ТП переходить в
переривчатий режим роботи, називається межовим. При роботі на активне
навантаження межовий кут визначається числом пульсацій випрямляча
:
(7.1)
При роботі на
активно-індуктивне навантаження межовий кут визначається струмом навантаження
та індуктивністю кола.
Для усіх схем
випрямлення регулювальна характеристика випрямляча, що працює в безперервному
режимі, виражається залежністю:
(7.2)
У режимі переривчатих струмів рівняння регулювальних
характеристик для нульової трифазної схеми мають вигляд:
(7.3)
Розраховуємо
значення Ud при зміні a від 0 до 120°. Отримані результати зводимо до
таблиці 7.1.
Таблиця 7.1 – Розрахункові значення для
побудування регулювальної характеристики
|
|
|
a,град
|
0
|
5
|
10
|
15
|
20
|
25
|
30
|
|
Ud, В
|
137,50
|
136,98
|
135,41
|
132,81
|
129,21
|
124,62
|
119,08
|
|
|
|
a,град
|
35
|
40
|
45
|
50
|
55
|
60
|
65
|
70
|
75
|
113,07
|
106,7
|
100,05
|
93,28
|
86,41
|
79,48
|
72,55
|
65,68
|
58,91
|
|
|
|
a,град
|
80
|
85
|
90
|
95
|
100
|
105
|
110
|
115
|
120
|
|
Ud, В
|
52,30
|
45,89
|
39,74
|
33,89
|
28,39
|
23,28
|
18,59
|
14,37
|
10,65
|
|
|
|
|
|
|
|
|
|
|
|
За таблицею 7.1
будуємо регулювальну характеристику
Рисунок 7.1 -
Регулювальна характеристика ТП
8. Визначення
коефіцієнта потужності ТП
Коефіцієнт
потужності ТП необхідно розраховувати для номінального режиму двигуна. У
загальному випадку значення коефіцієнту потужності
визначається відношенням активної потужності
P, що витрачається випрямлячем, до повної потужності S:
, (8.1)
де
- номінальна
активна потужність ТП:
P = U1*I1*cosj1 , (8.2)
- номінальна
повна потужність ТП:
, (8.3)
Кут зсуву j1 першої гармоніки струму по
відношенню до напруги можна прийняти рівним:
j1
, (8.4)
де g- кут комутації.
g = arccos(cosa+cosg0-1)- a , (8.5)
де g0- кут комутації при a = 0.
Значення кута
може бути знайдено за рівнянням:
. (8.6)
Знаходимо кут
:
(1-
)=20,6°.
За регулювальною
характеристикою (рисунок 7.1) визначаємо кут a, що відповідає номінальній
напрузі:
a =37,5 ° . (8.7)
Знаходимо кут
комутації g :
g = arccos(cos37,5°+ cos20,6°-1)- 37,5° =5,6°.
Знаходимо кут
зсуву j1 першої гармоніки струму по відношенню до напруги :
j1
=37,5°+
= 40,3°.
Знаходимо
коефіцієнт потужності ТП :
cos(40,3°)=0,76 .
9. Розрахунок та
побудова зовнішньої характеристики тиристорного перетворювача
Зовнішня
характеристика ТП – це залежність напруги на перетворювачі
від струму навантаження
.Зовнішні характеристики будуються для
чотирьох значень кута регулювання:
,
,
,
.
Рівняння
зовнішньої характеристики для трифазної нульової схеми:
, (9.1)
де
– еквівалентний активний опір фази
силового трансформатора, віднесений до вторинної обмотки, dU2 = 2,4 В – пряме падіння напруги на
тиристорі.
Знаходимо
приведений до вторинної обмотки активний опір первинної обмотки
:
, (9.2)
де K=1 – для
нульової схеми; m = 3 – число фаз трансформатора.
Знаходимо
активний опір дроселя
:
Знаходимо
еквівалентний активний опір фази силового трансформатора, віднесений до
вторинної обмотки :
, (9.4)
Ом.
Будуємо зовнішні
характеристики перетворювача для кутів регулювання:
,
,
,
Таблиця 9.1 –
Дані для побудови зовнішньої характеристики
|
=0
|
=30
|
=45
|
=60
|
|
Id,A
|
0
|
29,91
|
0
|
29,91
|
0
|
29,91
|
0
|
29,91
|
|
Ud,В
|
132,7
|
112,7
|
114,8
|
95,3
|
92,83
|
73,32
|
63,95
|
44,45
|
Рисунок 9.1 – Зовнішні
характеристики ТП
Середнє значення
напруги Ud у ТП знижується за рахунок комутаційних процесів, що відбуваються в
ньому. В результаті впливу анодної індуктивності струм з вентиля на вентиль
переходить не миттєво, а на інтервалі,
обумовленому кутом комутації. Струм проводять одночасно два тиристори однієї
групи (анодної чи катодний) і в цьому інтервалі потенціал анода чи катода
знижується.
10. Розрахунок
апаратури захисту
Для захисту
тиристорів від струмів короткого замикання широко використовують швидкодіючі
плавкі запобігачі, підключені послідовно з тиристорами. Можно приняти :
Іпр ³ Іvср Іпр
³ 29,91 А ,
де Іпр
– номінальний струм плавкої вставки;
Іvср –
діючий струм
тиристора при номінальному навантаженні.
Запобігачі
вибираю на напругу Uпр ,
яка не нижче за номінальну напругу ТП:
Uпр ³ Ud0 , Uпр
³137,5 В.
З довідника [4]
обираю запобігачі типу ПР-2 (Uпр~220-440 В, Іном=30 А): Захист від перенапруження та
зовнішних коротких замикань здіснюється швидкодіючими автоматичними вимикачами,
які можна встановити:
- в якірне коло
двигуна;
- в анодних колах
спрямовувача;
- на виході змінної
напруги ТП.
Автоматичні
вимикачі обираються таким чином:
На боці змінного
струму розцеплювача автомату струм повинен бути не нижче діючого струму кола:
(10.1)
де КН
– коефіцієнт розбігання характеристик розцеплювачів (КН = 1,2);
КСХ – коефіцієнт схеми, визначений у [1] (КСХ = 0,577);
КФ – коефіцієнт форми струму (
= 1,05
1,1),
приймаємо
= 1,1.
Інрасц
³ 1,2*0,577*1,1*29,91 = 22,78 А .
При встановленні
автоматичного вимикача в коло постійного струму, струм розцеплювача автомату
визначається за співвідношенням:
Інрасц
³ КН × Іd , Інрасц
³ 1,2*29,91 = 35,892 А.
Струм
спрацьовування електромагнітного розцеплювача повинен бути нижче за струм, що
проходить через перетворювач при КЗ, але вище за максимальний робочій струм:
Іустем
³ КН × Іdтах , (10.2)
де Іdтах
– максимальне значення струму ТП в робочому режимі (2,5× Іd).
Іустем
³ 1,2×2,5×29,91 = 89,73 А.
За даними
розрахунків з довідника [4] обираю автоматичні вимикачі серії AE 1031, які
мають наступні параметри:
Інрасц=40 А;
Іустем=90 А.
Висновки
Результатом
виконання даного курсового проекту є розроблення тиристорного перетворювача
змінного струму у постійний. Тиристорний перетворювач використовується для
живлення двигуна постійного струму 2ПН112МУХЛ4, обраного згідно з початковими даними.
Під час
розрахунку я закріпив та розширив свої знання у галузі перетворювачів. Для
розрахунку була взята, згідно з завданням, трифазна нульова схема, яка є
найбільш розповсюдженою.
З двох існуючих
засобів керування тиристорними групами – спільного та роздільного – у курсовому
проекті наданий роздільний. При роздільному керуванні імпульси, що відмикають,
подаються на тиристори тільки тієї групи, що у даний момент бере участь у
роботі. При такому керуванні зрівняльних струмів не виникає, але система виходить
з невисокою швидкодією. Незважаючи на це, системи з роздільним керуванням
застосовуються частіше, ніж системи зі спільним керуванням.
Перелік
використаної літератури
1.
Методичні
вказівки до курсової роботи "Розрахунок параметрів і вибір елементів тиристорних
електроприводів постійного струму" / Шумяцький В.М., Светличний А.В., Кузьмін
О.В. - Донецьк, ДонНТУ, 2002.
2.
Справочник
по електрическим машинам: в 2 т. / под общ. ред. И.И. Копылова и В.К. Клокова,
т.1 - М.: Энергоатомиздат, 1988. - 456 с.
3.
Стандарт
ДонГТУ "Структура и правила оформления документов по всем видам учебной
работы" / Сафьянц С.М., Иванов А.И., Кравцов В.В., Кондрацкий В.Л. – ДонГТУ.
– 1999.
4.
Справочник по
проектированию электропривода, силовых и осветительных устроиств: под ред.
Я.М.Большама, - М.: Энергия, 1974. – 728 с.
5.
Силовые
полупроводниковые приборы: Справочник / О.Г. Чебовский, Л.К. Моисеев, Р.П.
Недошивен. - М.: Энергоатомиздат, 1985. - 400 с.
6.
Гуревич Б.М.,
Иваненко М.С. – Справочник по электроники для молодого рабочего. – М.: Вышая
школа, 1983. – 272 с.
7.
Терехов В.М.
Элементы автоматизированного электропривода. - М.: Энергоатомиздат, 1978. - 224
с.