Розрахунок приводу трансмісії
Зміст
Вступ
1. Кінематичний розрахунок приводу і
вибір електродвигуна
2. Розрахунок закритих зубчастих передач
2.1 Розрахунок конічної пари
2.2 Розрахунок циліндричної пари
3. Розрахунок ланцюгової передачі
4. Розрахунок валів по еквівалентним моментам
5. Підбір підшипників кочення по
динамічній вантажопідйомності
6. Підбір шпонок і перевірка шпонкових з’єднань
7. Уточнений розрахунок валів
8. Конструктивні розміри корпусу і кришки редуктора
9. Тепловий розрахунок редуктора і вибір сорту мастила
10. Вибір і перевірка муфт
11. Збирання і регулювання редуктора
Список використаної літератури
Вступ
"Деталі
машин" є першим з розрахунково-конструкторських курсів, в якому вивчають основи
проектування машин і механізмів.
Будь-яка
машина (механізм) складається з деталей.
Деталь
— така частина
машини, яку виготовляють без складальних операцій. Деталі можуть бути простими
(гайка, шпонка і т. п.) або складними (колінчастий вал, корпус редуктора,
станина верстата і т. п.). Деталі (частково або повністю) об'єднують у вузли.
Вузол
є закінченою
складальною одиницею, що складається з ряду деталей, що мають загал
функціональне призначення (підшипник кочення, муфта, редуктор і т. п.). Складні
вузли можуть включати декілька простих вузлів (підвузлів); наприклад, редуктор
включає підшипники, вали з насадженими на них зубчатими колесами і т.п.
Серед
великої різноманітності деталей і вузлів машин виділяють такі, які застосовують
майже у всіх машинах (болти, вали, муфти, механічні передачі і т. п.). Ці
деталі (вузли) називають деталями загального призначення і вивчають в курсі "Деталі
машин". Всі інші деталі (поршні, лопатки турбін, весельні гвинти і т. п.)
відносяться до деталей спеціального призначення і вивчають в спеціальних курсах.
Деталі
загального призначення застосовують в машинобудуванні в дуже великих кількостях
(наприклад, в СРСР щорічно виготовляють близько мільярда зубчатих коліс). Тому будь-яке
удосконалення методів розрахунку і конструкції цих деталей, дозволяюче зменшити
витрати матеріалу, знизити вартість виробництва, підвищити довговічність,
приносить великий економічний ефект.
1. Кінематичний розрахунок
приводу і вибір електродвигуна
Вихідні дані:
кВт,
рад/с,
град.
Рис.1.1. Привід трансмісії
Визначаємо
загальний ККД приводу:
; (1.1)
де
- ККД пари циліндричних коліс,
=0,98 (див.табл.1.1[1]);
- ККД пари конічних коліс,
=0,97 ;
- ККД ланцюгової передачі,
=0,95;
- ККД підшипників кочення,
=0,99.
Потрібна
потужність електродвигуна:
кВт. (1.2)
Частота обертання
вихідного валу трансмісії:
об/хв. (1.3)
З таблиці П1 [1]
по потрібній потужності
кВт вибираємо
електродвигун трифазний короткозамкнений закритого типу 4А 132М4 У3 з
синхронною частотою обертання 1500 об/хв. і параметрами
=
11 кВт і ковзанням 2,8%(ГОСТ 19523-81).
Номінальна
частота обертання
об/хв., а кутова швидкість
рад/с.
Визначимо
загальне передаточне відношення:
, (1.3)
Згідно до ГОСТ
2185-66 приймаємо передаточні відношення:
-
для
конічної пари
,
-
для циліндричної
пари
,
-
для
ланцюгової передачі
.
Визначаємо
обертові моменти:
-
на валу
двигуна (валу 1 редуктора):
Н·мм
-
на валу 2
редуктора:
Н·мм
-
на валу 3
редуктора:
Н·мм
-
на валу 4
трансмісії:
Н·мм
Частота обертання:
-
валу 1
редуктора:
об/хв.
-
валу 2
редуктора:
об/хв.
-
валу 3
редуктора:
об/хв.
- валу 4 трансмісії:
об/хв.
(див. вище).
Визначаємо кутову
швидкість:
- на валу 1 редуктора:
рад/с;
- на валу 2 редуктора:
рад/с;
- на валу 3 редуктора:
рад/с;
- на валу 4 трансмісії:
рад/с.
Отримані
результати зводимо до таблиці 1.1:
Таблиця 1.1. Результати розрахунку
основних параметрів приводу трансмісії.
|
Пара-
Метр
Вал
|
Частота обертання, об/хв
|
Кутова швидкість, рад/с
|
Крутний момент, Н·мм
|
Потужність, кВт
|
|
1
|
1458
|
152,6
|
72·103
|
11
|
|
2
|
650,9
|
68,1
|
161,5·103
|
10,61
|
|
3
|
290,6
|
30,4
|
361,7·103
|
10,24
|
|
4
|
172
|
18
|
556·103
|
10
|
2. Розрахунок закритих зубчастих передач
2.1 Розрахунок
конічної пари
Приймаємо для
шестерні і колеса одну і ту ж марку сталі з різною термообробкою (вважаючи, що
діаметр заготовки шестерні не перевищить 120 мм).
По табл. 3.3.[1]
приймаємо для шестерні сталь 40Х покращену з твердістю НВ270; для колеса сталь
40Х покращену з твердістю НВ245.
Допустимі
контактні напруження (по формулі 3.9. [1]):
МПа.
Тут прийнято по
табл. 3.2. [1] для колеса
Мпа.
При тривалій
експлуатації коефіцієнт довговічності
=1.
Коефіцієнт
безпеки приймаємо
=1,15.
Коефіцієнт
при консольному розміщенні шестерні -
(див. табл.3.1. [1]).
Коефіцієнт ширини
вінця по відношенню до зовнішньої конусної відстані
(рекомендація
ГОСТ 12289-76).
Зовнішній
ділильний діаметр колеса:
; (2.1)
В цій формулі для
прямозубих передач
; передаточне число
;
мм
Приймаємо по ГОСТ
12289-76 найближче стандартне значення
мм.
Приймаємо число
зубів шестерні
.
Число зубів
колеса
(2.2)
Оскільки числа
зубів отримано без заокруглень, то відхилення від заданого передаточного
відношення не проводимо.
Зовнішній коловий
модуль
мм (2.3)
Уточнюємо
значення
мм (2.4)
Відхилення від
стандартного значення складає
, що допустимо, так
як менше допустимих 2%.
Кути ділильних
конусів
;
;
Зовнішня конусна
відстань
і довжина зуба
:
мм; (2.5)
мм (2.6)
Приймаємо
мм.
Зовнішній
ділильний діаметр шестерні:
мм (2.7)
Середній
ділильний діаметр шестерні:
мм (2.8)
Зовнішні діаметри
шестерні і колеса (по вершинам зубів):
мм (2.8)
мм (2.9)
Середній коловий
модуль:
мм (2.10)
Коефіцієнт ширини
шестерні по середньому діаметру:
(2.11)
Середня колова
швидкість коліс:
м/с (2.12)
Для конічних
коліс, як правило, призначають 7-у степінь точності.
Для перевірки
контактних напружень визначаємо коефіцієнт навантаження:
(2.13)
По табл.. 3.5 [1]
при
, консольному розміщенні коліс і
твердості
коефіцієнт, враховуючий розподілення
навантаження по довжині зуба,
. Коефіцієнт, що враховує розподілення
навантаження між прямими зубами,
(див. табл.3.4 [1]).
Коефіцієнт, який
враховує динамічне навантаження в зачепленні, для прямозубих коліс при
м/с
(див.
табл. 3.6 [1]).
Таким чином,
.
Перевіряємо
контактне напруження:
, (2.14)

МПа.
Сили в
зачепленні:
- колова
Н; (2.15)
- радіальна для шестерні, рівна
осьовій для колеса,
Н (2.16)
- осьова для шестерні, рівна
радіальній для колеса,
Н (2.17)
Перевірка зубів
на витривалість по напруженням згину:
. (2.18)
Коефіцієнт
навантаження
. (2.19)
По табл. 3.7 [1]
при
, консольному розміщенні коліс, валах на
роликових підшипниках і твердості
значення
.
По табл.3.8 при
твердості
, швидкості
м/с і
7-й степені точності
(значення взято для 8-ї
степені точності у відповідності з вказівкою на с.53 [1]).
Тоді,
.
- коефіцієнт форми зуба вибираємо в
залежності від еквівалентних чисел зубів:
- для шестерні
; (2.20)
- для колеса
. (2.21)
При цьому
і
(див
ст. 42 [1]).
Допустиме
напруження при перевірці зубів на витривалість по напруженням згину:
(2.22)
По табл. 3.9 [1]
для сталі 40Х покращеної при твердості
. (2.23)
Для шестерні
МПа.
Для колеса
МПа.
Коефіцієнт запасу
міцності
(2.24)
По табл. 3.9 [1]
; для поковок і штамповок
. Таким чином,
.
Допустимі
напруження при розрахунку зубів на витривалість:
- для шестерні
МПа;
- для колеса
МПа.
Для шестерні
відношення
МПа.
Для колеса -
МПа.
Подальший
розрахунок ведемо для зубів колеса, так як отримане відношення для нього менше.
Перевіряємо зуб
колеса:
МПа
МПа.
2.2 Розрахунок
циліндричної пари
Так як в завданні нема особливих вимог до габаритів
передачі, то обираемо матеріали з середніми механічними характеристиками: для шестерні сталь 45, термічна обробка - покращення, твердість НВ 230;для колеса – сталь
45, термічна обробка - покращення, але твердість на 30 одиниць менше – НВ200.
Допустимі
контактні напруження:
,
де 
- межа міцності при базовому числі циклів.
По табл.. 3.2
(1)для вуглецевих сталей з твердістю поверхонь зубів не менше
НВ350 і термічною обробкою (покращенням )
– коефіціент довговічності ;при числі
циклів навантаження більше базового ,що має місце при тривалій експлуатації
редуктора, приймають
; коефіцієнт безпеки
Для косозубих
коліс розрахункове контактне допустиме напруження :
Для шестерні:
МПа
Для колеса:
МПа
Тоді розрахункове
допустиме контактне напруження:
МПа
Потрібна умова
виповнена
Коефіцієнт К
, не дивлячись на симетричне розміщення
коліс відносно опор приймемо вище рекомендованого для цього випадку, так як зі
сторони ланцюгової передачі діють сили, які викликають додаткову деформацію
веденого валу і погіршують контакт зубів. Приймаємо попередньо по табл.3.1[1],
як у випадку несиметричного розміщення коліс, значення
.
Приймаємо для
косозубих коліс коефіцієнт ширини вінця по міжосьовій відстані
(див с.36 [1]).
Міжосьова
відстань за умови контактної витривалості активних поверхонь зубів по формулі
(3.7) [1]:
мм, (2.25)
де для косозубих
коліс
, а передаточне число коліс
.
Найближче
значення міжосьової відстані по ГОСТ 2185-66
мм
(див. с.36[1]).
Нормальний модуль
зачеплення приймемо по наступній рекомендації:
мм; (2.26)
приймаємо по
ГОСТ9653-60
(див. с.36 [1]).
приймаємо
попередньо кут нахилу зубів
і визначаємо числа
зубів шестерні і колеса:
(2.27)
Приймаємо
, тоді
Уточнене значення
кута нахилу зубів:
; (2.28)
Основні розміри
шестерні і колеса:
- діаметри ділильні:
мм (2.29)
мм (2.30)
Перевірка:
мм.
- діаметри вершин
зубів:
мм; (2.31)
мм; (2.32)
Ширина колеса
мм.
Ширина шестерні
мм = 69 мм.
Визначаємо
коефіцієнт ширини шестерні по діаметру:
(2.33)
Колова швидкість
коліс і степінь точності передачі
м/с. (2.34)
При такій
швидкості для косозубих коліс слід приймати 8-у степінь точності.
Коефіцієнт навантаження
(2.35)
Значення
при
0,69,
твердості НВ≤350 і несиметричному розміщенні коліс відносно опор з врахуванням згину
веденого валу від натягу ланцюгової передачі
.
По табл. 3.4 [1]
при
м/с і 8-й степені точності
. По табл. 3.6 [1] для косозубих коліс
при даній швидкості маємо
. Таким чином
.
Перевірка
контактних напружень:
(3.36)
Сили, що діють в
зачепленні:
- колова:
Н; (3.37)
радіальна:
Н; (3.38)
- осьова:
Н; (3.39)
Перевіряємо зуби
на витривалість по напруженням згину:
(3.40)
Тут коефіцієнт
навантаження
. По табл. 3.7[1] при
0,69, твердості
і
несиметричному розміщенні зубчастих коліс відносно опор
.
По табл.3.8[1]
. Таким чином коефіцієнт
;
-
коефіцієнт, який враховує форму зуба і залежить від еквівалентного числа зубів
:
- у шестерні
; (3.41)
- у колеса
; (3.42)
і
(див.
с.42 [1]).
Допустиме
напруження:
; (3.43)
По табл. 3.9[1]
для сталі 45 покращеної при твердості
.
Для шестерні
МПа; для колеса
МПа.
- коефіцієнт безпеки, де
(по табл. 3.9[1]),
.
Тоді
.
Допустимі
напруження:
- для шестерні
МПа;
- для колеса
МПа.
Знаходимо
відношення
:
- для шестерні
МПа;
- для колеса
МПа.
Подальший
розрахунок слід вести для зубів колеса, для якого знайдене відношення менше.
Визначаємо
коефіцієнти
і
:
; (3.44)
; (3.45)
для середніх
значень коефіцієнта торцевого перекриття
і
8-ї степені точності
.
Перевіряємо
міцність зубів по формулі 3.40:
МПа
МПа.
Умова міцності
виконана.
3. Розрахунок
ланцюгової передачі
Вибираємо
привідний роликовий ланцюг (див. табл. 7.15[1]).
Крутний момент на
ведучій зірочці:
Н·мм.
Передаточне число
було прийнято раніше
.
Число зубів:
- ведучої зірочки
; (3.1)
- веденої зірочки
(3.2)
Приймаємо
і
.
Тоді фактичне
передаточне число:
Відхилення
, що допустимо.
Розрахунковий
коефіцієнт навантаження:
(3.3)
Де
- динамічний коефіцієнт при спокійному
навантаженні;
враховує вплив міжосьової
відстані [
при
];
- враховує вплив нахилу лінії центрів (
, якщо цей кут не перевищує 60°, в
даному випадку цей кут буде 180-160=20°);
-
враховує спосіб регулювання натягу пасів (в даному випадку при періодичному
регулюванні);
при безперервному змащуванні;
- враховує тривалість роботи на протязі
доби (для даного випадку при однозмінній роботи).
Для визначення
кроку ланцюга потрібно знати допустимий тиск
в
шарнірах ланцюга. В табл. 7.18 [1] допустимий тиск
заданий
в залежності від частоти обертання ведучої зірочки і кроку
. Тому для розрахунку величиною
слід задаватися орієнтовно.
Ведуча зірочка
має частоту обертання:
об/хв. (3.4)
Середнє значення
допустимого тиску при
об/хв
=20
МПа.
Крок однорядного
ланцюга (
):
мм. (3.5)
Підбираємо по
табл. 7.15[1] ланцюг ПР-31,75-88,50 по ГОСТ 13568-75, яка має
мм; руйнуюче навантаження
кн; масу
кг/м;
мм2 .
Швидкість
ланцюга:
м/с. (3.6)
Колова сила:
Н. (3.7)
Тиск в шарнірі
перевіряємо по формулі:
МПа (3.8)
Уточнюємо по
табл. 7.18 [1] допустимий тиск:
.
Умова
виконана. В цій формулі 20 МПа –
табличне значення допустимого тиску по табл. 7.18 [1] при
об/хв і
мм.
Визначаємо число
ланок ланцюга:
. (3.9)
Де
40;
;
.
Тоді
Округлюємо до
парного числа
.
Уточнюємо
міжосьову відстань ланцюгової передачі:
; (3.10)
мм
Для вільного
провисання ланцюга передбачено можливість зменшення міжосьової відстані на 0,4%
тобто на 1274·0,004=5,1 мм.
Визначаємо
діаметри ділильних кіл зірочок:
мм. (3.11)
мм.
Визначаємо
діаметри зовнішніх кіл зірочок:
; (3.12)
де
мм – діаметр ролика ланцюга.
мм;
мм;
Сили, що діють на
ланцюг:
- колова
Н – визначена раніше;
- від відцентрових сил:
Н (3.13)
де
кг/м по табл. 7.15[1];
- від провисання:
Н (3.14)
де
при куті нахилу передачі 20°(160°)
Перевіряємо
коефіцієнт запасу міцності ланцюга:
. (3.15)
Це більше ніж
нормативний коефіцієнт запасу
(див. табл. 7.19[1]),
отже умова 
виконана.
Основні розміри
зірочок:
- ступиця:
мм;
мм;
мм, приймаємо
мм;
мм, приймаємо
мм.
- товщина диска
зірочок
мм, де
-
відстань між пластинами внутрішньої ланки (див. табл. 7.15).
4. Розрахунок валів по
еквівалентним моментам
Розрахунок
виконуємо на кручення по пониженим допустимим напруженням.
Крутні моменти в
поперечних перерізах валів:
- ведучого (І)
Н·мм;
- веденого (ІІ)
Н·мм;
- веденого (ІІІ)
Н·мм;
- валу трансмісії (ІV)
Н·мм.
Ведучий вал І.
Діаметр вихідного
кінця при допустимому напруженні [
]=25 МПа:
мм.
Ведений вал ІІ.
Діаметр валу ІІ
(посадочне місце під підшипник) при допустимому напруженні [
]=25 МПа:
мм.
Ведений вал ІІІ.
мм.
Вал трансмісії ІV.
мм.
5. Підбір
підшипників кочення по динамічній вантажопідйомності
Ведучий вал (І):
Сили, що діють в
зачепленні:
Н,
,
Н.
Реакції опор
(ліву опору, яка сприймає зовнішню осьову силу
,
позначимо індексом ˝2˝).
В площині
:
; (5.1)
Н (5.2)
; (5.3)
Н (5.4)
Перевірка:
.
В площині
:
; (5.5)
Н; (5.6)
; (5.7)
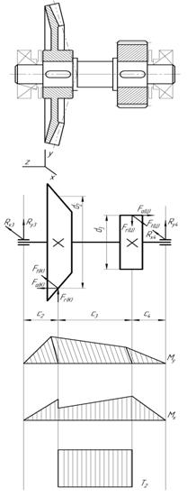
Рис.5.1. Розрахункова схема валу(І).
Н (5.8)
Перевірка:
.
Сумарні реакції:
Н; (5.9)
Н. (5.10)
Підбираємо
підшипники по більш навантаженій опорі. Відмічаємо радіальні конічні підшипники
7207 (див. додатки, табл. П3 [1]):
мм,
мм,
мм,
кН і
кН.
Осьові складові
радіальних реакцій конічних підшипників:
Н; (5.11)
Н. (5.12)
тут для
підшипників 7207 параметр осьового навантаження
.
Осьові
навантаження підшипників:
в нашому випадку
,
;
тоді
Н;
Н.
Розглянемо лівий
підшипник.
Відношення
, тому слід враховувати осьове
навантаження.
Еквівалентне
навантаження:
; (5.13)
Для заданих умов
; для конічних підшипників при
коефіцієнт
і
коефіцієнт
.
Еквівалентне
навантаження
Н = 2,76 кН.
Розрахункова
довговічність, млн. об.:
млн.об. (5.14)
Розрахункова
довговічність, год:
год. (5.15)
Де
об/хв. – частота обертання ведучого
валу.
Розглянемо правий
підшипник.
Відношення
,
тому осьове
навантаження не враховується.
Еквівалентне
навантаження:
Н;
Розрахункова
довговічність, млн. об.:
млн.об.
Розрахункова
довговічність, год:
год.
Знайдена
довговічність прийнятна.
Проміжний вал
(ІІ): Аналогічно склавши рівняння
моментів і перевіривши потім отримані з них значення підстановкою в рівняння
сил ми маємо:
н,
Н,
Н,
Н.
Визначаємо сумарні
реакції:
Н;
Н.
Підбираємо
радіально-упорні кулькові підшипники 36207 (див. додатки, табл. П3 [1]):
мм,
мм,
мм,
кН і
кН.
Відношення
, тому еквівалентне навантаження:
; (5.13)
Для заданих умов
; для радіально-упорних підшипників при
коефіцієнт
і
коефіцієнт
.
Еквівалентне
навантаження
Н = 1,2 кН.
Рис.5.2. Розрахункова схема валу(ІІ) Розглянемо
лівий підшипник.
Розрахункова
довговічність, млн. об.:
млн.об. (5.14)
Розрахункова
довговічність, год:
год. (5.15)
Де
об/хв. – частота обертання ведучого
валу.
Розглянемо правий
підшипник.
Еквівалентне
навантаження
Н = 1,3 кН.
Розрахункова
довговічність, млн. об.:
млн.об.
Розрахункова
довговічність, год:
год.
Знайдена
довговічність прийнятна
Вихідний вал
(ІІІ):
Склавши рівняння
моментів і перевіривши потім отримані з них значення підстановкою в рівняння
сил ми маємо:
н,
Н,
Н,
Н.
Визначаємо
сумарні реакції:
Н;
Н.
Підбираємо
радіальні кулькові підшипники 309 (див. додатки, табл. П3 [1]):
мм,
мм,
мм,
кН,
кН.
Відношення
, цій величині по табл. 9.18[1] відповідає
. Відношення
,
і
тому
еквівалентне навантаження:
Н = 1,7 кН.
Розрахункова
довговічність, млн. об.:
млн.об.
Розрахункова
довговічність, год:
год.
Де
об/хв. – частота обертання ведучого
валу.
Знайдена
довговічність прийнятна.
6. Підбір
шпонок і перевірка шпонкових з’єднань
Для редуктора
підбираємо шпонки призматичні із заокругленими торцями. Матеріал шпонок – сталь
45 нормалізована.
Напруження
зминання і умова міцності:
; (6.1)
Допустимі
напруження зминання при стальній маточина
МПа,
при чавунній
МПа.
Ведучий вал:
мм,
мм,
, довжина шпонки
мм
(при довжині маточини півмуфти МУВП 80мм, див табл. 11.5 [1]); момент на
ведучому валу
Н·мм;
МПа
.
(матеріал півмуфт
МУВП чавун марки СЧ 20).
Проміжний вал: з
двох шпонок – під конічним зубчастим колесом і циліндричною шестернею – більш
навантажена перша (менша довжина маточини, а отже і шпонки)
мм,
,
, довжина шпонки
мм
при довжині маточини зірочки 44 мм.; момент
Н·мм;
МПа
.
Вихідний вал: : з
двох шпонок – під зубчастим колесом і зірочкою – більш навантажена друга,
мм,
,
довжина шпонки
мм;
момент
Н·мм;
МПа
(зірочки
виготовляють із термооброблених вуглецевих або легованих сталей).
7. Уточнений розрахунок валів
Приймаємо, що
нормальні напруження від згину міняються по симетричному циклу, а дотичні від
кручення – по нульовому(пульлсуючому).
Уточнений
розрахунок полягає у визначенні коефіцієнтів запасу міцності
для небезпечних перерізів і порівняння
їх з потрібними (допустимими) значеннями
.
Міцність
дотримується при
.
Ведучий вал.
Матеріал вала той
же, що і для шестерні (шестерня виповнена як одне ціле з валом), тобто сталь
45, термічна обробка – покращення.
По табл. 3.3. при
діаметрі заготовки до 120 мм (в нашому випадку
мм)
середнє значення
МПа.
Межа витривалості
при симетричному циклі згину
МПа. (7.1)
Межа витривалості
при симетричному циклі дотичних напружень
МПа (7.2)
Переріз А-А.
Цей переріз при передачі крутного моменту від електродвигуна через муфту
розраховуємо на кручення. Концентрацію напружень викликає наявність шпонкової
канавки.
Коефіцієнт запасу
міцності
, (7.3)
де амплітуда і
середнє напруження від нульового циклу
, (7.4)
При
мм;
мм,
мм по табл. 8.5 [1]:
мм3. (7.5)
МПа.
Приймаємо
(див. табл. 8.5 [1]),
(див. табл. 8.8 [1]) і
.
.
Такий великий
коефіцієнт запасу міцності пояснюється тим, що діаметр валу був збільшений при
конструюванні для з’єднання його муфтою з валом електродвигуна.
По тій же причині
перевіряти міцність в інших перерізах нема необхідності.
Рис. 7.1. Вал ведучий (І)
Проміжний вал.
Матеріал валу –
сталь 45 нормалізована;
МПа
Межі витривалості
МПа,
МПа.
Переріз А-А.
Діаметр валу в
цьому перерізі 38 мм.
Концентрація
напружень зумовлена наявністю шпоночної канавки (див. табл. 8.5 [1]):
і
;
масштабні фактори
;
.
Коефіцієнти
(див.
ст.163 і 166 [1]).
Крутний момент
Н·мм.
Момент опору
крученню (
мм,
мм,
мм)
мм3.
Момент опору
згину (див. табл.8.5 [1]):
мм3.
Рис. 7.2. Вал проміжний (ІІ)
Амплітуда і
середнє напруження циклу дотичних напружень:
МПа.
Амплітуда
нормальних напружень згину:
МПа.
Коефіцієнт запасу
міцності по нормальним напруженням:
10,2,
Результуючий
коефіцієнт запасу міцності для перерізу А-А:
.
Переріз Б-Б.
Оскільки діаметр
валу і розміри шпонкової канавки для цього перерізу такі ж, як і для А-А,
то результуючий коефіцієнт міцності в пих приблизно рівний.
Переріз В-В.
Концентрація
напружень зумовлена посадкою підшипника з гарантованим натягом (див. табл.8.7);
і
;
приймаємо
і
.
Осьовий момент
опору:
Н·мм
Амплітуда
нормальних напружень:
МПа;
.
Полярний момент
опору:
мм3.
Амплітуда і
середнє напруження циклу дотичних напружень:
МПа.
Коефіцієнт запасу
міцності по нормальним напруженням:
.
Коефіцієнт запасу
міцності по дотичним напруженням:
.
Результуючий
коефіцієнт запасу міцності для перерізу В-В:
.
Аналогічно
проводимо розрахунок для перерізу Г-Г, а також для перерізів А-А, Б-Б і В-В вихідного валу(ІІІ)
редуктора. Результати заносимо до таблиці 7.1.
|
Вал
|
Переріз
|
|
А-А
|
Б-Б
|
В-В
|
Г-Г
|
|
Ведучий (І)
|
10,3
|
-
|
-
|
-
|
|
Проміжний (ІІ)
|
10,9
|
10,9
|
2,1
|
3,3
|
|
Вихідний (ІІІ)
|
3,5
|
6,1
|
4,2
|
3,2
|
Таблиця 7.1. Коефіцієнти запасу міцності
вперерізах валів.
Рис.7.3.Вал вихідний (ІІІ)
8.
Конструктивні розміри корпусу і кришки редуктора
Товщина стінки
корпуса редуктора:
мм, (8.1)
але згідно вимог (див. табл.10.2 [1]) приймаємо
мм.
Товщина стінки
кришки редуктора:
мм, (8.2)
але згідно вимог (див. табл.10.2 [1]) приймаємо
мм.
Товщина верхнього
фланця корпуса:
мм, (8.3)
приймаємо
мм.
Товщина нижнього
фланця корпуса:
мм. (8.4)
Товщина фланця
кришки редуктора:
мм, (8.5)
Діаметр
фундаментних болтів:
мм, (8.6)
приймаємо
мм.
Діаметр болтів,
які стягують корпус і кришку біля бобишок:
мм. (8.7)
приймаємо
мм.
Діаметр болтів,
які стягують фланці корпусу і кришки:
мм. (8.8)
приймаємо
мм.
Ширина опорної
поверхні нижнього фланця корпуса:
мм, (8.9)
де
- ширина фланця, згідно табл.10.3 [1]
для
мм
мм.
Товщина ребер корпуса:
мм. (8.10)
Приймаємо
мм.
Мінімальний зазор
між колесом і корпусом:
мм. (8.11)
Координата
стяжного болта біля бобики:
мм. (8.12)
Приймаємо
мм.
Найменша відстань
між обертовими колесами суміжних ступенів:
мм. (8.13)
Рис.8.1. Конструктивні елементи
корпуса і кришки редуктора.
9. Тепловий
розрахунок редуктора і вибір сорту мастила
При роботі
редуктора втрати потужності, викликані тертям в зачепленні і в підшипниках,
перемішуванням і розбризкуванням мастила, призводять до нагрівання деталей
редуктора і мастила. При нагріванні в’язкість мастила різко знижується, що
призводить до порушення режиму мащення. Нормальна робота редуктора буде
забезпечена, якщо температура мастила не перевищить допустиму.
Умова роботи редуктора
без перегріву:
. (9.1)
де
- температура мастила,°С;
- температура навколишнього повітря,°С
(зазвичай приймають
);
- потужність, яка підводиться,
кВт;
- ККД редуктора,
;
- коефіцієнт теплопередачі,
Вт (м2·°С);
- площа теплообмінної поверхні корпуса
редуктора,
м2;
- допустимий перепад температур між
маслом і навколишнім повітрям.
Тоді
.
Отже умова роботи
редуктора без перегріву виконана.
Змащування
зубчастого зачеплення проводиться зануренням зубчастого колеса в мастило, яке
заливається в корпус до рівня, який забезпечує занурення колеса приблизно на
10мм. Об’єм масляної ванни визначаємо із розрахунку 0,25 дм3 мастила
на 1 кВт передаваної потужності:
дм2.
По табл.10.10[1]
встановлюємо в’язкість мастила: при
МПа і швидкості
м/с рекомендована в’язкість мастила -
22·10-6 м2/с. По табл.10.10 приймаємо мастило
індустріальне И-20А (ГОСТ 20799-75).
10. Вибір і
перевірка муфт
Типорозмір муфти
вибирають по діаметру вала і по величині розрахункового крутного моменту:
; (10.1)
де
- коефіцієнт, який враховує умови
експлуатації, згідно табл.11.3[1]
;
- номінальний крутний момент на валу;
- допустиме значення крутного моменту.
Для приводу
трансмісії потрібно 2 муфти, в процесі роботи яких можливе деяке зміщення. Тому
обираємо жорсткі втулочно-пальцеві муфти (МУВП) по ГОСТ 21424-75.
Для з’єднання
електродвигуна з редуктором підбираємо муфту, яка підходить по діаметру
з’єднуваних кінців валів:
мм,
мм,
=250
Н·м. Перевіряємо:
Н·м
Н·м.
Для з’єднання
ланцюгової передачі з валом трансмісії підбираємо муфту з наступними
параметрами:
мм,
мм,
=750Н·м.
Перевіряємо:
Н·м
Н·м.
Отже, обрані
муфти задовольняють умовам міцності.
Рис.10.1. Основні розміри МУВП
(ГОСТ21424-75)
11. Збирання і регулювання
редуктора
Перед збиранням
внутрішню порожнину корпуса редуктора ретельно очищають і покривають
маслостійкою фарбою.
Збирання
проводять у відповідності до складального креслення редуктора, починаючи з
вузлів валів:
на ведучий вал
насаджують маслоутримуюче кільце і роликопідшипники, попередньо нагріті в маслі
до 80-100°С,між яким встановлюється розпорна втулка, після чого вал
встановлюється в стакан;для регулювання осьового положення конічної шестерні
забезпечують можливість переміщення при збиранні стакану за допомогою наборцу
металевих прокладок, які встановлюють під фланці стаканів;
в проміжний вал
закладають 2 шпонки і напресовують зубчасте колесо конічної передачі і шестерню
циліндричної пари до упору у відповідні бурти; потім надівають розпорні втулки,
масло утримуючі кільця і напресовують підшипники, попередньо нагріті в маслі;
в вихідний вал
закладають шпонку і напресовують циліндричне зубчасте колесо до упору в бурт
вала; потім надівають розпорну втулку, масло утримуючі кільця і встановлюють
підшипники, попередньо нагріті в маслі.
Зібрані вали
встановлюють в основу корпуса редуктора і надівають кришку корпуса, покривши
попередньо поверхні стику кришки і корпуса спиртовим лаком. Для центрування
встановлюють кришку на корпус за допомогою двох конічних штифтів; затягують
болти, які кріплять кришку до корпуса.
Після цього в
підшипникові камери закладають пластичне мастило, ставлять кришки підшипників з
комплектом металевих прокладок для регулювання.
Перед
встановленням наскрізних кришок в проточки закладають войлочні ущільнення,
просочені гарячим мастилом.
Перевіряють
прокручуванням валів відсутність заклинювання підшипників (вали повинні
прокручуватись від руки) і закріплюють кришки гвинтами.
Потім на кінець
вхідного валу в шпоночну канавку встановлюється шпонка, на яку встановлюють
півмуфту (МУВП) для з’єднання з валом електродвигуна. На кінець вихідного валу
встановлюють зірочку ланцюгової передачі і закріплюють її торцевим кріпленням,
попередньо заклавши шпонку в канавку. Гвинт торцевого кріплення стопорять
спеціальною планкою.
Потім вкручують
пробку масло зливного отвору з прокладкою і жезловий масловказівник.
Заливають в
корпус мастило і закривають оглядовий отвір кришкою з прокладкою із технічного
картону, закріплюють кришку болтами.
Зібраний редуктор
обкатують і піддають випробуванням на стенді по програмі, встановленій
технічними умовами.
Список
використаної літератури
1.
С.А.Чернавский,
К.Н.Боков и др. Курсовое проэктирование деталей машин.- М:˝Машиностроение˝, 1987.- 415с.
2.
П.Ф.Дунаев,
О.П.Леликов. Конструирование узлов и деталей машин. – М: ˝Высшая
школа˝, 2001.-446с.
3.
Анурьев В.И. Справочник
конструктора-машиностроителя. Изд. 8-е в 3-х тт.— М.: Машиностроение, 1999.
4.
Детали машин. Атлас конструкций. Под ред. Решетова
Д.Н. Изд. 5-е в двух частях. М.: Машиностроение, 1992.
5.
Дунаев П.Ф., Леликов
О.П. Расчет допусков размеров.—
М.: Машиностроение, 2001.
6.
Дунаев П. Ф.,
Леликов О.П., Варламова Л.П. Допуски и посадки. Обоснование выбора.— М.: Высшая школа, 1984.
7.
Дунаев П.Ф.,
Леликов О.П. Детали
машин. Курсовое проектирование. Учебное пособие для техникумов. Изд. 2-е. М.:
Высшая школа, 1990.
8.
Иванов М.Н. Волновые зубчатые передачи.— М.:
Высшая школа, 1981.
9.
Иванов М.Н. Детали машин. Учебник для вузов. Изд.
6-е. М.', Высшая школа, 1998.
10.
Машиностроение.
Энциклопедия. М.:
Машиностроение, 1995. Детали машин. Конструкционная прочность. Трение, износ,
смазка. Т. IV—1/Под общ. ред. Д.Н. Решетова.
11.
Орлов П.И. Основы конструирования.— М.:
Машиностроение, т. 1, т. 2, 1988.
12.
Подшипниковые
узлы современных машин и приборов: Энциклопедический справочник/В.Б. Носов, И.М. Карпухин, Н.Н.
Федотов и др.; Под общ. ред. В.Б. Носова.— М.Г Машиностроение, 1997.