Регулируемый реверсивный тиристорный электропривод постоянного тока
Министерство образования и науки РФ
Государственное бюджетное
образовательное учреждение высшего профессионального образования
Национальный исследовательский
томский политехнический университет
Факультет - ЭНИН
Направление - Электропривод и
электрические машины
Кафедра - Электропривод и
электрооборудование
Пояснительная записка к курсовому
проекту
по дисциплине: «Системы управления
электроприводов»
Регулируемый реверсивный тиристорный
электропривод постоянного тока
ФЮРА 000000.000.ПЗ
Студент: гр. 5А0С3 Уткин А.Е.
Руководитель: доцент, к.т.н.
Кладиев С.Н.
Томск - 2013
Содержание
Введение
. Выбор
электрооборудования, расчет параметров элементов и характеристик силовой цепи
.1 Выбор
электродвигателя. Расчет параметров
.2 Выбор
комплектного регулируемого электропривода
.3
Определение области работы электропривода
.4 Выбор
силового трансформатора. Расчет параметров
.5 Выбор
сглаживающего реактора
.6 Расчет
параметров тиристорного преобразователя
.7
Определение параметров силовой цепи
.8
Определение параметров механической системы электропривода
.9 Проверка
обеспечения заданной области работы электропривода
.10 Расчет
электромеханических характеристик замкнутой системы преобразователь - двигатель
.11 Расчет
регулировочных характеристик системы СУ-ТП
. Оптимизация
трёхконтурной САУ СЭП
.1
Структурная схема САУ СЭП
.2
Оптимизация контура тока
.3
Оптимизация контура скорости
.3.1
Оптимизация контура скорости, настроенного на модульный оптимум
.3.2
Оптимизация контура скорости, настроенного на симметричный оптимум
.3.3
Оптимизация контура скорости, настроенного на симметричный оптимум с фильтром
на входе
. Отработка
контуром скорости возмущающих воздействий
.1 Контур
скорости, настроенный на модульный оптимум
.2 Контур
скорости настроен на СО
. Расчет статических
характеристик электропривода
.
Исследование линейной САУ РЭП
.
Исследование нелинейной САУ РЭП
.1 Отработка
нелинейной САУ РЭП UЗС=0,1 В
.2 Отработка
нелинейной САУ РЭП UЗС=5 В
.3 Отработка
нелинейной САУ РЭП UЗС=10 В
Заключение
Список
литературы
Графическая
часть:
Структурная
схема электропривода
Функциональная
схема электропривода
Введение
В данном курсовом проекте рассматривается регулируемый электропривод.
Регулируемым называется электропривод, который обеспечивает с заданной
точностью движение исполнительного органа рабочей машины в соответствии с
произвольно изменяющимся входным сигналом управления. Этот сигнал может
изменяться в широких пределах по произвольному временному закону и может быть
механическим или электрическим. Чаще всего входной сигнал представляет собой
скорость или угол поворота оси или вала задающего устройства. Регулируемый
электропривод применяется в металлообрабатывающих станках, для привода роботов
и манипуляторов, в автоматических измерительных устройствах и во многих других
случаях.
На рисунке 1 приведена структурная схема регулируемого электропривода.
Регулируемый электропривод состоит из датчиков 1 и 5, входного и выходного
сигналов, измерителя рассогласования 2, системы управления 3 и электродвигателя
с механической передачей 4, который приводит в движение исполнительный орган 6
рабочей машины.
Рисунок
1 - Структурная схема электропривода
Датчики
входной и выходной величин преобразуют механические величины (скорость или угол
поворота вала) в электрические - входной сигнал
и сигнал
обратной связи
. Измеритель рассогласования 2, алгебраически суммируя
эти сигналы, вырабатывает сигнал рассогласования
,
поступающий в систему управления электродвигателем 3. Следящий электропривод по
своей структуре представляет собой замкнутую систему, действующую по принципу
отклонения.
Система
управления 3 состоит из регулятора (усилителя) и силового преобразователя,
которые обеспечивают необходимое преобразование сигнала рассогласования
в напряжение
,
поступающее на двигатель. За счёт выбора схем регулятора и преобразователя или
введения корректирующих устройств обеспечивается необходимый закон изменения
этого напряжения во времени
при
отработке входного воздействия
или
.
Автоматическое
регулирование положения требует измерения углового перемещения рабочего органа
механизма и использования устройств, задающих эти перемещения.
Электродвигатель
и механическая передача 4 в соответствии с законом изменения
обеспечивают перемещение исполнительного органа 6.
Иногда двигатель с механической передачей называют исполнительным механизмом
(сервомеханизмом).
Классификация электроприводов
По количеству и связи исполнительных, рабочих органов.
· Индивидуальный, в котором рабочий исполнительный орган
приводится одним самостоятельным двигателем, приводом.
· Групповой, в котором один двигатель
приводит в действие исполнительные органы РМ или несколько органов одной РМ.
· Взаимосвязанный, в котором два или
несколько ЭМП или ЭП электрически или механически связаны между собой с целью
поддержания заданного соотношения или равенства скоростей, или нагрузок, или
положения исполнительных органов РМ.
· Многодвигательный, в котором
взаимосвязанные ЭП, ЭМП обеспечивают работу сложного механизма или работу на
общий вал.
· Электрический вал, взаимосвязанный
ЭП, в котором для постоянства скоростей РМ, не имеющих механических связей,
используется электрическая связь двух или нескольких ЭМП.
По типу управления и задаче управления
· Автоматизированный ЭП, управляемый путём
автоматического регулирования параметров и величин.
· Программно-управляемый ЭП,
функционирующий через посредство специализированной управляющей вычислительной
машины в соответствии с заданной программой.
· Следящий ЭП, автоматически
отрабатывающий перемещение исполнительного органа РМ с заданной точностью в
соответствии с произвольно меняющимся сигналом управления.
· Позиционный ЭП, автоматически
регулирующий положение исполнительного органа РМ.
· Адаптивный ЭП, автоматически
избирающий структуру или параметры устройства управления с целью установления
оптимального режима работы.
По характеру движения
· ЭП с вращательным движением.
· Линейный ЭП с линейными двигателями.
· Дискретный ЭП с ЭМП, подвижные части
которого в установившемся режиме находятся в состоянии дискретного движения.
По наличию и характеру передаточного устройства.
· Редукторный ЭП с редуктором или мультипликатором.
· Электрогидравлический с передаточным
гидравлическим устройством.
· Магнитогидродинамический ЭП с
преобразованием электрической энергии в энергию движения токопроводящей
жидкости.
По роду тока
· Переменного тока
· Постоянного тока
По степени важности выполняемых операций.
· Главный ЭП, обеспечивающий главное движение или
главную операцию (в многодвигательных ЭП).
· Вспомогательный ЭП
1. Выбор электрооборудования, расчет параметров элементов и характеристик
силовой цепи
.1 Выбор электродвигателя. Расчет параметров
Электродвигатель 2ПФ280МГ со следующими техническими данными [5, табл.
5.5, стр.80]:
Номинальная
мощность
Номинальное
напряжение
Номинальная
скорость вращения
Номинальный
КПД
Сопротивление
обмотки якоря
Сопротивление
обмотки добавочных полюсов
.
Момент
инерции
.
Индуктивность
цепи якоря
.
Номинальный
ток двигателя:
.
Номинальная
угловая скорость двигателя:
Сопротивление
двигателя в горячем состоянии
,
где
;
-
температура перегрева обмоток двигателя (принимаем
);
.
Коэффициент
ЭДС [
] и электромагнитного момента [
]:
Номинальный
момент:
Электромагнитный
момент, соответствующий номинальному току:
Момент
трения на валу двигателя:
Максимально
допустимый ток в течение 10с [5]:
.2
Выбор комплектного регулируемого электропривода
Выбираем
комплектный электропривод типа ЭПУ1М-2-4627МУХЛ4.
Номинальный
ток
.
Номинальное
напряжение
.
Номинальное
напряжение сети
.
Максимальный
ток
.3
Определение области работы электропривода
Рисунок
2 - Заданная область работы электропривода
Область
работы электропривода задана в четырех квадрантах плоскости координат:
Максимальная
угловая скорость электропривода
Максимально
допустимый ток электропривода
.4
Выбор силового трансформатора. Расчет параметров
Трансформатор
типа ТСЗП-160/0,7-УЗ
Мощность
S=143 кВА
Напряжение
первичной обмотки
.
Напряжение
вторичной обмотки
.
Активная
мощность потерь короткого замыкания в обмотках трансформатора
.
Относительное
напряжение сквозного короткого замыкания
.
Активное
и индуктивное сопротивления и индуктивность вентильной обмотки на фазу:
;
;
;
,
где
- число вентильных обмоток.
-
угловая частота питающей сети.
Схема силовой части показана на рисунке 3.
Рисунок 3 - Схема силовой части регулируемого электропривода
.5 Выбор сглаживающего реактора
Сглаживающий реактор отсутствует, т.к. это вызывает увеличение габаритов
и веса привода, его стоимости и ухудшение динамических свойств.
.6 Расчет параметров тиристорного преобразователя
Структурная схема тиристорного преобразователя приведена на рис. 4.
Рисунок
4 - Структурная схема тиристорного преобразователя
Среднее
значение выпрямленной ЭДС преобразователя при угле управления
(ЭДС холостого хода):
,
где
-коэффициент схемы выпрямления по напряжению для
трехфазной мостовой схемы.
-
номинальное фазное напряжение вентильной обмотки.
Максимальное значение коэффициента усиления тиристорного преобразователя:
,
где
- коэффициент управляющего органа на входе СИФУ.
-
максимальный размах опорного напряжения.
Эквивалентное
сопротивление от коммутации анодных токов:
,
где
- индуктивное сопротивление обмотки фазы
трансформатора.
Активное
сопротивление силовой цепи преобразователя:
.
Индуктивность
силовой цепи преобразователя:
.
Эквивалентная
постоянная времени тиристорного преобразователя:
.7
Определение параметров силовой цепи
Расчетное
значение сопротивления якорной цепи:
Расчетное
значение индуктивности якорной цепи:
Электромагнитная
постоянная времени:
.8
Определение параметров механической системы электропривода
Момент
инерции механизма:
Эквивалентный
момент инерции привода:
Момент
нагрузки холостого хода:
Момент
длительной максимальной нагрузки: принимаем
Электромеханическая
постоянная времени:
Отношение электромеханической постоянной времени к электромагнитной
постоянной:
Для
компенсации влияния ЭДС двигателя введение положительной обратной связи по
скорости требуется.
Коэффициент
положительной обратной связи по скорости на вход ТП
.9
Проверка обеспечения заданной области работы электропривода
Характеристики
рассчитываются при пониженном напряжении сети, то есть при
.
Работа
электропривода в 1 и 3 квадрантах:
Электрическая
машина работает в двигательном режиме, преобразователь работает в
выпрямительном режиме (угол управления
).
Минимальный угол управления преобразователем находится из условия обеспечения
максимальной скорости электропривода
при
номинальном токе двигателя
:
Принимаем
.
Электромеханическая
характеристика разомкнутой системы ТП - двигатель при
:
Полученные, в результате расчетов данные сводим в таблицу 1:
Таблица 1
Расчет
электромеханической характеристики при
Работа электропривода во 2 и 4 квадрантах:
Электрическая машина работает в генераторном режиме (режим
рекуперативного торможения)
Предельная характеристика безопасного инвертирования при работе преобразователя
в инверторном режиме:
,


Полученные
в результате расчетов данные сводим в таблицу 2:
Таблица 2
Предельная характеристика безопасного инвертирования
Максимальный угол управления преобразователем при работе в инверторном
режиме:
Электромеханическая
характеристика разомкнутой системы ТП-Д при угле управления
:
Данные,
полученные в результате расчетов, сводим в таблицу 3.
Таблица 3
Электромеханическая характеристика разомкнутой системы ТП-Д
Рисунок 5 - Заданная область существования электромеханических
характеристик электропривода
.10 Расчет электромеханических характеристик разомкнутой системы
преобразователь-двигатель
Расчет
и построение статических электромеханических характеристик
в зонах прерывистого и непрерывного токов при
различных углах управления выполняем с помощью программы РТОК, для чего в
программу необходимо ввести следующие параметры:
Эквивалентная индуктивность якорной цепи, Гн - 0,0037
Эквивалентное сопротивление якорной цепи, Ом - -0,016
Сопротивление, вносимое за счет коммутации анодных токов, Ом - 0,014
Число фаз выпрямителя, mв - 6
Действующее значение ЭДС источника переменного тока - E2, В269,32
Среднее значение выпрямленной ЭДС - Ed0, В 310,258
Постоянная ЭДС двигателя, Вс/рад - 1,985
Базовое значение тока, А - 385,208
Базовое значение скорости, - с-1 135
Углы, град - 30,60, 90,120,144
Статические
электромеханические характеристики
при
различных углах управления
представлены
на рисунке 6
Рисунок
6 - Статические электромеханические характеристики
Максимальное
значение гранично-непрерывного тока при угле управления
:
,
где
Действующее
значение первой гармоники выпрямленного тока в процентах от номинального тока
двигателя определим при углах управления 90є (максимальное значение) и 30є
(минимальное значение).
При
α
= 90є:
,
где
.
При
α
= 30є:
,
где
Полученные
значения
характеризующие уровень пульсации тока, для данного
двигателя приемлемы.
.11
Расчет регулировочных характеристик системы СУ-ТП.
Расчет
регулировочных характеристик тиристорного преобразователя производится с
использованием программы Machcad.
Вводимые
параметры:
СИФУ
с линейным опорным напряжением;
Минимальный
угол управления
;
Максимальный
угол управления
;
Начальный
угол управления
;
Максимальное
напряжение управления
;
Коэффициент
передачи управляющего органа
;
Максимальное
опорное напряжение
;
Индуктивность
якорной цепи
;
Сопротивление
якорной цепи
;
Эквивалентное
сопротивление от коммутации анодных токов
;
Число
фаз преобразователя
;
Коэффициент
ЭДС
;
Действующее
значение ЭДС источника переменного тока
;
Среднее
значение выпрямленной ЭДС
Регулировочные
характеристики СИФУ
Рисунок
7 - Регулировочные характеристики СИФУ
Регулировочные
характеристики ТП
Рисунок
8 - Регулировочные характеристики ТП
Регулировочную
характеристику СИФУ
Рисунок
9- Регулировочная характеристика СИФУ
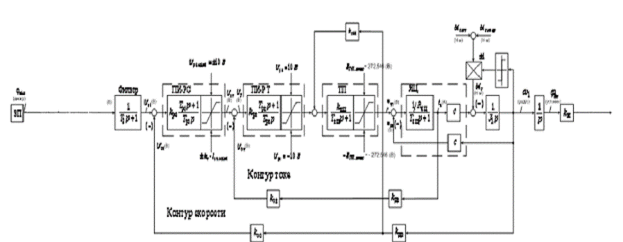
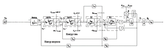
2. Структурная схема линеаризованной САУ
.1 Структурная схема линеаризованной САУ РЭП
Структурная схема линеаризованной САУ регулируемого электропривода
приведена на рисунке 10.
Рисунок 10 - Структурная схема линеаризованной САУ регулируемого
электропривода
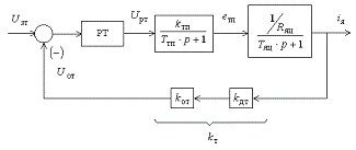
2.2 Оптимизация контура тока
Влияние ЭДС двигателя на работу контура тока компенсируем введением
положительной обратной связи по скорости на вход тиристорного преобразователя,
как показано на рис.11.
В системах подчиненного регулирования электропривода с положительной
компенсирующей связью по э.д.с. оптимизация контура тока осуществляется без
учета обратной связи по ЭДС двигателя, что соответствует режиму работы с
заторможенным двигателем
Оптимизацию
контура тока осуществляем без учета отрицательной связи по ЭДС двигателя, так
как она скомпенсирована. Структурная схема контура приведена на рисунке. Контур
содержит два инерционных звена первого порядка с постоянными
и
.
Рисунок 11 - Структурная схема контура тока
Принимаем:
-
- малая постоянная времени контура;
-
большая постоянная времени контура, которую следует компенсировать.
Контур тока настраиваем на модульный оптимум (МО). С учетом параметров
контура выбираем ПИ - регулятор с передаточной функцией
где
- постоянная времени регулятора;
коэффициент
усиления регулятора;
-
коэффициент обратной связи по току;
- максимальное
напряжение задания на ток;
-
коэффициент оптимизации контура тока по МО.
Коэффициент передачи входной цепи обратной связи РТ:
;
где
- коэффициент передачи датчика тока.
Передаточная функция разомкнутого контура тока:
Передаточная
функция замкнутого контура тока:
Ожидаемые
показатели работы замкнутого контура тока:
установившаяся
ошибка
;
перерегулирование
;
время
первого согласования
;
время
переходного процесса при отработке ступенчатого управляющего воздействия
;
полоса
пропускания по модулю и фазе
Рисунок
12 - Имитационная модель контура тока, настроенного на МО
Результаты
моделирования переходных процессов в контуре тока, настроенного на модульный
оптимум, при отработке ступенчатого входного воздействия UЗТ.МАКС =
10 В приведены в виде переходной характеристики iя(t) на рисунке 13.
Рисунок
13 - Переходная характеристика
контура
тока
Определим перерегулирование:
Рисунок 14 - Логарифмические частотные характеристики замкнутого контура
тока, настроенного на МО
Рисунок 15 - Логарифмические частотные характеристики разомкнутого
контура тока, настроенного на МО
В
контуре тока экспериментальные и ожидаемые показатели практически совпадают.
Небольшие различия вызваны неточностью обработки графика. Так как
установившаяся ошибка
, то в контуре тока обеспечивается астатическое
регулирование.
Для
наглядности сведем результаты моделирования в таблицу 4.
Таблица 4
Показатели
работы контура тока
|
Показатели переходных
процессов
|
|
по управлению
|
|
,с ,с
|
|
|
|
|
Ожидаемые показатели
|
|
0,00683
|
0,00683
|
4,3
|
0
|
|
Результаты моделирования
|
|
0,00691
|
0,00691
|
4,3
|
0
|
.3 Оптимизация контура скорости
.3.1 Оптимизация контура скорости на МО
Рисунок 16 - Структурная схема линеаризованного контура скорости при
оптимизации на МО
Передаточная функция регулятора скорости:
, где
-
коэффициент усиления регулятора;
= 0,0067
с
малая
постоянная времени регулятора;
коэффициент
обратной связи по скорости;
Коэффициент
передачи входной цепи обратной связи РС:
;
где
- коэффициент передачи датчика скорости.
Передаточные
функции контура:
полная
передаточная функция разомкнутого контура скорости
- полная передаточная функция замкнутого контура скорости:
Ожидаемые показатели работы замкнутого контура скорости, настроенного на
МО, при отработке ступенчатого управляющего воздействия:
-
установившаяся ошибка
;
перерегулирование
;
время
первого согласования
;
время
переходного процесса при отработке ступенчатого управляющего воздействия
;
Рисунок 17 - Имитационная модель контура скорости настроенного на МО
Результаты моделирования переходных процессов в контуре скорости,
настроенного на модульный оптимум, при отработке ступенчатого входного
воздействия, приведены в виде переходных характеристик i(t) и ω(t) на рисунке 18.
Рисунок 18 - Переходная характеристика контура скорости, настроенного на
МО
Определим перерегулирование:
Анализ
полученных результатов моделирования показывает, что они наилучшим образом
согласуются с ожидаемыми показателями работы контура.
тиристорный электропривод контур ток
Рисунок
19 - Логарифмические частотные характеристики замкнутого контура скорости,
настроенного на МО
Рисунок
20 - Логарифмические частотные характеристики разомкнутого контура скорости,
настроенного на МО
Для наглядности сведем результаты моделирования в таблицу 5.
Таблица 5
Показатели
работы контура скорости, настроенного на МО
|
Показатели
|
Ожидаемые
|
Полученные
|
|
00
|
|
|
|
8,18,6
|
|
|
|
с0,011670,0118
|
|
|
|
с0,020,0211
|
|
|
.3.2 Оптимизация контура скорости на СО
Рисунок 21 - Структурная схема линеаризованного контура скорости при
оптимизации на СО
Передаточная функция регулятора скорости:
.
Коэффициент
усиления регулятора скорости:
Постоянная
времени регулятора скорости:
.
Рисунок 22 - Имитационная модель контура скорости, настроенного на СО
Результаты моделирования переходных процессов в контуре скорости,
настроенного на симметричный оптимум, при отработке ступенчатого входного
воздействия UЗС = 0,1 В приведены в виде переходных характеристик i(t)
и ω(t) на рисунке 18.
Рисунок 23 - Переходная характеристика контура скорости, настроенного на
СО
Определим перерегулирование:
Рисунок 24 - Логарифмические частотные характеристики замкнутого контура
скорости, настроенного на СО
Рисунок 25 - Логарифмические частотные характеристики разомкнутого
контура скорости, настроенного на СО
Анализ экспериментальных и ожидаемых параметров контура скорости,
настроенного на симметричный оптимум показывает, что они практически не
отличаются друг от друга. Небольшая разница экспериментальных и ожидаемых
параметров связана с неточностью обработки графиков. Установившаяся ошибка при
настройке контура скорости по СО Δωу.уст=0, следовательно этот контур
обладает астатизмом первого порядка по управлению.
Для наглядности сведем результаты моделирования в таблицу 6.
Таблица 6
Показатели
работы контура скорости, настроенного на СО
|
ПоказателиОжидаемыеПолученные
|
|
|
|
00
|
|
|
|
6,255
|
|
|
|
с0,022670,00948
|
|
|
|
с0,033830,0432
|
|
|
2.3.3 Оптимизация контура скорости на СО c фильтром на входе
Рисунок 26 - Структурная схема линеаризованного контура скорости при
оптимизации на СО
Передаточная функция регулятора скорости:
Коэффициент
усиления регулятора скорости:
Постоянная
времени регулятора скорости:
Ожидаемые показатели работы замкнутого контура скорости, настроенного на
СО, при отработке ступенчатого управляющего воздействия:
-
установившаяся ошибка
;
перерегулирование
;
время
первого согласования
;
время
переходного процесса при отработке ступенчатого управляющего воздействия
;
Рисунок 27 - Имитационная модель контура скорости, настроенного на СО
Результаты моделирования переходных процессов в контуре скорости,
настроенного на симметричный оптимум, при отработке ступенчатого входного
воздействия, приведены в виде переходных характеристик i(t) и ω(t) на рисунке 18.
Определим перерегулирование:
Анализ экспериментальных и ожидаемых параметров контура скорости,
настроенного на симметричный оптимум показывает, что они практически не
отличаются друг от друга. Небольшая разница экспериментальных и ожидаемых
параметров связана с неточностью обработки графиков. Установившаяся ошибка при
настройке контура скорости по СО Δωу.уст=0, следовательно этот контур
обладает астатизмом первого порядка по управлению.
Для наглядности сведем результаты моделирования в таблицу 6.
Таблица 6
Показатели
работы контура скорости, настроенного на СО
|
Показатели
|
Ожидаемые
|
Полученные
|
|
00
|
|
|
|
6,26,6
|
|
|
|
с0,022670,0219
|
|
|
|
с0,033830,0352
|
|
|
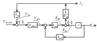
3. Отработка контуром скорости возмущающих воздействий
3.1 Контур скорости настроен на МО
Структурная схема линеаризованного контура скорости, настроенного на МО,
при отработке возмущающего воздействия приведена на рисунке 35.
Рисунок 31 - Структурная схема линеаризованного контура скорости,
настроенного на МО, при отработке возмущающего воздействия
Передаточная функция замкнутого контура скорости по возмущению:
Ожидаемые
показатели работы замкнутого контура скорости, настроенного на МО, при
отработке ступенчатого управляющего воздействия:
установившаяся
ошибка по возмущению
- динамический провал (всплеск) скорости при набросе (сбросе) нагрузки
Рисунок
32 - Имитационная модель контура скорости, настроенного на МО, при отработке
возмущающего воздействия
Анализ
экспериментальных и ожидаемых параметров контура скорости по возмущению,
настроенного на МО показывает, что они практически не отличаются друг от друга.
Небольшая разница экспериментальных и ожидаемых параметров связана с
неточностью обработки графиков. Для наглядности сведем результаты моделирования
в таблицу 8.
Таблица 8
Показатели
работы контура скорости по возмущению, настроенного на МО
|
Показатели
|
Ожидаемые
|
Полученные
|
|
1,572,01
|
|
|
|
1,461,45
|
|
|
|
0,0171
|
|
|
.2 Контур скорости настроен на СО
Структурная схема контура скорости, настроенного на СО, при отработке
возмущающего воздействия приведена на рисунке 31.
Рисунок
34 - Структурная схема линеаризованного контура скорости, настроенного на СО
при отработке возмущения
Передаточная функция замкнутого контура скорости по возмущению
(11)
Ожидаемые показатели работы замкнутого контура скорости, настроенного по
СО, при отработке ступенчатого возмущающего воздействия:
-
установившаяся ошибка по возмущению
динамический
провал (всплеск) скорости при набросе (сбросе) нагрузки
Имитационное моделирование работы контура скорости при отработке
возмущения выполняется по структурной схеме рисунка 31 с использованием
программы Simulink.
Имитационная модель контура скорости, настроенного на СО при отработке
возмущения приведена на рисунке 33.
На рисунке 34 приведена отработка РЭП, настроенного на СО возмущающего
воздействия при набросе нагрузки.
Рисунок 35 - Имитационная модель контура скорости, настроенного на СО при
отработке возмущения
Теоретические и экспериментальные показатели качества приведены в таблице
9.
Таблица 9
Показатели переходных процессов по возмущению контура скорости,
настроенного на СО
|
 
|
|
|
|
Ожидаемые показатели
|
|
1,22
|
0
|
0
|
|
Результаты моделирования
|
|
1,43
|
0,010
|
0
|
По результатам сравнения ожидаемых и экспериментально полученных
показателей качества можно сделать вывод, о том, что совпадение их достаточно
большое.
4. Расчет статических характеристик электропривода
Структурная схема САУ электропривода для установившегося режима скорости
приведена на рисунке 30:
Рисунок 37 - Структурная схема САУ электропривода для установившегося
режима стабилизации скорости
Рисунок 38 - Структурная схема САУ электропривода для установившегося
режима стабилизации тока
Расчет электромеханических характеристик и погрешности ведется по
следующим выражениям:
Электромеханическая характеристика привода в режиме стабилизации
скорости:
Относительная
погрешность скорости в замкнутой системе при токе нагрузки:
Электромеханическая
характеристика привода в режиме стабилизации тока:
Результаты
расчета электромеханических характеристик и погрешности по выражениям,
приведенным, выше сведены в таблицу 10.
Таблица 10
|
 Iя,А0Iдв.нIэп.макс ,%
|
|
|
|
|
|
|
|
|
,рад/с104,712104,709104,7050,00668
|
|
|
|
|
|
 ,рад/с52,35652,35352,3490,01337
|
|
|
|
|
|
|
 ,рад/с0,1050,1010,0986,66666
|
|
|
|
|
|
Рисунок 39 - Электромеханические статические характеристики
электропривода
. Исследование линейной САУ
Линейная САУ это любой из ранее исследуемых контуров скорости модульного
или симметричного оптимумов.
6. Исследование нелинейной САУ
Учтем следующие основные нелинейности характеристик элементов САУ РЭП:
насыщение
регулятора скорости
. Принимаем
;
насыщение
регулятора тока
. Принимаем
;
характеристику
устройства постоянного токоограничения, реализованного путем ограничения
выходного напряжения регулятора скорости
, где
;
·
ограничение угла
управления тиристорного преобразователя, которое учитывается ограничением ЭДС
преобразователя:
;
реактивный
характер нагрузки
;
- нелинейный характер регулировочной характеристики реверсивного
тиристорного преобразователя с линейным опорным напряжением.
Структурная схема нелинейной САУ РЭП представлена на рисунке 49:
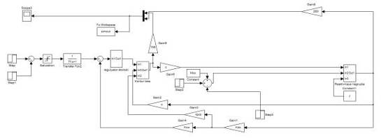
Рисунок 43 - Структурная схема нелинейной САУ РЭП
Рисунок 44 - Имитационная модель нелинейной САУ РЭП
.1 Отработка нелинейной САУ РЭП UЗС=0,1 В
Графики переходных процессов координат электропривода в различных
динамических режимах работы электропривода при напряжении задания на скорость UЗС=0,1
В представлены на рисунке 38. При UЗС=0,1 В был произведен пуск
электропривода на холостом ходу
(
),
наброс
нагрузки до максимальной
(
)
в
момент времени t=0,5 с, сброс нагрузки до режима холостого хода в момент
времени t= 1,5 с, реверс электропривода путем смены полярности напряжения
задания на скорость в момент времени t= 2 с и останов электропривода в момент
времени t=3 с.
Из графиков видно, что при отработке задания на скорость UЗС=0,1
В САУ РЭП является линейной. Ток и скорость не достигают своих максимальных
значений. Показатели качества и характер кривых переходных процессов аналогичны
процессам в линейной системе.
.2 Отработка нелинейной САУ РЭП UЗС=5 В
Графики переходных процессов координат электропривода в различных
динамических режимах работы электропривода при напряжении задания на скорость UЗС=5
В представлены на рисунке 39. При UЗС=0,1 В был произведен пуск
электропривода на холостом ходу
наброс
нагрузки до максимальной
в
момент времени t=0,5 с, сброс нагрузки до режима холостого хода в момент
времени t=1,5 с, реверс электропривода путем смены полярности напряжения
задания на скорость в момент времени t=2 с и останов электропривода в момент
времени t=3 с.
При
отработке задания UЗС=5 В ток достигает в переходных режимах своего
максимального значения. Время переходных процессов затягивается, уменьшается
перерегулирование при пуске. Скорость не достигает максимального значения.
.3
О отработка нелинейной САУ РЭП UЗС=10 В
Графики
переходных процессов координат электропривода в различных динамических режимах
работы электропривода при напряжении задания на скорость UЗС=10 В
представлены на рисунке 40. При UЗС=0,1 В был произведен пуск
электропривода на холостом ходу
),
наброс
нагрузки до максимальной
в момент времени t=0,5 с, сброс нагрузки до режима холостого хода в
момент времени t=1,5 с, реверс электропривода путем смены полярности напряжения
задания на скорость в момент времени t=2 с и останов электропривода в момент
времени t=3 с.
При отработке максимального задания UЗС=10 В и ток, и скорость
достигают своих максимальных значений. Время переходных процессов увеличилось,
перерегулирование скорости во время пуска почти свелось к нулю.
Заключение
В данном курсовом проекте был рассмотрен и рассчитан регулируемый
электропривод постоянного тока. В процессе выполнения курсового проекта в
программной среде Matlab были смоделированы и рассчитаны контуры тока и
скорости при настройке как на модульный, так и на симметричный оптимумы. Были
сняты и обработаны переходные процессы, происходящие в этих контурах, а так же
логарифмические частотные характеристики. Обработка этих характеристик
показала, что расчётные и экспериментальные параметры практически одинаковы.
Это объясняется тем, что система является линейной без ограничений.
При проектировании использовались программы Mathlab, MathCAD, PAINT,
MICROSOFT WORD.
Список используемой литературы
1. Удут Л.С.,
Мальцева О.П., Кояин Н.В. Проектирование и исследование электроприводов. Часть
1. - Введение в технику регулирования линейных систем. Часть 2. - Оптимизация
контура регулирования: Учебное пособие. - Томск: Изд. ТПУ, 2000. - 144 с.
2. Удут
Л.С., Мальцева О.П., Кояин Н.В. Проектирование и исследование электроприводов.
Часть 5. - тиристорные преобразователи для электроприводов постоянного тока:
Учебное пособие. - Томск: Изд. ТПУ, 2002. - 152 с.
. Удут
Л.С., Мальцева О.П., Кояин Н.В. Проектирование автоматизированных
электроприводов постоянного тока: Учебное пособие по курсовому проектированию.
- Томск: Изд. ТПИ, 1991. - 104 с.
. Удут
Л.С., Мальцева О.П., Кояин Н.В. Проектирование и исследование
автоматизированных электроприводов. Часть 5. -Применение программы DORRA-FUZZY
в расчётах электроприводов постоянного тока: Учебное пособие. - Томск: Изд.
ТПУ, 2002. - 156 с.
. Справочник
по электрическим машинам в 2т. Под общей редакцией И.П. Копылова и Б.К.
Клокова. Т1. - М: Энергоатомиздат, 1988. - 456 с.: ил.
Графическая часть
Структурная схема электропривода
Функциональная схема электропривода