Разработка схемы радиовещательного приемника

  • Вид работы:
    Контрольная работа
  • Предмет:
    Информатика, ВТ, телекоммуникации
  • Язык:
    Русский
    ,
    Формат файла:
    MS Word
    102,94 Кб
  • Опубликовано:
    2013-07-13
Вы можете узнать стоимость помощи в написании студенческой работы.
Помощь в написании работы, которую точно примут!

Разработка схемы радиовещательного приемника















Разработка схемы радиовещательного приемника

Введение

Радиовещательные приемники по требованиям, предъявляемым к их параметрам, делят на классы: высший, I, II, III и IV (ГОСТ 5651-64). За исключением выходной мощности и частично допустимых искажении сигнала при воспроизведении качественные показатели приемников определяются характеристиками их ВЧ трактов. Поэтому с учетом общности параметров низкочастотных трактов приемников, телевизоров и бытовых электрофонов в специальных справочных материалах приводятся требования параметрам ВЧ трактов приемников различных классов. Способы измерения параметров ВЧ трактов регламентируются ГОСТ 9783-71.

Реальную чувствительность обычно измеряют на стандартных частотах, которые разделены на группы в зависимости от количества измеряемых точек в каждом диапазоне принимаемых частот. Генератор сигналов через необходимый эквивалент антенны соединяют со входом приемника для определения чувствительности по полю; устанавливают по шкале генератора сигналов необходимую частоту и включают модуляцию. К выходу приемника присоединяют вольтметр переменного тока. Регулятор громкости приемника устанавливают в положение наибольшей громкости и настраивают приемник на частоту генератора сигналов по максимуму сигнала на выходе, на середину полосы пропускания или по минимуму искажений. Регуляторы тембра и полосы пропускания должны находиться в положении, соответствующем широкой полосе пропускания.

При измерении максимальной чувствительности регулятор громкости ставят в положение, соответствующие наибольшей громкости, а регуляторы тембра и полосы - в положения, соответствующие самой узкой полосе пропускания. Изменением уровня сигнала от генератора сигналов добиваются на выходе приемника напряжения, соответствующего стандартной выходной мощности, при этом соотношение сигнал/шум на выходе приемника

Для измерения реальной селективности применяют двух сигнальный способ, при котором необходимы два генератора сигналов. При этом способе ко входу РВ приемника через соответствующий эквивалент антенны подсоединяют оба генератора сигналов.

Для измерения диапазона принимаемых частот на вход приемника подают напряжение от гетеродинного волномера. Указатель настройки приемника располагают в крайних точках шкалы, после чего волномер настраивают по максимуму выходного напряжения. Соответствующую граничную частоту отсчитывают по шкале волномера.

Вследствие больших трудностей измерения напряженности, создаваемого гетеродином, этот параметр обычно определяют косвенным путем: измеряют напряжение сигнала гетеродина на входе блока УКВ при подключенном эквиваленте антенны. Напряжение на эквиваленте антенны 300 Ом не должно превышать 1,5мВ.

Измерение эффективности АРУ проводят на частотах 1 и 69 МГц, так же как измерение чувствительности при выходном напряжении приемника, соответствующем стандартной мощности, и входном сигнале, равном 50мВ. Затем напряжение от генератора сигналов уменьшают в заданное число раз. Отношение напряжений, выраженное в децибелах, и соответствующее ему отношение напряжений на выходе характеризуют действие АРУ.

1. Расчёт структурной схемы приёмника

1.1 Предварительный выбор структурной схемы приёмника

Проанализировав техническое задание, можно определить, что приёмник должен быть супергетеродинного типа. Все супергетеродинные приёмники состоят из четырёх частей: радиотракта; демодулятора (детектора); устройство регулировок (управление) и тракта низкой частоты.

Радиотракт состоит из преселектора (входная цепь и усилитель радиочастоты), преобразователя частоты и усилителя промежуточной частоты.

Техническим заданием предусмотрено спроектировать приёмник АМ - сигнала второй группы сложности, поэтому ориентировочно составляем предварительную структурную схему приёмника.

Рисунок 1 - Предварительная структурная схема приёмника

Входная цепь (ВЦ) служит для передачи и согласования принятого сигнала с первым усилительным элементом в приёмнике. И для предварительной фильтрации полезного сигнала от помех. В месте с усилителем радиочастоты (УРЧ) и ВЦ представляет собой преселектор приёмника, для подавления побочных каналов приёма (зеркальный и промежуточный).

Преобразователь частоты (ПрЧ), состоящий из смесителя (СМ) и гетеродина (Г), служит для преобразования частоты принятого сигнала в промежуточную. Фильтр сосредоточен на селекции (ФСС) выделяет промежуточную частоту и формирует полосу пропускания приёмника.

Осуществляя селективность по соседнему каналу.

Далее сигнал промежуточной частоты усиливается усилителем промежуточной частоты (УПЧ) и детектируется детектором (АД), на выходе которого выделяется звуковой сигнал. Усилитель низкой частоты (УНЧ), усиливает сигнал, а громкоговоритель ВА воспроизводит его.

В приёмнике осуществляется автоматическая регулировка усиления (АРУ).

1.2 Расчёт полосы пропускания линейного тракта

Полоса пропускания супергетеродинного приёмника определяется шириной спектра принимаемого сигнала  и нестабильностью несущей частоты сигнала , а так же частоты гетеродина

   (2.1)

где  и  - коэффициенты относительной нестабильности частоты сигнала и гетеродина соответственно. Значения  и  принимаем из [5]  и .

, =>

находим по следующей формуле для АМ двухполосных телефонных сигналов

=2 (2.2)

=2*3150 = 6300 Гц

Для СВ промежуточную частоту применяем = 465 кГц, =>

=1, 6065+0,465=2,0715 Гц

Исходя из расчётных данных находим полосу пропускания


 (2.3)

Кр=6,714/6,3=1,065

Следовательно за счёт повышения стабильности частот сигнала и гетеродина нельзя достигнуть существенного сужения полосы пропускания, а значит и ослабления действия помех и повышение чувствительности приёмника.

1.3 Распределение частотных искажений по селективным каскадам приёмника

Для обеспечения необходимого минимума на частотных искажений в области верхних звуковых частот радиоприёмнику задаётся наибольшее допустимое ослабление на краях приёмника и полосы приёмника.

В детекторной части искажения вносят контуры преселектора и фильтры промежуточной частоты. Необходимо также учесть неравномерность АЧХ детектора, усилителя низкой частоты и в ряде случаев акустической системы.

В соответствии с основными положениями теории радиоприёма искажений в линейном тракте приёмника максимальны на минимальной частоте сигнала.

При проектировании, величина искажений распределяется по отдельным каскадам приёмника.

Сумма искажений всего приёмника не должна превышать величины, определяемой техническим заданием.

Если величина не задана, то она не должна превышать значения определённой таблицам 2,3.б.

В этом случае

 (2.4)

где - предельно-допустимые частотные искажения, 18дБ; - частотные искажения приёмника.

= 6 дБ - частотные искажения пресселектора

= 6 дБ - частотные искажения УПЧ

= 1 дБ - частотные искажения детектора

= 5 дБ - частотные искажения УНЧ

=18 дБ

1.4 Выбор средств обеспечения избирательности приёмника

Выбор средств обеспечения избирательности по побочным каналам

Для выбранного ослабления на краях полосы пропускания пресселектора по [5], определяют значения обобщённой расстройки Хпр=1 для краёв полосы пропускания и вычисляют минимально-допустимое эквивалентное затухание нагруженных контуров преселектора

dеп = П/(Хпр* fomin) (2.5)

где fomin - минимальная частота поддиапазона

dеп=6714/(1*0,5265)=0,012 МГц

Далее определяют обобщённую расстройку для зеркального канала

Хзк=((fзк/fo) - (fo/fзк))/dэ (2.6)

где fзк=fo+2fпр - частота зеркального канала; fпр = промежуточная частота; fo - частота настройки приёмника из [5] fзк = 0,0045

fзк = 1,6065+2*0,465=2,5 МГц

Хзк = ((2,5/1,6065) - (1,6065/2,5)/0,012=(1,55-0,643)/0,012=75,5 МГц

Определим обобщённую расстройку для прямого канала

Хпк = ((fпр/fo) - (fo/fпр)/dэ (2.7)

Хпк=((0,465/1,6065) - (1,6065/0,465)/0,012=(0,2894-3,45)/0,012= 263

Выбранная селективная система приёмника позволяет получить требуемую полосу пропускания и селективность по прямому каналу. Избирательная система преселектора будет состоять из входной цепи (ВЦ) с одиночным контуром и усилителя радиочастоты (УРЧ).

Выбор средств обеспечения избирательности по соседнему каналу

Селективная система тракта промежуточной частоты обеспечивает избирательность приёмника по соседнему каналу и вместе с преселектором формирует резонансную характеристику приёмника.

Тракты промежуточной частоты (УПЧ) строятся по двум принципиальным системам:

Система с распределённой селективности по каскадам УПЧ.

В современных радиоприёмниках в качестве ФСС часто используют С-фильтры, состоящие из П - образных звеньев (3…4), каждое звено обеспечивает затухание по соседнему каналу порядка 9-11дБ, пьезокерамические фильтры, согласованные с активными элементами при помощи одиночных резонансных контуров.

Выбираем пьезокерамический фильтр по следующим параметрам:

средняя частота полосы пропускания 0,465 МГц.

полоса пропускания на уровне 6-10,5…14,5 дБ.

селективность при расстройке 9 кГц, не меньше 26.

затухание в полосе пропускания не больше 9,5 дБ.

согласующее сопротивление, кОм, со стороны источника питания     2+10%.

Исходя из выбранных параметров принимаем фильтр ПФ1П-2.

1.5 Предварительный расчёт входной цепи

Определяем требуемый коэффициент перекрытия диапазона с учётом запаса на -2%

Кg = (1,02*fmax)/(0,98*fmin) (2.8)

Кg = (1,02*1,6065)/(0,98*0,5265)=1,63863/0,51597=3,175

В стационарных и переносных приёмниках в качестве элемента настройки используют блоки КПЕ с механическим управлением или варикапы (варикапные матрицы), которые являются унифицированными изделиями, т.е., максимальная и минимальная их ёмкости уже определены.

Если элемент настройки не задан заказчиком, то выбор может быть осуществлён по следующим критериям.

Использование варикапа, по сравнению с блоком КПЕ, с механическим управлением, снижает стоимость приёмника, его массогабаритные характеристики, упрощает конструкцию, облегчает введение автоматической настройки и подстройки частоты программного и дистанционного управления.

Недостатки: ухудшается избирательность приёмника по перекрёстной помехе, уменьшается точность отсчёта частоты настройки по линейной шкале, увеличивается погрешность сопряжения контуров гетеродина и преселектора, уменьшается конструктивная добротность контуров.

При проектировании данного приёмника выбираем варикап со следующими параметрами

ёмкость 255 пФ.

Сн max 320 пФ.

- Сн min 230 пФ.

обратное напряжение 1 В.

частота 6 МГц.

коэффициент перекрытия Кп не менее 20.

добротность, Qв, не менее 100.

Выбранным выше параметрам соответствует варикап КВС120.

Поэтому при использовании варикапа конструктивная добротность контура корректируется

Qк = QL*QВ/(QL+ QВ) (2.9)

где QВ - добротность варикапа при заданном обратном напряжении, принимаем равной 100

Qк = 100*100/(100+100) = 50

Определяем эквивалентную ёмкость схема ВУСэ при которой выбранный элемент настройки обеспечит перекрытие диапазона

 (2.10)

В растянутых СВ поддиапазонах с большим  рекомендуется использовать растянутую настройку. В этом случае определяется минимальная ёмкость контура ВЦ

Ск min = Ccх+Ск min (2.11)

Для контура с растянутой настройкой

 (2.12)

37 мкГ

В радиовещательных приёмниках обычно используются три вида связи контура ВЦ с антенной: внешне-ёмкостная, трансформаторная в режиме усиления и трансформаторно-ёмкостная.

Внешне-ёмкостная упрощает конструкцию приёмника, она даёт большую неравномерность коэффициента ВЦ при перестройке по диапазону и ухудшает избирательность приёмника по зеркальному каналу. Эти недостатки частично компенсируются при использовании внутри-ёмкостной связи контура ВЦ с первым каскадом на биполярном транзисторе. В целом, внешне-ёмкостная связь используется редко, в основном в низкочастотных приёмниках с малым коэффициентом перекрытия диапазонов.

1.6 Выбор средств обеспечения усиления тракта высокой частоты приёмника

Коэффициент усиления линейного тракта приёмника

К=Ug/Еа (2.13)

где Ug - напряжение промежуточной частоты необходимое для нормальной работы детектора. Чувствительность со входа приёмника определяют, как Еа = Еатз/ае, где Еатз - норма чувствительности; ае -1,5 - коэффициент запаса

Еа =

При этом возможно неравенство Еа<Eатз, что обеспечивает дополнительную возможность приёма большого количества приёма разных станций с отношением сигнал помеха Yвх<Yвыхтз. Выбираем на полупроводниковых диодах из [5], Ug принимаем 0,3В

К = 0,3/66,6*10= 4504,5

Выбор структурной схемы тракта СЧ производим по результатам произведённого расчёта

Кобщ = Квц*Курч*Кпрч*Кр*Кк (2.14)

где Квц = 0,5 - коэффициент передачи входной цепи; Курч = 4 - коэффициент усиления УРЧ; Кпрч = 8 - коэффициент усиления ПрЧ; Кр = 8 - коэффициент усиления резисторного каскада УПЧ; Кк = 60 - коэффициент усиления каскада УПЧ с одиночным резонансным контуром

Кобщ = 0,5*4*8*8*60 = 7680

Расчёт показал, что К<Кобщ, 4504,5<7680. Из расчёта видно, что схема будет состоять из следующих каскадов: входной цепи; УРЧ - апериодический резисторный; ПрЧ - на пьезокерамических фильтрах; Кр - апериодический резистивный; Кк - одиночный резонансный контур.

1.7 Выбор средств обеспечения усиления тракта НЧ приёмника

Коэффициент передачи УЗЧ по мощности рассчитывают по формуле

Крзч = Рн / Рвхзч*Аос (2.15)

где Рвхзч= вх (2.19) - минимальная величина мощности на входе усилителя, которая обеспечивает получение номинальной выходной мощности; Аос = 10 - коэффициент запаса, учитывающий введение обратной связи, тембровые регулировки и разбросы параметров усилителя; = Ug*0,5; Gвх = - входное пров. УЗЧ

= 0,3*0,5 = 0,15

Рвхзч = * = 22 мкВ

Крзч = (4/22*)*10 = 1,8*

Определяем число каскадов

Nзч = LgКрзч/Lg (2.16)

Коэффициент усиления по мощности каскада УЗЧ, включая и выходной каскад определяется как

 (2.17)

где  - минимальное значение статического коэффициента усиления по току в схеме с общим эмиттером коэффициент усиления мощности выходного каскада  = 50

Nзч = Lg18*/Lg50= 7,25/3,397=2

Из расчётных данных видно, что УРЧ будет состоять из 2-ух каскадов: входного и выходного.

1.8 Описание и составление структурной схемы приёмника

Сигнал с антенны поступает во входную цепь, которая служит для согласования принятого сигнала. С первого усилительного элемента и для предварительной фильтрации от помех. Для нашего случая ВЦ является с внешне - емкостной связью.

УРЧ усилитель радиочастоты состоит из 1-го каскада для подавления рабочих каналов приема (зеркальному).

ПРЧ - преобразователь частоты служит для преобразования частоты принятого сигнала в промежуточную. Состоит из смесителя, гетеродина и пьезокерамического фильтра.

АД - амплитудный детектор выделяет звуковую частоту, строится на детекторном диоде.

УНЧ - усилитель низкой частоты состоит из двух каскадов: Предварительный и оконечный УНЧ усиливает сигнал, а громкоговоритель воспроизводит сигнал.

АРУ - автоматическое регулирующее устройство подстраивает частоту автомеханической регулировкой частоты.

2. Описание и принцип работы приёмника

2.1 Выбор элементной базы

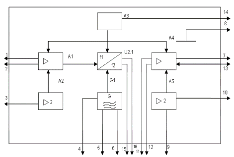
В качестве УПЧ, Детектора, ПрЧ выбираем микросхему К174ХА2.

ИМС К174 ХА2 (рис. 3) предназначена для работы в радиовещательных приёмниках АМ сигналов третьей группы сложности, но может также использоваться и в радиовещательных приёмниках второй группы сложности с внешним гетеродином, что даёт повышенную устойчивость к перекрёстной помехе. ИМС содержит усилитель сигнала радиочастоты А1 с системной АРУ А5, гетеродин G1 и стабилизатор AS.

Рис. 3 Структурная схема ИМС 174ХА2

Электрические параметры.

Ток потребления Iном, мА при Uвх=0, Rн=, не более 4.

Напряжение АРУ Uару, В, при Uвх=0, Rн=3,9кОм 3¸4,5. Относительное измерение напряжения АРУ 120.

Коэффициент гармоник Kг, % Uвх=3мА, Rн= , m=80% не более 5.

Входное сопротивление Rвх при Uвх=20¸40мВ, Rн=, m=30% 0,43¸1.

Предельные эксплуатационные параметры.

Напряжения питания Uип, В

минимальное 3.

максимальное 6.

Ток потребления Iном, мА, Uвх=0, Uип=6В, t =70 оС, не более 5,5.

Напряжение между выводами 10, 11 не более 1,75.

Коэффициент усиления по напряжению Kуи, при tокр.ср= -25…+70 оС, Uип=3,6¸6В 100¸400.

Ток в цепи вывода 13, мА при подключенной внешней нагрузке, не более 1¸5.

Чувствительность S, мкВ, при Uвых=30мВ

Uип=6В 9¸30.

Uип=3,6В 11¸42.

Относительное измерение напряжения АРУ ∆Uару. отн:

Uип=6В, Uвх=5¸300мВ, Rн=, m=30%, t =70 оС, 120.

Uип=5В, Uвх=5¸30мВ, Rн=, m=30%, t = -25 оС, 150.

УрЧ строим на полевом транзисторе типа КП302A со следующими электрическими параметрами.

Предельная частота усилителя 20МГц.

Коэффициент шума 4¸6дБ.

Коэффициент усиления по мощности 1¸2,5.

Типовое значение 1,5В.

Крутизна характеристики при Uсп=15В, U324=10В, Iс=5мА, T=+25 оС 4¸8мА/В.

Напряжение первый затвор истока при Uси=15В, U324=10В, Iс=5мА -3,5¸0В.

Напряжения отсечки 6¸1,3В.

Ток утечки первого затвора не более 5мА.

Входное сопротивление не менее 12кОм.

Входная емкость не более 5пФ.

Проходная емкость не более 0,07пФ.

Проходные эксплуатационные параметры.

Напряжение сток - исток 20В.

Напряжение первый затвор - сток 20В.

Первый затвор - второй затвор 25В.

Постоянный ток стока 20мА.

Постоянное рассеивание мощности при Т= -60…+35 оС 150мВт.

Предельные эксплутационные параметры К174УН14.

Напряжения питания Uип 3,6.

минимальное 3,6.

максимальное 6.

Ток потребления Iном А не более:

Uвх=0, Uип=6В, t =70 оC 1.

Uвх=0, Uип=3,6В, t =-26 оС 1,3.

Коэффициент усиления по напряжению Kуи при tокр.ср= -25…+70 оС, Uип=3,6…6В 100¸400.

Ток в цепи вывода 14 при подключенной внешней нагрузке I14, мА, не более 10.

Потребление мощности Pпом., Вт, не более 3.

2.2 Описание принципиальной схемы

Входной сигнал с антенны подается на входную цепь, которая состоит из: L1, С1, С3, VD1, VD2 после чего сигнал поступает на УРЧ, который построен на полевом транзисторе КП302А. Далее входной сигнал поступает на микросхему К174ХА2, которая является усилителем высокой частоты с преобразователем, УПЧ и Детектор, содержит дифференциальный усилитель, после чего сигнал поступает на УНЧ в роли которого служит микросхема К174УН14 которая состоит из двух каскадов, усилителя низкой частоты для предварительного усиления, и оконечного усилителя.

Селекцию входного сигнала осуществляет контур L2, L3, С9, С10 и С11, сигнал резонансной частоты выделяется контуром L4, L5, С12 и по следующим полосовым фильтрам Z1. С усилителем ПЧ через контур L6, С16 сигнал приходит в детектор на диоде Д9Б. RC - фильтр - R12, С18 выделяет напряжение АРУ, и оно подается на вывод 9. Выходной сигнал поступает на вход УНЧ. После усиления в блоке УНЧ сигнала содержимое его звучит на динамике.

3. Расчёт сопряжения контуров

Для расчёта сопряжения контуров в супергетеродинном приёмнике сначала рассчитывают элементы входного контура, а затем ёмкости дополнительных конденсаторов и индуктивности контурной катушки гетеродина по следующей методике:

Вычисляют отношение fпч/fcр, где fпч-ПЧ; fcp=0,5 (fmax+fmin); fcp, fmax и fmin-срдняя, максимальная и минимальная частота диапазона.

fcp=0,5 (1,6065+0,5265) = 1,0665 МГц

==0,43

По графику рис. 3.1, а определяют ёмкость последовательного конденсатора Спосл контура гетеродина, Спосл=500п.

По графику на рис. 3.1, б находят ёмкость параллельного конденсатора Спар в контуре гетеродина, Спар=7пФ.

По графику на рис. 3.1, в определяют коэффициент α, выражающий тношение Lk.г.= α Lk.вх (Lk.г. - индуктивность катушки гетеродина; Lk.вх. - индуктивность катушки входного контура).

α=0,59 => Lk.г.= 0,59*=21,8 мкГн

Этот метод расчёта обеспечивает сопряжение контуров в трёх точках диапазона при Кд>1,2 (ДВ и СВ).

Частоты сопряжения определяются как

приемник каскад контур частотный

f2=(1,6065+0,5265)/2=2,133/2=1,0665 МГц

f1=1,0665 - (1,73/4 (1,6065+0,5265))= 1,0665 - (1,73/4,32)=0,665 МГц

f3= 0,665+(1,73/4 (1,6065+0,5265))=0,665+0,4=1,0665 МГц

Далее по известной индуктивности входного контура, рассчитанного раньше (см. п. 2.5), определяют ёмкость варикапа настройки в этих точках. Для СВ (3 точки)

1= 25300/(

C2=

C2=25300/(

С3=

С3 ==25300/(

Ёмкость сопрягающего параллельного конденсатора для 3-х точек

Спар =(С1-C2)(,

где = f1+fпр; = f2+fпр; = f3+fпр;

= 1,0665+0,465=1,53 МГц

= 0,665+0,465=1,13 МГц

= 1,0665+0,465=1,53 МГц

Спар=(

Индуктивность контура гетеродина рассчитываемая как

Lк.г=25300/(Cпар+Скmin)

Lк.г=25300/=25300/0,277*232,1=25300/64,29=393,5мкГн

Заключение

Разработанная принципиальная схема радиовещательного приемника СВ. диапазона соответствует техническому заданию приемника второй группы сложности. Особенностью технического решения принципиальной схемы является то, что приемник выполнен в основном на интегральных микросхемах: К157ХА2, К174УН14, транзистора VT302A, что повышает технологичность и экономичность в изготовлении посредством уменьшения элементной базы, путем применения новых технологий миниатюризации. Технологичность может проявиться в микросхемах, т. к. они многофункциональные. Разработанный приемник можно использовать в горных условиях, т. к. радиоприемник работает на СВ диапазоне, что лучше использовать в такой местности. Этот приемник способен принимать сигналы от передатчиков находящихся в ближнем и дальнем зарубежье. Он является средне-дальнобойным, т. к. его частоты приема находятся в диапазоне близком к средним частотам. Даже по дальности может потягаться с некоторыми средне - волновыми приемниками.

Похожие работы на - Разработка схемы радиовещательного приемника

 

Не нашли материал для своей работы?
Поможем написать уникальную работу
Без плагиата!
Без нейросетей!