Переносной бытовой радиовещательный приемник первой группы сложности
Содержание
Введение
1. Описание
возможных вариантов построения структурных схем радиовещательных переносных
бытовых РПУ первой группы сложности на конкретных примерах
.
Проектировочный раздел
.1 Выбор и
обоснование исходных данных для расчета
.2 Предварительный
электрический расчет структурных схем радиоприемника
.3 Выбор и
обоснования принципиальных схем отдельных каскадов или блоков радиоприемника
.4 Выбор и
обоснование принципиальной схемы синтезатора частоты для РПрУ
.5 Разработка
принципиальной схемы блока электронной коммутации диапазонов в РПрУ
. Расчетный
раздел
.1
Электрический расчет отдельных каскадов с помощью ПЭВМ
Заключение
Литература
Введение
схема радиовещательный приемник
Современный радиоприемник является сложным радиотехническим устройством,
значение которого в экономической, социальной и культурной жизни людей огромно.
Радиосвязь невозможна без радиоприемника, с изобретением которого практически
началась эра радио. Радиоприем является не только важнейшей, но и наиболее
трудной задачей радиотехники. Системы и сети связи с подвижными объектами, а
также спутниковые системы связи являются производной развития радиоприемных
устройств. Спутниковые системы, сотовые телефоны и многие другие устройства
человек использует в повседневной жизни, в состав которых, в обязательном
порядке входят радиоприемные системы. Поэтому с уверенностью можно сказать, что
радиоприемные устройства - это важная и неотъемлемая часть радиосистемы.
От специалистов требуется постоянное изучение современной технической
литературы. Развитие теории и техники радиоприема характеризуется в основном
тремя взаимосвязанными направлениями. Первое состоит в освоении все более
высокочастотных диапазонов. Однако не уменьшается важность дальнейшего развития
радиоприемников прежних диапазонов. Второе направление связано с развитием
элементной базы приемников всех назначений. Повышение технического уровня
радиоприемной аппаратуры достигнуто за счет использования интегральной
технологии. Такие приемники обладают высокой надежностью, малыми габаритами и
энергопотреблением, высокими экономическими и качественными показателями.
Третье направление связано с широким применением цифровых устройств обработки
сигналов, фильтров, демодуляторов, синтезаторов частот, систем настройки и
индикации принимаемой частоты и т.д.
Цель данного курсового проекта состоит из разработки переносного бытового
радиоприемника первой группы сложности, приобретение практических навыков в
разработке РПрУ с применением современной элементной базы и ПЭВМ, а также
изучение особенностей построения принципиальной схемы РПрУ первой группы
сложности.
1. Описание возможных вариантов построения структурных схем
радиовещательных переносных бытовых РПУ первой группы сложности
Описание структурной схемы РПУ “ИШИМ-003”
Радиоприемник выполнен на транзисторах по супергетеродинной схеме с
однократным преобразованием частоты с раздельными каналами приема АМ и ЧМ
сигналов. В канал приема ЧМ сигналов входят блоки УКВ и ПЧ ЧМ. Блок УКВ
предназначен для усиления ВЧ сигналов и преобразования их в сигналы ПЧ. Блок
состоит из входной цепи ВЦ, двухкаскадного усилителя высокой частоты УВЧ,
смесителя См, гетеродина Г1. основное усиление ЧМ сигналов производится в блоке
ПЧ ЧМ, который состоит из трех избирательных усилителей промежуточной частоты УПЧ1-УПЧ3,
резистивного каскада УПЧ4, усилителя-ограничителя УПЧ5 и частотного детектора
ЧД. На выходе ЧД включен двухкаскадный усилитель звуковой частоты (УЗЧ1,УЗЧ2).
Канал приема АМ сигналов состоит из блоков ВЧ и ПЧ АМ. Блок ВЧ
предназначен для усиления и преобразования АМ сигналов радиовещательных станций
в АМ сигналы с промежуточной частотой. Блок состоит из входных цепей ВЦ,
отдельных для каждого диапазона, УВЧ1, смесителя См2 и гетеродина Г2. Блок ПЧ
АМ состоит из трехкаскадного УПЧ, амплитудного детектора АД,
усилителя-детектора УД, используемого для автоматической регулировки усиления ,
однокаскадного УЗЧ.
Общими для обоих каналов являются блоки низкой частоты ЗЧ, питания БП и
электронно-счетной шкалы настройки приемника ЭСШ. На транзисторах V1…V3 блока ЗЧ собран основной УЗЧ, на транзисторах V6…V10 -контрольный усилитель. В состав ЭСШ входят счетчик
частоты с цифровым жидкокристаллическим индикатором, устройство вычитания
сигналов промежуточных частот, электронный коммутатор и др. Счетчик измеряет частоту
гетеродина приемника, из которой затем вычитается сигнал промежуточной частоты.
Результат вычитания - сигнал частоты принимаемой радиостанции фиксируется
индикатором.
Технические данные радиоприемника
Чувствительность радиоприемника:
в диапазонах, КВ при отношении напряжения сигнал-шум 20 дБ, мкВ, ……… 40
в диапазоне УКВ при отношении напряжения сигнал-шум 50 дБ, мкВ, ………10
Диапазоны принимаемых частот, МГц:
|
КВ2
|
……………………
|
6…10
|
|
КВ3
|
……………………
|
10…14
|
|
УКВ
|
……………………
|
65…74
|
Избирательность по соседнему каналу при расстройке ±9 кГц в
диапазонах:
ДВ, СВ, КВ, дБ, не менее …………………………………….60
Промежуточная частота для диапазонов:
ДВ, СВ, КВ, кГц …………………………………..465
УКВ, МГц ……………………………………..10.7
Номинальная выходная мощность на основном выходе при
сопротивлении нагрузки 600 Ом, мВт,
2. Проектировочный раздел
.1 Выбор и обоснование исходных данных для расчета
Для разработки приемника необходимо выбрать структурную схему. В данном
случае выбираю схему супергетеродинного типа с однократным преобразованием
частоты. Основанием для этого является то, что существенно упрощается его
система настройки поскольку перестраиваются только селективные цепи входной
цепи, УРЧ и гетеродина. В супергетеродинном приемнике можно обеспечить
значительно лучшую фильтрацию сигнала от помех при перестройке приемника.
Основные показатели радиотракта практически не изменяются, так как они в
основном определяются показателями тракта промежуточной частоты. В
супергетеродинном приемнике легче обеспечить большое усиление. Приведем
структурную схему.
Рисунок 2-Структурная схема приемника супергетеродинного типа, где:
ВЦ- входная цепь;
УРC-усилитель радиосигнала;
См-смеситель;
G-гетеродин;
УПЧ-усилитель сигнала промежуточной частоты;
D-детектор;
УЗЧ-усилитель сигнала звуковых частот,
ОУ-оконечное устройство.
Для обеспечения заданной избирательности по соседнему каналу применяется
фильтр ПКФ и интегральные микросхемы. В соответствии с ГОСТом 5651-89
конкретизирую исходные данные для предварительного расчета структурной схемы
радиоприемника первой группы сложности.
Таблица 1
|
Основные параметры
|
Заданное значение
|
Значение в соответствие с
ГОСТ
|
Принятые значения
|
|
Sар 12мкВ/м0,15мкВ/м12мкВ/м
|
|
|
|
|
Sзк
|
62дБ
|
40Дб (УКВ) 16Дб (КВ)
|
62дБ
|
|
Sск
|
48дБ
|
40 дБ
|
48дБ
|
|
10_10
|
|
|
|
|
Fн
|
100Гц
|
125Гц
|
100Гц
|
6,8кГц
|
5,6кГц
|
6,8кГц
|
2.2 Предварительный электрический расчет структурной схемы
РПрУ
.2.1 Выбор и обоснование параметров и числа избирательных
систем ТРЧ
На основании исходных данных произвожу распределение заданного ослабления
на краях полосы пропускания среди основных трактов радиоприемного устройства.
Таблица 2:
Распределение заданного ослабление по трактам
|
Тракты ТРЧТПЧТЗЧ
|
|
|
|
|
10
|
2
|
7
|
1
|
Теперь
рассчитываю количество
избирательных контуров для каждого диапазона ( КВ-2,
КВ-3, УКВ-1, УКВ-2). Выбираю количество избирательных контуров n=3.
Для
нахождения
нам необходимо знать промежуточную частоту
, ширину полосы пропускания
, минимальную и максимальную частоты поддиапазона
, а также
. Все эти
параметры высчитываются по следующим формулам:
(для
КВ-2, КВ-3),
(для
УКВ-1, УКВ-2),
где
- верхняя граничная частота диапазона принимаемых
звуковых частот
где
максимальная частота диапазона,
-минимальная частота диапазона
пч
При
расчете понадобятся следующие данные:
Определяю
максимальную допустимую добротность контуров ТРЧ
,
обеспечивающую заданное ослабление на краях полосы пропускания :
:
,
Где
:
,
Где
:
:
Рассчитываю
необходимую добротность контуров
, которая
обеспечивает заданную избирательность по зеркальному каналу:
,





Таблица 3:Основные параметры
|
 
|
|
|
|
УКВ-1
|
518,5
|
19,6
|
80
|
|
УКВ-2
|
689,5
|
28,3
|
96
|
|
КВ-2
|
625,1
|
58,4
|
64
|
|
КВ-3
|
471,1
|
44
|
56
|
Рассчитываю эквивалентную конструктивную добротность контуров:
;
;
КВ-2:

КВ-3:

УКВ-1:


УКВ-2:



КВ-3:
УКВ--1:
УКВ--2:
Все
условия выполняются ---
и
для
каждого из диапазонов:
КВ-2:
58,4 < 64 < 625,1; УКВ-1: 19,6 < 80 < 518,5;
КВ-3:
44 < 56 < 471,1; УКВ-2: 28,3 < 96 < 689,5.
КВ-2:
; УКВ-1: 81,3<518,5;
КВ-3:
; УКВ-2: 99<689,5.
Таблица
4: Конструктивная добротность контуров
|
Диапазон
|
Значение конструктивной
добротности для контуров
|
|
Без сердечника
|
С сердечником
|
КВ
УКВ 60
150
200140
190
|
100 200
|
|
Таблица 5: Коэффициент шунтирования контура электронным прибором
|
Коэффициент шунтирования
|
Электронный прибор
|
|
Транзистор
|
|
0.5 0.8
|
|
Далее
окончательно принимаем значение
. Структурная схема приведена на рисунке 4.
Рисунок
3 - Схема распределения в ТРЧ контуров
.2.2 Выбор типа элементов для перестройки колебательных
контуров ТРЧ
Исходными данными для выбора элемента настройки (варикапа) являются:
См=8-10 пФ, См=5-6
пФ,
КВ:
СL=4-10 пФ, УКВ: СL=1-4 пФ,
Свн=8-15пФ, Свн=4-8пФ.
.Расчитываю коэффициент перекрытия по диапазону:
Кпд
=
(для каждого диапазона).
УКВ-1:
УКВ-2:
КВ-2:
КВ-3:
По справочной литературе предварительно выбираю варикап, который по своим
параметрам позволит обеспечить перекрытие заданных диапазонов.
КпдVD=
;
Выбранный
мной варикап удовлетворяет условиям перекрытия диапазонов КВ-2, КВ-3.Данный
варикап КВ110В имеет параметры:
Таблица
6- Параметры варикапа КВ110В.
|
Параметр
|
значение
|
условие
|
|
Cmin, пФ
|
17,6
|
-
|
|
Cmax, пФ
|
26,4
|
-
|
|
Q
|
300
|
На f=50Гц , Uобр=4В
|
|
Рmax,Вт
|
100
|
-
|
Его КпдVD=1,2.
Варикап КВ107А, обеспечивающий перекрытие по диапазону УКВ-1 и УКВ-2,
имеет следующие параметры:
Таблица 7- Параметры варикапа КВ107А.
|
Параметр
|
значение
|
условие
|
|
Cmin, пФ
|
10
|
-
|
|
Cmax, пФ
|
40
|
-
|
|
Q
|
20
|
|
Рmax,Вт
|
100
|
-
|
Его КпдVD=2.
Таблица 8. Рекомендуемые значения емкостей.
|
Значения емкостей
|
См, пФ
|
СL, пФ
|
Cвн, пФ
|
|
КВ
|
8..10
|
4..10
|
8..15
|
|
УКВ
|
5..6
|
1..4
|
4..8
|
Определяю емкость схемы:
Ссх=Смонтажа+Свносимое+Сподстроечное
КВ-2: Ссх=20 пФ;
КВ-3: Ссх=20 пФ;
УКВ-1: Ссх=18пФ;
УКВ-2: Ссх=16пФ.
После того как рассчитал С сх , определяю требуемую емкость
схемы Сэк, при которой выбранный варикап обеспечивает перекрытие
данного диапазона:
Сэк=
КВ-2
Сэк=53,5 пФ;
КВ-3
Сэк=53,5 пФ;
УКВ-1
Сэк=57,5пФ;
УКВ-2
Сэк=36,9 пФ.
Определяю
С доп , которое необходимо включить в контур для получения заданного
перекрытия :
С доп
= Сэк- Ссх;
КВ-2
С доп=33,5(пФ);
КВ-3
С доп=33,5(пФ);
УКВ-1
С доп=39,5(пФ);
УКВ-2
С доп=20,9(пФ).
Если
С доп<0, то следует выбрать варикап с большим отношением
, если С доп>(20…40) пФ, то следует
выбрать варикап с меньшим отношением
, если
20< С доп<40, то варикап выбран верно.
При
полученном значении С доп условие (20< С доп<40)
выполняется, следовательно, выбранные варикапы будут использованы в моем приемнике.
.2.3 Выбор избирательной системы ТРЧ
В современных радиоприемниках вместо фильтров сосредоточенной селекции
применяют фильтры ПКФ, ПЭФ и ПАВ. Пьезокерамические фильтры при небольших
габаритах и массе обеспечивают высокую избирательность по соседнему каналу.
При выборе нужно учитывать значение:
1) ;
2) ;
1) Ослабление на краях полосы
пропускания.
Нужно получить:
1)
- коэффициент передачи;
)
- реальная избирательность;
4) и
- сопротивление по входу и выходу;
1) Ослабление на краях полосы
пропускания.
По этим данным из справочника выбираем фильтр. Его технические параметры
приведены в таблице 9.
Таблица 9 Избирательная система ТРЧ
|
Тип ПКФ
|
,кГц ,дБ ,кОм ,кОм
|
|
|
|
|
|
ПФ1П-042
|
4,6…7
|
50
|
-12
|
2,0
|
2,0
|
При выборе фильтра оказалось, что выбранный фильтр в полной
мере обеспечивает требуемую избирательность по соседнему каналу, поэтому
использование каких-то резисторных каскадов и еще нескольких ПКФ необязательно.
Полосовой фильтр конструктивно законченную систему пъезокерамических
резонаторов, связанных между собой. Чтобы полосовой фильтр работал нормально
нужно согласовать его вход и выход с предыдущими и последующими каскадами. Для
данного согласования перед пъезокерамическим фильтром включают резонаторный
контур.
2.2.4 Расчет необходимого усиления до детектора и выбор типа
усилительных элементов
Я выбираю демодулятор и преобразователя частоты в составе микросхемы
К174ХА10 - представляет собой многофункциональная ИС для построения
супергетеродинного приемника. ИС обеспечивает усиление ВЧ, ПЧ, НЧ сигналов,
преобразование частоты, демодуляцию АМ и ЧМ сигналов. Назначение выводов:
1-вход 1 УПЧ; 2 -вход 2 УПЧ; 3, 11-общий; 4-выход смесителя; 5-выход контура
гетеродина; 6-вход 1 УВЧ; 7-вход 2 УВЧ; 8-выход демодулятора; 9-вход УНЧ;
10-блокировка; 12-выход УНЧ; 13-питание; 14-вход демодулятора; 15-выход УПЧ;
16-блокировка АРУ (выход АПЧ).
Структурная схема микросхемы К174ХА10 представлена на рисунке 2.
Рисунок 4-Структурная схема микросхемы К174ХА10
Таблица:10 Основные электрические параметры ИМС К174ХА10.
|
UИП, В
|
Iпот, мА
|
Uвх огр.ЧМ
мкВ
|
Uвых, В
|
Uвых.ПЧ,
мВ
|
|
,НЧ
|
|
|
|
|
|
|
|
|
.2.5 Предварительный расчет АРУ
Исходными
данными для расчетов являются величины
(изменение
сигнала на входе радиоприемника) и
(допустимое
изменение сигнала на выходе).
Выбираю
изменение усиления, осуществляемое в одном каскаде:
раз.
Определяю
требуемое изменение коэффициента усиление приемника под действием АРУ:
определяю
необходимое число регулируемых каскадов:
Произвожу
расчет по формулам:
;
По полученным данным делаю вывод, что число регулируемых каскадов равно2.
.3 Выбор и обоснование принципиальной схемы отдельных
каскадов или блоков радиоприемника
2.3.1 Выбор и обоснование принципиальной схемыУРЧ
В качестве усилителя радиочастоты в данном курсовом проекте я использую
ИМС 175УВ1А, что упрощает принципиальную схему преемника и улучшит ее
усилительные свойства. Данная ИМС является универсальной усилительной схемой,
предназначена для использования в качестве широкополосного усилителя.
Далее привожу параметры ИМС 175УВ1А:
Таблица 11- Параметры ИМС 175УВ1А.
|
Параметры
|
Режим измерения
|
175УВ1А
|
|
Uип, В
|
-
|
|
|
Iпот., мА
|
Uвх=0
|
|
|
Ку U
|
F=1 МГц, Cн=5пФ , Rн=1кОм
|
|
|
Ку U
|
F=1 МГц, Uвх=10мВ
|
25
|
|
Кг,%
|
Uвых=0.5В,
F=40 МГц
|
|
|
Rвх., кОм
|
F=100кГц, Rн=1кОм, Cн=5пФ
|
1
|
|
Rвых., Ом
|
F=100кГц
|
75
|
|
fвх, МГц
|
Rн=1кОм
|
45
|
|
Uип max, В
|
-
|
7
|
|
Uвх А.max, В
|
-
|
1.5
|
Uвх
А-входное
амплитудное напряжение;
Uвх=20мкВ.
ар- реальная чувствительность,
ар=0.12 мкВ
Uвых= Ку/Uвх,
Uвых=10В.
Привожу
схему включения данной микросхемы:
Рисунок
5-Типовая схема включения ИМС К175УВ1.
.3.2 Выбор и обоснование принципиальной схемы преобразователя
частоты, УПЧ, демодулятора
Выбираю микросхему, которая содержит преобразователь частоты, УПЧ,
демодулятор. Эта микросхема К74ХА10. представляет собой многофункциональная ИС
для построения супергетеродинного приемника. ИС обеспечивает усиление ВЧ, ПЧ,
НЧ сигналов, преобразование частоты, демодуляцию АМ и ЧМ сигналов. Назначение
выводов: 1-вход 1 УПЧ; 2 -вход 2 УПЧ; 3, 11-общий; 4-выход смесителя; 5-выход
контура гетеродина; 6-вход 1 УВЧ; 7-вход 2 УВЧ; 8-выход демодулятора; 9-вход
УНЧ; 10-блокировка; 12-выход УНЧ; 13-питание; 14-вход демодулятора; 15-выход
УПЧ; 16-блокировка АРУ (выход АПЧ).
Назначение выводов: 1-вход 1 УПЧ; 2 -вход 2 УПЧ; 3, 11-общий; 4-выход
смесителя; 5-выход контура гетеродина; 6-вход 1 УВЧ; 7-вход 2 УВЧ; 8-выход
демодулятора; 9-вход УНЧ; 10-блокировка; 12-выход УНЧ; 13-питание; 14-вход
демодулятора; 15-выход УПЧ; 16-блокировка АРУ (выход АПЧ).
Принципиальная электрическая схема микросхемы К174ХА10 представлена на
рисунке 8.
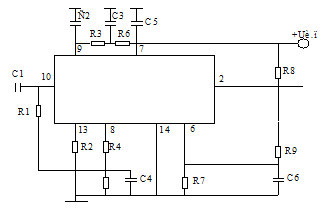
Рисунок 6 - Типовая схема включения ИМС К174ХА10.
Основные параметры микросхемы приведены в таблице 12.
Таблица:12
Основные электрические параметры ИМС К174ХА12
.3.3 Выбор и обоснование входной цепи
Схемы различных входных цепей отличаются друг от друга видами фильтров и
цепей связи. В качестве фильтров используются одиночные колебательные контуры,
что связано с простотой их перестройки. В некоторых РПУ для повышения реальной
селективности во входной цепи применяют многоконтурные фильтры. В диапазоне
дециметровых длин волн во входной цепи находят применение фильтры на
резонансных линиях, а в диапазоне сантиметровых и более коротких длин волн -
фильтры на объемных резонаторах и полосковые фильтры.
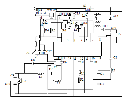
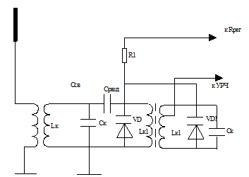
Схема входной цепи для ЧМ и АМ сигналов со штыревой телескопической
антенной, связь антенны с входной цепью - индуктивно-трансформаторная, показана
на рисунке 9.
Рисунок 7 - схема электрическая принципиальная входной цепи
.4 Выбор и обоснование принципиальной схемы УЗЧ
В качестве усилителя звуковой частоты принимаю микросхему К174УН3. Она
представляет собой усилитель низкой частоты. В таблице 13 привожу основные
параметры.
Таблица13-Основные параметры микросхемы К174УН3
На частоте 1кГц.
при Uвх=0.1Мв.
при Uвх=0.5В.
Рисунок 8 -Типовая схема включения ИМС К174УН3.
Назначение выводов:
-выход
-обратная связь
-питание(+Uи.п)
-эмиттер
,13-выводы
-общий(-Uи.п).
2.5 Разработка принципиальной схемы электронной коммутации
диапазонов
Для коммутации диапазонов выберем микросхемы типа 590КН14 и
КР590КН6.Микросхема 590КН14 в зависимости от комбинации цифровых сигналов на
управляющих входах 0-15 осуществляет любую комбинацию вход/выход из 16
возможных. Дополнительные входы управления Е и R служат для управления всеми
каналами микросхемы одновременно: при ER= 1 каналы открыты, при R=1
закрыты.
На рисунке 11 приведена коммутирующая матрица 4*4 со схемой управления.
Рисунок 9 -Условное графическое обозначение коммутирующей матрицы типа
590КН14.
Микросхема КР590КН6 аналогична микросхеме КР590КН1, то есть является
четырехканальным МОП АК, снабженный дешифратором и позволяет производить
адресный опрос каналов в зависимости от логических уровней на входах 1,2,15.
Рисунок 10-Условное графическое обозначение АК типа КР590КН6
В качестве блока управления выберем микросхему 155ИЕ9.
ИЕ9-это
четырехразрядный синхронный двоично-десятичный счетчик. Счетчик запускается
положительным перепадом тактового импульса, подаваемого на вход синхронизации
С. Счетчик устанавливается в предварительное состояние при наличии на входе
параллельной загрузки
напряжения низкого уровня. В этом случае разрешена
подача сигнала на триггер через вход предварительной установки D0…. D3 в
момент прихода положительного перепада на входе C. Для
синхронного каскадирования микросхема имеет два входа разрешения: CEP
(положительный) и CET (вспомогательный), а также TC (окончание
счета). С счетчик считает импульсы, если на входах CEP и CET
присутствует напряжение высокого уровня. Вход CET последующего
счетчика соединяет с выходом ТС последующего счетчика соединяет с выходом TС
предыдущего счетчика.
Особенности
работы:
нельзя
подавать положительный перепад на вход
, если на
входе C присутствует напряжение низкого уровня, а на входе CEP и
CET -высокого.
можно
изменять сигнал на входе CEP и CET, если на входе C присутствует
напряжение низкого уровня.
УГО
микросхемы 155ИЕ9 приведена на рисунке 13.
Рисунок 11 УГО микросхемы 155ИЕ9
Рисунок 12 - Схема включения микросхемы 155ИЕ9
2.6 Выбор принципиальной схемы стереодекодера
В качестве стереодекодера выберем микросхему К174ХА14. Стереодекодер для
применения в стационарной и переносной аппаратуре первой и второй группы
сложности. Микросхема содержит: операционный усилитель, || -коммутатор, |||
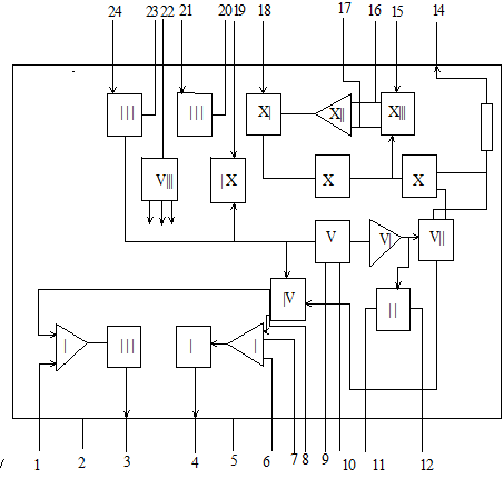
-эмитерный повторитель, |V-декодер,
V-синхронный детектор, V| -усилитель с гистерезисом, V||-переключатель, V|||-стабилизатор напряжения, |X -квадратор, X-делитель частоты на два, X|-генератор, управляемый напряжением; X||-усилитель, X|||-фазовый детектор петли ФАПЧ.
Назначение выводов: 1.6-корректирующий фильтр ВЧ; 2,5,13-не используются;
3-вывод канала B; 4-вывод канала A; 7,8-фильтр 50 мкс; 9,10-фильтр
переключателя; 11-индикатор” стерео”; 12-общий ; питание (-U); 14-контроль частоты генератора,
управляемого напряжением; 15, 17-фильтр ФАПЧ; 16-вход ФАПЧ; 18 подстройка
частоты генератора; 19-- выход квадратора; 20,24-корректирующий фильтр НЧ;
21-вход комплексного стереосигнала; 22-питание(+Uи.п.); 23-блокировка.
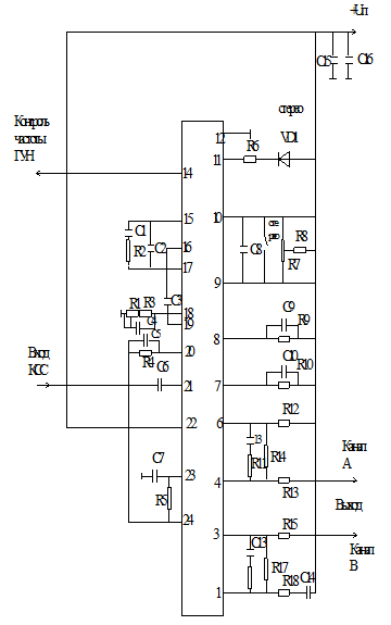
Структурная схема стереодекодера представлена на рисунке 15.
Рисунок 13 Структурная схема микросхемы К174ХА14.
Принципиальная схема включения микросхемы К174ХА14 представлена на
рисунке 16.
Рисунок 14 - Схема включения
3. Расчетный раздел
.1 Электрический расчет отдельных блоков ТРЧ с помощью ПЭВМ
Расчет входной цепи, с индуктивно-трансформаторной связью с антенной (по
заданию).
Исходные данные для расчета:
Эквивалентная
ёмкость контура
= 52.8 пФ;
сопротивление
первого каскада
= 5 кОм;
волновое
сопротивление фильтра
= 90 Ом;
рабочая
частота f0=1 МГц;
полоса
пропускания (ПП) = 9.6 кГц;
добротность
контура
= 150.
Порядок
расчета
)
Определяю оптимальный коэффициент включения антенны в контур, обеспечивающий
согласование по мощности входа и приемника с антенной.
где
- эквивалентное сопротивление контура с учетом шунтирующих
сопротивлений;
,
где
- резонансное сопротивление контура.
)
Далее определяю

=0.02
6.28
106=125600
)
Определяю резонансный коэффициент передачи напряжения сигнала при согласовании.
)
Определяю индуктивность контура.
)
Проверяю полосу пропускания.
Заключение
В данном курсовом проекте на основании задания и производственного
электрического расчета была разработана принципиальная и структурная схемы
переносного бытового приемника I-ой группы сложности.
В конкретном случае понадобилась интегральная микросхема К174ХА 10 , на
котором построен УПЧ, смеситель, гетеродин, УПЧ, демодулятор АМ и ЧМ, УНЧ, блокировка
АРУ.
Также интегральные микросхемы 590КН14 и КР590КН6 для коммутации
диапазонов; 155ИЕ9 - в качестве блока управления; К174ХА14 - в качестве
стреодекодера.