Проектирование радиоприемника
Введение
Радиотехнические системы применяется во многих
сферах современной человеческой жизни. Несмотря на не продолжительную историю
радиосвязи, жизнь современного человека без средств радиосвязи не
представляется возможной. Радиотехнические системы смогли обеспечить связь с
такими объектами, связь с которыми была бы невозможна: корабли, самолеты,
спутники и т.д. Большинство людей получило возможность получать и передавать
информацию с почти не ограниченной мобильностью. Современные средства связи
внесли удобство в нашу жизнь и зарекомендовали себя как надёжный и незаменимый
элемент в координации современной жизни.
Радиоприемное устройство - важнейшая часть
радиосистемы, по средством радиоприёмника, осуществляется перевод радиосигнала
в форму понятную человеку: акустические волны или изображение.
С течением времени к радиоприёмному устройству
стали предъявляться всё больше требований: компактность, малое
энергопотребление, способность включать в свою конструкцию дополнительные
функциональные узлы, расширяющие возможности приёмника.
Цели курсового проекта:
Развитие навыков работы со справочной
литературой.
Приобретение практических навыков составления
принципиальных схем РПУ.
Систематизация и закрепление полученных знаний,
путём непосредственного их применения на практике при проектировании
собственного радиовещательного приёмника.
Раздел 1. Краткое описание вариантов
постраения структурной схемы РПрУ
.1 «Вега РП-240»
«Вега РП-240» - переносный радиоприемник второй
группы сложности, выполненный по супергетеродинной схеме с раздельными трактами
АМ и ЧМ, предназначен для приема передач радиовещательных станций, работающих с
амплитудной модуляцией в диапазонах ДВ и СВ волн и с частотной модуляцией в
диапазоне УКВ. Прием программ в диапазонах ДВ и СВ осуществляется на встроенную
магнитную, а в диапазоне УКВ - на телескопическую антенну. Прослушивание
программ производится через встроенную головку громкоговорителя, кроме того,
имеется возможность подключения дополнительной динамической головки, при этом
встроенный громкоговоритель автоматически отключается.
Основные технические данные:
Диапазон принимаемых частот (волн):
ДВ - 148...285 кГц (2027... 1050 м);
СВ - 525...1607 кГц (571...186,7 м);
УКВ - 65,8...74,0 МГЦ (4.56...4.06 м).
Промежуточная частота: тракта AM - 465 кГц;
тракта УКВ - 10,7 МГц. Чувствительность, при выходной мощности 50 мВт, не хуже:
на ДВ - 450 мкВ/м;
на СВ - 250 мкВ/м;
на УКВ - 25 мкВ.
Чувствительность, при отношении сигнал/шум не
менее 20 дБ в диапазонах ДВ, СВ и не менее 26 дБ в диапазоне УКВ, не хуже:
на ДВ - 1,5 мкВ/м;
на СВ - 0,8 мкВ/м;
на УКВ - 70 мкВ.
Избирательность по соседнему каналу, при
расстройке на +9 кГц более 30 дБ.
Избирательность по зеркальному каналу, не менее:
на ДВ - 36 дБ;
на СВ - 30 дБ;
на УКВ - 30 дБ.
Действие АРУ: при изменении сигнала на входе
приемника на 26 дБ соответствующее изменение сигнала на выходе приемника не
более 4 дБ.
Номинальная выходная мощность при коэффициенте
нелинейных искажений всего тракта усиления не более 5 % - 100 мВт.
Максимальная выходная мощность не менее 200 мВт.
Полоса воспроизведения звуковых частот в
диапазонах:
ДВ, СВ - 315....3550 Гц;
УКВ - 315....7100 Гц.
Источник питания: четыре элемента типа А316 или
внешний источник питания напряжением 4,5...6 В.
Ток, потребляемый приемником, при отсутствии
сигнала, не более:
в диапазонах ДВ, СВ - 16 мА;
в диапазоне УКВ - 25 мА.
Работоспособность сохраняется при снижении
напряжения питания до 3 В.
Габаритные размеры радиоприемника 230x95x42,5
мм.
Масса радиоприемника без источника питания 0,7
кг.
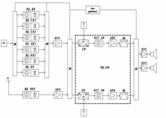
Рисунок 1 - Структурная схема РВП «Вега РП-240»
Тракт ЧМ. Телескопическая антенна
трансформаторной связью включена в одноконтурную входную цепь. Один
широкополосный усилитель радиочастоты с одним контуром в нагрузке собран по
схеме с общей базой и трансформаторной связью связан с преобразователем частоты
выполненным на микросхеме К174ПС1. Подстройка частоты осуществляется при помощи
изменения индуктивности контура гетеродина который вынесен за пределы
микросхемы. Через трансформаторную связь сигнал проходит через фильтр
сосредоточенной селекции настроенный на частоту 10,7 МГц. Остальные каскады
радиоприёмника (УПЧ, детектор, УЗЧ) выполнены на микросхеме К174ХА10. Для
тракта АМ в данной микросхеме производится преобразование частоты.
Приём колебаний в диапазоне СВ и ДВ производится
на магнитную антенну все последующие тракты, для АМ колебаний, кроме входной
цепи и фильтра сосредоточенной селекции выполнены на уже рассмотренной
микросхеме К174ХА10.
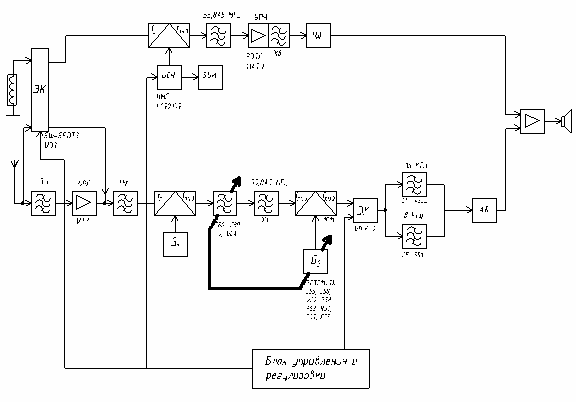
1.2 «Tecsun PL-600»
Радиоприемник «Tecsun PL-600» появился в продаже
в 2008 году и является ярким представителем современного радиоприемников. Он
обладает рядом достоинств и высокими характеристиками по сравнению с другими
аналогичными РПрУ. Tecsun PL600 - супергетеродинный приемник с разделенным
трактом приема АМ и ЧМ сигналов. В качестве особенностей схемотехники можно
выделить двукратное преобразование частоты для АМ - fпч1 = 55.845 МГц и fпч2 =
455 КГц; однократное преобразование частоты для ЧМ - fпч1 = 10.7 МГц; наличие
цифрового синтезатора частоты. Обобщенная структурная схема радиоприемника
представлена на рисунке 2.
Для ЧМ сигналов:
ТРЧ широкополосный не перестраиваемый. Наличие
аттенюатора для ослабления сигнала в зоне уверенного радиоприема.
ТПЧ представлен интегральным преобразователем
выполненном на ИМС TA7358AP с промежуточной частотой fпч = 10.7 МГц. Связь со
смесителем трансформаторная. УПЧ2 выполнен на транзисторе, нагрузкой является
ПКФ. Цифровой синтезатор частоты выполнен на ИМС LC7213M.
Т3Ч представлен ИМС TA2057. Это частотный и
амплитудный детектор, а так же в этой ИМС находятся активные фильтры,
обеспечивающие избирательность по зеркальному каналу.
Для АМ сигналов:
ТРЧ широкополосный не перестраиваемый.
Первый смеситель - транзисторный балансный, нагрузкой
являться колебательный контур связанный с перестраев
Т3Ч представлен ИМС TA2057. Это частотный и
амплитудный детектор, а так же в этой ИМС находятся активные фильтры,
обеспечивающие избирательность по зеркальному каналу.
Основные параметры рассматриваемого РПрУ
представлены в таблице 2.
Таблица 1 - Основные технические характеристики
РПрУ «Tecsun PL-600»
|
Диапазон
принимаемых частот
|
|
УКВ
|
ДВ
|
СВ
|
КВ
|
|
Диапазон
частот, кГц
|
87250
- 108420
|
144
- 419
|
508
- 1620
|
1588
- 26532
|
|
Реальная
чувствительность (при дБ), мВ/м
|
0,0026
|
0,32
|
0,035
|
|
Избирательность
по соседнему каналу, дБ
|
-
|
59
|
59
|
-
|
|
Избирательность
по зеркальному каналу, дБ
|
44
|
58
|
72
|
50
|
|
Максимальная
выходная мощность, Вт:
|
|
при
питании от батареи:
|
1,88
|
|
при
питании от сети:
|
6,5
|
Рисунок 2 - Структурная схема РПрУ «Tecsun
PL-600»
Раздел 2. Проектировочный раздел
.1 Формирование исходных данных для
расчета
Анализируя ГОСТ 5651-89 выбираются исходные
данные, которые приведены в таблице 2.
Таблица 2
|
Основные
параметры
|
Заданное
значение
|
Значение
в соответствии с ГОСТ
|
Принятое
значение для расчета
|
|
|
Чувствительность
(Ам)
|
2100
мкВ
|
100
мкВ
|
100
мкВ
|
|
|
Чувствительность
(Чм)
|
600
мкВ
|
275
мкВ
|
275
мкВ
|
|
|
Избирательность
по зеркальному каналу
|
32
дБ
|
40
дБ
|
40
дБ
|
|
|
Избирательность
по соседнему каналу
|
30
дБ
|
40
дБ
|
40
дБ
|
|
|
Рвых.
|
0,5
Вт
|
-
|
0,5
Вт
|
|
|
Диапазон
воспроизводимых частот
|
88
- 108 МГц (ЧМ) 0,15 - 10 МГц (АМ)
|
100
- 108 МГц 148,5 КГц - 26,1 МГц
|
88
- 108 МГц 148,5 КГц - 10 МГц
|
|
|
Диапазон
звучания частот
|
125
- 7100 Гц
|
125
- 5600
|
125
- 7100
|
2.2 Предварительный расчёт
электрической структурной схемы радиоприёмника
На рисунке 2 приведена предварительная
структурная схема разрабатываемого радиоприёмника. Она состоит из входных цепей
для каждого поддиапазона, усилителей радиочастоты для АМ и ЧМ трактов,
микросхемы TEA 5711 (смесители, ФСС, усилители промежуточной частоты, детекторы
для АМ и ЧМ трактов), УЗЧ и блока управления для управления электронными
ключами.
Рисунок 3 - Предварительная структурная схема
радиоприёмника
2.3 Выбор и обоснование
принципиальных схем, каскадов и блоков радиоприёмника
В качестве элемента перестройки выбран варикап
Philips BB130 . Для УКВ выбран варикап Philips BB184.
В разрабатываемом РПрУ будет использоваться ИМС
большой степени интеграции TEA5711 фирмы Philips 1994 года выпуска.
В качестве УЗЧ выбрана микросхема TDA1555Q
Даташиты прилагаются.
2.4 Выбор и обоснование
электрической принципиальной схемы блоков коммутации диапазонов
В качестве коммутатора будет использована
микросхема отечественного производства К590КН18.
К590КН18 - это коммутирующая матрица 7*7 со
схемой управления, предназначенная для переключения аналоговых или цифровых
сигналов. В зависимости от комбинации цифровых сигналов на управляющих входах
микросхема осуществляет любую из 16 возможных комбинаций вход/выход.
Дополнительный вход E служит для управления всеми каналами микросхемы. На этот
вход необходимо подавать уровень логического нуля.
В данном курсовом проекте в коммутаторе
используется только 3 из 4 возможных адресных входов, так как они позволяют
осуществить 8 комбинаций вход/выход - этого количества достаточно для
осуществления коммутации заданных по заданию диапазонов.
Рисунок 4 - Условно-графическое обозначение
микросхемы К590КН18
|
Uип,
В
|
Iутечки.,
нА
|
Iвх.
низ ур., мкА
|
Iвх.
выс ур., мкА
|
Iпот,
мкА
|
Rв
откр сост, Ом
|
|
12
|
70
|
0,2
|
0,2
|
2000
|
100
|
Таблица 4 - Таблица истинности ИМС К590КН18
|
Адрес
|
Выбор
|
|
А
|
В
|
С
|
D
|
|
|
1
|
0
|
0
|
0
|
X1Y1
|
|
0
|
0
|
1
|
0
|
X2
Y2
|
|
0
|
1
|
0
|
0
|
X3
Y3
|
|
1
|
1
|
1
|
0
|
X4
Y4
|
|
1
|
1
|
0
|
0
|
X5
Y5
|
|
0
|
1
|
1
|
0
|
X6
Y6
|
|
1
|
0
|
1
|
0
|
X7
Y7
|
Блок управления собран на основе микросборки
К04КП024.Управление микросборкой осуществляется по ее входам Х1-Х7, сигналы
индикации снимаются с выходов Y1 - Y7, а управление коммутатором реализуется по
выходам Y8-Y13. Микросборка К04КП024 представляет собой многостабильный триггер
и набор электронных ключей, связанных со всеми выходами.
Рисунок 5 - Типовая электрическая схема ИМС
К04КП024
Таблица 5 - Электрические параметры ИМС К04КП024
|
Uип,
В
|
Iпот.,
мА
|
Iком.,
мА
|
Кол-во
каналов
|
|
12
|
60
|
≤0,3
|
7
|
Раздел 3. Расчётный раздел
.1 Электрический расчёт входных
цепей
принципиальный схема радиоприемник
коммутация
Разбивка диапазонов на поддиапазоны
Задаются коэффициентом перекрытия по диапазону 
=2
Определяется требуемое количество поддиапазонов:
Коэффициент перекрытия каждого поддиапазона
диапазона СВ:
-й поддиапазон:
-й поддиапазон:
Определяется крайние частоты поддиапазонов с
перекрытием:
-й поддиапазон:
-й поддиапазон:
Расчёт КВ:
М(КВ1)
Кд кв1=6,2/5,9=1,05
М(КВ2)
Кд кв2=7,45/7,20=1,035
М(КВ3)
Кд кв3=9,9/9,4=1,053
Расчёт УКВ:
Для обеспечения перекрытия поддиапазонов при
смене электронных приборов, изменений величины напряжений источников питания,
изменений температуры и т.д. необходимо раздвинуть крайние частоты
поддиапазонов на 1-3%. При расчёте получится:
Итого имеются следующие поддиапазоны и их
коэффициенты перекрытия:
Определение эквивалентной добротности и числа
контуров тракта радиочастоты.
Заданная избирательность по зеркальному каналу
40dB попадает по госту под класс приёмников 2-й группы сложности. По остальным
параметрам данный приёмник попадает под этот же класс, но для большей
конкурентоспособности проектируемого изделия входные цепи для СВ и КВ будут
спроектированы в соответствии с требованиями предъявляемыми к РПУ 1-й группы
сложности. Входная цепь ДВ останется 2-й группы сложности. Избирательности по
зеркальному каналу для каждого диапазона в этой группе следующие:
ДВ-40 dB или 100 раз
СВ-40 dB или 100 раз
КВ-40 dB или 100 раз
Расчёт ДВ:
Ориентировочное число одиночных контуров тракта
радиочастоты ДВ
Определяется максимально допустимая добротность
контуров Qп, обеспечивающая заданное ослабление на краях полосы пропускания:
Определяется необходимая добротность контуров,
обеспечивающая заданную избирательность по зеркальному каналу:
При применении одноконтурной входной цепи с
внешнеемкостной связью с антенной:
При применении одноконтурного входного
устройства с индуктивной связью с антенной и каскадов УРЧ с полным включением
одиночных контуров:
Принимая 
определяется
эквивалентная конструктивная добротность контура:
Так как выполняется условие 
=, принимается
число контуров 
и эквивалентное
качество контура (на максимальной частоте диапазона), чтобы выполнялось условие
Зеркальные частоты:
Остальные диапазоны рассчитаны по аналогии
вручную.
Таблица 6 - Результаты расчётов и вычислений
|
Диапазон
|
ДВ
|
СВ1
|
СВ2
|
КВ1
|
КВ2
|
КВ3
|
УКВ
|
|
σз, дб
|
10
|
22
|
26
|
42
|
43
|
46
|
63
|
2
|
2
|
2
|
2
|
2
|
2
|
2
|
|
Qп
|
52,34
|
46,6
|
54
|
52
|
54
|
55,2
|
54
|
|
Qэ
|
1,21
|
4,7
|
7,95
|
33,3
|
31,4
|
47,8
|
40,1
|
|
Qи
|
5,1
|
9,46
|
12,56
|
38,2
|
35,3
|
52,25
|
33,75
|
|
Fз
мин, MHz
|
1,078
|
1,458
|
1,846
|
6,712
|
7,986
|
10,142
|
109,4
|
|
Fз
макс, MHz
|
1,213
|
1,849
|
2,535
|
7,254
|
8,529
|
11,028
|
129,4
|
|
Qэк
|
85
|
102
|
119
|
136
|
144,5
|
153
|
105
|
Полученные значения справедливы для выбранного
варикапа BB130. Также при расчётах учитывалась ёмкость катушки и монтажа. Зная
индуктивности и частоты рассчитаны и эквивалентные вносимые сопротивления
(R=2пFL/Q).
Заключение
В данном курсовом проекте на основании задания и
производственного электрического расчета были разработаны принципиальная схема
бытового переносного радиовещательного приемника 1-ой группы сложности.
Все цепи рассчитывались в программе Micro-cap.9.
Особенностью разработанной принципиальной схемы
является построение с применением интегральных микросхем большой степени
интеграции, а так же наличие электронных коммутаторов, наличие приема по
четырем диапазонам.