Разработка приемника ЧМ сигналов со стереофоническим выходом
1. Основные технические требования к радиоприемнику
интегральный схема
стереофонический радиоприемник
Спроектировать приемник ЧМ сигналов со
стереофоническим выходом. В процессе проектирования следует:
Выбрать и обосновать функциональную схему
приемника.
Подобрать по параметрам интегральную схему.
Произвести электрический расчет основных узлов.
Выполнить графическую часть
принципиальную схему радиоприемника
перечень элементов
Целью данной курсовой работы является разработка
приемника ЧМ сигналов со стереофоническим выходом.
Для приема передач с частотной модуляцией
используется диапазон УКВ. В диапазонах ДВ и СВ прием обычно осуществляется на
встроенную магнитную антенну, а в диапазонах КВ, УКВ - на штыревую
(телескопическую). При приеме радиовещательных программ необходимо обеспечить
достаточное качество воспроизведения сигналов, так как важно правильное
отображение не только смысловой информации, но и характера передачи (тембра
голоса и т.д.).
Техническое задание на разработку
радиовещательного супергетеродинного приемника
2. Разработка функциональной схемы и выбор
методами ориентировочного расчета типов усилительных элементов или ИМС и
избирательных узлов
Высокие требования к электрическим
характеристикам современных радиовещательных приемников предопределяют их
построение по супергетеродинной схеме.
Определить оптимальное число каскадов в
различных трактах приемника можно только на основании расчета структурной
схемы. Ее следует выбирать, исходя из заданных параметров приемника.
В схеме супергетеродинного приемника (рис. 2.1)
с помощью дополнительного местного гетеродина в преобразователе происходит
смещение спектра сигнала в диапазон новых, промежуточных частот. Это
преобразование должно быть линейным, т. е. не должно сопровождаться искажениями
огибающей высокочастотного сигнала. При этом условии результат детектирования
усиленного в УПЧ сигнала будет таким же, как и результат детектирования
напряжения с выхода усилителя высокой частоты в приемнике прямого усиления. Супергетеродин
обладает высокой чувствительностью и селективностью, поскольку усиление
осуществляется еще и на промежуточной частоте.
Рис. 2.1. Функциональная схема
супергетеродинного приемника ЧМ сигналов
Высококачественное воспроизведение
радиовещательных программ возможно только в УКВ диапазоне. Структурная схема
сигнальной части приемника определяется супергетеродинным принципом радиоприема
и стала уже традиционной. Однако наблюдаются некоторые тенденции к усложнению
схемы. Во многих разработках применяют селективные буферные каскады, включаемые
между гетеродином и смесителем. Они предназначены для уменьшения влияния
сильного сигнала на частоту гетеродина и служат для повышения устойчивости
тракта к перекрестной модуляции. (Перекрестной модуляцией называют перенос
модуляции мешающей станции на сигнал принимаемой радиостанции.) Селективный
буферный каскад уменьшает напряжение гармоник гетеродина в смесителе, тем самым
подавляются дополнительные каналы приема.
Номенклатура интегральных схем, предназначенных
для построения приемных тактов беспроводных устройств связи, чрезвычайно широка
и разнопланова. Только описанию параметров и рекомендаций по применению
производимых интегральных узкополосных и широкополосных приемников
частотно-модулированных сигналов с однократным и двукратным преобразованием
частоты посвящено несколько томов справочников, обновляемых практически каждый
год (см., к примеру, [7, 8]). В связи с этим выбор наиболее подходящей для
конкретного изделия ИС представляет для разработчика непростую задачу.
В этой ситуации основным критерием выбора
компонентов является наиболее полное соответствие их параметров техническим
требованиям, предъявляемым к приемному тракту. К основным из них относятся
следующие:
диапазон входных частот.
количество преобразований частоты.
максимальные значения промежуточных частот
полоса частот детектора и выходной цепи.
чувствительность при заданном отношении
(сигнал+шум)/шум, либо шум-фактор.
напряжение источника питания и ток потребления.
тип корпуса.
Указанные параметры, как правило, не требуют
дополнительных разъяснений для разработчиков.
Ряд параметров приемников приводится в
справочниках для определенных условий. В первую очередь это относится к
значениям частоты модуляции и величине девиации частоты входных сигналов,
которые для узкополосных приемников соответственно равны 1 кГц и 3 кГц. В
широкополосных приемниках эти значения составляют 1 кГц и 75...125 кГц.
Значения промежуточных частот также унифицированы. Первая промежуточная частота
( для узкополосных приемников с однократным преобразованием она является
частотой входного сигнала) равна 10,7МГц. Вторая промежуточная частота в
узкополосных приемниках, (промежуточная частота в узкополосным приемниках с
однократным преобразованием) как правило, не превышает 0,5 МГц и в большинстве
случаев равна 455 кГц.. Этот выбор обусловлен наличием широкого спектра
недорогих пьезокерамических и кварцевых фильтров с различными полосами
пропускания и хорошими частотно-избирательными свойствами.
В широкополосных приемниках промежуточная
частота достигает значений 20...50 МГц, полоса пропускания - до 600 кГц.
Чувствительность приемников определяется либо
как уровень сигнала для определенного отношения (сигнал+шум)/шум на выходе
частотного детектора (обычно 12 дБ), либо как уровень сигнала, лежащего на 3 дБ
ниже уровня ограничения усилителя ограничителя промежуточной частоты.
Кроме этого большое значение для построения
современных средств связи с развитым пользовательским сервисом представляет
также наличие в ИМС дополнительных функций, таких как:
бесшумная настройка БШН (Squelch)
с регулировкой уровня срабатывания и гистерезиса;
бланкирование звука (Mute)
при уменьшении сигнала ниже определенного порога;
определителя наличия несущей (Carrier
Detect);
- измеритель
уровня
принимаемого
сигнала
(RSSI - Received Signal Strength Indicator);
- формирователь сигнала управления сканированием
при автоматической настройке на радиостанцию (Scan
Control);
преобразователь аналогового сигнала в цифровую
информационную последовательность (Data
Sheer или Data
Shaper), и т.п..
В зарубежной литературе устойчивость к
перекрестной модуляции не входит в число основных параметров радиоприемников и
тюнеров. Зато всегда указана устойчивость к высокочастотным интермодуляционным искажениям,
создающим заметные нелинейные искажения. Высокочастотная интермодуляция
вызывает появление на выходе усилителя высокой частоты (УВЧ) сигналов с
частотами, равными комбинациям частот входных сигналов. В тюнерах с
синтезатором частот блок УКВ имеет выход гетеродина для цифровой индикации:
выход гетеродина также осуществляется через буферный каскад, чтобы уменьшить
влияние последующих каскадов на частоту гетеродина.
В современных блоках УКВ и демодуляторах ЧМ
сигналов чувствительность ограничена собственными шумами блоков, а не
коэффициентом усиления. Поэтому модели приемников разных классов отличаются по
чувствительности незначительно. В связи с продолжающимся ростом уровня
электромагнитных помех все большее значение приобретает избирательность блока
УКВ по зеркальному и другим дополнительным каналам приема и по ПЧ.
Предварительный усилитель сигналов ПЧ, включенный перед избирательной системой,
не должен оказывать влияния на неравномерность дифференциального усиления всего
тракта при амплитуде сигнала до 0,5 В. В противном случае ухудшаются параметры
высокой верности воспроизведения: коэффициент нелинейных искажений, переходные
затухания между стереоканалами. Опасной является модуляция емкости
транзисторных р-n переходов
сильным сигналом, так как возникает амплитудно-фазовая конверсия при
прохождении ограниченного сигнала через избирательные цепи.
Усилители ПЧ, удовлетворяющие требованиям
устойчивости при больших уровнях входных сигналов, строят на основе двухтактных
и дифференциальных схем. Дифференциальная схема способствует подавлению
синфазной помехи, наводимой на входные цепи приемника. Необходимое усиление
определяется затуханием фильтра ПЧ и составляет 10...20 дБ. Избыточное усиление
снижает устойчивость при больших сигналах, ухудшает работу автоматики в
стереодекодере, устройстве бесшумной настройки и др. Основное усиление по ПЧ
(до 80 дБ) обеспечивается микросхемами УПЧ и стереодекодера.
В зарубежных тюнерах в настоящее время
используется ключевой метод декодирования. Суммарно-разностный метод (с
разделением спектра) исчерпал свои возможности. Декодирование производят с
временным разделением каналов. Стереодекодер конструктивно разделяют на
формирователь коммутирующих импульсов и сигнальную часть. Он оформлен в виде
большой гибридной микросхемы. Формирователь коммутирующих импульсов выполняется
на монокристаллической подложке в виде отдельной микросхемы на основе системы
ФАПЧ с использованием кварцованного генератора управляющего напряжения.
Сигнальная часть стереодекодера расположена на
структурах КМОП с использованием быстродействующих операционных усилителей
(ОУ).
С 1971 по 1981 г. основные параметры зарубежных
стереодекодеров улучшились на порядок. Так, стереодекодер МС1310, выпущенный
фирмой Motorola
(США) в 1971 г. на частоте 1 кГц обеспечивал коэффициент нелинейных искажений
0,3% и переходное затухание между стерео-каналами 40 дБ. В современных моделях
тюнеров применяется в частности стереодекодер НА 12031, выпущенный в 1981 г.
японской фирмой Hitachi.
Его коэффициент нелинейных искажений 0,025%, переходное затухание между
стереоканалами 60 дБ. Стереодекодер обеспечивает равномерность основных
параметров в диапазоне звуковых частот. Стереодекодер тюнера Т9 японской фирмы Yamaha
позволяет снизить переходное затухание до 85 дБ; его коэффициент нелинейных
искажений равен 0,003%.
Такие очень высокие параметры декодирования
получены с использованием двухстороннего коммутатора комплексного
стереосигнала. Переключатели выполнены на монокристалле кремния со структурой
КМОП и состоят из малошумящих ОУ с высоким быстродействием (скорость нарастания
составляет 120 В/мкс),транзисторов и резисторов. Переключение из открытого в
закрытое состояние осуществляется попеременно с частотой поднесущей
стереосигнала. Формирователь коммутирующих импульсов построен на специальной
микросхеме стереодекодера. Сигнальная часть стереодекодера выполнена на ОУ.
Характеристики коммутатора: максимальная частота коммутации 12 мГц; время
задержки вход-выход 16 нс; время задержки управляющий вход-выход 35 нс.
Улучшению субъективного восприятия стереопередач
способствует ряд удобств, применяемых в зарубежных моделях. Так, при уменьшении
уровня принимаемого сигнала автоматически уменьшается переходное затухание
между каналами. Если принимаемый стереосигнал ниже определенного порогового
уровня, то он принимается как моносигнал. Тем самым увеличивается отношение
сигнал-шум. Во время действия импульсной помехи выходы стереодекодера по
переменному току автоматически заземляются.
Большое значение имеют искажения, вносимые
фильтром ПЧ. Их уровень выше, чем искажения сигнала в частотном детекторе.
Свойствами фильтра ПЧ, в основном, определяется избирательность приемника по
соседнему каналу.
Наиболее распространенным типом фильтров
являются пьезокерамические. Применяют от двух до семи пьезокерамических
фильтров, соединенных между собой усилительными каскадами. Они находят
применение не только в массовых моделях, но и в моделях высокого класса (тюнер
Т9 японской фирмы Yamaha).
Начинают применяться фильтры ПЧ на основе
поверхностных акустических волн (ПАВ). Они обеспечивают высокую избирательность
по соседнему каналу при малой неравномерности группового времени задержки,
позволяют независимо формировать постоянную АЧХ и линейную ФЧХ. Однако фильтры
ПАВ вносят значительное затухание в полосе пропускания до 25 дБ, поэтому
необходимо увеличивать усиление тракта.
При малом количестве радиовещательных станций в
диапазоне УКВ целесообразно расширять полосу тракта ПЧ, чтобы повысить качество
воспроизведения. Если число радиостанций в УКВ диапазоне велико (что типично
для Западной Европы), то приходится уменьшать интермодуляционные искажения,
вызванные близкими по частоте передатчиками. В свою очередь, увеличение
избирательности приемника осуществляется за счет уменьшения полосы тракта ПЧ и
также приводит к ухудшению качества звучания. Желательным является компромисс
между высокой чувствительностью приемника (в УКВ диапазоне, например, 0,5 мкВ
при нагрузке 75 Ом) и избирательностью, чтобы обеспечить неискаженный прием
сигналов, устойчивый к перекрестной модуляции.
Во многих зарубежных тюнерах предусмотрено
автоматическое переключение ширины полосы пропускания тракта ПЧ. При превышении
установленного порога автоматически ограничивается ширина полосы тракта ПЧ.
Если порог превышен сигналом даже в отсутствие помех, то качество звучания при
этом ухудшается, поскольку возрастает коэффициент нелинейных искажений.
Японская фирма Hitachi
нашла техническое решение, при котором переключение ширины полосы производится
автоматически, но независимо от напряженности поля входного сигнала.
Переключение происходит, когда в приемнике образуются искажения, ухудшающие
качество звучания. Фирма выпустила АМ/ЧМ тюнер FT-5500
с микропроцессорным управлением, которое сводит к минимуму неприятные
акустические искажения, вызванные соседними по частоте радиостанциями.
Микропроцессор анализирует условия радиоприема и автоматически регулирует
избирательность, переключая ширину полосы тракта ПЧ. Режим условий радиоприема
определенной радиовещательной станции устанавливается автоматически. По желанию
слушателя он может быть записан в устройство памяти. В этом случае при
обращении к одной из десяти ячеек ЗУ будет обеспечено оптимальное качество
воспроизведения без повторного анализа условий приема. Указанная схемная
концепция основана на использовании сенсорных и автоматических переключений как
в самой приемной части, так и в стереоде-кодере.
Реальная чувствительность лучших зарубежных
моделей в диапазоне УКВ (моно) при отношении сигнал-шум 26 дБ составляет 0,5
мкВ (Т-3000 фирмы Grundig,
ФРГ). Модели среднего класса имеют реальную чувствительность 1,8 мкВ, что
достигается благодаря применению двухзатворных МОП-транзисторов, обеспечивающих
малый уровень шума в предварительных каскадах усиления. Избирательность по
зеркальному каналу в лучших моделях составляет 135 дБ (тюнер ST-9030
фирмы Technics,
Япония). Высокая избирательность достигается повышением числа перестраиваемых
контуров до преобразователя частоты.
Избирательность по соседнему каналу во многих
стационарных моделях тюнеров составляет более 100 дБ. Мощность зарубежных УКВ
радиостанций не унифицирована и может иметь различные значения, поэтому для
приема маломощных УКВ станций, частоты которых могут быть близки к частоте
мощного передатчика, необходима столь высокая избирательность по соседнему
каналу.
В трактах ПЧ применяют широкополосные фильтры на
ПАВ и многозвенные керамические фильтры. Поскольку увеличение избирательности
по соседнему каналу сопровождается снижением качества звучания, предусматривают
возможность снижения избирательности ручным или автоматическим переключением
полосы пропускания ПЧ с нормальной (200 кГц) на широкую (более 300 кГц). В
условиях отсутствия помех от соседних станций это позволяет снизить коэффициент
нелинейных искажений до 0,1%.
В 90% зарубежных моделей тюнеров высокого класса
УВЧ выполняют на полевых транзисторах. Полевые транзисторы обладают большим
входным сопротивлением, малым коэффициентом шума, высокой линейностью
амплитудной характеристики в большом диапазоне амплитуд входного сигнала.
Повышение требований к помехоустойчивости привело к переносу схемных решений,
используемых в УЗЧ, во входные каскады радиоприемников. Сюда следует отнести
использование двухтактных схем, позволяющих уменьшать ВЧ-интермодуляцию.
Примером может служить УВЧ тюнера F-580
японской фирмы Pioneer.
Среди смесителей преобладают балансные схемы в дискретном и интегральном
исполнении, в частности микросхемы кольцевых балансных смесителей TDA
1571 фирмы Valvo (ФРГ) и AN
7254 японской фирмы Matsushita.
Простым и эффективным схемным решением,
улучшающим избирательность блока УКВ по ПЧ, является широкополосный преселектор
с минимальным затуханием в полосе пропускания.
Структурные схемы ЧМ-демодуляторов с
использованием частотных детекторов строятся по принципу фильтрации, усиления и
детектирования сигнала. Для обеспечения высококачественного приема достаточной
полагают полосу частот 30...15 000 Гц с неравномерностью АЧХ+1 дБ. Однако
неравномерность АЧХ акустических систем часто составляет 14 дБ. Поэтому для
обеспечения незаметности акустических искажений делают очень низким (не более
0,3%) коэффициент нелинейных искажений.
Разделение стереоканалов характеризуют
переходным затуханием между каналами. В большинстве моделей оно не хуже 30 дБ.
В лучших моделях переходное затухание между каналами составляет 65 дБ.
Отношение сигнал-шум на выходе современного тюнера в стереорежиме не хуже 60
дБ. В тюнере ТРТ-3001 норвежской фирмы Tandberg
оно достигло 92 дБ.
Следует иметь в виду, что в зарубежных моделях
используются антенны с различными входными сопротивлениями. В диапазоне УКВ
часто применяется симметричная антенна с сопротивлением входа 300 Ом, в
некоторых моделях находит применение антенна с сопротивлением входа 75 Ом.
Поэтому чувствительность выражают в децибелах относительно уровня в 1 фемтоватт,
дБф (dBf), что
позволяет сравнивать между собой модели, используемые с различными
сопротивлениями входа.
Необходимая полоса пропускания линейного тракта
в приемнике с автоматической подстройкой частоты (АПЧ)
П = DFс
+
(2Dfд
+
Dfзап)/kАПЧ,
где kАПЧ
- коэффициент АПЧ. Обычно для устойчивой работы системы АПЧ выбирают kАПЧ
= 10 ... 20, причем верхняя граница значений соответствует довольно сложным
системам АПЧ.
При использовании автоматической подстройки
частоты можно принимать
П » DFc = 2Fв(1+
+
) = 2×15×103(1+5+
) = 250×103
Гц.
где
- максимальное значение индекса
частотной модуляции.
Для снижения уровня нелинейных искажений
необходимо соблюсти линейность ФЧХ линейного тракта, применяя в УПЧ простые
селективные системы (одноконтурные фильтры и ДПФ со связью между контурами
меньше критической), а также ФСС с оптимальной характеристикой группового
времени. Рекомендуется выбирать параметр связи между контурами ДПФ h
= 0,7. Нелинейные
искажения уменьшаются при расширении полосы пропускания тракта. Учитывая
вышесказанное, принимаем решение о целесообразности построения приемника с
заданными в ТЗ характеристиками на основе комплекта специализированных
микросхем. Большинство выпускаемых в настоящее время микросхем для ЧМ
приемников с запасом соответствует требованиям ТЗ. Структурная схема
предлагаемого варианта приемника показана на рис. 2.2.

Реализовать эту структурную схему можно на
интегральных микросхемах различных фирм-изготовителей. Одним из вариантов будет
использование на входе приемника ИМС NE602 фирмы Philips
(рис. 2.3)./SA602A - маломощный УКВ смеситель со входным усилителем, встроенным
гетеродином, и стабилизатором напряжения. Он предназначен для
высокоэффективных, с малым потреблением энергии систем. Смеситель обеспечивает
18dB коэффициента усиления на частоте 105 MHz. Рабочий диапазон частот до
200MHz.
ОСОБЕННОСТИ
• Низкий потребляемый ток: 2.4mA
• Превосходные шумовые характеристики: <
4.7dB на 45MHz
• Высокая рабочая частота
• Превосходный коэффициент усиления и
чувствительность
• Минимальное количество внешних навесных
элементов; оптимален для кристаллических / керамических фильтров
ИС работает при напряжении питания 9 В.
Сигнал промежуточной частоты, после прохождения
через пъезокерамический фильтр сосредоточенной селекции, поступает на вход ИМС
NE604A. Эта микросхема - монолитная маломощная схема УПЧ приемников ЧМ,
включающая два усилителя-ограничителя промежуточной частоты, квадратурный
детектор, схему отключения звука приуменьшении сигнала ниже определенного
порога, логарифмический индикатор мощности принимаемого сигнала и стабилизатор
напряжения.
ОСОБЕННОСТИ
• Низкая потребляемая мощность: 3.3mA
• Измеритель уровня принимаемого сигнала (RSSI)
с динамическим диапазоном более 90dB
• Два выхода звука - демпфированный и
недемпфированный
• Минимальное количество внешних навесных
элементов; оптимально для кристаллических / керамических фильтров
• Превосходная чувствительность: 1.5mV
ИС работает при напряжении питания 9 В.
Рис.2.3. Эквивалентная схема NE602.
Рис.2.4. Блок-схема NE604А.
В качестве стереодекодера можно использовать
новинку Зеленоградского ОАО «Ангстрем» КР174ХА51. Эта - интегральная схема (ИС)
предназначена для применения в радиоприемниках различных групп сложности, от
малогабаритных до сетевых тюнеров, и обеспечивает декодирование комплексного
стереосигнала как по системе с полярной модуляцией в диапазоне УКВ, так и по
системе с пилот-тоном в диапазоне FM.
КР174ХА51 реализует схему декодирования с
переключением каналов. Синхронизация переключающих импульсов осуществляется с
помощью петли ФАПЧ, синхронизованной несущей (для ПМ) или пилот-тоном (для ПТ).
Наличие двух постоянных времени интегрирования в петле ФАПЧ повышает
помехоустойчивость и точность разделения стереофонических каналов.
ОСОБЕННОСТИ
Разделение стереоканалов40 dB
Коэффициент нелинейных искажений 0,15 %
Коэффициент подавления надтональных составляющих
54 dB
Декодирование по методу с временным разделением
каналов
При использовании частотно-задающих элементов с
жесткими допусками настройка частоты свободных колебаний ГУН не требуется
Выход контроля частоты ГУН 62,5/76 kHz
Драйвер светодиодного индикатора «СТЕРЕО»
Возможность как автоматического опознавания, так
и принудительного задания системы декодирования, индикации текущей системы
декодирования, принудительного "МОНО" режима
Минимум внешних компонентов
Питание 9 V;
5mA
БиКМОП технология
Пластмассовый 18-выводный корпус типа DIP-18
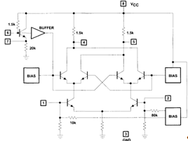
Структурная схема ис показана на рис. 2.5.
Рис. 2.5. Структурная схема КР174ХА51
ИС КР174ХА51 изготовлена по БиКМОП технологии и
поставляется в пластмассовом корпусе DIP-18.
В качестве стереофонического усилителя мощности
используем микросхему TDA2616
фирмы «Philips».
Она была специально разработана для стереофонических радио и телевизионных
приемников. Микросхема обеспечивает выходную мощность 2х5 Вт при питании 9В.
ОСОБЕННОСТИ
Требует очень немногих навесных компонентов
Отсутствие щелчков при включении /выключении
Превосходный баланс коэффициента усиления обоих
усилителей
Высококачественное воспроизведение в
соответствии с IEC 268 и DIN
45500
Защита от короткого замыкания и тепловая защита
Возможность отключения звука (mute).
Рис. 2.6. Блок-схема TDA2616.
Для того, чтобы обеспечить выполнение требований
задания по избирательности по зеркальному каналу (70 дБ) необходимо как минимум
три избирательных системы в тракте радиочастоты при использовании в качестве
промежуточной частоты 465 кГц.
Однако выбранные нами микросхемы способны
работать на промежуточной частоте до 50 МГц. Выбрав в качестве промежуточной
частоту 21 МГц (т.к. на эту частоту есть твердотельные керамические фильтры) мы
сможем обеспечить требуемую избирательность всего при одном входном
широкополосном контуре. Графически это показано на рис. 2.7.
Рис. 2.7. Кривые избирательности при разных
значениях промежуточной частоты.
Избирательность по соседнему и побочным каналам
обеспечивается в тракте промежуточной частоты за счет использования
пъезокерамических фильтров с кривой избирательности, показанной на рис. 2.8.
Один фильтр обеспечивает избирательность по
соседнему каналу 40 дБ, система из двух фильтров - 80 дБ, что больше требуемого
по заданию значения избирательности.
Рис. 2.8. Кривые избирательности
пъезокерамических фильтров.
Чувствительность и шумовые характеристики
выбранных нами микросхем (2,5 мкВ) значительно выше требуемых заданием 40 мкВ.
3. Расчет входных каскадов радиоприемника
В приемниках супергетеродинного типа с
однократным преобразованием частоты принимается следующее распределение по
трактам приемника заданных величин избирательности:
избирательность по зеркальному каналу
обеспечивается трактом радиочастоты (входная цепь и УРЧ),
избирательность по соседнему каналу
обеспечивается трактом промежуточной частоты (УПЧ).
В зависимости от вида А входные устройства
классифицируют как ВУ при ненастроенной и настроенной А. Первые предназначены
для работы с различными А, внутреннее сопротивление которых комплексно, а
параметры заранее неизвестны (вещательные приемники); вторые используются в
случае работы от А с известным активным внутренним сопротивлением
(профессиональная связь, СВЧ приемники). По диапазонам принимаемых частот
различают входные устройства ДВ, СВ, KB,
метрового диапазонов, в которых используют контуры с сосредоточенными
постоянными, и ВУ дециметрового, сантиметрового, миллиметрового и
децимиллиметрового диапазонов, в которых применяются коаксиальные, полосковые,
микрополосковые и полые резонаторы. По числу селективных элементов ВУ разделяют
на одноконтурные, двухконтурные, многоконтурные; по способу связи колебательной
системы с А (фидером) и нагрузкой на ВУ с непосредственной, трансформаторной
(автотрансформаторной), емкостной и комбинированной связью. Вследствие малого
коэффициента перекрытия УКВ диапазона входное устройство представляет собой
неперестраиваемый широкополосный контур с полосой пропускания несколько
большей, чем диапазон принимаемых частот. В приемниках высшего класса ВУ
выполняют узкополосным и перестраиваемым. В связи с большим разносом сигнальных
и промежуточных частот режекторный фильтр для ослабления помех с частотой,
равной промежуточной, не применяется.
Применим в разрабатываемом приемнике
одноконтурное ВУ с автотрансформаторной связью с настроенной антенной и входом
ИМС (рис. 3.1).
Рис. 3.1. Схема входной цепи приемника УКВ.
Исходные данные: рабочая частота - f
= 104 МГц; полоса пропускания П = 250 кГц при неравномерности АЧХ не более sПТЗ
= 10 дБ; реальная чувствительность - не более ЕАрТЗ = 40 мкВ,
селективность по ЗК-не менее sз.к.ТЗ
= 70 дБ. Параметры А (фидера): волновое сопротивление rA
= rф
= 75 Ом, тип фидера - несимметричный. Параметры нагрузки (вход ИМС): Rн
= 1,5 кОм, Сн = 3 пФ. Конструкторские данные: реализуемые значения добротности
ненагруженного контура Q, коэффициента связи kсв.н;
значения емкостей СL,
Смн. Обычно для УКВ Q = 150...200; СL
+ Cмн
= 5...10
пФ.
Порядок расчета:
. Для уменьшения
влияния разбросов Сн эквивалентную емкость нагруженного контура
устанавливаем из неравенства Ск.н ³
(0,5...1)Сн = 8 пФ.
2. Находим
индуктивность контура Lк
= 2,53×1010/f2Ск.н.
= 2,53×1010/(104×106)2×8
= 29 мкГ
4. Исходя из
конструкторских данных, задаемся значением добротности ненагруженного контура Q
= 190.
. Оптимальную
проводимость генератора, необходимую для минимизации шумов ВУ, Gг.opt
рассчитываем по характеристикам рис. 3.16 [5]. Gг.opt
=
7,4 мСм
. Коэффициент
включения n вычисляем по.
nн =
=
;
где rк = 1/w0Ск
=
- волновое
сопротивление контура.
nн =
= 0,01
. Коэффициент включения nA
устанавливаем по формуле
nA
=
nн
,
nA
=
0,01
= 0,0044
8. Эквивалентную добротность ВУ
Qэ находим по
Qэ -=
rк/2rА вн =
Q/2n2A(R0/rф) = rф/2n2Arк.
Qэ = 75/2×0,0092×18900 =
104,5
. Проверку обеспечения требований по
неравномерности sП £ sПТЗ в пределах
заданной полосы пропускания производим по (3.4). В случае невыполнения условия
(3.4) следует задаться меньшим значением добротности ненагруженного контура Q'
< Q и повторить расчет по п. 6-8. «Загрубление» может быть осуществлено либо
с помощью конструктивных мер, либо введением шунтирующего резистора.
sП £
,
sП £
= 1,03 дБ £ , sПТЗ = 10 дБ.
. Емкость контурного конденсатора
определяем как Ск = Ск.н - (СL + Cмн + n2нСн).
В случае Ск < 0 следует задаться большим значением емкости
нагруженного контура С'к н > Ск.н и повторить расчет
по п. 2-9.
Ск = Ск.н - (СL + Cмн + n2нСн)
= 8 - (5 + 0,012×3)
= 3 пФ.
. Проверку селективности по
зеркальному каналу sВУз.к ³ sз.к ТЗ
осуществляем с помощью формулы (3.5).
sВУз.к »
sВУз.к »
= 70,015
дБ.
. Коэффициент передачи ВУ вычисляем
по (3.6).
КВУ max
= 0,5
КВУ max
= 0,5
= 1,6.
Проверим перекрытие и выберем величину
переменной емкости для заданного диапазона приемника.
Исходные данные:max = 108 МГц-, fmin
= 100 МГц. Варикап типа MV2105
= (2,6 - 19) пФ. Емкость монтажа См = 5 пФ. Емкость катушек
контуров: СL
= 3 пФ.
Расчет
. Крайние частоты диапазона с запасом:’max
= 1,02×fmax
= 1,02×108
= 110,2 МГц.
f’min
= 0,98×fmin
= 0,98×100
= 98 МГц.
. Коэффициент перекрытия диапазона:
К’д = f’max/f’min
= 110,2/98 = 1,12
. Эквивалентная емкость схемы [ф-ла (4.1) [1]]
Cэ =
=
= 12,6 пФ,
. Так как Сэ > 0,
определяем действительную емкость схемы для контура входной цепи:
Ссх = См + СL = 5 + 3 = 8
пФ.
. Так как Сдоб = Cэ - Ссх
= 12,6 - 8 = 4,6 пФ > 0, то варикап выбран правильно.
. Эквивалентная емкость контура
входной цепи:
С’э = (Сmin + Сэ)
... (Сmax + Сэ)
= (2,6 + 12,6) ... (19 + 12,6) = (15,2 ... 31,6) пФ.
Одной из особенностей современных
приемников является широкое применение в них пьезокерамических фильтров
сосредоточенной селекции (ФСС). Они обеспечивают высокую избирательность по
соседнему каналу, имеют небольшие размеры, малый вес и постоянство частоты
настройки.
Для нормальной работы
пьезокерамические фильтры необходимо согласовывать с выходом преобразователя
частоты и входом усилителя промежуточной частоты, между которыми они обычно
включаются. Для этого между выходом преобразователя частоты и входом фильтра
включается широкополосный контур, настроенный на промежуточную частоту. Этот
контур не должен практически влиять на характеристику избирательности фильтра,
поэтому его полосу пропускания необходимо делать в 4-5 раз шире полосы
пропускания фильтра т. е. порядка 1000 - 1250 кГц на уровне 3 дБ. Одновременно
этот контур создает дополнительную избирательность по соседнему каналу.
Как было рассчитано выше, требуемую
избирательность по ПЧ может обеспечить ФСС включенный на входе УПЧ. Выберем в
качестве ФСС пьезокерамический фильтр SFG455A3.
Рис. 3.2. Схема включения ФСС.
4. Расчет каскадов или элементов к
выбранным ИМС
.1 Расчет ручного регулятора
громкости
В большинстве современных приемников ручной
регулятор громкости (РРГ) выполняют с помощью потенциометра Rp,
включаемого параллельно нагрузочному резистору R (рис. 4.1) одного из каскадов
низкочастотного тракта. Часто этим каскадом служит детектор. С целью уменьшения
шунтирующего действия входной проводимости следующего каскада (gвх2
и Свх2) на нагрузочный резистор предыдущего каскада между каскадами включается
добавочный резистор Rд.
Обозначим через Rp
сопротивление потенциометра Rр
между его подвижным контактом и полюсом, соединенным с шасси. При этом входное
напряжение следующего каскада определится равенством
Uвх2 = Uвых1
Обычно выполняется неравенство
Rр+Rд >> R.
Для малых уровней громкости, когда a < 0,01,
справедливы неравенства:
gвх2Rpa << l и g,вx2Rp >> l
В случае выполнения неравенств (4.2)
и (4.3) при заданной глубине регулирования усиления Г сопротивление
регулирующего потенциометра определяется равенством
Рис. 4.1. Эквивалентная схема
регулятора громкости (один канал).
Rр »
.
При использовании потенциометров с
логарифмическим законом изменения сопротивления значение amin может быть
принято равным 0,0002-0,001.
Определим полное сопротивление
потенциометра РРГ применительно к приемнику УКВ на рис. 4.1; Г = 64 (36 ДБ), gвx2 = 0,00005
См (Rвх = 20
кОм).
Положим amin = 0,0003 и
по (4.4) получим:
Rр »
= -15259
Ом,
Обеспечение заданного Г при Rр < 0
показывает, что он реализуем при любом сопротивлении Rp. Положив Rр = 100 кОм,
из (4.5) получаем
Г =
= 44061302 (153 дБ)
Номинальные сопротивления
потенциометров соответствуют [2, табл. П-3-1] при погрешности изготовления
±20%. Поэтому принимаем потенциометр с максимальным сопротивлением 100 кОм.
5. Выбор гетеродина, формирование требований к
нему обоснование способа связи с узлами приемника
Ранее мы выбрали в качестве преобразователя
балансный транзисторный преобразователь в интегральном исполнении (ИС типа NE602).
Основными особенностями преобразователя является подавление колебаний с
частотой гетеродина в выходных цепях и меньший, чем у однотранзисторных
преобразователей, коэффициент шума. Схема преобразователя показана на рис. 5.1.
Смеситель выполнен на дифференциальных усилителях (т.н. ячейка Гилберта).
Гетеродин выполнен на отдельном транзисторе. Сигнал гетеродина через буферный
каскад поступает на базы транзисторов дифференциальных усилителей. В общей
эмиттерной цепи включены транзисторы, на базы которых поступает входной сигнал.
Сигнал подается в контрфазах на эмиттеры, а гетеродин - в фазе на базы
транзисторов дифференциальных усилителей. Нагрузка, настроенная на
промежуточную частоту, включается между коллекторами. Условием отсутствия
колебаний гетеродина на выходной обмотке является симметрия схемы. При этом
условии в цепи средней точки отсутствуют токи сигнала и промежуточной частоты,
что устраняет возможность затягивания и срыва колебаний гетеродина. Буферный
каскад создает в цепях баз дифференциального усилителя глубокую отрицательную
обратную связь, что практически устраняет напряжение гетеродина на базах,
улучшает линейность смесителя и уменьшает паразитное излучение гетеродина.
Рис. 5.1
Определим параметры контура гетеродина
Расчет параметров контура гетеродина и кривой
сопряжения можно вести несколькими способами. Однако эти расчеты представляют
довольно трудоемкую задачу, поэтому целесообразно выполнить их на ПЭВМ. Ниже
приводится программа расчета контура гетеродина и кривой сопряжения, в которую
вводят следующие исходные данные: fс mах и fс min -
граничные частоты сигнального контура, fпр - промежуточная частота,
С0 - параллельная емкость схемы сигнального контура, LK -
индуктивность сигнального контура. Программа предусматривает выдачу значений С1
(последовательного конденсатора), С2 (параллельного конденсатора), Lг
- индуктивности гетеродина, а также вычисление и построение кривой сопряжения.
REM ПРОГРАММА
'СОПРЯЖЕНИЕ'100E6,
108E6, 21E6, 19E-12, 29E-6
OPEN "GETER.TXT" FOR OUTPUT
AS #1FMIN, FMAX, FPR#1, FMIN, FMAX, FPRCP, L#1, CP, L= (FMAX + FMIN) / 2=
SQR(3) / 4= FMAX - FMIN#1, R, FF= F2 - R * FF= F2 + R * FF#1, F1, F2, F3
A = 1 / (F1 + FPR) ^ 2#1, A= 25300 /
(F2 ^ 2 * L) - CP= 1 / (F2 + FPR) ^ 2#1, C2, B= 25300 / (F3 ^ 2 * L) - CP= 1 /
(F3 + FPR) ^ 2#1, C3, G= (A - B) / (B - G)
CG1 = (C2 * (T * C1 + C3) - C1 * C3
* (1 + T)) / (C1 + T * C3 - C2 * (1 + T))
GA = (G - A) * 25300= GA * (CG1 +
C1) * (CG1 + C3) / (CG1 ^ 2 * (C3 - C1))= A * 25300 / LG - CG1 * C1 / (CG1 +
C1)#1, "СПОСЛ =",
CG1, "СПАР =",
CG2, "LГЕТ=", LG=
1.51= FMIN + (K - 1) * HF= 25300 / (FS ^ 2 * L) - CP= 159 / (SQR((CG2 + CG1 *
CK / (CGI + CK)) * LG))
DF(K) = (FG - FS - FPR) * 1000
PRINT #1, (DF(K))
Результат работы программы:
1E+08 1.08E+08 2.1E+07
.9E-11 .000029
.4330127 8000000
.005359E+08 1.04E+08 1.074641E+08
.770035E-17
.064055E-08 6.4E-17
.552425E-08 6.059495E-17
СПОСЛ = 5.598816E-09
СПАР = 3.578077E-11
LГЕТ= 2.186154E-05
.577878E+10
Принимаем значения емкостей С7 = СПАР = 36 пФ,
С10 = СПОСЛ = 5600 пФ, индуктивность контура гетеродина LГЕТ
= 21,9 мкГн.
6. Разработка и
исполнение чертежа электрической принципиальной схемы радиоприемника
Описание работы схемы.
Радиоприемник представляет собой тракт приема сигналов
в диапазоне УКВ, обеспечивающий селекцию, преобразование и усиление
монофонических и стереофонических сигналов принимаемых программ и содержит:
блоки УКВ, УПЧ-ЧМ, стереодекодер, устройство индикации стереоприема и наличия
стереопередачи, устройство бесшумной настройки, 4 фиксированные настройки и
систему автоподстройки частоты.
Прием сигналов в диапазоне УКВ осуществляется на
телескопическую поворотную антенну, соединенную с блоком УКВ с помощью
несимметричного фидера.
Радиосигнал с антенны поступает на контур С4,
С6, VD1, L2,
настроенный на середину диапазона (104 МГц) и далее на двойной балансный
смеситель, собранный по схеме Гилберта. Нагрузкой смесителя является ФСС ZQ1,
ZQ2. Конденсатор С12
обеспечивает согласование выходного сопротивления смесителя и входного
сопротивления фильтра.Смеситель обеспечивает усиление входного сигнала 18 дБ.
Смеситель выполнен по балансной схеме и работает
в ключевом режиме. Сигнал подается на эмиттеры транзисторов. Напряжение
гетеродина подается на базы транзисторов смесителя с буферного каскада,
выполненного на полевом транзисторе. С помощью конденсатора С24 заземляется
точка обмотки связи по переменному току.
Для перестройки гетеродина служит контур VD2,
C7, C10,
C11, L2.
Преобразованный сигнал с частотой 21 Мгц поступает на усилитель промежуточной
частоты на микросхеме NE604
а затем на входящий в состав микросхемы усилитель - ограничитель (УО) и
детектор. С выхода микросхемы (8-ножка) низкочастотный сигнал поступает на
стереодекодер, выполненный на микросхеме КР174ХА51. Декодированный стереосигнал
с выводов 9 и 10 микросхемы КР174ХА51 через резисторы R13,
R14 поступает в
тракт усилителя мощности.
Избирательность по зеркальному каналу
обеспечивает входной контур С4, С6, VD1,
L2, а
избирательность по соседним и побочным каналам приема обеспечивает ФСС и
дополнительный пъезокерамический фильтр ZQ3,
включенный перед усилителем-ограничителем. Схема включения микросхемы NE604
показана на рис. 6.1.
Рис. 6.1. Схема включения NE604
Настройка на радиостанцию происходит путем
изменения уровня напряжения, подаваемого на вырикапы VD1,
VD2.
Микросхема NE604
содержит усилитель-ограничитель, квадратурный частотный детектор
(перемножитель) и схемы АПЧ, бесшумной настройки (БШН), усилителя звуковой частоты
(УЗЧ).
Сигнал АПЧ с вывода 5 микросхемы через
фильтрующую цепь C19, R6
поступает на варикапы.
Сигнал УЗЧ (при монофонической передаче) или
комплексный стереосигнал (при стереофонической передаче), выделяемый на выводе
6 микросхемы DA2, подается на вход стереодекодера, выполненного на микросхеме DA3.
Микросхема содержит ключевой стереодекодер,
схему формирования коммутирующих импульсов, схему стереоавтоматики и
стереоиндикации, а также ряд буферных усилителей, обеспечивающих НЧ коррекцию
комплексного стереосигнала и линеаризацию сквозной АЧХ.
Сигналы левого и правого стереоканалов с выхода
микросхемы через коммутаторы на транзисторах VT11-VT14
подаются на фильтры надтональных частот левого (L14C74C72C77)
и правого (L15C73C73C78)
каналов и далее на вход УЗЧ левого (VT15,
VT17, VT19,
VT22, VT23)
и правого (VT16, VT18,
VT20, VT21,
VT24) каналов. С
помощью УЗЧ сигналы доводятся до уровня, необходимого для подключения внешних
устройств (магнитофона, усилителя, стереотелефонов).
С помощью резисторов R15,
R16 обеспечивается
регулировка громкости. R17
- регулировка стереобаланса.
Блок фиксированных настроек обеспечивает
возможность запоминания настройки на четыре наиболее часто прослушиваемые
радиовещательные станции в любом из диапазонов принимаемых частот.
Блок содержит четыре переменных резистора R21-R24
и резистор R20 определяющий
границы диапазона перестройки..
Переключение подвижных контактов потенциометров
блока ФН, а также их отключение от варикапов с подключением потенциометра
обзорной настройки обеспечиваются с помощью переключателей SA1… SA4.
Рис. 6.2. Схема блока фиксированных настроек.
7. Расчет кривой реальной избирательности радиоприемника
Расчет характеристик селективности состоит в
определении ординат характеристик селективности трактов радиосигнала,
промежуточной частоты и всего высокочастотного тракта при одинаковых абсолютных
расстройках.
Определим самую широкую и наиболее узкую кривую
селективности радиотракта приемника УКВ-ЧМ, рассчитанного выше.
Самая узкая кривая селективности радиотракта
имеет место на минимальной рабочей частоте, а наиболее широкая - на
максимальной.
Для приема ЧМС наиболее узкая полоса пропускания
радиотракта будет в начале, а наиболее широкая - в конце диапазона. В гл. 3
найдена эквивалентная добротность входной цепи Qэ
=
104,5. Следовательно эквивалентное затухание контура dэ-вц
= 1/104,5 = 0,0095 и fmin
= 100 МГц. Для границы полосы пропускания приемника расстройка Df
= 0,5П = 0,5×0,25 = 0,125 МГц. По [2, (2-64)]
вычисляем для начала диапазона обобщенную расстройку
x
=
=
= 0,26.
Из [2, (2-63)] находим ослабление
d =
=
= 1,03.
Следующие расстройки берем равными 250 кГц (соседний канал), 2П, 3П, 5П, fпр и fз = 2fпр.
Результаты аналогичных расчетов приведены в табл. 7.1.
Ослабление в тракте промежуточной
частоты вычисляем следующим образом. При расстройке 125 кГц, соответствующей
границе полосы пропускания фильтра типа SFG455A3, согласно
[5, табл. 2-7] и рис.2.8 получаем dфсс = 2, а
при расстройке 250 кГц - 10000. Обобщенная расстройка для двух связанных
контуров тракта промежуточной частоты согласно [2, (2-64)] будет
x
=
= 1.
По равенству [5, (7-15)] вычисляем
соответствующее ей ослабление d = 0,5
= 0,5
= 1,12. Общее ослабление в тракте
промежуточной частоты будет dпр = 2×1,12 = 2,24. Перемножая dр-с×dпр получаем
ослабление всего приемника для расстройки 125 кГц. Оно равно 1,03×2,24 =
2,266. Результаты аналогичных расчетов для других расстроек приведены в табл.
7.1.
Таблица 7.1.
|
Тракт
приемника
|
Частота,
МГц
|
Расстройка,
МГц
|
|
|
0,125
|
0,25
|
|
|
ВЦ
|
УРС
|
Тракт
радио
|
Приемник
|
ВЦ
|
УРС
|
Тракт
радио
|
Приемник
|
|
ЧМС
|
УРС
|
104,0
|
1
|
1
|
1
|
1
|
1
|
1
|
60×104
|
|
УПЧ
|
21,0
|
Контур
|
ФСС
|
Тракт
ПЧ
|
|
Контур
|
ФСС
|
Тракт
ПЧ
|
|
|
|
|
1,03
|
2,24
|
2,266
|
|
60
|
104
|
60×104
|
|
Таблица
|
Тракт
приемника
|
Частота.
МГц
|
Расстройка,
МГц
|
|
|
0,5
|
fс-21,0
|
42,0
|
|
|
BU
|
УРС
|
Тракт
радио
|
Приемник
|
ВЦ
|
УРС
|
Тракт
радио
|
ВЦ
|
УРС
|
Тракт
радио
|
|
ЧМС
|
УРС
|
104,0
|
1
|
1
|
1
|
>
1011
|
1690
|
1
|
104
|
3164
|
1
|
1
|
|
УПЧ
|
21,0
|
Контур
|
ФСС
|
Тракт
ПЧ
|
|
|
|
|
|
|
|
|
|
|
>103
|
108
|
>
1011
|
|
|
|
|
|
|
|
Анализ данных полученной таблицы доказывает, что
все характеристики селективности приемника значительно выше требуемых.
Заключение
Согласно поставленной задаче в курсовом проекте
на основании исходного технического задания и нормативно-технической
документации проработаны вопросы выбора и обоснования структурной схемы,
разработана принципиальная схема с выбором элементной базы и расчетом отдельных
функциональных узлов приемника УКВ-ЧМ. Особое внимание уделено обеспечению
избирательности.
Анализ конструктивно-эргономических,
технологических и экономических показателей позволяет сделать вывод, что
проектируемое электронное устройство может быть рекомендовано к производству
как высокотехнологичное, конкурентоспособное, способное заменить изделия
аналогичного класса, выпускающиеся в настоящее время, обеспечивающее высокий
экономический эффект и повышенную надежность.