Исследование электрической цепи синусоидального тока

  • Вид работы:
    Контрольная работа
  • Предмет:
    Физика
  • Язык:
    Русский
    ,
    Формат файла:
    MS Word
    1,11 Мб
  • Опубликовано:
    2013-08-06
Вы можете узнать стоимость помощи в написании студенческой работы.
Помощь в написании работы, которую точно примут!

Исследование электрической цепи синусоидального тока

Московский государственный институт электронной техники

Кафедра «Электротехники»











Контрольная работа

Тема “Исследование электрической цепи синусоидального тока”

по курсу “Электротехника, электроника и схемотехника. Электротехника”

Выполнил Ильин П.А.

Работу принял Сапожников Б. И.




Москва 2012

Задание 1. Изобразить электрическую схему и ее направленный граф

Z1, Ом

Z2, Ом

Z3, Ом

Z4, Ом

Z5, Ом

Z6, Ом

Z7, Ом

Z8, Ом

40+j60

60-j80

40-j30

20-j20

30+j40

40+j60

60+j80

50-j50

E2, В

E3, В

J9, мА

30+j40

40+j30

30


Так как на напряжениях №1,5,6,7 jX>0 то в соответствующих цепях будут содержаться катушки индуктивности, в цепях №2,3,4,8 - конденсаторы, так как jX<0.

ω = 2 * π * f = 2 * 3.14 * 50 = 314 рад\с

Общие формулы:

L = ;

C = ;

Отсюда найдем значения:

L1 = 0,19 Гн

L5 = 0,12 Гн

L6 = 0,19 Гн

L7 = 0,25 Гн

C2 = 3,98*10 -5 Ф

C3 = 1,06*10 -4 Ф

С4 = 1,59*10 -4 Ф

С8 = 6,36*10 -5 Ф

Теперь посчитаем сдвиг фазы ЭДС по формуле

ϕ = arctg:

ϕ1 = arctg = 0.9 => ϕ1= 53.13  ͦ

ϕ2 = arctg = 0.64 => ϕ1= 36.86  ͦ

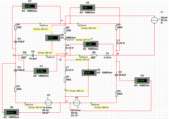
Теперь, когда нам известны все сопротивления, составим схему в Multisim

Задание 2. Составить уравнения методом контурных токов


Задаем в каждом независимом контуре схемы свой контурный ток: I11, I22, I33, I44 и выбираем произвольно условно-положительное направление каждого из них (по часовой стрелке или против)


I11 (Z1 + Z6 + Z5) + I22 Z6 + I33 * 0 - I44 Z5 - J9 ( Z5 + Z6 ) = 0;11 Z6 + I22 (Z6 + Z2 + Z7) - I33 Z7 + I44 * 0 - J9 Z6 = E2;11 *0 - I22Z7 + I33 (Z7 + Z8 + Z3) + I44 Z8 = - E3;

I11 Z5 + I22 *0 + I33 Z8 + I44 (Z5 + Z8 + Z4) + J9 Z5 = 0;

Задание 3. Во всех ветвях рассчитать токи МКТ. Уравнения токов представить в алгебраической и полярной (показательной) форме


Из системы выпишем матрицу сопротивлений и напряжений для расчета матрицы токов с помощью MATLAB и сразу подставим в нее числовые значения:

Z =  =

Полученная система уравнений рассчитывается по методу Крамера:

= ∆11/ ∆; I22 = ∆22/ ∆; I33 = ∆33/ ∆ , I44= = ∆44/ ∆

где ∆- определитель системы уравнений

∆ =

11 =

22 =

33 =

44 =

Теперь найдем токи по вышеуказанным формулам:

I11 = 0.0105 - 0.0471i= 0.0891 + 0.0604i= - 0.3067 - 0.0285i= 0.2149 - 0.0845i

Учтем, что1 = I11

I2 = I223 = -I334 = I44

I5 = I4 - I1 + J96 = I1 + I2 - J9

Тогда1 = 0.0105 - 0.0471i2 = 0.0891 + 0.0604i3 = 0.3067 + 0.0285i4 = 0.2149 - 0.0845i

I5 = 0.2044 - 0.0375i

I6 = 0.0996 + 0.0133i

I7 = 0.3958 + 0.0889i

I8 = 0.0918 + 0.1130i

Теперь представим значения токов в показательной форме. Для этого нужно найти модуль комплексного числа по формуле

=

и показатель числа, используя алгоритм:

) Если a>0 (1-ая и 4-ая координатные четверти, или правая полуплоскость), то аргумент нужно находить по формуле

.

) Если a<0, b>0 (2-ая координатная четверть), то аргумент нужно находить по формуле

.

) Если a<0,b<0 (3-я координатная четверть), то аргумент нужно находить по формуле

.

Отсюда:

 = 0.0482 arg(Z1) =77.4325= 0.0482*

 = 0.1076 arg(Z2) = 34.1329= 0.1076*

 = 0.3080 arg(Z3) = 5.3084= 0.3080*

 = 0.2309 arg(Z4) = -21.4650= 0.2309*

 = 0.2078 arg(Z5) = -10.3960= 0.2078*

 = 0.1004 arg(Z6) = 7.6059= 0.1004*

 = 0.4056 arg(Z7)= 12.6590= 0.4056*

 = 0.1455 arg(Z8 )= 50.9099= 0.1455*

Топологический метод

Составим матрицу B по принципу:

Каждая строка соответствует одному контурному току, и если его направление совпадает с током в ветви, то пишем 1, если противоположно то -1, если ток в ветви не относится к данному контурному то 0.

B =

Составим диагональную матрицу из Zn (n=1..8):

Z =

Составим матрицу E, поставив значение En в строки, с их порядковым номером:

E =

И матрицу J:

J =

Теперь составим матричное уравнение:


Решив его при помощи Matlab получим:

I1 = 0.0105 - 0.0471i2 = 0.0891 + 0.0604i3 = 0.3067 + 0.0285i4 = 0.2149 - 0.0845i5 = 0.2044 - 0.0375i6 = 0.0996 + 0.0133i7 = 0.3958 + 0.0889i

I8 = 0.0918 + 0.1130i

В показательной форме значения токов имеют вид:

 = 0.0482 arg(Z1) =-77.4325= 0.0482*

 = 0.1076 arg(Z2) = 34.1329= 0.1076*

 = 0.3080 arg(Z3) = 5.3084= 0.3080*

 = 0.2309 arg(Z4) = -21.4650= 0.2309*

 = 0.2078 arg(Z5) = -10.3960= 0.2078*

 = 0.1004 arg(Z6) = 7.6059= 0.1004*

 = 0.4056 arg(Z7)= 12.6590= 0.4056*

 = 0.1455 arg(Z8 )= 50.90998 = 0.1455*

 

Задание 4. Составить уравнения методом узловых потенциалов. Расчет матриц выполнить по методу Крамера. Рассчитать токи и напряжения во всех ветвях. Сравнить полученные токи с токами, вычисленными по МКТ. Потенциалы и напряжения представить в полярной форме


Заземлим узел E. Тогда ϕe = 0;

Вычислим проводимости в каждой ветви, как обратную величину к сопротивлению:

Y1 = , Y2 = , Y3 = , Y4 = , Y5 = , Y6 = , Y7 = , Y8 = .


Теперь составим систему уравнений для каждого из узлов (кроме Е):

А: (Y1+Y4+Y5)∙φa - Y1∙φb - 0∙φc - Y4∙φd = J9

B: -Y1∙φa + (Y1 + Y2 + Y6)∙φb - Y2 ∙φc - 0∙φd = - J9 + E2Y2

С: 0∙φa - Y2∙φb + (Y2 + Y3 + Y7)∙φc - Y3∙φd = - E3∙Y3 - E2∙Y2

D: - Y4∙φa - 0∙φb - Y3∙φc + (Y3 + Y4 + Y8 )∙φd = E3∙Y3

Из данной системы уравнений получим матричное уравнение:

=

Где

Y11 = Y1+Y4+Y5, Y12 = Y1, Y14 = Y4;

Y21 = Y1, Y22 = Y1+Y2+Y6, Y23 = Y2;

Y32 =Y2, Y33 =Y2+Y3+Y7, Y34 = Y3;

Y41 = Y4, Y43 = Y3, Y44 = Y3+Y4+Y8.

j11 = J9

j22 = - J9 + E2*Y2,33 = - E3∙Y3 - E2∙Y2 ,44 = E3∙Y3.

Расчёт напряжений проведем по формулам:

Uba = φb - φa,

Ubc = φb - φc,

Udc = φd - φc,

Uda = φd - φa,

Ueb = φe - φb,

Uec = φe - φc,

Ued = φe - φd.

Расчёт токов по формулам:

I1 = ,

I2 = ,3 = ,4 = ,5 = ,

I6 = ,7 = ,8 = .

φa = 7.6316 + 7.0543iВ

φb = 3.1861 + 6.5077iВ

φc = -30.8600 -26.3300iВ

φd = 10.2397 + 1.0644iВ

φe = 01 = 0.0105 - 0.0471i2 = 0.0891 + 0.0604i3 = 0.3067 + 0.0285i4 = 0.2149 - 0.0845i5 = 0.2044 - 0.0375i6 = 0.0996 + 0.0133i7 = 0.3958 + 0.0889i8 = 0.0918 + 0.1130iba = 4.4455 + 0.5466ibc = 34.0461 +32.8377idc = 41.0997 +27.3944ida = 2.6081 - 5.9899iea = 7.6316 + 7.0543ieb = 3.1861 + 6.5077i

Uec = -30.8600 -26.3300iUed = 10.2397 + 1.0644i

Теперь представим полученные значения в показательной форме:

φa = 10.393 * B

φb = 7.246 *B

φc = 40.566 *B

φd = 10.295 *B

φe = 01 = 0.0482*2 = 0.1076*3 = 0.3080*4 = 0.2309*5 = 0.2078*6 = 0.1004*

I7 = 0.4056*

I8 = 0.1455*

Топологический метод:

Составим матрицу А, где каждая строка будет соответствовать узлу по принципу: если ток втекает в узел то пишем -1, если вытекает то 1 и 0 если не имеет отношения к узлу.

A =

Составим диагональную матрицу из Yn (n=1..8):

Y =

Составим матрицу E, поставив значение En в строки, с их порядковым номером:

E =

И матрицу J:

J =

Теперь составим матричное уравнение и решим его в MATLAB:


φa = 7.6316 + 7.0543iВ

φb = 3.1861 + 6.5077iВ

φc = -30.8600 -26.3300iВ

φd = 10.2397 + 1.0644iВ

φe = 0

Значения потенциалов совпали.

Задание 5. Определить режимы работы источников. Составить уравнение баланса мощности. Определить расхождение баланса мощностей источников и потребителей в процентах


Проверим выполнения баланса мощностей в цепи . Он устанавливает равенство (баланс) алгебраической суммы мощностей, развиваемых источниками энергии, сумме мощностей, расходуемых приемниками энергии.

,

где  - алгебраическая сумма мощностей источников ЭДС, причем мощность положительна, если направление  и  совпадают, и отрицательна - если не совпадают;

 - алгебраическая сумма мощностей источников тока .

Мощность положительна ,если ток источника тока подтекает к точке с большим потенциалом, и отрицательна, если это условие не выполняется;

 -сумма мощностей, потребляемых всеми сопротивлениями, где все слагаемые положительны.

Исходя из вышеуказанных правил составим уравнение:

∙Z1 + ∙Z2 + ∙Z3 + ∙Z4 + ∙Z5 + ∙Z6 + ∙Z7 + ∙Z8 + J9∙U9 = E2∙I2 + E3∙I3

11.3913 +16.3033i = 11.6700 +15.7170i

∙Z1 + ∙Z2 + ∙Z3 + ∙Z4 + ∙Z5 + ∙Z6 + ∙Z7 + ∙Z8 + J9∙U9 = 11.3913 +16.3033i

E2∙I2 + E3∙I3 = 11.6700 +15.7170i

.3913 +16.3033i ≈ 11.6700 +15.7170i

Таким образом баланс мощностей выполняется.

Задание 6. Определить число необходимых уравнений, составленных по законам Кирхгофа. Составить уравнения по законам Кирхгофа для расчета токов и рассчитать их


Электрическая схема содержит 9 ветвей и 5 узлов. Составляем уравнения по первому закону Кирхгофа. Число их на единицу меньше числа узлов y=Nуз-1(для схемы с пятью узлами нужно составить четыре таких уравнения которые являются линейно-независимыми):

a) -I1 + I4 - I5 + J9 = 0,) I1 + I2 - I6 - J9 = 0,) -I2 - I3 + I7 = 0,

d) I3 - I4 - I8 = 0,

Если к одному из узлов присоединен источник тока, то ток этого источника тоже должен быть учтен.

Выбираем произвольно направление обхода каждого контура и составляем уравнения по второму закону Кирхгофа.


Контуры, для которых составляются уравнения, нужно выбирать так, чтобы каждый из них включал в себя хотя бы одну новую ветвь. Только при этом условии уравнения будут независимы друг от друга, а контуры - независимыми. Число уравнений, составленных по второму закону Кирхгофа, вычисляется по формуле:

=Nв - Nуз + 1 - Nт = 9-5+1-1=4,

где Nв-число ветвей, уз- число узлов,т- число источников тока.

I1*Z1 - I5*Z5 + I6*Z6 =0,

I2*Z2 + I6*Z6 + I7*Z7 = E2,3*Z3 + I7*Z7 + I8*Z8 = E3,4*Z4 + I5*Z5 - I8*Z8 = 0.

В этих уравнениях все ЭДС и токи, совпадающие с направлением обхода контура, записываются со знаком плюс; ЭДС и токи, направленные навстречу обходу - со знаком минус.

Общее число уравнений, составленных по первому и второму законам Кирхгофа, равно числу неизвестных токов, т.е. числу ветвей за исключением ветвей с источниками тока.

Уравнения Кирхгофа представим в матричной форме:


Вычислим значения токов в MATLAB:

I1 = 0.0105 - 0.0471i2 = 0.0891 + 0.0604i3 = 0.3067 + 0.0285i4 = 0.2149 - 0.0845i5 = 0.2044 - 0.0375i6 = 0.0996 + 0.0133i7 = 0.3958 + 0.0889i

I8 = 0.0918 + 0.1130i

Значения токов совпали с ранее найденными.

Задание 7. Рассчитать ток в одной ветви связи МЭГ


Разорвем цепь №2:


Запишем проводимости как величину, обратную сопротивлению для всех контуров:

Y2 = , Y3 = , Y4 = , Y5 = , Y6 = , Y7 = , Y8 = .

Система уравнений для узлов a, b, c, d:

a) (Y1+Y4+Y5)∙φa - Y1∙φb - 0∙φc - Y4∙φd = J9,

b) 0∙φa + (Y1 + Y6)∙φb - 0 ∙φc - 0∙φd = - J9,

c) 0∙φa - 0∙φb + (Y3 + Y7)∙φc - Y3∙φd = - E3∙Y3,

d) - Y4∙φa - 0∙φb - Y3∙φc + (Y3 + Y4 + Y8 )∙φd = E3∙Y3.

Из составленных уравнений получим матричное уравнение:

= ,

где Y11 = Y1+Y4+Y5, Y14 = Y4;

Y22 = Y1+Y6

Y33 = Y3+Y7, Y34 = Y3;41 = Y4, Y43 = Y3, Y44 = Y3+Y4+Y8.11 = J9, j22 = - J9, j33 = - E3∙Y3, j44 = E3∙Y3.

Отсюда, воспользовавшись MATLAB получим:

φa = 7.6316 + 7.0543iВ

φb = 3.1861 + 6.5077iВ

φc = -30.8600 -26.3300iВ

φd = 10.2397 + 1.0644iВ

φe = 0



Найдем ток короткого замыкания.

Направление токов I11, I22, I33, I44:


Система уравнений для токов I11, I22, I33, I44:

11*( Z5+Z6) + 22*Z6 + 33* 0 - I44*Z5 - J9*(Z5+Z6) = 0,11*Z6 + I22*(Z2+Z6+Z7) + I33*Z7 + I44* 0 - J9*Z6 = 0,11* 0 + I22*Z7 + I33*(Z3+Z7+Z8) - I44*Z8 = E3,

I11*Z5 + I22* 0 - I33*Z8 + I44*( Z4+Z5+ Z8) + J9*Z5 = 0.

Матричное уравнение:

=

где Z11 = Z5+Z6, Z12 = Z6, Z13 = 0, Z14 = -Z5;

Z21 = Z6, Z22 = Z2+Z6+Z7, Z23 = Z7, Z24 = 0;

Z31 = 0, Z32 = Z7, Z33 = Z3+Z7+Z8, Z34 = -Z8;

Z41 = -Z5, Z42 = 0, Z43 = -Z8, Z44 = Z4+Z5+Z8.

E11 = J9*(Z5+Z6), E22 = J9*Z6, E33 = E3, E44 = - J9*Z5.

Сопротивление нагрузки

Zнагр =  =  = 288.64+264.67i

Ток вычислим по формуле

I2 =

I2 =  = = 0.0891 + 0.0604i

Задание 8. Рассчитать и построить топографические диаграммы


Топографическая диаграмма токов:


Топографическая диаграмма потенциалов и напряжений:

ток короткий замыкание мощность

Задание 9. Собрать схему в среде Multisim

Похожие работы на - Исследование электрической цепи синусоидального тока

 

Не нашли материал для своей работы?
Поможем написать уникальную работу
Без плагиата!
Без нейросетей!