Исследование и расчет цепей синусоидального тока
Исследование и расчёт
цепей синусоидального тока
1. Теоретические сведения
Синусоидальный ток представляет собой ток, изменяющийся во
времени по синусоидальному закону:
,
где
- максимальное значение или амплитуда
тока;
- угловая частота
- полная фаза колебания;
- начальная фаза.
Угловая частота
, частота
и период T связаны соотношением:

.
Проекция вращающегося против часовой стрелки с постоянной угловой
скоростью
вектора
на вертикальную ось изменяется во времени по синусоидальному
закону. Поэтому любая синусоидальная функция (ток, напряжение, ЭДС) может быть
изображена вектором.
При проведении расчета очень удобным оказывается рассмотрение
вращающегося вектора
на комплексной плоскости. В этом случае
вектор
можно представить как комплексную
амплитуду тока
, а сам синусоидально изменяющийся ток I -
как мнимую часть произведения комплексной амплитуды на
:
.
Тогда при t=0 можно записать:
.
синусоидальный переменный ток
На практике широкое распространение получил символический метод
расчета цепей синусоидального тока.
Сущность данного метода состоит в том, что при синусоидальном токе
можно перейти от дифференциальных уравнений, составленных для мгновенных
значений, к алгебраическим, составленным относительно комплексов амплитудных
значений тока
, напряжения
, и ЭДС
либо их действующих значений
,
и
. Например, если
,
то комплексное действующее значение напряжения
,
где
.
Рис. 1 Схема цепи с реактивными элементами
Аналогично осуществляется запись комплексов действующих значений
величин ЭДС и тока. Например, для схемы (рис. 1) уравнение для мгновенных
значений напряжений, составленное по второму закону Кирхгофа, запишется
следующим образом:
, или
.
Переходя к комплексным действующим значениям напряжений, получим:
,
где R - активное сопротивление цепи,
- комплексное индуктивное сопротивление цепи,
- комплексное емкостное сопротивление цепи.
Множитель
свидетельствует о том, что вектор
напряжения
на индуктивности L опережает вектор тока
на
. Множитель
свидетельствует о том, что вектор
напряжения
на емкости С отстает от вектора тока
на
. На активном сопротивлении R векторы напряжения
и тока
совпадают по направлению.
Величина
называется комплексным сопротивлением
цепи (см. рис. 1.2), а
- ее комплексной проводимостью, где G и B
- активная и реактивная составляющие проводимости цепи.
Комплексные числа записываются в одной из следующих форм:
алгебраическая -
;
показательная -
;
тригонометрическая -
;
полярная -
.
Геометрически любому комплексному числу
можно сопоставить в соответствие точку
комплексной плоскости
с координатами x=a, y=jb или
радиус-вектор длиной A единиц, проведенный из начала координат в точку A и
расположенный под углом
к оси абсцисс (рис. 1.3). Из рисунка
очевидны формулы перехода из одной формы записи комплексного числа к другой:
Алгебраическая форма применяется при сложении и вычитании комплексных
чисел, а показательная - при умножении, делении, возведении в степень и
извлечении корня. Умножении числа на мнимую единицу
сводится к повороту вектора на угол 900
против часовой стрелки, умножение на
- к повороту на угол 900 по часовой стрелке, а
умножение на -I соответствует повороту на
.
Полное комплексное сопротивление цепи
и сопротивления ее участков (R, L и С)
геометрически связаны треугольником сопротивлений:
а) если
, то
б) если
, то
, где
Расчет электрической цепи в комплексной форме требует записи
одного и того же комплексного числа в алгебраической и показательной формах.
Рассмотрим несколько примеров.
1.1 Векторные диаграммы
Представление комплексных величин на комплексной плоскости
векторами дает возможность строить векторные диаграммы токов и напряжений в
цепях синусоидального тока. Топографическая диаграмма позволяет проверить
правильность расчетов и дает наглядное представление о фазовых сдвигах между
напряжениями и токами.
Перед построением диаграммы предварительно выбираются
положительное направление тока в цепи, а так же масштабы напряжений и токов на
комплексной плоскости.
Для токов обычно строится лучевая диаграмма, когда токи
откладываются из одной точки.
Для напряжений обычно строится топографическая диаграмма, на
ней напряжения элементов откладываются в той же последовательности, как эти
элементы расположены на схеме. Обход контура выбирают против положительного
направления тока. На комплексной плоскости стрелка указывает в сторону большего
потенциала. Сложение всех векторов напряжений дает входное напряжение цепи.
.2 Цепи с индуктивно связанными элементами
В любой цепи переменного тока между катушками индуктивности
существует взаимодействие, которое характеризуется величиной взаимной
индуктивности M.
Если токи в катушках протекают в одном направлении
относительно зажимов, то магнитный поток самоиндукции катушки совпадает с
магнитным потоком взаимоиндукции. Такое включение катушек называется согласным.
В этом случае напряжение взаимоиндукции прибавляется к напряжениям на
соответствующих индуктивностях.
В противном случае включение катушек встречное. Напряжение
взаимоиндукции вычитается из соответствующих напряжений на индуктивностях.
Начальный зажим на схемах помечается точкой.
Взаимная индуктивность рассчитывается по формуле:
, (2.1)
где M - взаимная индуктивность, Гн;с -индуктивность
цепи при согласном включении, Гн;в - индуктивность цепи при
встречном включении, Гн.
Магнитная связь катушек характеризуется коэффициентом связи,
который рассчитывается по формуле:
, (2.2)
где K - коэффициент связи;1 - индуктивность первой
катушки, Гн;2 - индуктивность второй катушки, Гн.
.3 Резонанс в электрических цепях
Признаком резонанса в электрической цепи, содержащей
индуктивности и емкости, является совпадение по фазе напряжения и тока на ее
входе.
При последовательном соединении индуктивности и емкости или
при последовательном соединении участков, содержащих индуктивность и емкость,
возможен резонанс напряжений.
При резонансе напряжений индуктивное сопротивление цепи
компенсируется емкостным, в результате входные реактивные сопротивление и
мощность равны нулю, напряжения на реактивных элементах могут значительно
превышать входное.
При параллельном соединении индуктивности и емкости или при
параллельном соединении участков, содержащих индуктивность и емкость, возможен
резонанс токов.
При резонансе токов индуктивная проводимость цепи
компенсируется емкостной, в результате реактивная проводимость и реактивная
мощность на входе цепи равна нулю, токи в реактивных элементах могут
значительно превышать входной ток.
Частота, при которой наблюдается резонанс, называется
резонансной. При исследовании резонансных режимов обычно определяется
резонансная частота, значения индуктивности или емкости, при которых на
заданной частоте возникает резонанс, а также рассчитываются частотные
характеристики - зависимости токов, напряжений, сопротивлений, проводимостей от
частоты.
2.1 Исследование элементов цепи в отдельности
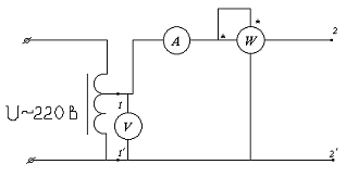
а) Собрать схему для определения параметров элементов цепи по
методу трех приборов (вольтметра, амперметра, ваттметра), изображенную на рис.
2.1. Напряжение в схеме регулируется лабораторным автотрансформатором (ЛАТР).
Рис. 2.1 - Схема для определения параметров цепи по методу
трёх приборов
б) Поочередно подключить к выходным зажимам 2 - 2/
схемы реостат, катушки индуктивности и конденсатор (элементы 1, 2, 3, 4 рис.
2.2).
Рис. 2.2 - Эквивалентные схемы элементов стенда
Произведенные измерения токов, напряжений, и мощностей
заносим в таблицу 2.1.
Таблица 2.1 - Параметры элементов
|
Элемент схемы
|
Опыт
|
Расчет
|
Измерения
осциллографом
|
|
U
|
I
|
P
|
z
|
x
|
R
|
z
|
L
|
C
|
φ
|
φ
|
|
В
|
А
|
Вт
|
Ом
|
Гн
|
мкФ
|
град
|
град
|
|
Реостат
|
31.5
|
1
|
31
|
31.5
|
|
31
|
31
|
|
|
0
|
|
|
Катушка 1 (№
12)
|
36
|
1
|
9
|
36
|
34.86
|
9
|
9 +34.86j
|
0.111
|
|
75.5
|
76
|
|
Катушка 2 (№
21)
|
69
|
1
|
11
|
69
|
68.12
|
11
|
11 +68.12j
|
0.216
|
|
80.8
|
|
|
Конденсатор
|
132
|
1
|
0
|
132
|
132
|
0
|
-132j
|
|
24.11
|
-90
Произведенные измерения тока, напряжения, и мощности заносим
в таблицу 2.2.
Рис. 2.3 - Схема с последовательно включенными элементами
б) Определить с помощью осциллографа действующее значение тока I и
заносим полученное значение в таблицу 2.2. Вычислить амплитуду тока по
известным значениям амплитуды напряжения и сопротивления R1: , а затем и действующее его значение: .
в) Определить с помощью осциллографа максимальное значение
напряжения на первой катушке (канал II) и заносим полученное значение в таблицу 2.2: .
г) Определить период T, частоту f тока в цепи, фазовый сдвиг φ
между напряжением и током
катушки 1. Результат измерения угла φ заносим в таблицу 2.2.
Таблица 2.2 - Значение электрических величин при последовательном
соединении элементов
|
U
|
I
|
P
|
ZЭ
|
S
|
Q
|
UK1
|
Способ
определения
|
|
В
|
А
|
Вт
|
Ом
|
В.А
|
Вар
|
В
|
|
|
60
|
1
|
53.5
|
|
|
|
|
Опыт
|
|
1.022
|
53.27
|
51-j29.04
|
53.29-j30.34
|
-30.31
|
53.29
|
Расчет
|
|
1
|
|
|
|
|
54
|
Измерения
осциллографом
|
.3 Исследование цепи со смешанно соединенными
элементами
а) Собрать схему смешанного соединения элементов (рис. 2.5) и
подключить ее к зажимам 2 - 2/ схемы, приведённой на рис. 2.1.
Измерить ток, напряжение и активную мощность, результаты заносим в таблицу 2.3.
Рис. 2.4 - Схема смешанного соединения элементов
Таблица 2.3 - Значение электрических величин при смешанном
соединении элементов
|
U
|
U1
|
I
|
I1
|
I2
|
ZЭ
|
P
|
S
|
Q
|
Способ
определения
|
|
В
|
А
|
Ом
|
Вт
|
В.А
|
Вар
|
|
|
60
|
48
|
0.35
|
0.36
|
0.7
|
|
6.5
|
|
|
Опыт
|
|
47.7
|
0.34
|
0.36
|
0.69
|
54.59+j167.71
|
6.4
|
20.4
|
Расчет
|
.4 Исследование цепей с взаимной индукцией
а) Подключить к зажимам 2 - 2/ схемы, приведённой
на рис. 2.1 последовательно включенные катушки индуктивности (рис. 2.6). При
одном и том же напряжении проводим измерения тока и активной мощности для трех
случаев:
согласное включение;
встречное включение;
отсутствие магнитной связи (М = 0) - катушки разнесены или их
оси перпендикулярны.
Рис. 2.5 - Схема включения катушек со взаимной индуктивностью
При встречном включении ток по величине больше, чем при
согласном. Измеренные значения токов, напряжений и мощностей заносим в таблицу
2.4.
Таблица 2.4 - Параметры элементов
|
Вид включения
катушки
|
U
|
I
|
P
|
ZЭ
|
RЭ
|
xЭ
|
LЭ
|
φ Э
|
Способ
определения
|
|
В
|
А
|
Вт
|
Ом
|
Гн
|
град
|
|
|
Согласное
|
59
|
0.42
|
4
|
|
|
|
|
|
Опыт
|
|
|
|
|
140.5
|
22.67
|
138.66
|
0.44
|
80.71
|
По опытным
данным
|
|
|
0.41
|
3.36
|
141.8
|
20
|
139.37
|
0.44
|
81.8
|
Расчет
|
|
Встречное
|
59
|
0.88
|
16
|
|
|
|
|
|
Опыт
|
|
|
|
|
67.04
|
20.66
|
63.78
|
0.203
|
72.05
|
По опытным
данным
|
|
|
0.86
|
15.01
|
68.1
|
20
|
65.09
|
0.207
|
72.9
|
Расчет
|
|
М=0
|
59
|
0.55
|
7
|
|
|
|
|
|
Опыт
|
|
|
|
|
107.27
|
23.14
|
0.333
|
77.54
|
По опытным
данным
|
|
|
0.56
|
6.43
|
104
|
20
|
100.8
|
0.32
|
78.77
|
Расчет
|
|
М=0.06; К=0.38
|
.5 Исследование явления резонанса напряжений в
электрических цепях
а) Подключить к зажимам 2 - 2/ схемы, приведённой
на рис. 2.1 последовательно включенные конденсатор и реостат с катушкой
индуктивности (рис. 2.7).
Из условия для входного реактивного сопротивления найти величину резонансной емкости Срез.
Рис. 2.6 - Схема для исследования явления резонанса напряжений в
электрических цепях
При одном и том же входном напряжении измеряем ток и мощность для
трех значений емкости: С < С рез, С = С рез, С > С рез,
фазовый сдвиг между напряжением и током (по осциллографу), напряжения на
участках ab, bc и ac. Результаты заносим в таблицу 2.5.
Таблица 2.5 - Значение электрических величин при резонансе
напряжений
|
С
|
U
|
I
|
P
|
Uав
|
Uвс
|
Uас
|
φ, град
|
Примечание
|
|
мкФ
|
В
|
А
|
Вт
|
В
|
расчет
|
Измерения
осциллографом
|
|
|
30
|
40
|
0.504
|
10.2
|
51.5
|
17.5
|
15.3
|
-57.1
|
-60
|
С<Срез
|
|
46.73
|
40
|
0.801
|
25.7
|
51.2
|
27.1
|
23.7
|
0
|
0
|
С=Срез
|
|
60
|
40
|
0.948
|
35.9
|
46.8
|
31.8
|
27.8
|
26.1
|
25.7
|
С>Срез
|
3. Расчётная часть
По измеренным значениям U, I, P (см. табл. 2.1) для каждого
элемента определить полное Z, активное R, реактивное X сопротивления, угол
сдвига фаз φ между напряжением и током, параметры
реактивных элементов L и C.
Сопротивления элементов цепи находятся из соотношений:
Абсолютное значение угла сдвига фаз между напряжением и током
определяется по формуле:

По известным значениям реактивного сопротивления XL и XС
можно определить параметры реактивных элементов:
, .
Подставляя в расчетные формулы значения токов, напряжений, и
мощностей полученные из опыта, получим:) для реостата R:
б) для катушки 1 (№12)
и катушки 2(№21):
в) для конденсатора:
Определим комплексное входное сопротивление цепи, ток, полную,
активную, реактивную мощность и напряжения на зажимах первой катушки на рис.
2.3 при последовательном соединении элементов:
Построим векторную диаграмму напряжений при последовательном
соединении элементов. Рассчитаем токи и напряжения на всех элементах:

Рис. 3.2 - Векторная диаграмма напряжений для последовательного
включения элементов
Определим комплексное входное сопротивление цепи на рисунке 2.4и
рассчитаем токи в ветвях схемы и напряжение на параллельно включенных элементах
3 и 4. После расчета проверяем баланс мощностей
:
По результатам расчета убеждаемся, что баланс мощностей
выполняется.
Рассчитаем токи и напряжения на элементах цепи при смешанном
соединении элементов:
Рис. 3.3 - Векторная диаграмма напряжений для смещенного
соединения элементов
Рассчитаем эквивалентные параметры цепи и угол сдвига фаз между
током и напряжениям для трех видов включения катушек.
a) для согласного включения:
б) для встречного включения:
в) при отсутствии магнитной связи:
Рассчитаем взаимную индуктивность и коэффициент магнитной связи
между катушками:
Теоретически рассчитаем сопротивления катушек и токи в них, а
также построить векторные топографические диаграммы для трех видов включения
индуктивно связанных катушек:
а) для согласного включения катушек:
Рассчитаем токи и напряжения на элементах цепи:
По результатам расчетов строим векторную диаграмму напряжений
(Рис. 3.4). Для наглядности на графике вектор тока увеличен в 100 раз.
.4 Векторная диаграмма напряжений для согласного включения катушек
б) для встречного включения катушек:
Рассчитаем токи и напряжения на элементах цепи:
По результатам расчетов строим векторную диаграмму напряжений
(Рис. 3.5). Для наглядности на графике вектор тока увеличен в 100 раз.
Векторная диаграмма напряжений для встречного включения катушек
в) для случая с отсутствием магнитной связи:
Рассчитаем токи и напряжения на элементах цепи:
По результатам расчетов строим векторную диаграмму напряжений
(Рис. 3.6). Для наглядности на графике вектор тока увеличен в 100 раз.
.6 Векторная диаграмма напряжений для случая с отсутствием
магнитной связи
Исследуя резонанс напряжений, мы предварительно определили из
условия для входного реактивного сопротивления нашли величину резонансной
емкости Срез:
а) Для случая, если емкость конденсатора меньше резонансной (С=15
мкФ) найдем угол сдвига фаз, рассчитаем токи и напряжения на элементах цепи:
По результатам расчетов строим векторную диаграмму напряжений
(Рис. 3.7). Для наглядности на графике вектор тока увеличен в 100 раз.
.7 Векторная диаграмма напряжений для случая, когда С<Cрез
б) Для случая, если емкость конденсатора равна резонансной (С=28.5
мкФ) найдем угол сдвига фаз, рассчитаем токи и напряжения на элементах цепи:
По результатам расчетов строим векторную диаграмму напряжений
(Рис. 3.9). Для наглядности на графике вектор тока увеличен в 100 раз.
.9 Векторная диаграмма напряжений для случая, когда С=Cрез
По результатам расчетов строим векторную диаграмму напряжений
(Рис. 3.11). Для наглядности на графике вектор тока увеличен в 100 раз.
.11 Векторная диаграмма напряжений для случая, когда С>Cрез
Вывод
Данная расчетно-экспериментальная работа выполнялась с целью
изучения процессов, происходящих в линейных электрических цепях синусоидального
тока, явлений резонанса, сдвига фаз между током и напряжением. При проведении
расчетов использовался комплексный метод расчета таких цепей, который прост в
применении при машинном способе расчета.
Часто расхождение между опытом и теорией оказывается довольно
большим. Это связано с погрешностью измерений. К примеру, это проявляется при
измерении параметров конденсатора и опытном изучении магнитной связи между
катушками. Это связано с наличием нелинейности у электромагнитных приборов на
начальном участке измерения и по всей шкале. Для ее уменьшения следует
применять электронные приборы с линейной шкалой либо проводить все измерения
осциллографом.
Библиографический список
1
Зажирко В.Н., Петров С.И., Тэттэр А.Ю. /Под редакцией В.Н. Зажирко. Режимы
постоянного и синусоидального токов в линейных электрических цепях: Учебное
пособие./ Омский гос. Университет путей сообщения. Омск, 2001.
Похожие работы на - Исследование и расчет цепей синусоидального тока
|