Технологический процесс 'Пятиклетьевой стан '2030' бесконечной прокатки'
Содержание
Введение
1. Описание технологического процесса пятиклетьевой стан
"2030" бесконечной прокатки
1.1 Описание технологического процесса
1.2 Описание системы автоматики линии
1.3 Описание механизма моталки
1.4 Требования к электроприводу моталки
1.5 Принципы управления моталкой
1.6 Алгоритм управления моталкой
2. Расчет силовой части привода
2.1 Расчёт мощности двигателя
2.1.1 Определение составляющих момента электропривода
2.1.2 Выбор двигателя
2.1.3 Построение нагрузочной диаграммы и тахограммы привода
2.2 Выбор тиристорных преобразователей
2.2.1 Выбор тиристорного преобразователя для якорной цепи
2.2.2 Выбор преобразователя цепи возбуждения
2.3 Расчёт и выбор силового трансформатора
2.4 Расчёт параметров силовой цепи и защиты
3. Выбор системы управления электропривода
3.1 Описание системы управления
3.1.1 Расчёт контура тока якоря
3.1.2 Расчёт контура скорости
3.1.3 Расчёт контура тока возбуждения
3.2 Принципиальная схема моталки
3.3 Функциональная схема электропривода моталки
3.4 Моделирование электропривода моталки
4. Параметрирование преобразователей
Список источников
Введение
Металлургия является ведущей отраслью народного хозяйства
страны. Без продукции металлургического производства не может существовать и
развиваться современное независимое государство. Потребность в прокатном
оборудовании продолжает расти и объясняется тем, что прокатка из всех способов
обработки металлов пользуется наибольшим распространением вследствие
непрерывности процесса, высокой производительности и возможности получения
изделий самой разнообразной формы и улучшенного качества.
Экономические расчеты свидетельствуют, что наиболее
эффективными для производства листовой стали, являются широкополосные
непрерывные станы, которые по сравнению со станами других типов выгоднее как по
эксплуатационным расходам, так и по первоначальным удельным затратам. Это
объясняется меньшим расходным коэффициентом, большей производительностью стана,
а, следовательно, и труда, меньшей массой оборудования, приходящейся на единицу
выпускаемой продукции, и другими факторами.
Производительность металлургических агрегатов и повышение
качества продукции весьма сильно зависят от совершенства электрического
привода. Наиболее сложные и ответственные механизмы, работающие с большой
частотой включения, с регулированием скорости в широком диапазоне при жестких
статических характеристиках оборудуются, как правило, электроприводами на
постоянном токе.
Чем сложнее рабочий процесс, выполняемый агрегатом, больше
производительность и размеры агрегата, тем более необходима автоматизация.
Бурный технический прогресс в области электротехники и электроники,
наблюдающийся в последние годы, привел к существенным изменениям в теории и
практике электрического привода. Эти изменения прежде всего, касаются создания
новой элементной базы и технических средств автоматизации, быстрого расширения
областей и объемов применения регулируемого электропривода, который
преимущественно реализуется в виде тиристорного электропривода постоянного и
переменного тока. Существенные изменения произошли также в развитии
автоматических систем управления электроприводами. Эти системы характеризуются
преимущественным использованием принципов подчиненного регулирования,
расширением практического применения адаптивного управления, развитием работ по
векторным принципам управления электроприводами с двигателями переменного тока,
применением аналоговых и цифроаналоговых систем управления на базе интегральных
микросхем. Все шире используются управляющие вычислительные машины различных
уровней, развиваются работы по прямому цифровому управлению электроприводами.
1. Описание
технологического процесса пятиклетьевой стан "2030" бесконечной
прокатки
1.1 Описание
технологического процесса
Пятиклетьевой стан "2030" бесконечной прокатки
предназначен для полностью непрерывной прокатки горячекатаных травленых рулонов
из углеродистых сталей [1]. Для реализации бесконечного принципа прокатки на
входе стана предусмотрены два разматывателя, правильные машины,
автоматизированная стыкосварочная машина, петлевое устройство горизонтального
типа, на выходе - летучие ножницы и две моталки.
Перевалка рабочих валков осуществляется автоматически без
удаления полосы из стана. Предусмотрены необходимые устройства для
автоматической заправки полосы во все механизмы линии стана. Стан оборудован
устройствами для нанесения и идентификации меток сварного шва. Изменение меж
валкового зазора осуществляется высокоскоростными гидравлическими устройствами.
Системы управления электроприводами обеспечивают высокую точность поддержания скорости
в статическом и динамическом режимах, а также благодаря тиристорному управлению
высокое быстродействие.
Для снижения колебаний толщины полосы при изменении скорости
прокатки (подавления так называемого эффекта скорости, связанного с изменением
толщины масляного слоя в ПЖТ - подшипниках жидкостного трения) применяются
гидростатические системы высокого давления для подачи смазки в зону ПЖТ при
низких скоростях.
Управление станом осуществляется от управляющих
вычислительных машин, которые рассчитывают режимы прокатки и перестройки стана,
обеспечивают адаптацию моделей, слежение за продвижением рулонов по линии стана
и обработку информации планово-экономического характера. Все механизмы стана
оборудованы позиционирующими устройствами и локальными системами управления,
что совместно с УВМ позволяет автоматизировать все технологические операции.
Для получения сведений о протекании технологического процесса
прокатки, стан оборудован необходимой измерительно-регистрирующей аппаратурой,
позволяющей контролировать усилия прокатки, толщины и натяжения полосы во всех
межклетьевых промежутках, на входе и выходе стана, плоскостность полосы на
выходе стана; ток, напряжение, скорость и температуру приводных двигателей,
температуру и количество эмульсии, смазки и т.д.
На пятиклетьевом стане "2030" прокатка
осуществляется в бесконечном режиме [2]. Горячекатаные травленые рулоны
мостовым краном от выходной части непрерывного травильного агрегата (НТА)
перевозятся к разматывателям прокатного стана. Установленные на шагающую балку
рулоны транспортируются в позицию ожидания перед разматывателем, при этом во
время передвижения производится автоматическое измерение ширины полосы и
диаметра рулона. В позиции ожидания перед разматывателем производится ручное
удаление обвязочной ленты с рулона. Подготовленные к прокатке рулоны
рулоноподъемной тележкой автоматически устанавливаются на барабан одного из
разматывателей и центрируются по продольной оси стана. После этого производится
отгибание, центрирование и заправка переднего конца полосы в правильную машину.
Для протягивания полосы за разматывателем установлены тянущие ролики, а для
поддержания переднего конца полосы, поступающего от правильной машины к
ножницам поперечной резки, предусмотрены направляющие столы. На столе установлен
толщиномер, который используется в системе автоматической подготовки концов
полос перед сваркой: концы полос, выходящие за допуск по толщине, обрезаются и
режутся на части гильотинными ножницами. Задачу рулона в один из разматывателей
и подготовку переднего конца полосы производят во время размотки полосы с
другого разматывателя.
Стыкосварочная машина предназначена для сварки встык
оплавлением концов смежных полос без предварительного подогрева и обеспечения
процесса непрерывной прокатки. Режим сварки (настройка машины) определяются
УВМ. Для идентификации швов пробиваются отверстия диаметром 20 мм по центру
полосы. После сварки полоса разгоняется до 750 м/мин и подается в петлевое
устройство, необходимое для обеспечения непрерывности процесса прокатки во время
сварки концов полос. Петлевое устройство содержит тянущие станции и систему
натяжных механизмов, центрирующих и поддерживающих роликов для накопления около
800 метров полосы.
За накопителем имеются натяжные S-ролики, которые создают
заднее натяжение перед первой клетью при бесконечной прокатке. Перед первой
клетью также установлено оборудование, необходимое при переводе стана в режим
порулонной прокатки металла.
Прокатка полосы в рабочих клетях осуществляется непрерывно.
Снижение скорости до 100…300 м/мин происходит при прокатке сварных швов и
дефектов травления. Клети стана предназначены для обжатия полосы. Краткая
характеристика клетей: станины - закрытого типа сечением 6000 см2,
массой 118 тонн; нажимные устройства - гидравлические: два цилиндра на клеть,
максимальное усилие 30,0 МН; при перевалках опорных валков нажимные цилиндры
закрепляются с помощью подвешивающих устройств; клиновые устройства расположены
под нижними подушками и служат для сохранения уровня прокатки при изменении
диаметров валков вследствие их переточки; рабочие валки вращаются в конических
четырехрядных роликовых подшипниках; опорные валки вращаются в ПЖТ; пятая клеть
оборудована системой комбинированного гидроизгиба валков, остальные - системами
противоизгиба. Клети снабжены коллекторами для подачи эмульсии. Во всех
межклетьевых промежутках и на выходе стана установлены толщиномеры, измерители
полного натяжения, а за пятой клетью - стрессометр для измерения распределения
натяжения по ширине полосы (контроля планшетности). Привод клетей
осуществляется от двигателей постоянного тока через зубчатые шпиндели, муфты и
шестеренные клети.
На выходной стороне стана установлены направляющие ролики,
подающие полосу к ножницам. Летучие ножницы предназначены для поперечной резки
полосы при скорости движения полосы до 5м/с. отклоняющие ролики направляют
передний конец полосы, а магнитный конвейер передает его к первой или второй
моталке, где при помощи ременного захлестывателя производят намотку переднего
конца. После трех витков захлестыватель отводится, и стан разгоняется до
рабочей скорости прокатки. Моталки обеспечивают смотку полос в рулоны. Далее
рулоноподъемные тележки снимают рулоны с моталок и передают их на цепной
транспортер. С помощью транспортера рулоны перемещаются в позиции инспекции,
обвязки, взвешивания и маркировки, после чего для полос толщиной до 1,2 мм для
отделения колпаковых печей производят приваривание внутреннего витка в рулоне.
Затем рулоны могут быть сняты мостовым краном или с помощью кантователя
переданы на выходной транспортер, с которого в вертикальном положении поступают
на отжиг в колпаковые печи.
1.2 Описание
системы автоматики линии
АСУ пятиклетьевого стана предназначена для автоматизации
процесса бесконечной прокатки полосы протравленного горячекатаного металла.
Система получает исходную информацию о рулонах по запросу из
системы слежения за металлом ПХПП или по вводу в ручном режиме от оператора.
Полученные данные используются для настройки локальных систем автоматики
согласно движению головы полосы по стану. В процессе движения полосы
осуществляется измерение текущих значений технологических параметров,
управление основными и вспомогательными механизмами стана и визуализация.
Информация о готовой продукции передается в ССМ ПХПП. Кроме того, система
осуществляет сбор и долговременное хранение параметров прокатки.
Задачи управления выполняются в режиме реального времени.
Возможность работы технологической линии без системы отсутствует.
Система автоматизации непрерывного пятиклетьевого стана 2030
состоит из трех иерархических уровней:
уровень 0:
датчики;
удаленные входные/выходные и периферийные устройства и пульты
местного управления;
контроллеры управления силовыми тиристорными модулями главных
приводов (SIMOREG CM);
уровень 1:
программируемых логических контроллеров управления станом
(ALSPA C80 - HPCi) и сервер управления контроллерами P80i;
контроллеры управления сварочной машиной (MELSEC);
контроллер управления аварийными ситуациями (PILZ);
контроллеры управления эмульсией (Simatic S5).
трех серверов и 13 станций визуализации (на базе ALSPA);
сервера и клиента системы диагностики M80i;
компьютера приема данных по планшетности полосы;
компьютер обмена данными по эмульсии (OPC - сервер).
уровень 2:
компьютера управления процессом PFR1 и резерва (PFR2);
станции разработчика (NLMKSET);
сервера и клиента базы данных (DBS - SERVER и DBS - CLIENT);
Функции основных элементов автоматизированной системы
управления:
Функции уровня 0:
измерение натяжения и толщины полосы, давления и позиции
цилиндров гидронажимных устройств, измерение плоскостности полосы;
регулирование токов, регулирование момента (motor field
controls), образование импульсов;
Функции уровня 1:
Функции контроллеров ALSPA C80 - HPCi:
=XA01: управление приводом, регулятор скорости, визуализация
(клеть 1+2, разматыватель 1+2, ролики, лебедки, сварочная машина, правильная
машина);
=XA02: управление приводом, регулятор скорости, визуализация
(клеть 3 - 5, наматыватель 1+2, ролики, ножницы, ленточный транспортер, цепной
транспортер);
=XH01: управление вспомогательными механизмами и движением на
входе, функции позиционирования;
=XH02: управление прокаткой и позиционированием для зоны
клетей, перевалки и линии прокатки;
=XH03: управление прокаткой и позиционированием для выходной
части стана;
=XM01: управление гидравликой и смазкой;
=XP01: слежение за материалом, слежение за сварным швом,
управление принятия задания, задание тактовых сигналов задания, связь задания с
уровнем 2;
=XP02: общее регулирование во входной части, клети, выходной
части, регулирование величины задания, управление процессом прокатки,
регулирование натяжения полосы, автоматика торможения, управление накопителем и
лебедками;
=XP03: слежение за швом клеть 1 - моталка, стратегии
заправки/снятия полосы, прямое исправление настройки, автоматическое регулирование
толщины и планшетности, данные для системы диагностики, адаптации и
визуализации;
=XT01: регуляторы позиции и усилия прокатки для
гидравлических нажимных устройств, регулятор изгиба валков клетей 1-3;
=XT02: регуляторы позиции и усилия прокатки для
гидравлических нажимных устройств, регулятор изгиба валков клетей 4-5,
селективное охлаждение валков клети 5.
Визуализация технологических параметров. Система ALSPA 8000
ics (визуализация, децентрализованная система рабочих станций, прямое обращение
к данным HPCi, интеграция с системой визуализации Уровня 2)
Система диагностики M80i (сбор параметров непосредственно из
скоростной шины данных CC100, программный пакет "FAMOS" для анализа и
визуализации технологических параметров, отображение текущих значений
технологических параметров в виде графиков и диаграмм, off - line анализ
технологических параметров с генерацией отчета).
Функции контроллера PILZ:
=XS01: бессбойная система управления для аварийных функций.-
контроллеры управления механизмами сварочной машины.
Функции уровня 2
система управления процессом прокатки (PFR) формирует
стратегии прокатки и осуществляет слежение за единицами готовой продукции:
обмен данными с системой слежения за металлом (ССМ);
расчет уставок с моделированием процесса, адаптацией модели
объекта (кратковременная адаптация с локальными данными, долговременная
адаптация с данными DBS);
управление первичными данными рулона;
ввод и управление первичными данными следующего и любого
другого рулона при исчезновении связи с системой управления производством;
сбор производственных данных;
технологический редактор;
сбор данных о неисправностях;
дублирование банка данных;
функция импорта для обслуживания программ прокатки и
технологических групп;
сбор и обработка результатов измерения.
сервер базы данных обрабатываемых рулонов (DBS):
долговременное хранение технологических параметров прокатки и
обработки производственных показателей:
Управление и обработка данных;
Архивирование, повторное архивирование и защита данных.
клиент базы данных (DBS - client):
Составление протоколов и отчетов.
На базе данной данной структуры АСУ ТП для управления станом
тандем и его входной часть реализованы следующие функции:
аварийное
отключение;
система
управления перемещением (общая система управления и управление перемещением
(FST), датчик управляющих заданных значений (LSW), автоматика
торможения и останова (ABA));
Система
технологического регулирования (TER).
Общее (FST) управление представляет собой функцию,
перекрывающую децентрализованные независимые системы управления, которая
обеспечивает в частности регистрацию всех пусковых сигналов и их дальнейшую
обработку в логике вышестоящего уровня. В случае неисправности эти сигналы
формируются в подсистемах с собственной защитной логикой и ведут к
срабатыванию. Наряду с непосредственной защитой соответствующего оборудования
эти пусковые сигналы вызывают общую реакцию определенных частей оборудования
или всей установки. Задатчик управляющей уставки (LSW) получает от системы
управления движением сигнал на выдачу действительной уставки скорости. Он
выдает соответствующее задание, а также коэффициент ускорения на все приводы
перемещения полосы. ABA обеспечивает замедление входной части, а также стана тандем в как
можно более поздний момент времени, чтобы в наибольшей степени сократить
продолжительность движения с замедленной скоростью полосы.
Положение конца полосы на моталке регулируется при помощи
устройства позиционирования конца полосы с короткой фазой
"ползучести". ABA формирует команды на перемещение, которые обрабатываются
соответствующим образом в системе управления движением и обеспечивают передачу
оттуда сигналов на задатчик управляющей уставки.
1.3 Описание
механизма моталки
Механизм моталки представляет собой два двигателя постоянного
тока. находящихся на одном валу и приводящие механизм в движение;
электромагнитной муфты; барабана моталки; тормозного диска и соединительных
муфт. Общий вид механизма представлен на рисунке 1.
Рисунок.1. Общий вид механизма
1.4
Требования к электроприводу моталки
Моталки применяют для сматывания прокатанного металла в
рулоны. Натяжение полосы, в особенности между последней клетью и моталкой,
оказывает существенное влияние на толщину прокатываемого металла. При изменении
этого натяжения меняется и толщина листа. Для получения листа с допустимой
неравномерностью толщины необходимо при постоянной скорости прокатки
поддерживать неизменным натяжение полосы.
Различают два способа управления натяжением:
по регулируемому параметру, когда натяжение измеряется с
помощью того или иного измерителя натяжения (силоизмерительные датчики:
тензорезисторные или магнитоупругие), выходное напряжение которого на входе
замкнутой системы сравнивается с предписанным значением,
по косвенно определенному значению натяжения, т.е. по одной
из величин или по их комбинации, меняющейся в функции натяжения.
Системы с косвенным измерением натяжения имеют широкое
распространение, хотя их недостатком является необходимость введения поправки
для учета статических потерь (Мп), а при намотке толстой полосы - и
момента, необходимого для изгиба полосы (Мизг).
Если последняя составляющая поддается учету, то учет потерь
вследствие их неопределенности и сложной зависимости от многих факторов часто
оказывается затруднительным.
В процессе намотки полосы на барабан увеличивается диаметр
рулона, линейная скорость намотки, а, следовательно, и натяжение. Для
сохранения в процессе намотки неизменным натяжения полосы следует с увеличением
диаметра рулона уменьшать скорость вращения барабана моталки так, чтобы
линейная скорость намотки осталась неизменной. Таким образом, в системе
управления электроприводом моталки установившиеся режимы отсутствуют даже при
постоянной скорости прокатки.
В соответствии с технологией прокатки к электроприводу моталок
непрерывных станов предъявляются следующие требования:
поддержание постоянным или регулирование по заданному закону
натяжения полосы между клетью и моталкой;
плавное ускорение и замедление, при возможно малом времени
переходных процессов;
широкий диапазон регулирования скорости;
совместное и раздельное управление моталкой и станом;
натяжение "покоя";
толчковая работа;
обеспечение надлежащего быстродействия системы регулирования
с наименьшим временем переходных процессов и большой стабильностью в работе.
В соответствии с указанными требованиями наиболее
целесообразным является применение двигателей постоянного тока независимого
возбуждения.
На современных высокоскоростных станах холодной прокатки
применяют моталки с безредукторным приводом барабана непосредственно от
электродвигателя большой мощности. С целью снижения приведенного момента
инерции электропривода и повышения быстродействия системы управления
электроприводом применяются схемы с двумя двигателями с необходимой общей
суммарной мощностью.
1.5 Принципы
управления моталкой
В приводе намоточных устройств успешно применяется
двухконтурная астатическая система управления, где постоянство тока якоря
поддерживается изменением напряжения якоря, а постоянство ЭДС - изменением
потока двигателя. В этом случае по мере увеличения диаметра рулона поток
возбуждения двигателя увеличивается до номинального значения. Такие системы
называются однодиапазонные (однозонные).
Другим способом поддержания постоянной мощности при работе
намоточных механизмов является измерение и регулирование электромагнитной
мощности путем воздействия на напряжение тиристорного преобразователя в цепи
якоря. Однако в ряде случаев с целью уменьшения габаритной мощности двигателя
намоточных механизмов оказывается целесообразным применять комбинированное
управление. При изменении радиуса рулона от минимального значения до 60-85 %
максимального скорость двигателя изменяется за счет воздействия на его
магнитный поток при постоянном напряжении, а оставшаяся часть диапазона
измерения радиуса рулона покрывается за счет изменения напряжения при
постоянном потоке двигателя. При этом следует поддерживать момент на заданном
уровне и линейную скорость рулона. Такие системы комбинированного или
двухзонного управления широко применяются в промышленности. Принцип управления
объекта данного исследования также построен по второму принципу управления.
1.6 Алгоритм
управления моталкой
Алгоритм управления моталкой представлен на рисунке 2.
бесконечная прокатка электропривод двигатель
Рисунок 2. Алгоритм управления моталкой
В данном алгоритме присутствует ссылка на модель, данная модель
представлена на рисунке 15
2. Расчет
силовой части привода
2.1 Расчёт
мощности двигателя
2.1.1
Определение составляющих момента электропривода
Натяжение металла между клетями стана (между последней клетью
и моталкой) создается за счет несколько повышенной скорости двигателя,
приводящего следующую клеть стана (моталку), по сравнению со скоростью металла,
выходящего из валков [3].
Экспериментальным путем установлено, что толщина ленты
уменьшается при возрастании скорости прокатки и увеличивается при её снижении.
Следовательно, толщина ленты меняется во время разгона и замедления стана, и
прокатываемая в это время продукция имеет отклонения от требуемой толщины.
Поскольку момент, развиваемый двигателем моталки,
прикладывается к валу, на который наматывается полоса, скорость двигателя,
которая должна обеспечиваться в каждый данный момент времени, определяется как
скоростью движения полосы V, так и текущим значением радиуса рулона Rp.
Момент двигателя на валу барабана моталки складывается из
статического Мст и динамического Мдин моментов [3]:
. (1)
Знак "плюс" в выражении (1) соответствует режиму
разгона, а знак "минус" - торможению моталки.
Статический момент Мст представляет собой сумму трех
составляющих
, (2)
где Мнат - момент, расходуемый на создание натяжения
полосы,
Мизг - момент, затрачиваемый на деформацию изгиба
полосы при намотке на барабан,
Мп - момент, необходимый для преодоления потерь в
приводе.
Мощность, потребляемая двигателем постоянного тока, расходуется не
только на создание натяжения, но и на преодоление потерь в стане и двигателе. В
процессе намотки скорость механизма уменьшается, что ведет к изменению потерь и
некоторому изменению натяжения.
В станах холодной прокатки мощность, развиваемая двигателем,
приводящим моталку, расходуется в основном на создание натяжения, поэтому
изменение потерь ведет к сравнительно небольшому изменению натяжения.
Представляют интерес два режима работы намоточных устройств: режим
ускорения (замедления) стана, и процесс намотки рулона при постоянной скорости
прокатки. По динамике оба процесса принципиально отличаются один от другого. В
первом случае ускорение современных станов продолжается 10… 30 секунд, и
маховые массы за это время практически сохраняются неизменными; во втором
случае непрерывно меняется вес рулона, а значит маховые массы привода, однако
эти изменения происходят сравнительно медленно.
Динамический момент на валу двигателя определяется как [2]:
, (3)
где J - момент инерции вращающихся частей
моталки вместе с
рулоном, приведенный к двигателю,
- угловая скорость двигателя.
Учитывая, что
, а, следовательно:
, (4)
можно записать:
. (5)
Составляющая Мдин1 обусловлена необходимостью создания
ускорения dV/dt при
данном радиусе рулона Rp и
равна:
. (6)
В процессе запуска до установившейся скорости часть мощности
двигателя расходуется на покрытие динамического момента механизма, который
направлен навстречу вращению моталки и потому уменьшает величину натяжения. В
процессе остановки стана динамический момент механизма направлен согласно с
вращением моталки и потому увеличивает силу натяжения.
Составляющая, обязанная своим существованием изменению Rp, есть:
. (7)
При установившемся режиме процесса прокатки диаметр намотки всё
время будет увеличиваться, а скорость моталки уменьшаться; это вызовет
динамический момент, совпадающий по направлению с усилием натяжения и увеличивающий
это усилие. В начале намотки увеличение радиуса моталки происходит быстрее, чем
в конце, поэтому динамический момент Мдин2 больше в начале намотки и
несколько меньше в конце.
Момент инерции рулона включает в себя неизменный момент инерции
вращающихся частей механизма и двигателя J’ и меняющийся с изменением радиуса рулона момент инерции
наматываемого рулона J”:
, (8)
где
- выраженная в килограммах масса
материала в рулоне с удельной плотностью
[кг/м3] при текущем радиусе рулона Rp, радиусе барабана моталки Rб и ширине материала В. Квадрат радиуса инерции рулона равен:
. (9),
. (10),
. (11)
Связь между радиусом рулона и скоростью перемотки может быть установлена,
если записать выражения для изменения объема рулона Qp за время t, в течение которого радиус рулона меняется от Rб до Rp:
. (12)
С другой стороны эту величину можно выразить через толщину полосы h, её ширину В и длину перемотанного за время t материала:
. (13)
Из этих выражений текущее значение радиуса рулона определится как:
. (14)
После нахождения производной выражения (14), подставим ее в
выражение для Мдин2. Получим следующие формулы для расчета
составляющих динамического момента:
;
(15)
Момент изгиба определяется [4] по формуле:
, (16)
где sт - предел текучести материала полосы с
учетом наклепа sт, МПа. Максимальный момент потерь
составляет 3% номинального момента двигателя:
. (17)
Момент натяжения определяется по [4]:
. (18)
Таким образом, определены все составляющие момента нагрузки
электропривода моталки.
2.1.2 Выбор
двигателя
Исходные данные для расчета привода представлены в таблице 1.
Таблица 1. Исходные данные
|
Наименование
параметра
|
Величина
|
1. Максимальная скорость, м/мин 2. Максимальное натяжение*, кг 3.
Время разгона, с 4. Допустимое ускорение, м/с2 5. Передаточное число
редуктора 6. Максимальный диаметр рулона, м 7. Диаметр барабана моталки, м 8.
Момент инерции барабана моталки, кг
м2
9. КПД привода, %
. Удельная плотность металла, кг/м31900
,267
,0
,2
,6
* При скорости 1900 м/мин максимальное натяжение - 6500 кг,
при скорости 1000 м/мин максимальное натяжение - 13000 кг.
Расчет двигателя произведем для наиболее тяжелого режима работы:
сечение полосы B
h=1600
2,5 (мм), скорость намотки 1000 м/мин при
максимальном натяжении 13000 кг, предел текучести материала полосы с учетом
наклепа sт=392,4 Мпа.
Мощность электродвигателя привода моталки можно определить по
формуле в [4]:
, (19)
где Рнат - мощность на барабане моталки при наматывании
полосы:
, (20)
где F - усилие натяжения полосы, кН, V - линейная скорость намотки рулона, м/с.
;
Ризг - мощность деформации изгиба полосы при намотке
рулона, кВт:
; (21)
Момент изгиба находим по формуле (16):
Максимальная скорость привода wmax:

. (22),
.
Мощность деформации изгиба полосы по формуле (18):
.
h=0,95 - КПД привода.
Расчетная мощность привода (19):
.
По справочнику [5] выбираем два двигателя типа МП 2000-500 с общей
мощность 2400 кВт. В таблице 2 представлены данные выбранного двигателя.
Таблица 2. Основные данные двигателя МП 2000-500
Рном, кВт Uном, В n, об/мин Iном, А Мном, кНм l J, кг
м2Iвном,
АUвном,
|
1200
|
750
|
500/1100
|
1720
|
28/10,4
|
1,5
|
875
|
34
|
220
|
|
Фпол, Вб
|
Rа, мОм
|
rдп,
мОм
|
rко,
мОм
|
Rов,
Ом
|
N
|
Wов
|
2а
|
2р
|
|
0,295
|
3,7
|
0,6
|
2,0
|
4,4
|
351
|
310
|
12
|
6
|
Применение двух двигателей с необходимой общей суммарной мощностью
вместо одного позволяет значительно снизить момент инерции электропривода, а,
следовательно, повысить быстродействие привода и улучшить качество системы
регулирования. Двигатели соединены последовательно на одном валу, т.е. каждый
должен развивать максимальную скорость и половину необходимого момента.
Якорная цепь каждого двигателя питается от индивидуального
тиристорного преобразователя (реверсивного), а обмотки возбуждения соединены
последовательно и запитываются от одного нереверсивного тиристорного
возбудителя, что обеспечивает равный магнитный поток возбуждения обоих
двигателей.
Выравнивание момента нагрузки между электродвигателями не
требуется вследствие жесткого механического соединения двигателей, низкого
значения момента механических потерь (смазка подшипников осуществляется
принудительно), равного магнитного потока возбуждения, и также, одинакового
задания на ток якоря каждого двигателя, поступающего с общего регулятора
скорости. Неодинаковый момент нагрузки может быть вызван различным сопротивлением
якорной цепи (вследствие разброса характеристик при изготовлении двигателей),
но, как показывает опыт эксплуатации подобных схем соединения
электродвигателей, это влияние незначительно.
В качестве датчика обратной связи по скорости используется датчик
FG 4 K-2048G-90G-NG. Импульсный датчик. Два импульсных канала, сдвинутых на 90º. С нулевым импульсом. Все каналы имеют инверсную пару.
Центробежный выключатель на валу расширения. Стойка подшипника с промежуточным
валом.
2.1.3
Построение нагрузочной диаграммы и тахограммы привода
При расчете диаграмм для выбранного режима принимаем время разгона
привода tразг = 13с. Из условия непрерывности работы стана моталка
сначала разгоняется до заправочной скорости 3,2 м/с за 2,5 с, затем с помощью
ременного захлестывателя на барабан моталки принимается передний конец полосы и
наматываются три витка, после чего стан разгоняется до рабочей скорости
прокатки. Для выбранного сечения полосы (1600
2,5) удельное натяжение sуд=2
кг/мм2, а полное натяжение F [4]:
. (23)
.
Момент натяжения определяется по (18) и в начале намотки рулона
составляет:
Максимальный момент потерь двигателя (17):
.
Для расчета динамических составляющих момента Мдин1 и Мдин2
необходимо определить J0 [2]. Приведенный момент инерции
вращающихся частей двигателя и механизма составляет:
, где
- момент инерции муфты. (24)
.
Момент инерции наматываемого рулона Jр:
(25)
Из формулы (11):
.
Определим время установившегося режима прокатки tпост [6]. Площадь сечения барабана моталки Sб:
.
(27).
Площадь сечения полного рулона Sp:
.
(28)
Площадь сечения рулона при разгоне Sразг:
(29)
Площадь сечения рулона при торможении Sторм:
(30)
Площадь сечения рулона, намотанного с постоянной скоростью Sпост:
. (31)
Время намотки с постоянной скоростью tпост:

(32)
Определим время цикла tц:

(33)
Время паузы меньше времени работы моталки на 5 секунд, т.к. во
время торможения одной моталки вторая разгоняется. Графики нагрузочной
диаграммы и тахограммы представлены на рисунке 4 и рисунке 5. Проведем проверку
на нагрев по моменту и проверку на допустимую перегрузку [4].
Проверка по нагреву осуществляется по формуле:
. (34)
, следовательно условие выполнено.
Проверка на допустимую перегрузку:
, (35)
где Мдв max - максимальный
момент по нагрузочной диаграмме.
, - условие выполнено.
Рисунок 4. Нагрузочная диаграмма электродвигателя моталки
Рисунок 5. Тахограмма привода моталки
2.2 Выбор
тиристорных преобразователей
2.2.1 Выбор
тиристорного преобразователя для якорной цепи
Тиристорный преобразователь выбираем из условия:
Id ³ Iндв; Ud ³ Uндв, (36)
где Id и Ud - номинальные значения
выпрямленного тока и напряжения преобразователя,
Iндв и Uндв - номинальные ток и напряжение двигателя.
По каталогу выбираем реверсивный тиристорный преобразователь
типа SIMOREG DC MASTER D830/1900Mre-GeEF4S22.
Таблица 4. Данные преобразователя
|
Наименование
параметра
|
Величина
|
|
Номинальный
выпрямленный ток, А Номинальное выпрямленное напряжение, В Номинальная
мощность, кВт КПД Коэффициент мощности Число пульсаций
|
1900
830 1577 0.977 0,84 6
|
Преобразователи SIMOREG DC MASTER серии 6RA70 являются
полностью цифровыми компактным преобразователями с питанием от трехфазной сети
и служат для питания якоря и обмотки возбуждения двигателей постоянного тока с
регулируемой скоростью с номинальными токами якоря от 15A до 2200A. Допускает
перегрузку 100% в течении 15 минут и 200% в течение 10 секунд. Преобразователи
синхронизируется с сетью автоматически в области от 45 Гц до 65 Гц.
частоты питающего напряжения сети (и для якоря и для
возбуждения).;
полный диапазон изменения угла управления не менее 1700
при изменении управляющего сигнала от +10В до - 10В.
Для сглаживания пульсаций выпрямленного тока и для
ограничения скорости нарастания тока в цепи якоря двигателя при аварийных
режимах работы тиристорного преобразователя [8] в состав комплектующего
оборудования может входить сглаживающий реактор индуктивность равна 0,5 мГн.
В качестве выключателя на стороне постоянного тока
используются токоограничивающие выключатели серии ВАТ-42-4000/15-Л с рабочим
током 3200А с индукционно-динамическим приводом.
В выпрямителе, наряду с защитой токоограничивающими
выключателями и плавкими предохранителями для защиты от перегрузок,
предусмотрена быстродействующая электронная защита от таких аварийных режимов
как опрокидывание инвертора, превышение мгновенного значения тока нагрузки,
выход из строя двух и более тиристоров в плече силового моста, исчезновение
потока охлаждающего воздуха. В выпрямителе предусмотрены блокировки,
предотвращающие включение тиристорного преобразователя при открытых дверях
шкафов и при наличии сигнала любого вида неисправности.
2.2.2 Выбор
преобразователя цепи возбуждения
В соответствии с условием (36) и учитывая, что обмотки
возбуждения двигателей соединены последовательно выбираем по каталогу фирмы
"Сименс" преобразователь SIMOREG DC MASTER D420/60 Mreq-GeGGV6222.
Таблица 5. Данные преобразователя
|
Наименование
параметраВеличина
|
|
|
Номинальный
выпрямленный ток, А Номинальное напряжение: выпрямленное, В питающей сети, В
КПД Тпв, с
|
60 420 400
(+15%; - 20) 0,97 0,005
|
Силовая часть выпрямителя представляет собой трехфазную
мостовую схему выпрямления. Преобразователь выпускается с принудительным
воздушным охлаждением силовых тиристорных блоков от индивидуальных
вентиляторов, встроенных в шкаф. Преобразователь включает в себя следующие
функциональные блоки управления: БФУ - блок фазового управления, БФ-блок
фильтра, БКНТ-блок контроля нулевого тока, БУДР-блок управления дистанционным
расцепителем, БКМТ-блок контроля максимальной силы тока, БМУ-блок магнитного
усилителя, БЗ-блок защиты, БРЛ-блок реле. Учитывая последовательное соединение
обмоток возбуждения активное сопротивление цепи возбуждения Rв:
, (37)
где bT -
температурный коэффициент.
.
Коэффициент формы кривой намагничивания кф:
. (38)
.
Индуктивность цепи возбуждения Lв:
. (39)
Постоянная времени цепи возбуждения Тв:
. (40)
.
Постоянная времени вихревых токов Твт:
. (41)
.
2.3 Расчёт и
выбор силового трансформатора
Трансформатор выбираем на основе расчета следующих
параметров: расчетная мощность трансформатора Sрасч, расчетные вторичные
фазные ток и напряжение I2фр, U2фр. При работе в зоне непрерывных токов:
, (42)
где кu -
коэффициент схемы, кu =0,7407;
кс - коэффициент учета колебаний напряжения сети;
кa -
коэффициент, учитывающий неполное открывание вентилей при максимальном сигнале
управления;
кR - коэффициент, учитывающий падение
напряжения в трансформаторе и вентилях.
Расчетное значение тока вторичной обмотки:
, (43)
где кi -
коэффициент схемы, кi=0,427;
ка =1,05…1,1 - коэффициент формы анодного тока.
.
Расчетная мощность трансформатора:
, (44)
где кS =
1,05…1,1 - коэффициент использования мощности;
кi = 1,05 - коэффициент запаса по току.
.
По рассчитанным данным из [7] выбираем трансформатор с
номинальными параметрами: Sн > Sрасч, U2фн> U2фр, I2фн > I2фр, U1нл> Uсети типа ТДТП-8000/10-У2.
|
Сетевая Обмотка
|
Вентильная
обмотка
|
Преобразователь
|
Потери, кВт
|
Uкз, %
|
Iкз, %
|
|
S, кВА
|
U1, кВ
|
U2, В
|
I2, А
|
Ud, В
|
Id, А
|
Pхх
|
Pкз
|
6,1
|
1,1
|
|
6110
|
10
|
705
|
2570 (2)
|
825
|
3200 (2)
|
9,8
|
55,0
|
|
|
Обмотки трансформатора соединены по схеме D/UD-11-0. Трансформатор
имеет ПБВ=±5% с регулированием напряжения на сетевой обмотке.
Активное сопротивление RT:
. (46)
.
Индуктивное сопротивление XT:
. (47)
2.4 Расчёт
параметров силовой цепи и защиты
Общая индуктивность цепи якоря из условия сглаживания
выпрямленного напряжения LS:
, (48)
где uп = 0,25 - относительное значение напряжения пульсаций для
трехфазной мостовой схемы,
iп =
0,05…0,15 - относительное значение тока пульсаций,
mв = 6 -
пульсность схемы,
wс = 2pf - частота пульсаций напряжения сети,
Ed0 - эдс преобразователя при полностью открытых тиристорах (a=0):
. (49)
.
.
Индуктивность трансформатора Lтр:
. (50)
.
Индуктивность якоря двигателя Lдв:
, (51)
где к = 0,25 - для двигателя с компенсационной обмоткой.
.
Так как индуктивность якоря двигателя больше индуктивности
сглаживания, то дополнительный сглаживающий реактор не нужен. Суммарная
индуктивность цепи якоря Lа:
. (52)
.
Суммарное активное сопротивление цепи якоря Rа:
, (53)
где Rщ - сопротивление щеточного контакта:
. (54)
Rэп -
эквивалентное сопротивление вентильного преобразователя:
. (55),
Постоянная времени цепи якоря Tа:
. (56)
.
Постоянная двигателя кд:
, (57)
где Eн - номинальная эдс двигателя:
. (58)
.
Электромеханическая постоянная времени цепи якоря Tм:
. (59)
В связи с тем, что момент инерции привода моталки изменяется в
широком диапазоне от 2210 кг×м2
до 30753 кг×м2, постоянная времени Tм принимает значения:
.
.
В состав тиристорного электропривода [10] наряду с тиристорными
преобразователями для питания цепей якоря и возбуждения и системой
регулирования электропривода входят узлы защиты привода и сигнализации, а также
устройства управления и блокировок. В тиристорном электроприводе использованы
следующие виды защит: от аварийных режимов в тиристорных преобразователях, от
исчезновения напряжения собственных нужд и опорного напряжения, от прекращения
принудительной вентиляции силовых блоков, от сверхтоков в цепи якоря двигателя,
от превышения напряжения на якоре двигателя и перегрузки его обмотки
возбуждения, от исчезновения тока возбуждения двигателя, от превышения частоты
вращения двигателя, от исчезновения напряжений питания системы регулирования,
от снижения уровня изоляции силовых цепей электропривода и т.д.
При срабатывании защиты отключается привод и включается аварийная
сигнализация, показывающая, какая именно защита сработала. Включение
предупреждающей сигнализации в отличие от аварийной не сопровождается
отключением привода.
Устройства управления и блокировок обеспечивают включение привода
только при собранных цепях защиты, нужную последовательность включения,
воздействие на электромеханический тормоз и узел динамического торможения,
связь с другими механизмами и общей схемой управления агрегатом,
технологические блокировки и т.д. современные схемы управления строят на основе
бесконтактных элементов с почти полным исключением контактных аппаратов.
Исполнительными органами служат транзисторные или тиристорные ключевые схемы, с
помощью которых осуществляется коммутация катушек автоматов,
электромеханических тормозов, цепей динамического торможения, световых табло
сигнализации.
В силовой схеме привода применены следующие виды защит:
а) максимальная токовая защита трансформатора осуществляется
автоматическим выключателем типа ВМПЭ10 с уставкой по току:
.
(60)
б) тепловая защита трансформатора выполнена с помощью датчиков
контроля температуры обмоток трансформатора;
в) вентильная обмотка трансформатора защищена на случай появления
в ней высокого потенциала (при пробое с сетевой обмотки на вентильную)
разрядниками типа РВМК - IV с амплитудой срабатывания не более 8кВ;
г) максимальная токовая защита двигателя и защита от
перенапряжения осуществляется быстродействующим автоматическим выключателем
ВАТ-42 с уставкой по току:
. (61)
;
д) защита двигателя от превышения числа оборотов выполнена с
помощью центробежного расцепителя и электронной схемой с сигналом от
тахогенератора, уставка по скорости составляет:
. (62)
;
е) защита обмоток возбуждения при обрыве поля осуществляется
разрядным сопротивлением R:
(62),
Уставка минимального тока возбуждения составляет:
(63),
3. Выбор
системы управления электропривода
3.1 Описание
системы управления
Как отмечалось ранее, главным назначением электроприводов
намоточных устройств является поддержание заданного натяжения полосы металла
[2]. Натяжение металла между последней клетью и моталкой создается за счет
несколько повышенной скорости двигателя, приводящего моталку, по сравнению со
скоростью двигателя, приводящего последнюю клеть стана.
Система управления электроприводом моталки является частью
трёхуровневой системы управления всего комплекса приводов (электро-, гидро- и
пневмоприводов), использующихся на пятиклетьевом стане 2030 бесконечной
прокатки ПХПП. Верхний уровень реализован на управляющих вычислительных машинах
SIEMENS PR330 (оптимизирующая
вычислительная машина и две регулирующие). Второй уровень управления составляет
комплекс базовая система автоматизации управления "HPC" - системой
высокоэффективных контроллеров - разработанной фирмой ALSTOM.
Третий уровень представляют собой непосредственно регуляторы
и датчики различных параметров и преобразователи фирмы SIMENS.
Автоматическая система регулирования натяжения полосы
выполнена с регуляторами прямого и косвенного действия [6]. Система регулирования
с регуляторами натяжения косвенного действия выполнена на принципе поддержания
постоянства электромагнитной мощности на барабане моталки. При этом поддержание
момента натяжения при изменении диаметра рулона осуществляется за счет двух зон
регулирования скорости с зависимым управлением потоком возбуждения во второй
зоне [8]: начальная стадия намотки - изменением потока возбуждения при
неизменном напряжении на якоре, конечная стадия намотки - изменением тока якоря
при постоянном потоке возбуждения двигателя.
Компенсация динамического момента двигателя при разгоне,
торможении привода и при приращении диаметра рулона, а также компенсация
механических потерь и потерь от изгиба полосы осуществляется специальными
схемами косвенного измерения отдельных составляющих в функции диаметра рулона,
ширины и толщины полосы.
Система регулирования с регуляторами натяжения прямого
действия замкнута по сигналу истинного натяжения и предназначена для устранения
влияния возмущений, обусловленных потерями в приводе и механизме моталки.
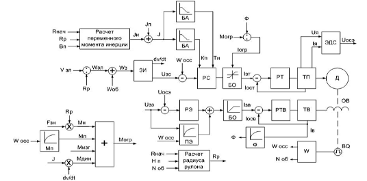
В системе подчиненного управления электроприводом моталки
используется схема двухзонного регулирования (рисунок 6). Для работы во второй
зоне применена двухконтурная система подчиненного регулирования с внутренним
контуром тока возбуждения и внешним контуром ЭДС [11]. В первом контуре
используется пропорционально-интегральный регулятор тока возбуждения, во втором
- интегральный регулятор ЭДС. В системе регулирования "по якорю"
внешнему контуру с регулятором скорости подчиняются два контура тока, отдельные
для каждого двигателя.
При работе электропривода в режимах заправки полосы,
толчковом изменение скорости двигателя осуществляется изменением напряжения на
его якоре при постоянном потоке возбуждения. Регулятор скорости в режиме
намотки полосы работает в режиме ограничения, уровень которого определяется
выходным сигналом системы регулирования натяжения
Рисунок 6. Структурная схема двухзонного регулирования системы
управления моталки стана 2030
3.1.1 Расчёт контура
тока якоря
Рисунок 7. Структурная схема контура тока якоря
Коэффициент обратной связи по току якоря kт [12]:
. (78)
.
Коэффициент передачи тиристорного выпрямителя kп:
. (79)
.
Контур тока настраиваем на стандартный модульный оптимум, его
передаточная функция Wрт:
. (80)
Коэффициент передачи пропорциональной части kрт:
. (81)
.
Постоянная интегрирования контура тока якоря Tит:
. (82)
3.1.2 Расчёт
контура скорости
Рисунок 9. Структурная схема контура скорости
Коэффициент обратной связи по скорости kс [12]:
. (83),
.
Контур скорости настраиваем на симметричный оптимум, его
передаточная функция Wрс:
. (84)
Коэффициент передачи пропорциональной части kрс:
. (85)
.
Постоянная интегрирования контура скорости Tис:
. (86)
3.1.3 Расчёт
контура тока возбуждения
Рисунок 11. Структурная схема контура тока возбуждения
Коэффициент обратной связи по току возбуждения kтв [12]:
, (87)
где Uo max =10 B - максимальное напряжение в цепи обратной связи.
Коэффициент передачи тиристорного выпрямителя kпв:
, (88)
где Uу - максимальное напряжение сигнала управления.
.
Контур тока настраиваем на стандартный модульный оптимум, его
передаточная функция Wртв:
, (89)
где TвS = Tв + Tвт = 3,3 с
- суммарная постоянная времени контура возбуждения. Коэффициент передачи
пропорциональной части kртв:
. (90)
.
Постоянная интегрирования контура тока возбуждения Tитв:
. (91)
3.2
Принципиальная схема моталки
Принципиальная схема моталки представлена на рисунке 12.
Рисунок 12. Принципиальная электрическая схема электропривода
моталки.
3.3
Функциональная схема электропривода моталки
Функциональная схема электропривода моталки представлена на
рисунке 13
Рисунок 13. Функциональная схема управления приводом моталки
К входным сигналам данной системы управления относятся: Vзл -
задание на линейную скорость полосы, Rнач - начальный радиус рулона, Fзн -
задание на натяжение полосы, Bп - ширина полосы, Hп - толщина полосы. Данные
величины могут поступать к преобразователю, как по коммуникационной шине
Profibus DP коммуникационной шине Profibus DP, так и через аналоговые входы
преобразователя от вышестоящей системы управления агрегатом. Преобразователь
управляет напряжением на якоре двигателя Д и напряжением обмотки возбуждения
ОВ, сигналы с импульсного датчика скорости BQ поступают к преобразователю, при
обработке которых блоком W, вычисляются значения скорости Wосс и количество
оборотов Nоб. Набором свободных функциональных блоков по величинам Rнач, Hп,
Nоб рассчитывается значение текущего радиуса рулона Rр, а по Rнач, Bп, Rр
рассчитывается переменный момент инерции Jи. После сложения Jи с постоянной
составляющей момента инерции (барабан, редуктор моталки) преобразователь
получает суммарный момент инерции J, который используется для расчета
динамического момента Мдин, требуемого двигателю для переходных процессов, а
так же для адаптации в блоках БА коэффициентов Кп и Ти регулятора скорости РС.
Момент для создания полезного натяжения Мн является произведением задания на
натяжение Fзн и текущего радиуса рулона Rр. Момент изгиба Мизг установлен как
величина постоянная, так как на агрегате резки толщина полосы изменяется в
небольших пределах. Момент потерь Мп является нелинейной функцией скорости и
записывается в преобразователе при наладке, на схеме представлен в виде блока
Мп.
Динамический момент вычисляется как произведение момента
инерции J и ускорения dv/dt, рассчитанного в блоке задатчика интенсивности ЗИ.
Задание на линейную скорость Vзл после деления на текущий радиус Rр
преобразуется в задание на угловую скорость, а после прибавления скорости
обгона Wоб, используемой в режиме стабилизации натяжения, поступает на блок ЗИ.
Блок задатчика интенсивности ЗИ формирует кривую разгона и торможения и
вычисляет ускорение dv/dt. Задание на угловую корость Uзс подается на
двухконтурную систему подчиненного регулирования. Регулятор скорости является
адаптивным и в зависимости от радиуса рулона изменяется динамика разгона и
торможения моталки. Выход с регулятора скорости РС поступает на блок ограничения
БО, на котором ограничивается задание на ток в контур тока. При этом
ограничение на ток Iогр вляется частным от деления момента ограничения Могр и
потока Ф, который определяется по току возбуждения Iв и кривой намагничивания
(блок Ф), определенной при настройке преобразователя. По данным двигателя,
определенным при наладке (сопротивление и индуктивность якоря), напряжению и
току, вычисляется текущее ЭДС двигателя, которое используется при регулировании
двигателя с ослабление поля. В начале намотки, когда радиус рулона минимален,
задание на угловую скорость двигателя велико и ЭДС двигателя выше номинального.
Регулятор ЭДС РЭ выходит из насыщения и снижает ток возбуждения, что приводит к
ос-лаблению поля и увеличению скорости двигателя выше номинальной. Так же в
преобразователе с помощью блока ПЭ реализуется пред-управление ЭДС, которое
выражается в том, что при настройке преобразователя заранее записывается
зависимость скорости и тока возбуждения. Задание на ток с блока ПЭ подается на
контур тока возбуждения, а регулятор ЭДС является корректирующим звеном. Данная
структурная схема удовлетворяет основным принципам управления намоточными
механизмами и реализуется установкой параметров в преобразователе Simoreg DC
Master, при этом не требует никакой дополнительной аналоговой лектроники.
Применение преобразователей нового типа с цифровым управлением является
оптимальным при модернизации, так как позволяет заменить не только
преобразователь, но и исключить часть системы управления, выполненной на
аналоговых блоках, применяемых на действующих агрегатах обработки стального
проката. А это, в свою очередь, приведет к повышению надежности системы
управления. Расчет Могр и задания на угловую скорость производиться по
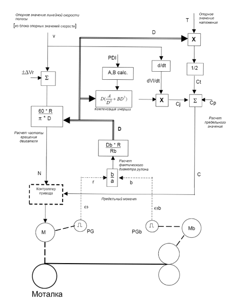
следующей схеме представленной на рисунке 14.
Зависимость между линейной скоростью полосы и угловой
скоростью рулона имеет вид:
Для поддержания неизменного натяжения полосы момент на
барабане необходимо регулировать в соответствии с изменением диаметра рулона.
Соответствующая мощность рассчитывается по формуле:
(92)
где С - момент на барабане; Т - Натяжение полосы; Ср -
момент, компенсирующий потери; Р - масса рулона и барабана; D - диаметр рулона; l и h - соответственно ширина и толщена полосы;
γ -
удельная плотность стали; ν - линейная скорость полосы; ω - угловая скорость барабана.
Можно показать, что:
(93)
Для компенсации инерции требуется мощность, равная:
(94)
Момент на барабане для компенсации инерции (обусловленной
увеличением или уменьшением скорости полосы) равен:
(95)
Подставляя в эту формулу диаметр, ширину и i, получаем:
(96)
Момент, который должен передавать двигатель для компенсации
инерции, будет равен:
(97)
Приведенные выше зависимости следует использовать для расчета
момента двигателя, при котором обеспечиваются требуемое натяжение полосы,
компенсация изменения диаметра рулона, инерции и механических потерь, а также
потерь на преодоление сопротивления полосы изгибу:
(98)
Рисунок 14. Расчет входных параметров системы электропривода
моталки
Для компенсации инерции требуется мощность, равная:
(99)
Момент на барабане для компенсации инерции (обусловленной
увеличением или уменьшением скорости полосы) равен:
(100)
Подставляя в эту формулу диаметр, ширину и i, получаем:
(101)
Момент, который должен передавать двигатель для компенсации
инерции, будет равен:
(103)
Приведенные выше зависимости следует использовать для расчета
момента двигателя, при котором обеспечиваются требуемое натяжение полосы,
компенсация изменения диаметра рулона, инерции и механических потерь, а также
потерь на преодоление сопротивления полосы изгибу:
(104)
Требуемый момент складывается из следующих слагаемых:
Ст=ТD - момент,
обеспечивающий натяжение полос;
Ср - момент, компенсирующий механические потери;
Сm - момент, компенсирующий инерцию.
Момент для компенсации момента инерции Сm можно представить в виде:
(105)
где A и B являются константами, величина которых зависит от
физической конфигурации системы:
(106)
(107)
где δ - удельная плотность
материала барабана;
J0 - момент инерции группы "двигатель +
редуктор", отнесенный к валу двигателя;
γ - удельная плотность
стали, кг/м3;
LМ - длина барабана, м;
l - ширина рулона, м.
3.4
Моделирование электропривода моталки
В модели электропривода моталки на рисунке 15 учтено: момент
нагрузки прикладывается к двум двигателям одновременно, двигатели соединены
посредством жесткого вала и следовательно, скорости их одинаковы. В данной
модели также представлена схема компенсации задания скорости при изменении момента
инерции второй массы, компенсация по скорости в контуре ЭДС.

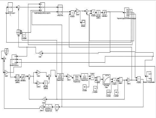
Рисунок 15. Модель системы управления Электропривода моталки
В данной модели задание на скорость формируется согласно
рисунку 14. Регулирование натяжения и скорости вращения двигателя
осуществляется с помощью взаимодействия адаптивного регулятора скорости, в
котором учитывается переменная составляющая момента инерции механизма моталки.
Работа модели ведется согласно функциональной схеме рисунок 13.
4. Параметрирование
преобразователей
Согласно рисунку 12 питание цепей якоря и возбуждения
осуществляется преобразователями SIMOREG. Основные параметры занесенные в преобразователь
представлены в таблице 4.0
Таблица 4.0 Основные параметры измененные в преобразователе
|
Параметр
|
Расшифровка
|
Значение
|
|
|
P101
|
Номинальное
напряжение двигателя, В
|
750
|
|
|
P102
|
Номинальный ток
возбуждения, А
|
34
|
|
|
P103
|
Минимальный ток
возбуждения, А
|
17
|
|
|
P100
|
Номинальный ток
якоря, А
|
1720
|
|
|
P104
|
Скорость,
об/мин
|
500
|
|
|
P105
|
Ток якоря, А
|
1720
|
|
|
P106
|
Максимальная
скорость, об/мин
|
1000
|
|
|
P107
|
Ток якоря, А
|
619,06
|
|
|
P108
|
Максимальная
скорость работы, об/мин
|
1000
|
|
|
P109
|
Ограничение
тока в зависимости от скорости (включено)
|
1
|
|
|
P114
|
Тепловая
постоянная времени двигателя, мин
|
14
|
|
|
P113
|
Максимальный
ток по тепловой защите, 1,5
|
|
|
|
P117
|
Наличие кривой
намагничивания (задано)
|
1
|
|
|
Параметры
регулятора тока
|
|
|
P155
|
П компонента
регулятора тока
|
0.1284
|
|
|
P156
|
И компонента
регулятора тока, с
|
0,0344
|
|
|
Параметры
регулятора тока возбуждения
|
|
P254
|
И компонента
регулятора тока возбуждения (включена)
|
1
|
|
|
Р255
|
П компонента
регулятора тока возбуждения
|
235
|
|
|
Р256
|
И компонента
регулятора тока возбуждения, с
|
3,29
|
|
|
Регулятор ЭДС
|
|
|
Р274
|
Активация И
канала ЭДС (включено)
|
1
|
|
|
Р275
|
П часть
регулятора ЭДС
|
1
|
|
|
Р276
|
И компонента
регулятора ЭДС, с
|
0,0021
|
|
|
Р284
|
Отключение П
компоненты регулятора
|
0
|
|
|
|
|
|
|
|
В ходе данной работы в преобразователь были внесены изменения
связанны с заменой двигателя, на двигатель другой мощности, выбор связующего
трансформатора, вследствие чего были изменены параметры регуляторов тока,
скорости тока возбуждения и ЭДС. В заключение хочется отметить то, что
регулятор тока; тока возбуждения и ЭДС реализованы на преобразователе SIMOREG, а технологический
контур и контур скорости реализованы на ПЛК фирмы ALSTOM.
Список
источников