Металлическая балочная клетка
Введение
Большое распространение в строительстве
различных видов балочных клеток из металла вызвано уникальными свойствами
металла, который при относительно небольшой массе способен выдерживать
значительные растягивающие напряжения. Конструкции из металла применяются на
участках, где требуются довольно большие пролеты по длине. Конструкции из
металла, в данной ситуации создаются наиболее выгодные как в экономическом, так
и в эстетико-психологическом плане, нежели из других материалов.
Задачей данной курсовой работы состоит в том,
чтобы научится рассчитывать балочную клетку и всех ее элементов, пользуясь и
руководствуясь нормативными, а также заданными строительными требованиями.
В данной курсовой работе представлен расчет
стальной балочной клетки. В работы представлены практически все основные
расчеты элементов балочной клетки.
Расчет производится на основе одного варианта
сталей, подобранного на основе требований нормативных документов. Подбор вида и
габаритов главной балки балочной клетки производится на основе конструктивных и
эстетико-психологических требований.
1. Расчет настила
.1 Выбор марки стали
Выбор марки стали зависит от климатического
района, разновидности конструкций (принадлежности ее к той или иной группе),
характера нагрузки, толщины проката. Также должна учитываться тенденция
применения сталей повышенной и высокой прочности.
С учетом перечисленных выше условий, принимаем
следующую марку, стали: настил - сталь марки С245, ГОСТ 27772-88.
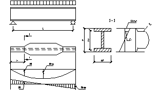
Нормальный тип балочной клетки
Компоновка балочной клетки
Рисунок 1 - Расчетная схема настила
Определяем модуль упругости Е
,
где, m=0,3- коэффициент расчетной длинны
Е=2,06*104 кН/см2
Вычислим величину нормативной
нагрузки на настил:
кН/см,
где
=4.5
- нормативная нагрузка на 1м2 от
настила
= 35
- временно - длительная нагрузка
=4.5
+35
=39.5
Определяем требуемое значение
Определяем толщину листа
Определяем силу распора
, -усилие распора,
где, g=1,2-коэфициент надежности по нагрузке
p=3,14
2. Расчет балки настила
.1 Выбор марки стали
По СНиП II-23-81* Строительные конструкции,
М.,1990г., табл.50 выбираем, марку стали С245, ГОСТ 27772-88.
балка ребро колонна сечение
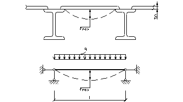
Рисунок 2 - Расчетная схема с
эпюрами М и Q балки настила
2.2 Сбор нагрузок
Величины расчетных и нормативных
нагрузок определяются по формулам:
где,
=1,1 и
=1,2 -коэффициенты надежности
3. Определяем расчетные усилия
Максимальный изгибающий момент определяется по
формуле:
Ммах=
Определяем расчетный изгибающий
момент
М=
Максимальная поперечная сила
определяется по формуле:
мах=
Определяем расчетную поперечную силу
=
Подбор сечения а) в упругой стадии;
б) в упруго-пластичной стадии.
Рисунок 3 - Схема сечения
Проверка по I предельному состоянию:
а) в упругой стадии работы от действия нормальных
напряжений
,
где, М=25,39kН∙м - расчетный
момент,
=1, коэффициент условия работы,
=240мПа=24см2 - расчетное
сопротивление, определяем по табл. 51, СНиП II-23-81
Для выбора профиля из сортамента
необходимо знать требуемый момент сопротивления Wтр. Его величина определяется,
из условия обеспечения прочности балки, по формуле:
тр=
По сортаменту подбираем профиль
W=472см3 № 30
Проверка прочности
- условие удовлетворяется
Рисунок 4
s=М/ с1×W£
Ry×gc
s=106.32см2/0.97*472см3£24см2
s=23.22 см2£24см2- условие
удовлетворяется
в) проверка прочности по касательным напряжениям
определяется по формуле:
t=Q×Sпол/сеч/Ух×
tw£
Rs×gc,
где, Sпол/сеч=46,8см3-статический момент
полусечения, по ГОСТ8239-72*
Ух=7080см4-момент инерции, по ГОСТ8239-72*=0,58×Ry-
расчетное сопротивление стали сдвигу
t=101,56kН×268см3/7080 см4×0,65см£0,58×33,5см2
t=5.91см2£13.92см2- условие
удовлетворяется=0- общая устойчивость обеспечивается
Проверка по II предельному состоянию
Рисунок 4 - Расчетная схема
Проверяем относительный прогиб
,
где, Е=2,06×104kН/см2-
модуль упругости
- условие удовлетворяется
3. Расчет балки составного сечения
3.1 Выбор марки стали
По СНиП II-23-81* Строительные конструкции,
М.,1990г., табл.50 выбираем, марку стали С245 , ГОСТ 27772-88.
3.2 Сбор нагрузок
Рисунок 5 - Расчетная схема с
эпюрами М и Q составной балки
Величины расчетных и нормативных
нагрузок определяются по формулам:
3.3 Определяем расчетные усилия
Максимальный изгибающий момент определяется по
формуле:
Ммах=
Определяем расчетный изгибающий
момент
М=
Максимальная поперечная сила
определяется по формуле:
мах=
Определяем расчетную поперечную силу
=
3.4 Определение высоты главной балки
Рисунок 6
а) из условия экономичности
Вычисление требуемого момента сопротивления:
,
где, М=
- расчетный
момент,
=1, коэффициент условия работы,
=245мПа=24см2- расчетное
сопротивление, определяем по табл. 51, СНиП II-23-81
Приведенные в сортаменте моменты
сопротивления профилей, меньше вычисленного
. Это указывает на необходимость
применения сварной балки из трех листов 
.
гб=1/10∙1300=1,3м=
Определяем оптимальную высоту
главной балки:
б) из условия жесткости
Определяем минимальную высоту балки:
,
где, [f]=[250] - предельный прогиб для главной
балки,
Е=2,06∙104 кН/см2- модуль упругости.
Принимаем высоту главной балки
h=130см
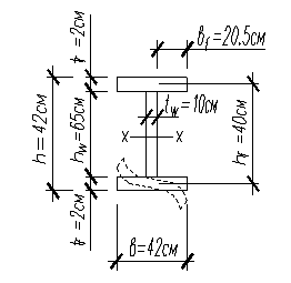
3.5 Компоновка сечения
Рисунок 6- Сечение главной балки
а) определение и назначение толщины стенки
Определение толщины стенки из условия среза:
,
где k=1,5 - коэффициент, учитывающий
работу стенки балки на срез,= 0,58×Rу - расчетное сопротивление стали срезу
, принимаем tw=1см
Определение толщины стенки из условия
обеспечения устойчивости среднего отсека.
=13-4.4=11.6см
Исходя из двух последних условий,
принимаем толщину стенки tw=1см
Определение требуемого момента
инерции балки:
Определение момента инерции стенки:
Определение моментов инерции поясов:
.
Определение требуемой площади
сечения пояса балки:
,
где, hf=h-hf=130-2.2=127.8см
Определение ширины пояса из условия
прочности:
Назначаем размер пояса 440 ´ 22.
Рисунок 7 - Размеры сечения главной
балки
Определяем моменты инерции и
сопротивления по формуле:
Определение напряжения в найденном сечении:
Оставляем принятое сечение.
3.6 Проверка по II предельному
состоянию
Рисунок 8 - Расчетная схема
Проверяем относительный прогиб
где -
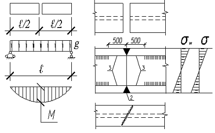
3.7. Изменение сечения балки по
длине
Целесообразно изменять сечение по длине только
один раз путем изменения ширины пояса (рис. 9).
Рисунок 9 - Изменение сечения балки
по длине
Расчетные величины момента и
поперечной силы определяются по формулам:
Вычисляем требуемый момент
сопротивления:
Определение требуемого момента инерции балки:
Определение момента инерции стенки:
Определение момента инерции поясов:
Определение требуемой площади
сечения пояса балки:
,
Согласно конструктивным требованиям:
принимаем в1ф=200мм
Площадь изменённого сечения:
3.8 Проверка прочности
Рисунок 10
Проверка прочности сводится к
проверки наибольших нормальных, касательных напряжений и их совместного
действия. Неблагоприятным напряженным местом по длине балки являются места
изменения сечения, которые следует проверить по приведённым напряжениям.
Проверяем прочность по нормальным
напряжениям в месте изменения сечения:
где,
- расчетное сопротивление стыковых
сварных соединений сжатию, растяжению и изгибу по пределу текучести
Максимальные касательные напряжения
действуют на опоре. Их величина определяется по формуле:
,
где, S1-статический момент
отсечённой половины сечения относительно нейтральной оси:
Прочность по максимальным
касательным напряжениям обеспечена.
Рисунок
11

Рисунок 12
Проверка общей устойчивости балки:
,
где,
- расстояние между точками
закрепления балки из плоскости.
, определяем по табл. 8, СНиП
II-23-81
-общая устойчивость балки
обеспечена.
Проверка устойчивости пояса.
Устойчивость пояса обеспечена, если:
,
где,
- свес пояса балки=0,5 определяем по
табл. 8, СНиП II-23-81
Рисунок 13
Устойчивость пояса обеспечена.
Продольная сила сечения определяется по формуле:
Приравниваем
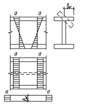
Проверка устойчивости стенки.
Первоначально проверяем следующее
условие:
Рисунок 14
Ребра жесткости
Устойчивость опорного отсека
обеспечена.
3.9 Соединение поясов балки со
стенкой
Статический момент пояса в измененном сечении
балки относительно нейтральной оси определяется по формуле:
Касательные напряжения в опорной
части балки на уровне поясных швов определяется по формуле:
Швы, соединяющие пояса со стенкой,
рассчитываются на сдвигающую силу, Т, приходящуюся на 1 см длины балки.
Касательные напряжения среза от Т:
по металлу шва:
-расчетное сопротивление угловых
швов срезу по металлу шва, определяем по СНиП II-23-81
по металлу границы сплавления:
- временное сопротивление стали
разрыву, определяем по СНиП II-23-81
- расчетное сопротивление стыковых
сварных соединений сдвигу, определяем по СНиП II-23-81
Касательные напряжения среза от Т и V:
по металлу шва:
по металлу границы сплавления:
Рисунок 15
Рисунок 16

-расчетное сопротивление стали
смятию торцевой поверхности, определяем по СНиП II-23-81
Определяем момент инерции сечения:
Определяем радиус инерции сечения:
φ=0,686 - коэффициент продольного
изгиба, определяем по табл.72 СНиП II-23-81
4. Расчет сплошной центрально-сжатой
колонны
Расчет сплошной центрально - сжатой колонны
начинается с подбора сечения колонны. Примем составное двутавровое сечение,
нагруженное расчетной центрально - приложенной силой:
Рисунок 17 - Конструктивная схема
По СНиП II-23-81 определяем,
- расчетное
сопротивление стали С245 по [ 2, табл. 50,51* ].
Отметка верха колонны +1109.5 м,
величина заглубления равна 0,5 м.
Рисунок 18 - Высотные отметки
балочной клетки.
Определим расчетные длины колонны.
При этом считаем, что нижний и верхний конец колонны крепятся шарнирно:
.
Рисунок 19 - Расчетная длина колонны
Определим требуемую площадь поперечного сечения
колонны из условия устойчивости:
,
где N - расчетная центрально -
приложенная сила,
j
- коэффициент зависящий от расчетного сопротивления стали (Ry = 245МПа) и
гибкости колонны ( l = 80 ), и
определяемая по [2, табл. 72].
Требуемый радиус инерции равен:
Зависимость радиуса инерции от типа
сечения приблизительно выражается формулами:
,
,
где h и b соответственно высота и
ширина сечения, а a1 и a2 - коэффициенты для
определения соответствующих радиусов сечения для наиболее распространенных сечений,
приведены в [ 1, табл. 8.1. ].
a1
= 0,43; a2 = 0,24.
Отсюда определяем требуемые размеры
поперечного сечения:
,
.
Принимаем, согласуясь с сортаментом b =h= 420
мм.
Стенку двутаврового сечения принимаю равной 1см.
Требуемая площадь полки:
Для принятого сечения:
,
,
,
Проверяем общую устойчивость-
lx
= 62.10, по [2, табл.72 ] определяем коэффициент j = 0,686:
Составное двутавровое сечение:
Рисунок 20 - Размерность колонны.
Общая устойчивость колонны обеспечена.
Определяем свес полки:
Проверяем местную устойчивость:
Нормативное отношение
определяется
по [ 2, табл. 29 ].
где предельная гибкость равна:
,
Фактическое отношение
:
Рисунок 21
Местная устойчивость обеспечена.
Проверяем местную устойчивость
сжатой стенки:

Фактическая гибкость стенки
определяется по [2, табл. 27].
Проверка стенки на установку
поперечных ребер:
5. Расчет базы с фрезерованным
торцом
Запроектируем базу колонн, считая,
что фундамент под колонну выполнен из бетона класса В15 с Rb = 8,5 МПа -
расчетное сопротивление сжатию бетона, по СНиП 2.03.01-84,
=4,96 при
этом:
При фрезерованном торце стержня
колонны плиту принимаем квадратного сечения со стороной В
,
Определяем изгибающий момент в плите
по кромке колонны
где,
А-площадь трапеции
с расстояние от центра тяжести
трапеции до кромки колонны
с = 5см
Определяем требуемую толщину плиты
,
Заменяем пластины на равновеликие круги и
находим возникающие моменты
,
коэффициенты, зависящие от отношения
радиуса колонны к радиусу плиты
Определяем напряжения
Определяем касательные напряжения
Приведенное напряжение:
6. Расчет оголовка колонны
При свободном сопряжении балки обычно ставят на
колонну сверху, что обеспечивает простоту монтажа.
В этом случае оголовок колонны состоит из плиты
и ребер, поддерживающих плиту и передающих нагрузку на стержень колонны.
Рисунок 22 - Оголовок колонны
Ребра оголовка привариваются к опорной плите и к
стене колонны. Швы, прикрепляющие ребро оголовка к опорной плите, должны
выдерживать полное давление на оголовок.
Рисунок 23 - Опирание балки на
колонну. Ребра оголовка
Расчет оголовка колонны заключается
в проверке напряжения в швах, определения высоты ребра оголовка колонны.
нагрузка на колонну,
.
Толщину опорной плиты оголовка
назначаем конструктивно tпл=20мм.
-временное сопротивление, определяем
по СНиП II-23-81, табл.52*
.
-нормальное сопротивление металла
шва по временному сопротивлению; Э42А, сталь С345-3 сварочная проволока
Св-08ГА, табл.55*;
- расчетное сопротивление по пределу
текучести, определяем по СНиП II-23-81, табл.50,51.
- расчетное сопротивление угловых
швов срезу по металлу шва, по табл.3.
- расчетное сопротивление стыковых
сварочных соединений сдвигу по табл.1*.
и
- коэффициенты, принимаемые при
сварке элементов из стали, определяем по табл. 34*;
,
.
-катеты швов.
и
- коэффициенты условия работы шва;
и
.
Длина сварного шва равняется:
Суммарная длина шва равняется:
,
Толщину ребра вычисляем из условия
сопротивления смятию, под полным опорным давлением:
Проверяем касательное напряжение:
Высоту ребра оголовка определяют по
требуемой длине шва, передающей нагрузки на стержень колонны:
при расчете по металлу шва
при расчете по металлу шва
Назначив толщину ребра, следует
проверить его на срез:

Условия удовлетворяются.
1.
Беленя Е.И. Металлические конструкции М., 1985 г.
.
СНиП II - 23 - 81* Стальные конструкции М., 1990 г.
.
СНиП 2.01.07 - 85 Нагрузки и воздействия (дополнение. разд. 10).
.
Балочные покрытия. Методическое указание. 1988 г.
.
Расчет сплошных центрально-сжатых колонн. Мет. указ. 1984 г.