Расчет и конструирование основных металлических конструкций балочной клетки одноэтажного здания
Федеральное
агентство по образованию
ГОУ ВПО
«Уральский государственный технический университет - УПИ
имени первого
Президента России Б. Н. Ельцина»
Кафедра
«Строительные конструкции»
Пояснительная
записка
к курсовому
проекту №1
по курсу:
«Металлические конструкции»
тема: «Расчет
и конструирование основных металлических конструкций балочной клетки
одноэтажного здания»
Руководитель Шалдыбина А. В.
Студент Авхадыева Р. Р.
Группа СЗ-470106н.у.
Екатеринбург
Исходные
данные для проектирования
1. Конструкция пола и настила:
- пол - кирпич на ребро по песчаной подсыпке толщиной 30 мм;
- настил - железобетонный.
2. Полезная нормативная нагрузка на перекрытие каждого этажа pн = 21,8кН/м2.
3. Высота этажа Н = 7,8м.
. Пролет второстепенных балок l = 6,3м.
. Пролет главных балок L = 16,8м.
. Материал конструкций - сталь С345.
. Тип настила - железобетон.
. Коэффициенты надежности по нагрузке γf1 = 1,1, γf2 = 1,2.
Заводские соединения сварные, монтажные соединения - сварные, болтовые.
.
Сравнение вариантов.
Рассмотрим 2 варианта компоновки балочной клетки и на основании
экономического сравнения по расходу материала на балки настила и настил выберем
вариант для дальней шей разработки. Учтем, что при железобетонном настиле шаг
балок настила 2.0-3.5 м (а - шаг балок настила).
вариант. a = 2.8 м - четное
число шагов.
I
вариант. a = 2.4 м - нечетное число шагов.
Толщина настила
Толщина ж.б. настила принимаем в зависимости от нормативной нагрузки,
равной 21.8 кН/см2, и расчетного пролета настила по т. 2 [4].
Для варианта I при шаге 2.8 м
принимаем толщину настила 14 см.
Для варианта I I при шаге 2.4 м принимаем толщину
настила 12 см.
Нормативная нагрузка от пола.
- кирпич на ребро - t=0.12 м, g =
19.5 кН/ м2;
- песчаная подсыпка - t=0.03 м, g =
17 кН/ м2;
- железобетонный настил - t=0.12 (II) t = 0.14 (I) м, g =
22 кН/ м2;н -
нормативная нагрузка от
пола
Для
варианта I:
Для
варианта II:
Погонные нагрузки на балки настила
· погонная нагрузка на второстепенную балку
- нормативная
н =( pн + gн ) × а × γн , кН/м
γн=0,95 - коэффициент надежности по
назначению (здание относится к нормальному уровню конструкций).
.4 кН/м - собственный вес балок
Для варианта I:н =
(21.8+5.9+0.4) × 2,8 × 0,95 =
74.7 кН/м
Для варианта II:н =
(21.8+5.5+0.4) × 2,4 × 0,95 =
73.7 кН/м
- расчетная
= (gн × γf1 + pн × γf2) × a1 × γн , кН/м
Для варианта I:
q =
((5,9 +0.4)× 1,1 +
21,8 × 1,2) × 2,8 × 0,95 = 88.1 кН/м
Для варианта II:
q =
((5,5+0.4) × 1,1 +
21,8 × 1,2) × 2,4 × 0,95 = 74.4 кН/м
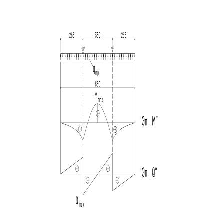
Определим максимальные значения внутренних усилий от расчетной нагрузки
Расчетная схема
Расчетный
изгибающий момент для длины балки настила l = 6.8 м
Подбор сечения балок из условия прочности.
Условие прочности на изгиб
в
предельном состоянии

По
сортаменту ГОСТ 26020-83 принимаем:
Для
варианта I двутавр №45Б2, у которого Wx= 1291.9см3
Для
варианта II двутавр №45Б1, у которого Wx= 1125.8см3
Определяем
суммарный расход стали на балки настила для каждого варианта.
Вариант
I: 67.5х6х6.3=2551. кг
Вариант
II: 59.8х7х6.3=2637.18 кг
Для
дальнейшей разработки принимаем вариант I с шагом
второстепенных балок а = 2.8 м.
Выписываем
из сортамента фактические геометрические характеристики подобранного сечения
двутавра №45Б2:
Ix = 28870 см4 -
момент инерции
Sx = 732.9 см3 -
статический момент площади сечения относительно оси х
tw = 13.0 мм -
толщина стенки двутавра
2. Проверка подобранного сечения второстепенной балки
По I группе предельных состояний.
а) Проверка прочности по нормальным напряжениям
Условие прочности на изгиб
Вывод:
прочность по нормальным напряжениям обеспечена
Запас
прочности:
Вывод:
сечение подобрано рационально.
б)
Проверка прочности по касательным напряжениям
Условие
прочности на срез
-
расчетное сопротивление стали на срез
Вывод:
прочность по касательным напряжениям обеспечена.
в)
Проверка общей устойчивости балки
Общая
устойчивость второстепенной балки обеспечена непрерывным раскреплением верхнего
сжатого пояса балки жестким настилом.
г)Проверка
местной устойчивости элементов сечения (стенки и полок)
При
подборе прокатного сечения, местная устойчивость элементов сечения
обеспечивается сортаментом.
По II группе предельных состояний
Проверка
прогиба балки настила.
Условие
жесткости
Величина
фактического относительного прогиба от действия нормативной нагрузки:
Е
= 2,1 × 104 кН/см2 - модуль упругости стали
Вывод:
жесткость балки обеспечена.
3.Расчет
главной балки
Статический расчет
По
расчетной схеме главная балка представляет собой однопролетную шарнирно-опертую
балку, загруженную сосредоточенными силами от балок настила и собственным
весом.
Так
как на главную балку опираются 6 балок настила, то сосредоточенную .нагрузку
заменим равномерно распределенной.
Определение
погонной нагрузки на главную балку
нормативная
расчетная
Определение
внутренних усилий:
от
нормативной нагрузки
от
расчетной нагрузки
Конструктивный расчёт
- высота сечения главной балки
hw -
высота стенки
hf -
расстояние между центрами тяжести поясов
tf -
толщина пояса (полки)
tw -
толщина стенки
bf -
ширина пояса
Высоту сечения главной балки определяем исходя из двух условий:
условие
экономичности
hopt
hopt -
оптимальная высота сечения, такая высота балки, при которой масса балки
наименьшая.
-
конструктивный коэффициент, который зависит от типа сечения;
для
сварной балки переменного сечения k=1,15.
Назначаем
толщину стенки, используя эмпирическую формулу
Принимаем:
tw=12мм
условие
жесткости
hmin
hmin -
является такая высота, при которой прогиб балки равен допустимому.
Условие жесткости:
В
предельном состоянии
Вычисляем
hmin.
Принимаем
высоту сечения h=175,0см.
Проверим
толщину стенки tw на срез от максимальной поперечной силы Qмах
по формуле
=1.5.
принимаем
толщину стенки 12 мм.
Определение
размеров пояса tf и bf
Назначаем толщину полки tf=20мм
Определяем высоту стенки
согласовываем
с сортаментом на листовую сталь ГОСТ 82-70 и принимаем фактическую высоту
стенки
тогда
фактическая высота сечения
)
Определение
ширины сечения bf
Ix - момент
инерции сечения по оси х.
Принимаем
bf = 480мм.
Конструктивные
требования:
)
=
480
596.7 - требование выполняется
> 200
мм - из условия монтажного требования.
Изменение
сечения балки по длине
Составные
балки в целях экономии материала выполняют переменного сечения. Т.к. сечение
балки было подобрано по максимальным нормальным напряжениям, которые действуют
в середине пролета, то со стороны опор на некотором расстоянии от них сечение
проектируют уменьшенным.
Определяем
величину изгибающего момента и поперечной силы на расстоянии 2,80м. от опоры.
Определяем требуемый момент сопротивления и момент инерции измененного
сечения:
Округляем
в большую сторону согласно сортаменту на листовую сталь, учитывая
конструктивные требования:
Принимаем:
Проверки
подобранных сечений
Определяем
фактические геометрические характеристики подобранных сечений:
В
основном сечении:
Для
уменьшенного сечения:
Проверки
по I группе предельных состояний:
Условие прочности на изгиб:
Проверка прочности по касательным напряжениям
Условие прочности на срез:
Проверка прочности по приведенным напряжениям. Выполняется в месте
изменения сечения со стороны уменьшенного сечения:
Условие прочности:
, где
s1- нормальное
напряжение в месте изменения сечения.
t1 - касательное напряжение в месте изменения сечения.
Проверка общей устойчивости балки в месте действия максимальных
нормальных напряжений, принимая за расчетный пролет l0 - расстояние между балками настила
Если
соблюдается условие
, то общая устойчивость балки обеспечена.
.8
<12.97 - общая устойчивость главной балки обеспечена
5. Проверка местной устойчивости элементов главной балки
Местная устойчивость полки балки
Условие:


.7
< 12.9- местная устойчивость полки обеспечена
Местная устойчивость стенки балки:
Условная гибкость стенки равна
5.65>
3.2 - необходима постановка поперечных ребер жесткости.
Принимаем
шаг ребер жесткости кратный шагу балок настила 1,4м.
Определяем
ширину ребра bh для парных рёбер:
Принимаем
ширину рёбер bh = 100 мм
Определяем
толщину ребра th:
Принимаем
толщину ребра th=8 мм
значит
стенка может терять устойчивость от совместного действия нормальных и
касательных напряжений. В этом случае проверяем условие:
=
(табл.21)
=
,
где
µ - отношение большей стороны пластинки к меньшей
µ=175/140=1,25
местная
устойчивость стенки обеспечена
Проверка
по II группе предельных состояний
(проверка
жесткости)
Проверка
жесткости не требуется, т.к. высота сечения была принята больше, чем hmin,
определенное по условию жесткости: h = 139 см > hmin
= 135 см.
Расчет центрально сжатой стойки
Статический расчет
Рассматриваем стойку, расположенную в центре балочной площадки.
Расчетную схему колонны принимаем в варианте с шарнирным опиранием узлов
вверху и с защемлением внизу.
Принимаем hз = 0,7м
(по
табл. 71а)
Сила,
передаваемая на колонну:
Продольное
усилие в колонне
Под
действием N колонна находится в состоянии центрального сжатия.
Конструктивный
расчет
Сечение сплошное в виде прокатного двутавра серии «К»
Условие устойчивости центрально сжатого элемента:
-
коэффициент продольного изгиба, который учитывает снижение расчетного
сопротивления при потере конструкцией общей устойчивости.
< 1
где
- радиус инерции сечения
принимаем
по табл. 72 СНиП II-23-81*
Предварительно
задаемся гибкостью колонны λ=40
(вместо рекомендуемой гибкости λ=70-90, для
подбора более рационального сечения колонны)
(
=240 МПа )
В
предельном состоянии
По
сортаменту принимаем двутавр №35К2
Фактические
геометрические характеристики данного сечения
А=160,4см2;
ix=15,21см; iy=8,83см.
Определяем:
Принимаем,
что
Проверка
подобранного сечения:
Для
прокатной центрально-сжатой колонны требуется проверить общую устойчивость
относительно оси наибольшей гибкости. Местную устойчивость элементов сечения
проверять не требуется, т.к. она обеспечена сортаментом.
Вывод:
общая устойчивость прокатной центрально-сжатой колонны обеспечена. Запас
устойчивости <10%, т.е. сечение подобрано рационально.
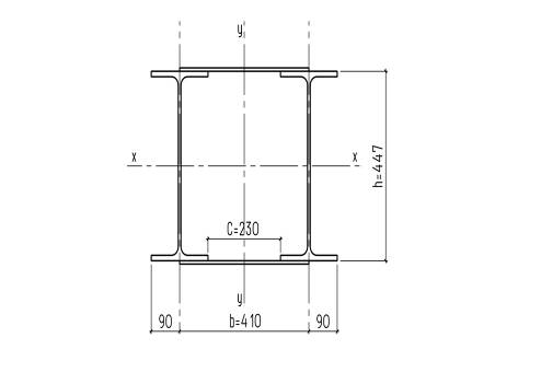
Сечение сквозное в виде двух двутавров (по серии «Б»)
Статический расчет такой же, как и для колонны сплошного сечения
Предварительно задаемся гибкостью колонны
λ=40
(
=240 МПа )
По
Атр. принимаем по сортаменту такой № двутавра, чтобы 2Афакт.=Атр.
Принимаем
по сортаменту двутавр №45Б2, Аф = 85,96см2; ix=18,32 см; iу=3,84
см
По
принятому номеру профилю определяем высоту сечения h=447мм=44,7см.
Условие
равноустойчивости:
Для
сквозной колонны с материальной осью x и свободной осью у:
Коэффициент
1,2 учитывает повышение гибкости по оси y, за счет
податливости соединительных элементов.
Принимаем,
что
i - связанный с
основными размерами и формами сечения коэффициент пропорциональности.
=
Принимаем
ширину колонны b=410мм
Проверка
подобранного сечения:
Центрально-сжатая
сквозная колонна может исчерпать несущую способность:
1. Из-за потери общей устойчивости относительно материальной оси
(ось х-х)
. Из-за потери общей устойчивости относительно свободной оси (ось
у-у)
. Из-за потери устойчивости отдельной ветви относительно ее оси
наибольшей гибкости.
Проверка общей устойчивости относительно материальной оси (ось х-х)
Вывод:
условие выполняется, общая устойчивость относительно оси х-х обеспечена.
Проверка общей устойчивости относительно свободной оси (ось у-у)
-
приведенная гибкость, которая зависит от формы и размеров соединительных
элементов.
Компоновка
элементов
В
качестве соединительных элементов сквозных колонн используем планки из листовой
стали.
Проектирование
соединительных элементов:
Назначаем
толщину планки конструктивно
, ширину
планки назначаем в зависимости от ширины сечения b=410мм.
Рассчитываем
расстояние между планками: определяется из условия обеспечения совместной
работы ветвей колонны и зависит от минимального радиуса инерции ветви
т.е.
Размер
в свету
Для
вычисления приведенной гибкости относительно свободной оси надо проверить
отношение погонных жесткостей планки и ветви:

,
где
ПЖП - погонная жесткость планки
Ось
1-1 является осью наименьшей жесткости ветви, тогда
,
где
ПЖВ - погонная жесткость ветви
т.к.
ψ
< 5, то по СНиП II-23-81*[табл.7]
Вывод:
условие выполняется, общая устойчивость колонны относительно оси y
обеспечена.
Проверка
устойчивости отдельной ветви
Все
проверки выполняются, сквозная колонна пригодна к нормальной эксплуатации.
Расчет
базы колонны
Расчет
опорной плиты
Требуемая
площадь опорной плиты определяется из условия прочности бетонного фундамента на
сжатие:
балка настил нагрузка сопротивление
Назначаем
класс бетона В12,5, тогда Rb = 7,5МПа (Rb - расчетное сопротивление
бетона на сжатие)
-
коэффициент, учитывающий условия работы бетона = 0,85
ψ - коэффициент, учитывающий отношение площади обреза фундамента к площади
опорной плиты = 1,2
Размер
опорной плиты В назначаем конструктивно
В=b+2tтр+2с=35+2х1,5+2х6,0=50см
-
ширина сечения колонны =35см
tтр - толщина
траверсы = 15мм
с-
консольный участок = 60мм
округляем
в большую сторону кратно 10мм, т.е. Lтр = 880мм
Определение
фактической площади опорной плиты
Давление
под опорной плитой
Под
действием отпорного давления плита испытывает напряженное состояние изгиба.
Толщина опорной плиты определяется из условия прочности ее на изгиб. Стержень
колонны и траверсов делят опорную плиту на несколько типов участков с
различными закреплениями краев. Каждый тип рассматривается отдельно и на нем
определяется изгибающий момент.
Участок
1 (консольный)
Наибольший
изгибающий момент, действующий на полосе шириной 1см., в пластинках, на консольном
участке плиты определяется по формуле:
Участок
2 (опертый на 4 канта)
участок
(опертый на три канта)
= 35,0
см
а1
= (88,0-35,0)/2=26,5см
Определяем
требуемую толщину опорной плиты.
Условие
прочности опорной плиты на изгиб
Согласно
конструктивным требованиям: tоп.пл = (20÷40)мм
Принимаю
толщину опорной плиты tоп.пл=40 мм
Расчет
траверсы
Высота
траверсы определяется из условия прочности сварных швов, которыми траверса приваривается
к стержню колонны.
Назначаем
вид сварки и сварочный материал: полуавтоматическая сварка, в качестве сварного
материала используется проволока Св-08А (d=1,4-2,0мм.)
На
каждый сварной шов приходится ¼ N
тр
= lw + 1см =27,7+1,0=28,7см
Принимаю
hтр=30,0см.
tmax=18мм.,
сварка полуавтоматическая, Run<430МПа
kf,min=6мм.;
kf,max=1,2∙tmin=1,2∙15,0=18,0мм.
(табл. 38* СНиП)
Принимаю
kf =6мм.
Проверка
траверсы
Расчетная
схема траверсы представляет собой однопролетную двухконсольную балку с опорами
в местах крепления к стержню колонны.
Погонная
нагрузка на траверсу
Момент
в траверсе (на опоре)
Поперечная
сила в траверсе (на опоре)
Приведенное
напряжение в траверсе:
Вывод:
прочность траверсы по приведенным напряжениям обеспеченна.
Диаметр
анкерных болтов принимаем конструктивно: при жестком сопряжении 30мм - по 2
болта с каждой стороны.
Анкерные
плитки - с отверстиями под анкерные болты (класс точности С) диаметром dб +
(3-5мм), примем Øотв=33мм; tап=20мм. Длину анкерных плиток
назначим lап= В=50см, ширину анкерных плиток назначим с учетом
правил расстановки болтов: bанк.пл.≥2,5∙d0=2,5∙30=75мм.,
принимаем вап=17см.
Узлы главной балки
Сопряжение главной балки с второстепенной балкой в одном уровне
Второстепенные балки крепятся к поперечным ребрам главных балок на
обычных болтах.
Назначаю диаметр болтов 24 мм., класс прочности 5,8, класс точности В
(Rbs=200МПа, Rbt=200МПа, Rbp=200МПа)
Определяем несущую способность одного болта:
на срез:
на
смятие:
временное
сопротивление стали класса С255 - Run=370МПа
Rbp=450МПа
-
меньшая из толщин между стенкой балки настила и ребром жесткости = 0,7см (по
толщине ребра жесткости).
Определяем требуемое количество болтов в соединении по минимальной
несущей способности
округляем
до целого в большую сторону n=3
1. располагаем болты в соединении согласно правилам по СНиП
а
- расстояния между центрами болтов (минимальное)
b - расстояние
от центра болта до края элемента (минимальное вдоль усилия)
с
- расстояние от центра болта до края элемента (поперек усилия)
d0 = 26мм
а
65мм
b
52мм
с
39мм
Принимаем:
а=90мм
b= 70мм
с=90мм
.
Увеличение максимального касательного напряжения балки настила из-за ослабления
стенки отверстиями под болты:
< Rs×gc =13,9∙1,1=15,3 кН/см2
Условие
выполняется.
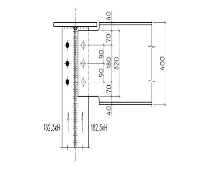
Узел опирания главной балки на колонну
Расчет опорного узла главной балки
Опорный лист работает на смятие торцевой поверхности под действием
опорной реакции балки.
Условие прочности на смятие торцевой поверхности:
где Rp - расчетное сопротивление смятию
торцевой поверхности, т.52.
Rp =
336 МПа = 33,6 кН/см2;
Rб -
опорная реакция главной балки;
Принимаем tоп.л. = 16 мм
Рассчитываем угловые сварные швы, которыми опорный лист крепится к стенке
главной балки:
определяем катет углового шва, соединяющего опорное ребро со стенкой
главной балки.
Принимаем полуавтоматическую сварку проволокой Св-08А(d=1,4-2,0мм.)= 180 МПа=18 кH/см2 - расчетное сопротивление
углового сварного шва по металлу шва(т.56 СНиП);
Rwz=0,45∙Run=0,45∙37,0=16,65кН/см2 -
расчетное сопротивление углового сварного шва по металлу границы сплавления;
gwf = γwz=1,0
- коэффициент условия работы углового сварного щва, по металлу шва и по металлу
границы сплавления соответственно;
gc = 1,0 ;
расчет
ведем по металлу шва
Условие
прочности углового сварного шва по металлу шва:
Конструктивные требования:
tmax=16мм.,
сварка полуавтоматическая, Run<430МПа
kf,min=5мм.
kf,max=1,2∙tmin=1,2∙10,0=12,0мм.
(табл. 38* СНиП)
Принимаю
kf =7мм.
bf =0,8 -
коэффициент, учитывающий глубину проплавления по металлу шва (т.34 СНиП)=758,4
кН;
За длину шва принимаем: высоту стенки балки: hw=135см - 1см (на непровар)
lw=135-1=134см
,05кН/см2
< 18,9кН/см2
Вывод:
прочность угловых сварных швов по металлу шва обеспечена.
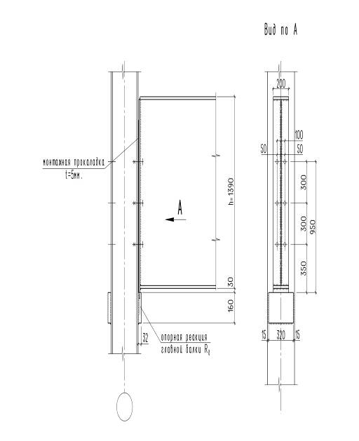
Расчет опорного столика для колонны
Назначим tоп.ст. и bоп.ст. конструктивно:
оп.ст. = tоп. л + (15-20)мм = 16 +16 = 32ммоп.ст. = в - 2(15-20)мм = 350-30 =
320мм
оп.ст. - определяем из требуемой длины сварных швов, которыми столик
приварен к колонне:
Требуемая
высота столика с учетом 10 мм. на непровар и кратер в концевых участках шва hоп.ст.=150+10=160мм.
где
Rwf - расчетное сопротивление углового сварного шва - по
СНиП II-23-81* (табл.56)
γwf - коэффициент
условия работы сварного шва по металлу шва, γwf = 1
tmax=32мм.,
сварка полуавтоматическая, Run<430МПа
kf,min=7мм.
kf,max=1,2∙tmin=1,2∙18,0=21,6мм.
(табл. 38* СНиП)
Принимаю
kf =10мм.
βf = 0,7 ( по т. 34 СНиП)
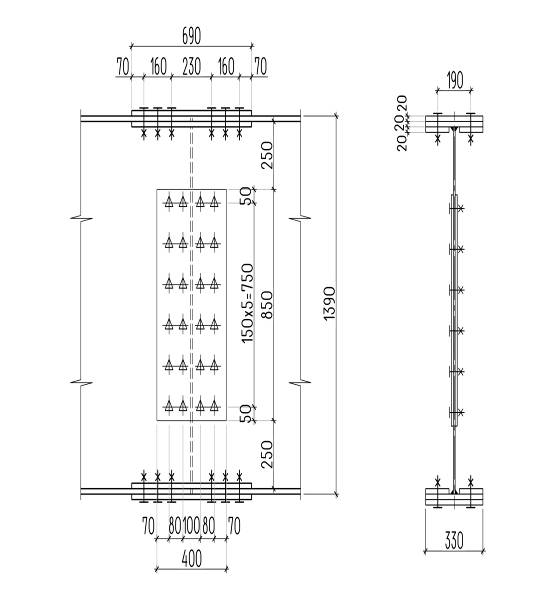
7. Проектирование монтажного стыка главной балки на высокопрочных болтах
Проектируется в середине балки по длине как сдвигоустойчивое соединение
на высокопрочных болтах
Соединения полок и стенки рассчитываются отдельно. Каждая полка
перекрывается с наружной стороны накладкой, с внутренней стороны - двумя полунакладками.
Стенка перекрывается двумя накладками. Высокопрочные болты в стенке
устанавливаются двумя вертикальными рядами в полустыке.
Толщина накладок и полунакладок назначается так, чтобы их суммарная
площадь была на 15-20% больше, чем площадь сечения перекрываемого ими элемента.
Назначаем диаметр высокопрочных болтов (одинаковых для полок и стенки) и
марку стали:
= 30мм - по СНиП II-23-81*
(табл.62)
марка стали - 30Х3МФ, Rbun
=120 кН/см2 - наименьшее временное сопротивление - по СНиП II-23-81*
(табл.61)
Расчет высокопрочных болтов в
полках.
Монтажный стык устраивается в
месте действия максимального изгибающего момента.
Максимальный изгибающий
момент в середине балки:
, где
Мf -
изгибающий момент, воспринимаемый полками
Мw -
изгибающий момент, приходящийся на стенку
Высокопрочные
болты в полках воспринимают продольное усилие Nf, действующее
в них:
Определяем
несущую способность соединения стянутого одним высокопрочным болтом:
-
наименьшее временное сопротивление материала болта = 120кН/см2;
Аbn -
площадь сечения болта , с учетом ослабления резьбой = 5,6см2;
-
коэффициент трения = 0,42 (способ обработки соединяемых поверхностей -
газопламенная);
k - количество
плоскостей трения = 2;
γб - коэффициент условия работы болтового соединения, γб=0,9 (ожидаемое число болтов n больше пяти и
меньше 10);
γh - коэффициент
надежности болтового соединения γh = 1,02 (при
контроле усилия натяжения болта по углу поворота гайки);
Определяем
требуемое количество высокопрочных болтов в полустыке (с одной стороны от
соединения).
Полученное
число округляем в большую сторону кратно 2: n = 6
Расчет
высокопрочных болтов в стенке.
Располагаем
в два вертикальных ряда с одной стороны. Назначаем расстояние между крайними
рядами болтов hmax=75см
Из табл. 3 методич. указаний находим количество болтов в одном
вертикальном ряду. Принимаем 6 болтов с шагом 150мм.
Принимаю
а = 80мм - расстояние между болтами;
b = 70мм -
расстояние от крайнего ряда болтов до края элемента вдоль действия усилия;
с
= 50мм - расстояние от крайнего ряда болтов до края элемента поперек действия
усилия.
Каждый пояс балки перекрываем двумя полунакладками, сечением 690х135х20мм
и одной накладкой сечением 690х330х20мм.
Стык перекрываем двумя вертикальными накладками размером 400х850х8мм.
Список использованной литературы
1. СНиП
II-23-81*. Стальные конструкции / Госстрой СССР. - М.: ЦИТП Госстроя СССР,
1991. - 96 с.
2. СНиП
2. 01.07-85*. Нагрузки и воздействия / Минстрой России. - М.: ГП ЦПП, 1996. -
44 с.
. Металлические
конструкции: учебник для студ. высш. учеб. заведений
/ [Ю.И. Кудишин, Е.И. Беленя, В.С. Игнатьева и др.]; под ред. Ю.И. Кудишина. -
10-е изд., стер. - М.: Издательский центр «Академия», 2007. - 688с.